空气源与太阳能投资及运行费用分析表
- 格式:docx
- 大小:84.57 KB
- 文档页数:10
空气源热泵机组运行费用比较Investment and study are the most important things in life, and there is no better idea.空气源热泵机组运行费用比较我们都有一个常识:水不可能自发的从低位流向高位,要将低位的水输送到高处去,必须用一台水泵消耗电能作为补偿,才能将低位的水送到高处.同理,热量不可能自发的从低温环境传送到高温环境中去,如果要实现热能从低温环境向高温环境的转移,必须通过一台设备,并消耗一部分机械功例如电能作为补偿,这种设备就称为“热泵”.因此长菱风冷热泵型热水机组的工作原理是通过输入小部分电力,驱动压缩机运行,整个热泵系统投入动作,通过蒸发器不断从低温环境中吸收热量,通过冷凝器将系统吸收的热量和消耗的电能传递到高温环境中,原理如下所示.压缩机每消耗1份电能就能使工质运送2~6份热能根据环境温度不同而定.传统的使用电力、燃油、燃气等的热水器实质上是一种能量转换装置,它们把电能、燃料的化学能转换为热能.例如燃气热水器,通过燃气在氧气作用下燃烧,会有不完全燃烧、高温度热损耗、换热损耗等热能的损失,实际的制热学系数反在~之间.而热泵所消耗的电能只是供应机械压缩机、电机等系统做功搬运热能——把热能从低品位低温热源中运送到高品位高温热源中.因此,它不是热能的转换设备,而是热能的搬运设备,它不受热能转换效率极限为100%的制约.热泵技术概况热泵的发展应用起源于欧美,我国是最大的市场.19世纪初,英国物理学家提出了“通过改变压缩流体的压力就能使其温度发生变化”的原理.1854年,威廉·汤姆逊发表论文,提出了热量倍增器Heat Multiplier的概念,首次描述了热泵的设想.1912年瑞士苏黎世成功安装了一套以河水为低位热能的热泵设备用于供暖——这是世界上第一个水源热泵系统.此后的几十年是热泵的研究发展阶段,其发展长期滞后于空调的发展.1973年的全球性能源危机,使人们重视能源的节约及回收利用,加速了热泵在全球范围内的发展.而大规模的商业应用则是近20年的事,拿发达国家美国来说,1985年有14000台热泵在用,到1997年又新装45000台,截止2004年已安装了400000台,每年以10%的速度稳步增长.在我国,热泵事业近几年开始起步.2001、2002年开始有进口产品及合资产品,发展势头很猛.随着人们节能、环保意识的提高——即人们可测算到只要使用热泵产品一、两年的时间节省下来的燃料费,就可回收投资购买设备的费用.因此,不久的将来2~3年热泵热水器必将“飞入寻常百姓家”,成为热水器市场的主流.据专家保守估计,未来3年,我国热泵市场将有300亿元的商机.主要性能特点1.3.1 高效节能由工作原理可知,热泵机组能从周围空气获取大量的免费热量,一般情况下,每消耗1度电大约能产生3~4度电以上的热量.机组的能效比COP平均可达3~4以上,相当于热效率超过300%~400%,比用直接电加热方式节能67~75%以上.运行费用是普通电热水器的1/4,燃气热水器的1/3,燃油热水器的1/,太阳能热水器的1/.1.3.2 经济耐用由于效率高,运行费用低,是电锅炉的1/3~1/4还少,而且可以大大降低供电负荷,节约电力增容费.跟燃气燃油锅炉比较,无需相应的燃料供应系统,因此无需燃料输送费用和管理费用.设备紧凑,操作、维护简单,无需人工管理费用.机组安装在室外,比如裙楼或顶层屋面、敞开的阳台等处,无需设立专门的设备房,不占用有效的建筑面积,节省土建投资.压缩机、热交换器和主要零部件均选用名牌优质产品,运行可靠,使用寿命长.外壳采用镜面不锈钢,高雅美观,经久耐用,不易生锈.1.3.3 安全环保热泵机组对大气及环境无任何污染,而且节能效果明显,属于绿色环保类产品,符合我国目前的能源、环保方面的基本政策.热泵机组设有高低压异常保护、压缩机过载保护、风机过热保护、缺相保护、漏电保护、传感器故障保护、限温保护等多种自动安全保护功能.与传统的热水锅炉相比,没有相应的燃料供应和烟气排放系统,系统安全、卫生、清洁,没有燃料泄露、火灾、爆炸等安全隐患.与传统的活塞压缩式热泵机组相比较,长菱热泵采用涡旋式压缩机,其噪音小,对周围环境不会产生不利影响.1.3.4 适应性强空气源热泵型热水机组的工作性能随室外气候变化比较明显,室外环境温度在0~40℃范围内,热泵机组都能正常工作.热泵机组提供可达60℃以上的热水,充分满足卫生热水、泳池恒温和采暖等各种需求.与水箱配套使用,充分利用夜间优惠电价时段来加热,预先储存大量的热水.可多台机组并联满足更大量的热水需求,另外,在热水需求量减少的季节或需要检修时,可以停用部分机组而不影响其他机组运行.第2章能耗对比分析运行成本分析2.1.1 各种设备的热效率及输出有效热值能源类型计算方法有效热值电加热热值860kcal/度×热效率95% 817kcal/度柴油热值10200kcal/㎏×热效率75% 7650kcal/㎏液化气热值12000kcal/㎏×热效率80% 9600kcal/㎏热泵机组热值860kcal/度×热效率400% 3440kcal/度2.1.2 运行费用比较设本厂用热水量为50吨,在相同情况下,把50吨15℃的冷水,加热至55℃的热水,水温度升高40℃,需要热量:50000升×1kcal/升·℃×40℃=2000000kcal则各种加热设备的运行费用如下:电加热2000000kcal÷817kcal/度=2448度2448度×1元/度=2448元柴油2000000kcal÷7650kcal/㎏=261㎏261㎏×元㎏=1697元液化气2000000kcal÷9600kcal/㎏=208㎏208㎏×7元/㎏=1456元热泵机组2000000kcal÷3440kcal/度=581度581度×1元/度=581元2.1.3 各种加热设备使用费用与节省费用比较能源类型每天费用每年费用平均每人每天费用使用热泵每天节省费用使用热泵每年节省费用电加热 2448元 893520元 1867元 681455元柴油 1697元 619405元 1116元 407340元液化气 1456元 546040元 875元 319375元太阳能 881元 321565元 300元 109500元热泵机组 581元 212065元注:①电费1元/度、柴油元/㎏、液化气7元/㎏②使用太阳能按一年120天阴雨天计算,配用辅助加热设备不同费用不同,以上为全年中平均每天的费用,即按热泵费用的倍计算.热泵与各种加热设备的对比优势2.2.1 热泵与常规太阳能产品相比的优点在哪几个方面适用范围广,产品适用温度范围在-10~40℃,并且一年四季全天候使用,不受阴、雨、雪等恶劣天气和冬季夜晚的影响,都可正常使用.可连续加热,与传统太阳能储水式相比,热泵产品可连续加热,持续不断供热水,满足用户需求.运行成本低:与常规太阳能相比,在春、夏、秋季阳光较好时,运行费用高于太阳能,但在阴雨天和夜晚,热效率远远高于太阳能的电辅助加热.全年平均下来,常规太阳能辅助系统全年耗能比产品全年总耗能还要高出很多.安装方便:空气源热泵占地空间很小,外行与空调室外机相似,可直接接保温水箱或与供暖管网连接,适合于大中城市的高层建筑,对于在型中央供热问题,热泵产品是最好的选择.2.2.2 热泵产品与锅炉相比的优点是什么热效率高:产品热效率全年平均在300%以上,而锅炉的热效率不会超过100%.运行费用低:与燃油、燃气锅炉相比,全年平均可节约70%的能源,加上电价的走低和燃料价格的上涨,运行费用的优点日益突出.环保:热泵产品无任何燃烧排放物,制冷剂选用了环保制冷剂R417A,对臭氧层零污染,是较好的环保型产品.运行安全,无需值守:与燃料锅炉相比,运行绝对安全,而且全自动控制,无需人员值守,可节省人员成本.模块式安装,便于增添设备:产品采用多台机组并联的安装模式,当用户用水量增大时,可随时增添设备.2.2.3 热泵产品与液化气相比的优点是什么安全.没有任何漏气、中毒、爆炸的事故发生.使用方便.要用热水时只需打开水笼头即可,没有液化气每次用水时都要开关阀门,要定时换气,要定时检查电池等烦恼.节省费用.热泵的热效率平均都在300%以上,而液化气只有75%.按成本计算下来使用热泵的成本只有液化气的1/3.一度电在家泡温泉---这是美的在凤凰卫视上关于热泵热水器的一句广告词,主要是体现它节能的优势.热泵的基本原理有很多人都知道,在蒸发器内冷媒吸收3份空气中的热量,通过压缩机消耗一份电能做功提高冷媒的温度,再通过换热器将4份热量传递给用水,最后冷媒通过一个膨胀阀解压降温,然后又进入蒸发器进行下一次循环.水只通过换热器,升温后流入保温水箱保存备用所以,判断一个热泵热水器产品的好坏,主要看以下方面:1、由于冷媒是以较低的温度进入蒸发器,所以在环境温度较低的情况下蒸发器很容易结霜,如果结霜的话会影响冷媒的吸热效率,很多产品都没有很好解决这个问题,所以当气温较低时,产品几乎都不能用.解决的办法是当蒸发器结霜时,通过一个智能程序,在冷媒被压缩升温后,控制冷媒在换热器中的换热效率,使得冷媒能以较高的温度回到蒸发器,从而进行化霜.有的产品也能化霜,但是不能控制冷媒的换热效率,而是让高温冷媒直接从压缩机里面出来后不通过换热器直接进入蒸发器化霜,这样的话化霜时的温差会很大,很可能会造成蒸发器中铜管的破裂,从而影响蒸发器的寿命;2、压缩机的好坏也是一个关键,一般有实力的厂家都会选择美国谷轮涡旋压缩机,家用的话用松下的压缩机也行;3、换热器的效率也是很关键的一个因素,现在美的使用的换热器为3排铜管v型换热器一般只有2排铜管.现在市场上有的产品是将高温冷媒经过的铜管直接插入水箱里面进行换热,由于水箱里的水很少流动,这样会导致铜管结垢,降低换热效率,更为严重的是铜管容易破裂,导致冷媒泄漏到水中,这样的水对身体伤害很大,有很多牌子都是这样做的所以我建议大家别贪便宜买价格低的,因为价低的话成本也低,部分配件品质上都不会很好.除了向大家推荐美的外,还向大家推荐一个品牌:长菱.长菱的热泵也做得很好,它和美的的风格不同:长菱注重技术,美的注重营销,对代理商的支持力度很大.有很多品牌找我司做代理,最后我只选择两家:美的和长菱,他们的品价格虽然贵一些,但是做起来很舒服,没有后顾之忧.有的公司就是做一些品质不过硬、价格低的,这样卖出去很容易,但卖出去后经常出问题,有的问题厂家来都解决不了,所以老板只好关门了.当然,只有用了才知道好不好,但希望消费者在购买的时候檫亮眼睛,我也希望大家能买到性价比高的热泵,更希望热泵能够早日量产,从而降低成本,降低价格,飞入千万家庭,使大家花一度电就能在家泡温如有任何问题,可以咨询我:东莞市长安镇新能机电节能工程有限公司能: 热效率460%, 运行费用是燃气、燃油锅炉的1/3, 是电热水器的1/4,比太阳能低40%.空气源热泵的工作原理2009-05-06 16:53空气源热泵是要用电,但电只用在驱动热泵系统从外界环境中吸收热量.并将热量释放出来加热水,而不像常规电热水器那样直接用电形成860大卡的热量加热水.实验证明同样一度电用于热泵系统中从外界吸收的热量是四倍于860大卡的热量,故用电量只有电热水器的四分之一.打一个通俗的比方:热泵机组用1份电能可以从环境中吸取2-3份免费热能,再用这些热能加热水,消耗的1份电能也用于加热热水.所以最终可使热效率达到300-500%.某人从开发区挑担子至市区最多担100公斤.他做了多少功,用了多少力,有一个可以计量的定量及定值.同样用这么多力做多少功推动一辆车子,借助车子这个设备,可以将400公斤的货物用同样的这么多功,同样这么多的力,推到市区.所以借助于车这种设备,产生的效果4倍于挑担的效果.所以热泵这种设备类似于车,而普通电、燃气热水器类似于一个人挑担子.一般的加热方法都是直接用能源来加热水,电热水器能源使用效率约为95%,天燃气约为70%,而热泵机组是用电来驱动压缩机,而不是直接用于加热水,热能实际来自环境.我们可以明白热泵产品为什么是一个节能高效的产品.采用制冷剂的能量传递特点,让制冷剂在压缩机的作用下循环工作,不断地在蒸发器中被蒸发而吸收空气中的热能,同时又不断地在冷凝器中释放热量,从而使流经冷凝器的冷水升温.由于整个系统只需要让压缩机转动而促使制冷剂循环工作,所以最大程度地减少了制冷所需的用电量,达到高效节能的目的.热泵热水机是继燃气热水器、电热水器和太阳能热水器之后的新一代热水装置,是一种可替代锅炉的供暖设备.热泵热水机吸收空气中的热量,充分利用了免费能量,它是完美地结合了电热水器和太阳能热水器各自优点的安全节能环保型热水机.热泵热水机是利用新能源的最好设备之一,一年三百六十五天全天候运转,不受恶劣天气的影响.相同的制热量,热泵热水机的用电量仅是电热水器的四分之一左右,大大节约了电能.热泵热水机是先进发达国家所推荐使用的绿色环保产品,在发达国家已相当普及.热泵热水机安装简便,占地面积小,楼顶无法安装太阳能热水器的用户尤为适合,系统自动控制,不需专人看管;且不受天气影响,因此广泛适用于工厂、学校、宾馆、酒楼、医院、桑拿沐足、沐浴中心等热水需求量较大的场所.空气源热泵热水器知识1、空气源热泵热水器机组是一种什么装置该装置是一种全新型生产热水的节能设备,它从空气中吸取热量将水加热至最高55℃ .它作为中央热水设备广泛应用于宾馆、酒店、桑拿中心、医院、工厂和住宅小区等集体型用水单位和别墅、家庭、美容美发店等小型用水单位.2、空气温度那么低它怎么能够把水加热到55℃通常我们认为热量总是从高温热源流向低温热源,而空气的温度仅在45℃ 以下,特别是寒冷的冬季如果要用空气直接加热水是不可能的.但是空气热泵热水器机组内设有特殊装置,可以实现吸取空气中的低温热量并转化为高温热量的过程,并运用高温热量加热水至 55 -60℃ .3、空气源热泵热水器机组的工作原理是什么空气源热泵热水器机组由热泵——换热器——节流器——吸热器——热泵等装置构成了一个循环系统.热媒也可称冷媒在热泵的作用下在系统内循环流动.它在热泵内完成气态的升压升温过程温度高达100℃ ,它进入换热器后释放出高温热量加热水,同时自己被冷却并转化为流液态,当它运行到吸热器后,液态迅速吸热蒸发再次转化为气态,同时温度下降至零下20℃ ——30℃ ,这时吸热器周边的空气就会源源不断地将低温热量传递给热媒.热媒不断地循环就实现了空气中的低温热量转变为高温热量并加热冷水过程.4、空气源热泵热水器机组需要用电,运行费用会不会很高空气源热泵热水器机组不同于电热水器机组,电热水器机组是用电发热管直接将电能转换为热能加热冷水,电热转换效率为95℅左右.但空气热泵热水器机组所消耗的电能是带动热泵工作,仅起到促使热媒循环运动的作用,由于大量空气中的热量进入体系,使热水得到的能量远远大于热泵消耗的电能,这两个能量之比可达到3倍以上,即电热转换率高达到300℅以上.也就是说:空气热泵热水器机组系统加热水的主要能源是来自周围的空气,使用相当于电热水器机组所耗的1/3或1/4的电能就可以得到足够的热水,运行费用显然远远低于电热水器机组或电锅炉.5、空气源热泵热水器机组每加热一吨热水成本是多少由于各地区各行业的电价有很大的差异,油价及煤气价格也有差别,而且夏天和冬天获得同样温度的水所需的热量也不一样,只能够引用全年平均概念.每加热一吨热水的能耗成本,电热水器机组需要 20~45元;空气热泵热水器机组需要5~14元;柴油炉需要26~32元;煤气炉需要25~30元;天然气炉需要18~22元;液化气热水器机组需要25~30元.相比之下,空气源热泵热水器机组运行费用最低.6、太阳能热水器机组是现在比较流行的一种节能环保型热水器机组,空气源热泵热水器机组与之相比有什么不同空气源热泵热水器机组与太阳能热水器机组都是利用自然环保能源产生热水的装置,但它们有着本质的区别.空气源热泵热水器机组是以空气热量为能源的,但它获取能量的方式是主动的,因而不受阴天下雨白天黑夜影响.太阳能热水器机组获得能量的方式是被动的,它依靠太阳光直接辐射才有较好的效果,因而只能在晴天里才能够产生热水,其它时间必须依赖传统加热方式如:电热辅助;柴油炉辅助;煤气炉辅助;空气源热泵热水器机组辅助等.7、空气源热泵热水器机组与太阳能热水器相比有什么优势节电效果好:空气源热泵热水器机组平均节电 65-80℅,电辅助太阳热水器平均节电40-65℅,而且只在特殊条件下才能够达到70℅.投资较小:以节电65℅为标准,空气源热泵热水器机组的投资仅为电辅助太阳能热水器的70℅左右.适应性强:空气源热泵热水器机组几乎不受天气影响,以全天候产热水,不论刮风下雨白天黑夜,一天24小时生产供应热水.而太阳热水器只能是晴天产热水,下午及晚间使用,其它天气及夜晚早晨用热水都需要靠其他能源,在全国的很多地区太阳热水器的电辅助装置工作时间要超过40℅.储水箱较小:太阳热水器的储水箱要按全天最大供热水量配置,而空气源热泵热水器机组因可在任何时候产热水,储水箱配置仅为最大供热水量的50~70℅即可满足要求.占地面积小:太阳热水器往往要占满整个楼面,对于9层以上用户的楼面面积不够大.而空气源热泵热水器机组系统仅需要太阳能热水器机组占地面积的1/9.家用空气热泵热水器机组可以安装在阳台或车库,几乎不占有效建筑面积.8、空气源热泵热水器机组与其它热水器机组相比有什么优点运行费用最低:空气热泵热水器机组高效、节能,运行成本约为电热水器机组的1/3~1/4,燃油、燃气热水设备的1/2,电辅助太阳热水器的2/3. 符合环保要求:绝大多数城市对环保要求越来越高,不仅禁止高灰尘煤而且对有味的柴油也将逐步取缔.煤气、电及自然能源都是积极倡导和推广的.较煤气热水系统综合投资小:煤气热水系统水仅需要比较贵的燃气热水设备,而且交纳大笔增容费及设备安装费.这就使燃气热水系统投资非常惊人.运行安全:空气热泵热水器机组无可燃气体,也不直接用电加热水,绝对安全.9、空气源热泵热水器机组除了可供洗澡用热水外,还有其他用处吗除了供洗澡用热水外,凡是需用热水的场合都可以用.如桑拿池、游泳池、工业企业、农业养殖等,在这种温度要求较低的系统,空气热泵热水器机组的能效比可高达 5-6,更节能.10、空气源热泵热水器机组在寒冷冬季环境温度非常低时能否使用水温能够加热到多少能效比为多少根据空气源热泵热水器机组的工作原理,热媒在吸热器内的最低蒸发温度可降到零下30℃ 以下,很少有环境气温比它还低的地区.但由于温度过低时,容易在吸热器上结冻而封堵空气通道,降低传热效果,而且过小的温差也减少对空气热量的吸收.空气热泵热水器机组采取了自动智能除霜装置,使主机可以在-5℃ 以上的环境温度下正常运行.在这种恶劣气候条件下水温仍能够达到要求,能效比不低于 .11、空气源热泵热水器机组在0℃ 以下的环境下不能够很好的工作,是否可以认为凡有零度以下气温的地区都不能够使用不能这样说,这是因为在中国的绝大多数地区气温低于0℃ 的天数是非常少的,即使在长江以南大部分地区气温低于0℃ 的天数也不超过 1个月,而且多是在夜间.基于上述情况,空气源热泵热水器机组系统可配置电辅助加热系统,当气温过低时辅助加热系统自动启动,确保提供足够的热水.但因工作时间很短,费用也不会很高.换句话说空气热泵热水器机组在全年绝大多数时间里为客户节约了大量的运行费用.12、空气源热泵热水器机组是否容易损坏空气源热泵热水器机组本身是具备有各种保护设施,如过载、过热、缺相、超压、缺雪种保护等,所以不必担心它的损坏,它的运行和全机的寿命与空调节器相当.13、空气源热泵热水器机组操作与维护是否容易掌握空气源热泵热水器机组空调器比较接近,因此只要是维修空调设备的人员参照设备说明书就可以进行维护.普通电工只要进行空调技术培训就可以上岗,当然这只是针对一些大型并要根据用量的大小经常调节的用热水单位而言的,而家用空气热泵热水器机组,就无须担心维护了,因为它是全自动运行,且状况稳定,无须经常调节.14、空气源热泵热水器机组以什么作为设计标准总体来说,冬季用热水量最大,空气热泵热水器机组冬季全天产水量应大于或等于最大热水需求量,以此作为热水机的配置标准,而热水机的运行时间标准为:全年日平均工作 10——14小时.15、空气源热泵热水器机组对安装人员的要求如何安装非常简单,一般的水电工只要按照图纸的要求安装就可以,但对于整个系统的设计安装和调试则需要安装人员接受专门的培训.16、空气源热泵热水器机组所产生的冷气在哪些方面可以利用A向大楼的电梯机房输送冷气B向大楼的通风口输送冷气C向地下室或储藏室输送冷气注:以上均为建议采用方式,另外可以根据现场的环境作灵活的改进17、空气源热泵热水器机组投资回本期限是多少该设备虽然比柴油锅炉和电热水锅炉投资偏大,但它的运行费用非常低,电热水锅炉的运行费用比,一般 1~年就可以收回投资,与柴油锅炉比一般需要2~3年就可以收回投资.18、空气源热泵热水器机组是否可以利用峰平谷电价差完全可以使用峰平谷电价差,因为空气源热泵热水器机组是储热型热水器机组,用户可以通过操控面板设置主机加热启动时间,大部分用户在用电谷段和平段恰恰是热水使用的低峰期,空气源热泵热水器机组在用户使用热水的低峰期将热水制好,而此时用的正好是夜晚最低的平谷电价.但由于距第二天的用热水高峰相距时间较长,要求是保温水箱要做大且保温要好.具体可以咨询当地政府或者电力部门.空气源热泵热水器的基础问题九恒空气源热泵热水器是继燃气热水器、电热水器和太阳能热水器的新一代热水装置,是可替代锅炉的供热水设备.九恒热泵热水器吸收空气中的热量和太阳能,是综合电热水器和太阳能热水器优点的安全节能环保型热水器,可一年三百六十五天全天候运转,是国家重点推广项目.人们所熟悉的“泵”是一种能提高位能的机械设备,比如水泵主要是提高水位或增加水压,而“热泵”是一种能从自然界的空气、水或土壤中获取低位热,经过电力做功,输出可被人们所用的高品位热的设备,是一种节能、环保、清洁的采暖和热水设备,热泵技术是近年来在全世界倍受关注的新能源技术.一、如何理解“九恒热泵”。
100立方热水空气能加太阳能造价
【原创版】
目录
1.空气能和太阳能的定义和原理
2.100 立方热水空气能加太阳能的造价分析
3.空气能和太阳能的优缺点比较
4.我国的政策支持和发展趋势
正文
一、空气能和太阳能的定义和原理
空气能,又称空气源热泵,是一种利用空气能量进行加热和制冷的技术。
其原理是通过压缩机将低温低压制冷剂吸入,经过压缩升温高压制冷剂排出,高温高压制冷剂流经换热器吸收空气能量,制取热水。
太阳能,则是通过太阳电池板将太阳光能转化为电能,再通过加热器将电能转化为热能,从而实现热水的制取。
二、100 立方热水空气能加太阳能的造价分析
对于 100 立方的热水,空气能和太阳能的造价会受到多种因素的影响,包括设备的选型、安装的费用、地域的差异等。
一般来说,空气能的热水器初投资会比太阳能的高,但在运行费用上,空气能的能耗较低,长期下来,运行费用会低于太阳能。
三、空气能和太阳能的优缺点比较
空气能和太阳能各有其优缺点。
空气能的优点在于不受天气影响,无论阴晴雨雪都能运行,且能效较高。
缺点是初期投资较大,设备占用空间也较大。
太阳能的优点是环保无污染,初期投资较小,缺点是受天气影响大,阴雨天或冬季可能无法正常运行。
四、我国的政策支持和发展趋势
我国对于节能环保的新能源技术给予了大力的支持,无论是空气能还是太阳能,都有相应的政策补贴和优惠政策。
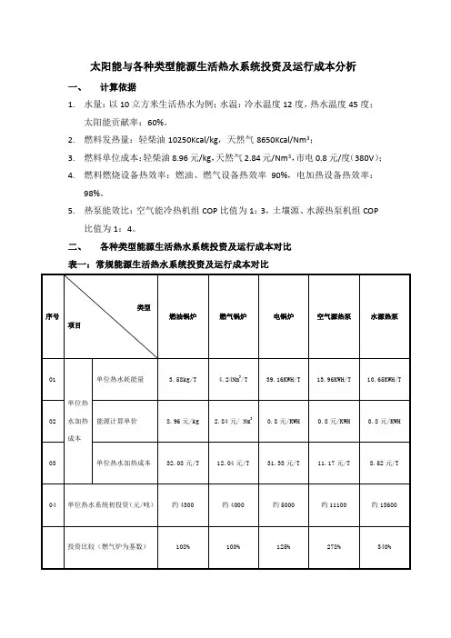
太阳能与各种类型能源生活热水系统投资及运行成本分析
一、计算依据
1.水量:以10立方米生活热水为例;水温:冷水温度12度,热水温度45度;
太阳能贡献率:60%。
2.燃料发热量:轻柴油10250Kcal/kg,天然气8650Kcal/Nm3;
3.燃料单位成本:轻柴油8.96元/kg,天然气2.84元/Nm3,市电0.8元/度(380V);
4.燃料燃烧设备热效率:燃油、燃气设备热效率90%,电加热设备热效率:
98%。
5.热泵能效比:空气能冷热机组COP比值为1:3,土壤源、水源热泵机组COP
比值为1:4。
二、各种类型能源生活热水系统投资及运行成本对比
表一:常规能源生活热水系统投资及运行成本对比
表二:太阳能加常规能源生活热水系统投资及运行成本对比
说明:
1.实际中因用水量的不同,单位投资会有所偏差;
2.太阳能热水系统初投资计算为含辅助能源系统。
(辅助能源类型为常规油、
气、电等)。
自然之源空气源热泵运行费用的分析一、夏季制冷的运行费用前提:符合国家节能减排房的标准夏季制冷时间为90天,以100平方米的建筑面积计算(使用面积是75平方米),每平方米的冷量设计为120W,每天的运行时间为8小时那么每天需要的冷量为120×75×8=72000WH,主机制冷时的平均能效比是3则一天的耗电量为:72000/3=24000WH=24KwH90天的耗电量是:90×24=2160 KwH90的电费:2160×0.55=1188元二、冬季取暖的运行费用青岛市的冬季取暖时间为140天。
以100平方米的建筑面积(使用面积为75平方米)。
电费按一度电0.55元,主机24小时工作(一)房间内采暖选用地暖1、当环境温度是-15℃~-7℃时市政供暖地板采暖的热量要求是45W每平方米,那么每天需要供热量:45w×75×24小时=81000WH,在这个环境温度下主机的制热平均能效比是2.5则每天消耗的电功率是:81000WH/2.5=32400WH=32.4KwH每天的运行电费是:32.4KwH×0.55=17.82元环境温度是-15℃~-7℃的天气在青岛地区的时间是30天,那么这段时间的运行费用是17.82×30=534.6元2、当环境温度是-7℃~0℃时市政供暖地板采暖的热量要求是45W每平方米,那么每天需要供热量:45w×75×24小时=81000WH,在这个环境温度下主机的制热平均能效比是2.8则每天消耗的电功率是:81000WH/2.8=28928WH=29KwH每天的运行电费是:29KwH×0.55=15.95元环境温度是-7℃~0℃的天气在青岛地区的时间是45天,那么这段时间的运行费用是15.95×45=717.75元3、当环境温度是0℃~15℃时市政供暖地板采暖的热量要求是45W/每平方米,那么每天需要供热量:45w×75×24小时=81000WH,在这个环境温度下主机的制热平均能效比是3.5则每天消耗的电功率是:81000WH/3.5=23143WH=24KwH每天的运行电费是:24KwH×0.55=13.2元环境温度是0℃~15℃的天气在青岛地区的时间是30天,那么这段时间的运行费用是13.2×30=396元那么三个时间段140天总的费用是534.6+717.75+396=1648.35元(二)房间内采暖采用风机盘管(a)房间每平方米的热量设计为170W,那么每天需要供热量是170W×75×24=306000WH ,140天的供暖期主机平均能效比为3,那么每天消耗的电功率是:306000/3=102000WH=102KwH每天的运行电费是:102KwH*0.55=56.1140天的取暖费用是56.1*140=7854元(b)如果采用其它形式的中央空调,其能效比最多是2每天消耗的电功率:306000/2=153000WH=153KwH每天的运行费用:153KwH*0.55=84.15元140天的取暖费用是:84.15*140=11781元如果环境温度低于零下7度,其它中央空调需要辅助电加热,每100平方米需要4Kw。
100立方热水空气能加太阳能造价摘要:一、引言二、100 立方热水空气能加太阳能的工作原理三、造价分析1.设备成本2.安装成本3.后期维护成本四、经济效益1.能源利用效率2.节省成本3.对环境的影响五、总结正文:一、引言在我国,随着环保意识的增强和可再生能源技术的不断发展,越来越多的企业和家庭开始选择使用太阳能和空气能等清洁能源来满足热水需求。
本文将详细介绍100 立方热水空气能加太阳能的造价及经济效益。
二、100 立方热水空气能加太阳能的工作原理100 立方热水空气能加太阳能系统是利用太阳能集热器和空气能热泵共同为用户提供热水的一种设备。
太阳能集热器将太阳辐射能转化为热能,为用户提供热水;空气能热泵则通过吸收环境中的热量,将低温低压制冷剂压缩成高温高压制冷剂,从而为用户提供热水。
三、造价分析1.设备成本100 立方热水空气能加太阳能系统的设备成本主要包括太阳能集热器、空气能热泵、水箱、热水循环泵等。
设备成本受品牌、型号、性能等因素影响,价格差异较大。
2.安装成本安装成本主要包括设备运输、安装、调试等费用。
安装成本受地区、安装难度等因素影响,价格也有所差异。
3.后期维护成本后期维护成本主要包括设备维修、更换零部件、清洗保养等费用。
维护成本与设备的品牌、质量及使用寿命等因素有关。
四、经济效益1.能源利用效率100 立方热水空气能加太阳能系统具有较高的能源利用效率,可以有效节省能源消耗,降低用户的使用成本。
2.节省成本与传统燃煤、燃气等热水设备相比,100 立方热水空气能加太阳能系统可以显著降低用户的能源开支,从而节省成本。
3.对环境的影响该系统采用清洁能源,无污染排放,有利于环境保护和可持续发展。
五、总结100 立方热水空气能加太阳能系统具有较高的能源利用效率和环保性能,虽然初期投入成本较高,但长期来看,其节省的能源成本和环保效益将逐渐显现。
运行费用及经济效益分析1、热泵热水系统与其他常规加热方式的经济效益及技术参数比较:2、由图表所见,可得出以下费用对比:①使用空气能热泵加热250吨水,年运行费用为:9.28元/吨×250吨×365天=846800元/年②每年用热泵热水器比电热水器、太阳能节省的费用(按照250吨):使用电热水器费用为:39.12元/吨×250吨×365天=3569700元/年使用太阳能热水器费用为:39.12元/吨×250吨×120天=1173600元/年则可得出:比电热水器节省费用:3569700元/年-846800元/年=2722900元/年比太阳能节省费用:1173600元/年-846800元/年=326800元/年③空气能热泵热水器运行成本是:电加热热水器的1/5左右;燃气或燃油热水器的1/3左右;常规太阳能的2/3左右3、由此可见热泵热水方案比其它常规供热方案更节省投资,主要优点如下:①效果明显:热泵能效比COP平均达到3.8以上,而燃气锅炉机组的热效率最多能达到0.8,一般情况在0.75以下。
也就是说热泵热水器消耗1个单位的能量,能产生3.8-4.0个单位的热量转化成热水。
而燃气炉消耗1个单位的能量,才能产生0.75-0.80个单位的热量。
由此可见热泵热水器能以最小的能源获得最大的经济效益,比燃气炉效率高得多。
适合长期投资。
现实中,常规太阳能往往让人误解为零成本运行,而实际上,由于阴雨天气和夜晚的影响,太阳能是无法全天候工作,它每年有1/3以上的时间要利用其它辅助加热,以致运行成本远远超过热泵热水的成本,另外从表中可以看到:在不考虑人工及其它费用的情况下,采用热泵方案仅比燃煤锅炉方案略贵。
如果考虑人工及其它费用则采用热泵方案是最省的。
因此,从成本效益及环境方面看,热泵热水机组使用是最节能的,选择热泵是明智之举。
②使用寿命长:如果将折算入成本,热泵设备的投入成本将是比较低的。
空气源热泵与太阳能投资及运行费用分析表1、空气源热泵热水设备及节能原理(1)【空气源热泵热水设备简介】它是当今世界上最先进的制热设备之一。
它由压缩机、冷凝器、膨胀阀、蒸发器及控制部件组成,以环保型制冷剂为媒介,通过逆卡诺循环原理,将空气中的热量源源不断地吸收并搬运到水中,从而实现对水的加热。
(2)【空气源热泵热水设备工作原理】热泵热水设备开始工作时,压缩机通电运转,蒸发器中低温低压的气态介质被压缩机吸入,并被压缩成高温高压的气态介质后输送进入冷凝器。
高温高压的气态介质在冷凝器中由于受到外围低温水的冷却,介质能量被水吸收并由高温气态冷凝成低温液态。
低温高压的液态介质进一步经膨胀阀节流降压,变成低温低压的液态介质后进入蒸发器。
由于介质的蒸发温度比较低(如R22的蒸发温度为零下40℃),远远低于一般环境温度。
在这种工况下,低温低压的液态介质在蒸发器中就很容易产生蒸发现象,蒸发的同时也就吸收了外围环境中大量的热量,变成高温低压的气态介质。
至此,热泵系统完成一个周期循环,但循环并未停止。
蒸发后产生的气体再次被吸入压缩机,又开始下一轮同样的工作流程。
正是通过这种连续不断、周而复始的循环工作过程,热泵热水设备不断将热量从外围环境中搬运到水中,从而实现对水的加热,最终生产出需要的生活热水。
Q3(热水获得的热量)=Q1(输入电能转化的热量)+Q2(从环境中吸收的热量)(3)【空气源热泵热水设备节能原理】通过以上的文字介绍和图示说明,我们可以得出一个结论,即:热泵热水设备不是等同于燃煤、燃油、燃气锅炉等那样的能量转化设备(把一种化学能转化为热能),而是一种热量搬运设备。
它类似于水泵,只不过它搬运的介质不是水,而是“热”。
能量在转化的过程中,不可能100%都进行转化(损耗是必然的),即热效率会小于1。
而在通过热泵获得的热量中,大部分热量是从免费的空气中获得的,只有一小部分是通过消耗电能而转化而成的,两者之比为倍数级。
空气源热泵与太阳能投资及运行费用分析表1、空气源热泵热水设备及节能原理(1)【空气源热泵热水设备简介】它是当今世界上最先进的制热设备之一。
它由压缩机、冷凝器、膨胀阀、蒸发器及控制部件组成,以环保型制冷剂为媒介,通过逆卡诺循环原理,将空气中的热量源源不断地吸收并搬运到水中,从而实现对水的加热。
(2)【空气源热泵热水设备工作原理】热泵热水设备开始工作时,压缩机通电运转,蒸发器中低温低压的气态介质被压缩机吸入,并被压缩成高温高压的气态介质后输送进入冷凝器。
高温高压的气态介质在冷凝器中由于受到外围低温水的冷却,介质能量被水吸收并由高温气态冷凝成低温液态。
低温高压的液态介质进一步经膨胀阀节流降压,变成低温低压的液态介质后进入蒸发器。
由于介质的蒸发温度比较低(如R22的蒸发温度为零下40℃),远远低于一般环境温度。
在这种工况下,低温低压的液态介质在蒸发器中就很容易产生蒸发现象,蒸发的同时也就吸收了外围环境中大量的热量,变成高温低压的气态介质。
至此,热泵系统完成一个周期循环,但循环并未停止。
蒸发后产生的气体再次被吸入压缩机,又开始下一轮同样的工作流程。
正是通过这种连续不断、周而复始的循环工作过程,热泵热水设备不断将热量从外围环境中搬运到水中,从而实现对水的加热,最终生产出需要的生活热水。
Q3(热水获得的热量)=Q1(输入电能转化的热量)+Q2(从环境中吸收的热量)(3)【空气源热泵热水设备节能原理】通过以上的文字介绍和图示说明,我们可以得出一个结论,即:热泵热水设备不是等同于燃煤、燃油、燃气锅炉等那样的能量转化设备(把一种化学能转化为热能),而是一种热量搬运设备。
它类似于水泵,只不过它搬运的介质不是水,而是“热”。
能量在转化的过程中,不可能100%都进行转化(损耗是必然的),即热效率会小于1。
而在通过热泵获得的热量中,大部分热量是从免费的空气中获得的,只有一小部分是通过消耗电能而转化而成的,两者之比为倍数级。
太阳能加燃气设备系统或空气能设备系统热水供应的
运行费用分析比价
根据安徽省气象科学研究所的相关报告,安徽地区全年可日照时间为2200小时,每天日常时间为10小时,则可使用太阳能系统供热水的天数为2200/10=220天,用其他能源为365-220=145天。
一、使用燃气设备系统
按每天使用25吨(40℃)的热水量计算,冷水平均温度为8℃,
则25吨热水量需要的热量为:25*1000*(40-8)=800000Kcal,
每立方天然气的热值为:8900 Kcal,价格为3.3元/立方,燃
气设备热效率按照90%计算,则每天需要的费用为:
3.3*800000/8600/90%=341元/天。
全年的费用为341*145=49445元
二、使用空气能设备系统
空气能热泵机组在标准工况下(室外温度≥20℃)的能耗比在1:3.8(即用1度的点可以产生3.8度的电)但当太阳能系统不能使用时,其空气能的能耗比也会下降,在室外温度≥10℃时,能耗比约1:2.5,在室外温度≤10℃,能耗比约1:(1-1.5),所以我们考虑使用空气能时,其能耗比约为1:2(即用1度的电可以产生2度的电)。
按每天使用25吨(40℃)的热水量计算,冷水平均温度为8℃,则25吨热水量需要的热量为:25*1000*)40-8)=800000Kcal,每度电的费用在1.1元(商用电),热量为:860Kcal/度,则每天需要的费用为:1.1*800000/860/2=512元/天,
全年的费用为512*145=74240元。
所以采用A..o.史密斯热水加太阳能系统每年可为用户节约运行费用:74240-49445=24795元。
太阳能与各种类型能源采暖系统投资及运行成本分析太阳能与各种类型能源采暖系统投资及运行成本分析一、计算依据1.采暖面积:150平米。
2.采暖负荷:35W/平米。
3.太阳能贡献率:40%。
4.燃料发热量:生物质燃料4200Kcal/kg;5.燃料单位成本:市电0.5元/度(220V),生物质燃料0.6元/公斤。
6.燃料燃烧设备热效率:电加热设备热效率:98%,生物质锅炉热效率:70%。
7.热泵能效比:空气能冷热机组COP比值为1:3,土壤源、水源热泵机组COP比值为1:4,双源热泵机组COP比值为1:4.5。
二、各种类型能源采暖/热水系统投资及运行成本对比表一:常规能源采暖/热水系统投资及运行成本对比表二:太阳能加常规能源采暖/热水系统投资及运行成本对比说明:1.实际中因用建筑面积不同,单位建筑面积投资会有所偏差;2.太阳能采暖/热水系统初投资计算为含辅助能源系统。
(辅助能源类型为常规生物质、电、热泵等)。
3.所有单位面积初投资不包含散热尾端即地暖或风盘。
三、结论分析1.从表一常规能源采暖/热水系统投资及运行成本对比数据分析:1)地源、水源、空气源热泵从投资、运费费用对比,基本一致,具体分析:a)地源热泵存在埋管长时间运行造成周边土壤板结现象,而影响后期正常运行的稳定性;b)空气源热泵受环境影响比较大,运行波动性大,且夏季制冷较差(从目前我公司测试结果及效果看);c)地源热泵对地下水污染严重;d)综上所述,三种热泵推荐使用水源热泵。
2)双源热泵投资较高,且进入市场,运行的效果与可靠性需进一步考证,因此不建议使用;3)光伏空气源热泵,投资高,占地面积大,且目前无补给差额电价政策,不宜推广;2.从表二太阳能加常规能源采暖/热水系统投资及运行成本对比数据分析:1)太阳能配生物质锅炉的采暖系统,其初投资低,但运行费用高(实际运行费用低,因绝大多数用户对室温要求不高,且能供应春夏秋三季免费生活热水)、自动化程度不高、使用操作麻烦、室内环境相对较差,易大面积推广;2)以电作为辅助加热能源的太阳能采暖系统因后期运行费用较高,且改造数量较多时可能会引起电力改造、增容问题,因此不建议使用;3)太阳能与地源、水源、热泵并联的采暖方式需要进行打井、埋管,初期投资过高,且受地质条件影响,在新农村建设中存在一定的难度;4)太阳能与空气源热泵并联的采暖系方式,初期投资过高,且环境条件影响较大,在新农村建设中存在一定的难度;5)聚光型太阳能初投资过高,且没有小户型成套设备,在新农村建设中无法使用。
空气源热泵项目财务分析表一、项目建设背景把创新摆在发展全局的核心位置,发挥科技创新在全面创新中的引领作用,强化自主创新能力建设,激发各类人才创造活力,推进大众创业、万众创新,打造发展强劲动力。
提升创新基础能力。
围绕产业链布局创新链,加强产学研结合的中试基地和共性研发平台建设,构建开放共享互动的创新网络。
激发企业创新活力。
强化企业创新主体地位和主导作用,推动各类创新资源向企业集聚,提高大中型工业企业研发机构覆盖面,培育若干有国际竞争力的科技创新型领军企业。
支持以企业为主承担重大科技专项等创新项目,鼓励大企业设立创投基金、创业创新平台、科技创新中心等。
提高普惠性财税政策对企业创新的支持力度,落实和完善企业研发费用加计扣除、高新技术企业、科技企业孵化器等税收优惠政策,扩大固定资产加速折旧实施范围,推动设备更新和新技术应用。
加大技术创新在国有企业经营业绩考核中的比重。
健全创新服务体系。
加快发展研发设计、技术转移、创业孵化、检验检测、知识产权等科技服务,打造一批具有竞争优势的科技服务业集群。
鼓励和推动高校、科研院所与企业形成创新利益共同体。
推进国家创新型城市和科技园区建设,打造小微企业创业创新基地示范城市,努力创建国家自主创新示范区。
空气源热泵是一种利用逆卡诺循环原理将空气中的热量转化为人们生活所需热水、采暖热能的高效节能设备。
目前该产业在国外尤其是欧美发达国家属于可再生能源设备,是政府推荐使用产品。
国内市场随着国家对能源利用效率的要求不断提高,空气源热泵的社会普及性认知越来越高。
2018年北方传统强制制热区域继续推动以政府主导的煤改电清洁采暖设备替代工作,空气源热泵就是电替代中的主力设备之一。
整体行业在经历2017年政府主导的煤改电市场高速发展后,在2018年出货呈现适度放缓趋势,但空气源热泵的社会接受和认知在提高。
二、企业基本情况未来,在保持健康、稳定、快速、持续发展的同时,公司以“和谐发展”为目标,践行社会责任,秉承“责任、公平、开放、求实”的企业责任,服务全国。
空气源热泵热水机组的成本分析1、运行成本分析(1)计算前提①春秋季183天,平均环境温度15℃,平均水温13℃;夏季92天,平均环境温度25℃,平均水温22℃;冬季90天,平均环境温度2℃,平均水温5℃。
②每吨冷水加热到55℃的日耗热量:春秋季44100kcal,夏季34650kcal,冬季52500kcal。
(不计回水消耗热量)③商业用电价按1元/kWh,天然气单价3.5元/m³。
天然气热值8600kcal/m³,热效率80%。
④环境温度15℃时,KFXRS-76IIB/2-a型热泵机组的COP值为4.3;环境温度25℃时,KFXRS-76IIB/2-a型热泵机组的COP值5;环境温度2℃时,KFXRS-76IIB/2-a型热泵机组的COP值3.4。
(2)空气源热泵系统运行费用①春秋季:44100÷860÷4.3×1×183=2182元②夏季: 34650÷860÷5×1×92=741元③冬季:52500÷860÷3.4×1×90 =1616元冬季启用电辅助加热天气的平均温度0℃,计有30天。
其中5℃温升需要电辅助加热来完成,即有5250kcal热量需要电加热完成。
那么,冬季采用电辅助加热的运行费用为:5250÷860÷95%×1×30=193元④每吨水年运行费用:2182+741+1616+193=4732元(3)燃气锅炉系统运行费用①春秋季:44100÷8600÷80%×3.5×183=4105元②夏季:34650÷8600÷80%×3.5×92=1622元③冬季:52500÷8600÷80%×3.5×90=2404元④每吨水年运行费用:4105+1622+2404 =8131元2、经济效益热泵系统与常规能源系统对比汇总表注:上述表中的数据虽不能完全反映全部的运行费用,但可从比较宏观的方面反映出系统主要的运行费用。
各种热水器运行费用对比表
与太阳能相比空气能热水器的优缺点如下:
1.节电效果好:常规太阳能在太阳直射下,几乎零成本运行,可惜在阴雨雪天或夜晚只能依靠辅助系统工作,统计数据显示,正常使用时,常规太阳能辅助系统全年耗电能比热泵热水器全年总耗电能要高。
热泵热水器节电效果好:空气源热泵热水器平均节电65~80℅,电辅助太阳热水器平均节电40~65℅,而且只在特殊条件下才能够达到70℅。
投资较小:以节电65℅为标准,空气源热泵热水器的投资仅为电辅助太阳能热水器的70℅左右。
2. 适应性强:空气源热泵热水器几乎不受天气影响,以全天候产热水,不论刮风下雨白天黑夜,一天24小时生产供应热水。
而太阳热水器只能是晴天产热水,下雨阴天、下午及晚间使用,其它天气及夜晚早晨用热水都需要靠其他能源,在全国的很多地区太阳热水器的电辅助装置工作时间要超过40℅。
3、占地面积小:热泵热水器储水箱较小:太阳热水器的储水箱要按全天最大供热水量配置,而空气源热泵热水器因可在任何时候产热水,储水箱配置仅为最大供热水量的50~70℅即可满足要求。
4.其它功能方面:热泵热水器使用不受地点限制,可以摆放在任何地方,而且占地空间很小,而常规太阳能要达到同等供热效果则需占用很大空间,还必须露天摆放;热泵热水器在制热水的同时可产生冷气,可用于除湿、降温及空气滤清等辅助功能。
占地面积小:太阳热水器往往要占满整个楼面。
而空气源热泵热水器系统仅需要太阳能热水器占地面积的1/8。
空气源热泵与太阳能
投资及运行费用分析表
1、空气源热泵热水设备及节能原理
(1)【空气源热泵热水设备简介】它是当今世界上最先进的制热设备之一。
它由压缩机、冷凝器、膨胀阀、蒸发器及控制部件组成,以环保型制冷剂为媒介,通过逆卡诺循环原理,将空气中的热量源源不断地吸收并搬运到水中,从而实现对水的加热。
(2)【空气源热泵热水设备工作原理】
热泵热水设备开始工作时,压缩机通电运转,蒸发器中低温低压的气态介质被压缩机吸入,并被压缩成高温高压的气态介质后输送进入冷凝器。
高温高压的气态介质在冷凝器中由于受到外围低温水的冷却,介质能量被水吸收并由高温气态冷凝成低温液态。
低温高压的液态介质进一步经膨胀阀节流降压,变成低温低压的液态介质后进入蒸发器。
由于介质的蒸发温度比较低(如R22的蒸发温度为零下40C),远远低于一般环境温度。
在这种工况下,低温低压的液态介质在蒸发器中就很容易产生蒸发现象,蒸发的同时也就吸收了外围环境中大量的热量,变成高温低压的气态介质。
至此,热泵系统完成一个周期循环,但循环并未停止。
蒸发后产生的气体再次被吸入压缩机,又开始下一轮同样的工作流程。
正是通过这种连续不断、周而复始的循环工作过程,热泵热水设备不断将热量从外围环境中搬运到水中,从而实现对水的加热,最终生产出需要的生活热水。
Q3 (热水获得的热量)二Q1 (输入电能转化的热量)+Q2 (从环境中吸
收的热量)
(3)【空气源热泵热水设备节能原理】
通过以上的文字介绍和图示说明, 我们可以得出一个结论,即:热泵热水设 备不是等同于燃煤、燃油、燃气锅炉等那样的能量转化设备(把一种化学能转化 为热能),而是一种热量搬运设备。
它类似于水泵,只不过它搬运的介质不是水, 而是热”能量在转化的过程中,不可能100%都进行转化(损耗是必然的), 即热效率会小于1。
而在通过热泵获得的热量中,大部分热量是从免费的空气中 获得的,只有一小部分是通过消耗电能而转化而成的, 两者之比为倍数级。
因此, 其产出与消耗之比(即热效率)就会大于 1。
由此可见热泵的节能
Ql 电能输
入「0
Q2
晞液Mt 过遽器盛脈闽
Q3
A
2、太阳能热水设备及节能原理
(1)【太阳能热水系统简介】
太阳能热水系统由集热器、保温水箱、连接管道及控制系统组成。
太阳能热水系统就是一种通过集热器吸收太阳的辐射热能来制取人们在生活、生产中所需要的热水的节能设备。
系统组成:
♦集热器:
系统中的集热元件。
其功能相当于电热水器中的电热管。
和电热水器、燃气热水器不同的是,太阳能集热器利用的是太阳的辐射热量,太阳能属于可再生绿色能源,因此太阳能具有高效节能特点。
♦保温水箱:
保温水箱是储存热水的容器,容积是每天用热水量的总和。
太阳能热水器保温水箱要求保温效果好,耐腐蚀,在水质清洁的情况下,使用寿命可长达20 年以上。
♦连接管道:
将热水从集热器输送到保温水箱、将冷水从保温水箱输送到集热器的通道,使整套系统形成一个闭合的环路。
设计合理、连接正确的循环管道对太阳能系统是否能达到最佳工作状态至关重要。
热水管道必须做保温处理。
♦控制系统:
(2)【太阳能热水设备工作原理】
1 、自然循环;2、强制循环;3 、直流式;4、衍生模式
■
热戸水出用7水点
热水出--至用水点
水.y辅助热源.
箱
自然循环中储热水箱底部必须高于集热器顶部50公分以上,循环热
水管道坡度大于3度,管道无须考虑等程问题。
辅助能源处于水箱的中上
部,其整体结构简单,控制方便。
强制循环
睛环星
直流式
(I)
,由此衍生出来各种控制方式,如定温放I
」三二
- -^—― - ----------------------- 41 ■ ———― ■
牡一--------- 言温差相结合循环,
憎压乘
其中以定温放水结合温差循环因适用范围最广而被大量采用。
i 连术
自然循环
•清华同方空气源热泵与太阳能设备及其它传统热水设备比较
注:依据北京气候计算,按热水制取量10吨/日,进水温度15度,出水温度55 度
举例:TFS-SKR480(S机组,热泵系统输入功率4.63 kV,周围环境温度20C, 输出的制热功率却达到19.6kW,这意味着热泵工作时从周围环境吸收了大量的免费热能。
在此过程中,系统仅仅只消耗了4.63 kW的电能,却能等同于输入功率为4.63kW/0.95=4.87 kW的传统电热水器完成的工作,系统能效系数COP高达
423% (COP=制热量/输入功率)。
一般来说,空气源热泵热水设备的最高热效率可达590%年平均热效率为400%
空气源热泵与太阳能投资费用分析:
例如:一家宾馆有66个标间,那么日用水量按照国家给排水标准每个标间
(120-160)升60° C热水,那么取值150升水66x 150=9900升水,
为了便于计算我们按照10000升水计算也就是10吨60°热水首先我们看一下太阳能资源分区以及集热面积选用值:
那么按照北京的条件设计太阳能的制取日用水量10吨60° C热水
16X 10=160平米集热管
按照1平米太阳能真空集热管900元来计算:
160x 900=144000元
那么按照同样的条件我们使用清华同方的空气源热泵下图是清华同方商用热水机组性能参数表:
根据制取日用水量10吨60° C热水,和清华同方商用热水机组的性
能条件,我们使用TFS-SKR840(s)这款机组能够满足用户的需求
TFS-SKR840(s)这款机组价格78948元
根据上面太阳能集热器和清华同方空气源同样条件下制取同样热水太阳能前期投资只需要144000,而清华同方空气源热泵仅需要78948 元
144000-78948=65052元
同样日用水量10吨60° C 热水工程前期投资,同方热水机组比较太
阳能集热器节约费用65052 元。
热泵热水机组安装简单,后期维护费用低。
产品运行性能稳定,不受环境影响。
清华同方热泵热水机组和太阳能集热器比较有以下优势:。