公路工程土方路基内业资料填写范例
- 格式:doc
- 大小:342.50 KB
- 文档页数:17
公路工程土方路基内业资料填写范例在公路建设中,土方路基是必不可少的组成部分。
为了保证施工质量和工程安全,需要完善土方路基内业资料的填写。
此文档旨在提供一些范例,帮助大家了解如何填写土方路基内业资料。
土方路基内业资料填写范例1. 土方路基开挖1.填写单位:填写承包单位全称2.填写工程名称:填写工程名称3.填写项目名称:填写该开挖项目名称4.填写施工日期:填写该开挖日期5.填写施工地点:填写该开挖施工地点6.填写开挖范围:填写该开挖的水平范围和深度范围7.填写开挖方法:填写使用的机械施工设备,或手工开挖8.填写施工内容:填写该次开挖工程的施工内容2. 土方路基回填1.填写承包单位:填写承包单位全称2.填写工程名称:填写工程名称3.填写项目名称:填写该回填项目名称4.填写施工日期:填写该回填日期5.填写施工地点:填写该回填施工地点6.填写回填范围:填写该回填的水平范围和深度范围7.填写回填方法:填写使用的机械施工设备,或手工回填8.填写回填料:填写回填料的种类和数量3. 土方路基垫层1.填写承包单位:填写承包单位全称2.填写工程名称:填写工程名称3.填写项目名称:填写该垫层项目名称4.填写施工日期:填写该垫层日期5.填写施工地点:填写该垫层施工地点6.填写垫层范围:填写该垫层的水平范围和深度范围7.填写垫层方法:填写使用的机械施工设备,或手工垫层8.填写垫层料:填写垫层料的种类和数量4. 土方路基压实1.填写承包单位:填写承包单位全称2.填写工程名称:填写工程名称3.填写项目名称:填写该压实项目名称4.填写施工日期:填写该压实日期5.填写施工地点:填写该压实施工地点6.填写压实范围:填写该压实的水平范围和深度范围7.填写压实方法:填写使用的机械施工设备,或手工压实8.填写压实度:填写该次压实后达到的压实度总结以上为公路工程土方路基内业资料的范例填写,具体填写内容可以根据实际情况而定。
建议在填写时,严格按规定填报,完整的资料对于后期工程的维护、管理以及审计等都有重要意义。
公路内业资料范本一、前言公路建设是现代交通体系的重要组成部分,为了确保公路的安全和有效运营,内业资料的准确性和完整性至关重要。
本文将介绍公路内业资料的范本,帮助读者了解公路建设过程中常见的内业资料类型以及其内容要求。
二、桩号档案桩号档案是公路建设中重要的内业资料之一。
其目的是记录路线上每个桩号的具体位置及相关细节信息。
桩号档案包括以下内容:1.桩号:记录每个桩号的编号,通常以公里为单位,如K0+000、K1+000等。
2.位置描述:对于每个桩号,需要描述其具体位置,可以包括所在地理位置、周边景观等。
3.地质地貌信息:记录桩号所在地段的地质地貌情况,如土壤类型、地质构造等。
4.环境信息:描述桩号周围的环境情况,如交通状况、气候条件等。
5.监测数据:记录桩号附近的监测数据,如地震、位移、沉降等。
三、施工日志施工日志是公路建设过程中记录施工活动的重要内业资料。
它涵盖了各个施工阶段的日常工作情况、质量控制和安全管理等内容。
施工日志包括以下要素:1.施工日期和时间:记录施工活动发生的具体日期和时间。
2.施工地点:描述施工活动所在的地理位置。
3.施工内容:详细描述施工活动的具体工序和方法。
4.施工人员:列出参与施工的人员姓名和职责。
5.施工设备:记录使用的各种施工设备名称和数量。
四、检测报告检测报告是公路内业资料中的重要组成部分,用于评估施工质量和安全性。
检测报告应包含以下信息:1.检测项目和标准:列出需要检测的项目和相应的标准或规范。
2.检测方法:描述使用的检测方法和仪器设备。
3.检测结果:记录每个项目的具体检测结果,包括数值或文字描述。
4.结论和建议:根据检测结果给出相应的结论和改进建议。
五、竣工验收文件竣工验收文件是公路内业资料中的最后一环,用于验证公路建设的合格性和可使用性。
竣工验收文件应包含以下内容:1.工程概况:对公路建设项目进行整体描述,包括主要技术特点和投资情况等。
2.施工质量报告:对施工质量进行全面评估和总结。
公路工程内业资料是直接反映施工过程工程质量控制的重要载体,是日后公路通车运营管理的重要依据,加强和规范施工阶段的内业资料整理是当前公路工程施工管理的一项重要内容,也是反映公路工程施工管理水平的主要方面。
公路工程施工中,内业资料的整理往往滞后于主体工程的进展,这主要原因:一是平时不重视内业资料的管理,普遍存在“重外业、轻内业”的现象,且对内业资料的整理阶段,导致内业资料逻辑性、数据性错误“百出”;性的进行,只“整”不“理”二是工程实施过程中,专业化的施工队伍调动频繁,如路基工程作业队伍,在进入路面铺筑时已撤离现场,造成路基资料缺失或出现不连贯错误,逻辑性较差;三是工程管理人员和档案管理人员对相互的业务不熟悉,工作责任心差,且工作岗位不固定,工作连续性差,前后脱节,导致内业资料整理中的重复返工现象经常出现。
内业资料的管理和工程外业的管理一样,都是工程施工管理的重要组成部分,要真正提高内业管理水平,实现内、外业同步,做到内业资料边整理边归档的目的,就要针对工程内业资料的特点提高重视程度,提高内业管理人员的业务素质,切实做到在内业资料管理中的、“严”。
“全”就是在内业资料齐全上下功夫,做到文件、资料项目、“准”“全”齐全,不出现缺少文件和频率不足等现象。
“准”就是在内业资料整理上严把准确关,确保资料填写的内容和数据的准确性,经得起推敲和检查。
“严”就是在内业资料格式和组卷上,严把审查关,不合格的内业资料严禁进入工程档案室。
第二节内业资料的构成和分类一、内业资料构成1、合同文件施工合同协议书(含问题澄清)、投标书、招标文件(含补遗书)以及施工招标、施工合同有关资料。
2、日常资料分类(1)质量控制资料-检验、试验,以及有关质量文件。
(2)进度控制资料-总体进度计划、旬、月度计划及其完成情况,进度计划调整,以及有关计划的文件。
(3)费用控制资料-工程量统计、核定、计量与支付、工程费用变更资料,以及有关费用控制文件。
第1章⑪京承高速公路河北段控制工程第5标段两阶段施工图设计。
⑫交通部《公路工程国内招标文件范本》(2003年版)。
⑬施工合同规定采用的施工技术规范,验收标准及质量、安全技术规程。
⑭我单位的技术实力以及近年来参加山区高速公路等类似工程的施工经验,目前投入的机械设备和人员。
第2章工程说明工程概况工程简介京承高速公路冀京界至承德段第5合同段处河北省滦平县境内。
本合同段起讫里程桩号为K17+400~K22+470,为路基、桥涵、隧道工程施工标段,合同段全长5.07Km。
主要技术标准本项目全线采用双向四车道高速公路标准建设,设计时速80km/h,路基宽度24.5m,其中行车道宽2×7.5m,路缘带宽度0.5m,硬路肩宽度2.75m,土路肩0.75m,中央分隔带宽度1.5m;分离式路面设计宽度2×12.5m;桥面与路基同宽,设计荷载汽-超20、挂-120,设计洪水频率1/100。
工程内容及主要工程量本合同段主要工程内容为此区间内的路基土石方、桥梁工程、隧道工程、防护工程、排水与涵洞工程等。
主要工程量有路基土石方工程213.13万m3;大桥单桥数量900m/3座;小桥26m/1座;隧道1座,单洞总长1985m;涵洞985.78横延米/13道;排水及防护97155 m3圬工方。
2.2 自然条件地形、地貌本合同段位于河北省滦平县境内,起于两间房乡苇塘村(K17+400),终于长山峪镇西营子村(K22+470)。
标段内路基多位于低山斜坡及其“V”型侵蚀冲沟中,基岩主要为J3Z凝灰岩,覆盖层为Q3坡洪积物和Q4风积或混积黄土状土。
气象、水文标段区域属温带大陆性气候,冬天寒冷干燥,夏季温和多雨,春季干燥多风,秋季昼夜温差大。
年平均气温7.7℃,极端最高气温38℃,极端最低气温-29.9℃,昼夜温差较大,在10℃~20℃,特别是阴坡更为明显。
无霜期为150天,最大冻土深度1.5m。
年平均降雨量在565.7mm,每年的6~9月为雨季,雨量集中和暴雨频多、量大是本区气候的显著特征。
X X X工程资料整理范本目录第一章交桩和复测报告第一节交桩 (1)第二节复测报告 (4)第二章开工报告 (12)第三章原材料出厂质量证明和工地试验报告第一节原材料出场质量证明 (24)第二节工地原材料抽检试验报告 (24)第四章路基工程施工资料第一节路基检验记录整理顺序 (26)第二节路基排水资料整理顺序 (44)第三节挡土墙、防护工程资料整理顺序 (52)第四节小桥和涵洞资料整理顺序 (60)第五章路面工程施工资料第一节水泥稳定粒料基层(底基层)资料整理顺序 (80)第二节沥青混凝土面层资料整理顺序 (88)第三节水泥混凝土面层资料整理顺序 (93)第四节路缘石资料整理顺序 (97)第五节路肩资料整理顺序 (100)第六章桥涵工程施工资料第一节施工试验报告 (102)第二节施工检验资料整理顺序 (107)一、基础及下部构造资料整理顺序 (107)二、上部构造预制和安装资料整理顺序 (145)三、总体、桥面系和附属工程资料整理顺序 (157)第三节悬索桥资料整理顺序 (181)第七章施工检验结果汇总表第一节施工抽检试验结果汇总表 (213)第二节施工检验结果汇总表 (217)第八章监理资料第一节监理行政管理文件 (223)第二节合同管理文件 (237)第三节进度管理文件 (252)第四节质量管理文件 (259)第五节计量支付文件 (286)第六节监理原始资料 (302)第九章内业资料整理规定 (303)第一节科技档案归档须知 (303)第二节科技档案分类 (305)第三节 XXX工程竣工文件材料立卷归档管理办法 (308)第四节河北省XXX工程竣(交)工验收办法实施细则 (320)第五节内业资料归档程序表格 (353)编制说明为规范XXXXXXXXXXXXXX工程施工资料的编制和归档工作,准确、全面记录施工中各种信息,XXXXXXXXXXXXXX工程建设管理办公室特制定《XXXXXXXXXXXXXX工程资料整理范本》。
公路工程内业资料直接反映施工过程工程质量是反映公路工程施工管理水平的主要方面。
内业资料的管理和工程外业的管理一样,都是工程施工管理的重要组成部分,要真正提高内业管理水平,做到内业资料整理归档的目的,就要针对工程内业资料的特点提高重视程度,提高内业管理人员的业务素质,切实做到在内业资料管理中的“全”、“准”、“严”。
“全”就是在内业资料齐全上下功夫,做到文件、资料项目齐全,不出现缺少文件和频率不足等现象。
“准”就是在内业资料整理上严把准确关,确保资料填写的内容和数据的准确性,经得起推敲和检查。
“严”就是在内业资料格式和组卷上,严把审查关,不合格的内业资料严禁进入工程档案室。
内业资料的构成和分类一、内业资料构成1、合同文件施工合同协议书(含问题澄清)、投标书、招标文件(含补遗书)以及施工招标、施工合同有关资料。
2、日常资料分类(1)质量控制资料-检验、试验,以及有关质量文件。
(2)进度控制资料-总体进度计划、旬、月度计划及其完成情况,进度计划调整,以及有关计划的文件。
(3)费用控制资料-工程量统计、核定、计量与支付、工程费用变更资料,以及有关费用控制文件。
(4)合同管理资料-有关工程分包、变更、索赔、延期的往来文件。
(5)项目部内部管理资料(廉政建设资料)-规章制度、工程费用、工作考核、奖惩等。
(6)安全生产资料-包括各种安全生产活动实施及机械设备检验检测记录。
3、竣工文件二、内业资料管理的注意事项1、明确职责、协调配合。
工地项目部应制定资料、文件管理制度,明确内业资料的管理目标要求,设资料、文件管理岗位,配备专职人员,承担全部工程资料档案的管理工作,定期督促检查内业资料的整理,提交工程竣工文件资料。
项目部各部门管理职责范围内的资料应独立存档。
部门之间资料的借阅应建立记录台帐。
2、加强督促检查,规范档案管理。
通过检查、考核、交流等办法,加强项目部内业档案的监督和管理。
定期按照内业资料、文件管理的统一要求,对文件资料整理的及时性、准确性、完整性和外观质量等方面进行检查评价,发现问题及时提示和整改,不断规范管理。
土方路基填筑卷内目录检验申请批复单承包单位:天津五市政0 0 1清理与掘除检验表承包单位:天津五市政合同段:第六合同段记录人:陈维韬日期:2006.3.4 复核人:李兴祖日期:2006.3.4 监理工程师:任小波日期:2006.3.4检验申请批复单承包单位:天津五市政0 0 1土方路基现场质量检验报告单施工单位:天津五市政合同段:第六合同段检测:陈唯韬复核:李兴祖监理工程师:任小波日期:2006.3.28 日期:2006.3.28 日期:2006.3.28施工放样报验单承包单位:天津五市政--0 0 1C 0 60 0 6—0 1监理单位:武汉大通公路监理公司编号:A—1—施工放线测量记录表承包单位:天津五市政合同段:第六合同段0 0 1—0 0 60 1B-8-C 0 6—武汉大通公路监理公司监理单位:2006.3.28 翟国清日期:监理工程师:日期:2006.3.28 复核人:孙福凯日期:2006.3.28 记录人:刘遵国水准测量记录承包单位:天津五市政合同段:第六合同段记录人:信兆莹日期:2006.3.28 复核人:孙福凯日期:2006.3.28 监理工程师:翟国清日期:2006.3.28备注:施工中如涉及计量,则该期计量截止的最后一层不论是否为转区层均需提供水准测量记录表压实度检验报告0 9 9 4试验人:孙长安复核人:王萍负责人:李兴祖压实度检测记录表(灌砂法)施工单位天津五市政合同段第六合同段天气晴土场位置左幅K82+940-K83+0003)1.82 最大干容重(g/cm距路基顶面设计标高2.633锥体砂重(g) 799 最佳含水量(%) 13.43)g/cm 1.42 检测范围砂单位重(左幅K82+940-K83+000检查日期2006.3.28 试验规程 JTJ059-95试验人:孙长安复核人:王萍监理工程师:任小波检验申请批复单承包单位:天津五市政0 0 1土方路基现场质量检验报告单施工单位:天津五市政合同段:第六合同段检测:陈唯韬复核:李兴祖监理工程师:任小波日期:2006.5.19 日期:2006.5.19 日期:2006.5.19石方路基填筑压实质量施工记录承包单位:天津五市政合同段:第六合同段记录人:高鑫日期:2007.1.20 复核人:李兴祖日期:2007.1.20 注:沉降差指碾压两遍后各测点的高程差。
公路工程土方路基内业资料填写范例土方路基填筑卷内目录检验申请批复单承包单位:天津五市政监理单位:武汉大通公路监理公司编号:清理 与 掘 除 检 验表承包单位:天津五市政 合同段:第六合同段监理单位:武汉大通公路监理公司 编号:记录人:陈维韬日期:2006.3.4复核人:李兴祖日期:2006.3.4监理工程师:任小波日期:2006.3.4检验申请批复单承包单位:天津五市政监理单位:武汉大通公路监理公司编号:土方路基现场质量检验报告单施工单位:天津五市政合同段:第六合同段____________________________________________________________________________________________________检测:陈唯韬复核:李兴祖监理工程师:任小波日期:2006.3.28 日期:2006.3.28 日期:2006.3.28__________________________________________________施工放样报验单承包单位:天津五市政监理单位:武汉大通公路监理公司编号:施工放线测量记录表承包单位:天津五市政合同段:第六合同段监理单位:武汉大通公路监理公司编号:__________________________________________________记录人:刘遵国日期:2006.3.28 复核人:孙福凯日期:2006.3.28 监理工程师:翟国清日期:2006.3.28____________________________________________________________________________________________________水准测量记录承包单位:天津五市政合同段:第六合同段监理单位:武汉大通公路监理公司编号:B-6记录人:信兆莹日期:2006.3.28复核人:孙福凯日期:2006.3.28监理工程师:翟国清日期:2006.3.28备注:施工中如涉及计量,则该期计量截止的最后一层不论是否为转区层均需提供水准测量记录表压实度检验报告编号:__________________________________________________试验人:孙长安复核人:王萍负责人:李兴祖压实度检测记录表(灌砂法)施工单位天津五市政合同段第六合同段天气晴土场位置 K82+940-K83+000左幅距路基顶面设计标高 2.633 最大干容重(g/cm3) 1.82锥体砂重(g) 799 最佳含水量(%)13.4检测范围 K82+940-K83+000左幅砂单位重(g/cm3) 1.42检查日期 2006.3.28 试验规程JTJ059-95试验人:孙长安复核人:王萍监理工程师:任小波检验申请批复单承包单位:天津五市政监理单位:武汉大通公路监理公司编号:土方路基现场质量检验报告单施工单位:天津五市政合同段:第____________________________________________________________________________________________________检测:陈唯韬复核:李兴祖监理工程师:任小波日期:2006.5.19 日期:2006.5.19 日期:2006.5.19__________________________________________________石方路基填筑压实质量施工记录承包单位:天津五市政合同段:第六合同段监理单位:武汉大通公路监理公司编号:记录人:高鑫日期:2007.1.20复核人:李兴祖日期:2007.1.20注:沉降差指碾压两遍后各测点的高程差。
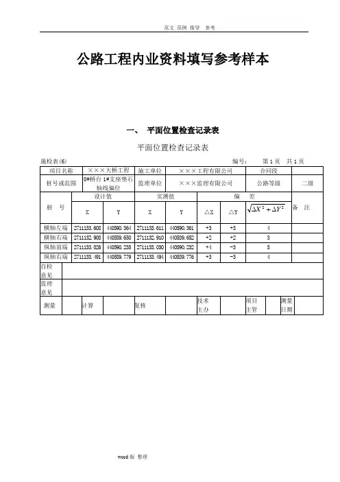
公路工程内业资料填写参考样本一、平面位置检查记录表平面位置检查记录表二、3米直尺平整度检查记录表3m直尺平整度检测记录表三、路面构造深度检测(砂铺法)记录表路面构造深度检测(砂铺法)记录表四、结构层厚度检测记录表结构层厚度检测记录表施检表(11) 编号:第1页共1页五、宽度检测记录表宽度检测记录表施检表(9) 编号:第 1页共1页六、水泥砼路面纵、横缝顺直度检测记录表水泥砼路面纵、横缝顺直度检测记录表施检表(13) 编号:第1页共1页七、水泥砼路面相邻板高差检测记录表水泥砼路面相邻板高差检测记录表施检表(12) 编号:第 1页共 1页范文范例指导参考word版整理八、高程及横坡度检测记录表高程及横坡度检测记录表九、水准测量记录表水准测量记录表十、灌砂法压实度检测记录表灌砂法压实度检测记录表施检表(21) 编号:第1页共1页灌砂法压实度检测记录表施检表(21) 编号:第 1页共1页十一、弯沉测定记录表弯沉测定记录表施检表(17)编号:第1页共1页十二、混凝土施工检查记录表混凝土施工检查记录表施检表(46) 编号:第1页共1页十三、预制混凝土构件模板安装检查记录表预制混凝土构件模板安装检查记录表编号:第 1 页共5页施检表(48)十四、预应力管道检查表预应力管道检查表编号:第页共页施检表(49)十五、封端检查记录表封端检查记录表施检表(53) 编号:第1页共1页十六、支座安装检查记录表支座安装检查记录表十七、现浇混凝土模板安装检查记录表现浇混凝土模板安装检查记录表十八、垂直度或坡度检测记录表垂直度或坡度检测记录表十九、大面平整度检测记录表大面平整度检测记录表二十、桥涵施工放样检查记录表桥涵施工放样检查记录表二十一、桩基桩位放样检查记录表桩基桩位放样检查记录表施检表(36) 编号:第1页共1页二十二、桩基终孔后灌注混凝土前检查记录表桩基终孔后灌注混凝土前检查记录表施检表(41) 编号:第 1页共1页二十三、水下混凝土灌注记录表水下混凝土灌注记录表施检表(42) 编号:第1页共1页二十四、桩基成桩记录表桩基成桩记录表施检表(40) 编号:第1页共1 页二十五、基坑检查记录表基坑检查记录表二十六、施工放线测量记录表施检表(7)施工放线测量记录表编号:第1页共1页word版整理二十七、预应力张拉(后张法)记录表施检表(51) 预应力张拉(后张法)记录表编号:第1页共4页word版整理二十八、预应力孔道压浆记录表施检表(52) 预应力孔道压浆记录表编号:第 1 页共 1 页word版整理二十九、统计表统计表7 钻(冲、挖)孔桩工程质量资料统计表承包单位:×××公司单位工程名称:×××大桥工程合同段:编号:第1页共1页统计:复核:技术主办:项目主管:日期:word版整理路面结构层厚度检测结果统计表统计表5统计:复核:技术主办:项目主管:日期:2011.3.26 word版整理压实度统计汇总表统计表2工程名称:×××路面大修工程合同段:施工单位:×××建筑工程公司编号:第 1 页共 1 页统计:复核:技术主办:项目主管:日期:word版整理混凝土(砂浆)抗压强度统计汇总表统计表1编号:word版整理假设设计强度为3.0MPa,送检6组,强度数值分别是6.1、5.4、6.9、6.8、6.2、7.1,对其进行统计评定。
公路内业资料范本道路施工是公路建设的关键环节之一,准确的内业资料记录和处理对于保障施工质量起着至关重要的作用。
本文就公路内业资料的范本进行介绍,并对其中涉及的几个主要方面进行详细阐述。
一、项目信息项目名称:XXX公路改建工程工程位置:XXX市XXX区工程编号:XXX-XXX-XXX施工单位:XXX施工公司监理单位:XXX监理公司设计单位:XXX设计院二、工程概况本工程是对原有XXX公路进行改建,包括路基、路面、桥梁等方面的施工。
总长度为XXX公里,主要分为XXX段。
工程起于XXX,止于XXX。
设计速度为XXX公里/小时。
三、进度计划根据施工合同约定,工程应在XXX年XXX月XXX日开始施工,工期为XXX个月。
具体工期安排如下:1. 路基施工:从XXX年XXX月XXX日至XXX年XXX月XXX 日;2. 路面施工:从XXX年XXX月XXX日至XXX年XXX月XXX 日;3. 桥梁施工:从XXX年XXX月XXX日至XXX年XXX月XXX 日。
四、资料范本1. 日报日期:XXX年XXX月XXX日施工单位:XXX施工公司今日施工内容:今日主要开展了XXX工程段的路基施工,包括挖方、填方、夯实等工作。
遇到的问题及解决措施:由于XXX原因,导致路基填方进度滞后,通过增加人力和机械设备,加班加点进行加快施工进度。
明日工作计划:明日计划继续进行XXX工程段的路基施工,同时进行XXX工程段的路面材料调运工作。
2. 材料调运记录日期:XXX年XXX月XXX日施工单位:XXX施工公司材料名称:XXX生产厂家:XXX公司规格型号:XXX数量:XXX吨调运至工程段:XXX调运工具:XXX车辆备注:在调运过程中,对材料进行了全程监控,并做好防潮、防震措施,确保材料完好无损。
3. 质量验收记录日期:XXX年XXX月XXX日验收单位:XXX监理公司验收内容:XXX工程段的路面施工验收标准:按照《公路工程质量验收规范》(GB 50203-2011)进行验收验收结论:经验收,XXX工程段路面施工合格,达到设计要求。
公路工程土方路基内业资料填写范例背景公路工程中,土方路基是建设的重要部分。
为确保土方路基施工质量和安全性能,需要按照相关规定填写土方路基内业资料。
下面是公路工程土方路基内业资料填写的范例。
基本信息工程名称填写公路工程的名称,如“XX公路改建工程”。
工程编号填写公路工程的编号,如“SXX-X-XX”。
建设单位填写公路工程的建设单位名称,如“XX省交通局”。
施工单位填写公路工程的施工单位名称,如“XX建设集团有限公司”。
填报日期填写内业资料的填报日期,如“2019年1月1日”。
土方路基数据填方土方体积填写填方土方体积,单位为立方米(m³),如“1000m³”。
挖方土方体积填写挖方土方体积,单位为立方米(m³),如“800m³”。
路基宽度填写路基宽度,单位为米(m),如“10m”。
路堤高度填写路堤高度,单位为米(m),如“2m”。
路面标高填写路面标高,单位为米(m),如“10m”。
路基平整度填写路基的平整度,单位为毫米(mm),如“±3mm”。
路堑宽度填写路堑宽度,单位为米(m),如“5m”。
路堑深度填写路堑深度,单位为米(m),如“3m”。
填报人员信息填报人员姓名填写内业资料的填报人员姓名,如“张三”。
填报人员职务填写内业资料的填报人员职务,如“工程师”。
填报人员电话填写内业资料的填报人员电话,如“139XXXXXXXX”。
审定人员信息审定人员姓名填写内业资料的审定人员姓名,如“李四”。
审定人员职务填写内业资料的审定人员职务,如“主管工程师”。
审定人员电话填写内业资料的审定人员电话,如“138XXXXXXXX”。
结论上述内容便是公路工程土方路基内业资料填写的范例。
在实际填写过程中,应严格按照标准填写,确保数据的准确性和完整性。
公路工程内业材料整理填写和归档范例公路工程是基础设施建设中的重要组成部分,对于公路工程的材料整理、填写和归档工作非常重要。
下面是一个公路工程内业材料整理填写和归档的范例。
一、材料整理1.材料分类根据公路工程的特点和实际需要,将材料进行分类整理,可以按照工程进度、材料性质、工程部位等方面进行分类。
例如,可以将施工图纸、工程报告、设计变更等文件进行分类整理;可以将水泥、沥青、石子等材料按照性质进行分类整理;可以将路基、路面、桥梁等工程部位的材料进行分类整理。
2.材料整理方式可以使用文件夹、文件柜等工具对材料进行整理。
每个文件夹或文件柜上都应标明明确的名称和编号,方便整理和查找。
3.材料整理要求二、材料填写1.填写内容2.填写方式可以手工填写,也可以使用电脑模板填写,填写的内容应清晰、准确,并注意字迹清晰,不得涂改。
3.填写时间以最新的材料整理为准,每个文件或物品的填写时间应与整理时间保持一致。
三、材料归档1.归档原则根据工程的进展,对材料进行归档。
归档时,应根据材料的重要性和紧急性确定归档等级,并按照归档等级进行分类归档。
2.归档方式可以采用文件夹、文件柜、纸质档案室、电子档案管理系统等方式进行归档。
无论采用什么方式,都应保证归档的规范性和可靠性。
3.归档规范对于每个归档文件夹或文件柜,都应标明明确的名称和编号,并按照一定的顺序进行归档。
归档时应注意文件的安全和保密,确保不被删除、遗失和泄露。
四、材料追溯和核对1.追溯方法2.核对方法在需要核对文件或物品的数量、领用人等信息时,可以通过对照文件或物品库存表和领用记录表等进行核对,并记录核对结果。
以上是公路工程内业材料整理填写和归档的范例。
在公路工程中,有效的材料整理、填写和归档工作,可以提高工程管理的效率和准确性,保证工程质量和安全。
因此,在公路工程中,必须高度重视材料整理填写和归档的工作,严格按照规定的要求进行操作,确保材料的完整性和可靠性。
公路工程内业资料整理填写及归档范例一、前言在公路工程建设过程中,内业资料是十分重要的一环,而对内业资料的整理、填写和归档也应该是一个重要的环节。
本文将从整理、填写和归档三个方面来探讨公路工程内业资料的范例。
二、资料整理2.1 环境整理在开始整理资料之前,首先要保证整理的环境干净、整洁、通风良好。
消毒和高温灭菌是常用的消毒方式。
同时,要注意防止资料遭受潮湿、虫蛀等损坏。
2.2 资料分类将工程建设过程中产生的各种资料按照不同的类别进行分类,如各种截面图、地形图、勘测数据、验收记录等等。
按照不同的保管期限进行分类,以及其他关键性质。
这样便于维护资料,也便于日后查找使用。
2.3 资料整理在按照类型分类后,对每种类型的资料进一步进行整理。
例如,对同类型的数据按照时间顺序排列,使用日期、编号等进行标记。
对于公路工程建设中产生的各种资料,必须进行规范的填写。
以下是常见的资料填写示例:3.1 勘察、设计类资料•勘察设计单位名称•勘察设计时间•工程项目名称•工程项目编号•工程建设地点•工程概况及建设目的3.2 施工、监理类资料•施工单位名称•监理单位名称•工程项目编号•工程施工期限•项目经理姓名•项目工程师姓名•施工质量验收记录进行完整理和填写后,应该将资料进行归档。
公路工程内业资料的归档需要遵循一些规定,例如按照归档分类、归档时间等。
下面是资料归档的范例:•按照不同的类别进行分类,例如工程勘测、工程设计、施工和监理等。
•遵循归档标准,例如遵循“定期清理、保密、使用权和保管责任”的要求进行归档。
•为了避免资料丢失和损坏,应该将资料存放在安全、防潮、干燥、通风良好的环境中。
同时,不可以将不同性质的文件混放放置。
五、总结公路工程内业资料是整个工程建设中不可或缺的一环。
进行资料整理、填写和归档的方式应该具备完善和规范的规划。
本文对于公路工程内业资料的整理、填写和归档提供了一些范例和参考。
希望这份范例能帮助人们更好地进行公路工程资料管理。
公路工程内业资料是直接反映施工过程工程质量控制的重要载体,是日后公路通车运营管理的重要依据,加强和规范施工阶段的内业资料整理是当前公路工程施工管理的一项重要内容,也是反映公路工程施工管理水平的主要方面。
公路工程施工中,内业资料的整理往往滞后于主体工程的进展,这主要原因:一是平时不重视内业资料的管理,普遍存在“重外业、轻内业”的现象,且对内业资料的整理阶段性的进行,只“整”不“理”,导致内业资料逻辑性、数据性错误“百出”;二是工程实施过程中,专业化的施工队伍调动频繁,如路基工程作业队伍,在进入路面铺筑时已撤离现场,造成路基资料缺失或出现不连贯错误,逻辑性较差;三是工程管理人员和档案管理人员对相互的业务不熟悉,工作责任心差,且工作岗位不固定,工作连续性差,前后脱节,导致内业资料整理中的重复返工现象经常出现。
内业资料的管理和工程外业的管理一样,都是工程施工管理的重要组成部分,要真正提高内业管理水平,实现内、外业同步,做到内业资料边整理边归档的目的,就要针对工程内业资料的特点提高重视程度,提高内业管理人员的业务素质,切实做到在内业资料管理中的“全”、“准”、“严”。
“全”就是在内业资料齐全上下功夫,做到文件、资料工程齐全,不出现缺少文件和频率不足等现象。
“准”就是在内业资料整理上严把准确关,确保资料填写的内容和数据的准确性,经得起推敲和检查。
“严”就是在内业资料格式和组卷上,严把审查关,不合格的内业资料严禁进入工程档案室。
第二节内业资料的构成和分类一、内业资料构成1、合同文件施工合同协议书(含问题澄清)、投标书、招标文件(含补遗书)以及施工招标、施工合同有关资料。
2、日常资料分类(1)质量控制资料-检验、实验,以及有关质量文件。
(2)进度控制资料-总体进度计划、旬、月度计划及其完成情况,进度计划调整,以及有关计划的文件。
(3)费用控制资料-工程量统计、核定、计量与支付、工程费用变更资料,以及有关费用控制文件。
土方路基填筑卷内目录检验申请批复单承包单位:天津五市政监理单位:武汉大通公路监理公司编号:清理与掘除检验表承包单位:天津五市政合同段:第六合同段监理单位:武汉大通公路监理公司编号:复核人:李兴祖日期:2006.3.4 监理工程师:任小波日期:2006.3.4检验申请批复单承包单位:天津五市政监理单位:武汉大通公路监理公司编号:土方路基现场质量检验报告单日期:2006.3.28 日期:2006.3.28 日期:2006.3.28施工放样报验单承包单位:天津五市政监理单位:武汉大通公路监理公司编号:A-1施工放线测量记录表承包单位:天津五市政合同段:第六合同段监理单位:武汉大通公路监理公司编号:水准测量记录承包单位:天津五市政合同段:第六合同段记录人:信兆莹日期:2006.3.28复核人:孙福凯日期:2006.3.28监理工程师:翟国清日期:2006.3.28备注:施工中如涉及计量,则该期计量截止的最后一层不论是否为转区层均需提供水准测量记录表压实度检验报告编号:压实度检测记录表(灌砂法)施工单位天津五市政合同段第六合同段天气晴土场位置K82+940-K83+000左幅距路基顶面设计标高 2.633 最大干容重(g/cm3) 1.82 锥体砂重(g)799 最佳含水量(%)13.4检测范围K82+940-K83+000左幅砂单位重(g/cm3) 1.42 检查日期2006.3.28 试验规程JTJ059-95检验申请批复单承包单位:天津五市政监理单位:武汉大通公路监理公司编号:土方路基现场质量检验报告单日期:2006.5.19 日期:2006.5.19 日期:2006.5.19石方路基填筑压实质量施工记录承包单位:天津五市政合同段:第六合同段记录人:高鑫日期:2007.1.20 复核人:李兴祖日期:2007.1.20 注:沉降差指碾压两遍后各测点的高程差。
软质岩石不需边坡码砌。
公路工程内业资料的整理和填写规范(一)发布日期: 2012-07-03 浏览次数: 42核心提示: 第一节档案案卷构成及质量要求一、术语1、案卷: 由互相联系的若干文件材料组合而成的一种档案保管单位。
2、立卷: 按照一定的第一节档案案卷构成及质量要求一、术语1.案卷: 由互相联系的若干文件材料组合而成的一种档案保管单位。
2.立卷:按照一定的原则和方法, 将文件分门别类整理成案卷, 亦称组卷。
3.卷内目录: 案卷内登记文件材料及其排列次序的目录。
4.卷内备考表: 说明案卷内文件材料状况的表格。
5、档号: 档案的编号, 其中包括项目代号、案卷分类号和案卷号。
6.建设工程文件:在工程建设过程中形成的各种形式的信息记录, 包括工程准备阶段文件、监理文件、施工文件、竣工图和竣工验收文件, 也可简称为工程文件。
7、工程准备阶段文件:工程开工以前, 在立项、审批、征地、勘察、设计、招投标等工程准备阶段形成的文件。
8、监理文件: 监理单位在工程施工和缺陷责任期监理过程中形成的文件。
9、施工文件: 施工单位在工程施工过程中形成的文件。
10、竣工图: 工程竣工验收后, 真实反映建设工程项目施工结果的图样。
11、竣工验收文件: 建设工程项目竣工验收活动中形成的文件。
12、建设工程档案:在工程建设活动中直接形成的具有归档保存价值的文字、图表、声像等各种形式的历史记录, 也可简称工程档案。
二、案卷组成及其立卷要求1.案卷由案卷封面和卷脊、案卷内封皮、卷内目录、卷页(包括件封面、件内目录)及卷内备考表组成。
案卷封面内容应打印在与卷盒颜色相近的牛皮纸上, 贴在对应位置。
或者打印在蜡纸上, 用黑色油墨印刷在案卷封面。
2、立卷要遵循科技文件的形成规律, 保持案卷内科技文件材料的系统联系, 并要便于档案利用和保管。
3、案卷内科技文件材料所反映的工程项目情况和有关管理活动内容必须真实、准确、齐全、完整, 且做到手续完备。
三、卷内文件材料的排列1.管理性文件按问题或重要程度排列;2.项目技术文件材料按来往文件、质量评定、原材料试验文件、施工原始记录等顺序排列;具体自(抽)检资料所用表式见附件十四。
2、质评表2.1 质评表 3 的填写这是工程施工中填得最多的表之一,但仍有不少施工单位填得不对,或填得不够规范。
主要工程数量应填写清楚,因为应检点数是按工程量根据标准中规定的频率得出来的。
如果检测频率是面积工程量应能反映出面积的数量。
外观检查项目按评定标准中相关内容填写。
量测项目填写应按标准中的项目名称填,应规范用词。
量测项目按标准是与规定值作比较的,在实测栏中应填实测值。
而不少施工单位仍填实测偏差值,这是不对的。
只有当量测项目在标准中是规定允许偏差值的,在实测栏中才应填实测偏差值。
签字各栏均应有相关方签字,交方与接方是同一班组也应签字。
工序施工完毕后,应及时填写工序质量评定表。
表中内容应填写齐全,签字手续完备规范。
2.2 质评表 2、质评表 1 的填写市政工程由工序组成部位,部位组成单位工程。
其质量的检验与评定一般按工序、部位、单位工程三级进行。
但市政工程中除桥梁外,道路工程与排水工程有时不划分部位,所以道路工程与排水工程也可以按工序、单位工程两级进行。
也可以按长度将一个单位工程人为地划分成若干个部位。
排水工程也有将污水管作为一个部位,雨水管作另一个部位的。
具体如何划分应根据工程实际情况来定。
单位工程完成后,由工程项目负责人主持,进行单位工程质量评定,填写质评表 1。
由工程项目负责人和项目技术负责人签字。
加盖公章作为竣工验收的依据之一。
排水工程报验申请表工程名称:xxxxxxxx 区首期市政及配套市政管线工程—首期干道 A 线编号:PS-001 市政监-4 致:东莞市建设监理有限公司我单位已完成了K1+140~K1+380 段边坡防护坡顶截水沟施工工作,现报上该工程报验表,请给予审查和验收。
附件:工程测量记录表截水沟验批质量检验记录承包单位:罗湖建筑xxxx 有限公司项目经理:现场代表:现场施工负责人:日期:审查意见:项目监理机构:总/专业监理工程师:期:抛石挤淤工程报验申请表工程名称:xxxxxxxx 区首期市政及配套市政管线工程—首期干道 A 线编号:PSJY-001 市政监-4致:东莞市建设监理有限公司我单位已完成了K0+200~K0+380 段抛石挤淤路基施工工作,现报上该工程报验表,请给予审查和验收。
承包单位:天津五市政
监理单位:武汉大通公路监理公司 编号
清 理 与
掘 除 检 验 表
承包单位:天津五市政 合同段:第六合同段
监理单位:武汉大通公路监理公司 编号
记录人: 陈维韬日期:2006、3、4 复核人 :李兴祖日期:2006、3、4 监理工程师: 任小波日期:2006、3、4
检验申请批复单承包单位:天津五市政
监理单位:武汉大通公路监理公司编号
土方路基现场质量检验报告单
日期:2006、3、28 日期:2006、3、28 日期:2006、3、28
公路工程土方路基内业资料填写范例
施工放样报验单承包单位:天津五市政
监理单位:武汉大通公路监理公司编号:A-1
施工放线测量记录表
承包单位: 天津五市政合同段:第六合同段
监理单位: 武汉大通公路监理公司编号
记录人:刘遵国日期:2006、3、28 复核人:孙福凯日期:2006、3、28 监理工程师:翟国清日期:2006、3、28
水准测量记录
承包单位:天津五市政合同段:第六合同段
记录人:信兆莹日期:2006、3、28
复核人 :孙福凯日期:2006、3、28
监理工程师:翟国清日期:2006、3、28
备注:施工中如涉及计量,则该期计量截止的最后一层不论就是否为转区层均需提供水准测量记录表
压实度检验报告
编号
试验人:孙长安复核人:王萍负责人:李兴祖
压实度检测记录表(灌砂法)
施工单位天津五市政合同段第六合同段
天气晴土场位置K82+940-K83+000左幅
距路基顶面设计标高 2、633 最大干容重(g/cm3) 1、82
锥体砂重(g) 799 最佳含水量(%) 13、4
检测范围K82+940-K83+000左幅砂单位重(g/cm3) 1、42
检查日期 2006、3、28 试验规程 JTJ059-95
试验人:孙长安复核人:王萍监理工程师:任小波
检验申请批复单承包单位:天津五市政
监理单位:武汉大通公路监理公司编号
公路工程土方路基内业资料填写范例
土方路基现场质量检验报告单
日期:2006、5、19 日期:2006、5、19 日期:2006、5、19
公路工程土方路基内业资料填写范例
石方路基填筑压实质量施工记录
承包单位:天津五市政合同段:第六合同段
复核人 : 李兴祖日期:2007、1、20 注:沉降差指碾压两遍后各测点的高程差。
软质岩石不需边坡码砌。