容器三种压强问题
- 格式:doc
- 大小:123.16 KB
- 文档页数:2
非柱形容器的压力压强问题分析作者:王亚莉来源:《中学生数理化·八年级物理人教版》2015年第03期学习了压强和液体压强,同学们已经对压强的定义式p=f/s和液体压强公式p=phg艮熟悉了.但有些同学在碰到非柱形容器时,往往不知如何合理运用公式来正确解答,下面让我们透过现象看本质,分析一下非柱形容器的压力压强问题.一、液体对容器底的压力与液体所受重力的关系分析液体的压力压强问题时.同学们要清楚液体对容器底部的压力不一定等于液体所受的重力,如图1所示,三个底面积相同、质量相同的容器静止在水平桌面上,将相同质量的水倒人甲、乙、丙中,虽然三个容器中水的质量相同,但它们对容器底部的压力并不相同:甲容器是柱形容器,其侧壁对液体的作用力方向是水平的,不能增加或减小液体对容器底部的压力,所以F甲=G;乙容器口大底小,侧壁对液体有向上的支持力,减小了液体对容器底部的压力,使F乙G.因此,在求液体对容器底部的压力压强时,应先根据液体压强公式p=ghg求解压强,再根据F=pS计算液体对容器底的压力,例1 如图2所示.底面积和质量都相同的A、B两容器内装有相同质量的不同液体,放在水平桌面上,则液体对容器底部的压强pApB,液体对容器底部的压力FA___FB(均填“大于”“等于”或“小于”)解析:由图2可知,A、B两容器中液体深度相等.又知道两容器中液体的质量相等,但是4容器的体积大,根据p=m/v得A中液体的密度小,B中液体的密度大.根据液体压强公式p=phg,因A中液体的密度小,而两容器中液体的深度相等,所以A中液体对容器底部的压强小,即pA答案:小于小于例2在水平桌面上放置一空玻璃杯,它的底面积为0.01m2,它对桌面的压强为200Pa.在玻璃杯中装入1kg水后,水对杯底产生的压强为900Pa,求水的深度,并通过计算推测出玻璃杯的大致形状是图3中的哪一种.(已知p水=l.Oxl03kg/m3取g=10N/kg)解析:因为容器的形状不一定为柱形.所以不能根据水的质量求深度.要推测出玻璃杯的大致形状.必须根据液体对容器底部的压力与所盛液体所受的重力的关系得出.已知玻璃杯的底面积为0.01m2,水对杯底产生的压强为900Pa,根据p=pgh可求出水的深度.水对容器底部的压力F=pS=900Pax0.01m2=9N.已知容器内水所受的重力G=mg=lkgxloN/kg=10N,F答案:水深0.09m,玻璃杯的大致形状如图3a所示.二、液体对容器底部的压强和容器对水平支持面的压强固体不具有流动性,而液体具有流动性,决定了它们对支持面产生的压力和压强有不同的特点.在支持面水平且压力仅由固体或液体所受的重力产生的情况下,固体对支持面的压力F=G(如果不是这样,可以根据题意计算出压力),然后根据p=等计算出压强.所以计算有关固体的压力和压强问题时,应先根据F=G求压力,再用p=F/S计算出压强.倒3 如图4所示.将底面积为100Cm2.重为SN的容器放在水平桌面上,容器内装有重45N、深40cm的水,则容器对水平桌面压强为___Pa.(取g=10N/kg)解析:本题要求容器对水平桌面的压强,容器是固体,需要先求出容器对水平桌面的压力,再根据p=F/S求出容器对水平桌面的压强,容器中装有水,容器对水平台面的压力等于水和容器所受的重力之和,即F总=G容+G水=5N+45N=50N,则容器对水平台面的压答案:Sxl03例4如图5所示.平底茶壶的质量是400g,底面积是40Cm2,内盛0.6 kg的开水刚好装满,放置在面积为1m2的水平桌面中央.试求:(1)水对茶壶底部的压力.(2)茶壶对桌面的压强,解析:(1)水对壶底的压力是液体对容器底部的压力,应该先求出水对壶底的压强,再根据F=pS求出水对壶底的压力.不能用水所受的重力来计算压力.茶壶中的水深12cm,水对壶底的压强p=pgh=lxl03kg/m3x10N/kgx0.12m=l.2xl03Pa.水对茶壶底部的压力F=p.S=l.2xl03Pax40xl0-4m2=4.8N.(2)茶壶对桌面的压强是固体对水平面的压强,应先求出茶壶对水平桌面的压力,再根据P=S求出茶壶对桌面的压强,茶壶所受的重力G壶=m壶g=0.4kgx10N/kg=4N,茶壶对水平桌面的压力F2=G水+G壶=6N+4N=10N.茶壶对水平桌面的压强.答案:(1)4.8N.(2)2.5xl03Pa.学即用,练一练:1.如图6所示,甲、乙、丙是三个底面积和质量都相同、形状不同的容器,现装有相同高度的水,则容器底部受到的液体压强大小关系是p甲___p乙___p丙___,桌面受到的压强大小关系是p甲′____p乙′___p丙′___.(均填“=”“>”或“2.如图7所示.将一个装有一定质量水(水未装满)的圆台状封闭容器放在水平桌面上.如果将其改为倒立放置,则().A.水对容器底的压强减小.容器对桌面的压强增大B.水对容器底的压强减小,容器对桌面的压强减小C.水对容器底的压强增大,容器对桌面的压强增大D.水对容器底的压强增大,容器对桌面的压强减小3.如图8所示,开口杯子中装有8cm高的水,放在水平桌面上.已知杯子内部底面积为50cm2.外部底面积为60cm2,杯子装水后的总质量为0.6kg,取g=10N/kg,求:(1)水对杯底的压力.(2)杯子对桌面的压强.答案:1.= = < < 2.C3.(l)水对杯底的压强p1=pgh=800Pa,水对杯底的压力Fl=p1S内=4N.(2)杯子对桌面的压力F2=G=mg=6N,杯子对桌面的压强p2=F2/S外=1000Pa.。
专题27 压强问题1.对压强公式P=F/S的理解:(1)压力F的大小不一定等于重力,方向也不一定是竖直向下。
压力与物体表面垂直;(2)受力面积S是指物体相互挤压的面积,与物体表面积不一定相等,可以等于或小于物体表面积,但绝对不会大于物体的表面积。
(3)在理解了压力和受力面积之后,运用压强公式计算时,F的单位是牛顿(N),受力面积S的单位要用平方米(m2),这样得到物体所受压强P的单位是帕(Pa)。
(4)在讨论压力作用效果时,应该用控制变量法来分析,即当压力F一定时,压强P与受力面积成反比;当受力面积一定时,压强P与压力成正比。
如果在增大压力F的同时,减小受力面积,那么物体受到的压强是增大的;在减小压力和同时增大受力面积时,压强是减小的,对后面两点希望大家也要有清醒的认识。
(5)压强公式P=F/S既适用与固体,又适用与液体,也适用与气体。
2.利用液体压强公式求解问题时应重点关注的地方:(1)应用的公式是P=ρgh;(2)g=9.8N/kg 有时题中为了计算简单给出g=10N/kg(3)ρ是指产生压强的液体的密度,一般给出,但对常见的液体水,其密度需记忆。
ρ水=1.0×103kg/m3(4)h是指深度,表示从自由液面到计算压强的那点之间的竖直距离,即深度是由上往下量的。
对以上问题理解后,各量单位统一了,代入公式计算能很好地解决实际问题。
3.对大气压的变化规律及其应用的总结:4.对流体压强与流速关系的认识流体压强大小与流速关系:在流体中流速越大地方,压强越小;流速越小的地方,压强越大。
【例题1】共享单车为人们的绿色出行带来便利,车把上凹凸不平的花纹是通过增大摩擦的。
小明骑着单车到公园游玩,10min沿水平路面行驶了3km,他骑车的平均速度是m/s。
若小明和单车的总质量(g取10N/kg)是80kg,每个车轮与水平地面的接触面积是25cm2,骑行过程中单车对地面的压强是Pa.【答案】增大接触面的粗糙程度;5;1.6×105。
关于三种不同形状的容器液体压强问题1、对容器的底部的压力和液体重力的关系。
设液体的重力分别为G甲、G乙、G丙,液体对容器底部的压力分别为F甲、F乙、F丙,其关系为:甲图(上在下小):F甲<G甲乙图(柱形) :F乙= G乙丙图(上小下大):F丙> G丙2、在甲、乙、丙三个图中,若底面积相同,则三个容器中液体的体积关系:V甲>V乙>V丙。
例:三个容器中装有同种液体,则三容器中液体的质量关系:m甲>m乙>m丙。
例:三个容器中装等质量的不同液体,则三容器中液体的密度关系:。
3、容器倒置问题:把握住液体的质量(或重力不变)。
而深度和受力面积是否变化。
4、特殊容器(图乙):液体对容器底部的压力等于液体的重力。
方法(1)、认清题目中问题是液体对容器底部的压力、液体对容器底部的压强、容器对桌面的压力、容器对桌面的压强中的哪一种。
(2)、注意题目中等量关系:质量相等、面积相等、高度相等、密度相等。
(3)、选择可利用的公式分析P=F/S和P=?gh。
选择题练习1.如图所示,三个底面积不同的圆柱形容器内分别盛有A、B、C 三种液体,它们对容器底部的压强相等,现分别从三个容器内抽出相同深度的液体后,剩余液体对容器底部的压强pA 、pB、pC的大小关系是()A、pA >pB>pCB、pA=pB=pCC、pA<pB<pCD、pA=pC>pB2.三个质量相同,底面积相同,但形状不同的容器放在水平桌面上,其内分别装有甲、乙、丙三种液体,它们的液面在同一水平面上,如图所示,若容器对桌面的压强相等,则三种液体对容器底的压强()A、一样大B、甲最大C、乙最大D、丙最大3.如图所示,形状不同,底面积和重力相等的 A、B、C三个容器放在水平桌面上,容器内分别装有质量相等的不同液体.下列分析正确的是()A、液体对A容器底部的压强最大,对C容器底部的压强最小B、液体对A容器底部的压强最小,对C容器底部的压强最大C、C容器对桌面的压强最大,A容器对桌面的压强最小D、三个容器对桌面的压强相等5.底面积相等、质量相等的三个容器A、B、C,放在水平桌面上,如图所示,分别向三个容器倒入质量相等的水后,关于容器底部所受的水的压强和容器对桌面的压强,下列说法正确的是()A.三个容器底部所受的水的压强一样大,A容器对桌面的压强最大B.A容器底部所受水的压强最大,三个容器对桌面的压强一样大C.B容器底部所受水的压强最大,三个容器对桌面的压强一样大D.C容器底部所受水的压强最大,三个容器对桌面的压强一样大6.如图所示,三个底面积不同的圆柱形容器内分别盛有A、B、C三种液体,它们对容器底部的压力相等.现将完全相同的金属球分别浸没在三个容器中,液体对容器底部的压强pA 、pB、pC的大小关系是()A.pA >pB>pCB.pA=pB=pCC.pA<pB<pCD.pA=pC>pB7.如下左图所示,三容器底面积相等,装同种液体,比较液体对容器底部的压力大小()A、FA <FB<FCB、FA =FB=FCC、FA >FB>FCD、以上皆不是8.如上右图所示,装满水的密闭容器置于水平桌面上,其上下底面积之比为4:1,此时水对容器底部的压力为F,压强为p.当把容器倒置后放到水平桌面上,水对容器底部的压力和压强分别为()A.F,P B.4F,P C.1/4F,P D.F,4p9.如下左图所示,甲、乙、丙三个底面积相同、形状不同的容器中装有质量相等的三种不同液体,液面高度相同,则容器底部受到的液体压强()A.甲的最大B.乙的最大C.丙的最大D.一样大10.如上右图两个底面积相等的容器中,装有相同深度的同种液体,液体对a、b两容器底的压强分别为Pa 、Pb,压力分别为Fa、Fb,则()A.Pa >Pb,Fa>FbB.Pa<Pb,Fa<FbC.Pa=Pb,Fa=FbD.P a=P b,F a<F b11.如图,甲、乙、丙三个相同的容器中分别盛有密度不同的液体,放在水平桌面上,已知在液体内部同一水平面a、b、c三点处液体的压强相等,则各容器中液体的密度大小、液体对容器底部压强的大小排列顺序都正确的是()A.ρ甲>ρ乙>ρ丙,P甲=P乙=P丙B.ρ甲>ρ乙>ρ丙,P甲<P乙<P丙C.ρ甲>ρ乙>ρ丙,P甲>P乙>P丙D.ρ甲<ρ乙<ρ丙,P甲<P乙<P丙12.(2012?安溪县)在图中,不计容器本身的重,容器底面积相等,倒入等高的不同种液体时,容器对桌面的压强相等,则容器底部受到的压强最小的是()A.甲B.乙C.丙D.一样大。
专题12 液体压强【考点预览】考点1 液体压强的特点考点2 液体压强的计算考点3 三种容器的压强计算考点4 连通器考点5 液体的加注与抽出考点1 液体压强的特点【经典真题】探究影响液体内部压强大小的因素:(1)液压计:如图,物理学中常利用如图所示的液体压强计测量液体压强,当探头的薄膜受压强的作用时,U形管左右两侧液面产生高度差,液面高度差的大小反映了薄膜所受的大小。
(2)实验方法:。
(3)完成以下实验过程并记录分析实验现象①比较(a)、(b)两幅图,可以得出:液体内部压强大小跟液体的有关。
②比较(e)、(f)两幅图,可以得出:液体内部压强大小还跟液体的有关。
③比较(c)、(d)、(e)三幅图,你还可以得出什么结论? .(4)结论:①液体内部朝各个方向都有;②在同一深度,液体内部向各个方向的压强都;③同一液体内部的压强随着深度的增加而__________________________;④液体内部的压强还与液体的密度有关,在同一深度处,液体的密度越大,压强。
【常用结论】(1)液体压强大小与深度、液体密度有关;(2)液体压强大小与方向无关【易错点】液体对各方向都有压强,即液体压强可能向上【经典变式练】1.(2022·江苏扬州)生病输液时,针头很尖是通过减小受力面积来___________压强;若出现“回血”现象(血液进入输液软管中),需将药液袋举高,这是因为___________。
2.(2022·安徽省)为探究液体压强与哪些因素有关,取一个空的透明塑料瓶,在瓶口扎上橡皮膜,将塑料瓶浸在液体中,橡皮膜向瓶内凹进得越多,表明液体的压强越大。
(1)将塑料瓶竖直地浸入水中,第一次瓶口朝上(如图甲),第二次瓶口朝下(如图乙),两次塑料瓶在水里的位置相同。
图乙中的橡皮膜凹进得更多,则可得到的实验结论是:同种液体中,______,液体的压强越大;(2)若用体积相同的酒精(ρ酒精<ρ水)进行实验,如图丙所示,塑料瓶在酒精里的位置与图乙相同,则图______(选填“乙”或“丙”)中的橡皮膜凹进得更多。
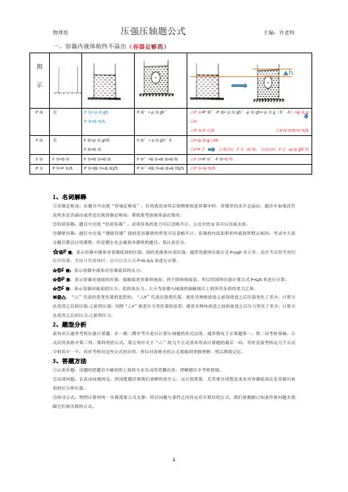
一、容器内液体始终不溢出1、名词解释①容器足够高:在题目中出现“容器足够高”,目的就是说明后面物体放进容器中时,容器里的水不会溢出。
题目中如果没有说明水是否溢出或者没出现容器足够高,那就要考虑液体溢出情况。
②轻质容器:题目中出现“轻质容器”,说明容易的重力可以忽略不计,公式中的G容可以直接去掉。
③薄壁容器:题目中出现“薄壁容器”指的是容器壁的厚度可以忽略不计,容器的内底面积和外底面积默认相同,考试中大部分题目都会注明薄壁,但是偶尔也会碰到非薄壁的题目,要注意区分。
☆④P液:表示容器中液体对容器底部的压强,指的是液体内部压强,通常用液体压强公式P=ρgh来计算,通常考试都考规则柱形容器,里面只有液体时,也可以用公式P=G液/S来进行计算。
☆⑤F液:表示容器中液体对容器底部的压力。
☆⑥P容:表示容器对地面的压强,接触面是容器和地面,两个固体相接处,所以用固体压强计算公式P=G/S来进行计算。
☆⑦F容:表示容器对地面的压力,是固体压力,大小为容器与地面的接触面以上的所有东西的重力之和。
※⑧△:“△”代表的是变化量的意思的,“△P”代表压强变化量,就是从物体放进之前到放进之后压强变化了多少,计算方法是用之后的压强-之前的压强。
同理“△F”就是压力变化量的意思,就是从物体放进之前到放进之后压力变化了多少,计算方法是用之后的压力-之前的压力。
2、题型分析此知识点通常考核压强计算题,在一模二模中考中是以计算压轴题的形式出现。
通常情况下计算题第一、第二问考核基础,公式应用表格中第三列、第四列的公式。
第五列中关于“△”的几个公式基本用语计算题的最后一问,有时直接考核这几个公式中的其中一个,有时考核对这些公式的应用。
所以对表格中的公式要做到掌握理解,然后熟练记忆。
3、答题方法①认真审题:读题时把题目中碰到的上面的专业名词用笔圈出来,理解题目中考核情境。
②读清问题:认真读问题两边,理清楚题目要我们求解的是什么,这点很重要,尤其要分清楚是求水对容器底部还是容器对桌面的压力和压强。
固体、液体压强和大气压强知识梳理和典型练习知识梳理一、固体的压力和压强 1.压力:⑴ 定义:垂直作用在物体表面上的力叫压力。
作用点在被压的物体表面上,方向与被压表面垂直,指向被压物体⑵ 压力并不都是由重力引起的,压力不是重力;通常把物体放在水平面上时且物体竖直方向不受其他力时,压力等于物体的重力:F =G 。
⑶ 重为G 的物体在承面上静止不动。
指出下列各种情况下所受压力的大小。
2.研究影响压力作用效果因素的实验:⑴ A 、B 说明:受力面积相同时,压力越大压力作用效果越明显。
⑵ B 、C 说明压力相同时、受力面积越小压力作用效果越明显。
⑶ 概括这两次实验结论是:压力的作用效果与压力和受力面积有关。
本实验研究问题时,采用了控制变量法。
3.压强:(1)压强是表示压力作用效果的物理量(2) 定义:物体单位面积上受到的压力叫压强。
(3)公式 p=F/ S 其中各量的单位分别是:p :帕斯卡(Pa );F :牛顿(N )S :米2(m 2)。
A 、使用该公式计算压强时,关键是找出压力F (一般F=G=mg )和受力面积S (受力面积要注意两物体的接触部分)。
B 、特例:对于放在桌子上的直柱体(如:圆柱体、正方体、长放体等)对桌面的压强p=ρgh(4)1Pa 物理意义:物体在1米2面积上受到的压力为1牛;成人站立时对地面的压强约为:1.5×104Pa 。
它表示:人站立时,其脚下每平方米面积上,受到脚的压力为:1.5×104N (5)应用:①当压力不变时,可通过增大受力面积的方法来减小压强如:铁路钢轨铺枕木、坦克安装履带、书包带较宽等。
②也可通过减小受力面积的方法来增大压强如:缝一针做得很细、菜刀刀口很薄以下例子在选择题中常考①骆驼脚很大,可以减小压强,在沙漠中行走自由②啄木鸟的嘴很尖细,可以增加压强,捉到躲藏在深处的虫子二.液体的压强(1) 液体内部产生压强的原因:液体受重力且具有流动性。
专题07 不规则容器的液体压强1.(2021•东营模拟)如图所示,甲、乙、丙三个底面积相同、形状不同的容器中装有质量相等的三种不同液体,液面高度相同,则容器底部受到的液体压强()A.甲的最大B.乙的最大C.丙的最大D.一样大【分析】如图,液体深度h、容器底面积S相同,容器形状不同,液体体积:v甲<v乙<v丙,∵三种液体质量相等,∴ρ甲>ρ乙>ρ丙,又∵p=ρgh,h相同,∴容器底部受到的液体压强:p甲>p乙>p丙,答案:A。
2.(2020•眉山)如图所示,甲、乙两个装满不同液体完全相同的密闭容器,放在水平桌面上,则对桌面压强较大的()A.如果是甲,则其液体对容器底的压力一定较大B.如果是甲,则其液体对容器底的压强一定较大C.如果是乙,则其液体对容器底的压力一定较大D.如果是乙,则其液体对容器底的压强一定较小【分析】(1)若甲对桌面压强较大,由图知S甲<S乙,根据F=pS知,甲对桌面压力不一定大,由于在水平面上压力等于重力,所以甲液体的重力不一定大,液体对容器底的压力不一定大,故A错误;由图知液体的体积和深度相同,但由于不能判断出甲、乙液体重力的大小,所以不能判断出甲、乙液体密度的大小,也就不能判断出其液体对容器底的压强的大小,故B错误;(2)若乙对桌面压强较大,由图知S甲<S乙,根据F=pS知,乙对桌面压力一定大,由于在水平面上压力等于重力,所以乙液体的重力一定大,又因为甲液体有一部分压在容器壁上,液体对容器底的压力小于重力,由于物体间力的作用是相互的,乙液体对容器底的压力大于乙液体的重力,所以乙液体对容器底的压力一定较大,故C 正确;由图知液体的体积和深度相同,由于乙液体的重力大于甲液体的重力,根据G=mg=ρgV知,乙液体的密度大于甲液体的密度,根据p=ρgh知乙液体对容器底的压强一定较大,故D错误。
答案:C。
3.(2020•长沙模拟)底面积相等的甲、乙两个容器分别盛有两种不同的液体A和B,放置于水平桌面上,如图所示,两液体对容器底面的压强相等。
1、对容器的底部的压力和液体重力的关系设液体的重力分别为 G 甲、 关系为:甲图(上在下小) :乙图( 柱形) 丙图(上小下大): F 丙> G 丙2、在甲、乙、丙三个图中, 若底面积相同, 则三个容器中液体的体积关系: V 甲 >V 乙>V丙。
例:三个容器中装有同种液体,则三容器中液体的质量关系: m 甲>m 乙>m 丙 。
例:三个容器中装等质量的不同液体,则三容器中液体的密度关系: 。
3、容器倒置问题:把握住液体的质量(或重力不变) 。
而深度和受力面积是否变化。
4、特殊容器(图乙):液体对容器底部的压力等于液体的重力。
方法( 1)、认清题目中问题是 液体对容器底部的压力、液体对容器底部的压强、容器 对桌面的压力、容器对桌面的压强 中的哪一种。
(2)、注意题目中等量关系:质量相等、面 积相等、高度相等、密度相等。
(3)、选择可利用的公式分析 P=F/S 和 P=?gh 。
选择题练习关于种不同形状的容器液体压强问题G 乙、 G丙, F <G为 F 甲 、F 乙、 F,三种液体,它们对容器底部的 压强相等 ,现分别从三个容 相同深度的液体后,剩余液体对容器底部的压强 p A 、p B 、 p C 的大小关系是(A 、p A > pB >pC B 、p A =p B =p C C 、p A <p B <p C D液体对 A 容器底部的压强最小,对 C 容器底部的压强最大C 容器对桌面的压强最大, A 容器对桌面的压强最小5.底面积相等、质量相等的三个容器 A 、B 、C ,放在水如图所示,分别向 三个容器倒入质量相等的水 后,关于容 受的水的压强和容器对桌面的压强,下列说法正确的是(1.如图所示,三个底面积不同的圆柱形容器内分别盛有 A 、B 、 C 器内抽出、 p A =p C > p B2.三个质量相同,底面积相同,但形状不同的容器桌面上,其内分别装有甲、乙、丙三种液体,它们的液水平面上,如图所示,若 容器对桌面的压强相等,则三种液体对容器底的压强(A 、一样大B 、甲最大C 、乙最大 、丙最大3.如图所示,形状不同,底面积和重力相等的B 、C 三个容器放在水平桌面上,容器内分别 装有质量相等的不同液体 .A 、 液体对 A 容器底部的压强最大,对B 、C 、D 、三个容器对桌面的压强相等 平桌面上,器底部所 放在水平 面在同一A、A . 三个容器底部所受的水的压强一样大, A 容器对桌面的压强最大B . A 容器底部所受水的压强最大,三个容器对桌面的压强一样大C . B 容器底部所受水的压强最大,三个容器对桌面的压强一样大D . C 容器底部所受水的压强最大,三个容器对桌面的压强一样大6.如图所示,三个底面积不同的圆柱形容器内 B 、C 三种液体,它们 对容器底部的压力相等同的金属球分别浸没在三个容器中, 液体对容器底部的压强 p A 、p B 、p C 的大小关系是()B 、F A =F B =F CC 、F A > F B >F CD 、以上皆不是A 、 A . p A >pB > pC B . p A =p B =p C C . p A <p B < p CD . p A =p C > p B7.如下左图所示, 三容器底面积相等,装同种液体 ,比较液体对容器底部的压力大小A 、F A <FB <F C分别盛有 将完全相8.如上右图所示,装满水的密闭容器置于水平桌面上,其上下底面积之比为4:1,此时水对容器底部的压力为F,压强为p.当把容器倒置后放到水平桌面上,水对容器底部的压力和压强分别为()A.F,P B.4F,P C.1/4F ,P D.F,4p9.如下左图所示,甲、乙、丙三个底面积相同、形状不同的容器中装有质量相等的三种不同液体,液面高度相同,则容器底部受到的液体压强()A.甲的最大B.乙的最大C.丙的最大D.一样大10.如上右图两个底面积相等的容器中,装有相同深度的同种液体,液体对a、b 两容器底的压强分别为P a、P b,压力分别为F a 、F b,则()A.P a>P b,F a> F b B.P a<P b,F a< F b C.P a=P b,F a=F bD.P a=P b,F a< F b11.如图,甲、乙、丙三个相同的容器中分别不同的液体,放在水平桌面上,已知在液体内部面a、b、c 三点处液体的压强相等,则各容器中度大小、液体对容器底部压强的大小排列顺序都正确的是()A.ρ 甲>ρ 乙>ρ 丙,P 甲=P乙=P 丙B.ρ 甲>ρ 乙>ρ 丙,P甲<P乙<P 丙盛有密度液体的密C.ρ 甲>ρ 乙>ρ 丙,P甲>P 乙>P 丙D.ρ 甲<ρ 乙<ρ 丙,P甲<P乙<P 丙12.(2012?安溪县)在图中,不计容器本身的器底面积相等,倒入等高的不同种液体时,容器重,容对桌面的压强相等,则容器底部受到的压强最小的是(A.甲B.乙C.D.一样大。
容器形状对液体压力压强的影响文件管理序列号:[K8UY-K9IO69-O6M243-OL889-F88688]容器形状对液体压力压强的影响中考物理复习指导实验中学吴志鹏图1液体压力、压强的比较是压强章节中常见的问题,解决此类问题的方法很多,本文给出了一些从容器特点出发进行比较的常用方法,希望能够借此拓展大家的思路。
一、不同形状容器的特点1、在柱形容器中,液体对容器底面的压力等于容器内液体的重力。
2、容器横截面积上下不均匀,液体对容器底面的压力不等于容器内液体的重力。
(1)如图1所示,容器底面积为S,容器中液体密度为ρ、深度为h、体积为V、重力为G。
液体对容器底面的压力F=pS=ρghS,由图1还知道hS<V,因此有ΡGHS<ΡGV,即F<G。
< p>推导结果表明液体对容器底面的压力小于容器内所装液体的重力。
对于以上的结论,我们也可以不采用数学方法证明。
如图2所示,我们将容器中的液体作为整体研究,液体受到重力G、容器底面的支持力FN和容器侧壁斜向上的力FN'作用而平衡,故可以知道容器底面对液体的支持力FN要小于液体的重力G。
又因为容器底面对液体的支持力FN'和液体对容器底面的压力F是相互作用力,它们大小相等,因此F>G。
在上面的证明过程中,我们还知道F=ρghS,这相当于图1中非阴影部分液体的重力,因此我们可以认为阴影部分液体的重力是由容器的侧壁承担的。
(2)若如图3所示,容器底大口小,则可以用相同的方法证明液体对容器底面的压力大于容器内所装液体的重力,即F>G。
类似的,我们也可由图4中液体的受力情况得知F>G。
根据F=ρghS 可以知道容器底部相当于多承担了阴影部分液体的重力,实际上这些液体并不存在。
二、例题分析例1、如图5所示,三个完全相同的容器,里面分别装有质量相等的三种不同液体,三个容器都是圆柱形,那么(1)这三个容器底受到液体的压力Fa FbFc;(2)这三个容器底受到液体的压强pa pb pc。
压力压强的计算规律及方法:1、固体一般先求压力,再求压强(P=F/S)(容器问题为固体问题)2、由于液体压强性质的特殊性,液体压力不一定等于液体重力,不便于直接找,所以液体一般先求压强(P= )再求压力(F=PS)例题1:在一个重2N,底面积为的茶壶里装8N的水,容器中水的深度为,把它放在水平桌面上,如图所示.求:(1)容器对桌面的压强;(2)水对容器底部的压强.g=10N/kg.3、特殊容器的压力压强问题:点拨,液体对容器底的压力一般不等于所装液体的重力,而是F=PS,经过推导可知F=G正上方,所以比较液体压力大小可以从两个角度比较公式法和比重法。
对于以下几种容器,压力与所装液体重力的关系如下例题2、一圆台形密闭容器如图所示放置,容器内装有部分液体,若将容器倒置,则液体对容器下表面的压强将?对容器下表面的压力将?如果装满水呢各物理量又如何变化呢?特殊快捷的解决问题的方法1、对于形状规则柱体固体,如果压力由自身重力产生,在比较求解时,也常先判压强后判压力,例题1、2015泰安如图所示,a、b为放在水平地面上的两个均匀圆柱体,已知底面积S a=3S b,高度h b=2h a,对地面的压强p a=p b,圆柱体密度分别为ρa和ρb,对地面的压力分别F a和F b。
则下列说法正确的是A.ρa=ρb,F a=F b B.ρa=2ρb,F a=3F bC3F b2、利用比例解决问题例题2、如图所示,质量分布均匀的物体A、B放在水平地面上,高度相同,A的底面积大于B的底面积,A对地面的压力小于B对地面的压力.若在两物体上部沿水平方向切去相同的厚度,mA′、mB′分别表示A、B剩余部分的质量,pA′、pB′分别表示剩余部分对地面的压强.下列判断正确的是()例题3、(2015上海)如图所示,均匀圆柱体甲和乙放置在水平地面上,现沿水平虚线切去部分后,使甲、乙剩余部分的高度均为h.若此时甲、乙的剩余部分对地面的压力相等,则甲、乙原先对地面的压强p甲、p乙和压力F甲、F乙的关系是()A.p甲<p乙,F甲>F乙 B.p甲<p乙,F甲<F乙C.p甲>p乙,F甲>F乙 D.p甲>p乙,F甲<F乙3、对于形状规则的柱体容器,因为液体对它容器底的压力等于正上方液体重力即所装液体重力,所以也可以先找压力再求液体压强P=F/S来求解。
压力压强--两种压强压力的计算专题一:容器中液体对容器底部的压强压力计算。
解题思路:因为容器底部是被液体压着的,所以去求液体对容器底部的压强与压力时,应该用液体压强公式P=ρ液gh先算压强,再利用固体压强的变形公式F=PS去计算液体对容器底的压力。
步骤一:先求压强,利用公式P=ρ液gh步骤二:再求压力,利用公式F=PS专题二:容器对水平桌面的压强压力计算。
解题思路:容器放在水平桌面上,容器中的液体压在容器上,所以容器对水平桌面的压力求解对桌面的压强。
大小应该等于容器的重力加上液体的重力:F=G总=G液+G容。
再利用P=FS步骤一:先算压力,利用公式F=G液+G容步骤二:再算压强,利用公式P=FS练习题一.选择题1.(多选)小强将一只质量为1kg的平底水桶放在水平地面上,如图所示。
已知该水桶的底面积为5×10-2m2,桶内装有50cm深的水,水对桶底的压力比桶对地面的压力小40N,g取10N/kg。
下列判断中正确的是()A. 水对桶底的压强为5×105PaB. 水对桶底的压力为250NC. 桶对地面的压力为290ND. 桶内水的质量为28kg2.如图所示,玻璃杯里有3N的4℃的水(密度ρ水=1g/cm3),水的深度为10cm,玻璃杯重0.6N,玻璃杯底面积为20cm2(杯的厚度可以不计),g取10N/kg。
已知水在4℃时密度最大,不考虑玻璃杯的热胀冷缩,以及水的物态变化,则当水温从0℃逐渐升高到10℃的过程中()A. 水对杯底的压强可能是1001PaB. 杯子对桌面的压强始终是1500PaC. 杯子对水面的高度可能是9.9cmD. 水对杯底的压力一定先增大后减小3.如图所示,盛有水的平底紫砂壶静止在水平桌面上。
壶重1N ,高9cm ,底面积为30cm 2;壶内水重2N ,水深6cm ,水的密度为331.010kg/m ⨯ ,g 取10N/kg 。
下列选项中正确的是( )A. 水对壶底的压力为2NB. 水对壶底的压强为900PaC. 紫砂壶对桌面的压力为2.8ND. 紫砂壶对桌面的压强为1000Pa4.如图11所示,盛有水的杯子静止在水平桌面上。
微专题9-4 不规则容器中液体压强,压力比较知识· 解读不规则容器,也就是各种形状地杯子,如下图所示。
在近几年中考中,对不规则容器地压力压强知识一直是做为难点进行考察地。
常见地解题方式:(一)液体压强:一律用gh p ρ=判断。
(二)液体压力:1,基本公式法:先由gh p ρ=判断压强,在由pS F =来判断压力。
2,受力思路法。
3,割补法。
下面我们由例题来一一介绍这几种方式。
典例· 解读例1,水平桌面上放有5个形状不同地薄壁杯子,如图所示。
每个杯子地质量都相同,底面积也相同,杯子内装有相同质量地水。
请将各个杯子中地水对杯底地压强p 和水对杯底地压力F 大小分别进行排序。
【结果】F压b< F压a= F压d= F压e< F压c p b<p a=p d=p e<p c .【思路】方式一:基本公式法:如上图所示:由于各个杯子装有相同质量地水,则水地体积相同。
又因为杯子地底面积相同,所以各个杯中液面高度h 地关系为:h b< h a=h d=h e<h c(d和e地体积V均可用割补还原法来算,同学们自己算下)由得p b<p a=p d=p e<p c由得F b<F a=F d=F e<F c方式二:受力思路法:对液体进行受力思路,如上图所示。
易知:F支a=G液F支b<G液F支c>G液F支d=G液F支e=G液由此得出杯底对液体支持力地大小顺序为:F支b< F支a= F支d= F支e< F支c再由F压=F支得出结果为:F压b< F压a= F压d= F压e< F压c由得出:p b<p a=p d=p e<p c方式三:割补法:从“方式一”可以推导出一个很有用地结论(G直柱型液体称G直液)G直液指地是下图中阴影部分所代表地液体地重力。
这个阴影部分是以S底为底,以液体原来地实际深度h为高地圆柱体。
专题16 不规则容器的液体压强【核心考点精讲】 1、液体对容器底部压力 (1)比较大小(割补法)甲图中,液体对容器底部压力液G F >; 乙图中,液体对容器底部压力液G F =; 丙图中,液体对容器底部压力液G F <。
(2)计算数据 【规则形容器】如图乙所示,液体对容器底部压力等于液体自身重力,液G F =。
【不规则容器】如图甲、丙所示,液体对容器底部压力的计算方法 ①求液体对容器底部压强:gh p 液ρ=; ②求液体对容器底部压力:pS F =。
2、液体对容器底部压强液体对容器底部压强gh p 液ρ=(与容器形状无关)。
【必刷题型精练】1.(2022•巴中中考)如图,甲、乙、丙是三个质量和底面积都相等的容器,若在容器中装入质量相等的水。
则三个容器底部受到水的压强( )A .甲最大B .乙最大C .丙最大D .一样大2.(2022•铜仁中考)如图所示,一密闭容器放在桌面上,如图(a )所示,此时液体对容器底的压力为F 1,容器对桌面的压强为p 1;将容器倒立放置,此时液体对容器底的压力为F 2,容器对桌面的压强为p 2,如图(b )所示。
则下列说法正确的是( )A.F1=F2p1=p2B.F1>F2p1<p2C.F1>F2p1>p2D.F1<F2p1<p23.(2022•安顺中考)如图所示,将一个密闭的圆柱形空筒放在装有水的深桶中,用手慢慢把它竖直压入水中(水未溢出)。
在空筒完全进入水中之前,空筒每下降相同距离,下列说法正确的是()A.桶底受到水的压强的增加量不变B.桶底受到水的压强的增加量变大C.空筒底部受到水的压强的增加量不变D.空筒底部受到水的压强的增加量变小4.(2022•大连中考)如图所示,水平桌面上有甲、乙两个质量相同的薄壁容器,两个容器开口大小相同、底面积相同,分别装有质量相同的a、b两种液体,两个容器中的液面高度不同。
下列说法正确的是()A.两种液体密度的大小关系是ρa>ρbB.桌面对两个容器支持力的大小关系是F甲>F乙C.两种液体对容器底压强的大小关系是p a<p bD.两个容器对桌面压强的大小关系是p甲<p乙5.(2022•桂林中考)如图所示,底面积和质量都相同的甲、乙两个规则容器(容器厚度不计),装有质量相同的A、B两种液体,放在水平桌面上,液面高度相同,若液体对容器底部的压强分别为p A、p B,液体对容器底部的压力分别为F A、F B;容器对桌面的压强分别为p甲、p乙,容器对桌面的压力分别为F甲、F乙,则它们的大小关系正确的是()A.p A>p B,F A>F B;p甲=p乙,F甲=F乙B.p A<p B,F A<F B;p甲=p乙,F甲=F乙C.p A=p B,F A=F B;p甲>p乙,F甲>F乙D.p A<p B,F A<F B;p甲>p乙,F甲>F乙6.(2022•漳州模拟)如图所示,将一圆柱体从水中匀速提起直至下表面刚好离开水面,此过程容器底受到水的压强p随时间t变化的图象大致如下列图中的()A.B.C.D.7.(2022•长春模拟)如图所示,容器中盛有水,其中h1=100cm,h2=60cm,容器底面积S=20cm2,水对容器顶的压强是()A.10000 Pa B.2000 Pa C.6000 Pa D.4000Pa 8.(2022•自贡模拟)甲、乙两个相同的容器分别装有质量相等的酒精和水,设容器底部受到水和酒精的压强分别为p甲和p乙,则二者的关系是()A.p甲>p乙B.p甲<p乙C.p甲=p乙D.无法确定9.(2022•常德模拟)如图所示,水平桌面上放有底面积和质量都相同的甲、乙两平底容器,分别装有深度相同、质量相等的不同液体。
一、
1.如图所示,三容器底面积相等,装同种液体,比较液体对容器底部的压力大小()
A.F A<F B<F C B.F A=F B=F C C.F A>F B>F C D.以上皆不是
2.如图所示,装满水的密闭容器置于水平桌面上,其上下底面积之比为4:1,此时水对容器底部的压力为F,压强为p.当把容器倒置后放到水平桌面上,水对容器底部的压力和压强分别为()
A.F,P B.4F,P C.1/4F,P D.F,4p
3.如图所示,一密封的圆台形容器,内装一定质量的水,若把它倒置,则水对容器底面的作用情况是
A.压强减小,压力增大
B.压强减小,压力减小
C.压强增大,压力增大
D.压强增大,压力减小
二、
1.底面积相等、质量相等的三个容器A、B、C,放在水平桌面上,如图所示,分别向三个容器倒入质量相等的水后,关于容器底部所受的水的压强和容器对桌面的压强,下列说法正确的是()
A.三个容器底部所受的水的压强一样大,A容器对桌面的压强最大
B.A容器底部所受水的压强最大,三个容器对桌面的压强一样大
C.B容器底部所受水的压强最大,三个容器对桌面的压强一样大
D.C容器底部所受水的压强最大,三个容器对桌面的压强一样大
2.如图所示,甲、乙、丙三个底面积相同、形状不同的容器中装有质量相等的三种不同液体,液面高度相同,则容器底部受到的液体压强()
A.甲的最大B.乙的最大C.丙的最大D.一样大
3.三个质量相同,底面积相同,但形状不同的容器放在水平桌面上,其内分别装有甲、乙、丙三种液体,它们的液面在同一水平面上,如图所示,若容器对桌面的压强相等,则三种液体对容器底的压强()
A.一样大B.甲最大C.乙最大D.丙最大
4.如图所示,形状不同,底面积和重力相等的A、B、C三个容器放在水平桌面上,容器内分别装有质量相等的不同液体.下列分析正确的是()
A.液体对A容器底部的压强最大,对C容器底部的压强最小
B.液体对A容器底部的压强最小,对C容器底部的压强最大
C.C容器对桌面的压强最大,A容器对桌面的压强最小
D.三个容器对桌面的压强相等
三、
1.如图,甲、乙、丙三个相同的容器中分别盛有密度不同的液体,放在水平桌面上,已知在液体内部同一水平面a、b、c三点处液体的压强相等,则各容器中液体的密度大小、液体对容器底部压强的大小排列顺序都正确的是()
A.ρ
甲>ρ
乙
>ρ
丙
,P
甲
=P
乙
=P
丙
B.ρ
甲
>ρ
乙
>ρ
丙
,P
甲
<P
乙
<P
丙
C.ρ
甲>ρ
乙
>ρ
丙
,P
甲
>P
乙
>P
丙
D.ρ
甲
<ρ
乙
<ρ
丙
,P
甲
<P
乙
<P
丙
2.如图所示,两个完全相同的圆柱形容器内分别盛有不同的液体A和B,现从两容器内抽出相同体积的液体后,两容器内剩余液体对容器底部的压强相等,则原来未抽出液体前两容器内液体对容器底部的压力F A、F B和压强p A、p B的关系是()
A.F A>F B,p A>p B B.F A=F B,p A>
p B
C.F A<F B,p A<
p B
D.F A<F B,p A=p B。