钢结构部分流程图
- 格式:doc
- 大小:108.50 KB
- 文档页数:3
钢结构施工方案及流程1、钢柱、钢梁、制作制作工艺流程:放样→号料→切割→矫正、弯曲和边缘加工→制孔→组装→焊接→外观检查→抛湾除锈→涂装→涂装编号→构件验收。
(1)放样1)核对图纸的安装尺寸和孔距,以1:1的大样放出节点,核对各部分尺寸。
2)制作样板和样杆作为下料、弯制、铣、刨、制孔等加工的依据。
3)放样时,铣、刨的工件要考虑加工余量,焊接构件要按工艺要求预留焊接收缩余量。
断面高小于等于1000mm,且板厚小于等于25mm,四条纵焊缝每米收缩0.6mm,焊透梁高收缩1.0mm,每对加劲板焊缝,梁长度收缩0.3mm。
(2)号料1)检查核对材料,在材料上划出切割、铣、刨、弯曲、钻孔等加工位置,打冲孔及标出零件编号。
2)号料时应尽量做到合理用材。
(3)切割1)钢材下料时,柱、梁的板材用料采用气割,加劲板等零件采用机剪,支撑用料采用锯切;材料的切割线与号料线的允许偏差应符合下列规定手工切割±2mm;自动、半自动切割±1.5mm;精密切割±1.0mm。
2)切割前应将钢板材表面切割区域内的铁锈、油污等清除干净,切割后,断面上不得有裂纹和大于1mm的铁棱,•并应清除边缘上的熔瘤和飞溅物等。
3)切割截面与钢材表面不垂直度应不大于钢板材厚度的10%,且不大于2mm。
4)机械剪切的零件,其剪切线与号料线的允许偏差不得大于2.0mm;断口处的截面上不得有裂纹和大于1.0mm的缺棱,并应清除毛刺。
机械剪切的斜度不得大于2.0mm。
(4)矫正弯曲和边缘加工:1)普通碳素结构钢在高于-16摄氏度,可用冷矫正和冷弯曲。
2)矫正后的钢材表面不应有明显的凹面和损伤,表面划痕深度不能大于0.5mm。
3)钢材矫正后的允许偏差应符合规范要求:钢板厚度小于或等于14mm时,其允许偏差不大于或等于1.5mm。
钢板厚度大于或等于14mm时,其允许偏差不大于或等于1mm。
4)普通碳素结构钢,允许加热矫正,其加热温度严禁超过正火温度。
钢结构施工安装工艺及流程(一)、钢结构安装工艺及质量控制程序:《钢结构工程施工质量验收规范》(GB 50205-2001)施工图施工组织设计(施工方案)钢结构零部件、附件和配件材料准备安装机具基础与支承面验收合格测量放线施工条件构件验收,并做安装标志清理作业面平台安装构件矫正组拼装结构构件就位校正临时固定安装顺序:梁屋架钢材及零、部件合格证连接材料合格证构件检测报告、焊接试件和混凝土试件检测报告测量记录吊装记录质量记录竣工图《钢结构工程施工质量验收规范》(GB 50205-2001)(二)、施工安装流程图:1、安装工艺流程:场地三通一平→构件进场→吊机进场→屋面梁(楼层梁)安装→檩条支撑系杆安装→涂料工程→屋面系统安装→零星构件安装→装饰工程施工→收尾拆除施工设备→交工。
2、屋面系统安装工艺流程:准备工作→屋面大梁安装校正→屋面檀条压杆支撑安装固定→天沟安装→雨排水管道安装固定。
3、屋面梁连接程序:对接调整→安装螺栓固定→安装高强螺栓→高强螺栓初拧→高强螺栓终拧→密封。
二、钢结构工程安装1、吊装前准备工作:①、安装前应对基础轴线和标高,预埋板位置、预埋与混凝土紧贴性进行检查,检测和办理交接手续,其基础应符合如下要求:A基础砼强度达到设计要求。
B基础的轴线标志和标高基准点准确、齐全。
C基础顶面预埋钢板做为梁的支承面,其支承面、预埋板的允许偏差应符合规范要求。
项次项目允许偏差1支座表面(1)标高(2)水平度±1.5mm1/1500ⅰ2预埋板位置(注意截面处)(1)在支座范围内(2)在支座范围外±5.0mm±10.0mm②、超出规定的偏差,在吊装之前应设法消除,构件制作允许偏差应符合规范要求。
③、准备好所需的吊具、吊索、钢丝绳、电焊机及劳保用品,为调整构件的标高准备好各种规格的铁垫片、钢楔。
3、起重机械选择:本工程计划选用QY16-16T汽车式起重机分别承担主钢梁、楼层梁、钢屋面以及其他所有钢构件的装卸及安装。
钢结构工程施工方法一、钢结构种类废渣修复车间建设包括以下钢结构需要进行吊装:承重柱(30b 工字钢)、屋架、檩条、拉条、天沟和屋面板。
为减少现场工作量,降低施工误差,屋架、主架的拼接与焊接应在工厂内完成,合理进行划分拆装。
二、工艺流程钢结构安装顺序流程图三、钢柱及柱间支撑吊装1、对基础进行复测,包括地脚螺栓的露出长度,螺栓中心线对基准线的位移偏差,螺栓间距,基础标高,对于不合格的进行处理后方可进行吊装。
2、为了控制钢柱的安装标高,还事先在钢柱可视的截面上划出500mm的位置,以便安装时进行标高的微调、校正。
在复测合格的基础上安装钢柱,首先用单支钢丝绳将柱子捆绑好,吊点位置选择在距柱端1/3柱长的位置。
通过旋转法将钢柱吊起,将钢柱吊起送至安装位置。
3、推动柱子将其底板螺栓孔对准基础锚栓,根据情况,反复小范围的调整,直到所有预埋地脚都对准螺栓孔后,将构件缓缓的落下,注意在此过程中一定要保证柱子的每个预埋地脚都进入到螺栓孔,并且保证柱子垂直下落。
4、当整个柱子基本落到基础上,然后调整柱子的中心线与基础的定位轴线。
中心线的调整主要是通过用水平靠尺(具有测水平和垂直的双重功能)对准基础中心线和和柱子四面已分好的中心线,然后再进行反复调整。
5、调整柱子的标高,由于柱子落在事先复侧的基础上,标高只需进行微调,通过水平仪检查柱子上事先画好的500mm线是否与实际的标高相符,使用垫铁,进行标高的调整。
6、柱子的垂直度控制(1)在柱子可视面上事先画出中心线,然后在两个相互垂直的方向用经纬仪对柱子的垂直度进行调整。
(2)通过测量柱子内侧距建筑物上弹好的控制线的距离来控制柱子的垂直度。
(3)柱子的标高、轴线和垂直度偏差的调整是相互联系的兼顾的,待所有标准都达到时才算完成校正工作。
然后进行柱底板与预埋钢筋的塞焊工作。
7、待柱子调整完成后拧紧螺栓,进行焊接工作。
翼缘板、腹板的焊接为全熔透坡口焊。
焊接顺序先焊接翼缘。
8、最后进行柱间支撑的吊装,与钢柱用螺栓连接。
施工安装流程图(钢结构EPC)
1、结构吊装总工艺流程:场地三通一平→构件进场→吊机进场→钢柱安装前准备→钢柱安装→柱间支撑安装→钢梁安装→屋面檩条支撑系统安装→屋面板安装→墙面板安装→收尾拆除施工设备→交工
2、钢柱安装工艺流程:基础复测→列线闭合→构件检查→基础坐浆、垫板处理→钢柱安装到位→调整垂直度、纵横向位移标高→钢柱最后固定灌浆。
3、屋面系统安装工艺流程:准备工作→屋面檩条支撑系统安装固定→屋面板安装→天沟安装→雨排水管道安装固定。
4、钢梁钢柱连接程序:对接调整→安装螺栓固定→安装高强螺栓→高强螺栓初拧→高强螺栓终拧→上下翼缘对口焊接→焊缝检测→密封。
钢构造制作流程图
7#、8#库房钢构造制作安装流程图(一)
施工准备
D 轴钢柱制作H 轴钢柱制作
D~H 轴钢梁制作
D、H 轴钢柱安(含柱间支承、屋面支
A轴钢柱制作
D~H 轴钢梁安装A~D 轴钢梁制作L 轴钢柱制作
(含柱间支承、屋面支(含柱间支承、屋面支
A 轴钢柱安装
A~D 轴钢梁安装H~L 轴钢梁制作
(含柱间支承、屋面支(含柱间支承、屋面支
L 轴钢柱安装
H~L 轴钢梁制作
(含柱间支承、屋面支
钢吊车梁制安
智能开关柜钢构造制作流程图(二)
F~K 轴钢构件制
G 轴钢柱制作H 轴钢柱制作
G、H 轴钢柱安G~H 轴钢梁制 F 轴钢柱制作
F~G 轴钢梁制J 轴钢柱制作
G~H 轴钢梁安
F 轴钢柱安装
H~J 轴钢梁制作
F~G 轴钢梁安K 轴钢柱制作
J 轴钢柱安装
H~J 轴钢梁安装J~K 轴钢梁制作
J~K 轴钢梁安装
K 轴钢柱安装钢吊车梁制作
智能开光柜厂房檩条安装流程图
智能开光柜厂房
B 轴和 J 轴屋面天A~B 轴和 J~K 轴屋面 A 轴(3~19 线)和 K 轴(3~19 线)
A~B 轴和 J~K 轴B~C 轴和 H~J 轴屋面
A 轴(3~19 线)和 K 轴(3~19 线)
轴
3 轴(A~K 线)和19
B~C 轴和 H~J 轴
3 轴(A~K 线)和19轴
C~D 轴和内隔墙
C、D 轴和内隔墙
C~D轴和D~E 轴和 F~G 轴屋
E和F轴D~E 轴和 F~G 轴屋。
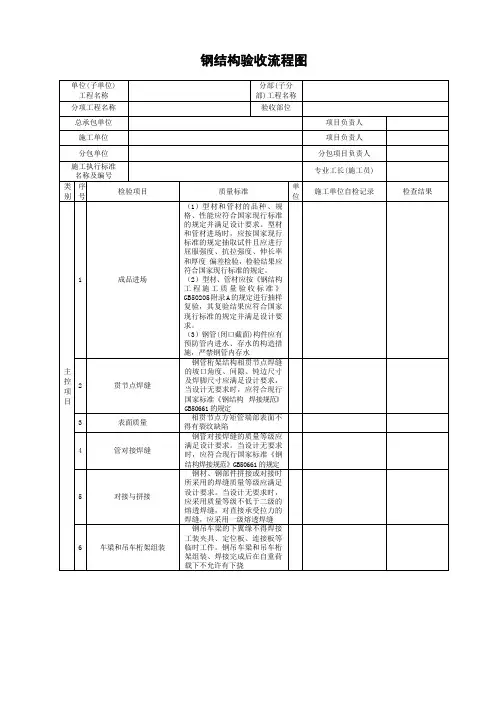
钢结构生产车间流程图材料进场(采购部)(XX部、物资部) 验收接料(设计部、下料组、拆图人员)数空切割(半自动割,手工)数控直条切割机剪板机下料部较正质安部验收质安部验收钻孔接料(组立组)数控平面钻数控组立机摇臂钻,磁力钻一台电焊机, 組立质安部验收埋伏焊焊接质安部埋弧焊机质安部验收矫正矫正机质安部验收喷沙除锈抛丸,手工总装电焊质安部重点验收焊接气保焊机质安部验收油漆组2台三相气泵质安部验收出货钢结构制作施工适用范围:适用于建筑钢结构的加工制作工序,包括工艺流程的选择、放样、号料、切割、矫正、成型、边缘加工、管球加工、制孔、摩擦面加工、端部加工、构件的组装、圆管构件加工和钢构件预拼装。
一、材料要求1.钢结构使用的钢材、焊接材料、涂装材料和紧固件等应具有质量证书,必须符合设计要求和现行标准的规定。
2.进厂的原材料,材料进场前应进行检验.检验过程包括材质证明及材料标识和材料允许偏差的检验。
材料检验合格后方可投入使用.当钢材表面有锈蚀,麻点或划痕等缺陷时,其深度不得大于该钢材厚度负偏差值1/2,否则不得使用。
除必须有生产厂的出厂质量证明书外,并应按合同要求和有关现行标准在甲方、监理的见证下,进行现场见证取样、送样、检验和验收,做好检查记录。
并向甲方和监理提供检验报告。
3.在加工过程中,如发现原材料有缺陷,必须经检查人员、主管技术人员研究处理.4.材料代用应由制造单位事先提出附有材料证明书的申请书(技术核定单),向甲方和监理报审后,经设计单位确认后方可代用。
5.严禁使用药皮脱落或焊芯生锈的焊条、受潮结块或已熔烧过的焊剂以及生锈的焊丝.用于栓钉焊的栓钉,其表面不得有影响使用的裂纹、条痕、凹痕和毛刺等缺陷。
6.焊接材料应集中管理,建立专用仓库,库内要干燥,通风良好。
7.螺栓应在干燥通风的室内存放.高强度螺栓的入库验收,应按国家现行标准《钢结构高强度螺栓连接的设计、施工及验收规程》JGJ82的要求进行,严禁使用锈蚀、沾污、受潮、碰伤和混批的高强度螺栓。
钢结构厂房工程监理工作控制程序(1)施工阶段监理工作主程序构配件预控质熟悉图纸及有关资料,编制监理规划及实施细则施工阶段监理工作主程序(2)图纸会审程序图纸会审程序(3)施工组织设计(方案)审批程序施工组织设计(方案)审批程序(4)隐蔽工程质量控制程序合格承包单位进入下一道工序施工隐蔽工程质量控制程序(5)单位工程竣工验收程序单位工程竣工验收程序(6)工程质量事故处理程序承包单位调查,工程质量事故处理程序(7)工程索赔处理程序施工承包方正式提出书面“索赔申报表”业主审定索赔建议书并签认工程索赔处理程序(8)工程停、复工程序工程停、复工程序(9)施工阶段进度控制程序监理工程师施工阶段进度控制程序(10)施工阶段投资控制程序施工阶段投资控制程序(11)建筑工程质量控制流程合格合格建筑工程质量控制流程定位放线设计师基底土质与建筑施工测量质量控制流程(13)土方工程质量控制流程专业监理工程师填报基坑(槽)和管沟的开挖、回填质量隐蔽土方工程质量控制流程(14)地基与基础工程质量控制流程现场检查现场监理工程师地基与基础工程质量控制工作流程(15熟悉主体结构施工图纸(16(17)模板工程质量控制流程监理工程师不合格模板工程质量控制流程(18)钢筋工程质量控制流程钢筋工程质量控制流程(19隐蔽验(20)砖石工程质量控制流程承包人、监理工程师承包人砖石工程质量控制流程(21)地面与楼面工程质量控制流程不同意返工地面与楼面工程质量控制流程(22)屋面工程质量控制程序原材料报验承包单位合格监理工程师现场检验屋面工程质量控制程序(23)防水工程质量控制程序填报分包资审表承包单位(总包)合格全面施工,承包单位自检防水工程质量控制程序(24)装饰工程质量控制流程(25)施工阶段建筑设备安装工程质量控制流程审核结果不合格核验结果建筑设备安装工程质量控制工作流程(26)给水、排水管道安装工程监理工作流程给水、排水管道安装工程监理工作流程(27)通风空调工程质量监理工作流程(续)通风空调工程质量监理工作流程(28)电梯安装工程质量监理工作流程电梯安装工程质量监理工作流程(29)建筑电气安装工程质量监理工作流程。
钢结构工艺流程图
钢结构工艺流程主要包含以下几个步骤:设计、制造、运输、安装和维护。
下面将详细介绍钢结构工艺流程图,包含每个步骤的具体内容。
1. 设计阶段:
在设计阶段,首先需要进行结构的初步设计,包括选取合适的钢材、计算结构的强度和稳定性,并进行结构的优化设计。
然后进行详细设计,绘制施工图纸和制定工艺流程。
2. 制造阶段:
在制造阶段,首先需要对钢材进行预处理,包括除锈和涂漆。
然后,根据施工图纸,将钢材进行切割、成型和焊接。
3. 运输阶段:
在运输阶段,需要使用合适的运输工具将制造好的钢材运送到工地。
在运输过程中需要保证钢材的安全,防止损坏和变形。
4. 安装阶段:
在安装阶段,首先需要对施工现场进行准备工作,包括搭建场地,安装施工设备和制定安全措施。
然后,根据施工图纸,将钢材进行组装和安装。
安装的过程中需要注意安全和施工质量。
5. 维护阶段:
在钢结构的使用过程中,需要进行定期的维护保养,包括清洁、涂漆和检查结构的安全性。
定期的维护保养可以延长钢结构的使用寿命,并提高其安全性能。
总的来说,钢结构工艺流程图主要包括设计、制造、运输、安装和维护五个阶段。
每个阶段都需要进行相应的工作和控制措施,以保证钢结构的质量和安全性。
在实际操作中,还需要根据具体情况进行相应的调整和优化。
钢结构加工工艺流程图钢结构加工工艺流程图钢结构加工是指将钢材加工成具有一定形状和尺寸的构件,然后进行焊接、切割、装配等工艺,最后组装成为钢结构。
钢结构加工工艺流程通常包括以下几个步骤。
第一步:材料准备钢结构的材料主要是钢板、钢管和钢材等。
在加工之前,需要对这些材料进行材料检验和筛选,确保材料质量符合设计要求。
第二步:模板制作模板是钢结构加工中的重要工具,用于冲压和切割钢材。
模板制作通常是根据图纸要求,将模板材料按照一定的尺寸和形状进行切割、焊接,制作成适用于加工的模板。
第三步:焊接工艺钢结构加工中最关键的工艺之一是焊接。
根据设计要求,将经过切割的钢材进行焊接,通常采用电弧焊、气保焊等方式。
焊接过程中需要控制好焊接电流、电压、焊接速度等参数,确保焊接质量。
第四步:切割工艺切割工艺是将焊接好的钢材进行切割成所需的尺寸和形状。
常用的切割工艺包括气割、等离子切割、激光切割等。
切割工艺需要根据钢材的厚度和硬度选择合适的切割方式,同时控制好切割速度和切割深度,确保切割质量。
第五步:冲压工艺冲压工艺是将钢材通过模板的冲压,使其形成孔洞或者齿型。
冲压工艺需要选择合适的冲压机,根据设计要求进行合理的冲压次数和力度,同时注意控制好冲压速度,避免损坏钢材。
第六步:装配工艺装配工艺是将加工好的钢结构构件进行组装,通常采用焊接和螺栓连接等方式。
装配过程中要注意控制好连接点的位置和角度,确保构件的精准拼凑。
第七步:表面处理表面处理是钢结构加工的最后一道工序,主要包括除锈、防锈和涂装等。
表面处理能够提高钢结构的耐久性和美观性,延长其使用寿命。
以上是钢结构加工的基本工艺流程,不同项目可能会有所不同,但总体上是相似的。
在加工过程中,需要严格按照设计要求和工艺规范进行操作,确保钢结构的质量和安全。
原 材 料
施工详图
材料检查 材料矫直
表面预处理
图纸审核
放 样
号 料
划线钻孔 切割下料 坡口加工
主体组装
主体焊接
矫正与加工
总 装
焊 接
矫正与加工
精度检验
编制工艺文件
除 锈
涂 装
检 验
编 号
包装发运
无损检测
补 漆
交工验收
除 锈 江苏广业重工科技有限公司
钢结构制作与安装工艺流程图
1、制作工艺流程示意图
2、安装工艺流程示意图
测量调整
图纸会审
施工组织设计
资料检查
钢构析原材料检
堆存内运
基础复测
垫板设置
单元组装
吊装就位 焊 接 其他连接
高强度螺栓连接
复测试验
检 验
补 漆 交工验收。
一钢结构施工安装工艺及流程(一)、钢结构安装工艺及质量控制程序:《钢结构工程施工质量验收规》(GB 50205-2001)施工图施工组织设计(施工方案)钢结构零部件、附件和配件材料准备安装机基础与支承面验收合格测量放线施工条件构件验收,并做安装标志清理作业面平台安装构件矫正组拼装结构构件就位校正临时固定安装顺序:梁屋架钢材及零、部件合格证连接材料合格证构件检测报告、焊接试件和混凝土试件检测报告测量记录吊装记录质量记录竣工图《钢结构工程施工质量验收规》(GB 50205-2001)(二)、施工安装流程图:1、安装工艺流程:场地三通一平→构件进场→吊机进场→屋面梁(楼层梁)安装→檩条支撑系杆安装→涂料工程→屋面系统安装→零星构件安装→装饰工程施工→收尾拆除施工设备→交工。
2、屋面系统安装工艺流程:准备工作→屋面大梁安装校正→屋面檀条压杆支撑安装固定→天沟安装→雨排水管道安装固定。
3、屋面梁连接程序:对接调整→安装螺栓固定→安装高强螺栓→高强螺栓初拧→高强螺栓终拧→密封。
二、钢结构工程安装1、吊装前准备工作:①、安装前应对基础轴线和标高,预埋板位置、预埋与混凝土紧贴性进行检查,检测和办理交接手续,其基础应符合如下要求:A基础砼强度达到设计要求。
B基础的轴线标志和标高基准点准确、齐全。
C基础顶面预埋钢板做为梁的支承面,其支承面、预埋板的允许偏差应符合规要求。
项次项目允许偏差1 支座表面(1)标高(2)水平度±1.5mm1/1500ⅰ2 预埋板位置(注意截面处)(1)在支座围(2)在支座围外±5.0mm±10.0mm②、超出规定的偏差,在吊装之前应设法消除,构件制作允许偏差应符合规要求。
③、准备好所需的吊具、吊索、钢丝绳、电焊机及劳保用品,为调整构件的标高准备好各种规格的铁垫片、钢楔。
3、起重机械选择:本工程计划选用QY16-16T汽车式起重机分别承担主钢梁、楼层梁、钢屋面以及其他所有钢构件的装卸及安装。