汽车车身电控技术模块一
- 格式:ppt
- 大小:9.83 MB
- 文档页数:36
汽车运用技术专业课程标准2022年3月23日汽车车身电气设备检修课程标准一、课程信息课程名称:《汽车车身电气设备检修》学分:5学时:100二、课程性质1.课程性质《汽车车身电气设备检修》课程是汽车运用技术专业针对汽车机电维修工进行岗位能力培养的一门核心课程。
本课程构建于《汽车发动机机械系统维修技术》、《汽车底盘机械系统维修技术》等课程的基础上。
主要培养学生掌握充电指示灯常亮、起动机运转无力、点火系统不点火、照明灯不亮、信号装置失灵、仪表报警装置不正常、电动装置不工作、空调工作不良、汽车电路综合故障等常见故障的诊断、分析及排除的专业能力。
其后续课程为《汽油发动机电控系统维修技术》、《汽车底盘电控系统维修技术》等。
通过本课程的学习使学生掌握汽车车身电气设备检修必须的知识和技能重点培养学生独立排除电气系统常见故障的能力,同时培养学生遵纪守法、诚实.守信、善干沟通与合作的品质。
树立良好的环保、节能、安全和为客户服务的意识。
学生毕业后完全能够胜任汽车电气系统维修以及相关行业的工作。
三、课程目标1. 总体目标本课程以常见车型为实例,系统讲述了汽车电气系统的组成结构、工作原理、电路维修和故障诊断技术,要求学生掌握汽车电气系绞零部件和总成的基本检测与维修技能,掌握汽车电气系统常见故障的诊断方法.能熟练使用电气检测工具及仪器设备,能阅读英文维修资料,及时了解汽车电气的最前沿技术,做到通原理、能诊断、会维修,同时要树立良好的环保、节能、安全和为客户服务的意识。
2. 具体目标表2 课程教学目标与内容设计备注:课程目标中要融入课程育人、课程思政的育人理念。
四、教学方法与手段(1)本课程的实践性较强,教学过程中要积极改进教学方法,按照学生学习的规律和特点,以学生为主体,充分调动学生学习的主动性、积极性。
在课程内容的组织上,建议选择合适的产品作为项目载体,把较难理解的内容融入到相应的项目任务中,深入浅出,理论联系实际,帮助学生理解课程内容。
中高职贯通培养三二分段(中职阶段)汽车维修专业教学计划一、专业编码0403-4二、专业名称汽车维修三、学制与生源学制:三年招生对象:应往届初中毕业生或相当于初中毕业文化程度四、培养目标培养从事汽车维修的中级技能人才。
五、职业能力与培养规格具有积极的人生态度、健康的心理素质、良好的职业道德和较扎实的文化基础知识;具有获取新知识、新技能的意识和能力,能适应不断变化的职业社会;熟知汽车维修与检测的各项法规和条例,遵守汽车维修的作业规范和流程,具有安全生产意识,重视环境保护,并能解决一般性专业问题。
同时具有下列专业能力:1、能开展汽车维修接待。
2、能识别和选用常用汽车运行材料。
3、能判断常见系统单项运行性故障。
4、能执行汽车安全性能检测的程序、项目和技术要求。
5、能进行单工位维修作业。
6、能实施汽车发动机和底盘一、二级维护及汽车零件修理作业。
六、资格证书要求1、考取汽车维修工中级证。
2、学生在学籍有效期内所修课程考核合格,即可获得国家承认的技工学校毕业证书。
七、专业主要教学内容机械识图与CAD、电工电子技术、汽车常用材料选用、汽车机械基础、钳工工艺与焊接工艺、汽车构造与拆装、汽车故障诊断与排除、汽车安全检测、汽车维护工艺、汽车修理工艺、汽车驾驶技术等。
八、课程设置及学时分配表备注:1、“26”表示集中整周教学按每周26学时计算、×2(3、4)表示该课程为一体化课程的教学周数;2、表格中2×18表示:每周2学时×18周;3、表格中2×18,表示按照课程表,进行一体化教学(理论实操一体)周;4、可根据本校实际与地区行业特点适当调整教学计划安排,每学期学时数基本控制在520左右(第六学期顶岗实习除外)。
5、第二课堂选修课程不计入正常安排课程设置与学时分配表。
6、转段考核课程:语文,计算机基础、汽车发动机构造与维修,汽车底盘构造与维修,汽车电气设备构造与维修九、核心课程教学内容与教学要求1、机械识图学习正投影的基本原理、图示方法和国家制图标准。
纯电动汽车整车控制器(VCU)设计⽅案纯电动汽车整车控制器设计⽅案书⽬录1 整车控制器控制功能和原理 (1)2 电动汽车动⼒总成分布式⽹络架构 (2)3 整车控制器开发流程 (3)3.1 整车及控制策略仿真 (3)3.2 整车软硬件开发 (4)3.2.1 整车控制器的硬件开发 (5)3.2.2 整车控制器的软件开发 (8)3.3 整车控制器的硬件在环测试 (9)3.4 整车控制器标定 (11)3.4.1 整车控制器的标定系统 (11)3.4.2 电动汽车整车控制器的标定流程 (12)1整车控制器控制功能和原理电动汽车是由多个⼦系统构成的⼀个复杂系统,主要包括电池、电机、变速箱、制动等动⼒系统,以及其它附件如空调、助⼒转向、DCDC及充电机等。
各⼦系统⼏乎都通过⾃⼰的控制单元来完成各⾃功能和⽬标。
为了满⾜整车动⼒性、经济性、安全性和舒适性的⽬标,⼀⽅⾯必须具有智能化的⼈车交互接⼝,另⼀⽅⾯,各系统还必须彼此协作,优化匹配。
因此,纯电动汽车必须需要⼀个整车控制器来管理纯电动汽车中的各个部件。
纯电动车辆以整车控制器为主节点、基于⾼速CAN总线的分布式动⼒系统控制⽹络,通过该⽹络,整车控制器可以对纯电动车辆动⼒链的各个环节进⾏管理、协调和监控,提⾼整车能量利⽤效率,确保车辆安全性和可靠性。
整车控制器的功能如下:1)车辆驾驶:采集司机的驾驶需求,管理车辆的动⼒。
2)⽹络管理:监控通信⽹络,信息调度,信息汇总,⽹关。
3)故障诊断处理:诊断传感器、执⾏器和系统其他部件的故障,并进⾏相应的故障处理,按照标准格式存储故障码。
4)在线配置和维护:通过车载标准CAN端⼝,进⾏控制参数修改,匹配标定,功能配置,监控,基于标准接⼝的调试能⼒等。
5)能量管理:通过对电动汽车车载耗能系统(如空调、电动泵等)的协调和管理,以获得最佳的能量利⽤率。
6)功率分配:通过综合电池的SOC、温度、电压、电流和电机的温度等车辆信息计算电机功率的分配,进⾏车辆的驱动和制动能量回馈控制。
汽车车身电气的供配电与控制 (1)一、供配电电路 (1)2 . Ll 保险丝和继电器 (4)2 . L2 连接器与导线 (8)2 . 1 . 3 线束与接地 (10)2 . 2 网络控制电路 (11)2 , 2 . 1 多路传输与网络 (11)2 . 2 . 2 网络结构 (13)汽车车身电气的供配电与控制为了使读者对汽车车身电气系统的供配电电路和控制电路有总体的认识,本章以实际汽车电系为例介绍汽车车身电气的配置、电路结构和各种插接件,并从总体上介绍电源(蓄电池)的供配电。
一、供配电电路汽车供配电是把汽车电源(如蓄电池)的电分配到各个控制系统及每个用电器上。
汽车上的保险、继电器盒就是汽车的供配电盘,一般多在发动机舱内和驾驶舱前部。
现在,不同的汽车区别最大的就是其所用车身电气的配置和汽车供配电,如图2 . 1 ~图2 . 3 所示。
由于车身电气的配置不同,所以汽车供配电电路和电器的控制电路也不相同。
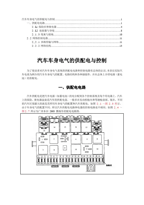
如图2 . 4 ~图2 . 7 所示为广州本田2003 雅阁车的配电电路图。
继电器名称:l 一空位.2 一姗油泵继电器: 3 一定位. 4 一冷却液液位控制器:5 一空调组合继电器.6 一喇叭继电器7 一雾灯维电器:8 一黄.接触继电器9 一空位:10 一刮水继电器;11 一左位;12 一书向灯继电器;13 一诊断找插座:14 -翎窗机自动下降继电器;15 一摇勺保险丝:1 一散热风扇(不开空调)30A ; 窗机延时缝电器:16 一内顶灯延时继电器:17 一压缩机切断继电器2 一制动灯10A : 3 一点烟器、集控门锁、数字钟、内顶灯、后阅读灯、行李箱灯、址阳板灯15A : 4 一报,灯15A . 5 一娜油泵IOA ; 6 一前雾灯15A : 7 一左尾灯、左前停车灯10A 沼一右尾灯、右前停车灯、发动机舱照明灯10A , 9 一右前大灯(远卿10A . 10 一左前大灯(远光)10A ; 12 一电动摇窗机、ABS 控制单元15A : 13 一后窗除藉器20A ; 14 一空调继电器20A 11 一前风窗刮水器、清洗泵15A : 巧一倒车灯、车速传感器皿1 OA : 16 一喇叭1 SA ; 17 一发动机控制单元10A . 18 一喇叭继电器、灯光开关、ABS 移告灯loA : 19 一收放机、转向灯、防盗器控制单元10A : 20 一牌照灯、杂物箱照明灯loA : 21 一左前大灯傲光)10A ; 22 一右前大灯伍光)10A : 123 一喷,、空气质t 计、炭.电盛阀、氛传峪答加热1 oA ; 124 一后雾灯10A . 125 一电动摇窗机热保护器10A : 126 一空调鼓风电动机30 ^ : 127 一自动天线1 OA : 128 一电动后视镜3A ;抢9 一ABs 液压泵30A ; 13 。
附表八江苏省职业学校理论课程教师教案本(20 —20 学年第学期)专业名称汽车检测与维修技术课程名称汽车电气设备构造与维修授课教师学校授课主要内容或板书设计课堂教学安排授课主要内容或板书设计课堂教学安排图1-11无源试灯图1-12无源试灯的使用图1-13有源试灯跨接线跨接导线有时可作为故障诊断的辅助工具图1-15跨接线的使用教学环节3:、数字式万用表不同的汽车万用表功能及结构不尽相同,但基本都是由数字及模拟量显示屏、功能按钮、测试项目选择开关、温度测量插孔、公用插孔(用于测量电压、电阻、频率、闭合角、频宽比和转速等)、搭铁插孔、电流测量插孔、测试探针(或大电流钳部或部分构成。
、汽车故障诊断仪故障诊断仪通过数据通信线以串行的方式获得控制电脑的实时数据参数,包括故障信息、实时运行参数、控制电脑与诊断仪之间的相互控制指令。
故障诊断仪有两种:通用诊断仪和专用诊断仪。
图1-17a车博仕V-30 图1-17b金德)专用诊断仪图1-18a大众VAG1552诊断仪1-18b大众V AG5051诊断仪教学环节5:、汽车示波器常见的汽车专用示波器按功能一般可分为专用型示波器和综合型示波器两种。
(1)专用型示波器图1-19金奔腾Diag Tech一I 汽车专用示波器)综合型示波器除了具有专用型示波器的一般功能外,通常还具有读取与消除故障码功能和动态数据分析功能等,部分诊断仪还具有发动机动力性能测试功能等,缺点是系统稳定性及精度略低。
1-20金德KT600综合型示波器测试点火高压线时,必须使用专用探头,不能将示波器探头直接接入点火次。
车身控制模块BCM(body control module)一、定义:车身控制模块BCM(body control module)电控单元在汽车中的应用越来越多,各电子设备间的数据通信变得越来越多,同时这些分离模块的大量使用,在提高车辆舒适性的同时也带来了成本增加、故障率上升、布线复杂等问题。
于是,需要设计功能强大的控制模块,实现这些离散的控制器功能,对众多用电器进行控制,这就是BCM二、BCM带来的好处1、给主机厂带来的好处节省线束,便于后期维修:BCM具有电源管理功能,把车上用电设备电源集成在BCM内,节省了线束,也便于后期维修故障模式自诊断控制,便于检修:当BCM检测内部有故障时,会启动自身诊断功能,在仪表上显示故障指示灯提醒车主进行维修,另外也可以使用专用设备读取BCM内的数据来帮助维修。
降低成本:BCM在成本上起着决定性的作用,因为它们可以通过为总线系统提供接口来减少车辆内的布线量。
可靠性和经济性:车身内不同的电器模块被绑定到车辆电子架构的BCM内,在减少必需插件连接和电缆线束数量的同时,提供了最大化的可靠性和经济性。
2、给客户带来的好处可靠性:减少必需插件连接和电缆线束数量,提高导传电的可靠性。
故障模式自诊断控制:当BCM检测内部有故障时,会启动自身诊断功能,在仪表上显示故障指示灯提醒车主进行维修,另外也可以使用专用设备读取BCM内的数据来帮助维修。
维修成本降低:可靠性的提升,带来维修事件的减少。
三、车身控制模块(BCM)的功用车身控制模块(BCM)就是设计功能强大的控制模块,实现离散的控制功能,对众多用电器进行控制。
1、BCM(body control module)车身控制模块是车辆的电气核心。
用于监视和控制与车身(例如车灯、车窗、门锁)相关的功能并像CAN 和LIN 网络的网关那样工作。
2、负载控制可以直接来自DBM 或者通过CAN/LIN 与远程ECU 通信。
3、车身控制器通常融入了遥控开锁和发动机防盗锁止系统等RFID 功能。
ESP、TCS、TPMS、ACC、EPAS——汽车底盘五大技术-fei一、ESP(ESC、VSC)电子稳定控制系统技术介绍:ESP在极限工况下工作示意图ESP的英文全称是ElectronicStabilityProgram,中文意思是“电子稳定控制系统”。
也可称作ESC或VSC。
ESP主要是在紧急情况下对车辆的行驶状态进行主动干预,它整合了ABS和TCS的功能,并且增加横摆扭矩控制――防侧滑功能,可以防止车辆在高速行驶转弯或制动过程中失控。
如图1左侧所视,车辆前轮侧滑,车辆出现转向不足。
此时,VSC系统通过制动器对内后轮施加一定的制动力,由此产生一个逆时针的力矩,改进车辆转向能力。
如图1右侧所视,车辆后轮侧滑,出现车辆甩尾和过度现象。
此时,VSC系统通过制动器对外前轮施加一定的制动力,由此产生一个顺时针的力矩,保证车辆的稳定性。
ESP系统主要在大侧向加速度、大侧偏角的极限工况下工作。
它利用控制左右两侧车轮制动力或驱动力之差产生的横摆力矩来防止出现难以控制的侧滑现象,保证车辆的路径跟踪能力,提高了车辆在高速行使时的安全性。
研究估计ESP降低了30%-50%的轿车单车致命事故和50%-70%的SUV单车致命事故。
技术应用情况:2008年全球的VSC装配率达到33%当今在欧洲和美国,每两辆新乘用车和轻型商用车就有一辆装配了ESP。
美国和欧洲的立法者最近都做出决定,要求强制装配ESP。
2011年9月起,美国所有4.5吨以下车辆都必须装配ESP。
2014年11月起,欧洲所有乘用车和轻、中、重型车辆都要求装配ESP。
在2008年,我国只有约11%的新车装配了ESP。
随着今年国内车市新车型的不断推出,目前我国20万元以上新车配备ESP的比率大幅提高,像别克新君越、新天籁、雅阁八代等都装配了ESP。
相信随着我国车市的进一步发展,电子稳定控制系统一定会如同当今的ABS一样,成为我国汽车的一个标准安全配置。
二、TCS牵引力控制系统技术介绍:TCS的英文全称是TractionControlSystem,中文意思是“牵引力控制系统”。
车身控制模块BCM设计与开发方法详解来源 | 汽车大漫谈、燃云汽车知圈 | 进“汽车车身社群”,请加微136****1676,备注车身1. BCM的概述BCM(Body Control Module)车身控制模块,能够实现控制汽车车身用电器,比如整车灯具、雨刮、洗涤、门锁、电动窗、天窗、电动后视镜、遥控等。
该系统还具有电源管理功能,高低电压保护,延时断电,系统休眠等功能。
是汽车设计中不可或缺的重要组成部分。
2. BCM设计开发的目的车身电子控制系统主要是用于增强汽车的安全、舒适和方便性的。
还有用于和车外联结,以及协调整车各部分的电子控制功能,将大量计算机、传感器与交通管理服务系统联结在一起的综合显示系统、驾驶员信息系统、导航系统、计算机网络系统、状态监测与故障诊断系统等。
在未来,各电子设备的功能越来越多,各种功能都需要通BCM来实现,使得BCM功能更加强大;各电子设备之间的信息共享越来越多,一个信息可同时供许多部件使用,要求BCM的数据通信功能越来越强;单一集中式BCM很难完成越来越庞大的功能,使得总线式、网络化BCM成为发展趋势。
3. BCM的系统组成4. BCM的安装位置5. BCM产品标准一、模块外观1. 金属件表面应有良好的防护层,表面清洁,无锈蚀,无损伤;2. 塑料件表面平整、清洁、无划痕、无飞边、无缩孔、无塌坑、无变形、无裂纹等缺陷;3. 模块外观和安装尺寸为模块配合功能方面特殊性要求。
二、功能1. 电动窗的功能(1)点火开关打开时,允许电动窗工作。
点火开关关闭后,经过1分钟电动窗的手动上升/下降功能被禁止。
(2)手动上升:当按电动窗开关的上升键,则电动窗玻璃执行上升动作,松开上升键,则停止。
(3)手动下降:当按电动窗开关的下降键,则电动窗玻璃执行下降动作,松开下降键,则停止。
(4)司机门、副驾驶门、左后门、右后门、电动窗自动下降:按下电动窗玻璃开关下降键(按下时间<300ms),则电动窗玻璃执行自动下降动作,电动窗玻璃一直下降到底。