华工自动控制原理作业-2017
- 格式:doc
- 大小:2.56 MB
- 文档页数:3
自动控制原理作业题(后附答案)-标准化文件发布号:(9456-EUATWK-MWUB-WUNN-INNUL-DDQTY-KII自动控制原理作业题第一章基本概念一、简答题1 简述自动控制的基本概念2 简述自动控制系统的基本组成3 简述控制系统的基本控制过程4 简述自动控制系统的基本分类5 试比较开环控制和闭环控制的特点6 简述自动控制系统的性能评价指标二、分析计算题1 液位自动控制系统如图所示。
试分析该系统工作原理,画出系统原理框图,指出被控对象、被控参量和控制量2 发动机电压调节系统如图所示,试分析其工作原理,画出系统原理框图,指出其特点。
3液面控制系统如图所示。
试分析该系统的工作原理,指出系统中的干扰量、被控制量及被控制对象,并画出系统的方框图。
4控制系统如图所示。
简述该系统的工作原理,说明该系统的给定值、被控制量和干扰量,并画出该系统的方块图。
图1-7发电机-电动机调速系统操纵电位计发电机伺服电机减速器负载Θr给定值Ur 前置放大器功放执行元件被控量Wm这是一个开环控制的例子+E-EUr操纵电位计R1R2R3R4放大器直流发电机伺服电机Wd Wm发电机-电动机调速系统减速器负载5火炮随动控制系统如图所示。
简述该系统的工作原理,并画出该系统的原理框图。
第二章 线性控制系统的数学模型一、简答题1 简述建立控制系统数学模型的方法及其数学表示形式2 简述建立微分方程的步骤3 简述传递函数的基本概念及其特点4 给出组成控制系统典型基本环节二、分析计算题1 有源电网络如图所示,输入量为)(1t u ,输出量为)(2t u ,试确定该电网络的传递函数2 电枢控制式直流电动机原理图如图所示,输入量为)(1t e ,输出量为)(t o θ,试确定其微分方程。
图中,电动机电枢输入电压;电动机输出转角;电枢绕组的电阻;电枢绕组的电感;流过电枢绕组的电流;电动机感应电势;电动机转矩;电动机及负载这和到电动机轴上的转动惯量;电动机及负载这和到电动机轴上的粘性摩擦系数。
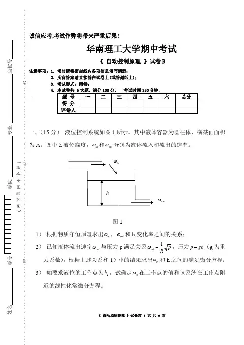
,考试作弊将带来严重后果!华南理工大学期中考试《 自动控制原理 》试卷B1. 考前请将密封线内各项信息填写清楚; 所有答案请直接答在试卷上(或答题纸上); .考试形式:闭卷;(15分) 液位控制系统如图1所示。
其中液体容器为圆柱体,横截面面积A 。
图中h 液位高度,in ω和out ω分别为液体流入和流出的速率。
图11) 根据物质守恒原理求出in ω,out ω和h 变化率之间的关系; 2) 已知液体流出速率out ω与压力p 满足关系out ω=p gh =(g 为重力系数)。
根据上述关系和1)中的结果求出in ω和h 之间的满足微分方程; 3) 如要求液位的工作点为0h ,试确定in ω在工作点的值和该系统在工作点附近的线性化常微分方程。
outω二、(15分)某控制系统如图2所示。
图21) 画出该系统根轨迹的大致图形;2) 根据所得根轨迹说明当K 从0→+∞变化时,闭环系统的阻尼系数是否可能接近零?3) 试分析当K 很大时,K 增大对闭环系统的动态特性有什么影响?为什么?三、(15分)控制系统结构图如图3所示,图31) 当K=1时,求出该系统跟踪单位斜坡信号的稳态误差;2) 若要求将系统跟踪单位斜坡信号的稳态误差减小10倍,应该选取怎样的K ; 3)利用伯特图说明在上述两种情况下,系统的相角稳定裕量将发生什么变化;并由此给出你对该问题的结论。
四、(20分)已知对一阶惯性环节 ()1kG s Ts =+。
当输入正弦信号sin10t ,则它的y稳态输出为若在该环节输入输出端加上一个单位反馈,问所得闭环系统在跟踪单位阶跃信号时,其稳态跟踪误差为多少?五、(20分)闭环系统的开环传递函数的极点均在复平面的左半平面,相应的对数幅频特性如图4所示, 1)求出该传递函数的表达式; 2)求出相角稳定裕量;3)若要求保证系统的稳定裕量基本不变同时系统跟踪斜坡信号的稳态精度提高10倍,应选择怎样的校正装置?说明基本的设计思想和大致的参数选择范围。
第一章绪论当前页有 10 题,你已做 10 题,已提交 10 题,其中答对 10 题。
1. 闭环系统的特点不包含下列哪项( )。
A .负反馈B .控制精度较低C .可减少或者消除偏差D .适应性好参考答案: B2. 系统采用负反馈形式连接后,则 ( )。
A .一定能使闭环系统稳定B .系统动态性能一定会提高C .一定能使干扰引起的误差逐渐减小,最后彻底消除D .需要调整系统的结构参数,才干改善系统性能参考答案: D3. 自动控制系统中测量被控量并进行信号转换,再反馈到输入端的元件是()。
A .比较元件B .校正元件C .测量反馈元件D .执行元件参考答案: C4. 火炮自动瞄准系统的输入信号是任意函数,这就要求被控量高精度地尾随给定值变化,这种控制系统叫 ( )。
A.恒值调节系统B.离散系统C.随动控制系统D.数字控制系统参考答案: C5. 随动系统对( )要求较高。
A.快速性B.稳定性C.准确性D.振荡次数参考答案: A6. 衡量系统稳态精度的重要指标时 ( )A .稳定性B .快速性C .准确性D .安全性参考答案: C7. 自动控制系统的主要特征是( )。
A .在结构上具有负反馈通路,以求得偏差信号B .由偏差产生控制作用以便纠正偏差C .系统开环D .控制的目的是减少或者消除偏差参考答案: ABD8. 自动控制系统按照不同的分类原则有不同的分类结果,下列系统哪些是按照同一原则进行分类的( )。
A .连续系统B .程序控制系统C .恒值控制系统D .随动系统参考答案: BCD9. 自动控制系统按描述元件的动态方程分 ( )。
A .随动系统B .恒值控制系统C .线性系统D .非线性系统参考答案: CD10. 自动控制系统性能的基本要求是( )。
A .稳定性B .快速性C .准确性D .安全性参考答案: ABC第一章绪论当前页有 2 题,你已做 2 题,已提交 2 题,其中答对 2 题。
11. 人工控制与自动控制系统最大的区别在于控制过程中是否有人参预。
A. B. C.A. B. C.A. B. C.A. B. C.A. B. C.A. B. C.A. B. C.A. B. C.A. B. C.A. B. C...随堂练习提交截止时间:2016-12-21 23:59:59A. B. C.A. B. C.A. B. C.A. B. C.5.某系统的传递函数为,该传递函数有()。
A.1个零点,3个极点 B.1个零点,2个极点C.3个零点,1个极点 D.2个零点,1个极点4aa663674c02f6答题:A A. B. C. D. (已提交)参考答案:A问题解析:6.某典型环节的传递函数是,则该环节是()。
A.积分环节 B.比例环节 C.微分环节 D.惯性环节4aa663674c02f6答题:D A. B. C. D. (已提交)参考答案:D问题解析:7.已知系统的单位脉冲响应函数是,则系统的传递函数是().A. B. C. D.4aa663674c02f6答题:A A. B. C. D. (已提交)参考答案:A问题解析:A. B. C.9.某系统的传递函数是,则该可看成由()环节串联而成。
A.比例、延时B.惯性、延时C.振荡、延时D.惯性、比例4aa663674c02f6答题:C A. B. C. D. (已提交)参考答案:C问题解析:10.在信号流图中,只有()不用节点表示。
A. B. C.A. B. C...14.离散系统的特征方程是稳定的。
答题:. 错. (已提交)参考答案:错问题解析:第三章自动控制系统的时域分析1.下列系统中属于不稳定的系统是( )。
A.闭环极点为的系统B.闭环特征方程为的系统C.阶跃响应为的系统D.脉冲响应为的系统4aa663674c02f6答题:D A. B. C. D. (已提交)参考答案:D问题解析:2.描述系统静态性能的指标有()A.延迟时间td B.调节时间ts C.最大超调量 D.稳态误差essA. B. C.3.已知二阶系统的传递函数是,则该系统属于 ( )。
1. 试将下列系统的结构图化简,求传递函数(本题10分)(说明:本题考查对 第二章第三节 系统结构图化简及等效变换的掌握程度,该类题目有两种求解方法。
第一种求解方法可参见课本44~47页的例题2-11、2-12、2-13等。
第二种方法可利用46页公式2-82,两种方法结果一样。
)答案:方框图化简过程如下:2. 已知单位反馈系统的开环传递函数如下,试确定使系统稳定的开环放大系数K 的取值范围。
(本题10分)()(1)(5)=++K KG s s s s解:系统的特征方程为:(1)(5)+0++=s s s K ,即:05623=+++K s s s 。
分)1)试计算该系统的性能指标:稳态值、超调量; 2)试确定系统参数K 1,K 2和a 。
5.已知某系统的开环传递函数为:()()()0.010.1251()1010.051+=++sG ss s(本题20分)1)试求解系统的转折频率;低频渐近线斜率等参数;2)绘制系统的对数幅频特性图;要求标明转折频率及斜率,幅值等必要数据。
解答:因为系统是0型系统,因此低频渐近线斜率为0;系统有3个转折频率,分别是:1231/10=0.1,1/0.125=8,1/0.05=20ωωω===; 系统的两个惯性环节对应的转折频率后,斜率变化为-20dB,即下降20dB 。
微分环节对应的转折频率后,斜率变化为+20dB,即上升20dB 。
第四章第二节系统根轨迹的绘制要点的理解,可参见课本8.简答题(本题10分)1)自动控制系统主要包括开环系统和闭环系统两种,请简述二者的区别和各自的优缺点。
解答:开环控制系统只包括前向通路,没有反馈通路。
因此控制精度较差,控制效果一般,但是结构简单,成本低,一些简单的控制系统仍然采用该种方式进行控制。
闭环控制系统包括反馈通路,通过反馈图通路进行消除误差的调解。
因此该系统控制性能更好,精度更高,系统更加稳定,但是由于增加了反馈通路,因此系统较开环系统负责,设备成本高。
自动控制原理作业题第一章基本概念一、简答题1 简述自动控制的基本概念2 简述自动控制系统的基本组成3 简述控制系统的基本控制过程4 简述自动控制系统的基本分类5 试比较开环控制和闭环控制的特点6 简述自动控制系统的性能评价指标二、分析计算题1 液位自动控制系统如图所示。
试分析该系统工作原理,画出系统原理框图,指出被控对象、被控参量和控制量2 发动机电压调节系统如图所示,试分析其工作原理,画出系统原理框图,指出其特点。
3液面控制系统如图所示。
试分析该系统的工作原理,指出系统中的干扰量、被控制量及被控制对象,并画出系统的方框图。
4控制系统如图所示。
简述该系统的工作原理,说明该系统的给定值、被控制量和干扰量,并画出该系统的方块图。
图1-7发电机-电动机调速系统操纵电位计发电机伺服电机减速器负载Θr给定值Ur 前置放大器功放执行元件被控量Wm这是一个开环控制的例子+E-EΘrUr操纵电位计R1R2R3R4放大器直流发电机伺服电机Wd Wm发电机-电动机调速系统减速器负载5火炮随动控制系统如图所示。
简述该系统的工作原理,并画出该系统的原理框图。
第二章 线性控制系统的数学模型一、简答题1 简述建立控制系统数学模型的方法及其数学表示形式2 简述建立微分方程的步骤3 简述传递函数的基本概念及其特点4 给出组成控制系统典型基本环节二、分析计算题1 有源电网络如图所示,输入量为)(1t u ,输出量为)(2t u ,试确定该电网络的传递函数2 电枢控制式直流电动机原理图如图所示,输入量为)(1t e ,输出量为)(t o ,试确定其微分方程。
图中,电动机电枢输入电压;电动机输出转角;电枢绕组的电阻;电枢绕组的电感;流过电枢绕组的电流;电动机感应电势;电动机转矩;电动机及负载这和到电动机轴上的转动惯量;电动机及负载这和到电动机轴上的粘性摩擦系数。
3 某RC 电路网络原理图如图所示,电压()i u t 为输入量,()o u t 为输出量,试画出其方块图,并求其传递函数。
大工17秋《自动控制原理》在线作业1 总分:100分100分一、单选题共10题,50分15分()是控制装置的核心,决定着控制系统性能的好坏。
••••学生答案:C得分:5分25分一个传递函数只能表示()的函数关系。
••••学生答案:A得分:5分35分典型环节的阶数最高不超过()。
••••学生答案:C得分:5分45分只有输出支路没有输入支路的节点称为()。
••••学生答案:D得分:5分55分振荡环节包含()储能元件。
••••学生答案:B得分:5分65分结构图等效变换的实质相当于对方程组进行()。
••••学生答案:B得分:5分75分建立系统或元件微分方程时,首先要()。
••••学生答案:A得分:5分85分时域分析法属于()。
••••学生答案:A得分:5分95分等速度函数指的是()。
••••学生答案:B得分:5分105分系统对不同频率()信号的稳态响应称为频率响应。
••••学生答案:A得分:5分二、判断题共10题,50分15分最优控制属于现代控制理论的研究课题。
••学生答案:A得分:5分25分同一个物理系统,可以用不同的数学模型来表达。
••学生答案:A得分:5分35分采用演绎法时,能够满足观测数据的系统模型有无穷多个。
••学生答案:B得分:5分45分传递函数只取决于初始条件,与部件的结构和参数无关。
••学生答案:B得分:5分55分比例环节不失真也不延滞,故又称为放大环节。
••学生答案:A得分:5分65分控制系统在稳定的情况下,一般都存在一定的稳态误差。
••学生答案:A得分:5分75分一阶系统指的是用一阶微分方程描述其动态过程的系统。
••学生答案:A得分:5分85分线性定常系统稳定的充分、必要条件是系统特征方程的所有根均具有正的实部。
••学生答案:B得分:5分95分劳斯阵列表第一列有负数,说明系统是稳定的。
••学生答案:B得分:5分105分系统的稳态误差只与系统的结构、参数有关。
••学生答案:B得分:5分。
1.二阶系统的闭环传递函数21()9121Φ=++s s s ,其阻尼系数ζ为 2 。
2. 某闭环系统的开环传递函数为22(3)()(23)(2)+=++K s G s s s s ,则该系统的静态误差系数为 2s 。
3. 已知单位负反馈系统的开环传递函数为()(0.11)(0.21)=++K KG s s s s ,当系统稳定时开环放大系数K 的取值范围是 k 〉0 。
4. 已知系统的状态方程为+++++=5432s s 4s 9s 16s 100,试用劳斯判据判定系统的稳定性。
若系统不稳定,指出在s 平面右半部的特征根的数目。
5 、系统结构图如图所示,已知系统单位阶跃响应的超调量%σ=15%,峰值时间2p t s =。
(1) 求系统的开环传递函数()G s ;解:21010(1)()10101(1)k s s G s k s s s s s τ+=⨯=++++ (2) 求系统的闭环传递函数()s Φ;解:222101010()10(101)10110k ks s s s k s s k s s s τφττ++==++++++(3) 根据已知的性能指标%p t σ和确定系统参数K τ和;解:%15%σ== ς=0.5172p t == n ω=1.834222210()(101)102n n nks s s k s s ωφτςωω==+++++ 210n k ω∴= 21.83410k = 0.336k = 2101n ςωτ=+ 20.5171.83410τ⨯⨯=+ 0.0896τ=(4) 计算等速输入() 1.5r t t =时系统的稳态误差;6. 已知随动系统如下图所示,当K=8时,试求:(1) 系统的特征参量n ςω和 解:()(0.51)kG s s s =+216()216s s s φ=++216n ω= 4n ω=22n ςω= 0.25ς=(2) 系统的动态性能指标%s σ和t解:%=e 100%44%πςσ-=44s nt ςω==(秒)(3) 在单位斜坡输入下的稳态误差e ss7. 求图示控制系统的传递函数()()Y s R s 。
1.二阶系统的闭环传递函数21
()129
Φ=
++s s s ,其阻尼系数ζ为 2 。
2. 某闭环系统的开环传递函数为22(3)
()(23)(2)
+=++K s G s s s s ,则该系统的静态误差系数
为 Kp=∞,Kv=∞,Ka=1 。
3. 已知单位负反馈系统的开环传递函数为()(1)(5)
=
++K K
G s s s s ,当系统稳定时开环
放大系数K 的取值范围是 0<K<30 。
4、试采用劳斯判据判断下列系统的稳定性,并确定在右半s 平面根的个数。
如系统不稳定,确定系统正实部根的个数及纯虚根的值。
要求列出劳斯表,给出判断说明。
++++=432s 2s 3s 4s 50
5、求图示控制系统的传递函数
)
()
(S R S C 。
6、已知某系统的开环传递函数如下,试绘制系统的对数幅频特性图,要求标明转折频率及斜率,幅值等必要数据。
()400()1142=
⎛⎫
++ ⎪⎝⎭
G s s s
7、已知单位负反馈系统开环传递函数2
8+()+(0.3s 1)
(0.5s 1)=
G s s ,
试分别求出输入信号2()1,(),()===r t r t t r t t 时,系统的稳态误差。
8、某二阶系统的结构图如图(a)所示,该系统的单位阶跃响应如图(b)所示,试确定系统参数K1,K2和a。