5(+抹带接口)
- 格式:doc
- 大小:117.50 KB
- 文档页数:4
室外排水管道安装工程施工工艺标准1.总则1.1适用范围本工艺标准适用于公共、民用建筑群(小区)室外排水和雨水管网的管道工程。
1.2编制依据《建筑给水排水及采暖工程施工质量验收规范》GB50242-2002《给水排水管道工程施工及验收规范》GB50268-972.施工准备2.1技术准备2.1.1管道施工前设计单位已进行了设计交底并已图纸会审完毕。
2.1.2室外管道的施工方案已编制且已经过批准。
2.1.3建设单位、规划单位已给施工单位进行了现场交底。
2.1.4施工段沿线的地下已建各项管线有详细的平面布置图且施工前已掌握已校测。
2.2材料要求2.2.1铸铁管:管壁薄厚均匀,内外光滑整洁,无浮砂、包砂、粘砂,更不允许有砂眼、裂纹、飞刺和疙瘩,承插口的内外径及管件造型规矩。
2.2.2钢筋砼管及陶土管:管材的内外壁应光洁,无蜂窝、坍落、露筋、空鼓及明显的痕纹和凹陷。
2.2.3硬聚氯乙烯(PVC-U)双壁波纹排水管:承插口处的轮廓应清晰,造型规矩,与插口配套,没有有影响接口密封性的缺陷。
2.2.4弹性橡胶胶圈:外观应光滑平整,无气孔、裂缝、卷褶、破损、重皮等缺陷。
2.3主要机具圆头锤、扁錾、捻凿、皮老虎、撬棍、千斤顶、链式手拉葫芦、手锯、钢卷尺、盘尺、水平尺、量角规等。
2.4作业条件2.4.1室外地坪标高已定位,水源、电源均具备。
2.4.2沟槽已验收合格。
2.4.3管材、管件均已检验合格,并具备所要求的技术资料。
3.操作工艺3.1工艺流程沟槽开挖与验收→散管和下管→管道安装→闭水试验→管沟回填→砌井。
3.2沟槽开挖与验收3.2.1按图纸要求测出管道的坐标与标高后,再按图示方位打桩放线,确定沟槽位置、宽度和深度,其坐标和标高应符合设计要求。
3.2.2设计无规定时,其沟槽底的宽度应符合下表:3.2.3为防止坍方,沟槽开挖后应留有一定的边坡,边坡的大小与土质和沟深有关。
3.2.4人工开挖沟槽深超过3m时,应分层开挖,每层的深度不宜超过2m ,开挖多层沟槽的层间留台宽度:放坡开槽时不应小于0.8m,直槽时不应小于0.5m,安装井点设备时不应小于1.5m;机械挖槽时,沟槽分层的深度应按机械性能确定。
市政工程给排水管道承插口施工技术发布时间:2022-11-21T08:39:39.193Z 来源:《城镇建设》2022年7月14期作者:朱伟鹏[导读] 在我国不少城市市政给排水工程运行中朱伟鹏广东科创智水科技有限公司广东东莞 523808摘要:在我国不少城市市政给排水工程运行中,曾不同程度发生过渗漏问题,对管道正常运行产生严重影响,并妨碍到人们的生产生活。
给排水管道施工中,承插口是最易发生问题的部位,连接处极易产生渗漏问题。
要防治该问题的产生,必须加强给排水管道施工质量控制,保证管材、管配件等性能,做好密封处理,以确保管道施工质量达标,满足人们使用需求。
更要加强对承插口施工技术的管理,以降低渗漏风险。
文章阐述了市政工程给排水管道施工中承插口常用连接接口特点和类型,分析研究其施工技术要点,以强化对承插口施工的认知。
关键词:给排水管道;承插口;类型与特点;施工技术我国现代化城市建设中,市政给排水工程是重要的基础保障,科学合理的给排水工程规划对于城市运行意义重大。
在给排水工程中,承插口施工质量差,后续运行中会引发渗漏等问题,对整个管道运行产生影响,缩短给排水项目使用寿命。
因此,施工中必须加强对承插口施工技术控制,基于当前常用承插口施工材料和技术深入研究,提高承插口施工水平,建设出满足使用需求的管道工程。
1.市政工程给排水管道承插连接的接口类型与特点1.1承插连接的接口材料类型在市政给排水管道施工中,按照材料的不同,可以将承插连接接口材料类型分为嵌缝材料和密封材料。
嵌缝材料是在承插口之间加入具有填嵌作用的材料,比如麻油和胶圈等,以将承插口间隙控制在合理范围内,保证管道连接处密封性,避免管道中渗入密封材料,降低管道堵塞、渗漏几率。
密封材料则是使用水泥、石棉等在接口外侧处理,以使承插口间缝隙更紧密严实,防止水流渗漏,同时具备加固支撑的作用[1]。
1.2承插口特点分析根据承插连接使用的嵌缝材料和密封材料不同,可以将承插口连接方法分为几下几种形式。
市政排水管道工程施工监理要点原材料如砂、石、钢材、水泥、石灰、管材等的原材料和半成品质量标准必须符合现行有关标准执行。
并参照钢筋工程、砼工程、砖石工程监理实施细则中相关部分执行。
施工规范:一。
沟槽1。
沟槽开挖,严禁扰动槽底土壤.2.槽底不得受水浸泡,可设集水井,用抽水机抽水降低水位。
3.沟槽允许偏差可用水准仪对两井之间测量槽底高程,允许偏差+0mm,—30mm.槽底中线每侧宽度及沟槽边坡不少于规定。
二.平基、管座1.混凝土抗压强度应符合规范规定。
2。
垫层,中线每侧宽度不小于设计规定高程允许偏差20.-15mm.3。
平基中线每侧宽度允许偏差+10mm,高程允许偏差—15mm厚度不小于设计规定。
4。
管座允许偏差肩宽+10mm、—5mm;肩高±20mm。
5.蜂窝面积允许偏差1%。
三。
安管管道必须垫稳,管底坡度不得倒流水,缝宽应均匀,管道内不得有泥土砖石砂浆、木块等杂物。
1.安管中线位移两管之间偏差15mm(测2点)2。
管内底高程两井之间允许偏差管径≤1000mm±10mm,管径>1000mm±15mm.(测2点)3.相邻管内底错口,两管之间允许偏差,管径≤1000mm为3mm,管径〉1000mm 为5毫米。
(测3点)四.接口1。
承插口应平直、环形间隙应均匀。
灰口应整齐密实饱满,不得有裂缝、空鼓等现象。
2。
抹带接口应表面平整,不得有间隙和裂缝,空鼓等现象.3。
抹带接口允许偏差,宽度为两管之间允许+5。
0mm,厚度为两管之间允许+5.0mm.(各测2点)五。
顶管接口必须密实、平顺、不脱落、内涨圈中心应对正管缝,填料密实。
管内不得有泥土、石子、砂浆、砖块、木块等杂物。
1。
中线位移每节管允许偏差50mm.2。
管内底高程:管径〈1500mm每节管允许偏差+30mm、—40mm(每节管)。
管径〉1500mm每节管允许偏差+40mm、-50mm(每节管)。
3。
相邻管间错口,每个接口顶管允许偏差15%管壁厚,且不大于20mm。
城市道路过路雨水管的施工方法城市道路过路雨水管的施工属于城市排水管道工程。
城市排水工程是城市的重要基础设施之一,在选择用地时必须注意:地质条件和洪水淹没或排水困难的问题,能避开的一定要避开,实在无法避开的应采用可靠的防护措施,保证排水设施管道在安全条件下正常使用。
①其施工程序包括:施工前的准备工作、沟槽的开挖。
必要时要进行沟槽支撑和施工排水、管道基础与管道铺设、沟槽换填.一、 施工准备给水排水管道工程施工前应由设计单位进行设计交底。
当施工单位发现施工图有错误时应及时向设计单位提出变更设计的要求。
在施工前应根据施工需要进行调查和研究,确保掌握沿线的下列情况和资料:现场的地形、地貌、建筑物、各种地下管线和其他设施的情况。
工程地质和水文地质资料、气象资料、工程材料及施工机械供应条件。
在寒冷地区施工,应掌握当地的地表水的冻结及流冰的资料,而且还应满足当地的最大建筑抗震强度,确保建筑管道安全施工和使用。
二、 沟槽开挖土方开挖前应首先查明地下水位,土质及地下现有管道、构筑物等的详细情况,然后制定土方开挖的方案。
土方开挖时应根据管径及当地的土质确定沟槽的底宽。
选用合适的开挖机械及相应的边槽坡度,确保在满足最大挖深时,开挖土方量最小,降低开挖工程费用.当遇到土质较松软及地下水位比较浅容易造成塌方时应适当加大沟槽的边坡坡度或采用相应的支撑防止沟槽的塌方确保施工的安全。
机械挖槽时,应在设计槽底高程以上保留一定余量(不小于200mm )避免超挖,余量由人工清挖.②由于过路雨水管道的施工多在高压线较多的地方施工,所以施工时机械应距高压线一定的安全距离.在地下有光缆时,在一米范围外可以机械开挖,距光缆1.0米处严禁机械开挖,应人工开挖,找出光缆.根据施工设计图的设计坡度将沟槽开挖成型并人工清理沟槽.有时由于地下水位较浅,土方开挖时沟槽会积水,容易造成塌方,导致施工不便。
这时可以采用施工排水和降水,防止沟槽开挖过程中地面水流入沟槽中,造成槽壁塌方。
室外排水管道安装工程施工工艺标准1.总则1.1适用范围本工艺标准适用于公共、民用建筑群(小区)室外排水和雨水管网的管道工程。
1.2编制依据《建筑给水排水及采暖工程施工质量验收规范》GB50242-2002 《给水排水管道工程施工及验收规范》GB50268-972.施工准备2.1技术准备2.1.1管道施工前设计单位已进行了设计交底并已图纸会审完毕。
2.1.2室外管道的施工方案已编制且已经过批准。
2.1.3建设单位、规划单位已给施工单位进行了现场交底。
2.1.4施工段沿线的地下已建各项管线有详细的平面布置图且施工前已掌握已校测。
2.2材料要求2.2.1铸铁管:管壁薄厚均匀,内外光滑整洁,无浮砂、包砂、粘砂,更不允许有砂眼、裂纹、飞刺和疙瘩,承插口的内外径及管件造型规矩。
2.2.2钢筋砼管及陶土管:管材的内外壁应光洁,无蜂窝、坍落、露筋、空鼓及明显的痕纹和凹陷。
2.2.3硬聚氯乙烯(PVC-U)双壁波纹排水管:承插口处的轮廓应清晰,造型规矩,与插口配套,没有有影响接口密封性的缺陷。
2.2.4弹性橡胶胶圈:外观应光滑平整,无气孔、裂缝、卷褶、破损、重皮等缺陷。
2.3主要机具圆头锤、扁錾、捻凿、皮老虎、撬棍、千斤顶、链式手拉葫芦、手锯、钢卷尺、盘尺、水平尺、量角规等。
2.4作业条件2.4.1室外地坪标高已定位,水源、电源均具备。
2.4.2沟槽已验收合格。
2.4.3管材、管件均已检验合格,并具备所要求的技术资料。
3.操作工艺3.1工艺流程沟槽开挖与验收→散管和下管→管道安装→闭水试验→管沟回填→砌井。
3.2沟槽开挖与验收3.2.1按图纸要求测出管道的坐标与标高后,再按图示方位打桩放线,确定沟槽位置、宽度和深度,其坐标和标高应符合设计要求。
3.2.2设计无规定时,其沟槽底的宽度应符合下表:3.2.3为防止坍方,沟槽开挖后应留有一定的边坡,边坡的大小与土质和沟深有关。
3.2.4人工开挖沟槽深超过3m时,应分层开挖,每层的深度不宜超过2m ,开挖多层沟槽的层间留台宽度:放坡开槽时不应小于0.8m,直槽时不应小于0.5m,安装井点设备时不应小于1.5m;机械挖槽时,沟槽分层的深度应按机械性能确定。
计算机物理接口大全,别再傻傻分不清了!计算机作为人们日常生活及工作中密不可分的伙伴,其扩展功能随着硬件的迭代不断更替,有些接口虽然长得像,但是功能并不一样,有些接口很多小伙伴表示压根不知道怎么使用。
接下来,就为大家整理目前计算机领域常见到物理接口:一、数据型接口1、USB接口(Universal Serial Bus通用串行总线)USB接口作为计算机最常见也是使用率最高的外接接口,其诞生已经有20多年了,从1996推出至今已经经历了几大版本的更新。
USB的不同版本是可以相互兼容的,所以就算是USB2.0的外接设备,依然可以在USB3.0的接口上使用,反之,USB3.0的设备也可以在USB2.0的接口上使用,只是传输速度没有那么快而已。
如何简单区分USB版本:按颜色区分:USB1.0-2.0基本为白色或者黑色,USB3.0为蓝色,USB3.1为红色或者浅绿色。
从造型区分:USB3.0的标示符号比USB2.0前面多了“SS”。
另外,USB2.0只有一排4针的针脚,而USB3.0为上5下4总共9针的针脚。
USB-B(Type-B)USB-B接口一般用来连接打印设备、显示器、硬盘等。
作为USB家族里的一个标准接口,USB-B接口的地位是很尴尬的。
首先它没有USB-A的用途那么广泛,又没有USB-C那样小巧便利,以至于有些人天天用着它,但就是叫不出它的名字,打印机数据线?USB-C(Type-C)其实Type-C也是USB接口的一种,只是它的造型更加小巧了,接口无正反面区分,盲插更方便,而且传输速度达到了USB3.1的标准。
现在很多新款的安卓设备也采用这种接口,包括新款的ipad pro。
2、PS/2接口作为计算机最古老的接口之一,PS/2接口设备依然还在服役,现在能见到的PS/2外接设备也就剩鼠标和键盘了,PS/2接口一般分为紫色(插键盘)和绿色(插鼠标)。
而现在鼠标键盘普遍也都是采用USB接口了,毕竟USB的应用范围更广。
市政道路排水工程施工组织设计一、工程概况1.工程名称:廊坊开发区道路工程第三标段2.工程位置及规模:2.1工程位置:本工程位于廊坊开发区,本标段位于华祥路东,官东路西,属于新建工程,东西方向道路。
2.2工程规模:本标段设计道路全长1130.49米,车行道面积约3万平米,污水管道共计1575延米,雨水管道共计2100延米,及预埋管线等。
3.工程范围:道路和排水工程3.1道路工程:廊坊开发区道路工程第三标段,全长1130.49m,本合同段始于桩号K1+059.51,止于桩号K2+190。
本段道路红线为40米,采用一块板形式,其中机动车道为25m,沥青路面采用修正三次抛物线型路拱型式,横坡度采用1.5%,纵坡度不等。
3.1.1车行道结构型式如下:4cm细粒式沥青砼5cm沥青碎石乳化沥青透层油18cm石灰粉煤灰稳定碎石15cm12%石灰土15cm10%石灰土路基素土碾压3.1.2人行便道结构如下:6cm彩色混凝土便道砖2cm1:3石灰砂浆6cm混凝土垫层15cm12%灰土3.1.3路缘石、侧石设计路缘石采用C30砼道牙(99.5×40×12cm),外露20cm。
侧石采用C30砼(50×25×8cm)。
人行便道砖采用彩色砼砖,规格为6×10×20cm,导向砖和停步砖的规格为6×20×20cm。
3.2 排水工程廊坊开发区道路工程第三标段排水采用雨污分流,雨污管道分别位于路两侧,管道中心线距道路中线为10米,采用II级钢筋混凝土排水管,平接式定型混凝土管道基础,接口采用钢丝网水泥砂浆抹带接口。
雨水管道管径分为DN1800、DN1200、DN1000、DN800、DN600、DN300;污水管道管径分为DN500、DN400、DN300。
3.3其他预埋管道采用镀锌钢管(两油一布),管径分为DN100、DN125、DN50。
4.工期要求和质量标准4.1工期要求:计划开工日期:2004年6月15日计划竣工日期:2004年9月23日计划施工工期:100日历天4.2工程质量标准:依据招标文件,工程质量标准为国家工程质量验收标准的合格级。
北汽二期扩能工程·2号标准厂房钢筋混凝土管道施工方案钢筋混凝土管道施工方案第一章工程概况一、设计概述:北汽二期扩能工程·2号标准厂房工程房位于重庆市合川区土场镇银翔新城工业园.属于丁类多层厂房,建筑层数为5层,建筑高度22米,结构类型为钢筋混凝土框架结构。
本高程±0。
000标高相当与黄海高程217。
8m。
总建筑面积为:191857。
22平米。
本工程一层埋地排水管道为钢筋混凝土二级管,总长度约为550m,管材采用DN900、1000、1200、1400钢筋混凝土二级管。
检查井采用现浇钢筋混凝土,井盖采用承载力为50t的重型铸铁井盖。
检查井型号为:二、现场自然条件:施工位置在2号标准厂房一层55~56/A~P、1~56/P—N、雨水出室外后接原试车道边网雨水沟,原雨水沟加宽至搅拌站排入河沟,雨水沟加宽1000×1600,根据地质资料,土质为回填土,地形平坦.三、编制依据:1、施工图:一层管网施工图及其设计说明;2、《排水检查井》图集02S515;《混凝土排水管道基础及接口》04S516图集;3、根据地勘报告和现场实际考查的地形资料。
第二章施工组织一、工程材料准备:1、材料部门按项目经理部的要求:按材料计划清单及时采购材料。
2、材料应有材质证书,设备应有说明书和合格证。
3、各种材料、设备严格按其要求妥善存放保管.二、机工具准备:埋地排水管施工机械:挖掘机一台,吊车一台,钢筋加工机械一套,圆盘锯、振动棒等机械按计划清单备齐所需的各种机具、工具,并按时送到现场.三、施工方法施工程序:测量放线→沟槽开挖→地基处理→管道平基→砼垫层→管道安装→接口处理→管座浇筑→钢筋混凝土检查井→闭水试验→分层回填→地面恢复。
埋地雨水管根据检查井的位置和现场旋挖桩完成情况采用分段施工。
四、测量放线1、测量放线前由专业测量工程师对甲方提供的控制点和室内轴线控制网,然后引水准点并报甲方及监理审核。
市政管线(道)数字化施工一、施工图识读基础知识(一)单选题(共40 小题,每小题1 分,共40 分,选对得分,选错不得分。
)1.下列排水系统体制中,设有完整、独立的雨水排水管道系统的是()。
A.完全分流制排水统B.直流式合流制排统C.不完全分流制排统D.截流式合流制排统完全分流制排水系统:这个系统是将生活污水、工业废水和雨水完全分开设置,形成两个或两个以上各自独立的排水管道系统。
这种系统的优点是能够清晰地分辨出污水的来源,便于处理和管理,同时也能够有效避免雨水的污染。
直流式合流制排水系统:在这种系统中,污水和雨水共用一条排水管道,混合后的污水不经过任何处理就直接排入水体。
这种方式显然不利于环境保护,因为它增加了污水处理的难度和成本。
不完全分流制排水系统:这种系统通常只有部分采用了分流制,而其余部分仍然是合流制。
这意味着它并没有完全实现污水和雨水的分离。
截流式合流制排水系统:在这种系统中,合流污水在排放前会被截流并送往污水处理厂进行处理。
尽管这比直流式合流制更环保,但它仍然涉及到污水和雨水的混合。
根据以上分析,我们可以得出结论:只有完全分流制排水系统设有完整、独立的雨水排水管道系统。
因此,正确答案是A.完全分流制排水系统。
2.泄水阀的作用是()。
A.排除管道内的空气B.排除管道中的沉积物以及检修和放空管道内存水C.排除雨水D.清通管道泄水阀在管道系统中的作用主要是用于排放或控制管道内的液体。
具体来说,它通常不是用于排除管道内的空气(这是排气阀的作用),也不是专门用于排除雨水或清通管道。
而是当需要检修管道或设备,或者要排空管道内的存水时,泄水阀会被打开,以便排放管道中的液体。
B. 排除管道中的沉积物以及检修和放空管道内存水。
3.对排水管渠材料的要求有()。
A.有足够强度B.抗腐蚀C.不透水、内壁光滑D.以上均是对于排水管渠材料的要求,通常需要满足多个方面的性能标准。
这些标准包括材料的强度、耐腐蚀性以及不透水性和内壁光滑度。
给排水施工方案一、沟渠开挖施工测量、打龙门、放线、挖土、地沟垫层处理。
沟渠开挖前应先放线,设置临时水准点,测量人员认真学习复核图纸,与施工人员密切配合,根据工程进度及时准确做好测量工作。
测定管道中线时,应在起点、终点、平面折点、纵向折点及直线段的控制点测设中心桩,桩点钉中心钉,并设方向桩,使用前检测。
土方开挖采用人工挖与机械作业配合开挖。
开挖土方按要求堆放,沟底设计标高以上0.2-0.3米的原状土应人工开挖。
排水沟槽沟底夯实,加垫20厘米的厚砂。
二、回填管道下沟铺设并经检查合格后,在水压实验前除接口外,及时回填,要求管道两侧及管顶以上回填高度不小于0.5米,水压试验合格,在及时回填其余部分。
沟槽内应无积水,不带水回填,不回填含有机物的淤泥,回填土不含石块、砖及其他杂硬物体。
三、给排水管道安装1、管道中心线、临时水准点、中心桩复核无误。
2、下管、稳管采用人工采管、立管压绳下管法。
稳管时,相邻两管节底部应其平,以免水中杂质阻塞而沉淀,两管端面之前预留好1厘米左右间隙。
3、室外给水管道采用HDPE管,熔接连接。
溶接连接时要掌握好管道热熔温度和时间,能使两根管道接口结合紧密,牢固。
4、室外排水管道采用UPVC加筋管道,管材或管件在粘合前用棉纱或干布将承口内侧和插口外侧擦拭干净,使被粘结的面层保持清洁,无尘沙与水迹。
当表面沾有油污时,用棉纱蘸丙酮擦净用油刷蘸胶粘剂轴向涂刷插口外侧和承口内侧,动作要迅速,涂抹要均匀,胶粘剂要适量,不得漏涂或涂抹过厚,承插口涂刷胶粘剂后应立即找正方向管子插入承口,使其准直,再加挤压将挤出的胶粘剂用棉纱或干布蘸清洁剂擦拭干净。
保证承插接口直度和接口位置正确,静待2-3分钟至接口固化,固化期间严禁振动管件。
四、管道试压管件连接完后,水压试验应在24小时后进行。
向管内慢慢注水,并排除管道内空气,注满水后进行水密性检查。
加压宜用手动泵缓慢加压,升压时间不小于10分钟。
升压至试验压力,稳住1小时至力降不超过0.06MPa为强度试验合格。
预应力钢筋混凝土排水管道施工1 适用范围适用于城市工程中压力小于0 。
1MPa的预应力钢筋混凝土排水管道工程施工。
2 施工准备2.1 技术准备1.施工前做好施工图纸的会审,编制施工组织设计及做好技术交底工作。
2.施工前对现况管线构筑物的平面位置和高程与施工管线的关系,经核实后,将了解和掌握的情况标注在图纸上。
3。
完成施工交接桩、复测工作,并进行护桩及加密桩点布置.4。
管节的水压试验、砂浆配合比、回填土的最佳密实度试验已完成.2.2 材料要求1.预应力钢筋混凝土管(1)管材混凝土设计强度等级不得低于40MPa,管道抗渗性能检验压力试验合格,抗裂性能达到抗裂检验压力指标要求。
(2)承口和插口工作面光洁平整,局部凹凸度用尺量不超过2mm,不应有蜂窝、灰渣、刻痕和脱皮现象,钢筋保护层厚度不得超过止胶台高度。
(3)管体内外表面应无露筋、空鼓、蜂窝、裂纹、脱皮、碰伤等缺陷,保护层不得有空鼓、裂纹、脱落。
管体外表面应有标记,应有出厂合格证,注明管材型号、出厂水压试验的结果、制造及出厂日期、厂质检部门签章.2。
接口胶圈(1)承插式钢筋混凝土排水管道接口所采用的密封胶圈,应采用耐腐蚀的专用橡胶材料制成。
密封胶圈使用前必须逐个检查,不得有割裂、破损、气泡、飞边等缺陷。
其硬度、压缩率、抗拉力、几何尺寸等均应符合有关规范及设计规定。
(2)密封胶圈应有出厂检验质量合格的检验报告。
产品到达现场后,应抽检5%的密封橡胶圈的硬度、压缩率和抗拉力,其值不应小于出厂合格标准.3。
水泥:采用强度等级32。
5以上的硅酸盐水泥、普通硅酸盐水泥或矿渣硅酸盐水泥。
水泥进场应有产品合格证和出厂检验报告,进场后应对强度、安定性及其他必要的性能指标进行取样复试,其质量必须符合国家现行标准《硅酸盐水泥、普通硅酸盐水泥》(GB 175)等的规定。
当对水泥质量有怀疑或水泥出广超过3个月时,在使用前必须进行复试,并按复试结果使用。
不同品种的水泥不得混合使用.4。
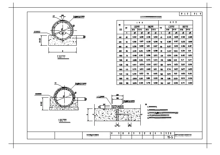
水泥砂浆接口的规范篇一:管道规范2、设计依据2.1《给水排水工程管道结构设计规范》GB 50332-20022.2《给水排水工程埋地预制混凝土圆形管管道结构设计规程》CECS 143:20022.3《室外给水排水和燃气热力工程抗震设计规范》GB 50032-20032.4《室外排水设计规范》GBJ 14-87(1997年版)2.5《混凝土和钢筋混凝土排水管》GB/T 11836-19992.6《给水排水管道工程施工及验收规范》GB 50268-973、适用范围3.1本图集适用于开槽法施工采用砂石基础(土弧基础)、混凝土基础和顶进法施工(顶管)的室外埋地雨水、污水及合流等重力流无压混凝土排水管管道工程。
3.2当遇有湿陷性黄土、膨胀土、多年冻土、液化土、软土等地基,应根据相关规范另作处理。
3.3本图集不适用于地震设防烈度为9度及9度以上,设计基本地震加速度值≥0.40g的地区。
3.4当管道穿越河床、堤坝、铁路路基时应经有关主管单位同意批准后才能应用本图集。
4、设计原则4.1结构设计遵照《给水排水工程埋地预制混凝土圆形管管道结构设计规程》CECS 143:20024.2按承载能力极限状态进行强度计算时,其表达式为:γ0S≤R。
4.3按正常使用极限状态进行验算时,其裂缝开展宽度不应大于0.2mm。
4.4永久作用标准值结构混凝土自重取25~26KN/m3。
4.5永久作用标准值管顶回填土重力密度取18KN/m3。
4.6可变作用标准值取下列二种作用中的大者计算:4.6.1车辆荷载按《城市桥梁设计荷载标准》(CJJ 77-98)城-A级取值。
4.6.2地面堆积荷载:10 KN/m 2。
4.7砂石基础(土弧基础)设计计算的基础支承角2α的规定:开槽法施工时砂石基础(土弧基础)施工回填的管底腋角应等于2α加30°、顶进法施工时2α应按120°计算、计算管道自重弯矩时2α均按20°计算。