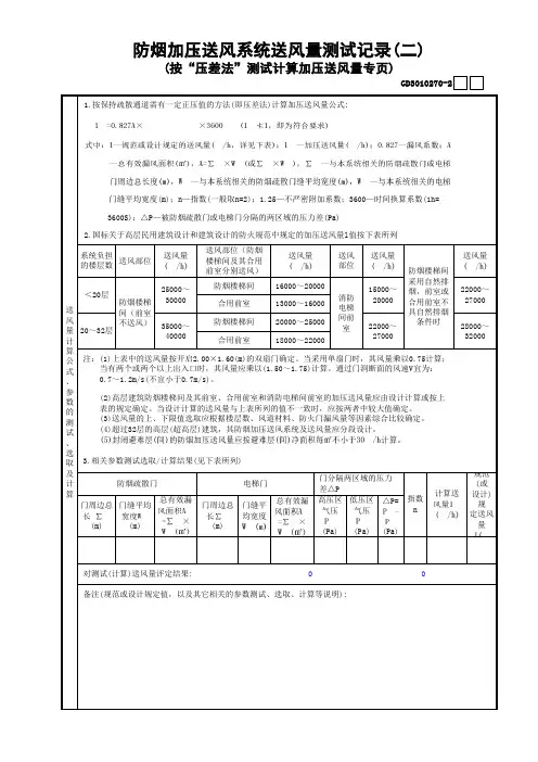
70防烟加压送风系统送风量测试记录(1)GD3010270
- 格式:wps
- 大小:183.00 KB
- 文档页数:2
使用说明(使用时删除):1、该表格主要用途包含不局限于学校、公司企业、事业单位、政府机构,主要针对对象为白领、学生、教师、律师、公务员、医生、工厂办公人员、单位行政人员等。
2、表格应当根据时机用途及需要进行适当的调整,该表格作为使用模板参考使用。
3、表格的行列、文字叙述、表头、表尾均应当根据实际情况进
《合同条件》是根据《中华人民共和国合同法》,对双方权利义务作出的约定,除双方协商同意对其中的某些条款作出修改、补
《协议条款》是按《合同条件》的顺序拟定的,主要是为《合同条件》的修改、补充提供一个协议的格式。
双方针对工实际情况,把对《合同条件》的修改、补充和对某些条款不予采用的一致意见按《协议条款》的格式形。
防烟加压送风系统送风量测试记录
送风量测试记录:
日期:xxxx年xx月xx日
地点:xxxx建筑物xxx层xx区xx房间
测试人员:xxx
1.测试前的准备工作:
(1)对送风风机进行检查,确保其正常运行;
(2)清理送风风机的进风口,确保畅通;
(3)检查送风管道的连接是否紧密;
(4)准备好测量仪器,包括风速计、温湿度计等。
2.测试过程:
(1)设置测试点:根据建筑物平面图,在需要测试的房间内选择一个
位置作为测试点;
(2)测量环境条件:在测试点处使用温湿度计测量室内温度和湿度,
并记录下来;
(3)测量风速:将风速计放置在测试点处,接通送风系统,记录下来
风速计的读数;
(4)重复测试:在不同时间段重复上述测量步骤,确保结果的准确性。
3.测试结果:
测试过程中得到的数据如下表所示:
测量时间,室内温度(℃),室内湿度(%),风速(m/s
-----------,--------------,-------------,-----------
9:00,25,40,2.
9:30,26,42,2.
10:00,26,41,2.
...,...,...,..
4.结果分析:
基于以上数据的统计分析,可以得出系统的平均送风量为2.5m/s,并在测试过程中稳定维持在该数值范围内。
室内温度和湿度的变化对送风量没有明显影响。
5.结论:
经过测试,防烟加压送风系统的送风量符合设计要求,并且在测试过程中稳定可靠。
此次测试结果将作为防烟加压送风系统的性能评估的重要依据,有助于提供建筑物防火安全的保障。
消防加压送风系统测试记录1.测试概述本次测试旨在验证消防加压送风系统在实际应急情况下的工作性能和稳定性。
测试内容包括系统的启动、运行、应急情况下的性能表现等。
2.测试环境测试地点:XX市消防局大楼测试时间:2024年12月1日上午9点至12点测试设备:消防加压送风系统主机、排烟系统、控制面板等3.测试步骤及结果3.1系统启动测试3.1.1手动启动在控制面板上设置系统为手动启动模式,并按下启动按钮。
观察系统的启动情况和声音,记录启动时间和启动过程中的任何异常情况。
结果:系统成功启动,启动时间为10秒,无异常情况。
3.1.2自动启动在控制面板上设置系统为自动启动模式,并模拟火警信号。
观察系统的启动情况和响应速度,记录启动时间和启动过程中的任何异常情况。
结果:系统成功自动启动,启动时间为5秒,响应速度较快,无异常情况。
3.2运行测试3.2.1压力运行测试调整系统的送风压力为标准模式,记录运行的压力值和系统工作声音。
结果:系统运行正常,工作压力为2.5MPa,工作声音低于60分贝,无异常情况。
3.2.2温度运行测试设置系统送风温度为40摄氏度,观察系统的送风温度和送风速度。
结果:系统送风温度达到设定温度,送风速度满足需求,无异常情况。
3.2.3性能稳定性测试在系统正常运行状态下,对系统进行连续运行1小时的测试,观察系统的性能变化和温度表现。
结果:系统性能稳定,无明显变化,送风温度保持在设定值,无异常情况。
3.3应急情况测试3.3.1烟雾应急情况测试在系统运行状态下,向测试区域内注入烟雾,观察系统的响应速度和排烟效果。
结果:系统迅速响应,启动排烟系统,烟雾迅速被排除,无异常情况。
3.3.2火焰应急情况测试点燃模拟火焰源,观察系统的响应速度和供氧效果。
结果:系统迅速响应,启动送风系统,火焰得到有效供氧,火势得到控制,无异常情况。
4.测试结论5.测试建议5.1定期对系统进行维护和保养,确保系统的正常运行。
5.2在系统安装前,应进行全面的设计和评估,确保系统在各类应急情况下的可靠性和安全性。
防排烟通风与空气调节系统施工检查记录表1. 项目信息•项目名称:_________•项目地点:_________•施工单位:_________•检查人员:_________•检查日期:_________2. 检查内容2.1 防排烟系统施工检查检查项目检查结果备注排烟风机及通风管道排烟口及防火阀门排烟法兰连接排烟口周边设施排烟系统电气连接排烟系统的开闭控制排烟系统的制动和排除故障2.2 空气调节系统施工检查检查项目检查结果备注新风机及通风管道新风口及新风调节阀新风法兰连接新风系统电气连接新风系统的开闭控制冷却水系统冷却水法兰连接空气调节系统的测试3. 检查结果及处理意见3.1 防排烟系统施工检查•排烟风机及通风管道:_____________(检查结果),_____________(处理意见)•排烟口及防火阀门:_____________(检查结果),_____________(处理意见)•排烟法兰连接:_____________(检查结果),_____________(处理意见)•排烟口周边设施:_____________(检查结果),_____________(处理意见)•排烟系统电气连接:_____________(检查结果),_____________(处理意见)•排烟系统的开闭控制:_____________(检查结果),_____________(处理意见)•排烟系统的制动和排除故障:_____________(检查结果),_____________(处理意见)3.2 空气调节系统施工检查•新风机及通风管道:_____________(检查结果),_____________(处理意见)•新风口及新风调节阀:_____________(检查结果),_____________(处理意见)•新风法兰连接:_____________(检查结果),_____________(处理意见)•新风系统电气连接:_____________(检查结果),_____________(处理意见)•新风系统的开闭控制:_____________(检查结果),_____________(处理意见)•冷却水系统:_____________(检查结果),_____________(处理意见)•冷却水法兰连接:_____________(检查结果),_____________(处理意见)•空气调节系统的测试:_____________(检查结果),_____________(处理意见)4. 检查结论____________________(填写检查结论)5. 检查人员签名______________ 日期:_____________________________ 日期:_______________。