植筋施工工程工艺
- 格式:docx
- 大小:28.91 KB
- 文档页数:14
第1篇一、植筋工程施工流程1. 施工准备(1)施工图纸:熟悉施工图纸,了解植筋位置、规格、数量等要求。
(2)材料准备:准备植筋胶、钢筋、钻头、气泵、毛刷等施工材料。
(3)工具准备:准备电锤、打胶枪、钢筋探测仪等施工工具。
2. 施工步骤(1)定位:根据施工图纸,标定植筋位置,并在基材上画出标记。
(2)钻孔:使用电锤按设计要求钻孔,孔径及孔深应符合规范要求。
(3)清孔:清除孔内杂物、粉尘、明水和灰尘,确保孔洞清洁干燥。
(4)钢筋处理:将钢筋除锈、清理,确保表面光滑。
(5)注胶:将植筋胶均匀注入孔洞内,注胶量应符合规范要求。
(6)植筋:将钢筋插入孔洞,使钢筋与植筋胶充分接触,确保孔口溢胶。
(7)固化:根据植筋胶说明书要求,等待胶体固化。
(8)检验:对植筋进行外观检查和抗拔试验,确保植筋质量。
二、注意事项1. 钻孔过程中,应尽量避开原结构钢筋,避免损伤。
2. 清孔时,确保孔洞清洁干燥,防止杂质影响植筋质量。
3. 注胶过程中,控制注胶量,避免溢胶过多或不足。
4. 植筋后,避免扰动钢筋,确保胶体充分固化。
5. 检验过程中,严格按照规范要求进行,确保植筋质量。
三、质量控制要点1. 植筋位置、规格、数量应符合设计要求。
2. 钻孔质量:孔径、孔深、垂直度等应符合规范要求。
3. 清孔质量:确保孔洞清洁干燥,无杂质。
4. 植筋胶质量:选用符合规范要求的植筋胶,确保粘结强度。
5. 固化时间:按照植筋胶说明书要求,确保胶体充分固化。
6. 抗拔试验:对植筋进行抗拔试验,确保其承载力满足要求。
总之,植筋工程施工是一项技术性较强的工作,要求施工人员具备一定的专业技能和经验。
在施工过程中,严格按照规范要求进行,确保植筋质量,提高结构的安全性和稳定性。
第2篇一、施工准备1. 施工图纸:根据设计要求,熟悉施工图纸,了解植筋位置、数量、规格等参数。
2. 材料准备:准备植筋胶、钢筋、钻头、气泵、毛刷、丙酮等施工材料。
3. 施工工具:准备电锤、打胶枪、混合器、套筒、锚固钢筋等施工工具。
植筋法工艺流程及施工操作要点(一)工艺流程弹线定位—〉钻孔—〉清孔—〉配胶—〉注胶—〉植筋—〉检查验收(二)施工操作点“植筋法" 施工拉结筋主要工艺如下:1、弹线定位:对照施工图,在需要植筋的位置,沿纵横方向进行弹线,纵横线相交部位,即为植筋的钻孔位置。
2、钻孔:根据弹出的钻孔位置,用冲击钻钻孔,孔深和孔径按设计要求确定.如设计无要求时,孔深按≥15d考虑,孔径按d+2~4 mm控制。
钻孔时要使用冲击钻垂直于结构表面均匀钻入,以便控制钻孔的垂直度。
孔深用冲击钻上顶杆控制。
如钻孔时遇到钢筋,可把钻孔位置前后或左右平移一个钢筋直径的位置,重新钻入。
原钻出的未成型废孔用1:1水泥砂浆填塞补平。
3、清孔:钻孔完成一个工作面后,可进行清孔操作。
清孔的目的是要吹清孔内粉尘,采用专用毛刷和吹风机(橡皮气囊、手推式气筒或手动、电吹风机)配合进行。
清孔时用“四吹三刷”法,即先吹清孔浮尘,然后用专用毛刷清刷孔壁,清刷时毛刷在孔内抽拉转动,如此反复吹刷,清理干净孔内粉尘.一般来说,孔内潮湿会对结构胶与混凝土的粘结产生不利影响,使其无法达到设计的粘结强度,影响拉结质量,所以在清孔时严禁用水冲刷:当前市场上也有一些植筋胶产品不怕水,有水不妨碍施工,使用这类植筋胶可以用水铺助清孔,是否可用水清孔,可参照选用产品的使用说明书灵活掌握。
4、配胶:如果植筋胶是双组份的液体胶,则需进行现场配胶。
配胶前要进行植筋准备工作的检查,保证钻孔、清孔工作已完成一个施工段,并已组织验收,做好隐蔽工程验收记录,同时钢筋已准备就绪,达到植筋操作准备工作要求。
配胶要根据所划分的施工段用量进行配制。
配胶比例可按选用的植筋胶说明书进行配制,并在说明书规定时间内用完。
5、注胶:根据产品说明书确定具体方法。
一般筒装胶可用手持式自动压力灌浆器进行注胶操作。
拉动拉杆,将注胶咀伸入钻好的植筋孔底,推动拉杆使胶料注入孔内,边推拉杆边向孔外拔灌浆器,直至灌浆器注胶咀抽出至离孔口1/3孔深(约3cm左右)时方可停止注胶,以植入拉结筋后胶液略有被挤出为度.一般桶装的植筋胶,配制好后,人手搓成比钻孔稍小的条状,然后用推杆将胶条塞入孔中,剂量多少以钢筋植入时微有溢出为准.6、植筋:植筋应在注胶完成后立即进行.。
植筋施工工艺钻孔植筋施工工艺钻孔植筋施工工艺1.施工预备施工前应仔细阅读设计施工图,必需要将结构面清理整洁,按设计图纸,放线标明钢筋锚固点的钻孔位置,钻孔位置标明后由现场负责人验线。
2.钻孔按设计图纸要求明确螺栓锚固位置、成孔直径及锚固深度。
3.清孔(1).钻孔完成后,将孔周围半径0.5米范围内灰尘清理整洁,用气泵、毛刷清孔,此过程要作到三吹两刷,即吹孔三次、清刷两次,清刷完毕后,用棉丝沾丙酮,清刷孔洞内壁,使孔洞内终于达到清洁干燥;如遇较湿润的状况,还须用加热棒,举行干燥处理。
(2).若为水钻孔:用清水将孔内泥浆冲刷整洁,用棉丝将孔擦净,等孔晾干后再举行下一道工序,如工期紧,可用加热棒举行干燥处理。
(3).用整洁棉丝将清洁过的孔洞严密封堵,以防有灰尘和异物落入。
(4).现场负责人检查清孔工作,请总包及监理验收,做好隐检记录。
4.钢筋清理(1).在钢筋端部相应位置做上标记,标示好除锈清理的长度范围;要求此长度范围大于要求锚固深度50mm。
(2).启动磨光机,用钢丝刷将除锈清理长度范围内的钢筋表面打磨出金属光泽为止。
(3).将除锈清理好的钢筋放在干燥处整齐码放。
(4).用棉丝蘸丙酮,将除锈清理长度范围内的钢筋表面擦拭整洁。
(5).将全部处理完的钢筋码放整齐,报请现场负责人检查。
5.钢筋埋植(1).钢筋锚固用胶的配制。
(详细配比使用办法参见相应产品说明,或服从现场负责人要求)要求:按比例配制且搅拌匀称。
(2).如为盲孔钢筋埋植:将锚固用胶注入孔洞内2/3 即可;将处理好的钢筋,除锈清理端朝向孔洞,一边向同一方向旋转,一边缓慢将钢筋插入洞内,直至到达孔洞底部为止。
此时,如无锚固用胶从洞内溢出,说明注胶量不够,须将钢筋拔出,重新注胶,再次插入钢筋,直至能使胶溢出洞口。
(3).如为通孔钢筋埋植:先将处理好的钢筋插入孔内,孔两端用环氧砂浆封堵,封堵时,须在一端留出注胶孔,另一端留出出气孔;待环氧砂浆凝固后方可举行高压注胶。
1 植筋工程施工工艺1.1工艺流程1. 水钻竖向盲孔植筋工艺流程放初始定位线→确定原结构钢筋位置并做标记→放钻孔位置十字交叉线→验线→固定水钻并钻孔→孔洞侧壁打磨(粗糙化)→清孔与孔洞临时保护→植筋前打磨、清洗钢筋→隐检→注入胶粘剂后插入连接筋→养护→验收。
2. 冲击钻水平通孔植筋工艺流程放初始定位线→确定原结构钢筋位置并做标记→放钻孔位置十字交叉线→验线→冲击钻并钻孔→清孔与孔洞临时保护→植筋前打磨、清洗钢筋→插入钢筋后注入胶粘剂→养护→验收。
1.2施工工序A、水钻竖向盲孔植筋工序1.放初始定位线清理出工作面,要求成孔的基底质地坚硬、强度较高,在结构专业放线的基础上放出初始钻孔位置线。
2. 验线填写钻孔孔位预检表,报请验收。
3. 固定水钻并钻孔将水钻钻机固定牢靠,钻头对准十字线钻孔,根据设计和现场试验确定的孔深,在钻杆上标明对应的位置开始钻孔。
4. 清孔与孔洞的临时保护用棉丝清除孔内积水、渣土,擦拭干净,并用棉丝堵住孔口,防止灰尘等杂物进入孔内。
5. 植筋前打磨、清洗钢筋用角向磨光机和钢丝刷将钢筋锚固长度范围内的铁锈及氧化层、油污等清理干净,并用丙酮擦拭干净,呈金属光泽。
6 . 隐检填写隐检表,并报请验收,查验胶的合格证及批号,经核准验收合格后方可进行灌胶作业。
7. 注入胶粘剂后插入连接筋水钻成孔孔径相对较大,利于灌注砂浆和细石混凝土,因此本工程中对于穿过山下层楼板的钢筋,需要用水钻成孔后,注入细石混凝土胶粘剂较为合适。
对于有的结构胶,尚需要事先烘干孔内的积水,但对于我公司推荐使用的结构胶,则只要不存在明水,孔内稍微有点湿润,则不影响结构胶的锚固效果。
事先按孔深的2/3容积备胶,对于垂直盲孔,只需将胶放入孔内,再插入连接筋,一边插筋,一边不停的转动筋,以利于排出胶体内气泡,增加连接筋和胶粘剂之间的握裹力,同时要保证钢筋在孔中心位置。
8. 养护结合胶粘剂的使用说明,确定注入胶粘剂后的养护时间,在防止扰动所植材料,保证锚固质量;9. 验收填写单项工程验收单,报请验收。
植筋施工方案工艺一、植筋工艺概述植筋施工是指将钢筋绑扎在现浇混凝土构件中,以增加构件的承载能力和抗震性能。
植筋施工方案工艺是指在实际施工中,按照一定的步骤和方法进行的植筋作业流程。
二、施工准备1. 材料准备在植筋施工前,需要准备以下材料: - 钢筋:按照设计图纸上的要求准备合适的钢筋材料。
- 砂浆:用于混合底基砂浆和灌注用砂浆。
- 灌注用砂浆:用于灌注固定钢筋。
- 水泥:用于砂浆和灌注用砂浆的制备。
2. 设备准备在植筋施工前,需要准备以下设备: - 垂直线:用于测量和标示植筋位置。
- 钢筋切割机:用于切割和修整钢筋。
- 钢筋绑扎机:用于绑扎钢筋。
- 手工工具:如锤子、扳手等。
3. 安全措施在植筋施工过程中,必须严格遵守安全操作规程,做好以下安全措施: - 组织人员佩戴好安全帽和防护鞋,并配备必要的个人防护装备。
- 安全圈设立:在钢筋植入区域周围设置安全圈,防止非作业人员进入施工区域。
- 植筋施工区域要求良好的通风与照明条件。
三、植筋施工步骤1. 定位标记首先根据设计图纸要求,通过垂直线或其它测量工具进行标记,确定植筋的位置。
2. 修整钢筋根据植筋的位置,使用钢筋切割机将需要的钢筋材料切割至合适的长度,并进行修整处理,确保钢筋的质量和尺寸符合要求。
3. 钢筋装配将修整好的钢筋按照设计图纸要求进行装配,确保钢筋的间距、间隔符合要求,并使用钢筋绑扎机进行牢固的绑扎,保证钢筋的稳定性。
4. 补充底基砂浆在植筋位置周围,使用底基砂浆进行补充,将钢筋与混凝土之间的间隙填满,并确保底基砂浆的密实性。
5. 灌注灌注用砂浆在植筋位置处,使用灌注用砂浆进行灌注,将钢筋与混凝土牢固联结,提高构件的承载能力和抗震性能。
灌注时应注意控制灌注砂浆的流动速度和压力,以避免对钢筋造成伤害。
6. 检查验收待灌注用砂浆完全凝固后,进行植筋施工质量检查,确保施工合格。
检查主要包括验收钢筋的安装质量、灌注砂浆的密实性和完整性等。
植筋施工工艺
标题:植筋施工工艺及其应用
一、引言
植筋施工工艺是一种在混凝土结构中植入钢筋以增强结构承载力的施工技术。
由于其具有操作简便、成本低廉、效果显著等特点,被广泛应用于建筑加固改造工程中。
二、植筋施工工艺流程
1. 前期准备:对施工现场进行清洁,确保无尘土、油污等杂质;确定植筋位置并进行标记。
2. 钻孔:使用专业钻孔设备按照设计要求进行钻孔。
钻孔深度应大于钢筋长度50mm以上,以便于注入植筋胶。
3. 清孔:使用高压空气或专用清孔设备清除孔内尘埃和碎屑,确保孔壁清洁干燥。
4. 注胶:将专用植筋胶通过注胶枪注入孔内,注入量应满足设计要求,并确保孔内充满胶体。
5. 植筋:将已经处理好的钢筋慢慢插入孔内,边插边旋转,直至达到设计深度。
然后用专用工具固定,保证钢筋垂直度。
6. 固化:待植筋胶固化后(一般为24小时),方可进行后续施工。
三、植筋施工注意事项
1. 钻孔过程中应避免产生裂缝,影响结构安全。
2. 清孔工作非常重要,直接影响到植筋质量。
3. 植筋胶的选择应根据实际工程需要,选择符合标准的产品。
4. 植筋完成后,要进行适当的保护,防止碰撞损坏。
四、结语
植筋施工工艺作为一种有效的建筑加固手段,具有良好的经济效益和社会效益。
但在施工过程中,必须严格按照工艺流程进行,注意各个环节的质量控制,才能确保工程质量,提高建筑物的安全性。
静安寺交通枢纽及商业开发工程植筋施工方案上海希德建筑工程有限公司二00九年七月二十六日施工组织措施及施工方案第一章编制依据及工程概况第二章施工方案的总体部署第三章施工组织机构1、人员组织机构2、设备机械组织机构第四章植筋施工工程工艺第六章工期保证措施第七章现场成品保护措施第八章安全生产保护措施第九章文明施工措施第一章编制依据及工程概况一、综合说明:植筋方法即采用专用结构胶,将钢筋插入混凝土中,以达到原预埋钢筋效果的一种钢筋后补措施。
我们认真学习了本工程有关工程图纸等资料,结合实际情况,并经仔细踏勘施工现场,了解了以下几项情况:1、本工程施工组织设计编制范围为施工承包范围内工程施工,以及对工期、质量、安全、文明施工的管理措施。
2、本施工组织设计的编制根据目前由业主提供的安全性检测报告为主要依据,在这基础上进一步深入完善施工方案,补充各分部分项工程施工中的细节问题,形成一份具有技术先进性、科学合理性、经济实用性、安全可靠性、操作简易性的正式施工组织设计,同时认真接收业主及有关单位的指导和审查,经同意后正式投入施工。
3、工程要求早日竣工投入使用;4、工程质量应达到优良标准;5、工程施工中应确保安全文明施工措施;6、施工安全围护措施应特别考虑。
二、编制依据1、上海市建设委员会颁发的有关建筑规范、安全、质量的文件等;2、建设单位提供的有关该工程施工图及有关文件;3、建设单位对该工程提出的施工工期、质量的要求;三、引用标准:1、《施工现场临时用电安全技术规范》(JGJ46—2005);2、《建筑施工高处作业安全技术规范》(JGJ80—91);3、《建筑机械使用安全技术规范》(JGJ33-2001);4、《混凝土结构加固设计规范》(GB50367-2006);5、《混凝土结构设计规范》(GB50010—2002);第二章施工方案部署一、组织机构为业主创建一流工程,为我公司树立良好形象,我公司将全力以赴,组建高素质、经验丰富的领导机构,组织精干的施工队伍,充分发挥我公司专业施工优势,“优质、高效、安全"地完成工程。
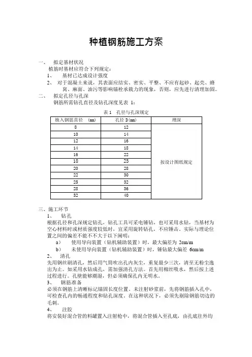
种植钢筋施工方案一、拟定基材状况植筋时基材应符合下列规定:1、基材已达成设计强度2、对于混凝土来说,其表面应结实、密实、平整、不应有起砂、起壳、蜂窝、麻面、油污等影响锚栓承载力的现象,否则,应先进行清理加固。
二、拟定孔径与孔深钢筋所需钻孔直径及钻孔深度见表1:表1 孔径与孔深规定三、施工环节1、钻孔根据孔径和孔深规定钻孔,钻孔工具可采电锤钻,也可采用水钻,当基材为空心材料时或材质强度较低时,宜采用旋转钻孔,不应锤击。
实际与理论位置之间的偏差不能不不大于以下阐明:a)使用导向装置(钻机辅助装置)时,最大偏差为2cm/mb)未使用导向装置(钻机辅助装置)时,锤钻最大偏差6cm/m2、清孔先用钢丝刷清孔,然后用气筒吹出孔内灰尘,重复最少三次,清至无粉尘逸出为止。
如采用水钻成孔,需加强清孔方法。
首先用棉丝吸水,然后按上述过程进行。
孔壁能够潮湿,但必须确保孔内无明水。
3、钢筋准备必须在钢筋上清晰标记锚固长度位置。
未注射砂浆前,先将钢筋插入孔中,可检查孔内的畅通程度和钻孔深度。
在这种状况下,必须先剔除钢筋切边的毛刺。
4、注胶将安装好混合管的料罐置入注射枪中,将混合管插入至孔底,由孔底往外均匀注入胶体,注满孔深的2/3 即可。
注胶同时均匀外移注射枪。
如孔深超出20cm 时,应使用混合管延长器,确保从孔底开始注胶,以避免内部胶体不实。
第一次从新的混合管中打出的胶体不用,由于此时可能没有混合均匀(可目测胶体颜色)。
注射时,砂浆料罐的温度必须在+5℃至+25℃之间。
当建筑部件的温度高于+30℃时,需将砂浆料罐冷却至+15℃至+20℃之间。
5、插钢筋根据事先标好的记号能够检测与否达成所需的锚固深度。
注入胶后,应立刻将钢筋慢慢旋转压至孔底,确保胶体分布均匀,目视表面有少量胶体外溢。
四、施工注意事项:1、钻孔时须确保钻机、钻头与植入钢筋的受拉力方向一致。
确保孔径与孔深尺寸精确。
2、钻孔应避开原构造内钢筋,特别是预应力筋和主受力筋。
植筋施工工艺流程植筋施工工艺流程是在建筑施工中常用的一种加固方法,主要用于提高混凝土结构的抗震性能和承载能力。
下面将详细介绍植筋施工的工艺流程。
一、前期准备在进行植筋施工前,需要进行一系列的前期准备工作。
首先,要对施工现场进行清理,确保施工区域的整洁。
然后,要进行现场勘测和测量,确定植筋的具体位置和数量。
接下来,要准备好所需的施工材料和设备,包括植筋钢筋、植筋剂、植筋钢套筒等。
二、植筋钢筋的加工和预埋在进行植筋施工前,需要对植筋钢筋进行加工和预埋。
首先,根据设计要求,对植筋钢筋进行切割和弯曲加工,以满足施工需要。
然后,在混凝土构件的预定位置,预埋植筋钢筋。
在预埋时,要保证植筋钢筋的准确位置和垂直度,以确保施工质量。
三、植筋剂的施工植筋剂是植筋施工中必不可少的材料,它能够提高植筋与混凝土之间的粘结强度。
在进行植筋剂的施工前,需要先将植筋钢筋表面清理干净,以去除杂质和氧化物。
然后,将植筋剂涂抹在植筋钢筋表面,保证其均匀覆盖。
在涂抹植筋剂时,要注意不要过量,以免影响施工效果。
四、植筋钢套筒的安装植筋钢套筒是植筋施工中用于保护植筋钢筋的一种装置。
在进行植筋钢套筒的安装前,需要先将预埋的植筋钢筋表面清理干净。
然后,将植筋钢套筒插入预埋的植筋钢筋中,确保其与植筋钢筋之间的间隙均匀。
在安装植筋钢套筒时,要保证其垂直度和水平度,以确保施工质量。
五、混凝土施工在进行混凝土施工前,需要先对植筋钢套筒进行检查,确保其安装牢固。
然后,进行混凝土的浇筑。
在浇筑混凝土时,要注意控制浇筑速度和浇筑厚度,以避免混凝土渗漏或产生空洞。
在浇筑完成后,要及时进行养护,保持混凝土的湿润,以提高强度和耐久性。
六、植筋施工的验收在植筋施工完成后,需要进行验收工作,以确保施工质量。
首先,要对植筋钢筋的位置和数量进行核对,确保其与设计要求一致。
然后,要对植筋钢筋的粘结强度进行检测,以确保其满足要求。
最后,要对混凝土的质量进行检测,包括强度、密实性等指标。
植筋施工工艺第一节植筋概况本工程墙体拉结筋、水平系梁以及门窗过梁支座长度不足时的纵筋与结构柱、剪力墙的交接处,构造柱纵向主筋与梁板的连接处都进行植筋处理,植筋规格与纵向主筋一致。
1、根据施工图纸要求,本工程后砌填充墙全高设26拉结,墙厚大于240mm时设置36拉结筋沿墙全长贯通设置。
植筋数量和规格按拉结筋设置要求。
2、构造柱纵向主筋规格为412,植筋规格与纵向主筋规格一致。
3、圈梁、部分伸入墙体长度不满足要求的门过梁和窗台板纵向主筋采用植筋的方式与框架柱、剪力墙进行连接。
植筋规格与纵向主筋规格一致。
第二节施工准备1、技术准备:(1)编写分部施工细则,对施工班组长及工人进行进场前技术交底,考核工人施工技术水平。
(2)安排组织现场管理网络,分清各级管理人员责任范围,以便今后更好的服务于施工。
(3)组织相应的机械设备进行检修,为施工做淮备。
(4)对现场进行勘察。
确定有关施工细节。
(5)现场清理排除不安全因素。
(6)提交相关资料,报业主及监理部门审核。
2、材料准备:(1)结构胶:采用HF-3型植筋型锚固树脂胶(A级)。
结构胶必须有合格证和材料检验报告,经监理公司审批后方可使用。
(2)钢筋:采用热轧带肋钢筋应符合现行国家标准《钢筋混凝土用钢第2部分:热轧带肋钢筋》GB/T1499.2-2018的规定,热轧光圆钢筋应符合现行国家标准的规定,钢筋进场时,表面或每捆(盘)钢筋均应有标志,并应按炉罐(批)号及直径(d)分批检验。
检验内容包括查对标志、外观检查,并按现行国家标准的规定抽取试样作力学性能试验,其质量必须符合有关标准的规定后方可使用。
3、施工机具:第三节施工工艺1、施工工艺流程:定位放线→清理基层→钢筋下料→钢筋处理→选择机具→安装设备→开孔→清孔→孔烘干→结构胶调制→灌胶→锚筋→固化养护→验收。
2、施工方法:(1)拉结筋布置:后砌填充墙与柱或剪力墙连接时,填充墙应沿高度每600mm设26拉筋(墙厚大于240mm时为36)。
植筋法工艺流程及施工操作要点(一)工艺流程弹线定位—〉钻孔—〉清孔—〉配胶—〉注胶—〉植筋—〉检查验收(二)施工操作点“植筋法”施工拉结筋主要工艺如下:1、弹线定位:对照施工图,在需要植筋的位置,沿纵横方向进行弹线,纵横线相交部位,即为植筋的钻孔位置。
2、钻孔:根据弹出的钻孔位置,用冲击钻钻孔,孔深和孔径按设计要求确定。
如设计无要求时,孔深按≥15d考虑,孔径按d+2~4 mm控制。
钻孔时要使用冲击钻垂直于结构表面均匀钻入,以便控制钻孔的垂直度。
孔深用冲击钻上顶杆控制。
如钻孔时遇到钢筋,可把钻孔位置前后或左右平移一个钢筋直径的位置,重新钻入。
原钻出的未成型废孔用1:1水泥砂浆填塞补平。
3、清孔:钻孔完成一个工作面后,可进行清孔操作。
清孔的目的是要吹清孔内粉尘,采用专用毛刷和吹风机(橡皮气囊、手推式气筒或手动、电吹风机)配合进行。
清孔时用“四吹三刷”法,即先吹清孔浮尘,然后用专用毛刷清刷孔壁,清刷时毛刷在孔内抽拉转动,如此反复吹刷,清理干净孔内粉尘。
一般来说,孔内潮湿会对结构胶与混凝土的粘结产生不利影响,使其无法达到设计的粘结强度,影响拉结质量,所以在清孔时严禁用水冲刷:当前市场上也有一些植筋胶产品不怕水,有水不妨碍施工,使用这类植筋胶可以用水铺助清孔,是否可用水清孔,可参照选用产品的使用说明书灵活掌握。
4、配胶:如果植筋胶是双组份的液体胶,则需进行现场配胶。
配胶前要进行植筋准备工作的检查,保证钻孔、清孔工作已完成一个施工段,并已组织验收,做好隐蔽工程验收记录,同时钢筋已准备就绪,达到植筋操作准备工作要求。
配胶要根据所划分的施工段用量进行配制。
配胶比例可按选用的植筋胶说明书进行配制,并在说明书规定时间内用完。
5、注胶:根据产品说明书确定具体方法。
植筋施工工艺一、简介植筋施工工艺是一种常用于混凝土工程中的加固方法,通过将钢筋植入混凝土中,增强混凝土的抗拉强度和抗剪强度。
本文将介绍植筋施工工艺的步骤、要点和注意事项,以便能够正确、高效地进行植筋施工。
二、植筋施工工艺步骤1. 基础准备在进行植筋施工之前,首先需要对工地进行准备工作。
清理基础表面的杂物和尘土,确保基础表面干净、平整。
若基础表面存在结构缺陷或裂缝,需要进行修复工作。
此外,还需要进行植筋施工的详细设计和计划,并准备好所需的施工材料和设备。
2. 钢筋加工根据设计要求,将需要植入混凝土的钢筋进行加工。
根据不同的构件要求,钢筋可以采用直径不同的圆钢或带钢。
加工完毕后,要对钢筋进行检查,确保其长度、直径和表面的质量符合要求。
3. 定位设置根据设计图纸,在基础上设置好植筋的位置。
需要根据构件的要求和植筋的数量,确定植筋的间距和位置。
对于大型的基础,可以使用木模板或标线工具帮助进行定位。
在定位完成后,使用锤子或钢筋锤将植筋的位置标记出来。
4. 钢筋安装在植筋的标记位置上,用锤子或挖孔机等工具对基础进行打孔,确保孔的深度和精度满足设计要求。
在打孔完成后,使用清洁刷或吹风机将孔内的灰尘和杂物清理干净。
5. 植筋固定将事先加工好的钢筋插入打孔的位置中,确保钢筋的嵌入深度符合要求。
植筋时要确保钢筋与混凝土之间的间隙尽可能小,并保证钢筋的纵向和横向的位置准确无误。
完成插入后,采用专用的胶水或钢筋胶带对钢筋进行固定,确保其在施工过程中不会移动。
6. 混凝土浇筑在钢筋安装完成后,根据施工计划,在预留的界线范围内进行混凝土的浇筑。
根据混凝土的流动性和密实性要求,选择合适的浇筑方式。
在浇筑过程中,可采用振动器对混凝土进行振捣,以确保混凝土的均匀分布和密实性。
7. 后续处理待混凝土凝固后,可以进行后续的处理工作。
例如对混凝土表面进行修整和养护,以确保施工质量,并提高混凝土的强度和耐久性。
同时,还要对植筋的质量进行检查,确保其固定性和牢固性。
植筋施工1.植筋工艺流程2.施工控制要点3.定位放线定位放线,根据设计图纸,在需要植钢筋的部位进行定位放线,由于本工程是改造工程,图纸所标注的原结构的尺寸大小与实际值可能有一定的误差,因此对于添加构件的定位必须结合原有结构的实际尺寸进行综合的定位放线,首先确定构件的轮廓线,然后再确定植钢筋钻孔的位置。
按设计要求表示植筋钻孔位置、型号,若基材上存在受力钢筋,钻孔位置可适当调整,但均宜植在箍筋内侧(对梁、柱)或分布筋内侧(对板、剪力墙)。
4.钻孔4.1、钻孔宜用电锤成孔,如遇钢筋宜调整孔位避开。
4.2、钻孔直径 d+4~10mm(小直径钢筋取低值,大直径钢筋取高值)。
4.3、纵向钢筋的植筋长度5.清孔钻孔完毕,检查孔深、孔径合格后将孔内粉尘用压缩空气吹出,然后用毛刷、棉布将孔壁刷净,再次压缩空气吹孔,应反复进行 3~5 次,直至孔内无灰尘碎屑。
清孔处理完毕后,用干净的棉纱将孔洞严密封堵,以防有灰尘和异物落入。
若有废孔清净后用植筋胶填实。
对于超过 50cm 的孔洞,要确保孔内的干燥处理,必要时更换施工方案。
植筋孔壁清理洁净后,若不立即种植钢筋,应暂时封闭其孔口,防止尘土、碎屑、油污和水分等落入孔中影响锚固质量。
6.钢材除锈锚固用的钢筋必须严格按照设计要求的型号、规格选用,根据锚固长度及部位做好除锈处理,除锈长度大于埋设长度 5cm 左右。
用钢丝刷将钢筋表面打磨出金属光泽。
若有新旧绣斑,应用砂纸擦净。
要求除锈均匀干净,不得有漏刷部位,用丙酮擦洗干净备用。
将所有处理完的钢筋分类码放整齐,并按类别标示清楚。
7.锚固胶配制当采用现场配制的植筋胶时,应在无尘土飞扬的室内,按产品使用说明书规定的配合比和工艺要求严格执行,且应有专人负责。
植筋用锚固胶一般分为 A、B 两组份,配制时取洁净容器将 A、B 胶按比例在容器中混合。
使用的工具应为低速搅拌器,搅拌器搅拌 5~10 分钟左右,直至 A、B 组分混合均匀为止。
搅拌时最好沿同一方向搅拌,搅拌好的胶液应色泽均匀,无结块,尽量避免混入空气形成气泡,同时应防止灰尘、油、水等杂质混入。
植筋施工工艺植筋施工工艺是建筑工程中常见的一种施工方法,主要用于加固混凝土结构的强度和稳定性。
植筋施工工艺采用钢筋作为加固材料,将其嵌入到混凝土中,以提高结构的抗拉能力和承载能力。
下面将详细介绍植筋施工工艺的步骤和注意事项。
一、植筋施工步骤1.准备工作:在进行植筋施工前,首先需要对施工现场进行清理,确保施工空间干净整洁。
同时需要准备好所需的钢筋材料,包括钢筋、钢筋连接件以及相关施工工具等。
2.制定施工方案:在进行植筋施工之前,需要制定详细的施工方案。
该方案应该包括植筋的布置图、植筋的种类和规格、植筋的数量以及施工进度等。
3.测量定位:根据施工方案,进行植筋的测量定位。
在混凝土结构中标出植筋的位置,并进行精确的测量,确保植筋的布置符合设计要求。
4.凿打孔洞:在植筋的位置上,使用适当的工具进行凿打孔洞。
孔洞的尺寸和深度应该根据设计要求进行合理的确定。
5.清理孔洞:在凿打完孔洞后,需要对孔洞进行清理。
将孔洞中的灰尘、碎屑以及杂物进行清除,以确保植筋能够完全嵌入到孔洞中去。
6.安装钢筋:将预先准备好的钢筋插入到孔洞中。
钢筋的长度应该根据实际情况进行调整,确保钢筋能够充分插入到混凝土中。
7.连接钢筋:在植筋过程中,如果需要对钢筋进行连接,应该使用合适的连接件进行连接。
连接件的选择应根据设计要求和实际情况进行合理选择。
8.固定钢筋:在安装和连接钢筋后,需要在钢筋两端进行固定。
可以使用合适的固定件对钢筋进行固定,确保钢筋不会在施工过程中移动或松动。
9.灌注混凝土:在完成钢筋的安装和固定后,需要进行混凝土的灌注。
灌注混凝土时,应注意保持混凝土的均匀和密实,以确保钢筋能够与混凝土充分粘合。
10.养护保养:在完成混凝土灌注后,需要对其进行养护保养。
养护的时间和方法应根据实际情况进行合理选择,以确保混凝土的强度和稳定性。
二、植筋施工注意事项1.严格按照设计要求进行施工,确保植筋的布置和尺寸符合设计要求。
不得任意改变植筋的位置和数量。
植筋施工方法植筋施工工艺流程:定位→钻孔→清孔→钢筋处理→锚固胶配制→植筋→固化、保护→检验。
一、定位按设计要求标示钻孔位置、型号,若基材上存在受力钢筋,钻孔位置可适当调整,但均宜植在剪力墙分布筋内侧。
开凿防滑孔,在植筋标记点,用凿子打出小孔,以免钻孔时钻头滑动错位。
二、钻孔钻孔形式为冲击钻钻孔。
钻孔一般要垂直混凝土构件平面,斜度不大于8度(距离楼板过近无操作空间或特殊要求除外),钻孔深度为15d(d为钢筋直径)。
钻孔时进度不宜太快,以免钻头发热影响钻孔周围混凝土强度。
钻孔时如遇到原有结构内主筋或箍筋需移位避让时需请监理、设计核定后方可移位。
三、清孔清除孔内灰尘,在钻孔过程中,孔内会积存灰渣,尤其是向下打孔时,灰渣不易跑出,应经常清渣,否则会烧坏钻机,烧坏钻头。
本工程清孔采用吹风机高压冲洗。
钻孔完毕,检查孔深、孔径合格后将孔内粉尘用压缩空气吹出,然后用毛刷将孔壁刷净,再次压缩空气吹孔,应反复进行3—5次,直至孔内无灰尘碎屑,在灌胶前,达到孔壁无灰尘,无油污,无有机杂质。
四、钢筋处理钢筋长度的确定,根据图纸设计要求下料,如外部加焊钢筋,其钢筋宜先焊后种植,若有困难而必须后焊,其焊点距基材混凝土表面应大于15d(d为钢筋直径),并应采用冰水浸渍的湿毛巾包裹植筋外露部分的根部,即需后焊的植筋最小长度为:孔深+焊接长+15d,以免焊接时高温影响胶的强度。
钢筋表面处理,用电动钢丝或人工钢丝刷,清除钢筋表面的锈蚀,用丙酮或酒精清除钢筋表面油污及灰尘。
五、锚固胶配制植筋胶为桶装式植筋胶两种,由A、B两组份组成,配胶宜采用机械搅拌,搅拌器可由电锤和搅拌齿组成,搅拌齿可采用电锤钻头端部焊接十字形Φ14钢筋制成。
少量可用细钢筋棍人工搅拌。
取洁净容器(塑料或金属盆,不得有油污、水、杂质)和称重衡器按配合比混合,并用搅拌器搅拌10分钟左右至A、B组份混合均匀为止。
搅拌时最好沿同一方向搅拌,尽量避免混入空气形成气泡。
胶应现配现用,每次配胶量不宜大于5公斤。
植筋施工工艺植筋技术是现代建筑施工科学技术发展的结果,在建筑施工中,无论是原有结构加固,还是施工中后增加的梁、柱等再不破坏原结构的情况下,植筋技术的应用是解决问题的最佳途径之一。
下面简要谈谈植筋施工工艺。
一、施工准备技术准备:熟悉原结构图纸,认真了解植筋设计图纸和植筋技术要求,对施工人员做好技术交底。
材料准备:按设计要求备好所需材料,并按照施工质量验收规范要求,对原材料进行复验,确保原材料质量。
工具准备:钢筋探测仪、卷尺、电锤、清孔风机、毛刷、角磨机、钢丝轮片、手锤等二、植筋工艺流程由于植筋是在已有的结构上进行,因此在施工操作有一工作基准面,其施工工艺流程为:清理工作面→按设计尺寸定位→打孔→清孔→钢筋处理→配胶→钢筋植入→固化、养护。
1、清理工作面按图纸设计要求,在需要植筋的混凝土结构上,将其周围障碍物清理走,以确保施工工作面,然后将混凝土表面清理干净,根据定位后的植筋部位,将混凝土表面锻毛,为下一工序做好施工准备。
2、定位按图纸设计要求,由测量人员定位出需要植筋部位的准确为准,由施工技术术人员标示植筋钻孔位置和需要钻孔直径。
在标注钻孔位置时,要查看原结构的配筋图,以防钻孔钻在原结构受力钢筋上,如果存在受力钢筋,钻孔位置可适当调整,但新植钢筋均应植在原结构箍筋内侧(对梁、柱)或分布筋内侧(对板、剪力墙)。
3、钻孔根据钻孔直径和钻孔深度,选好所需钻头,钻孔宜采用冲击电锤成孔,钻孔应尽量垂直,钻孔直径一般比所要植入钢筋的直径大4~8mm,钻孔深度以图纸设计要求为准,如设计无要求,应满足规范要求。
在钻孔中如遇不可切断钢筋应调孔位置避开,为避免在原结构面上钻有废孔,在定位好的位置用钢筋探测仪进行探测,以防钻在原结构钢筋上,产生不必要的废孔,对结构面产生破坏。
4、清孔钻孔完毕,孔内留有粉尘,孔内粉尘用压缩空气将其吹出,然后用毛刷来回抽拉将孔壁刷净。
清理干净后检查孔深、孔径,合格后用棉纱将孔口临时封堵,以防落物或进入灰尘。
西科大抽水站改造工程外墙防渗处理技术方案编制单位: 河北省水利工程局编制: 魏新江审核: 高成卫编制日期: 二0 一一年九月目录第一节植筋施工方法第一节模板施工方法第二节混凝土施工方法第一节植筋施工方法一.施工工艺流程植筋的定位/放线→植筋的钻孔→钻孔的清理和处理→钢筋除锈→钻孔机钢筋的验收→锚固胶配置→注胶→植入钢筋并临时固化→固化、保护→植筋拉拨检查→钢筋绑扎与混凝土浇筑。
二、施工技术1.定位放线按设计要求标准植筋钻孔位置、型号、若基材上存在受力钢筋, 钻孔位置可适当调整, 但均宜植在箍筋内侧。
(1)钢筋强度为二级, 设计强度为310N/mm ²混凝土强度为C30.(2)如果混凝土强度小于C30、植筋深度相应加深, 满足设计要求。
(3)采用不同品牌的胶泥、植筋深度将作相应变化(推荐品种喜利得HY150, 慧鱼FISV360S, ITW—EPCON—530, 美亚MYZ—360, CIBAI130,110系列)。
(4)施工用设备为耐博电钻。
3、淸孔淸孔是植筋最重要的有关环节, 因为钻孔后内有好多灰粉、灰渣, 直接影响植筋质量, 所以一定要把孔内杂物清洗干净。
方法是用毛刷伸至孔底, 来回反复抽动, 把灰尘、碎渣带出来, 再用压缩空气吹出孔内浮尘, 应反复进行3 ~5次。
吹完后再用脱脂棉沾酒精或丙酮擦洗孔内壁, 但不能用水来洗, 因酒精和丙酮易发挥, 用水洗后孔内不会很快干燥。
钻孔、清洗完后经验收合格后方可注胶。
4.钢筋除锈钢筋锚固长度范围的铁锈、油污应清除干净;新钢筋的青色氧化外皮也应除去, 并打磨出金属光泽, 采用角磨机和钢丝轮机速度较快。
5.钻孔机钢筋验收以上工作完成后进行自检, 确定孔深、孔径、钢筋除锈合格后, 报监理及业主对以上施工内容进行验收, 验收合格后再进行下一步施工。
6、植筋胶(高强化学粘合剂)植筋胶注入量通过公式1计算得出: V﹦JIL(D2‐d2)∕4(公式1)植筋胶是双组分制品, 按使用说明配制后, 装进套筒内, 安置到专用手动注射器上, 慢慢扣动扳机, 排出注射口处较稀得胶液废弃不用, 然后将螺旋混合嘴深入孔底, 然后扣动扳机。
静安寺交通枢纽及商业开发工程植筋施工方案上海希德建筑工程有限公司二00九年七月二十六日施工组织措施及施工方案第一章编制依据及工程概况第二章施工方案的总体部署第三章施工组织机构1、人员组织机构2、设备机械组织机构第四章植筋施工工程工艺第五章质量保证措施第六章工期保证措施第七章现场成品保护措施第八章安全生产保护措施第九章文明施工措施第一章编制依据及工程概况一、综合说明:植筋方法即采用专用结构胶,将钢筋插入混凝土中,以达到原预埋钢筋效果的一种钢筋后补措施。
我们认真学习了本工程有关工程图纸等资料,结合实际情况,并经仔细踏勘施工现场,了解了以下几项情况:1、本工程施工组织设计编制范围为施工承包范围内工程施工,以及对工期、质量、安全、文明施工的管理措施。
2、本施工组织设计的编制根据目前由业主提供的安全性检测报告为主要依据,在这基础上进一步深入完善施工方案,补充各分部分项工程施工中的细节问题,形成一份具有技术先进性、科学合理性、经济实用性、安全可靠性、操作简易性的正式施工组织设计,同时认真接收业主及有关单位的指导和审查,经同意后正式投入施工。
3、工程要求早日竣工投入使用;4、工程质量应达到优良标准;5、工程施工中应确保安全文明施工措施;6、施工安全围护措施应特别考虑。
二、编制依据1、上海市建设委员会颁发的有关建筑规范、安全、质量的文件等;2、建设单位提供的有关该工程施工图及有关文件;3、建设单位对该工程提出的施工工期、质量的要求;三、引用标准:1、《施工现场临时用电安全技术规范》(JGJ46-2005);2、《建筑施工高处作业安全技术规范》(JGJ80-91);3、《建筑机械使用安全技术规范》(JGJ33-2001);4、《混凝土结构加固设计规范》(GB50367-2006);5、《混凝土结构设计规范》(GB50010-2002);第二章施工方案部署一、组织机构为业主创建一流工程,为我公司树立良好形象,我公司将全力以赴,组建高素质、经验丰富的领导机构,组织精干的施工队伍,充分发挥我公司专业施工优势,“优质、高效、安全”地完成工程。
二、施工队伍本工程由我公司参加过同类工程施工的高素质队伍直接施工,各专业工程配套齐全,敬业精神强,施工经验丰富,定能将本工程保质保量顺利完成。
三、施工部署依据本工程特点和我公司技术设施、物力和劳力状况,拟定在工程中以质量为中心,突出重点部位,实行平面分段、立体分层、流水交叉、秩序渐进的方法,优化组合各种生产要求,充分利用时间与空间,平行流水立体交叉,尽量扩大工作面,保证工期和质量。
四、工期总工期控制在日内。
(必须密切配合现场施工)。
第三章施工组织机构一、人员组织架构项目总负责:薛素珺总工程师:苏万玉现场施工管理:张承坚质检员:王虎安全员:张祥组织机构质量保证体系安全、消防体系第四章植筋施工工艺一、技术要点1.植筋用粘合剂应符合力学性能、耐久性、耐火性等质量要求,并出具产品质保书。
粘合剂应在5℃~35℃之间运输、贮存和使用。
2.植筋用钢筋应使用不小于Ⅱ级及以上的带肋钢筋(设计强度f y=300N/mm2),应符合有关钢筋混凝土用钢筋标准的规定。
不得使用锈蚀和弯曲的钢筋。
3. 植筋基材混凝土的强度等级C 30.基材为石材或达到设计龄期及十年以上的混凝土,植筋时需经强度检验和设计认可。
4. 植筋需采用专用设备,包括钻机、钻头、清孔刷、吹风机(或吹风筒)、注射器等,以保证质量。
各种机具应根据钻孔直径选用(见表)。
5. 植筋施工应有准确标明植筋位置(包括允许误差范围)、钢筋直径、埋置深度和植筋用途说明的施工图。
施工前应在现场将需植筋的实际位置明确标出,并经施工监理检验确认。
设备工具选型表注:1、以上未包括清孔刷、管钳、榔头等工具,施工时须补齐。
2、DD-250的钻头仅280mm 长,须附延长杆。
二、 植筋的施工工序如图1.钻孔:钻孔时,在正确位置保持钻头垂直于工作面并标明设计埋深尺寸,钻入进度控制时不宜过于用力,不能使设备晃动过大乃至倾斜于工作面或偏离原定位置。
钻入过程中因遇钢筋无法进尺,应由设计确定处理方法。
原则上应避让原有钢筋,以免破坏原有结构。
在原位置旁重新钻孔时,新孔不得超出植筋区域,新孔与在孔之间的净距离应小于2倍Φ(Φ为植筋直径),与欲浇混凝土外;边距离不得大于原保护层厚度。
如设计同意可切断原有钢筋,则可采用切割钢筋钻(孔)机(钻石钻孔机)进行作业,截断原有钢筋,达到预定深度。
废孔可用高于原有混凝土强度等级的细石混凝土或砂浆填补。
2.清孔:先用吹风筒或高压空气从孔底吹出孔内粉尘,再用清孔刷清孔,然后再次用吹风筒吹出孔内粉尘,如此轮流,四吹三刷。
20mm以下孔径者,可采用吹风筒,大于20mm孔径时,须采用吹风机或空压机作业。
3.注入粘合剂前,应经监理检查植筋位置、孔径、孔深和孔内清洁,经确认后,方可进行下道工序。
4.从孔底向外均匀地把胶液注入孔内,应充满孔深2/3以上。
5 .注入粘合剂后,立即插入钢筋,按顺时针方向边转边植入孔中,直插入孔底,使粘合剂充满孔隙并有部分溢出孔外,刮去表面多余粘合剂,整个操作所耗时间应小于粘合剂初凝时间。
6.钢筋插入到达设计深度后,保持钢筋不受外力作用,直至凝结。
静置时间应按下表规定,待粘合剂完全硬化,方可对植筋进行检验和投入使用。
粘合剂凝固、使用时间三、检验与验收1.原材料进场验收:粘合剂进场需交付产品质保书。
钢筋供应商应提供产品合格书。
如需现场检验时,应进行抽样检验。
2.植筋位置(孔位)、孔径、孔深、垂直度应在各相应工序结束后,由监理或甲方指定专人检查植筋拉拔试验数据表注:Ⅱ级钢筋f y=300N/mm2。
3、经破坏性试验的植筋不能再投入使用。
试验后钢筋数量不足时,应加以补值。
4、经植筋力学性能检验,植筋不合格时,应由设计根据需要进行补充植筋或其它处理方法。
第五章质量保证措施一、质量目标本工程按国家颁发的施工及验收规范施工,单位工程质量确保优良。
二、质量管理为了确保优良工程目标的实现,应配备专职检查人员,制订相应岗位责任制,明确各人职责,奖罚分明,保证质量体系正常动转及制度的落实。
施工中,工程的每个分部、分项、每道工序都应有计划,尤其是容易出现问题的部位、工序,施工前技术人员应制定预防措施,并对施工人员进行交底,对施工的实际问题做好技术交底。
三、质量保证技术措施3.1施工前,所有施工人员应认真熟悉图纸,领会设计意图,了解施工顺序,明确施工方法。
特殊部位施工时,技术人员要亲自现场指导。
3.2原材料成品,半成品在进场时必须有合格证、质保书、不合格品、不合格材料严禁进入现场。
3.3建立质量监督检查制度,达不到标准的工序必须予以整改,施工中隐蔽验收工程必须经甲方或监理工程师认可。
3.4提高作业人员的素质,每周集中学习,相互交流,共同提高技术水平。
四、工程材料质量控制各种材料应符合设计及施工规范要求,并提供技术参数及质保书,质量不合格拒收。
五、施工过程质时控制施工过程控制为质量控制的重点,对于关键、特殊过程采取专人监控的方法,专人负责,打孔完毕填好予验单,交监理总包复验后再施工,同时对作业人员严格要求。
六、工程质量检测项目技术人员随时对施工操作人员进行施工操作质量检查,对在施工过程中未按施工工艺或操作规程施工的现象,立好纠正、防止返工。
七、几点措施7.1所有各班组都必须遵守本工程质量保证措施及安全文明保证措施。
7.2所有各组不要任意破坏任何一件成品或机械,如有违者,经发现重罚处理。
7.3各班组必须服从工程负责人的统一协调管理,各班组之间在工具原材料和劳动力分配上要和平共处,互相补充支援。
第六章进度计划及工期保证措施一、施工安排:我公司经过认真研究,合理安排组织施工,将确保我承包范围内的工程在日历天内竣工交付使用,计划工期暂定于开工,竣工日期为。
二、确保总进度计划实施措施:(一)技术保证措施1、施工块的划分在施工中合理组织分流作业,合理安排劳动力及各项资源,确保本工程施工进度。
2、周转设备、材料和机械配置3、为了确保阶段计划顺利完成,周转设备和机械配置将按各块施工面独立配置,互相不干扰,确保各块独立完成计划。
4、垂直运输机械的配备根据工程实际情况阶段配置,以最大限度覆盖整个施工层面。
5、需用材料计划,要作到及时充足,并在施工过程中加以调整。
(二)劳动力保证措施1、开工前,对工人进行安全技术交底,让工人彻底了解要开始工作内容及注意事项,做到心里有底,根据现场实际情况和自己的业务专长,发挥自己的能动性,互相配合,做到不误工,不怠工,互相配合,加快工和进度。
2、充分调动工人的主观能动性,发挥主人翁精神保护好成品半成品和机械设备,严格控制工程和个人安全,避免固自身事故,设备损坏,质量不过关而造成工人休假,影响工程进度。
3、在条件允许的情况下,工人采用两班或三班制作业。
4 、根据方案实施要求及施工进度和劳动力需求计划,集结施工队伍,组织劳动力分批进场,并建立相应的领导体系和管理制度。
5、项目部每月对班组安排施工任务,并检查班组作业队的操作质量,安全生产和现场用料落实情况,并提供证实资料,作出中途留退的决定。
6 、我们对劳务施工人员所需生活后勤已经作了充分的考虑,可保证满足施工需要。
(三)组织保证措施1、我司将在最短时间内进场,尽快熟悉工程情况,全面了解影响工期的各方面因素。
2、项目经理部认真研究并根据本施工组织为蓝本,制定出详尽的工期进度计划,与前施工队伍协调,包括其施工计划的细化优化。
3、为了要保证缩短工期,必须调整好劳动力、机械设备及各种材料。
4、由公司生产经理主持召开每二周一次的项目经理会议,对本工程施工进度、物资、劳动力、资金和设备进行总高度和平衡,解决施工过程中的各类矛盾和问题,使本工程顺利进行。
5、项目经理部分周计划控制分部分项工程进度,按计划要求每周召开一次平衡高度会,及时解决劳动力、施工材料、设备调度问题,确保工程按计划实施。
6、在本工程施工期间,按工程时度需要,采取节假日调休制,并用2班制昼夜施工方法来缩短工期,并配备足够的劳动力。
7、为加快施工进度,视施工进度需要,组织设备材料超常规投入,配备足够的模板,公司确保相应的设备和材料,保证工程施工顺利进行。
第七章现场成品保护措施派专人保护现场或设立标识,刚种植好的钢筋严禁晃动,在胶水完全凝固之前严禁投入使用。
第八章安全生产保护措施一、安全目标本工程安全目标,无重伤无死亡事故,创安全达标优秀工程。
二、安全施工管理建立现场安全体系,确保安全生产目标责任制落实到人,制定安全防护措防,做好现场保卫及治安防火工作,发现安全隐患及时整改。
三、安全设施管理3.1脚手架拾设必须稳固,上设防护栏,操作层必须满铺跳板。
3.2工长和安全员应经常检查架体的可靠性,不得在跳板上随意堆放建筑原材料或各种机具。