系统索引
目录页按字母顺序列出所有系统。 各个系统电路项目的解释表示在该页开头部。
.
(1/2)
.
-3-
发动机技师 - 丰田诊断技术员基础
%
%
+
)/0$,1 /
㪘⬉∴
♃ࠊܝᓔ݇
$ +($'/+
$ +($'5+
$ '20(
/<
5/
%
ᬙ䱰ᥦ䰸
&
㓽ݭ䆡
'
ᴃ䇁ヺোⱘ∛㓪
(
㒻⬉఼ԡ 㕂
)
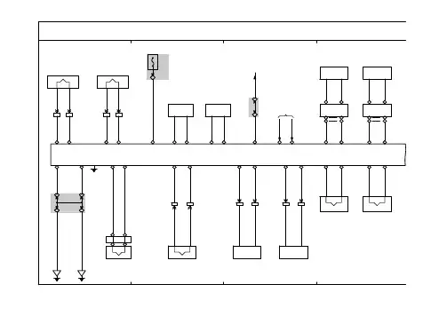
⬉䏃
*
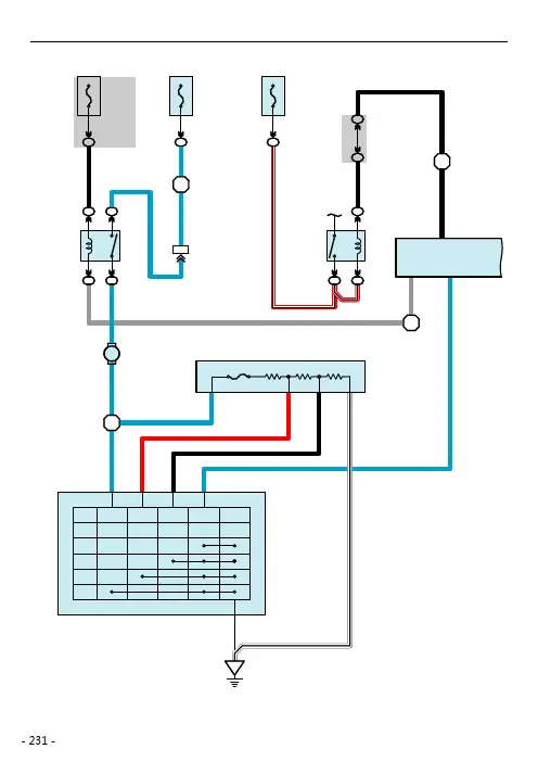
㋏㒳⬉䏃
+
ഄ⚍
,
⬉⑤ ⬉⌕ 䖲఼㸼
-
.
䖲఼ⱘ䳊ӊ㓪ো
/
ܼ䔺⬉䏃
0
㓽ݭ䆡
'
㓽ݭ䆡
ᴀݠՓ⫼ҹϟ㓽ݭ䆡
$& $7 $%6 &20% '/ & (&7 (&8 (), (036 (6$ (9$3 *&& +% ,6& -% /(' /+ /+' 07 2' 5% 5+ 5+' 6' 656 6: 7(03 7966 969 997 L :* Z ZR
⬉䏃
㋏㒳⬉䏃+
&252//$
㋏㒳⬉䏃
$%6
㞾ࡼᓣぎ䇗఼˄㞾ࡼ$& ࡼᓣぎ䇗఼˄ࡼ$& צ䔺♃ ⬉ܙ ⚍⚳఼ ᯊ䩳 㒘ড়Ҿ㸼 ఼ޱދ亢 䰸& ఼ޱދ亢 & ࠊ⎆ދ 䮼䫕ࠊ /+' 䮼䫕ࠊ 5+' (&7$7ᣛ冫఼ 1=)(1=)( (&7$1'$7ᣛ冫఼ ==)(==)( ⬉ࡼ䕀Ⳍࡽ থࡼᴎࠊ 1=)(1=)( থࡼᴎࠊ ==)(==)( থࡼᴎذ䔺㋏㒳 ࠡ䳒♃ ࠡ䲼ࠋ఼⋫఼ ⬉⛁า & ࠡ✻♃˄▇߽Ѯ˅ ࠡ✻♃˄䰸▇߽Ѯ˅