安川plc程序及软件操作
- 格式:pdf
- 大小:5.32 MB
- 文档页数:50
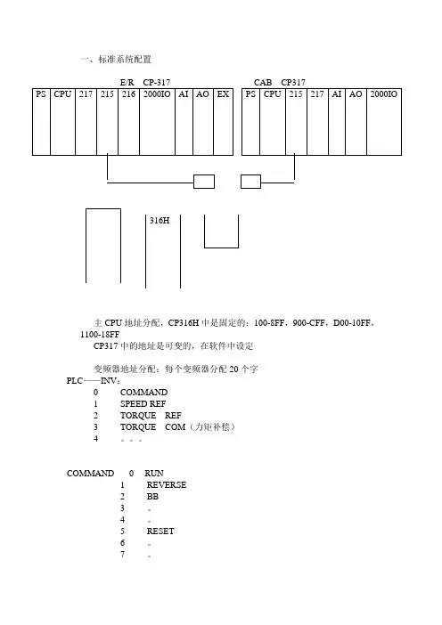
一、标准系统配置主CPU 地址分配,CP316H 中是固定的:100-8FF ,900-CFF ,D00-10FF ,1100-18FFCP317中的地址是可变的,在软件中设定变频器地址分配:每个变频器分配20个字PLC ——INV :0 COMMAND1 SPEED REF2 TORQUE REF3 TORQUE COM (力矩补偿)4 。
COMMAND 0 RUN1 REVERSE2 BB3 。
4 。
5 RESET6 。
7 。
8INITE T/SF MOTOR2INV——PLC:0 STATUS1SPEED FB2TORQUE3。
STATUS 0 RUN1ZERO SPEED调速方式: VECTOR, V/F程序:变量:MW MBSW SBIW IBOW O BDW D B(DW有停电记忆的功能)1.硬件设置:用216卡通讯的变频器,站号设定必须在通讯板上的拨码开关来实现,下面为低位,上面为高位,网络号取决于变频器接在哪一个连接孔(CP316H中,接在第一个CP216口的是0#网络,接在第二个CP216口的是1#网络)变频器参数初始化O2-04设定容量O2-03设为000,恢复出厂设置//。
916A编程实现地址分配PROFIBUS 两端接电阻CP-217模块,两个RS232端口、1个RS485端口2.软件设置:MODEL CONFIGRATION 设置各模块通讯属性、地址属性FUNCTION DIFINATION :输入开关量XB0~XBF,输入数值量XW1~XW15,输出为YW,ZW为中间变量,程序框架:各程序段功能,对应哪一机构的参数修改。
增量编码器和绝对值编码器互相对比,监测,超出误差范围,报故障L2.21 修改C5-06,ASR CLAEAR无冲击控制(SHAVE-LESS CONTROL)H5 速度反馈*10000/30000G5 速度反馈*30000/30000H5 力矩反馈*10000/20000变频器反馈数据都在H2.01,PLC到变频器的数值量都在H4.1一、CP717程序1.打开程序,建立通讯,新建工程,察看PLC程序。
安川PLC使用安川CP717使用一、程序安装及打开执行安装文件\CP717_V0471E\ENGLISH中的setup,在按照提示装完程序后在桌面和开始栏的程序中出现YE_Applications和YASKAWA Camtool文件夹,其中打开YE_Applications 文件夹出现Communication Manager和Total Engineering Tool,前一个是通讯配置,后者是CP717主程序。
(当运行Total Engineering Tool后会自动运行Communication Manager)。
二、通讯配置:打开Communication Manager,选中逻辑端口1后双击,出现逻辑端口设定,选择串行口后选详细在弹出的窗口中进行通讯配置,其中单元号选择1,物理端口选择PC的物理通讯端口,通讯速度设为19200,数据位选8,奇校验,停止位1确定后完成通讯设置。
三、程序的清空及1、316H程序的清空在调试时,可能CPU模块中已经有调试的程序,需要首先删除CPU中的程序时删除的顺序是:A在通电状态下将CP-316H上的INT、TEST从OFF置ON,RUN从ON置OFF,保持一段时间后断电;B上电,RUN指示灯和RDY指示灯不停的闪动,保持一段时间后将RUN从OFF置ON,INT、TEST从ON置OFF断电C再送电CP-316中的程序已清空。
2、215RIO模块程序的清空将215RIO模块的SW旋钮的箭头分别拨为7、9位置上,按RESET按钮。
断开电源,保持一段时间后再送电,215RIO模块的程序被清空。
然后将其通讯地址再改为0、2。
四、上载下载1、打开T otal Engineering Tool,在ROOT上按右键新建组文件夹,名字任意如08000,在08000下建立指令文件夹,名字任意如PLC1,在PLC1上按右键新建PLC文件夹。
2、在弹出的对话框内对新PLC进行选型,如果是新建立的程序名字任意,如果是想读取电脑上已有的程序则名字要与现有名字一致,按第6步进行打开已有PLC文件的操作。
YASKAWA(安川)PLC编程语言CP-717的结构及使用介绍安川PLC控制软件CP-717内部功能完善,通讯及运算功能强大,能对PLC及变频器实施精密控制.CP-717支持CP-316,CP-316H,CP-317,CP-916A等PLC,可以进行远程I/O接收模块120I/O、2000I/O模块配置,另外可以和INVERTER通过216IF 建立通讯,实时监视、修改INVERTER参数等功能。
通过CP-717编程软件,可以方便的进行PLC离线编程、在线修改。
第一节 C P-717使用.启动和退出1 启动通讯过程本节说明如何开始CP-717和PLC之间的通讯过程。
1.1 打开通讯过程窗口打开通讯过程窗口双击台式机的屏幕上的“YE_Application”(YE_应用程序)图表,然后双击,“YE_Application”(YE_应用程序)窗口中的“Communication Manager”(通讯管理器)图标。
①通讯过程窗口打开。
1.2 设置通讯过程(串联通讯)设置通讯过程①单击将要使用的端口的逻辑端口号。
②通讯过程菜单的“File (F)”(文件)中选择“Setting(E)”(设置)。
③在对话框中,将“Port Kind”(端口类型)设定为“Serial”(串联),并且单击[Detail](细节)按钮。
④在对话框中,进行串联端口设置。
设置“波特率”到“9600”或“19200”。
保持“数据字节”、“奇偶性校验”和“停止字节”为默认设置。
然后单击[OK]按钮。
⑤在上述第(3)步逻辑端口设置的对话框中单击[OK]按钮。
串联通讯的信息在通讯过程窗口中设置。
⑥通讯过程菜单中的“文件(F)”中选择“保存(S)”。
⑦在消息框中,单击“是(Y)”按钮。
⑧在通讯过程菜单中的“文件(F)”中选择“退出(X)”。
通讯过程设置在关闭并重新启动通讯过程窗口后生效。
因为在启动CP-717时,通讯过程也同时开始,因此只要CP-717还未启动,无需重新启动通讯过程。
模块式PLC实训指导书主编:渊崔忠毅2011年10月目录项目一安川PLC控制系统识图 (4)项目二安川PLC硬件组态及测试 (19)项目三控制起升电机正反转 (30)项目一安川PLC控制系统识图一、项目导入日本安川电机公司(YASKAWA)成立于1915年,该公司制造的PLC和变频器产品在我国港口大型装卸机械中应用较为广泛,如图1、2所示。
图1 安川模块式PLC 图2 安川G7变频器图3所示为轮胎吊实训台,该实训台采用安川PLC和变频器,其控制系统与港口实际PLC控制系统基本一致,本项目的任务是读懂该实训台PLC控制系统电气图纸,从而对模块式PLC控制系统有一个整体上的把握。
图3 轮胎吊实训台安川PLC安川变频器二、项目分析模块式PLC控制系统由于一般应用于较为复杂的电气控制中,所以其电气图纸相对于整体式PLC控制系统或继电器控制系统要复杂一些,但是也可以分为主电路和控制电路两部分。
对于采用模块式PLC控制系统的港口大型装卸机械来讲,可以分成以下几个部分:(一)主电路1、主驱动电路,例如驱动大机各机构动作的电路,现在一般采用变频调速。
2、辅助机构驱动电路,例如大机各机构风机电路、制动器电路等,一般采用工频电源,不需变频调速。
(二)控制电路1、PLC外部控制电路,该部分电路既不是PLC输入回路,也不是PLC输出回路,而主要是输入输出的中继电路或者安全电路。
2、PLC模块配置电路,该部分电路表明PLC控制系统采用何种CPU模块、电源模块、输入输出模块、特殊功能模块、通讯模块等,同时说明了PLC控制系统的网络通讯结构和输入输出模块的地址分配等重要信息。
3、PLC输入回路,一般每页图纸绘制16个输入点,并标明每个输入点所对应输入设备的功能。
4、PLC输出回路,一般每页图纸绘制16个输出点,并标明每个输出点所对应输出设备的功能。
二、项目实施(一)供电线路1、主电路供电如附录P1所示,轮胎吊实训台采用主变压器输出的380V工频交流电源供电,经空气开关QF1给主电路供电。
安川PLC程序及软件操作安川PLC(Programmable Logic Controller)是一种用于控制和自动化系统的计算机系统。
它通常用于工业环境中,用于控制和监控机器和设备的运行。
下面是关于安川PLC程序和软件操作的详细信息:1.安川PLC程序设计:-硬件配置:首先,根据所需的控制和自动化系统的功能和要求,确定所需的硬件配置。
选择适合应用的PLC模块,如CPU、I/O模块等,并根据需要设置通信模块、显示屏等。
-线路设计:根据控制和自动化系统的需求,设计PLC系统的线路连接。
确定输入和输出的电气信号连接,包括传感器、开关、执行器等。
- PLC编程:使用安川PLC编程软件,如MotionWorks、CX-Programmer等,编写PLC程序。
这些软件提供了用户友好的编程界面和各种编程语言,如梯形图(Ladder Diagram)、结构化文本(Structured Text)等。
根据实际需要,编写逻辑控制、时间控制、计数器、触发器和其他功能块。
2.安川PLC软件操作:- 安装软件:首先,安装安川PLC编程软件,如MotionWorks、CX-Programmer等。
确保计算机系统满足软件的安装要求,并按照软件提供的安装指南进行操作。
-创建项目:启动软件后,创建一个新的项目。
为项目命名,并选择PLC模块和通信模块等配置信息。
根据需要,添加输入和输出模块,并完成硬件配置。
-编写程序:在项目中创建一个新的程序,并选择所需的编程语言。
使用软件提供的工具和功能块,编写程序代码。
可以根据需要添加注释和文档,以便其他人理解程序的功能和逻辑。
-编译和调试:在编写完成后,使用软件将程序编译为可执行代码。
在调试模式下运行程序,检查逻辑和功能的正确性。
使用调试工具和监视器检查变量和信号的状态,并根据需要进行调整和修复。
安川plc编程本文档旨在提供安川PLC编程的详细指南和范本,以帮助用户顺利进行编程工作。
请注意,本文档需要在已经具备相关编程基础知识的前提下使用。
在阅读本文档之前,请确保您已经了解并掌握了安川PLC编程的基本概念和操作方法。
1:硬件准备在开始编程之前,您需要确保以下硬件设备已经准备就绪:- 安川控制器- PLC编程软件- 适配的连接线缆2:连接控制器和计算机使用适配的连接线缆将控制器与计算机连接起来。
确保连接稳定可靠。
3:打开PLC编程软件启动安川PLC编程软件,并创建一个新的项目。
4:项目设置在新建项目后,需要进行一些项目设置。
- 设置控制器类型和型号。
- 设置通信参数和连接方式。
- 配置PLC的输入和输出设备。
5:编写程序开始编写程序。
根据您的需求和控制器的功能,编写相应的PLC程序。
确保程序逻辑清晰、准确。
6:联机调试在编写完程序后,进行联机调试。
连接控制器,检查程序运行情况。
如有错误或异常,及时排除问题。
7:程序优化对程序进行优化,提高效率和稳定性。
注意常见的PLC编程问题,如变量定义、循环逻辑和异常处理等。
8:保存程序在优化和测试完成后,保存程序至控制器。
确保程序可以被顺利执行。
9:文档归档对于每一次编程工作,都要将相关文档归档存储,以备日后查阅和使用。
附件:本文档不涉及附件。
法律名词和注释:- 安川:指安川电机株式会社的产品和技术。
安川电机株式会社是一家跨国公司,专注于工业自动化和技术领域。
- PLC编程:PLC全称为可编程逻辑控制器,是一种用于控制工业自动化过程的计算机。
PLC编程是指对PLC进行程序设计和开发的过程。
安川CP717使用一、程序安装及打开执行安装文件\CP717_V0471E\ENGLISH中的setup,在按照提示装完程序后在桌面和开始栏的程序中出现YE_Applications和YASKAWA Camtool文件夹,其中打开YE_Applications 文件夹出现Communication Manager和Total Engineering Tool,前一个是通讯配置,后者是CP717主程序。
(当运行Total Engineering Tool后会自动运行Communication Manager)。
二、通讯配置:打开Communication Manager,选中逻辑端口1后双击,出现逻辑端口设定,选择串行口后选详细在弹出的窗口中进行通讯配置,其中单元号选择1,物理端口选择PC的物理通讯端口,通讯速度设为19200,数据位选8,奇校验,停止位1确定后完成通讯设置。
三、程序的清空及1、316H程序的清空在调试时,可能CPU模块中已经有调试的程序,需要首先删除CPU中的程序时删除的顺序是:A在通电状态下将CP-316H上的INT、TEST从OFF置ON,RUN从ON置OFF,保持一段时间后断电;B上电,RUN指示灯和RDY指示灯不停的闪动,保持一段时间后将RUN从OFF置ON,INT、TEST从ON置OFF断电C再送电CP-316中的程序已清空。
2、215RIO模块程序的清空将215RIO模块的SW旋钮的箭头分别拨为7、9位置上,按RESET按钮。
断开电源,保持一段时间后再送电,215RIO模块的程序被清空。
然后将其通讯地址再改为0、2。
四、上载下载1、打开Total Engineering Tool,在ROOT上按右键新建组文件夹,名字任意如08000,在08000下建立指令文件夹,名字任意如PLC1,在PLC1上按右键新建PLC文件夹。
2、在弹出的对话框内对新PLC进行选型,如果是新建立的程序名字任意,如果是想读取电脑上已有的程序则名字要与现有名字一致,按第6步进行打开已有PLC文件的操作。
模块式PLC实训指导书主编:郑渊崔忠毅2011年10月目录项目一安川PLC控制系统识图 (3)项目二安川PLC硬件组态及测试 (12)项目三控制起升电机正反转 (20)项目一安川PLC控制系统识图一、项目导入日本安川电机公司(YASKAWA)成立于1915年,该公司制造的PLC和变频器产品在我国港口大型装卸机械中应用较为广泛,如图1、2所示。
图1 安川模块式PLC 图2 安川G7变频器图3所示为轮胎吊实训台,该实训台采用安川PLC和变频器,其控制系统与港口实际PLC控制系统基本一致,本项目的任务是读懂该实训台PLC控制系统电气图纸,从而对模块式PLC控制系统有一个整体上的把握。
图3 轮胎吊实训台二、项目分析模块式PLC控制系统由于一般应用于较为复杂的电气控制中,所以其电气图纸相对于整体式PLC控制系统或继电器控制系统要复杂一些,但是也可以分为主电路和控制电路两部分。
对于采用模块式PLC控制系统的港口大型装卸机械来讲,可以分成以下几个部分:(一)主电路安川PLC安川变频器1、主驱动电路,例如驱动大机各机构动作的电路,现在一般采用变频调速。
2、辅助机构驱动电路,例如大机各机构风机电路、制动器电路等,一般采用工频电源,不需变频调速。
(二)控制电路1、PLC外部控制电路,该部分电路既不是PLC输入回路,也不是PLC输出回路,而主要是输入输出的中继电路或者安全电路。
2、PLC模块配置电路,该部分电路表明PLC控制系统采用何种CPU模块、电源模块、输入输出模块、特殊功能模块、通讯模块等,同时说明了PLC控制系统的网络通讯结构和输入输出模块的地址分配等重要信息。
3、PLC输入回路,一般每页图纸绘制16个输入点,并标明每个输入点所对应输入设备的功能。
4、PLC输出回路,一般每页图纸绘制16个输出点,并标明每个输出点所对应输出设备的功能。
二、项目实施(一)供电线路1、主电路供电如附录P1所示,轮胎吊实训台采用主变压器输出的380V工频交流电源供电,经空气开关QF1给主电路供电。
YASKAWA(安川)PLC编程语言CP-717的结构及使用介绍 安川PLC控制软件CP-717内部功能完善,通讯及运算功能强大,能对PLC及变频器实施精密控制.CP-717支持CP-316,CP-316H,CP-317,CP-916A等PLC,可以进行远程I/O接收模块120I/O、2000I/O模块配置,另外可以和INVERTER通过216IF 建立通讯,实时监视、修改INVERTER参数等功能。
通过CP-717编程软件,可以方便的进行PLC离线编程、在线修改。
第一节 C P-717使用.启动和退出1 启动通讯过程本节说明如何开始CP-717和PLC之间的通讯过程。
1.1 打开通讯过程窗口打开通讯过程窗口双击台式机的屏幕上的“YE_Application”(YE_应用程序)图表,然后双击,“YE_Application”(YE_应用程序)窗口中的“Communication Manager”(通讯管理器)图标。
① 通讯过程窗口打开。
1.2 设置通讯过程(串联通讯)设置通讯过程①单击将要使用的端口的逻辑端口号。
② 通讯过程菜单的“File (F)”(文件)中选择“Setting(E)”(设置)。
③ 在对话框中,将“Port Kind”(端口类型)设定为“Serial”(串联),并且单击[Detail](细节)按钮。
④ 在对话框中,进行串联端口设置。
设置“波特率”到“9600”或“19200”。
保持“数据字节”、“奇偶性校验”和“停止字节”为默认设置。
然后单击[OK]按钮。
⑤ 在上述第(3)步逻辑端口设置的对话框中单击[OK]按钮。
串联通讯的信息在通讯过程窗口中设置。
⑥ 通讯过程菜单中的“文件(F)”中选择“保存(S)”。
⑦ 在消息框中,单击“是(Y)”按钮。
⑧ 在通讯过程菜单中的“文件(F)”中选择“退出(X)”。
通讯过程设置在关闭并重新启动通讯过程窗口后生效。
因为在启动CP-717时,通讯过程也同时开始,因此只要CP-717还未启动,无需重新启动通讯过程。
安川PLC程序及软件操作首先,为了编写安川PLC程序,需要使用特定的编程软件。
目前,安川PLC的编程软件主要有两种:一种是CX-Programmer,另一种是NANDIAS。
CX-Programmer适用于安川的CP1H系列和CP1L系列PLC,而NANDIAS适用于安川的NJ系列PLC。
下面将以CX-Programmer为例,介绍安川PLC程序的编写和软件操作过程。
第一步,打开CX-Programmer软件,并选择新建一个项目。
然后,选择一个适用于目标PLC型号的项目模板。
接着,输入项目名称和存储位置,并点击确定。
第二步,界面中会出现一个工程导航树,其中包含了程序、数据表、符号表、监视表等等模块。
在程序模块中,可以编写PLC的控制逻辑代码。
第三步,右键点击程序模块,选择新建立一个程序。
然后,在弹出的对话框中输入程序名称,并选择程序的类型(例如连续型、跳转型、或其他类型)。
最后,点击确定完成程序的创建。
第四步,双击打开刚刚创建的程序,并编写程序的逻辑代码。
PLC程序的编写语言一般采用梯形图(ladder diagram)方式。
在CX-Programmer中,可以通过拖拽功能块(Function Blocks)、输入、输出连接符号等等来编写代码。
编写完每一段代码后,都需要进行编译和上传到PLC设备中的操作。
第五步,编写完整的PLC程序后,可以使用仿真功能测试程序的正确性。
在CX-Programmer软件中,有一个仿真环境可以模拟PLC设备的工作情况。
通过运行仿真,可以验证程序的逻辑是否正确,以及PLC设备的输出是否满足预期。
除了CX-Programmer,还有其他一些与安川PLC相关的软件工具,可以用于更高级别的配置和监控。
比如,可以使用WINCAPS III软件来进行整个控制系统的配置和调整,用PLC Setup Tool软件来进行PLC设备的设置和管理,以及使用MotionWorks IEC软件来进行运动控制编程。