YASKAWA_TO_mpe720软件操作方法
- 格式:ppt
- 大小:8.41 MB
- 文档页数:39
MPE720使用方法培训资料
首先,MPE720的开机操作很简单。
按下电源键即可打开设备,屏幕
会显示欢迎界面。
接下来,您可以通过触摸屏幕上的图标进入各种应用程序。
MPE720配备了内置摄像头,可以用于拍摄照片和录制视频。
您可以
在主屏幕上找到相机应用程序的图标,点击进入后,您可以选择相机模式(照片、视频)以及调整相机设置(拍摄模式、曝光、白平衡等)。
然后,您可以点击拍照按钮或录像按钮进行操作。
此外,MPE720还支持多任务处理。
您可以同时打开多个应用程序,
并在屏幕上进行切换。
通过长按主屏幕或使用任务管理器,您可以查看所
有正在运行的应用程序,并选择切换到您需要的应用程序。
最后,MPE720还配备了电池,可供您使用。
在使用过程中,如果电
池电量低,您可以使用附带的充电器将其连接到电源插座进行充电。
在设
置中,您还可以查看电池电量以及调整电源管理设置。
总结:。
MP控制器编程调试软件(MPE720 V6.21)安装与卸载说明书--------为了方便公司销售部门与客户了解MP720软件,在此对软件的正确安装与卸载步骤进行说明。
具体步骤如下:注:此软件包包含四个应用程序,在安装完成后桌面会出现 ‘MPE720V6.’(编程软件),‘YASKAWA CamTool’(电子齿轮工具,设定电子齿轮的参数), ‘YE_Applcations’(通讯管理器)和Sigmawin+(sigma系列伺服调试软件)。
软件的安装¾将安装光盘插入光驱,点击光盘驱动器,就会弹出一个窗口,如下图所示:¾双击就会弹出下面一个窗口:¾点击上面MPE720窗口里的‘Install”按钮稍后就会弹出下面一个窗口:¾注:此窗口分为两部分,安装MP软件时请点击上面MPE720窗口里的‘Install”按钮;安装sigma系列伺服调试软件时请点击下面sigmawin+ 窗口里的‘Install”按钮。
¾在此窗口内,选择‘I accept the tems off the licenes agreement’,然后点击‘Next’按钮会弹出下面一个窗口:¾点击‘Next’按钮,进行下一步,稍后就会弹出下面一个窗口,如下图:出下面一个窗口:盘,然后点击‘Next’按钮,就会弹出下面一个窗口,如下图:¾然后点击‘Install’按钮,系统开始自动安装该软件,稍后弹出下面一窗口:¾点击‘Finish’按钮,安装完毕。
如下图所示:¾打开桌面,看会多出三个图标,说明此软件已装到计算机里,重启后便可操作。
¾注:在安装完成后,必须重新启动计算机,否则此软件不能正常操作!!软件的卸载注:我们前面说过,此软件包包含三个程序,在安装时会自动安装三个,但是当卸载时要逐一卸载!!¾点击‘开始‘按钮,选择控制面板,如下图所示:¾在控制面板里选择添加和删除程序,如下图所示¾双击添加和删除程序图标便会弹出一个窗口,如下所示:¾选择‘YASKAWA MPE720 Ver.6’选项,并单击删除按钮,便会弹出一个对话框,如下图所示:¾点击‘确定’按钮,程序会自动弹出一个窗口,如下图所示:¾单击‘Finish’按钮图标,程序便会自动弹出下面一个对话框,如下图所示:¾点击‘确定’按钮,计算机便会自动卸载此程序,待卸载完成后便会弹出下面一个窗口:¾点击‘Finish’按钮图标后,表示‘MPE720V6.’(编程软件),已卸载完毕,会弹出下面一个窗口,选择‘YASKAWA Electronic Camtool’并点击‘删除’按钮,如下图所示:此程序已被卸载,如下图所示:一个窗口:¾点击‘确定’按钮,系统会自动卸载‘YASKAWA Communication Manager’此程序。
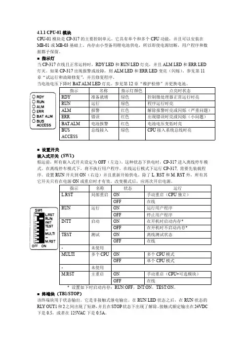
EM720剩余电流监控器操作手册Ver1.1目 录1概述 (1)2技术参数 (1)3安装、接线和配置 (2)4操作指导 (4)4.1 面板显示 (4)4.2 显示 (5)4.3 报警 (5)4.4 设置操作 (5)4.5 按键操作 (7)1概述EM720剩余电流监控器通过外接剩余电流互感器对系统或支路内剩余电流(漏电电流)监视,当监测值高于报警设定值并在设定延时时间内没有消除时,剩余电流监视器报警并通过485通信接口上传至局报警域控制中心等上级管理设备,并可以多种方式控制方式对相关保护电器进行分断操作。
EM720剩余电流监控器同时还可对支路的负荷电流,电压及表面温度进行监控。
2技术参数依据标准GB14287.2 GB14287.3额定电压 AC230V 额定剩余动作电流值设定 0.1-0.3-0.5-1A 报警延时设定值 0.5-1-5-10S 监视点数 1 额定电流设定(In) 10-630A 报警电流阀值 11-2.0In 监视数 4 温度报警输入 10-150℃监视点数 3 报警继电器输出 1CO继电器触点容量 220V/1A(AC-15)通讯地址 1-120 通讯接口类型 RS48513安装、接线和配置本章介绍EM720的安装方法、接线和配置,在安装前请仔细阅读。
3.1尺寸与安装3.1.1装置的机械尺寸及开孔尺寸图3-1-1 装置机械尺寸及开孔尺寸(单位:mm)3.1.2安装EM720剩余电流监控器采用快捷安装方式,机壳从配电箱体正面推入安装孔内即可完成安装工作。
23.2接线与配置3.2.1端子定义图3-2-1 端子接线示意图端子定义如下:电源输入:6-L,7-N,8-PE剩余电流输入:15-IT2,16-IT1相电流输入:9/10-Ic,11/12-Ib 13/14-Ia温度传感输入:21/22/23-D3,25/26/27-D2 29/30/31-D1, 24/28/32-FE 通讯总线:17/18- A/B(485)报警输出:1/2 –常开无源输出33.2.2接线图例注意:①对于TN-S系统可以使用3极断路器作为支路保护,但N线必须穿过互感器;②互感器与监控器的有效距离应小于5米,在电磁干扰较为严重的场所,建议使用有外屏蔽层的信号线,其外屏蔽层并接至PE端子;③为保证通讯可靠,通讯双绞线应有设有外屏蔽层,通讯双绞线的外屏蔽层可接至PE 端子;④温度传感器接入前应分别接入监视器,在温度设定菜单下进行传感器ID设定;⑤为保证通讯可靠,应在通讯末端的监控器通讯线路输入口并接120Ω电阻。
安川PLCMPE720的连机操作⾸次设定在第⼀次启动MPE720前要先进⾏必要的本地连接设置:开始—设置—控制⾯板—⽹络连接—双击本地连接。
弹出如下窗⼝:点击属性按钮在此连接使⽤下列项⽬的窗⼝⾥选择 Internet 协议(TCP/IP),然后点击属性按钮。
随即出现Internet 协议(TCP/IP)属性窗⼝。
选择使⽤下⾯的IP地址(S)选项,IP地址和⼦⽹掩码如下填写:在Internet 协议(TCP/IP)属性窗⼝点击确定按钮,然后关闭本地连接属性窗⼝和本地连接状态窗⼝,本地连接设置完成。
打开YE_Applications⽂件夹,双击MPE720图标,运⾏MPE720。
注意运⾏MPE720时,Communication Manager也⼀同运⾏,否则之后⽆法通信。
双击任务栏右下⾓的Communication Manager图标,将出现如下窗⼝点击逻辑端⼝1,点击菜单⽂件—设定…,出现逻辑端⼝设定窗⼝在端⼝类型选择 CP—218按确定后,点击Communication Manager窗⼝的菜单⽂件——端⼝分配保存保存确定后,关闭Communication Manager窗⼝,双击Communication Manager图标,重新启动Communication Manager。
重启动后逻辑端⼝1的状态已经准备完成,见下图。
激活File Manager窗⼝,点击菜单View—选择Configuration弹出下⾯窗⼝,Controller type只选择MP2300和MP930.点击Ladder Editor标签,将Use the new ladder editor的勾去除.点击User management标签,将默认⽤户和默认密码改为USER-A确认后弹出要求重新启动MPE的窗⼝新建控制器名称按确定后重新MPE720。
右键点击root,选择New—Order Folder选择New—Order Folder后,出现Make New Folder窗⼝,在Make New Folder窗⼝的Order Name框⾥填⼊喜爱的字符,如PM按确定后把root展开,右键点击PM,选择New Folder--点击Controller Folder,弹出如下窗⼝,在控制器的信息标签⾥(Information),填写控制器的名称(如写⼊出⼚序列号或设备编号,在这⾥填写了151,选择机种MP2300。