杰理AC1074 MP3解码芯片ic方案说明
- 格式:pdf
- 大小:315.86 KB
- 文档页数:4
MP3解码芯片简介及其方案介绍MP3解码芯片简介及其方案介绍解码芯片,它的作用顾名思义就是将存储在介质(Flash或者硬盘)上的MP3文件解码。
它是MP3随身听工作中最重要的一环,很大程度上影响产品最终的音质表现。
MP3是一种有损压缩的格式,如果MP3随身听拥有优秀的解码芯片就能够更好地还原音频信号的质量,很大程度上弥补音频信号的损失。
将MP3解码芯片、MCU(微处理器)、接口控制芯片再加上操作控制电路集成到一起称为一个芯片方案,或者叫主芯片,我们常听到的什么PHILIPS×××芯片方案、SIGMATEL××××芯片方案,就是这个意思。
比较知名的、高档一些的芯片方案,主要有PHILIPS、SIGMATEL、TELECHIPS,其它相对来说比较低端一些的有台湾SUNPLUS(凌阳)、珠海炬力等。
以SIGMATEL STMP3410芯片为例,我们就可以了解到“主芯片”的原理和作用了:SIGMATEL STMP3410芯片原理框图由原理图理论上我们可以看出,“主芯片”是以解码DSP(数字信号处理器)为核心的,集成了各种接口控制芯片和控制电路,所以它的实际作用已经远远不止是解码芯片了,但现实中人们仍然习惯性地称它们为“解码芯片”。
下面简要介绍前三种应用较广泛的芯片方案。
1、 PHILIPS芯片方案iRiver和MPIO是MP3随身听发源地韩国的领导品牌,他们的产品无论是音质还是品质都是很有口碑的,这也成就了PHILIPS解码芯片的高端地位。
PHILIPS 的系列芯片SAA7750、SAA7751、PNX0101ET本身仅仅是解码芯片,必须搭配其他的控制芯片才能使用。
PHILIPS解码芯片本身价格就比较昂贵,再加上外围芯片整体成本就比较高了,因此采用PHILIPS解码芯片的MP3价格一般都比较昂贵。
PHILIPS SSA7750EL芯片PNX0101ET是SAA7750EL的改良型,外型体积小了,性能及功耗却有所提高。
杰理解决方案1. 引言杰理解决方案(Jerem解决方案)是一个综合性的软件和硬件集成解决方案,旨在为各种电子设备提供高效、可靠的解决方案。
该解决方案由一家名为杰理科技(Jerem Technology)的公司开发和提供。
本文档将介绍杰理解决方案的主要特点和优势,并提供一些示例和用例,以帮助读者更好地了解和应用该方案。
2. 特点2.1 软件特点•开源软件:杰理解决方案基于开源技术,使用户能够自由使用、修改和分发软件。
•多平台支持:该解决方案可适用于各种主流操作系统,包括Windows、Linux和macOS。
•强大的功能:杰理解决方案提供丰富的功能和工具,包括音频处理、图像处理、人工智能和物联网等,满足用户对各种场景的需求。
•易于集成:该解决方案提供了简单易用的API和SDK,方便用户将其集成到自己的项目中。
2.2 硬件特点•高性能处理器:杰理解决方案采用高性能处理器,提供强大的计算能力和运行效率。
•丰富的外设接口:该解决方案具有各种外设接口,包括USB、HDMI、以太网等,满足用户对外设扩展的需求。
•可靠的固件支持:杰理解决方案的固件经过严格测试和验证,确保系统的稳定性和可靠性。
3. 优势3.1 灵活性杰理解决方案的软硬件集成设计使得用户能够根据自己的需求进行定制和扩展。
用户可以根据自己的项目要求选择合适的软件和硬件配置,以满足不同场景下的需求。
3.2 易用性杰理解决方案提供了友好的用户界面和可视化工具,使用户能够轻松地进行开发和测试。
同时,该解决方案还提供了详细的开发文档和示例代码,帮助用户快速上手和应用。
3.3 性能和效率杰理解决方案采用先进的技术和算法,提供强大的计算能力和运行效率。
该解决方案的硬件部分配备高性能处理器,能够处理复杂的任务并提供优异的性能表现。
3.4 可靠性和稳定性杰理解决方案的软件和硬件都经过严格的测试和验证,确保系统的可靠性和稳定性。
该解决方案的固件支持长时间稳定运行,有效避免系统崩溃和数据丢失等问题。
mp3解码芯片MP3解码芯片是一种集成电路,用于将数字音频信号编码成MP3格式,并将其解码为模拟音频信号。
它是电子设备中的核心部件,广泛应用于数字音频播放器、手机、汽车音响等产品中。
MP3解码芯片的主要功能是将MP3格式的音频数据解码为模拟音频信号,使人们能够听到高质量的音乐。
这个过程包括解压缩、解码和DSP处理等步骤。
首先,MP3解码芯片会将传输的MP3文件进行解压缩,将其还原为无损的音频数据流。
解压缩过程主要包括解开文件头部分和还原音频数据部分。
文件头部分包含了音频的格式信息、采样率、码率等重要参数;音频数据部分则是由压缩算法压缩过的音频信号。
接下来,解码芯片会对解压缩后的音频数据进行解码,将其转换为数字音频信号。
解码过程主要包括对各种音频格式进行识别、量化和反量化、哈夫曼解码等步骤。
通过这些步骤,解码芯片能够还原出高质量的音频信号。
最后,MP3解码芯片还会对解码后的音频信号进行数字信号处理(DSP),包括去噪、音效处理、均衡器调整等功能。
这些处理能够改善音频的质量,使其更加逼真、清晰。
MP3解码芯片的技术和性能对音频质量有着重要影响。
高质量的解码芯片能够实现更好的音频还原效果和低功耗。
而低质量的解码芯片则可能导致音频失真、噪音增加等问题。
目前市场上有很多厂商生产MP3解码芯片,其中一些知名的厂商包括瑞萨电子、美国ADI(Analog Devices Inc.)、意法半导体(STMicroelectronics)等。
这些解码芯片在音质还原、功耗、接口兼容性等方面都有不同的特点和优势,供应商可以根据产品需求选择合适的解码芯片。
总之,MP3解码芯片是一种重要的集成电路,将MP3格式的音频数据解码为模拟音频信号。
它通过解压缩、解码和DSP 处理等步骤,实现了音频信号的还原和处理功能。
高质量的解码芯片能够实现更好的音频质量和低功耗,对音频设备的性能有着重要影响。
杰理蓝牙MP3车载播放器解码板原头方案商
一、概述
蓝牙MP3播放器对于现在来说已不是什么新鲜事了,但对于一些新的客户和对这行不了解的人来说,想要找到一个合适的方案公司,也不是一件易事,现在把我公司开发的一款产品分享给大家看一下,这款产品在淘宝的销量还是可以的
二、产品图片
三、主品功能说明
1、支持蓝牙音频、U盘播放、TF卡播放、FM收音、AUX(外音输入)、红外摇控
2、支持四个AD按键操作(VOL-、PLAY/PAUSE、VOL+、MODE)
3、支持MP3、WMV、FLAC、APE格式解码,支持蓝牙通话
4、产品不自身不带功放,只有DAC双声道输出,需要接外部的功放
5、支持多种供电方式(6V-24V要加7805稳压,3.3-4.2V不贴7805贴板上的0欧电阻)
6、支持差异功能的定制
四、产品特点
1、主芯片外围元件少,只要5个105电容
2、方案采用的是杰理方案,芯片性价比高,货源稳定,芯片性能稳定
3、芯片软件自己开发,非常的灵活,有功能要求再改的,也是可以沟通
五、数码管资料
数码管为我公司长期合作的生产厂家,有需要
的可以直接推送。
六、产品原理图
原理图中哪个输出静音管,要求不高的又要省成本的可以省去,DAC输出不受影响。
AC1082杰理MP3芯片ic方案详细介绍AC1082方案说明AC1082是一款支持MP3、WAV格式硬解码方案的单芯片,SOP16封装,最高支持320kbs的MP3文件解码播放,芯片可以通过软件实现外接U盘和TF卡,以及收音和遥控功能,支持标准的windows推荐的FAT 和FAT32格式的文件系统一、参考原理图1、以下方案图,是我们整理的一个标准版图纸,用户可以直接按照此方案画板2、请一定看清楚我们给出的原理图的注意事项二、芯片的管脚说明1、KT2083这颗芯片,本身是可以编程的,这里我们给出的资料是我们的标准软件,也就是说我们出货都是默认烧录程序了。
用户可以直接贴板自己测试了,非常简单2、KT2083除了实现以上说明的功能,还可以实现很多其它的功能。
因为这颗芯片是可编程的3、KT2083只是整个芯片家族的一个型号而已,还有更多的芯片,欢迎和我们沟通交流方案,我们必定能满足您的需求4、技术支持:[QQ:2491352264]三、功能说明:1、支持TF卡和U盘播放[最大支持32G]2、支持外接24C02作为断点记忆。
支持外挂收音机芯片[RDA5807或者BK1080]3、支持10个按键,每一个按键分配一个电阻。
4、播放过程无任何杂音和爆破音。
5、按键的功能列表如下:阻值[22K上拉]短按长按按着不松抬起00-220K--3V单曲循环01-100K--2.7V EQ02-51K--2.3V下一曲音量+03-33K--2V上一曲音量-04-24K--1.7V模式键05-15K--1.3V音量+06-9K1--1V音量-07-6K2--0.7V下一曲快进08-3K--0.3V上一曲快退09-0R--0V播放暂停备注:为空的表示无功能[QQ:2491352264]6、软件支持USB更新TF卡里面的文件,支持声卡模式[就是连接电脑,播放电脑的音频]7、软件支持外接功放的静音控制【14脚】。
来消除开机、关机、中间切换歌曲,播放暂停带来的杂音。
MP3二十款解码芯片全解析MP3二十款解码芯片全解析虽然现在芯片已经不能完全决定MP3的好坏,值与不值。
但是如果在选购MP3的时候对MP3芯片没有任何了解,那么很容易被经销商蒙混过关。
所以,选购MP3的时候不要求精通芯片功能,但是多少也要知道一些。
如今,飞利浦,Sigmatel,Telechips等还是主流的解码方案,但是芯片的性能却提升了不少。
而且三星等厂商也推出了自己的高性能解码系统。
一、飞利浦系列产地:荷兰如果一定要评出目前市场上最好的MP3解码芯片的话,那么无疑就是飞利浦芯片了。
飞利浦家族的解码芯片在业界一直以其“功能全,音质好,价格高”而著称。
飞利浦的解码芯片一般都采用的是BGA封装工艺,而国内的这方面技术相当有限,此外,由于飞利浦的解码芯片需要搭配另外的控制芯片电路协同工作,所以产品成本较高。
所以采用飞利浦解码芯片的厂商往往都定位于中高价位,如MPIO和IRIVER这两家韩国的MP3专业厂商。
这两个品牌一个最主要的共同特点就是在产品中全面采用了飞利浦的解码芯片。
因此,他们的产品拥有很高的音质和品质,成为全球MP3爱好者追逐的对象。
1、飞利浦SAA775X系列(SAA7750/7751/7752/7753)飞利浦SAA775x芯片是目前市场上MP3播放器解码芯片组中功能最全(支持CD直录),效果最好的解码芯片之一。
该解码芯片的音质表现为:低音下沉较深、中音表现出色、而相比之下高音则显得一般。
因为SAA775x中内含DSP(Digital Signal Processing,数字信号处理)和32位ARM RISC 处理器,所以能用超高集成度的单颗芯片,音频解码和语音编码等工作,并且可以加入SDMI(Secure Digital Music Initiative,安全式数字音乐)保护。
其中SAA7750内含DSP和32位ARM RISC处理器,信噪比为90dB。
该芯片兼容多段多档位EQ智能音效,支持以ADPCM格式保存语音记录、同步显示歌名和歌曲信息、Line-in 直录,此外还支持USB1.1/2.0标准,支持多重音乐格式解码。
解开芯中疑惑MP3解码芯片全攻略解开芯中疑惑MP3解码芯片全攻略默认分类2007-08-15 19:27:56 阅读2075 评论0 字号:大中小订阅解开芯中疑惑 MP3解码芯片全攻略作者:佳阳飞利浦芯片篇解码芯片是MP3的处理核心,其主要作用就是将存储在介质上的MP3文件解码。
并还原成模拟的声音,然后通过耳机播放出来。
它是MP3工作中最重要的一环,很大程度上影响了最终的音质表现。
由于MP3是一种有损压缩的编码格式,优秀的解码芯片能够更好地还原音频信号,可以在很大程度上弥补音频信号的损失。
相反的,低端的解码芯片会令MP3的编码信息进一步损失。
随着芯片技术的发展,新一代的解码芯片已经不单单只有MP3解码功能。
而是将MP3的很多扩展功能(如Line In、USB2.0高速传输接口等)集成在芯片内部,降低了MP3外围电路的复杂性。
给MP3的小型化提供了可能,同时给MP3带来了越来越齐全的功能。
解码芯片对于MP3的重要性,相当于引擎对于汽车。
没有好的引擎,断然造不出好车。
但是有好的引擎,却不一定代表可以造出好车,还要看厂家的研发制造能力。
对于MP3来说,电路的PCB设计、焊接的工艺、线路板材料和元器件的选料都是很关键的。
各个厂家之间有着很大的区别,特別是大厂和一些杂牌厂家的区别就更大了。
因此,即便使用的是相同的芯片,不同产品之间的价格差异还是很大的。
建议大家在选购产品时除了认明芯片外,也尽量选择一些名牌大厂的产目前市场上流行的MP3解码芯片有很多,但最受推崇口碑最好的还是PHILIPS芯片。
它几乎一向都出现在高端的MP3中,功能非常强大,音质相对其他方案也更加的突出。
可以这么说,PHILIPS是目前最好的MP3芯片制造商,它的MP3芯片是目前市场上音质表现最好的。
今天PHILIPS的MP3解码芯片已经发展成了一个大家族,主要有SAA775x系列和PNX010x系列,不同型号的产品,性能和功能上都存在较大差异。
Mp3单片机说明一、简介目前传统的MP3芯片方案,已经非常的普及了,成本已经低到白菜价了,但是要挑选一个合适的MP3加单片机控制功能的芯片,其实也不好找,这个就是一个市场的空白,我们主推的KT403A 芯片兼容MP3解码和单片机的控制功能,可以大大的加强产品的竞争力二、主流分析市面上主要的方案分为两种(1、是掩膜类(MASK )、一次性(OTP )类的,它的特点是时间段,音质差,并且不可重复的更换语音,这个是目前市场的主流(2、TTS 芯片方案,虽然其语音播报灵活,但是语音播报的生硬和成本高昂的不够,也限制了其的发展(3、就是我们的推出的KT403A 方案,支持MP3解码,支持USB 直接更换语音,可重复烧录语音的超小型的SSOP24封装,语音播放完全媲美音箱的效果,清晰和灵活。
支持外扩TF 卡,U 盘等等存储设备,另外支持插播广告,十分的方便和简洁。
(4、KT404A 支持组合播放的功能,支持连续播报多个语音。
三、优势说明相比较市场的其他方案,我们的优势十分的明显⏹⏹⏹⏹⏹⏹音质接近电脑的播放水准,声音清晰并且圆润芯片采用的是MP3解码的方法,所以相比较传统的WA V 的OTP 方案,在音频压缩方面有着非常大的优势。
同时支持TF 卡和U 盘播放KT404A 支持外部的存储器扩展,用户根据需要的大小,进行贴心的选择语音可以分类管理,支持循环播放,随机播放,一对一播放、组合播放等等,十分灵活KT404A 支持USB 直接更新语音,烧录次数超过10万次。
用户可以随意的更换声音,极其简单KT404A 出货为封装片,保证了良率,同时交期最多3天,对数量无任何要求四、方案简述1、方案框图2、硬件参考电路说明如上图,可以很清晰的看出硬件的外围电路是极其简单的,bom 成本低廉(1、主控KT404A 芯片或者KT403A 。
用户可以根据自己的需要选择合适的芯片方案(2、可以存储语音的SPIFLASH 芯片,保证方案的稳定无后顾之忧的运行(3、外挂音频放大的功放芯片,保证音质(4、电池的电路电路(5、支持芯片级的USB 直接替换声音。
杰理解码芯片型号-概述说明以及解释1.引言1.1 概述杰理解码芯片是一种在数字信号处理领域有着广泛应用的集成电路芯片。
其主要功能是将数字信号进行解码和转换,从而实现音频、视频等多媒体数据的解码和播放功能。
杰理解码芯片具有高性能、低功耗、稳定性高等特点,被广泛应用于无线音频设备、家庭影音系统、汽车音响等领域。
本文将对杰理解码芯片的型号进行深入了解,探讨其特点、应用及未来发展趋势,希望能为读者提供更全面的了解和认识。
1.2 文章结构本文将首先介绍杰理解码芯片的概念和背景,包括其在音频领域的应用和重要性。
接着,将详细分析杰理解码芯片的特点,比如其技术参数、性能优势和市场竞争力。
然后,将探讨杰理解码芯片在不同领域的应用,包括音频播放器、无线音响和汽车音响系统等方面。
最后,将总结本文的主要观点,展望杰理解码芯片的未来发展,并提出对相关领域的建议和展望。
通过以上结构,读者可以全面了解杰理解码芯片的相关知识和应用领域,为进一步研究和应用提供参考和指导。
1.3 目的:本文旨在深入探讨杰理解码芯片的型号和特点,帮助读者更好地了解这一技术并应用到实际生活中。
通过对杰理解码芯片的介绍和应用,读者可以更全面地了解它的作用和价值,从而为未来的技术发展和应用提供参考和启示。
同时,希望通过本文的阐述,引发读者对杰理解码芯片的兴趣,促进技术创新和发展。
容2.正文2.1 了解杰理解码芯片杰理解码芯片是指由杰理公司研发生产的一种集成电路芯片,主要用于音频解码和播放。
杰理解码芯片采用先进的技术和设计,具有高性能、低功耗、稳定性强等优点。
杰理解码芯片在音频处理方面具有优秀的性能,能够支持多种音频格式的解码和播放,如MP3、WAV、FLAC等。
同时,杰理解码芯片还具有丰富的接口和功能,可以与各种外部设备和模块进行连接和控制,实现更加灵活和多样化的应用。
除此之外,杰理解码芯片还具有良好的兼容性和稳定性,能够保证音频数据的快速解码和稳定播放,为用户提供优质的音乐体验。
杰理解码芯片型号全文共四篇示例,供读者参考第一篇示例:杰理解码芯片是一种用于音频解码的芯片,主要用于将数字信号转换成模拟信号的过程。
它可以将数字的音频信号转换为模拟的音频信号,同时也可以实现不同音频格式的解码。
杰理解码芯片在音频领域有着广泛的应用,可以用于手机、音响、耳机等各种音频设备中。
杰理解码芯片的型号主要包括JL2601、JL2602、JL2603等系列,每个型号都有着不同的性能和功能特点。
JL2601是一种低功耗的解码芯片,适用于智能手机、平板电脑等终端设备,能够实现高清音乐的解码和播放。
JL2602是一款高性能的解码芯片,支持高保真音频解码和输出,适用于高端音响系统、专业音乐设备等领域。
JL2603则是一种多功能解码芯片,集成了蓝牙、Wi-Fi等无线传输功能,可以实现音频的无线传输和接收。
杰理解码芯片的优势在于其高性能、低功耗和多功能性。
它能够提供稳定的音频解码和输出效果,保证音质的高清晰度和逼真度。
杰理解码芯片还具有低功耗的特点,可以降低设备的能耗,延长续航时间。
杰理解码芯片还支持多种音频格式的解码,包括MP3、WAV、FLAC等常见格式,满足用户对不同音频格式的需求。
在未来,随着音频技术的不断发展和更新,杰理解码芯片也将不断升级和优化,提供更加高端、高性能的解码产品,满足用户对音质和音频体验的要求。
杰理解码芯片也将进一步融合无线传输技术,实现更加便捷和智能的音频传输方式,为用户带来更加便利的音乐享受体验。
第二篇示例:杰理解码芯片是一款专门用于音频解码和处理的芯片,广泛应用于各类音频设备中,如耳机、音响、手机等。
在数码音频领域,杰理解码芯片已经成为了行业内的翘楚,备受消费者和厂商的青睐。
杰理解码芯片的型号种类繁多,适用于不同的音频设备和需求。
其中比较常见的型号有JLS1A、JLS1B、JLS1C、JLS2A等。
每个型号都有其独特的特点和功能,能够满足不同用户的需求。
首先我们来看一下JLS1A型号的杰理解码芯片。
JL杰理AC6082AC6084替换AC1082AC1074MP3解码芯片方案
一、MP3音频解码芯片
因外部环境的影响,国内消费类电子产品的主要芯片,处在不是缺货就是停产的状态。
特别是做MP3音频播放解码芯片,缺的更严重。
目前几大芯片商杰理、建荣、山景,都存在缺货和的问题。
为止,杰理新推出了AC6082和AC6084两款MP3音频解码芯片,来替代或者迷补目前AC1082和AC1074的货源不足的问题。
二、AC6082和AC6084的亮点说明QQ:298391364
1、这个芯片是个FLASH版本,也就是说芯片程序是可以反复烧录的,这样就大大的降低了生产损耗。
2、这个芯片我们分析是从蓝牙芯片分割出来的,解码格式比原来的AC1082和AC1074多,最大的不同就是支持FLAC、APE
3、支持在线调EQ,EQ支持10断可调
4、支持MIC录音和扩音功能
5、信品比比AC1082和1074的好很多,通俗的说就是音质要好
6、AC6084支持带数码管显示功能
7、注意:AC6082、AC6084不能和AC1082\AC1094脚PIN对PIN使用。
三、AC6082和AC6084的芯片资源
四、AC6082参考原理图
五、AC6084参考原理图
六、layout注意事项
既然AC6082和AC6084是蓝牙芯片分割出来的,在PCB的布线时也就有要求了。
如下图AC6082B的地线布线方法,所有音频相关的外围的地必须单独连接至芯片VSS管脚处。
mp3播放器芯片方案随着科技的不断进步和发展,音乐已经成为人们生活中必不可少的一部分。
而MP3播放器作为便捷的音乐播放设备,不仅让我们随时随地享受音乐的美妙,也在市场上得到了广泛的应用和关注。
然而,一个优秀的MP3播放器离不开一个高效的芯片方案。
本文将介绍一种可行的MP3播放器芯片方案。
一、芯片选取在选择MP3播放器芯片方案时,我们应该考虑以下几个因素:音质、功耗、存储容量和兼容性。
鉴于这些因素,我们选择了一款市场上较为成熟的芯片。
它具有优秀的音质表现、低功耗特性、大容量支持和较强的兼容性,能够满足用户对于音乐播放器的基本需求。
二、硬件设计在MP3播放器芯片方案的硬件设计中,我们需要考虑到音质、存储、界面和电池寿命等因素。
1. 音质设计为了保证MP3播放器的音质,我们应配置高品质的DA转换器和放大器,以确保音乐的还原度和输出功率。
此外,还需考虑到音频解码和音频编码的相关算法,以实现高保真音质的呈现。
2. 存储设计MP3播放器芯片方案需要支持外部存储设备,如TF卡或闪存芯片。
因此,在硬件设计中我们需要考虑嵌入式存储控制器的选择以及与存储设备的接口设计。
同时,为了提高读写速度和存储容量的扩展性,我们还需考虑采用高速接口,如USB 2.0或SDIO等。
3. 界面设计一个良好的用户界面设计是MP3播放器的重要组成部分。
在硬件设计中,我们可以选择合适的触摸屏或物理按键,并配置液晶显示器以显示各种信息,如歌曲名、播放进度等。
此外,还可以添加一些实用的接口,如耳机接口、USB接口和音频输入接口,以满足用户的多样化需求。
4. 电池寿命设计为了延长MP3播放器的使用时间,我们需要考虑采用低功耗设计方案。
在硬件设计中,我们可以选择低功耗的处理器和及时关闭未使用的模块,以降低系统功耗。
此外,还可以添加电池管理芯片以对电池进行充放电控制,以提高电池的使用寿命。
三、软件开发MP3播放器芯片方案的软件开发是一个关键的环节。
AC1082杰理MP3芯片详细说明
一、芯片图片
二、芯片简介
AC1082是一款支持MP3、WAV 格式硬解码方案的单芯片,SOP16封装,最高支持320kbs 的MP3文件解码播放,芯片可以通过软件实现外接U 盘和TF 卡,以及收音和遥控功能,支持标准的windows 推荐的FAT 和FAT32格式的文件系统
三、芯片参数
名称参数
MP3文件格式1、支持所有比特率11172-3和ISO13813-3layer3音频解码2、采样率支持(KHZ):8/11.025/12/16/22.05/24/32/44.1/483、支持Normal、Jazz、Classic、Pop、Rock 等音效
USB 接口 2.0标准
输入电压 3.3V-5V[7805后级串一个二极管为最佳]或者锂电池供电
额定电流10MA[静态]低功耗电流<200uA
工作温度[-40度]--[80度]
主芯片型号
AC1082
四、AC1082的管脚说明。
解码芯片
一、解码芯片:
1.选用UDAl1314
2.UDAl1314是飞利浦公司的一款经济的音频CODEC,用于实现模拟信号的音频数据的采
(音频A/D)和数字信号的模拟输出(D/A),并通过IIS数字音频接口,实现音频信号的数字化处理。
UDAl1314de IIS引脚分别接到S3C2410的对应的IIS管脚上,音频输入输出(VIN,VOUT)分别处理麦克风和扬声器的处理,UDAl1314的L3管脚用来控制输入输出音频信的音量大小。
L3接口的引脚L3MODE、L3DATA和L3CLOCK分别接到S3C2410的IISCL、IISCSDA和GPF6引脚上。
TDA2822是功放,通过UDAl1314TS 的输出端连接J8的喇叭。
3.UDAl1314管脚及其功能:
4.UDAl1314芯片的内部结构
4.如何与S3C2410相接的电路图
5.S3C2410中和该部分连接的部分:
放大电路:
TDA2282模块代替放大电路这样可以省事很多。
MMC的介绍:
MMC的发展目标主要是针对数码影像.音乐.手机.PDA.电子书.玩具等产品.号称是目前世界上最小的Flash Memory存贮卡.。
JL杰理AC6926A蓝牙MP3芯片IC方案的开发说明
JL杰理AC6926A蓝牙MP3芯片方案开发说明
一、简介
AC6926A作为一个单芯片的蓝牙解决方案,广泛应用于蓝牙音箱、蓝牙对箱、带点阵屏和LED数码管音箱。
是珠海杰理科技推出的一款性价比比较高的产品二、功能特点
*支持蓝牙、USB设备、TF卡、FM、AUX、通话
*支持10个AD按键、支持多路I/O口按键
*外围元件少,芯片四面内出脚,QFN32脚,芯片4*4MM封装。
*支持摇控功能
*支持点阵屏、数码屏、LCD屏的显示功能
*支持光纤信号输入
*蓝牙版本:兼容蓝牙V5.0+BR+EDR+BLE
三、AC6926A管脚说明
四、芯片资源说明
五、AC692N与之前蓝牙芯片的功能对比分析
六、AC692N功能选型表
七、AC6926A标准原理图
原理图在网上可以下载到更清晰的资料,同时也可以向我们索取。
杰里的所有系列的芯片,都是一个晶圆,只是根据不同的需求,
进行不同方式的封装,也就是说AC6920N系列里面SSOP24和LQFP48封装的晶圆是一样的
注意,AC692N系列的芯片是可以反复烧录的,有想法的朋友可以自己摸索的。
八、提醒说明
*芯片为可编程,由于程序是烧录在芯片内部的flash中,所以可以重复擦除*感兴趣的朋友,可以自己开发,因为AC692N系列不需要开发板,不需要烧录器
*如果要自己开发的话,最好要买一个现成的板子,引出基本的gpio和串口、USB口就可以了。
珠海杰理芯片分类一、简介MP3方案,蓝牙方案,WIFI方案,行车记录仪方案是目前主打的方案。
而目前为止主推的还是蓝牙方案。
作为一家准上市的芯片原厂,杰里的发展无疑是快速并且稳健的,目前杰里成立了短短5年的时间,现在已经发展到接近200人的研发团队,发展之迅猛,令人敬佩不已。
同时杰里之下的生态圈,已经遍及整个珠海三角,下属的方案公司和代理商不计其数。
因为杰里的芯片方案在市场上还是有一定的优势,并且不断的有新产品投向市场,作为杰里下面的一家,我们见证了杰里发展的这5年,只能说,真心不容易,佩服二、AC109N系列芯片的特点●小型封装SOP16。
生产加工方便●支持USB设备、TF卡、FM、AUX、FLASH。
●支持遥控功能●按键稳定支持10个,上一曲、下一曲●可以扩展玩具方案、插卡音箱方案下面举例最低成本的方案,即AC10821、AC1082的管脚说明以及资源三、AC309N系列芯片的特点1、目前3系列的芯片出货量偏低,所以价格是相对比较高一点,目前3系列出货的芯片就只有两款,分别是AC3090和AC30942、系列芯片的特点是支持录音和WMA解码,其它的和1系列基本一样。
另外3系列的芯片支持SPI方案,也就是支持“歌词显示”方案。
其实杰里的歌词显示方案做得并不好,做得最好的还是炬力的3、这个系列的方案不推荐朋友们关注,因为这个已经退出接近4年了,后面迟早会停产的四、AC319N系列芯片的特点1、目前AC319N系列芯片的用量还不是很大,也不算便宜,基本上都只是一些大客户再用,2、此系列的芯片主要争对的是车机,以及复读机之类的方案,3、因为此款芯片的特点是可录音,不支持WMA格式的解码,支持播放变速变调等等特点五、AC410N系列芯片的特点1、此系列的芯片是一个过渡期的产品,目前已经停产了,不建议朋友们关注2、支持蓝牙2.1版本的,但是RF需要外加别人的芯片,主流的如:BK3515、RDA5876之类的芯片。
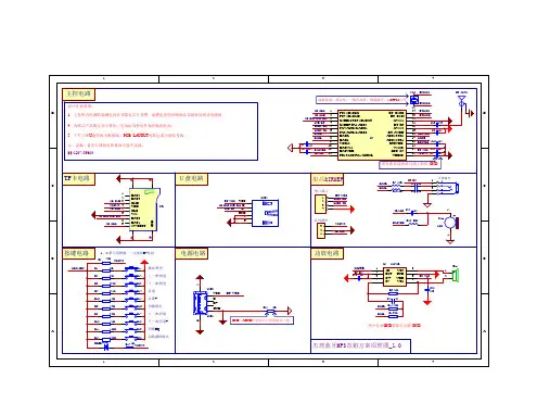
AC1074方案说明
一、简介
AC1074是杰理2016年中旬推出的一款mp3解码芯片,QSSOP24封装的,支持MP3和WAV。
24位的DAC 输出[这个参数含水分]。
这款芯片的主要目的是替代AC1094,为了降低成本
AC1074和AC1094是完全pin对pin的,但是封装不同
二、杰理方案的分类说明
系列分类对应的芯片目前版本封装备注
2系列已经停产,无需关心
1系列AC1090E版LQFP48多GPIO口AC1094E版SSOP24
AC1093E版SSOP24
AC1082E版SOP16
AC1074E版QSSOP24替代AC1094
1系列的特点单价低,2013年推出的,生命周期要长。
支持MP3、WAV。
不支持录音和WMA解码
3系列AC3090-C C版LQFP48带录音AC3094-C C版SSOP24
AC3082-C C版SOP16
3系列的特点是单价高,支持录音和WMA格式的解码,生命周期可能会短
4系列[蓝牙方向]AC4101目前主推的蓝牙芯片
AC4106低成本蓝牙基本停产无需关心AC4107目前主推低成本蓝牙,AC4109争对蓝牙耳机应用
4系列的特点是芯片为ARM内核,时钟最高128M,分别应用在蓝牙和语音识别,QQ:2491352264 AC46系列AC4601LQFP48支持点阵屏
AC4602SSOP28
AC4603SSOP24
AC4605SSOP20
AC46系列,是单芯片的蓝牙芯片,目前是主推的蓝牙方案[插卡+蓝牙+FM],但是缺点就是功耗比较大
杰里的所有系列的芯片,都是一个晶圆,只是根据不同的需求,进行不同方式的封装,也就是说1系列里面SOP16和LQFP48封装的晶圆是一样的
三、AC1074的特点
●小型封装QSSOP24。
两边出脚。
生产加工和调试十分方便
●支持USB设备、TF卡、FM、AUX、FLASH。
●支持遥控功能
●按键稳定支持10个,上一曲、下一曲
●可以带显示的插卡方案,另外高达15个可用的GPIO,可以组成很多功能
1、AC1074的管脚说明
引脚序号引脚名称功能描述备注1DACL左声道
2DACR右声道
33V3 3.3V稳压输出
4VIN电源输入 3.2V-5V
5GND电源地
6P23/P24通用输入输出口AUX输入脚
7P25通用输入输出口AUX输入脚
8P26通用输入输出口可以做GPIO 9P27通用输入输出口可以做GPIO 10P46/VPP通用输入输出口外部中断[低触发] 11P17通用输入输出口SPI的输入12P16通用输入输出口SPI的时钟13P01通用输入输出口SPI的输出14P00通用输入输出口
15P05通用输入输出口
16P02通用输入输出口
17P20通用输入输出口SDCLK
18P21通用输入输出口SDCMD
19P22通用输入输出口SDDAT
20USBDM通用输入输出口USB-
21USBDP通用输入输出口USB+
22RTCVDD复位脚复位脚
23VCOM DAC的参考电压DAC的参考电压24DACVSS DAC的输出地DAC的输出地
2、管脚的详细介绍
3、芯片代码划分
mon:启动代码,库函数
2.DAC:DAC模块驱动,控制函数
3.FM:FM模块驱动,控制函数接口,模式主循环
4.IIC:IIC模块驱动,读/写接口
5.key_msg:AD按键初始化,扫描函数,红外遥控扫描函数,消息处理函数
6.Line in:Line In控制函数接口,模式主循环
7.Music:解码控制接口,音乐控制函数接口,音乐模式主循环
8.RTC:RTC模块初始化函数
9.UI:LCD/LED/LCD SEG屏幕驱动,显示界面
B Device:USB从机主循环
4、1074标准原理图
四、特别说明:
●芯片为可编程,但是是OTP的,只能烧录一次
●烧录芯片必须原厂提供的专用烧录器
●如果用户有兴趣自己开发程序,我可以联系我们。
因为开发工具和烧录器,都是十分宝贵的,原厂都
是有严格的管控。