检验科样品管理程序
- 格式:docx
- 大小:11.99 KB
- 文档页数:2
样品管理程序-检验科程序文件样品管理程序检验科程序文件一、目的为了保证检验科样品的完整性、准确性和可追溯性,规范样品的采集、接收、保存、处理和销毁等环节,特制定本程序文件。
二、适用范围本程序适用于检验科所有样品,包括血液、尿液、脑脊液、胸水、腹水、组织切片等。
三、职责1、采样人员负责按照相关标准和操作规程进行样品的采集,并确保样品的质量和数量符合要求。
在采集样品时,应详细记录患者的基本信息、采样时间、采样部位等。
2、送检人员负责将采集好的样品及时、安全地送达检验科,并与检验科接收人员进行交接。
3、检验科接收人员负责对送检的样品进行检查和核对,包括样品的数量、质量、标识等。
如发现样品不符合要求,应及时与采样人员或送检人员沟通,并记录相关情况。
4、检验人员负责按照检验项目的要求对样品进行处理和检验,并做好相关记录。
5、样品管理员负责样品的保存、管理和销毁工作,确保样品在保存期间的质量和安全。
四、工作程序1、样品的采集(1)采样人员应经过专业培训,熟悉采样方法和操作规程。
(2)根据检验项目的要求,选择合适的采样器具和抗凝剂等。
(3)严格遵守无菌操作原则,避免样品受到污染。
(4)采集后的样品应立即放入相应的容器中,并做好标识,注明患者姓名、性别、年龄、住院号、采样时间、采样部位等信息。
2、样品的送检(1)送检人员应使用专用的送检容器和工具,确保样品在运输过程中的安全。
(2)送检过程中应避免样品受到剧烈震动、高温、低温等影响。
(3)如样品需要冷藏或冷冻保存,应按照要求进行处理。
3、样品的接收(1)检验科接收人员在接收样品时,应仔细检查样品的标识、数量、质量等。
(2)如发现样品不符合要求,应拒绝接收,并填写《样品不合格记录单》,注明不合格的原因和处理意见。
(3)接收合格的样品后,应及时进行登记,包括样品的基本信息、接收时间、检验项目等。
4、样品的处理(1)检验人员在处理样品前,应再次核对样品的信息和检验项目。
试验室工程样品管理制度一、总则为规范试验室工程样品管理工作,提高工作效率,确保样品的真实性、准确性和可追溯性,制定本制度。
二、适用范围本制度适用于试验室的所有工程样品管理工作。
三、责任部门1. 试验室主任:负责制定试验室工程样品管理工作的整体策略和规划,监督和检查试验室工程样品管理工作的执行情况。
2. 项目负责人:负责各项目的工程样品管理工作,包括样品的采集、保存、检测和报告。
3. 样品管理员:负责样品的接收、登记、存储和领取工作,确保样品信息的准确性和完整性。
4. 验收人员:负责对新到样品的验收工作,确保样品的完整性和准确性。
四、样品管理流程1. 样品采集:根据项目需求,项目负责人确定需要采集的样品类型和数量,并制定采样计划。
采样人员按照规定的采样方法和采样点,采集符合标准要求的样品。
2. 样品传递:采集好的样品由采样人员交至样品管理员,样品管理员对样品进行登记并按照相应的标识进行储存。
3. 样品保存:样品管理员负责将样品储存于指定的位置,分门别类,确保不同样品之间不会相互干扰。
特殊要求的样品需按照规定的条件进行保存,如冷藏、干燥等。
4. 样品领取:项目负责人或实验人员需要进行检测时,向样品管理员提出领取申请。
样品管理员根据领取人员的身份和需要,对样品进行发放,并记录领取信息。
5. 样品检测:实验人员根据项目需求对样品进行检测和分析,记录实验过程和结果,制作检测报告。
6. 样品处理:实验结束后,样品可以按照项目需求进行处理,如销毁、保存或归还。
五、样品管理规定1. 样品信息登记:所有进入试验室的样品都需进行登记,登记内容包括样品编号、名称、来源、采集时间、采集地点等信息。
2. 样品标识:每个样品需进行标识,标识内容包括样品编号、名称、采集者、采集时间等信息。
3. 样品存放:样品需存放在指定位置,每个样品需单独储存,不得混淆或交叉。
4. 样品领取:领取样品需提出申请,样品管理员核实后方可发放。
领取人员需签字确认领取,并保证按照规定的方法进行处理。
样品管理程序1 目的检测样品的代表性、有效性和完整性将直接影响检测结果的准确度,因此必须对样品的接收、流转、贮存、处置以及样品的识别等各个环节实施有效的质量控制。
应根据客户要求做好样品的保密与安全工作.2 范围本程序用于本实验各类检测业务中检测样品的接收、流转、贮存、处置、识别等项的管理。
3 职责检测科样品管理员负责记录接收的样品状态,做好样品的标识以及样品的贮存、流转、处理过程中的质量控制.检验科检验人员应对制备、测试、传递过程中的样品加以防护。
(1)收样室在受理客户委托检验时,负责对送检样品的完整性和对应于检测要求的适应性进行验收,记录接收样品状态,并负责将样品及其资料传递到检验室。
(2)实验室样品管理员负责对各检验室样品管理情况进行督查,并配合检测管理室对样品管理要素进行审核。
4 步骤4.1 样品的接收4。
1。
1委托样品的接收a。
收样员在接收客户送检样品时,应根据客户的检测需求,查看样品状况(包装、外观、数量、型号、规格、等级等),并弄清楚样品,认真检查样品及其配件、资料的完整性,检查样品的性质和状态是否适宜于进行要求的检测,有些样品还应检查采用的包装或容器是否可能造成样品的特性变异,并在《见证取样送样委托单》和《样品核查单》上登记说明。
同时(特殊样品)应与客户商定有关样品准备的要求和试毕样品处理方式。
收样员应及时将样品及其资料、流转单传递到检验科。
b。
客户吉利啊的样品由收样员按a.条办理委托手续.收件人应负责与客户联络,并交一份委托单给客户。
c.样品传递到检验科后,样品管理员与检验员进行交接验收,查看样品状况是否与流转单填写的内容相符,对已封装方式送达的样品,应检查封签是否完整有效以及运输过程有无损坏。
4.1.2 抽样样品管理①抽样人随身带回或亲自押交样品a。
抽样人员到客户指定地点抽样或到生产企业、商业企业抽样前应领委托单或监督抽样单,抽样后将委托单或监督抽样单第三联给被抽检单位,作为领回样品的凭证,第四联给见证单位,带回第一联、第二联作为抽检及信息采集凭证。
检验科标本接收流程图检验科标本接收流程图一、流程图简述本文将详细介绍检验科标本接收的整个流程,包括从病人准备标本到标本被检验科接收的步骤。
通过阅读本文,读者将了解检验科标本接收的规范操作,以及各个环节的重要性。
二、流程图背景介绍检验科是医院中负责临床实验室诊断的重要部门,而标本接收是检验科日常工作中至关重要的一环。
正确的标本接收流程不仅能保证实验室结果的准确性,还能为临床诊断提供有力支持。
为此,以下详细介绍了检验科标本接收流程图。
三、流程图详解1、病人准备:病人需在医生的指导下进行标本采集,确保采集的标本符合检验要求。
2、标本采集:医护人员根据检验申请单,正确采集标本并将其标记。
3、标本运输:医护人员将采集的标本及时送往检验科,防止长时间保存对标本质量造成影响。
4、标本接收:检验科工作人员对送达的标本进行核对、登记,确保所有信息准确无误。
5、标本预处理:根据检验项目要求,对标本进行必要的预处理,如离心、稀释等。
6、标本检测:检验技术人员对标本进行相关实验检测,得出初步结果。
7、结果审核:主管检验师对初步结果进行审核,确保结果的准确性。
8、报告发放:经过审核后,结果将被录入报告单并分发给临床医生。
9、质量监督:定期对标本接收流程进行质量评估和监督,持续改进工作流程。
四、总结本文详细介绍了检验科标本接收的整个流程,包括从病人准备到结果审核及报告发放。
每个环节都遵循严格的规范操作,以确保实验室结果的准确性。
正确的标本接收流程对于临床诊断和治疗具有重要意义。
为了提高实验室效率和确保结果准确性,检验科应加强对标本接收流程的质量监督,并持续改进工作流程。
五、参考文献[此处列出参考文献]检验科工作流程图标题:检验科工作流程图详解一、引言在医疗机构中,检验科是一个核心的部分,它负责为临床医生提供关于病人病情的准确、及时的实验室数据。
为了确保工作的准确性和效率,检验科有一套详细的工作流程。
本文将通过流程图的形式,详细阐述检验科的工作流程。
医院实验室标本采集与运输管理程序一、检验申请(一)检验项目选择:临床医师根据患者病情需要选择检验项目,分平诊检验申请和急诊检验申请,检验科人员可为其提供检验项目的咨询、了解临床科室选择的检验项目是否明确、检验项目能否满足临床科室的需求。
(二)检验申请单:检验申请单由检验科和信息科完成电子检验申请单的设计,供临床医生使用。
检验申请单在实验室收到标本后至少应包含以下信息。
1.患者唯一标识号:门诊患者、住院患者的病历号;2.患者的姓名,性别,年龄,出生日期;3.患者就诊或住院的科别、床号;4.样品的类型;5.申请的检验项目或项目的组合;6.临床标本采集时间;7.实验室收到样品的时间;8.申请者姓名;9.申请时间。
二、患者的准备(一)为了使检验结果有效地用于临床,临床医护人员和检验人员应了解标本采集前影响结果的非病理性因素,如饮食,标本采集时间,体位和体力活动,患者用药等对标本采集的影响。
提出要求患者予以配合和服从的内容,采取切实措施,保证采集的标本符合疾病的实际情况。
(二)病房护士在接到患者检验医嘱后,应告知患者,标本采集前的注意事项。
(三)检验科工作人员接受医护人员和患者有关的标本前的注意事项。
(四)以下几条在告知患者和医务人员时值得解释。
1.早晨空腹抽血,通常指早晨抽血前禁食8小时,但可以正常饮水。
因餐饮后,脂肪食物吸收后可能形成脂血,造成光学干扰,同时食物成分也可以改变血液成分,影响测定结果的准确性。
2.标本采集时间的影响:血液中不少有机物,无机物存在周期性变化,因此应该掌握标本采集时间,才能对每次结果进行比较。
最好在相同时间段采集标本,以减少由于不同时间采集标本造成的结果的波动。
3.体力活动对检测结果的影响:运动会引起血液成分的改变。
因此必须嘱咐患者在安静状态下或正常活动状态下收集标本。
4.药物影响:药物对血尿等成分的影响是一个十分复杂的问题,某些药物可使体内某些物质发生变化,有些药物则干扰实验,因此为了得到正确结果,必须事先停止某些影响实验结果的药物。
检验科样品处理程序完整
---
为了确保检验科工作的准确性和可靠性,样品处理程序必须完整且严格执行。
本文档将介绍样品处理的一般步骤,以及每个步骤中需要注意的事项。
步骤一:接收和登记样品
- 确保正确标记每个样品的相关信息,包括样本编号、接收日期和时间等;
- 快速检查样品的外观和完整性,记录任何异常情况;
- 将样品登记入实验室信息管理系统中,并生成唯一的样品编号。
步骤二:样品准备
- 根据各项实验的要求,按照规定方法和程序处理样品;
- 如有需要,对样品进行适当的标记、包装和存储;
- 记录样品准备过程中所使用的药品、试剂和设备,并保存相
应的溶液配制记录。
步骤三:实验操作
- 根据实验室标准操作规程(SOP)进行实验操作;
- 严格控制实验条件,如温度、湿度和pH值等;
- 在进行实验时,注意记录实验参数,如测量值、观察结果和
操作时间等。
步骤四:数据记录和分析
- 及时记录实验结果和观察所得,确保数据的准确性和完整性;
- 可以使用适当的软件工具进行数据分析和处理;
- 根据需要,将实验结果生成报告,并保存在实验室信息管理
系统中。
步骤五:样品处理后的操作
- 根据实验室规定,妥善处理实验后的样品和废弃物;
- 清理和消毒实验设备、仪器和工作区域,确保下次实验的准备工作。
- 对于特殊或有毒性的废弃物,按照相关法规进行处理。
---
通过遵守这些步骤和注意事项,可以确保检验科样品处理程序的完整性和高质量。
如有任何疑问或需要进一步的指导,请及时联系相关负责人。
谢谢!。
Z1 目的为规范管理和控制样品接收过程,保证原始样品的可追溯性,以及妥善保存,防止变质特制定本程序。
2 范围适合于原始样品的核收、登记、处理、保存等活动。
3 职责3.1 样品接收员负责接收、检查、登记原始样品。
3.2 样品接收员负责检验科各专业组检测项目原始样品的处理保存和内部转移。
3.3 各专业组负责检查、处理各自样品,并将样品保存在本组的冰箱中。
3.4 急诊标本白班由样品接收员接收,夜班由当班人员接收处理。
4 程序、内容和要求4.1 原始样品的核收4.1.1 急诊检验样品由各科室护士直接送达检验科登记,并录入Lis系统或由样品运送人员送检并填写 /JYK-JL-TY-27-04《急诊样品接收登记表》。
原始样品送达检验科时,样品接收员进行核收。
检查的内容包括原始样品标识、容器、抗凝剂、样品量、样品状态(如是否有凝块、溶血等)以及与申请表内容的一致性。
原始样品转移到各专业组后,各专业组再对样品进行检查核对。
4.1.2 以下情况属于不合格样品:4.1.2.1 样品标识不清或标识错误;4.1.2.2 使用的抗凝剂或采血管不正确;4.1.2.3 样品量少、严重溶血或脂血;4.1.2.4 样品类型不正确、与申请表内容不符、申请单内容不全、缺少申请单。
4.1.3 对于不合格样本,样品接收员或各专业组人员需采取以下措施:4.1.3.1 填写 /JYK-JL-TY-27-01《不合格样品记录表》网上退单录入检验科数据库同时电话通知临床,填写 /JYK-JL-TY-27-03《不合格标本通知单》, /JYK-JL-TY-27-06《不合格标本统计表》通知单返回临床将此信息传递给相关临床人员,以便及时处理;4.1.3.2 对非常规检验项目,需将检验申请表发回申请人,等待处理。
对原始样品加以不合格标记,保存在检验科;4.1.3.3 如果使用了不合格原始样品,则须在检验报告中说明其对检验结果可能造成的影响,并对其原因给以进一步解释;4.2 原始样品的登记4.2.1 临床护士使用His系统对采集的原始样品进行登记、检验科样品接收员使用Lis系统对原始样品登记。
样品检查管理制度一、总则为规范样品检查工作,保障样品检查的准确性和可靠性,提高产品质量,特制定本制度。
二、适用范围本制度适用于所有涉及到样品检查的部门和人员。
三、职责分工1.检验部门负责具体的样品检查工作,包括样品接收、登记、分析、报告等工作。
2.相关部门负责提供各类检验样品,并按要求提供相关信息。
3.企业领导负责监督和检查样品检验工作的进展情况。
四、样品接收1.检验部门应当建立完善的样品接收流程,确保样品接收的准确性和时效性。
2.接收样品时,应当认真仔细检查样品的标识、数量等信息,确保样品的完整性和代表性。
3.接收样品后,应当立即进行登记,并按规定存放样品。
五、样品分析1.检验部门应当遵循相关的测试标准和方法进行样品分析。
2.分析过程中,应当保证操作准确、无误差,并做好记录。
3.对于无法确定的结果,应当及时通知相关部门并重新进行检查。
六、报告出具1.经过检验部门的检测和分析后,应当及时对结果进行报告。
2.报告内容应当详实、准确,并提出相关的处理意见。
3.报告应当在规定时间内送达相关部门和责任人,确保处理措施的及时性。
七、保密原则1.检验部门应当严格遵守保密原则,不得泄露样品信息和结果。
2.严禁私自处理样品,并严格限制查阅样品的权限。
3.发现泄密行为应当及时报告企业领导,对违规行为进行处理。
八、设备维护1.检验部门应当按照规定定期对检测设备进行维护和保养,保证设备的正常运转和准确性。
2.发现设备故障应当及时报修,并由专业人员进行维修。
九、附则1.本制度的解释权归企业领导所有。
2.涉及其他问题的,按照相关规定办理。
以上内容仅为样品检查管理制度的基本架构,具体实施还需根据企业实际情况进行细化和完善。
希望各部门和人员密切配合,共同遵守规定,确保样品检查工作的顺利进行,提升产品质量,为企业的可持续发展做出贡献。
文件制修订记录1、目的为获得能力验证样品,并确保所有能力验证样品在制备、处置、储存、处置邮寄等过程中的完整性,防止混淆、丢失、变质、损害等不良事件,以及满足相关法规规定,制定本标准操作规程。
2、范围适用于能力验证样品的管理。
3、职责3.1 质量负责人负责按规定审批样品管理的有关事项。
3.2 质量管理中心负责监督各业务所样品的管理。
3.3 检验科所负责能力验证样品的保存、处置。
3.4 能力验证计划负责人负责能力验证样品的制备、管理、登记、接收、传递、保护、保存和处置工作。
4、工作程序4.1 能力验证样品的选择与制备4.1.1 实验室可直接采用药品标准物质(对照品、参考品以及对照药材)等作为能力验证样品。
当实验室自行制备时,应制定“能力验证样品制备方案”,要求提供以下信息:a)样品制备的目的和意义 b)样品制备的分包情况c)生产工艺及流程d)样品的性质、拟生产数量及包装情况等的描述 e)样品的定值方式f)样品的均匀性、稳定性考察 g)样品质量的考察h)研制样品的日程安排i)研制样品的成本核算4.1.2 实验室不能制备或者提供时,可委托给具有良好信誉和能力的机构制备,样品制备分包方的选择按《能力验证分包管理程序》进行。
4.1.3 任何可能影响能力验证计划正确实施的因素,如样品均匀性、稳定性、在样品传递中的环境条件等应予以考虑,以保持能力验证样品的完整性。
4.1.4 在能力验证计划中选用的被测样品或材料在性质上应与实验室日常检测样品或材料相类似。
4.1.5 制备能力验证样品所用材料应符合相关法规和伦理道德要求。
生物样品的制备、存放、传递和处置还应满足相关生物安全的要求。
4.1.6 对所制备的样品应按《能力验证样品均匀性和稳定性检验程序》进行均匀性和稳定性评价。
4.1.7 所制备样品的总体数量主要取决于参加实验室的多少,还应考虑均匀性检验、稳定性检验、替代分发过程中丢失或损坏的样品、开展纠正措施所需的样品以及在完成对参加者的评价之后有可能作为实验室的参考材料、质量控制材料或培训用品。
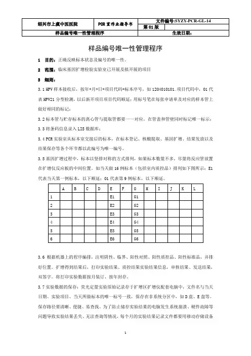
样品编号唯一性管理程序
1 目的:正确反映标本状态及编号的唯一性。
2 范围:临床基因扩增检验实验室已开展及拟开展的项目
3 细则:
3.1 HPV样本接收后,按年+月+日+项目代码+标本序号,如1204010101.项目代码中,01代表HPV21分型检测,以后新开项目项目代码顺延;用标号笔在每张申请单及对应的样本管上做好相同的标记;
3.2标本管与贮存标本的离心管与提取管都要一一对应,在管盖和管壁同时标记唯一标示;
3.3将条码信息录入LIS数据库;
3.4 PCR实验室从标本室交接后的标本,在标本登记、核酸提取、基因扩增、结果发放以及结果保存等各个环节都以此编号为唯一编号。
3.5基因扩增过程中,标本以竖排对称的方式排列,如果标本数量不多,尽量将反应管放置在扩增仪反应板的中间位置。
如当天做16例标本(包括室内质控品)排列如下图所示:E1代表当天第一例标本,以下顺延;G1代表第9例标本,以下顺延。
3.6 根据机器上的程序编排,注明阴性、临界、阳性对照、阳性质控品、阳性标准品,并排好位置。
扩增得到结果后,打印实验结果、质控结果实验结果信息,审核结果、发送结果,双签字。
将打印实验数据按月装订、按年封存。
3.7实验数据的保存:荧光定量实验原始记录存于扩增区扩增仪配套电脑中,文件名与当天日期、实验项目、当天所做标本的唯一标号一致,保存在非系统分区中,如D盘、E盘等。
保存路径要清晰、便捷、易查找。
为了防止储存实验结果的电脑发生系统崩溃、硬件故障等问题导致实验结果丢失、无法查询等情况,每个月的实验结果记录文件都要用移动存储设备
(如软盘、USB硬盘等)拷贝到另一部PC机上做备份。
检验科样品处理程序完整1. 引言本文档旨在详细介绍检验科样品处理的完整程序。
样品处理是检验科的核心环节,对于确保检验结果的准确性和可靠性至关重要。
2. 样品接收与登记在样品接收阶段,检验科应建立规范的样品接收窗口,并由专业的人员负责接收。
一旦样品到达,应立即进行登记,记录样品的相关信息,如样品编号、接收时间、送检人等。
3. 样品分装与标识为了保证样品的安全性和可追溯性,样品在接收后应进行适当的分装。
分装时应使用专用的,并确保干净无污染。
同时,每个都必须进行明确的标识,包括样品编号、分装日期等信息。
4. 样品处理流程样品处理的具体流程取决于不同的样品类型和检验项目。
在处理过程中,应按照标准操作程序进行,严格控制每个环节的操作时间和条件。
4.1 样品预处理:对于某些特殊样品,如血液、尿液等,可能需要进行预处理,以去除干扰物质,确保得到准确的检验结果。
4.2 样品提取:根据检验项目的要求,从分装好的样品中提取所需的物质,如DNA、RNA等。
在提取过程中,应遵循标准的提取方法和操作规范。
4.3 样品稀释:有些样品可能过于浓缩或稀释,不适于直接进行检验。
在这种情况下,需要进行适当的稀释,以获得适宜的检验浓度。
4.4 样品处理方法选择:针对不同的检验项目,应选择合适的样品处理方法。
对于常见的检验项目,可以根据标准操作程序进行处理;对于新的检验项目,应根据科学研究和实验验证的结果进行选择。
4.5 样品处理记录:每个样品的处理过程都应进行记录,包括处理时间、操作人员等信息。
这有助于检验结果的追溯和问题的排查。
5. 样品存储与保管处理完的样品需要妥善存储和保管,以防止污染和损坏。
存储条件应符合样品的要求,如温度、湿度等。
同时,应建立样品存档系统,记录样品的存储位置和状态,方便查找和管理。
6. 总结样品处理是检验科的核心环节,对于保证检验结果的准确性和可靠性至关重要。
本文档详细介绍了样品处理的完整程序,包括样品接收与登记、样品分装与标识、样品处理流程、样品存储与保管等方面。
门诊检验样本手记与运输管理制度第一章总则第一条目的与依据为保障医院门诊检验样本的准确性和可追溯性,规范门诊检验样本的手记与运输流程,提高门诊检验工作效率,订立本制度。
本制度依据相关法律法规和医院管理要求订立,适用于本医院门诊检验科的全部工作人员。
第二条职责分工门诊检验科是本医院负责门诊检验样本手记、运输和分析的部门,其职责分为以下几个方面:1.确保门诊检验样本的手记环境和设备符合卫生要求;2.负责门诊检验样本的准确手记和医嘱核对;3.确保门诊检验样本的正确运输和储存;4.依据医嘱执行相应的门诊检验工作;5.及时向医生和患者供应检验结果。
第二章门诊检验样本手记管理第三条手记环境和设备为保证门诊检验样本的准确性和安全性,门诊检验科必需供应符合要求的手记环境和设备。
具体要求如下:1.手记室必需保持清洁,无尘、无烟、无异味;2.手记室应配备充分的手记工具,包含试管、缓冲液、消毒剂等;3.手记室应配备合格的冰箱和标签打印机,用于样本的储存和标识;4.充分的光线和通风系统,确保手记区域的舒适性;5.手记室应定期进行清洁和消毒,保持环境清洁卫生;第四条手记人员资质要求门诊检验样本的手记必需由经过培训并获得相应资质证书的人员完成。
具体要求如下:1.门诊检验科负责人负责订立门诊检验样本手记培训计划,并监督培训活动;2.全部参加门诊检验样本手记的人员必需参加培训并通过考核;3.门诊检验科负责人必需保证人员的资质证书的及时更新;4.门诊检验样本手记人员必需佩戴有效的工作证件和个人防护用具;第五条门诊检验样本手记过程1.门诊检验样本的手记必需依照医嘱和手记规范进行;2.门诊检验样本的手记人员必需核对患者身份和医嘱信息,并做好记录;3.手记时必需遵守无菌操作规程,保证样本的纯洁性;4.手记必需避开造成疼痛和出血,必需时可使用麻醉剂;5.手记完成后,手记工具必需进行正确的处理,并做好相应记录;6.手记的样本必需及时送至样本处理区进行处理。
检验科质量管理体系程序文件xx医院2019年6月依据ISO15189:2012《医学实验室—质量和能力的专用要求》编制编制:xx审核:xx批准:xx生效日期:2019。
12。
15批准令检验科全体人员:经过全体工作人员的努力,本科室依据《质量手册》编制了《程序文件》,经科室质量管理小组批准,现予以颁布,本手册自即日起实施。
《程序文件》是《质量手册》的支持性文件,是实验室按ISO15189:2012《医学实验室—质量和能力的专用要求》编制的文件化管理体系,是医学实验室管理体系文件的重要组成部分,是《管理手册》中涉及的要素的具体描述。
本科的一切质量活动必须严格执行该文件,以实现“公正、科学、准确、高效”的质量方针.《程序文件》是检验科实验室质量活动的基本法规和准则.各有关部门和个人必须认真贯彻执行,严格维护管理体系的有效运行,切实保证产品的检测质量.本《程序文件》持有单位和个人未经允许,不得私自更改、转让和复制。
程序文件目录保护机密信息程序1 目的保护机密信息不被侵犯和泄漏,维护本科室诚信、独立、公正的形象。
2 范围2.1 临床医生提供的患者信息;2.2 检验结果;2。
3 参加能力验证实验室的验证结果;2.4 质量体系的各层文件和相应运行资料;2.5 法定保密的信息.3 职责3.1 科主任(1)落实保护机密信息的各项措施所需的资源和责任人;(2)批准借阅保密资料.3。
2 综合组组长(1)对各项保密措施的组织进行监督检查;(2)对监督检查中发现的问题及时向检验科主任报告。
3.3 各专业组组长(1)批准本组相关人员借阅本专业保密资料,并报科主任最终批准。
(2)协助综合组负责人,对本室人员执行各项保密措施进行监督检查.3.4 档案管理员做好档案的管理工作3.5 其它有关人员(1)对本人从事和接触到的保密内容保密;(2)对违反保密的行为进行制止,并向上级报告。
4 工作程序4.1 临床医生提供的患者信息对临床医生提供的患者信息由承担检验任务的人员负责接收、保管、保密。
标本采集运输监管程序为了保证检验前样品的质量,特制定本程序,对检验申请、患者的准备、临床标本的采集与运输,以及样品在实验室内的传输过程进行控制.一、适用范围适用于检验科接收的所有标本.二、职责1. 临床医师负责检验的申请,申请单的格式由技术管理层和医院医务科共同制定.2. 检验科主任负责组织人员编写检验标本采集运输指南.3. 医护人员和检验人员均负责指导患者如何正确留取标本.4. 门诊抽血人员和病房护理人员负责临床标本的采集,特殊标本由临床医生采集.5. 检验科标本收集人员负责定时到临床各科室收集标本和运输;急诊检验标本和值班时采集的标本由临床科室护理人员直接送检验科.6. 相关检验人员负责样品在实验室内的传输.三、工作程序1. 检验申请检验项目选择临床医师根据病人病情需要和检验项目的敏感度、特异性来正确选择检验项目.检验科人员可为其提供检验项目的咨询,监督实验室服务对象选择的检验项目是否明确,实验室检验项目能否满足实验室服务对象的要求.检验申请表检验申请表属于合同性文件,实验室应事先将所开展的检验项目和完成时间等事宜,和医院医教部协商一致,并制成表格供实验室服务对象参考.只要满足要求,电子检验申请表也适用.检验申请表应定期进行评审.本实验室的检验申请表包括以下内容:1.2.1 患者的唯一性标识,如门诊病人的诊疗卡号、住院病人的住院号;1.2.2 患者的姓名、性别、出生日期;1.2.3 患者就诊或住院的科别、床号;1.2.4 样品的类型和原始解剖部位,如静脉抗凝血等;1.2.5 申请的检验项目或项目的组合;1.2.6 临床标本采集日期和时间;1.2.7 实验室收到样品的日期和时间;1.2.8 申请者姓名,如果提出检验申请的医师的地址与接收检验申请的实验室所在的地址不同,同时应注明申请者的地址;1.2.9 申请日期.2. 病人的准备为了使检验结果有效地用于临床,临床医护人员和检验人员,应了解标本收集前影响结果的非病理性因素,如饮食、标本采集时间、体位和体力活动、病人用药等对标本采集的影响.提出要求病人予以配合和服从的内容,采取切实措施,保证采集的标本符合疾病的实际情况.饮食对标本采集的影响:多数实验尤其是血液化学的测定,采血前应禁食12h,因脂肪食物被吸收后可能形成脂血而造成光学干扰;同时食物成分也可改变血液成分,影响测定结果的准确性;标本采集时间的影响:血液中不少有机物、无机物存在周期性变化.因此应该掌握标本采集时间,才能对每次结果进行比较.最好在同一时间采集标本,以减少由于不同时间采集标本所造成的结果波动;体力活动对检测结果的影响:运动会引起血液成分的改变.因此,必须嘱咐患者在安静状态下或正常活动状态下收集标本;药物影响:药物对血、尿等成分的影响是一个十分复杂的问题.某些药物可使体内某物质发生变化,有些药物则干扰实验,因此为了得到正确结果,必须事先停止服用某些影响实验结果的药物.临床医师在选择与解释结果是必须考虑到药物的影响.3. 检验标本采集指南检验科制定并实施正确采集和处理临床标本的检验标本采集指南,指南包括以下内容:以下资料的备份或参考资料:a实验室提供的所有检验项目目录;b知情同意书适用时;c临床标本采集之前,向患者提供有关自我准备的信息和指导;d向实验室服务的用户提供相关医学指征和帮助其合理选择现有程序的信息.下述程序:a患者准备,指为护理人员或负责静脉穿刺医师提供的;b临床标本的识别程序,指如何识别临床标本的ID系统;c临床标本采集程序,应注明临床标本采集所用的容器以及所用抗凝剂或防腐剂的种类和量.以下说明:a申请表或电子申请表填写;b临床标本采集的类型和量;c特殊采集时机,如测餐后血糖的时间安排;d从样品采集到实验室接收样品期间所需的任何特殊处理,如运输要求、冷藏、保温、立即送检等;e临床标本标记;f临床资料,如用药史;g准确识别临床标本采自哪个患者的详细作业指导书;h临床标本采集者身份标识的记录;i采集样品所用材料的安全处置.以下说明:a已检样品的存放;b申请附加检验项目的时间限制;c附加检验项目;d因分析失败而需再检验或对同一临床标本做进一步检验.4. 临床标本采集程序采样人员采样人员必须经过培训合格后,方可进行采样.对于患者自行收取标本,须接受专业人员的指导.采样准备在采样前,采样人员根据申请者申请的检验项目的要求,确认采样计划和进行适当的准备工作.这些准备包括核对医嘱,打印条形码,选择恰当的容器粘贴条码,指导患者做好采样前的准备.采样实施采样人员必须根据检验项目的要求和计划以及医嘱要求执行的时间,选择恰当的部位,采样适当的样品量.检验科应定期评审检验所需的样品量,保证样品量适合所进行的检验.采集标本前必须认真核对患者、标本容器和检验申请是否一致,严防差错.送检登记采样人员在采样完毕时,必须尽快核对标本并送往检验科.要注意样品标识必须与检验申请单相符合,严防标记错误.检验科拒绝接收或处理缺乏正确标识的临床标本.5. 样品的收集和运输检验科标本收集人员于早上约6:30到各个病房收集标本,分别于约8:15、8:50、10:00、10:50收集门诊和体检中心的标本.收集后送检验科标本接收人员对标本进行核收登记.急诊标本和值班时标本采集的标本由临床护工将标本送至检验科.标本收集人员必须清点标本个数是否与送检清单相符,并用密封容器安全地送到检验科.运送过程中要注意容器的密封性,有时要避光如阳光直射下血中胆红素会分解,当要求有温度限定时,应确保样品在运送途中置于适合的设备内.特殊标本需要送收双方签收.送检样品送达检验室后,各室工作人员应进行验收,检查标本质量,查看是否与检验申请相符.6. 样品在实验室内的传输各实验室收到样品后,应按要求及时处理,属其他专业组的标本应及时送至相应专业组.并做好记录.7. 偏离采样程序的控制当采样人员在采样过程中偏离了采样程序的要求时,应及时与检测人员.检测人员在发现偏离采样程序的信息时,应与临床医护人员联系,在检测中考虑其对检测结果影响的重要性,并在报告中注明.。
检验科标准操作规程检验科标准操作规程(一般要求)一、目的和适用范围1. 目的:为确保检验工作的准确性和可靠性,保证检验结果的客观性,规范检验科的日常操作,提高检验质量。
2. 适用范围:适用于所有进行科学实验和检验工作的检验科人员。
二、规范操作流程1. 样品准备1.1. 样品选择:根据检验要求和需要的指标/参数,选择合适的样品进行检验。
样品应该来自于合适的来源,并经过充分的标识和记录。
1.2. 样品收集:根据标准操作程序,按照要求的方法和工具,采集样品。
遵守适当的样品收集和保存指导原则,以确保样品的稳定性和不受外界环境影响。
1.3. 样品制备:根据检验要求,进行样品的预处理、消解或纯化等操作,以获得适宜的样品状态用于后续测试。
2. 仪器设备准备2.1. 仪器设备选择:根据检验项目的要求和标准规范,选择合适的仪器设备进行测试。
2.2. 仪器设备校准和验证:在进行检验之前,确保所使用的仪器设备已经进行了准确的校准和验证,以保证测试结果的准确性和可靠性。
2.3. 仪器设备操作规程:严格按照操作手册和使用说明书进行仪器设备的操作,遵循正确的操作步骤和注意事项,注意设备的安全使用。
3. 检验操作程序3.1. 检验方法选择:根据需要的检验要求和指标/参数,选择合适的检验方法。
确保检验方法与要检验的样品类型和性质相匹配,并符合相应的标准规定。
3.2. 检验前准备:对于需要检验的样品,根据检验方法要求进行样品的预处理、稀释、标记等准备工作。
3.3. 检验操作:按照检验方法的操作步骤和要求,进行相应的检验操作。
确保操作的准确性、稳定性和重复性。
3.4. 数据处理和分析:对检验结果进行数据处理和分析,按照相应的计算公式和统计方法计算并验证结果的准确性和可靠性。
4. 结果报告和记录4.1. 结果报告:根据检验结果,编写检验报告。
报告应该包括详细的测试数据、计算结果和结论等,确保报告的准确性和完整性。
4.2. 记录保存:检验科应建立完善的检验数据和记录管理系统,将检验过程中的所有重要信息、数据和记录进行保存和归档。
试验样品管理制度范文一、概述试验样品管理是指对试验过程中使用的样品进行规范的管理,确保样品的安全、准确和有效性。
本制度旨在建立科学、规范的试验样品管理流程,促进试验过程的顺利进行和试验结果的可靠性。
二、适用范围本制度适用于公司内部进行的所有试验活动,包括产品研发、工艺改进、质量检验等试验活动。
三、试验样品管理流程1. 试验样品申请试验人员在进行试验前需填写试验样品申请表,包括试验目的、样品种类、样品数量等信息,并由上级审核通过后方可进行申请。
申请人需明确样品来源,并提供相应的样品准备计划。
2. 样品准备试验人员在得到样品申请的批准后,按照样品准备计划进行样品的准备工作。
在样品准备过程中,应避免样品的污染和损坏,保证样品的完整性和准确性。
3. 样品编号经过样品准备后,试验人员需对样品进行编号,确保样品唯一性和可追溯性。
样品编号一旦确定,不得更改或混淆。
4. 样品存储根据样品的性质和要求,试验人员需将样品存储在相应的存储条件下。
对于易变质或易受污染的样品,应采取相应的保鲜措施,并记录样品存储的时间和条件。
5. 样品使用试验人员在进行试验时,应按照样品编号和数量进行使用。
试验过程中如有样品损坏或变质,应及时记录并更换新的样品。
6. 样品追溯试验人员应对每个使用过的样品进行追溯,包括样品的来源、准备过程、存储条件以及使用情况等。
样品追溯的目的是确保试验结果的可靠性和可重复性。
7. 样品报废对于试验中已使用完毕或不再需要使用的样品,试验人员应将其报废。
报废的样品应按照公司相关规定进行处理,并记录报废样品的时间和原因。
四、试验样品管理责任1. 试验人员的责任试验人员是试验样品的主要管理者,负责样品申请、准备、使用等工作,并保证样品的准确性和完整性。
2. 上级主管的责任上级主管负责审核试验样品申请,并对样品管理工作进行监督,促使试验人员按照规定进行样品管理。
3. 质量管理部门的责任质量管理部门是试验样品管理的监管部门,负责制定样品管理制度、进行培训和督导,并定期对样品管理工作进行检查和评估。
检验科样品管理程序
样品管理目的:避免样本在采集、运输、保存、处置过程中变质,保证标本标记的唯一性。
样品管理范围:
(1)临床检验标本;
(2)待评价的试剂和仪器。
责任人:办公室和各室负责人。
概要:
样本的接受应按本科样本管
样品管理目的:避免样本在采集、运输、保存、处置过程中变质,保证标本标记的唯一性。
样品管理范围:
(1)临床检验标本;
(2)待评价的试剂和仪器。
责任人:办公室和各室负责人。
概要:
样本的接受应按本科样本管理程序文件规定,建立唯一识别系统。
检定的试剂或仪器接受,应按程序的有关部分进行,接受样本时应注
意其状态,确认检本是否满足规定要求,防止检品变质或标记错误。
如达不到要求,按规定询问或要求委托方予以说明和解释,以决定退回或进行检验。
临床标本的保存,按样本要求储存于适当场所,保证样本在实验室全
过程中不发生非正常变质和损坏。
对储存样本的冰库、冰箱应有专人检查温度和记录。
当温度变化超出规定限度时,应报告室负责人,并按有关程序处理。
对样本,价昂的校准品,试剂的储存除定期检查冰箱保存温度外,冰箱还应加锁以保安全。
实验室依样本管理程序,对样本的接受、保存、处置应确保安全,
维护实验室诚实性。
样本在保管期内,一旦出现变质、丢失等问题,有关人员应如实向室负责人和科技术负责人报告,并通知送样单位或个人。
浑源县中医院检验科。