顶管管道施工检验批质量验收记录表
- 格式:doc
- 大小:225.50 KB
- 文档页数:6
顶管管道检验批质量验收记录一一、工程概况为确保顶管管道工程的质量,按照相关规定和标准进行检验批质量验收。
本次验收记录的内容包括施工单位、监理单位、质检单位、验收人员、验收内容、验收标准等。
二、施工单位概况施工单位名称:XXXX施工有限公司施工单位负责人:XXX施工单位联系电话:XXX三、监理单位概况监理单位名称:XXXX监理有限公司监理单位负责人:XXX监理单位联系电话:XXX四、质检单位概况质检单位名称:XXXX质检有限公司质检单位负责人:XXX质检单位联系电话:XXX五、验收人员概况验收人员1:姓名-职务验收人员2:姓名-职务验收人员3:姓名-职务六、验收内容1. 管道材料验收根据设计要求和施工图纸,对顶管管道材料进行验收。
包括外观质量、尺寸偏差、材料牌号、检验报告等内容。
2. 管道安装验收检查顶管管道的安装情况,包括管道的垂直度、水平度、对中情况、连接件的安装质量等。
同时要检查管道的防腐处理情况,确保符合相关标准。
3. 管道连接验收对顶管管道的连接情况进行验收。
包括焊口的质量、焊缝的外观、焊缝的尺寸、焊缝的密封性等内容。
4. 管道压力试验进行顶管管道的压力试验,确保管道的密封性和耐压性能。
5. 管道穿越验收检查顶管管道穿越其他结构物的情况,包括施工孔洞的尺寸、孔洞的光洁度、管道与结构物的间隙处理等内容。
七、验收标准1. 材料验收标准根据顶管管道的设计要求和相关规范,对材料的外观质量、尺寸偏差、材料牌号等进行检查。
2. 安装验收标准根据施工图纸和相关规范,对管道的垂直度、水平度、对中情况、防腐处理等进行验收。
3. 连接验收标准根据相关规范,对焊接连接的质量、外观、尺寸、密封性等进行验收。
4. 压力试验标准根据设计要求和相关规范,对管道进行压力试验,确保管道的密封性和耐压性能。
5. 穿越验收标准根据相关规范,对顶管管道穿越其他结构物的情况进行验收,包括孔洞尺寸、孔洞光洁度、管道与结构物间隙等。
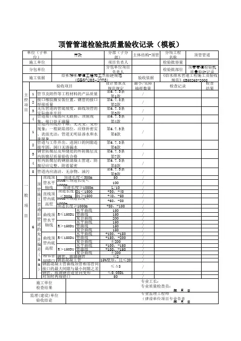
G2-15 顶管管道施工检验批质量验收记录表GB 50268-20082 主控项目的计数检验项先填写“检验批主控项目计数检验记录表”(G1-1-1);检验批一般项目计数检验数据较多时,可先填写“检验批一般项目计数检验记录表”(G1-1-2),然后将计数检验结果填写在本表相应的检查结果栏内。
将两表作为本表的附页。
3 D i--管道内径(mm);L为顶进长度(mm);ΔS--曲线顶管相邻管节接口允许的最大间隙与最小间隙之差(mm);R--曲线顶管的设计曲率半径(mm)。
顶管管道施工质量验收标准(GB 50268-2008)6.7.3顶管管道应符合下列规定:主控项目1 管节及附件等工程材料的产品质量应符合国家有关标准的规定和设计要求;检查方法:检查产品质量合格证明书、各项性能检验报告,检查产品制造原材料质量保证资料;检查产品进场验收记录。
2接口橡胶圈安装位置正确,无位移、脱落现象;钢管的接口焊接质量应符合本规范第5章的相关规定,焊缝无损探伤检验符合设计要求;检查方法:逐个接口观察;检查钢管接口焊接检验报告。
3 无压管道的管底坡度无明显反坡现象;曲线顶管的实际曲率半径符合设计要求;检查方法:观察;检查顶进施工记录、测量记录。
4 管道接口端部应无破损、顶裂现象,接口处无滴漏;检查方法:逐节观察,其中渗漏水程度检查按本规范附录F 第F.0.3条执行。
一般项目5 管道内应线形平顺、无突变、变形现象;一般缺陷部位,应修补密实、表面光洁;管道无明显渗水和水珠现象;检查方法:按本规范附录F第F.0.3条、附录G的规定逐节观察。
6 管道与工作井出、进洞口的间隙连接牢固,洞口无渗漏水;检查方法:观察每个洞口。
7 钢管防腐层及焊缝处的外防腐层及内防腐层质量验收合格;检查方法:观察;按本规范第5章的相关规定进行检查。
8 有内防腐层的钢筋混凝土管道,防腐层应完整、附着紧密;检查方法:观察。
9 管道内应清洁,无杂物、油污;检查方法:观察。
顶管管道检验批质量验收记录表Top management pipeline ___ form (Part 1)Unit (subunit) project namen (n) project namen unit___Project managerGB -2008___ engineering。
standard name and number: GB -2008___The product quality of pipe joints ___ 6.7.3.1.n unit ___n (n) unit acceptance record 1The n n of the interface rubber ring is correct。
with no displacement or detachment;The interface welding quality of the 2 steel pipes should meet the ns of Chapter 5 of this n。
and the weld should pass non-destructive testing and meet the design requirements.There is no us ___ at the bottom slope of the non-pressure pipeline。
the actual curvature radius of the top pipe meets the design requirements.The pipe interface end should have no damage or cracking。
and there should be no dripping at the interface.The ___ general。
defective parts ___。
顶管管道施工检验批质量验收记录表GB 50268-20082 主控项目的计数检验项先填写“检验批主控项目计数检验记录表”(G1-1-1);检验批一般项目计数检验数据较多时,可先填写“检验批一般项目计数检验记录表”(G1-1-2),然后将计数检验结果填写在本表相应的检查结果栏内。
将两表作为本表的附页。
3 D i--管道内径(mm); L为顶进长度(mm); △ S--曲线顶管相邻管节接口允许的最大间隙与最小间隙之差(mm);R--曲线顶管的设计曲率半径(mm)顶管管道施工质量验收标准(GB 50268-2008)6.7.3顶管管道应符合下列规定:主控项目1管节及附件等工程材料的产品质量应符合国家有关标准的规定和设计要求;检查方法:检查产品质量合格证明书、各项性能检验报告,检查产品制造原材料质量保证资料;检查产品进场验收记录。
2接口橡胶圈安装位置正确,无位移、脱落现象;钢管的接口焊接质量应符合本规范第5章的相关规定,焊缝无损探伤检验符合设计要求;检查方法:逐个接口观察;检查钢管接口焊接检验报告。
3无压管道的管底坡度无明显反坡现象;曲线顶管的实际曲率半径符合设计要求;检查方法:观察;检查顶进施工记录、测量记录。
4管道接口端部应无破损、顶裂现象,接口处无滴漏;检查方法:逐节观察,其中渗漏水程度检查按本规范附录F第F. 0. 3条执行。
一般项目5管道内应线形平顺、无突变、变形现象;一般缺陷部位,应修补密实、表面光洁;管道无明显渗水和水珠现象;检查方法:按本规范附录F第F. 0. 3条、附录G勺规定逐节观察。
6管道与工作井出、进洞口的间隙连接牢固,洞口无渗漏水;检查方法:观察每个洞口。
7钢管防腐层及焊缝处的外防腐层及内防腐层质量验收合格;检查方法:观察;按本规范第5章的相关规定进行检查。
8有内防腐层的钢筋混凝土管道,防腐层应完整、附着紧密;检查方法:观察。
9管道内应清洁,无杂物、油污;检查方法:观察。
10顶管施工贯通后管道的允许偏差应符合表6. 7. 3的规定。
表5.34.11 顶进管道施工工程检验批质量验收记录编号: -05-31-00-05-00-02-01-001单位(子单位) 工程名称 分项工程名称 施工单位 施工执行标 准名称及编号分包单位××输变电工程 顶管施工分部(子分部) 工程名称 验收部位顶管工程顶进管道工程质量验收记录***有限公司电力建设施工质量验收及评价规程 DL/T 5210.1-2012项目经理 专业工长 (施工员)×××有限公司 分包项目经理 王某某 施工班组长 贾××施工质量验收规范的规定必须有完整的施工组 织设计,描述依照规施工单位自检记录监理(建设) 单位验收记录1 技术准备2 接口处123开始顶进 5~10m 的 范围内轴线位置管道内底高程轴线位 置高程 D<1500D≥ 1500 D<1500 D≥ 15004 相邻管间错口5 对顶时两端错口范所必须的测量标志 ,包括要用到的顶管 设备的类型、详细尺 寸、施工原理、技术 措施,包括泥浆及废 弃物的处理等。
管节未进入土层前, 接口外侧应垫麻丝、 油毡或木垫板,管口 内侧应留有10mm~ 20mm 的空隙;顶紧后 两管间的孔隙宜为 10mm ~15mm 。
管节入土后,管节相 邻接口处安装内胀圈 时,应使管节接口位 于内胀圈的中部,并 将内胀圈与管道之间 的缝隙用木楔塞紧3(mm) 3 0~3(mm) 0 <100(mm) <200(mm) -40~+30(mm)-50~+30(mm)15%壁厚且≤20(mm) 16 50(mm) 243 318 29 2 19 19 1 12 423 11 23 3 12 3 3 012 40 1 010 7 2 013 201 11325施工单位检查结果项目专业质量检查员 : 周×× 项目专业技术负责人 : 邱×× 年 月 日监理(建设) 单位验收结论专业监理工程师:(建设单位项目专业技术负责人)张××年 月 日注: D 为管道直径。
G2-15 顶管管道施工检验批质量验收记录表
GB 50268-2008
2 主控项目的计数检验项先填写“检验批主控项目计数检验记录表”(G1-1-1);检验批一般项目计数检验数据较多时,可先填写“检验批一般项目计数检验记录表”(G1-1-2),然后将计数检验结果填写在本表相应的检查结果栏内。
将两表作为本表的附页。
3 D i--管道内径(mm);L为顶进长度(mm);ΔS--曲线顶管相邻管节接口允许的最大间隙与最小间隙之差(mm);R--曲线顶管的设计曲率半径(mm)。
顶管管道施工质量验收标准(GB 50268-2008)
6.7.3顶管管道应符合下列规定:
主控项目
1 管节及附件等工程材料的产品质量应符合国家有关标准的规定和设计要求;
检查方法:检查产品质量合格证明书、各项性能检验报告,检查产品制造原材料质量保证资料;检查产品进场验收记录。
2接口橡胶圈安装位置正确,无位移、脱落现象;钢管的接口焊接质量应符合本规范第5章的相关规定,焊缝无损探伤检验符合设计要求;
检查方法:逐个接口观察;检查钢管接口焊接检验报告。
3 无压管道的管底坡度无明显反坡现象;曲线顶管的实际曲率半径符合设计要求;
检查方法:观察;检查顶进施工记录、测量记录。
4 管道接口端部应无破损、顶裂现象,接口处无滴漏;
检查方法:逐节观察,其中渗漏水程度检查按本规范附录F 第F.0.3条执行。
一般项目
5 管道内应线形平顺、无突变、变形现象;一般缺陷部位,应修补密实、表面光洁;管道无明显渗水和水珠现象;检查方法:按本规范附录F第F.0.3条、附录G的规定逐节观察。
6 管道与工作井出、进洞口的间隙连接牢固,洞口无渗漏水;
检查方法:观察每个洞口。
7 钢管防腐层及焊缝处的外防腐层及内防腐层质量验收合格;
检查方法:观察;按本规范第5章的相关规定进行检查。
8 有内防腐层的钢筋混凝土管道,防腐层应完整、附着紧密;
检查方法:观察。
9 管道内应清洁,无杂物、油污;
检查方法:观察。
10顶管施工贯通后管道的允许偏差应符合表6.7.3的规定。