喷射混凝土支护检验批质量验收记录表
- 格式:doc
- 大小:14.56 KB
- 文档页数:1
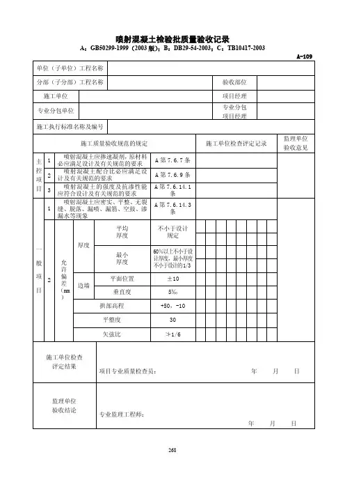
喷射混凝土检验批质量验收记录A:GB50299-1999(2003版);B:DB29-54-2003;C:TB10417-2003A-109 单位(子单位)工程名称分部(子分部)工程名称验收部位施工单位项目经理专业分包单位专业分包项目经理施工执行标准名称及编号施工质量验收规范的规定施工单位检查评定记录监理单位验收意见主控项目1喷射混凝土应掺速凝剂,原材料必应满足设计及有关规范的要求A第7.6.7条2喷射混凝土配合比必应满足设计及有关规范的要求A第7.6.9条3喷射混凝土的强度及抗渗性能应符合设计及有关规范的要求A第7.6.14.1条一般项目1喷射混凝土应密实、平整、无裂缝、脱落、漏喷、漏筋、空鼓、渗漏水等现象A第7.6.14.3条2允许偏差(mm)厚度平均厚度不小于设计规定最小厚度60%以上不小于设计厚度,最小厚度不小于设计的1/3边墙平面位置±10垂直度5‰拱部高程+50,-10平整度30矢弦比≯1/6施工单位检查评定结果项目专业质量检查员:年月日监理单位验收结论专业监理工程师:年月日填表说明主控项目:1、喷射混凝土应掺速凝剂,原材料应满足设计及有关规范的要求(GB50299-1999第7.6.7条)。
水泥:优先选用普通硅酸盐水泥,标号不得低于325号,性能符合现行水泥标准;细骨料:采用中砂或粗砂,细度模数应大于2.5,含水率控制在5~7%;粗骨料:采用卵石或碎石,粒径不应大于15mm;外加剂、伴和水均应符合设计和规程要求;2、喷射混凝土配合比应满足设计及有关规范的要求GB50299-1999 第7.6.9条)。
水泥与砂石重量比应取1:4~4.5。
砂率应取45~55%,水灰比应取0.4~0.45。
速凝剂掺量应通过实验确定。
原材料称量允许偏差:水泥和速凝剂±2%,砂石±3%。
3、喷射混凝土的强度及抗渗性能应符合设计及有关规范的要求。
检查数量:抽查检查。
检验方法:检查试验报告。
喷射混凝土面层检验批质量验收记录表
02011103
说明
主控项目
1.喷射混凝土面层所用水泥、粗细骨料、外加剂等材料的品种、规格、质量应符合设计要求,其进场检验应符合《铁路路基工程施工质量验收标准》(TB10414─2003)附录E的规定。
2.喷射混凝土强度等级应符合设计要求。
检验数量:施工单位每50 m3喷射混凝土制取试件1组,不足50 m3亦制取试件1组。
监理单位按施工单位检验数量的10%平行检验,且不少于1组。
检验方法:混凝土试件抗压试验。
3.喷射混凝土面层厚度应符合设计要求。
检验数量:施工单位检验3个断面,每个断面不少于5个检查点。
监理单位按施工单位检验数量的10%平行检验。
检验方法:凿孔实测或预埋厚度标志。
(每个断面上,全部检查孔处的喷层厚度,60%以上不应小于设计厚度;最小值不应小于设计厚度的一半;同时,检查孔处厚度的平均值,不应小于设计厚度值。
)
4.泄水孔孔径、排水方向,并排水通畅。
检验数量:施工单位检验排水孔数量的20%,监理单位按施工单位检验数量的20%见证检验。
检验方法:观察、尺量。
5.墙后反滤层分布及厚度应符合设计要求,
检验数量:施工单位对反滤层分布及厚度检验10处,监理单位见证检验2处。
检验方法:观察、尺量。
一般项目
1.喷射混凝土应与坡面、钢筋网(土工网)紧密结合,其表面应平顺、无裂隙、无露筋。
检验数量:施工单位全部检查。
检验方法:观察。
适用范围:本表适用于喷锚暗挖法喷射混凝土分项工程质量的验收。
检验批的划分:每一喷射段。
主控项目1. 水泥进场时应对其品种、级别、包装或散装仓号、出厂日期等进行检查,并应对其强度、安定性及其他必要的性能指标进行复验,其质量必须符合现行国家标准《硅酸盐水泥、普通硅酸盐水泥》GB175等的规定。
当在使用中对水泥质量有怀疑或水泥出厂超三个月(快硬硅酸盐水泥超过一个月)时,应进行复验,并按复验结果使用。
钢筋混凝土结构、预应力混凝土结构中,严禁使用含氯化物的水泥。
检查数量:按同一生产厂家、同一等级、同一品种、同一批号且连续进场的水泥,袋装不超过200t 为一批,散装不超过500t为一批,每批抽样不少于一次。
检验方法:检查产品合格证、出厂检验报告和进场复验报告。
2. 细骨料:采用中砂或粗砂,细度模数应大于2.5。
检验方法:检查砂试验报告或混凝土配合比通知单。
3. 粗骨料:采用卵石或碎石,粒径不应大于15㎜,骨料级配符合规范GB50299-1999表7.6.7的要求。
检验方法:检查碎(卵)石试验报告。
检查数量:按进场的批次和产品的抽样方案确定。
每个工作班抽查不应少于一次。
检验方法:复称。
4. 混凝土中掺用外加剂的质量及应用技术应符合现行国家标准《混凝土外加剂》GB8076、《混凝土外加剂应用技术规范》GB50119等和有关环境保护的规定。
预应力混凝土结构中,严禁使用含氯化物的外加剂。
钢筋混凝土结构中,当使用含氯化物的外加剂时,混凝土中的氯化物的总含量应符合现行国家标准《混凝土质量控制标准》GB50146的规定。
检查数量:按进场的批次和产品的抽样检验方法确定。
检验方法:检查产品的合格证、出厂检验报告和进场复验报告。
5. 搅拌混凝土宜采用饮用水;当采用其他水源时,水质应符合国家现行标准《混凝土拌合用水标准》JGJ63规定。
检查数量:同一水源检查不应少于一次。
检验方法:检查水质试验报告。
6. 混凝土必须按国家现行标准《普通混凝土配合比设计规程》JGJ55的有关规定,根据混凝土的强度等级、耐久性和工作性等要求进行配合比设计。
喷射混凝土检验批质量验收记录A:GB50299-1999(2003版);B:DB29-54-2003;C:TB10417-2003A-109 单位(子单位)工程名称分部(子分部)工程名称验收部位施工单位项目经理专业分包单位专业分包项目经理施工执行标准名称及编号施工质量验收规范的规定施工单位检查评定记录监理单位验收意见主控项目1喷射混凝土应掺速凝剂,原材料必应满足设计及有关规范的要求A第7.6.7条2喷射混凝土配合比必应满足设计及有关规范的要求A第7.6.9条3喷射混凝土的强度及抗渗性能应符合设计及有关规范的要求A第7.6.14.1条一般项目1喷射混凝土应密实、平整、无裂缝、脱落、漏喷、漏筋、空鼓、渗漏水等现象A第7.6.14.3条2允许偏差(mm)厚度平均厚度不小于设计规定最小厚度60%以上不小于设计厚度,最小厚度不小于设计的1/3边墙平面位置±10垂直度5‰拱部高程+50,-10平整度30矢弦比≯1/6施工单位检查评定结果项目专业质量检查员:年月日监理单位验收结论专业监理工程师:年月日填表说明主控项目:1、喷射混凝土应掺速凝剂,原材料应满足设计及有关规范的要求(GB50299-1999第7.6.7条)。
水泥:优先选用普通硅酸盐水泥,标号不得低于325号,性能符合现行水泥标准;细骨料:采用中砂或粗砂,细度模数应大于2.5,含水率控制在5~7%;粗骨料:采用卵石或碎石,粒径不应大于15mm;外加剂、伴和水均应符合设计和规程要求;2、喷射混凝土配合比应满足设计及有关规范的要求GB50299-1999 第7.6.9条)。
水泥与砂石重量比应取1:4~4.5。
砂率应取45~55%,水灰比应取0.4~0.45。
速凝剂掺量应通过实验确定。
原材料称量允许偏差:水泥和速凝剂±2%,砂石±3%。
3、喷射混凝土的强度及抗渗性能应符合设计及有关规范的要求。
检查数量:抽查检查。
检验方法:检查试验报告。