喷射混凝土支护检验批质量验收记录表及填写指南
- 格式:doc
- 大小:55.50 KB
- 文档页数:2
MKJ304044□□□单位工程名称:+897m中部车场部位:—工程量:mMKJ304044□□□单位工程名称:+897m中部车场部位:—工程量:mMKJ304044□□□单位工程名称:+897m中部车场部位:—工程量:mMKJ304044□□□单位工程名称:+897m中部车场部位:—工程量:mMKJ304044□□□单位工程名称:+897m中部车场部位:—工程量:mMKJ304044□□□单位工程名称:+897m中部车场部位:—工程量:mMKJ304044□□□单位工程名称:+897m中部车场部位:—工程量:mMKJ304044□□□单位工程名称:+897m中部车场部位:—工程量:mMKJ304044□□□单位工程名称:+897m中部车场部位:—工程量:mMKJ304044□□□单位工程名称:+897m中部车场部位:—工程量:mMKJ304044□□□单位工程名称:+897m中部车场部位:—工程量:mMKJ304044□□□单位工程名称:+897m中部车场部位:—工程量:mMKJ304044□□□单位工程名称:+897m中部车场部位:—工程量:mMKJ304044□□□单位工程名称:+897m中部车场部位:—工程量:mMKJ304044□□□单位工程名称:+897m中部车场部位:—工程量:mMKJ304044□□□单位工程名称:+897m中部车场部位:—工程量:mMKJ304044□□□单位工程名称:+897m中部车场部位:—工程量:mMKJ304044□□□单位工程名称:+897m中部车场部位:—工程量:mMKJ304044□□□单位工程名称:+897m中部车场部位:—工程量:mMKJ304044□□□单位工程名称:+897m中部车场部位:—工程量:mMKJ304044□□□单位工程名称:+897m中部车场部位:—工程量:mMKJ304044□□□单位工程名称:+897m中部车场部位:—工程量:mMKJ304044□□□单位工程名称:+897m中部车场部位:—工程量:mMKJ304044□□□单位工程名称:+897m中部车场部位:—工程量:mMKJ304044□□□单位工程名称:+897m中部车场部位:—工程量:mMKJ304044□□□单位工程名称:+897m中部车场部位:—工程量:mMKJ304044□□□单位工程名称:+897m中部车场部位:—工程量:mMKJ304044□□□单位工程名称:+897m中部车场部位:—工程量:mMKJ304044□□□单位工程名称:+897m中部车场部位:—工程量:mMKJ304044□□□单位工程名称:+897m中部车场部位:—工程量:m。
甘肃省水利水电工程甘肃省水利厅水利工程建设质量与安全管理中心 锚喷支护喷射混凝土质量工序评定表填 表 说 明填表时必须遵守“填表基本规定”,并符合以下要求。
1、 单元工程、分部工程名称、单元工程名称、部位填写与《锚喷支护单元工程质量评定表》相同。
2、 单元工程量:本单元工程锚喷支护的面积(m 2)和喷射混凝土体积(m 3)。
3、 检验日期:填本工序质量的评定日期。
本工序质量评定必须在本工序施工完成且试验取得混凝土试块抗压强度后及时进行。
4、 检查数量:喷混凝土沿洞轴线每20~50m (水工隧洞为20m )设置检查断面一个,每个断面的检测点数不少于5个。
每100m 3喷混凝土的混合料试件数不少于二组(每组3块),作喷混凝土性能试验。
检查方法:不过水隧洞可用针探、钻孔等方法。
有压水工隧洞宜采用无损检测法。
5、 如何理解项次3喷混凝土厚度不得小于设计厚度的质量标准?SDJS7—85《水利水电地下工程锚喷支护施工技术规范》第6.2.4条第三款规定,实测喷层厚度达到设计尺寸的合格率应满足下列要求:①大型洞室、水工隧洞和竖井不小于80%。
②一般隧洞不小于60%。
③实际厚度的平均值应不小于设计尺寸,未合格测点的厚度应不小于设计厚度的1/2,且其绝对值不得小于5cm 《评定标准(一)》是根据水利行业规程规范编制的技术标准,因而本表项次3所列质量标准,是喷层厚度合格率必须达到的标准。
喷层厚度合格率=总测点数数度达到设计厚度的测点所有断面上实测喷层厚×100% 本表对于水工隧洞,喷层厚度合格率达到70%及其以上,评为合格,达到80%及其以上评为优良。
对于非过水隧洞,喷层厚度合格率达到60%及其以上评为合格,达到70%及其以上,评为优良。
6、 工序质量标准。
主要检查项目符合优良质量标准,其它检查项目符合优良或合格质量标准的,即评为优良。
凡主要检查项目全部符合合格及以上质量标准,其他检查项目符合合格质量标准的,即评为合格。
喷射混凝土面层检验批质量验收记录表
02011103
说明
主控项目
1.喷射混凝土面层所用水泥、粗细骨料、外加剂等材料的品种、规格、质量应符合设计要求,其进场检验应符合《铁路路基工程施工质量验收标准》(TB10414─2003)附录E的规定。
2.喷射混凝土强度等级应符合设计要求。
检验数量:施工单位每50 m3喷射混凝土制取试件1组,不足50 m3亦制取试件1组。
监理单位按施工单位检验数量的10%平行检验,且不少于1组。
检验方法:混凝土试件抗压试验。
3.喷射混凝土面层厚度应符合设计要求。
检验数量:施工单位检验3个断面,每个断面不少于5个检查点。
监理单位按施工单位检验数量的10%平行检验。
检验方法:凿孔实测或预埋厚度标志。
(每个断面上,全部检查孔处的喷层厚度,60%以上不应小于设计厚度;最小值不应小于设计厚度的一半;同时,检查孔处厚度的平均值,不应小于设计厚度值。
)
4.泄水孔孔径、排水方向,并排水通畅。
检验数量:施工单位检验排水孔数量的20%,监理单位按施工单位检验数量的20%见证检验。
检验方法:观察、尺量。
5.墙后反滤层分布及厚度应符合设计要求,
检验数量:施工单位对反滤层分布及厚度检验10处,监理单位见证检验2处。
检验方法:观察、尺量。
一般项目
1.喷射混凝土应与坡面、钢筋网(土工网)紧密结合,其表面应平顺、无裂隙、无露筋。
检验数量:施工单位全部检查。
检验方法:观察。
适用范围:本表适用于喷锚暗挖法喷射混凝土分项工程质量的验收。
检验批的划分:每一喷射段。
主控项目1. 水泥进场时应对其品种、级别、包装或散装仓号、出厂日期等进行检查,并应对其强度、安定性及其他必要的性能指标进行复验,其质量必须符合现行国家标准《硅酸盐水泥、普通硅酸盐水泥》GB175等的规定。
当在使用中对水泥质量有怀疑或水泥出厂超三个月(快硬硅酸盐水泥超过一个月)时,应进行复验,并按复验结果使用。
钢筋混凝土结构、预应力混凝土结构中,严禁使用含氯化物的水泥。
检查数量:按同一生产厂家、同一等级、同一品种、同一批号且连续进场的水泥,袋装不超过200t 为一批,散装不超过500t为一批,每批抽样不少于一次。
检验方法:检查产品合格证、出厂检验报告和进场复验报告。
2. 细骨料:采用中砂或粗砂,细度模数应大于2.5。
检验方法:检查砂试验报告或混凝土配合比通知单。
3. 粗骨料:采用卵石或碎石,粒径不应大于15㎜,骨料级配符合规范GB50299-1999表7.6.7的要求。
检验方法:检查碎(卵)石试验报告。
检查数量:按进场的批次和产品的抽样方案确定。
每个工作班抽查不应少于一次。
检验方法:复称。
4. 混凝土中掺用外加剂的质量及应用技术应符合现行国家标准《混凝土外加剂》GB8076、《混凝土外加剂应用技术规范》GB50119等和有关环境保护的规定。
预应力混凝土结构中,严禁使用含氯化物的外加剂。
钢筋混凝土结构中,当使用含氯化物的外加剂时,混凝土中的氯化物的总含量应符合现行国家标准《混凝土质量控制标准》GB50146的规定。
检查数量:按进场的批次和产品的抽样检验方法确定。
检验方法:检查产品的合格证、出厂检验报告和进场复验报告。
5. 搅拌混凝土宜采用饮用水;当采用其他水源时,水质应符合国家现行标准《混凝土拌合用水标准》JGJ63规定。
检查数量:同一水源检查不应少于一次。
检验方法:检查水质试验报告。
6. 混凝土必须按国家现行标准《普通混凝土配合比设计规程》JGJ55的有关规定,根据混凝土的强度等级、耐久性和工作性等要求进行配合比设计。
喷射混凝土检验批质量验收记录一及检验规定和说明编号:单位工程名称分部工程分项工程名称验收部位施工总承包单位项目经理专业工长专业承包单位项目经理施工班长施工执行标准名称及编号施工质量验收规范的规定施工单位检查评定记录监理(建设)单位验收记录主控项目1 水泥第6.3.10条2 细骨料第6.3.11条3 粗骨料第6.3.12条4 外加剂第6.3.13条5 水第6.3.14条6 配合比第6.3.15条施工单位检查评定结果:质量检查员:年月日监理或建设单位验收结论:监理工程师或建设单位项目专业技负责人:年月日检验规定和说明适用范围:本表适用于暗挖车站喷射混凝土分项工程质量的验收。
检验批的划分:每一喷射段。
主控项目1.水泥进场时应对其品种、级别、包装或散装仓号、出厂日期等进行检查,并应对其强度、安定性及其他必要的性能指标进行复验,其质量必须符合现行国家标准《硅酸盐水泥、普通硅酸盐水泥》GB175等的规定。
当在使用中对水泥质量有怀疑或水泥出厂超三个月(快硬硅酸盐水泥超过一个月)时,应进行复验,并按复验结果使用。
检查数量:按同一生产厂家、同一等级、同一品种、同一批号且连续进场的水泥,袋装不超过200t为一批,散装不超过500t为一批,每批抽样不少于一次。
检验方法:检查产品合格证、出厂检验报告和进场复验报告。
2.细骨料:采用中砂或粗砂,细度模数应大于2.5,含水率控制在5%~7%。
检查数量:同一产地、同一品种、同一规格且连续进场的细骨料,每400m3或600t为一批,不足400m3或600t也按一批计。
施工单位每批抽查一次;监理单位见证取样检测,抽查次数为施工单位抽查次数的20%,但至少一次。
检验方法:施工单位现场现场取样试验;监理单位检查全部试验报告,或见证取样检测。
3.粗骨料:采用卵石或碎石,粒径不应大于15㎜,含泥量应不大于1%。
检验方法:检查碎(卵)石试验报告。
检查数量:同一产地、同一品种、同一规格且连续进场的粗骨料,每400m3或600t为一批,不足400m3或600t也按一批计。
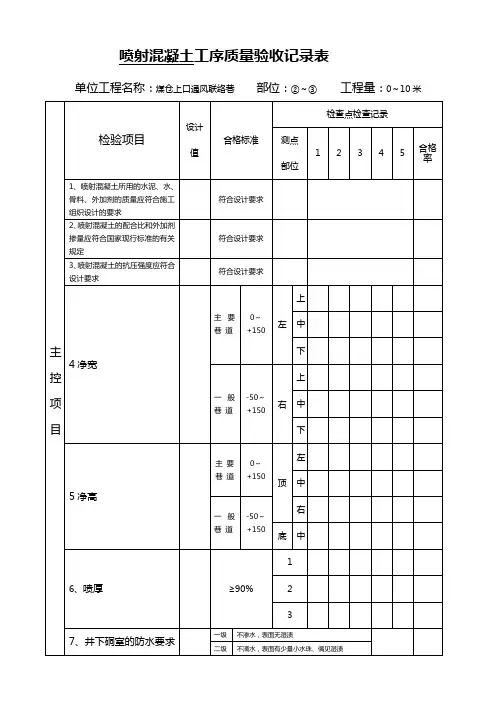
喷射混凝土支护检验批质量验收记录表
说明
主控项目
1.喷射混凝土应优先采用硅酸盐水泥、普通硅酸盐水泥。
水泥进场时,必须按批对其品种、级别、包装或散装仓号、出厂日期等进行验收,并对其强度、凝结时间、安定性进行试验,其质量必须符合现行国家标准《硅酸盐水泥、普通硅酸盐水泥》(GB175)等的规定。
当在使用中对水泥质量有怀疑或水泥出厂日期超过3个月(快硬硅酸盐水泥逾一个月)时,必须再次进行强度试验,并按试验结果使用。
检验数量和检验方法见《铁路隧道工程施工质量验收标准》(TB10417—2003)第6.2.1条的规定。
2.喷射混凝土所用的细骨料,应按批进行检验,其颗粒级配、坚固性指标应符合国家现行标准《普通混凝土用砂质量标准及检验方法》(JGJ52)的规定,细度模数应大于2.5,泥块含量应符合铁道部现行《铁路混凝土与砌体工程施工质量验收标准》(TB10424)附录B的规定,含泥量不应大于3%。
检验数量:同一产地、同一品种、同一规格且连续进场的细骨料,每400 m3或600 t为一批,不足400 m3或600 t也按一批计。
施工单位每批抽检一次。
监理单位见证取样检测,抽检次数为施工单位抽检次数的20%,但至少一次。
检验方法:施工单位现场取样试验。
监理单位检查全部试验报告,见证取样检测。
3.喷射混凝土所用的粗骨料,应按批进行检验,其颗粒级配、压碎指标值、针片状颗粒含量应符合现行铁道行业标准《铁路混凝土与砌体工程施工质量验收标准》(TB10424)附录C的规定。
粗骨料最大粒径不宜大于16 mm,并宜采用连续粒级,含泥量不应大于1%。
检验数量和检验方法同细骨料。
4.混凝土外加剂进场时,必须按批对减水率、凝结时间差、抗压强度比进行检验,其质量必须符合《混凝土外加剂》(GB8076)、《混凝土外加剂应用技术规范》(GB50119)等现行国家标准和其它有关环境保护的规定。
检验数量和检验方法见《铁路隧道工程施工质量验收标准》TB10417—2003第7.4.4条的规定。
5.拌合用水宜采用饮用水,当采用其他水源时,水质必须符合现行国家标准《混凝土拌合用水标准》(JGJ63)的规定。
检验数量:同水源施工单位试验检查不应少于一次,监理单位见证试验。
检验方法:施工单位做水质分析试验,监理单位检查试验报告,见证试验。
6.喷射混凝土的配合比设计应根据原材料性能、混凝土的技术条件和设计要求进行,并应符合下列规定:灰骨比宜为1:4~1:5,水灰比宜为0.40~0.50,砂率宜为45%~60%,水泥用量不宜小于400 kg/m3。
检验数量:施工单位对同强度等级、同性能喷混凝土进行一次混凝土配合比设计。
监理单位全部检查。
检验方法:施工单位进行配合比选定试验。
监理单位检查配合比选定单。
7.喷射混凝土的强度必须符合设计要求。
用于检查喷混凝土强度的试件,可采用喷大板切割法。
当不具备切割条件时也可采用边长为150 mm的立方体无底试模,在其内喷射混凝土制作试件。
试件成型的喷射方向应与边墙相同。
当对强度有怀疑时,可在混凝土喷射地点采用凿方切割法或钻芯取样法随机抽取制作试件做抗压试验。
检验数量:施工单位每一作业循环检验一次,每个断面至少在拱部和边墙各留置一组检验试件。
监理单位见证取样检测或平行检验,检查次数分别为施工单位检查次数的20%和10%。
检验方法:施工单位进行混凝土强度试验。
监理单位检查混凝土强度试验报告并进行见证取样检测或平行检验。
8.喷射混凝土的厚度应符合下列要求:
平均厚度大于设计厚度;检查点数的60%及以上大于设计厚度;最小厚度不小于设计厚度的1/2,且不小于3 cm。
检验数量:施工单位每一作业循环检查一个断面,每个断面应从拱顶起,每间隔2 m布设一个检查点检查喷混凝土的厚度。
监理单位见证检查或按20%比例抽查。
检验方法:施工单位、监理单位检查控制喷层厚度的标志或凿孔测量厚度。
9.钢纤维喷射混凝土中的钢纤维宜采用普通碳素钢制成,并满足下列要求:
钢纤维的品种、规格、性能应符合设计要求;钢纤维抗拉强度不得小于380 MPa,并不得有油渍和明显的锈蚀。
检验数量:同一生产厂家、同一批号、同一品种、同一出厂日期且连续进场的钢纤维原材料,按每5 t为一批,当不足5 t时,也按一批计。
施工单位每批抽检一次。
监理单位按20%的比例见证取样检测。
检验方法:施工单位检查产品合格证、出厂检验报告并进行试验。
监理单位检查全部产品合格证、出厂检验报告、试验报告并进行规定比例的见证取样检测。
10.喷射混凝土后应进行初期养护,避免受低温、干燥、急剧温度变化等影响。
检验数量:施工单位、监理单位全验。
检验方法:观察。
一般项目
1.混凝土的喷射方式符合设计要求,施工时应分段、分片,由下而上,依次进行。
混合料应随拌随喷,喷层厚度符合设计要求。
检验数量:施工单位每一作业循环检查一个断面。
检验方法:观察。
2.喷射混凝土拌合物的坍落度应符合设计配合比要求。
检验数量:施工单位每工作班不少于一次。
检验方法:坍落度试验。
3.喷射混凝土拌制前,应测定砂、石含水率,并根据测试结果和理论配合比调整材料用量,提出施工配合比。
检验数量:施工单位每工作班不应少于一次。
检验方法:砂、石含水率测试。
4.喷射混凝土原材料每盘称量的偏差应符合《铁路隧道工程施工质量验收标准》(TB10417—2003)第6.2.14条的规定。
5.喷混凝土表面应平顺,无裂缝及掉渣现象,锚杆头及钢筋无外露。
检验数量:施工单位全验。
检验方法:观察。