钢筋机械连接接头检验批验收记录表
- 格式:docx
- 大小:10.21 KB
- 文档页数:2
表118钢筋原材料检验批质量验收记录编号:010002010201001
填表说明
1、检验批容量填写:钢筋重量、钢筋机械连接套筒、钢筋锚固板以及预埋件个数。
2、最小/实际检查数量栏中,最小数量填写:统一标准或专业验收规范条款中规定的检查数量;实际检查数量填写:实际检查批量。
3、表头中“施工依据”栏目应依照实际的施工操作依据填写,如施工企业的操作规程、工法、施工工艺标准等。
4、主控项目:《混凝土结构工程施工质量验收规范》GB50204-2015规定钢筋原材料按进场的批次和产品的抽样检验方案确定。
5、一般项目:钢筋的表面质量进场时和使用前应全数检查。
其他一般项目按每工作班同一类型钢筋、同一加工设备抽查不应少于3件。
钢筋报验申请表之吉白夕凡创作
工程名称:新加坡御苑三期27#楼
钢筋加工检验批质量验收记录
(GB50204-2002)
(Ⅰ)编号:
六安市建设工程质量监督站印
钢筋报验申请表
工程名称:新加坡御苑三期27#楼
钢筋装置工程检验批质量验收记录(GB50204-2002)
Ⅱ
监理(建设)单位结论验收
专业监理工程师
(建设单位项目专业技术负责人):年月日
六安市建设工程质量监督站印
隐蔽工程检检验收记录
编号:共页第页年月日
工程名称或编号:新加坡御苑三期27#楼建设单位:安徽凯胜置业有限公司
分部分项工程名称:六层框架柱隐蔽验收日期:2011年03月27日隐蔽项目单位数量完成情况和质量检查钢筋安装钢筋的品种、级别、规格、数量
符
合设计要求,装置绑扎、搭接长度、
呵护层支垫均符合规范要求
隐蔽简图(或设计施工变动记录):
按图施工
检检验收意见:
建设单位:
监理单位:
施工单位:
本表一式三份六安市建设工程质量监督站印。
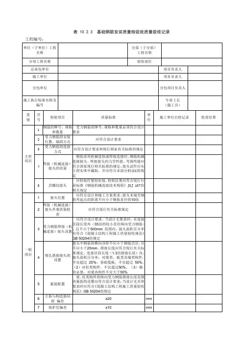
钢筋安装检验批质量验收记录及检验规定和说明编号:单位工程名称分项工程名称分部工程验收部位施工总承包项目专业工单位经理长专业承包单项目施工班位经理长施工执行标准名称及编号监理(建施工质量验收规范的规定施工单位检查评定设)单位记录验收记录第主 1 纵向钢筋的连接方式8.2.11控条项机械连接和焊接接头第目28.2.12的力学性能条第受力钢筋的品种、级38.2.18别、规格和数量条第1接头的位置和数量8.2.13条第机械连接、焊接的外观2质量8.2.14条第机械连接、焊接的接头38.2.15一面积百分率条般第项绑扎搭接接头面积百48.2.16目分率和搭接长度条第搭接长度范围内的5箍筋8.2.17条钢绑长、宽± 106筋扎(mm)安钢网眼尺寸± 20装筋(mm)允网许绑长(mm)± 10偏扎差钢宽、高筋± 5(m m)骨架间距± 10(m m)排距± 5(m m)受保基础±10力护柱梁±5钢层筋厚板墙度± 3壳(mm)绑扎钢筋、横向± 20钢筋间距( mm)钢筋弯起点位置20(mm)预中心线位置埋(mm)件水平高差(mm)5 +3,0施工单位检查评定结果:质量检查员:年月日监理或建设单位验收结论:监理工程师或建设单位项目专业技负责人:年月日检验规定和说明适用范围:本表适用于明挖车站钢筋安装工程质量的验收。
检验批的划分:每一浇筑段为一检验批。
主控项目:1.纵向受力钢筋的连接方式应符合设计要求。
检验数量:施工单位、监理单位全数检查。
检验方法:观察检查。
2.在施工现场,应按国家现行标准《钢筋机械连接通用技术规程》( JGJ107)、《钢筋焊接及验收规程》(JGJ18)的规定抽取钢筋机械连接接头、焊接接头试件作力学性能检验,其质量应符合有关规程的规定。
检验数量:施工单位、监理单位按机械连接:同一批材料的同等级、同形式、同规格的接头每500 个为一检验批,不足 500 个接头也按一检验批计,每一检验批必须在工程结构中随机截取 3 个试件做单向拉伸试验;钢筋焊接:同一接头形式、同钢筋级别每300 个接头为一检验批。
混凝土浇筑申请表钢筋报审、报验表工程名称:编号:注:本表一式二份,项目监理机构、施工单位各存一份。
现场验收检查原始记录监理校核:记录:验收日期:年月日钢筋安装报审、报验表工程名称:编号:注:本表一式二份,项目监理机构、施工单位各存一份。
钢筋安装检验批质量验收记录本表由施工单位填写,建设单位、施工单位、城建档案馆各保存一份。
现场验收检查原始记录监理校核:记录:验收日期:年月日模板安装报审、报验表工程名称:编号:注:本表一式二份,项目监理机构、施工单位各存一份。
模板安装检验批质量验收记录现场验收检查原始记录共1页第1 页监理校核:记录:验收日期:年月日混凝土施工报审、报验表工程名称:编号:混凝土施工检验批质量验收记录现场验收检查原始记录现浇结构外观及尺寸偏差报审、报验表工程名称:编号:注:本表一式二份,项目监理机构、施工单位各存一份。
现浇结构外观及尺寸偏差检验批质量验收记录现场验收检查原始记录监理校核:记录:验收日期:年月日钢筋安装报审、报验表工程名称:编号:钢筋安装检验批质量验收记录本表由施工单位填写,建设单位、施工单位、城建档案馆各保存一份。
现场验收检查原始记录监理校核:记录:验收日期:年月日模板安装报审、报验表工程名称:编号:注:本表一式二份,项目监理机构、施工单位各存一份。
模板安装检验批质量验收记录现场验收检查原始记录共1页第1 页监理校核:记录:验收日期:年月日混凝土施工报审、报验表工程名称:编号:混凝土施工检验批质量验收记录现场验收检查原始记录现浇结构外观及尺寸偏差报审、报验表工程名称:编号:注:本表一式二份,项目监理机构、施工单位各存一份。
现浇结构外观及尺寸偏差检验批质量验收记录现场验收检查原始记录监理校核:记录:验收日期:年月日。
模板安装检验批质量验收记录单位(子单位)工程名称桐城师范高等专科学校-2#艺术楼分部(子分部)工程名称混凝土结构分项工程名称模板施工单位中煤第三建设(集团)有限责任公司项目负责人徐胜利检验批容量分包单位分包单位项目负责人检验批部位北楼三层屋面施工依据《混凝土结构施工规范》GB50666-2011验收依据《混凝土结构工程施工质量验收规范》GB50204-2015主控项目验收项目设计要求及规范规定样本总数最小/实际抽样数量检查记录检查结果1模板及支架材料质量模板及支架材料的技术指标应符合国家现行有关标准和专项施工方案的规定。
进场时应抽样检验模板和支架材料的外观、规格和尺寸。
/ /符合国家现行有关标准和专项施工方案的规定2现浇混凝土模板及支架安装质量现浇混凝土结构模板及支架安装质量,应符合国家现行有关标准的规定和施工方案的要求。
/ /3后浇带处模板及支架设置后浇带处的模板及支架独立设置/ /4支架竖杆和竖向模板安装要求支架竖杆和竖向模板安装在土层上时,应符合下列规定:1、土层应坚实、平整,其承载力或密实度应符合施工方案要求;2、应有防水、排水措施;对冻胀性土,应有预防冻融措施;3、支架竖杆下应有底座或垫板。
/ /一般项目1模板安装质量1、模板的接缝应严密;2、模板内不应有杂物、积水或冰雪等;3、模板与混凝土的接触面应平整、清洁;4、用作模板的地坪、胎膜等应平整、清洁,不应有影响结构质量的下沉、裂缝、起砂或起鼓;5、对清水混凝土构件及装饰混凝土构件,应使用能达到设计效果的模板。
/ / 符合相关规定要求2隔离剂的品种和涂刷方法质量隔离剂的品种和涂刷方法应符合施工方案要求,隔离剂不得影响结构性能及装饰施工,不得玷污钢筋、预应力筋、预埋件和混凝土接茬处;不得对环境造成污染。
/ /隔离剂的品种和涂刷方法应符合施工方案要求3模板起拱模板的起拱应符合现行国家标准《混凝土结构工程施工规范》GB50666的规范,并应符合设计及施工方案的要求。