069 钢筋分项工程(钢筋连接、钢筋安装)检验批质量验收记录Tj4-1-25
- 格式:doc
- 大小:56.00 KB
- 文档页数:4
钢筋工程检验批质量验收记录1. 引言本文档记录了对于钢筋工程检验批的质量验收过程和结果。
通过对钢筋工程进行严谨的质量验收,可以确保工程质量符合相关标准和要求,提高工程的安全性和可靠性。
2. 检验批信息检验批名称:钢筋工程检验批施工合同编号:[合同编号]合同工程量:[工程量]施工单位:[施工单位名称]监理单位:[监理单位名称]验收日期:验收日期3. 验收标准和方法本次钢筋工程的验收标准遵循国家相关标准和要求,并根据构造配置和设计文件的要求进行验收。
具体的验收方法包括:•检查钢筋清理情况:检查钢筋表面是否有锈蚀、油污等污染物,保证钢筋的清洁度。
•检查钢筋尺寸:对钢筋的直径、长度和弯曲情况进行检查,确保符合设计要求。
•检查钢筋的连接方式:检查钢筋的焊接质量、螺纹连接质量等,确保连接牢固可靠。
•检查钢筋的布置情况:检查钢筋的布置是否符合设计要求,保证钢筋覆盖层的厚度达到要求。
4. 验收过程和结果4.1 验收过程•检查钢筋清理情况:对钢筋表面进行观察和检查,未发现明显的锈蚀、油污等污染物。
•检查钢筋尺寸:使用钢筋直径测量仪对钢筋的直径进行测量,结果显示符合设计要求。
对钢筋长度进行测量,未发现明显的偏差。
对弯曲钢筋进行测量,结果显示符合设计要求。
•检查钢筋的连接方式:对焊接的钢筋进行外观检查,未发现焊接缺陷。
对螺纹连接进行检查,未发现松动或断裂等情况。
•检查钢筋的布置情况:对钢筋布置进行观察和测量,发现布置符合设计要求。
对钢筋覆盖层厚度进行测量,结果显示符合设计要求。
4.2 验收结果根据以上的检验过程,本次钢筋工程检验批的质量验收结果如下:•钢筋清理情况:合格•钢筋尺寸:合格•钢筋连接方式:合格•钢筋布置情况:合格5. 验收结论本次钢筋工程检验批的质量验收结果显示符合相关的验收标准和要求,工程质量达到了预期的要求。
经过严谨的验收过程,保证了钢筋工程的安全性和可靠性。
基于对钢筋工程的质量验收结果,提出以下验收意见:•完善施工单位的质量管理体系,以确保施工过程中质量控制的有效性。
钢筋安装检验批质量验收记录目前,我国建筑施工企业的素质参差不齐,建设监管不到位,建筑钢筋工程施工中普遍都存在着问题,如新旧规范的混淆,设计规范和施工规范要求准则有差异,验收判断尺度宽严不一,检验项目的遗漏,验收中数据不真实,验收工作不负责任,对规范的理解不同等,都是造成钢筋工程质量问题的所在,这样不仅使施工和验收工作不协调,也容易给工程留下严重的质量隐患,遗患无穷。
1关于钢筋的进场验收 1.1主要问题混凝施工规范规定,钢筋进场检验属于强制性条文,必须严格执行,应采取如下措施:钢筋进场时,应检查产品合格证出厂检验报告,并按现行国家标准规定抽样进行力学性能试验,确认复验合格后才能在工程上使用。
监理人员应现场见证复验取样,确保送验样品的真实性,复验结果是该批钢筋能否使用的重要依据。
做好抗震用钢筋强度实测值的复核工作,混凝施工规范5.22条规定,对一二级抗震等级的框架结构,其纵向受力钢筋的强度实测值应符合下列规定,即抗拉强度实测值与屈服强度实测值之比不应<1.25,屈服强度实测值与强度标准值的比值不应>1.3。
施工图未注明抗震等级时,监理人员在图纸会审时提请设计人员予以明确,应将抗震钢筋强度实测值复核工作列入监理实施细则并作为关键控制点,经复验合格才能同意该钢筋在抗震结构中使用。
2关于钢筋的连接 2.1钢筋连接的验收原则钢筋的接头宜设置在受力较小处,同一纵向受力钢筋不宜设置两个或两个以上接头,这作为钢筋验收的一般项目要求。
实际的大跨度或长构件的受力钢筋,必须产生两个或两个以上接头,接头数量主要由接头面积百分率控制。
所以“宜”和“不宜”并不能作为质量判罚依据,而是条件许可时的一种选择。
以下两条验收原则是必须遵循的:纵向受力钢筋的连接方式应符合设计要求。
钢筋接头面积百分率应符合设计要求,当设计无具体要求时,应按施工规范规定执行。
2.2接头面积百分率的控制2.2.1同一连接区段的概念。
规范规定同一连接区段长度为:焊接接头为35d且不<500mm,绑扎接头为1.3倍接长度。
钢筋连接检验批质量验收记录钢筋连接是建筑工程中非常重要的一环,其质量直接关系到整个结构的安全性和稳定性。
为了保证钢筋连接的质量,需要进行验收和记录,并且严格按照相关规范和标准进行检验,以确保质量合格。
下面是钢筋连接检验批质量验收记录的一份样板,供参考。
项目名称:项目地址:检验单位:编制人:日期:一、基本信息:1.批次号:2.钢筋连接构件号:3.钢筋种类、规格及强度等级:4.检验日期:5.样本编号:二、工作范围:对钢筋连接进行质量验收,包括但不限于以下内容:1.钢筋连接间距的测量;2.钢筋连接是否达到预定的标高,是否有错位;3.钢筋连接的密实性;4.钢筋连接的角度、夹角;5.钢筋连接的质量是否符合设计要求;6.其他必要的检验项目。
三、检验设备:1.量具:卷尺、角尺、直尺等;2.灯光设备;3.相机或摄像设备。
四、检验过程和结果:1.检验前准备:a)检验人员准备好相应的检验设备;b)样本准备:-随机选择一定数量的钢筋连接构件进行检验;-对每个钢筋连接构件进行编号,并记录在验收记录中。
2.检验过程:a)进行钢筋连接间距的测量;-使用卷尺等量具测量钢筋连接的间距;-检查测量结果是否符合设计要求,并记录在验收记录中。
b)检查钢筋连接是否达到预定的标高,是否有错位;-使用直尺等量具测量钢筋连接的标高;-检查是否有错位现象,并记录在验收记录中。
c)检查钢筋连接的密实性;-通过目视、触摸等方法检查钢筋连接的密实程度;-检查是否有裂缝、松动等现象,并记录在验收记录中。
d)检查钢筋连接的角度、夹角;-使用角尺等量具测量钢筋连接的角度、夹角;-检查测量结果是否符合设计要求,并记录在验收记录中。
e)检查钢筋连接的质量是否符合设计要求;-根据设计要求对钢筋连接进行视觉检查、尺寸检查等;-检查钢筋连接的焊缝、锈蚀等情况,并记录在验收记录中。
3.检验结果:对每个样本的检验结果进行记录,包括合格、不合格等。
五、检验结论和建议:根据以上检验结果,对钢筋连接的质量进行结论和建议。
钢筋闪光对焊接头检验批质量验收记录
JGJ18-2003
注:1、一般项目各小项检查评定不合格时,在小格内打×记号;
钢筋电弧焊接头检验批质量验收记录
JGJ18-2003
注:1、一般项目各小项检查评定不合格时,在小格内打×记号;
2、本表由施工单位项目专业检查员填写,监理工程师建设单位项目专业技术负责人组
织项目专业质量检查员等进行验收。
钢筋电渣压力焊接头检验批质量验收记录
JGJ18-2003
注:1、一般项目各小项检查评定不合格时,在小格内打×记号;
2、本表由施工单位项目专业检查员填写,监理工程师(建设单位项目专业技术负责人)
组织项目专业质量检查员等进行验收。
钢筋气压焊接头检验批质量验收记录
JGJ18-2003
注:1、一般项目各小项检查评定不合格时,在小格内打×记号;
2、本表由施工单位项目专业检查员填写,监理工程师建设单位项目专业技术负责人组
织项目专业质量检查员等进行验收。
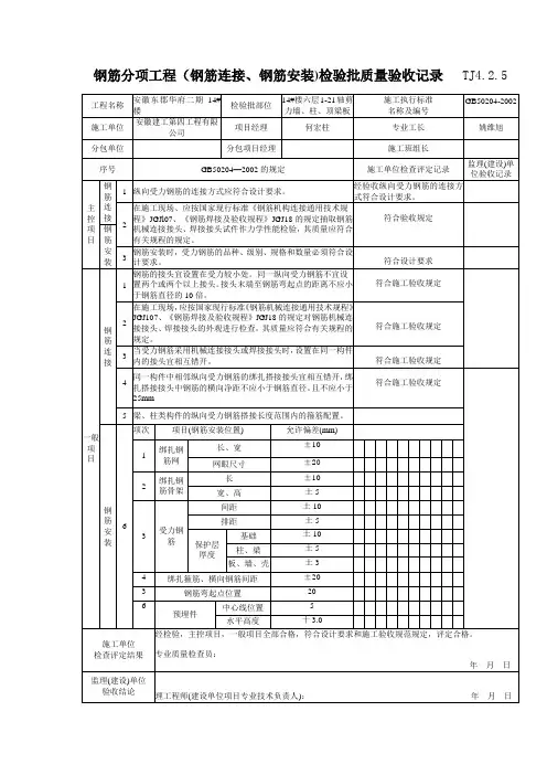
钢筋连接检验批质量验收记录
(GB50204-2002)编号:。
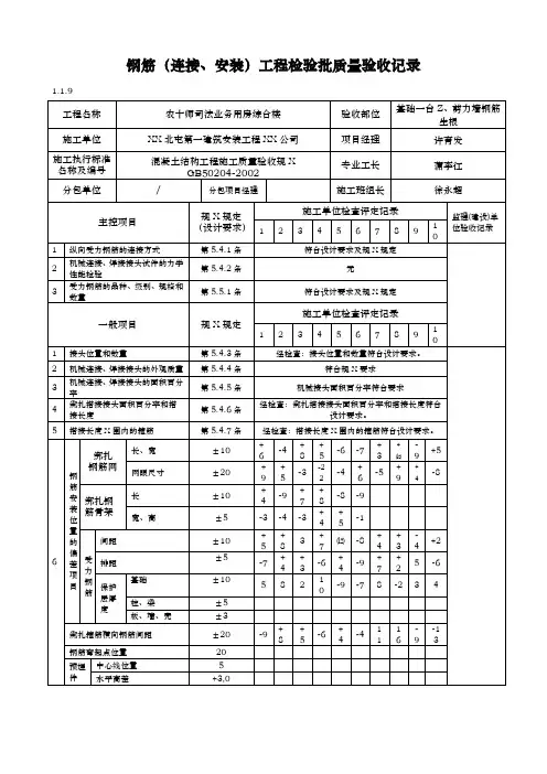
钢筋(连接、安装)工程检验批质量验收记录1.1.9钢筋(连接、安装)工程检验批质量验收记录1.1.9钢筋(连接、安装)工程检验批质量验收记录1.1.9钢筋(连接、安装)工程检验批质量验收记录1.1.9钢筋(连接、安装)工程检验批质量验收记录1.1.9钢筋(连接、安装)工程检验批质量验收记录1.1.9钢筋(连接、安装)工程检验批质量验收记录1.1.9钢筋(连接、安装)工程检验批质量验收记录1.1.9钢筋(连接、安装)工程检验批质量验收记录1.1.9钢筋(连接、安装)工程检验批质量验收记录1.1.9钢筋(连接、安装)工程检验批质量验收记录1.1.9钢筋(连接、安装)工程检验批质量验收记录1.1.9钢筋(连接、安装)工程检验批质量验收记钢筋(连接、安装)工程检验批质量验收记录1.1.9钢筋(连接、安装)工程检验批质量验收记钢筋(连接、安装)工程检验批质量验收记录钢筋(连接、安装)工程检验批质量验收记钢筋(连接、安装)工程检验批质量验收记录钢筋(连接、安装)工程检验批质量验收记钢筋(连接、安装)工程检验批质量验收记录钢筋(连接、安装)工程检验批质量验收记钢筋(连接、安装)工程检验批质量验收记录钢筋(连接、安装)工程检验批质量验收记钢筋(连接、安装)工程检验批质量验收记录钢筋(连接、安装)工程检验批质量验收记钢筋(连接、安装)工程检验批质量验收记录钢筋(连接、安装)工程检验批质量验收记钢筋(连接、安装)工程检验批质量验收记录钢筋(连接、安装)工程检验批质量验收记钢筋(连接、安装)工程检验批质量验收记录钢筋(连接、安装)工程检验批质量验收记钢筋(连接、安装)工程检验批质量验收记录钢筋(连接、安装)工程检验批质量验收记钢筋(连接、安装)工程检验批质量验收记录钢筋(连接、安装)工程检验批质量验收记。
一、《钢筋连接检验批质量验收记录》填写依据:1、《混凝土结构工程施工质量验收规范》GB50204-2015;2、《建筑工程施工质量验收统一标淮》GB50300-2013。
二、检验批划分:混凝土结构工程来用的材料、配件、器具及半成品应按进场批次进行检验。
属于同一工程项目且同期施工的多个单位工程,对同厂家生产的同批材料、构配件、器具及半成品,可统一划分检验批进行验收。
如:钢筋连接,可根据钢筋安装检验批,按结枃楼层或伸缩窪、部位、连接工艺进行划分。
三、《混凝土结构工程施工质量验收规范》GB50204-2015规范摘要主控项目5.4.1 钢筋的连接方式应符合设计要求。
检查数量:全数检查。
检验方法:观察。
5.4.2 钢筋采用机械连接或焊接连接时;钢筋机械连接接头、焊接接头的力学性能、弯曲性能应符合国家现行相关标准的规定。
接头试件应从工程实体中截取。
检查数量:按现行行业标准《钢筋机连接技术规程》JGJ107和《钢筋焊接及验收规程》JGJ18的规定确定。
检验方法:检查质量证明文件和抽样检验报告。
5.4.3 螺纹接头应检验拧紧扭矩值,挤压接头应量测压痕直径,检验结果应符合现行行业标准《钢筋机械连接技术规程》JGJ107的相关规定。
检查数量:按现行行业标准《钢筋机械连接技术规程》JGJ107的规定确定。
检验方法:采用专用扭力扳手或专用量规检查。
一般项目5.4.4 钢筋接头的位置应符合设计和施工方案要求。
有抗震设防要求的结构中,梁端、柱端箍筋加密区范围内不应进行钢筋搭接。
接头末端至钢筋弯起点的距离不应小于钢筋直径的10倍。
检查数量:全数检查。
检验方法:观察,尺量。
5.4.5 钢筋机械连接接头丶焊接接头的外观质量应符合现行行业标准《钢筋机械连接技术规程》JGJ107和《钢筋焊接及验收规程》JGJ18的规定。
检查数量:按现行行业标准《钢筋机械连接技术拠程》JGJ107和《钢筋焊接及验收规程》JGJ18的规定确定。
检验方法:观察,尺量。
钢筋工程方案验收记录项目名称:XX大楼钢筋工程施工项目负责人:李工程师验收人:张总监、王工程师验收日期:2023年5月15日一、验收背景XX大楼是一栋高层建筑,工程涉及到大量的钢筋工程。
为了确保工程质量,提高工程安全,我们进行了钢筋工程方案的验收。
二、验收内容1、验收质量标准:根据国家相关标准和规范,以及公司内部的工程质量标准,对钢筋工程方案进行全面、严格的验收。
2、验收范围:验收范围包括钢筋设计方案、材料选用、施工工艺、施工程序等内容。
三、验收过程及结果1、钢筋设计方案的验收(1) 设计人员详细介绍了钢筋设计方案的内容,包括钢筋型号、规格、数量等。
(2) 经验收人员仔细查看了设计方案,根据实际情况进行了调整,提出了合理化建议。
(3) 经过讨论和修改,最终确定了符合工程要求的钢筋设计方案。
2、材料选用的验收(1) 验收人员对施工材料进行了检查,包括钢筋、钢筋焊接材料等。
(2) 通过对材料的质量、规格等方面进行检验,确定了材料的选用满足了工程质量标准。
3、施工工艺的验收(1) 验收人员对施工工艺进行了详细的了解和了解,包括钢筋加工、安装、焊接等。
(2) 对施工工艺进行了现场检查,确保施工过程符合规范和要求。
4、施工程序的验收(1) 验收人员对施工进度进行了跟踪和监督,确保施工程序按照计划进行。
(2) 对施工中出现的问题和难点进行了及时的沟通和解决,保障了施工质量和工期。
五、验收结论根据现场的验收情况和相关资料,对钢筋工程方案进行了全面的验收。
1、设计方案合理,符合工程要求。
2、材料选用满足了工程质量标准。
3、施工工艺合理,施工程序按照计划进行。
基于以上验收情况,我们认为钢筋工程方案符合工程质量要求,具备了施工条件。
六、后续工作1、继续监督和检查施工过程,确保工程质量和安全。
2、及时跟进工程进度,保障工程按时完工。
3、注重与设计人员、施工人员的沟通和交流,提高工程执行的效率和质量。
七、总结通过本次钢筋工程方案的验收,我们全面了解了工程的实际情况,确保了工程的顺利进行。
钢筋连接检验批质量验收记录1. 概述本文档记录了钢筋连接检验批的质量验收记录,对钢筋连接工程进行质量检验,确保连接质量符合标准要求。
2. 项目信息•项目名称:•工程名称:•编制日期:3. 检验批信息•检验批编号:•检验日期:•检验人员:4. 检验内容和要求本次检验批的主要内容包括以下项目: - 焊接质量检验:检查焊接接头的焊缝质量,包括焊缝的密度、均匀性和焊缝表面的缺陷等。
- 螺纹连接检验:检查螺纹连接件的螺纹质量,确保螺纹连接的紧固性良好。
- 维护检验:检查钢筋连接的维护情况,包括防腐、除锈等维护工作的执行情况。
5. 检验结果根据对钢筋连接的检验,以下为本次检验批的质量验收结果:5.1 焊接质量检验结果•焊接接头1:合格•焊接接头2:合格•焊接接头3:合格•螺纹连接件1:合格•螺纹连接件2:合格•螺纹连接件3:合格5.3 维护检验结果•防腐处理:合格•除锈处理:合格6. 验收意见根据本次检验结果,对钢筋连接的质量进行验收意见如下:6.1 焊接质量验收意见根据焊接接头的质量检验结果,认为焊接质量符合标准要求,可以进行验收。
根据螺纹连接件的质量检验结果,认为螺纹连接质量符合标准要求,可以进行验收。
6.3 维护验收意见根据钢筋连接的维护检验结果,认为维护工作符合标准要求,可以进行验收。
7. 验收结论综上所述,经过本次钢筋连接检验批的质量验收,验证钢筋连接的质量符合标准要求,同意进行验收。
8. 验收人员•验收人员1:•验收人员2:•日期:9. 相关附件•附件1:焊接检验报告•附件2:螺纹连接检验报告•附件3:维护检验报告以上为钢筋连接检验批的质量验收记录,用于记录钢筋连接工程的质量验收情况。
钢筋工程检验批质量验收记录一、项目概述钢筋工程是建筑工程中的重要组成部分,检验钢筋质量的验收记录是确保工程质量合格的重要环节。
本文档将详细记录钢筋工程检验批的质量验收过程。
二、验收日期记录本次钢筋工程检验批的验收日期为_________________。
三、项目信息项目名称:_______________项目地址:_______________建设单位:_______________施工单位:_______________监理单位:_______________四、检验批编号本次钢筋工程检验批的编号为:_______________五、施工材料准备及现场布置在开始进行钢筋工程检验前,施工单位需完成以下准备工作:1. 确保施工现场的安全和整洁。
2. 准备好所需的检测设备和工具。
3. 将本次检验批所使用的钢筋材料进行整理和摆放。
4. 确保现场施工人员具备必要的安全防护措施。
六、质量验收内容本次钢筋工程检验批的质量验收内容包括以下几个方面:1. 钢筋材料检验:a. 检验钢筋材料的品牌、型号及规格是否符合设计要求。
b. 检查钢筋的表面质量,是否有明显的锈蚀、损伤等。
c. 测量钢筋的直径和长度,与设计要求进行比对。
d. 进行抽样检测,并送往实验室进行材料性能测试。
2. 钢筋加工验收:a. 检查钢筋的加工方式和加工质量是否符合设计要求。
b. 检验钢筋的连接方式和连接质量,确保连接紧固可靠。
c. 检查钢筋的折弯情况,确保折弯角度和位置准确无误。
3. 钢筋安装验收:a. 检查钢筋的位置和间距是否与设计要求一致。
b. 检验钢筋的嵌入深度,确保符合设计要求。
c. 检查钢筋与混凝土的粘结情况,是否牢固无松动。
d. 检查钢筋的支撑和固定方式,确保稳定可靠。
七、质量验收结果及记录根据钢筋工程检验批的质量验收内容,以下是本次验收结果的记录:1. 钢筋材料检验结果:a. 品牌、型号及规格是否符合设计要求:_________________b. 表面质量是否良好:_________________c. 钢筋直径和长度是否满足设计要求:_________________d. 材料性能测试结果:_________________2. 钢筋加工验收结果:a. 加工质量是否符合设计要求:_________________b. 连接方式和连接质量是否牢固可靠:_________________c. 钢筋折弯角度和位置是否准确无误:_________________3. 钢筋安装验收结果:a. 位置和间距是否符合设计要求:_________________b. 钢筋嵌入深度是否符合设计要求:_________________c. 钢筋与混凝土的粘结是否牢固无松动:_________________d. 钢筋支撑和固定方式是否稳定可靠:_________________八、质量问题处理与整改措施若在质量验收过程中发现问题,需及时处理和整改。
钢筋安装检验批质量验收记录1. 引言本文档是对钢筋安装工程进行质量验收的记录。
钢筋安装是建筑工程中十分重要的一项工作,对于建筑结构的稳定性和耐久性起到关键作用。
为了确保钢筋安装质量符合相关标准和规范,本次验收通过对钢筋安装的材料、尺寸、位置等方面进行检查,记录检验结果,并提出相关问题和建议。
2. 验收对象本次验收的对象为建筑工地A栋楼翼墙的钢筋安装工程。
3. 验收内容本次验收主要从以下几个方面对钢筋安装进行检验:•钢筋安装材料的质量和规格是否符合要求;•钢筋安装的尺寸和位置是否符合设计要求;•钢筋连接的可靠性和执行标准要求;•钢筋间的间距、绑扎质量等是否符合规范要求。
4. 验收方法本次验收采用目视检查和测量工具进行检验。
5. 验收结果经过对钢筋安装工程进行详细检查,以下是验收结果的总结:•钢筋安装材料的质量和规格均符合要求,没有发现明显的缺陷;•钢筋安装的尺寸和位置基本符合设计要求,未发现明显的偏差;•钢筋连接的可靠性符合标准要求,连接部位未发现明显的裂纹或错位;•钢筋间的间距和绑扎质量也符合规范要求,未发现明显的问题。
6. 存在问题及建议在钢筋安装的过程中,我们也发现了一些问题,并提出了以下建议:1.部分钢筋位置未达到设计要求,存在偏移的情况。
建议施工方加强工人的操作培训,提高钢筋安装的准确性和精度。
2.部分钢筋连接处存在细微的裂纹,虽然不影响结构的安全性,但建议施工方和钢筋供应商共同解决该问题,以确保连接的可靠性。
3.钢筋间的绑扎质量不够牢固,存在松动的情况。
建议施工方加强对工人的培训和监督,确保绑扎工作的质量。
7. 验收结论根据以上的检验结果和存在的问题及建议,对于本次钢筋安装工程的质量验收,我们得出以下结论:•钢筋安装质量整体上符合要求,各项指标均在可接受范围内;•存在的问题虽然不是严重的质量问题,但仍需要施工方和相关人员重视并及时改进。
8. 验收人员•验收人员1:XXX•验收人员2:XXX9. 附件•钢筋安装图纸及相关规范文件•验收照片以上就是本次钢筋安装检验批质量验收的记录。