图像采集系统主要指标参数
- 格式:doc
- 大小:29.50 KB
- 文档页数:1
机器视觉图像质量评价体系机器视觉图像质量评价体系是评估图像质量的重要工具,它可以提供关于图像质量的详细信息和比较数据,有助于我们在机器视觉系统中正确选择和优化图像采集设备和处理算法。
下面将对评价体系中各个组成部分进行简要说明:1. 分辨率:分辨率是机器视觉图像质量评价体系中的重要指标之一,它决定了图像的细节程度。
分辨率越高,图像的细节表现越丰富。
在机器视觉应用中,我们需要根据具体需求选择合适的分辨率。
2. 对比度:对比度是图像中明暗区域之间的差异程度。
良好的对比度可以提高图像的视觉效果和识别精度。
对比度不足或过高都可能影响图像的识别效果。
3. 清晰度:清晰度主要反映图像中的边缘和细节表现。
清晰的边缘和细节有助于提高图像的识别精度和分类准确性。
4. 颜色准确性:颜色准确性是评估图像中颜色表现的重要指标。
在机器视觉应用中,颜色准确性对于目标识别、分类和跟踪等任务至关重要。
5. 图像稳定性:图像稳定性是指图像在不同时间、不同环境下的重复性和一致性。
稳定的图像可以降低识别误差和提高系统可靠性。
6. 噪声水平:噪声是影响图像质量的重要因素之一。
噪声过多会导致图像细节模糊和识别精度下降。
因此,在机器视觉应用中,我们需要对图像进行降噪处理以提高图像质量。
7. 畸变程度:畸变是由于摄像头镜头畸变、透镜失真等原因导致的图像变形。
畸变程度会影响图像的识别精度和测量精度,因此需要进行畸变校正处理。
8. 动态范围:动态范围是指图像中可以同时显示的亮度范围。
对于需要同时捕捉高亮和暗部细节的应用,动态范围是评估图像质量的重要指标。
9. 光照条件:光照条件是影响图像质量的重要因素之一。
不同光照条件下,同一物体表面的反射特性可能不同,从而影响颜色和对比度等参数。
因此,在机器视觉应用中,需要选择合适的光源和照明方式以获得高质量的图像。
总之,机器视觉图像质量评价体系是一个综合性的评估工具,它涵盖了多个方面,包括分辨率、对比度、清晰度、颜色准确性、图像稳定性、噪声水平、畸变程度、动态范围和光照条件等。
医学影像设备的主要技术参数医学影像设备是现代医疗领域中不可或缺的重要工具,它们通过采集和处理图像数据,为医生提供了诊断和治疗疾病的重要依据。
下面将介绍几种常见的医学影像设备及其主要技术参数。
一、X射线设备X射线设备是最常见的医学影像设备之一,它通过使用X射线束穿透人体,产生图像来观察人体内部的病变情况。
X射线设备的主要技术参数包括:1. 射线电压和电流:射线电压决定了X射线的穿透能力,电流决定了射线的强度,两者的合理配合能够获得清晰的图像。
2. 分辨率:分辨率是指设备能够分辨出的最小物体的大小,分辨率越高,图像越清晰。
3. 曝光时间:曝光时间决定了图像的亮度和对比度,合理的曝光时间可以获得清晰的图像同时避免辐射过量。
4. 辐射剂量:辐射剂量是评估设备辐射安全性的重要指标,合理的辐射剂量可以保护患者和医护人员的健康。
二、核磁共振设备核磁共振设备利用核磁共振原理,通过对人体内水分子的磁共振信号进行捕捉和处理,生成人体内部的高清图像。
核磁共振设备的主要技术参数包括:1. 磁场强度:磁场强度决定了设备的分辨率和成像速度,高磁场强度可以获得更清晰的图像。
2. 脉冲序列:脉冲序列的选择和参数的调节可以对不同组织进行不同的成像,以获得更全面的信息。
3. 重建算法:重建算法对原始数据进行处理,生成最终的图像,不同的重建算法可以影响图像的质量和准确性。
4. 扫描时间:扫描时间影响患者的舒适度和设备的效率,较短的扫描时间可以减少患者的不适感和运动伪影。
三、超声设备超声设备利用声波的反射和传播特性,通过对声波信号的接收和处理,生成人体内部的图像。
超声设备的主要技术参数包括:1. 频率:频率决定了超声波的穿透能力和分辨率,高频率可以获得较高的分辨率但穿透能力较差。
2. 脉冲重复频率:脉冲重复频率决定了设备成像的速度,较高的脉冲重复频率可以提高成像的效率。
3. 声束形成技术:声束形成技术可以改变超声波的方向和焦点,以获得所需的成像效果。
采集卡的选择和主要参数图像采集卡是将视频信号经过AD转换后,将视频转换成电脑可使用的数字格式,经过PCI总线实时传到内存和显存。
在采集过程中,由于采集卡传送数据采用PCI Master Burst方式,图像传送速度高达40MB/S,可实现摄像机图像到计算机内存的可靠实时传送,并且几乎不占用CPU时间,留给CPU更多的时间去做图像的运算与处理。
一、采集卡基本原理采集卡有多种种类、规格。
但尽管其设计和特性不同,大多数采集卡的基本原理相同。
近年来,数字视频产品取得了显著发展。
数字视频产品通常需要对动态图像进行实时采集和处理,因此产品性能受图像采集卡的性能影响很大。
由于早期图像采集卡以帧存为核心,处理图像时需读写帧存,对于动态画面还需“冻结”图像,同时由于数据传输速率的限制,因此图像处理速度缓慢。
90年代初,INTEL公司提出了PCI(Peripheral Component Interconnect)局部总线规范。
PCI总线数据传宽度为32/64位,允许系统设备直接或间接连接其上,设备间可通过局部总线完成数据的快速传送,从而较好地解决了数据传输的瓶颈问题。
由于PCI总线的高速度,使A/D转换以后的数字视频信号只需经过一个简单的缓存器即可直接存到计算机内存,供计算机进行图像处理也可将采集到内存的图像信号传送到计算机显示卡显示;甚至可将A/D输出的数字视频信号经PCI总线直接送到显示卡,在计算机终端上实时显示活动图像。
数据锁存器代替了帧存储器,这个缓存是一片容量小、控制简单的先进先出(FIFO)存储器,起到图像卡向PCI总线传送视频数据时的速度匹配作用。
将图像卡插在计算机的PCI插槽中,与计算机内存、CPU、显示卡等之间形成调整数据传送。
由于PCI总线的上述优点,许多图像板卡公司陆续推出了基于PCI总线的图像采集卡,另外还有PC104 plus、Compact PCI等总线形式。
二、与图像采集卡相关技术名词1、DMADMA( Direct Memory Access)是一种总线控制方式,它可取代CPU对总线的控制,在数据传输时根据数据源和目的的逻辑地址和物理地址映射关系,完成对数据的存取,这样可以大大减轻数据传输时CPU的负担。
(二 〇 一 二 年 六 月本科毕业设计说明书 学校代码: 10128 学 号:题 目:基于单片机的图像处理采集系统设计与实现 学生姓名: 学 院: 系 别: 专 业: 班 级: 指导教师:摘要传统的工业级图像处理采集系统大多是由CCD摄像头、图像采集卡和PC机组成,虽已得到了广泛的应用,但是它具有结构复杂,成本高,体积大,功耗大等缺点。
随着单片机的迅速发展,开发一种智能控制及智能处理功能的微型图像处理采集系统成为可能,并且也克服了传统图像处理采集系统的诸多缺点。
本设计提出了基于单片机的图像采集系统,该系统主要由四大模块组成:第一个是单片机控制模块,对摄像头进行控制;第二个是摄像头模块,即进行图像拍摄和取图;第三个是Zigbee无线传输模块,功能是将图像传送到上位机;最后是上位机,实现图像显示功能。
其优点是硬件电路简单,软件功能完善,控制系统可靠,性价比较高,使用环境广泛及成本低等。
利用Proteus和Keil进行仿真调试,可以看到设计内容的运行结果,验证系统运的行正确及稳定性,并且实现了图像处理采集功能,所以具有一定的实用和参考价值。
关键词:单片机;Proteus;图像采集AbstractThe traditional industrial image processing collection system by CCD camera, mostly image collection card and PC unit into, although already a wide range of applications, but it has the structure is complex, high cost, big volume and shortcomings, such as big power consumption. With the rapid development of the single chip microcomputer, the development of a kind of intelligent control and intelligent processing function of micro image processing collection system possible, and also overcome traditional image processing collection system of many of the faults.This design is put forward based on SCM image acquisition system, the system consists of four modules: the first one is the single chip microcomputer control module, the camera to control; The second is a camera module, the image shoot and take diagram; The third is Zigbee wireless transmission module, the function is will images to PC; Finally the PC, realize image display function. Its advantage is hardware circuit is simple, software perfect function, control system and reliable, high cost performance, use extensive and environment cost low status. Use Proteus and Keil simulation commissioning, can see the operation of the design content, as demonstrated the correct and do the system stability, and realize the image processing collection function, so has certain practical and reference value.Keywords:Single-Chip Microcomputer;Proteus; Image Capture目录第一章绪论 (1)1.1 课题研究现状 (1)1.2 课题研究目的意义 (1)1.3 本课题研究的主要内容 (1)第二章硬件设计 (2)2.1 系统设计方案 (2)2.2 硬件简介 (2)2.2.1 80C51简介 (2)2.2.2 I/O端口 (4)2.2.3 控制引脚 (5)2.3 摄像头 (6)2.3.1 波特率 (6)2.3.2 数据包 (6)2.3.3 摄像头控制指令 (6)2.4 Zigbee无线传输模块 (9)2.4.1 Zigbee简介 (9)2.4.2 Zigbee技术应用领域 (10)2.4.3 Zigbee 技术特点 (10)第三章软件设计及调试 (12)3.1 Keil调试 (12)3.1.1 Keil简介 (12)3.1.2 Keil调试过程 (12)3.2 程序设计 (19)3.3 电路图设计 (20)3.3.1 Proteus简介 (20)3.3.2 电路图设计过程 (23)3.4 Keil与Proteus联机调试 (27)结论 (30)参考文献 (31)附录 (32)程序清单 (32)谢辞 (34)第一章绪论1.1 课题研究现状随着现代电子信息技术的迅速发展,使得信息处理技术越来越重要,而图像处理采集技术在信息处理技术当中有着异常重要的位置。
皮肤科数据影像信息系统技术参数及要求一、功能要求1)实现皮肤镜图像采集,通过系统平台实现皮肤科包含皮肤镜设备在内的多设备数据、图片进行统一存储管理,借助于医院专网实现各诊室、病区的数据实时共享,可实现报告的集中打印。
2)所有数据实现本地集中存储。
二、参数要求1、系统性能:实现皮肤镜图像采集,通过系统平台实现皮肤科包含皮肤镜设备在内的多设备数据、图片进行统一存储管理,借助于医院专网实现各诊室、病区的数据实时共享,可实现报告的集中打印。
2、系统操作界面:中文界面,屏幕显示自适应3、系统结构:功能模块式构成,内容清晰,可根据需求和功能扩展4、信息通讯:同时具备单向通讯、双向通讯5、患者管理信息管理功能:具备患者信息、诊断记录、图像的“新增、修改、删除”功能,具备患者信息条码凭单打印、报告编辑打印、信息检索查询功能,性能指标提供注册检测机构验证报告6、患者信息录入方式:4种,手动录入、社保卡读取、身份证读取、自助条码读取7、自助条码读取:系统具备自生成患者条码,可打印输出条码凭单用于本系统其他设备自动录入,也可读取医院已有条码8、外部影像设备患者信息录入:手动或自动录入,通过医生录入、或通过本系统将患者信息自动同步录入到外部影像设备对应字段9、图片展示方式:3种,综合(混合)展示、按诊断展示、按图像来源展示10、查询检索条件:5种。
可按“检查室、检查医生、诊断类型、日期及期限、检查结果、自定关键字”的单一或组合检索查询11、报告功能:可自定义报告字段,包含“医院名称、LOGO、报告标题、问诊记录、诊断信息、报告签发医生”12、报告图片加载方式:拖拽式,通过向报告模板中拖拽目标图片加载报告图片,自动排版13、外部影像设备图像捕获:有,具备获得患者信息查询、导入或自动捕获外部设备图片及相关数据、提交上传服务器集中存储14、外部影像设备端口:可接入4种外部设备,包含皮肤镜、显微镜、相机、伍德检查灯,后期可扩展。
CCD彩色摄象机的主要技术指标1. CCD尺寸,亦即摄象机靶面。
原多为1/2英寸,现在1/3英寸的已普及化,1/4英寸和1/5英寸也已商品化。
CCD彩色摄象机的主要技术指标1. CCD尺寸,亦即摄象机靶面。
原多为1/2英寸,现在1/3英寸的已普及化,1/4英寸和1/5英寸也已商品化。
2. CCD像素,是CCD的主要性能指标,它决定了显示图像的清晰程度,分辨率越高,图像细节的表现越好。
CCD是由面阵感光元素组成,每一个元素称为像素,像素越多,图像越清晰。
现在市场上大多以25万和38万像素为划界,38万像素以上者为高清晰度摄象机。
3. 水平分辨率。
彩色摄象机的典型分辨率是在320到500电视线之间,主要有330线、380线、420线、460线、500线等不同档次。
分辨率是用电视线(简称线TV LINES)来表示的,彩色摄像头的分辨率在330~500线之间。
分辨率与CCD和镜头有关,还与摄像头电路通道的频带宽度直接相关,通常规律是1 MHz的频带宽度相当于清晰度为80线。
频带越宽,图像越清晰,线数值相对越大。
4. 最小照度,也称为灵敏度。
是CCD对环境光线的敏感程度,或者说是CCD 正常成像时所需要的最暗光线。
照度的单位是勒克斯(LUX),数值越小,表示需要的光线越少,摄像头也越灵敏。
月光级和星光级等高增感度摄象机可工作在很暗条件,1~3lux属一般照度月光型:正常工作所需照度0.1LUX左右星光型: 正常工作所需照度0.01LUX以下红外型采用红外灯照明,在没有光线的情况下也可以成像(黑白)5. 扫描制式。
有PAL制和NTSC制之分。
中国采用隔行扫描(PAL)制式(黑白为CCIR),标准为625行,50场,只有医疗或其它专业领域才用到一些非标准制式。
另外,日本为NTSC制式,525行,60场(黑白为EIA)。
6. 摄象机电源。
交流有220V、110V、24V,直流为12V 或9V。
7.信噪比。
典型值为46db,若为50db,则图像有少量噪声,但图像质量良好;若为60db,则图像质量优良,不出现噪声。
放射科质量控制指标设备质量控制是保证放射科技术操作质量的基础。
首先是设备的准确性和稳定性,包括设备的线性度、灵敏度、空间分辨率、对比度和定标等。
线性度指设备在各种操作条件下响应的线性程度,灵敏度指设备对低剂量辐射的检测能力,空间分辨率指设备对图像中细小结构的清晰度,对比度指设备对图像中不同密度组织的可分辨性,定标指设备对剂量设置的准确性。
这些指标要定期检测和校准,以确保设备的正常运行和技术操作的可靠性。
图像质量控制是评估放射科技术操作的准确性和安全性的重要指标。
其中最重要的指标是图像的清晰度和对比度。
图像的清晰度指图像中各种解剖结构的清晰程度,包括细小结构的分辨能力和图像边缘的清晰度。
图像的对比度指图像中不同组织或病变的密度差异明显程度,对比度越高,诊断效果越好。
为了保持图像的清晰度和对比度,需要定期对设备、图像采集参数和成像系统进行校准和调整。
剂量质量控制是评估和监控放射科技术操作是否符合剂量控制标准的指标。
剂量是指患者接受的辐射剂量,是放射科技术操作中需要控制的一个重要因素。
剂量过高会增加放射损伤和副作用的风险,而剂量过低则可能导致影像质量不足以进行准确的诊断。
剂量质量控制的主要指标包括定标、剂量报警系统、剂量控制系统和剂量监测系统。
定标指放射剂量计算和记录的准确性,剂量报警系统指监控和警示剂量超标的系统,剂量控制系统指控制剂量输出的系统,剂量监测系统指监测患者剂量的系统。
除了设备质量控制、图像质量控制和剂量质量控制外,放射科质量控制还包括其他方面的指标。
例如,医生的专业水平和技术能力是影响放射科技术操作质量的关键因素。
放射科医生应具备丰富的临床经验和准确的诊断能力,以及不断更新的知识和技术。
此外,患者的安全程度也是影响放射科技术操作质量的重要因素。
放射科技术操作需要考虑患者的体格特点、病情分级和放射剂量限制等因素,以保证患者的安全和受益。
综上所述,放射科质量控制指标主要包括设备质量控制、图像质量控制、剂量质量控制以及医生和患者等方面的指标。
ima光学参数光学参数是指描述光学系统性能的一系列物理量。
在ima(图像处理与机器视觉)领域中,光学参数在图像采集、显示和处理中起着重要作用。
本文将探讨ima光学参数的定义、意义以及常见的光学参数列表。
1. 光学参数的定义与意义光学参数是衡量光学系统特性的物理量。
它们反映了图像的质量、清晰度、分辨率等性能,并直接影响到视觉感知、图像识别和计算机视觉算法的准确性。
在ima领域中,光学参数的准确度和稳定性对于图像处理算法的可靠性至关重要。
通过了解和控制光学参数,我们可以优化图像采集设备、提高图像质量,并实现更精准的图像分析和处理。
2. 常见光学参数列表(1)分辨率分辨率是光学系统能够区分并显示物体细节的能力。
它通常以像素为单位,表示图像中可识别的最小细节。
常见的分辨率包括水平分辨率和垂直分辨率,以及总像素数。
(2)视场角视场角是指光学系统能够捕获的空间范围。
它通常以度数表示,表示从光学系统中心到边缘的角度范围。
视场角越大,图像中包含的场景范围越广。
(3)焦距焦距是光学系统中的一个重要参数,表示镜头或透镜的聚焦能力。
焦距决定了成像的大小和清晰度,同时也影响了视场角和变焦范围。
(4)光圈光圈是光学系统中控制光通量的设备,用于调整入射光的强度和角度。
光圈大小通常以F值来表示,F值越小表示光圈越大,光线通过的光通量也越大。
(5)畸变畸变是指光学系统图像中出现的形变现象,常见的畸变类型包括径向畸变和切向畸变。
畸变会导致图像失真,影响图像质量和测量的准确性。
(6)色彩校正色彩校正是对光学系统中色彩失真进行校正的过程。
色彩失真可能由透镜、镜头以及传感器等因素引起,通过校正可以提高图像的色彩准确性和一致性。
3. 光学参数优化与应用为了保证ima系统的性能和精度,光学参数的优化和校准尤为重要。
通过在图像采集过程中准确测量和控制光学参数,可以最大程度地提高图像的质量和信息量,进而提高计算机视觉算法的准确性和稳定性。
光学参数的应用范围广泛,涵盖图像的采集、存储、处理和显示等各个环节。
内镜图像采集信息系统功能参数指标在现有内镜图像采集系统上进行功能升级及维护并具备有以下功能特点:1、采集的动态视频可进行二次提取,且提取的静态图像无模糊与拉毛现象。
2、静态影像与动态影像采集可同时进行,互不影响。
3、采集的图像转换为标准DICOM格式统一存储。
4、提供视频后处理软件,支持合并、分割、字幕等操作,不借助第三方软件。
5、具备动态视频的快速剪辑功能。
6、支持内镜标清,高清信号静态采集(录像)。
采集帧数≥25帧/秒。
采集段数不受限制,采集时间大于30分钟,可实现定时采集。
7、X光、共聚焦信号采用原始非标信号采集处理,不采用降频方式,动态视频采集≥25帧/秒。
8、对于ERCP、超声内镜等双路影像信号的设备,支持双路影像一键同步采集、同步录像、同步播放、同步编辑。
支持将双路影像录像拆分为DICOM序列。
9、支持双屏显示,可一个屏书写报告,另一个屏浏览视频图像。
10、多线程操作:允许在编辑上一病人报告同时采集其他病人的图像。
11、报告书写时,患者列表可根据科室需求自定义类别分类显示。
12、处于不同检查流程的患者,可以使用不同的颜色状态进行标识。
13、报告模板:根据患者的诊断部位调用已定义的典型报告模板,模板调入后可加以编辑,快速生成影像诊断报告。
支持结构化报告模板。
14、支持病例“阳性”标记,可以统计阳性率。
15、可以将病例标记为“典型病例”,以供科研和教学使用。
16、医生可以建立个人病例收藏夹。
17、支持多条件组合模糊查询。
具有快速检索、高级检索多种方式。
检索结果可以导出到Excel。
18、报告的打印格式支持客户化定制,打印输出时,支持根据用户选择图像的数量智能选取报告格式。
19、图像描述:支持报告中对图像性质等的描述,其文字内容由诊断医生输入,并在报告上打印出来。
20、具有开放的解剖示意图库功能。
可对各个部位的解剖示意图进行编辑,连同报告一起打印出。
21、具备自动患者匹配功能,如该患者以前在本科室有过检查历史,则自动将多次检查归入同一患者名下。
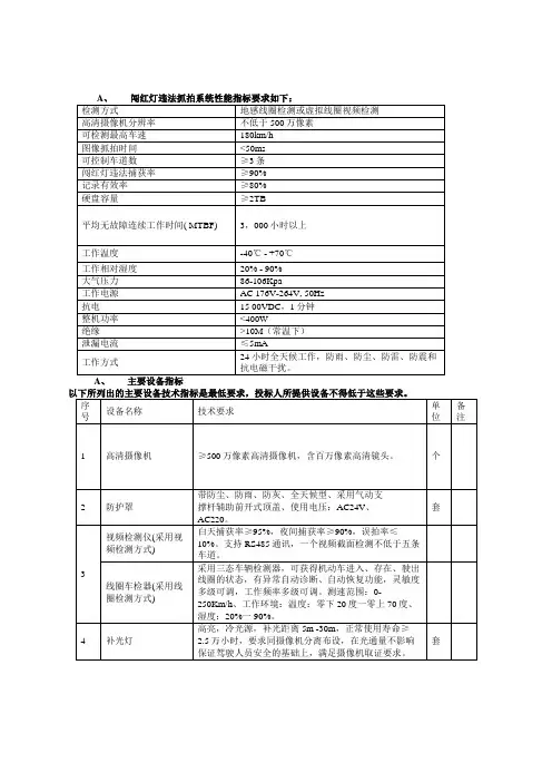
图像采集系统主要指标参数
主要技术指标
1、光学系统:无限远光学矫正系统,齐焦距离必须为国际标准45mm。
2、放大倍率:40-1000倍
3、载物台:钢丝传动,无齿条结构,尺寸为188mm ×134mm,活动范围为X轴向76mm ×Y轴向50mm,双片标本夹
4、调焦机构:载物台垂直运动由滚柱(齿条—小齿轮)机构导向,采用粗微同轴旋钮,粗调行程每一圈为36.8mm,总行程量为25mm,微调行程为每圈0.2mm,具备粗调限位挡块和张力调整环
5、聚光镜:带有孔径光阑的阿贝聚光镜,N.A. 1.25,带有蓝色滤色片
6、照明系统:内置6V30W卤素灯,内置透射光柯勒照明
7、三目观察筒:瞳距调节范围为48-75mm,铰链式
8、目镜:10X,带眼罩,
10、物镜:平场消色差物镜4X(N.A.≥0.1)、10X(N.A.≥0.25)、40X(N.A.≥0.65)、100X (N.A.≥1.25)
11、防霉装置:在三目观察筒、目镜、物镜都做了防霉处理
12、所采用光学元件均为环保无铅玻璃,样本上有ECO无铅认证标识。