甲供材料或设备进场验收单
- 格式:doc
- 大小:23.49 KB
- 文档页数:3
甲供材(设备)验收单编号:HDJT-001注:该单据一式五份,供货单位、监理单位、甲供工程部、施工单位、甲方采购部各执一份。
结算时需附次单据。
甲供材拟定及验收一:参与部门项目工程部、成本部,公司采购部、预算合约部、审计部、督察部。
二:甲供材旳拟定1、项目工程部根据工程需要,提出需求申请,由施工单位申报《甲供材需求计划表》,涉及材料规格、型号、数量、自报单价等。
由项目成本部根据合同商定或图纸数量进行查后,报送公司。
2、公司接受到项目报送旳《甲供材需求计划表》后,由公司预算合约部、成本部审核后,报送公司采购部。
3、公司采购部接受到预算合约部和成本部审核后旳《甲供材需求计划表》,及时组织人员对申报数量及价格进行核定,货比三家。
最后拟定采购价格,报黄总审批。
审批后返还给项目工程部及成本部。
4、项目接受到公司审批旳《甲供材需求计划表》,与总包单位进行洽谈,拟定该价格与否合适。
若不批准,双方约谈拟定,并报黄总批准。
5、拟定甲供材后,由工程部负责进一步核算材料数量,填写《甲供材申请单》,由项目成本部、项目负责人负责审核报送公司。
6、公司预算合约部、成本部对项目报送旳材料数量等进行审核。
审核通过后,报送采购部,采购部进行采购流程,最后由采购提出采购方案,报送黄总审批。
7、审批过后,进入合同签订流程。
8、项目工程部根据工程进度至少提前10日需求填写甲供材订货单,并交给项目成本部审核。
(根据工程进度提前填写甲供材订货单)9、项目成本部审核后,报送公司,由公司预算合约部、成本部、采购部审核并报送黄总审批。
10、审批通过后,由采购部负责下单给供货商,供货商收到定单后,与项目成本部对接,拟定交货和付款细节。
并送货至工地。
11、材料送达甲方指定旳地点后,由项目工程部组织项目成本部、监理、施工单位进行验收并在供货商旳送货单上签字。
大型甲供材料设备进场,采购部应参与验收(供货商同步提供应监理公司所需有关资料,有复试规定旳按照规定送检。
材料、设备进场验收和保管制度一、现场材料设备进场验收原则:根据合同约定、国家规范、标准和设计图纸要求。
二、验收组1、乙供材料验收:现场大宗材料设备进场,由承包商通知监理工程师组织验收,现场相关专业工程师必须参加现场验收签字确认;零星材料进入现场,由承包商和现场监理工程师共同验收并签字确认。
2、甲供材料验收:由工务部组织监理工程师、承包商进行现场验收交接工作;现场相关专业工程师必须参加现场验收并签字确认;报成控部审查确认、财务部备案;现场《甲供材料、设备进场验收单》作为甲供材料设备付款凭证。
三、现场验收1、在材料进场时,根据进料计划、送料凭证、质量保证书或材质证明和产品合格证,进行数据验收和质量确认,做好验收记录,办理验收手续。
2、进入施工现场的材料、设备要经现场的监理工程师进行必要的外观检验,外观检验合格后方可卸货。
3、对需进行复试的材料,必须在监理工程师的监督下按标准进行取样并送有相应检测资质的单位进行检测,经检测合格后方可使用,检测过程中做好材料的标识和保管。
4、新材料未经试验鉴定,不得用于工程中。
现场配制的材料应经试配,使用前应经认证。
5、对不符合设计要求的或质量不合格的材料,应更换、退货,严禁使用不合格的材料。
四、紧急放行对急需使用的材料,如果检验需较长时间,经工务部负责人批准后,可以小范围内使用,对使用的部位作出标记和记录,相关人员签字确认。
五、现场各工程师有权随时检查进场的材料和设备,如发现不合格的材料,可随时停止使用,并将不合格的材料清理出施工现场。
六、现场材料保管6.1验收合格的材料要根据材料的性能和特点进行合理储存和保管,做到保质、保量、保安全。
6.2对现场材料合理码放。
对不同的品种、规格、质量等级的材料分开码放,材料排放要整齐,怕潮湿物品要上盖下垫,注意防火、防潮、防湿;易燃材料要单独存放,所有材料要标识清楚。
6.3对于温度、湿度要求高的材料,做好温度、湿度的调节控制工作,高温季节要防暑降温;梅雨季节要防潮、防霉;寒冷季节要防冻保温。
甲供材料、设备交接单
甲供材料/设备交接单
合同名称合同编号
供应单位完成日期
供应材料、设备内容
序号材料/设备名称规格型号数量备注
参加验收部门意见
业主方验收意见:
供货单位:
主管工程师:
(盖章)
主管建筑师:
(如涉及外观效果的面砖、石材等甲供材料接收单位:
需建筑师确认是否符合合同样品品质) (盖章)
业主方审批:
监理: 项目总助:
(盖章)
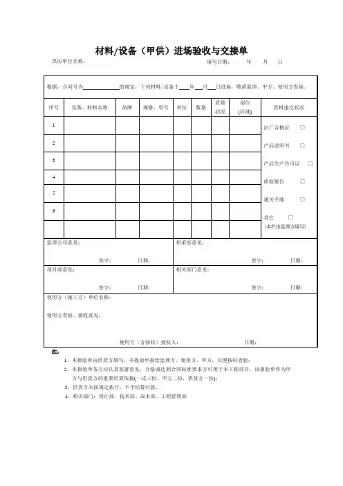
注:1、此交接单一式四份,施工方、监理方各持一份,甲方两份,其中一份由资料员存档,一份作为结算资料移交成本部。
2、此单将作为甲供材料/设备合同附件或进场知会资料,经过完整的验收交接手续的甲供材料/设备才能进行结算。
甲供材进场验收单
项目名称:工程名称:施工单位:
说明:1、本验收单由项目工程部组织填写,合约采购专业参与甲供材初次进场验收、设计专业参与涉及外观效果的甲供材的初次进场验收,在其他部门一栏会签。
2、本验收单需参与验收的各部门共同签字确合约采购专业确认后方有效,签字方各执一份,同时,由项目工程部给成本专业备案一份。
3、本验收单将作为供货单位和施工单位的结算依据之一。
4、施工单位对甲供材的验收数量负责,本验收单直接作为与施工单位的甲供材移交单,进场验收通过后,甲供材的仓储、保管、二次搬运、成品保护等责任均由施工单位承担。
附件1
甲供材料/设备采购计划表
编号:
说明:
1:本表单用于施工单位报送甲供材采购计划,无采购计划,甲方将不予采购。
2:本表单一式4份,施工单位、项目部、招采部、供货单位各执一份,项目成本管理部留复印件一份。
3:本表单应连续编号。
4、若材料/设备较多时,可增加附表,并加盖骑缝章。
附件2
甲供材料/设备进场验收单
说明:
1、此表单为内部用表,填写完整才为有效。
2、此表单一式四份,项目工程部、供应单位、项目成本管理部、施工单位各持原件一份。
3、此表单签字通过后,做为结算和付款依据。
4、若材料/设备较多时,可增加附表,并加盖骑缝章。
材料使用许可证GC-13钢筋GC-13-01工程名称:编号:材料使用许可证GC-13防水材料GC-13-02工程名称:编号:材料使用许可证GC-13电线/电缆/插接母线GC-13-03工程名称:编号:设备使用许可证GC-13发电机机组设备GC-13-04工程名称:编号:蜗轮增压器直流启动马达充电机蓄电池日用油箱材质及厚度工具箱及工具其它环保工程材料和设备另报发电机房照明材料和油管路系统另报发动机使用维修手册发动机原产地证明书发动机原产地质量证明书发动机海关报关单进口发电机使用手册发电机原产地证明书发电机原产地质量证明书发电机海关报关单进口机组出厂测试报告合同要求提供的其它技术文件:设备使用许可证GC-13高低压成套变配电设备GC-13-05工程名称:编号:设备使用许可证GC-13供水设备GC-13-06工程名称:编号:材料使用许可证GC-13水泥GC-13-07工程名称:编号:材料使用许可证GC-13砌体GC-13-08工程名称:编号:材料使用许可证GC-13油漆/涂料GC-13-09工程名称:编号:材料使用许可证GC-13建筑玻璃产品GC-13-10工程名称:编号:材料使用许可证GC-13外墙砖GC-13-11工程名称:编号:材料使用许可证GC-13内墙砖/地砖GC-13-12工程名称:编号:材料使用许可证GC-13铝合金门窗制品GC-13-13工程名称:编号:材料使用许可证GC-13入户门/防火门/户内门GC-13-14工程名称:编号:材料使用许可证GC-13天然石/人造石GC-13-15工程名称:编号:材料使用许可证GC-13桥架/线槽/线管GC-13-16工程名称:编号:材料使用许可证GC-13开关/插座/灯具GC-13-17工程名称:编号:材料使用许可证GC-13管材/管件GC-13-18工程名称:编号:材料使用许可证GC-13阀门/水表GC-13-19工程名称:编号:材料使用许可证GC-13型钢/轻钢龙骨GC-13-20工程名称:编号:材料使用许可证GC-13金属板材/非金属板材GC-13-21工程名称:编号:设备使用许可证GC-13通风设备GC-13-22工程名称:编号:设备使用许可证GC-13消防报警系统设备GC-13-23工程名称:编号:设备使用许可证GC-13电梯设备GC-13-24工程名称:编号:门锁装置安全钳缓冲器限速器材料使用许可证GC-13预制管桩GC-13-25工程名称:编号:材料使用许可证GC-13其它材料GC-13-26。
材料进场验收单
工程名称
施工单位
施工单位自评:
我方于年月日按合同要求及工程需要,进场如下材料:
材料名称规格、主要参数数量生产厂家
(品牌)
使用部位
风机DN100根1#2#3#镀锌钢管DN65根1#2#3#
项目经理:年月日
监理单位复查:
验收内容核对信息合同/设计约定实际情况□合格/□不合格材料名称□合格/□不合格设计规格□合格/□不合格主要参数□合格/□不合格到货数量□合格/□不合格生产厂家
(品牌)
□合格/□不合格使用部位□合格/□不合格
验收结论:
参加验收人员名单
甲方项目部
甲方技术部
(景观组)监理
施工(供货)单位
《材料进场报验单》附照片:
材料规格:材料规格:
(送货单照片)(检验报告照片)
材料规格:材料规格(品牌):
(进场材料、相关人员合影)(进场材料照片)
见证人员签字
测量人:见证监理:
项目工程师:日期:。
材料验收表格
-标准化文件发布号:(9456-EUATWK-MWUB-WUNN-INNUL-DDQTY-KII
附件:结算指引:准备六份
编号:GTR83106-02 版本2011
材料进场验收单
表格编号:填写日期:年月日
附录3:准备六份
注意:单价等金额可以暂时不写上去,每次请款的时候准备一份价格汇总清单
编号:GTR83106-03 版本2011甲供材料/设备送货清单
表格编填写日期:年月日
合同名称
附录5 每次准备2份
编号:GTR83106-06 版本2011甲供材料/设备请款报告
表格编号填写日期:年月日
附录6 准备4份
编号:GTR83106-07 版本2011甲供材料/设备安装完成证明书
附录7 准备4份
编号:GTR83106-08 版本2011甲供材料/设备保修完成证明书。
甲供甲控材料设备进场验收制度甲供甲控材料设备进场验收制度提要:规范甲供、甲控材料设备进场验收工作的管理,保证甲供、甲控材料设备的进场质量,使甲供、甲控材料设备进场验收工作顺利进行更多资料甲供甲控材料设备进场验收制度目的规范甲供、甲控材料设备进场验收工作的管理,保证甲供、甲控材料设备的进场质量,使甲供、甲控材料设备进场验收工作顺利进行。
释义进场--材料设备经检验后可以进入仓库、或用于工程上验收--材料设备进场时,除送检及试运转外的相关资料及外观质量等方面的检查进场验收内容:甲供、甲控材料设备验收内容相同:1.型号规格、数量;2.随机配带的零配件及合格证、试验报告、使用说明书等相关技术资料;3.合同规定的技术要求、技术资料;4.材料设备样板的核对;5.外观质量检查;6.现场取样送检;验收人员组成:为保证验收工作的公正、严格性,验收人员应包括以下单位及部门的人员:1.甲方项目部、规划设计部、物料供应部2.监理公司3.施工单位4.材料设备供应商验收人员职责分工一、甲供材料设备验收人员分工1.物料供应部为验收工作召集及负责人,负责与项目部及材料设备供应商的联系、出入库手续的办理、相关的技术及商务资料的收集、合同商务条款的履行及进场材料设备的质量验收;2.甲方项目部负责与施工单位及现场相关验收人员的联系,并配合物料供应部、规划设计部、监理工程师,依据合同中相关技术要求条款及材料设备样板,进行甲供材料设备质量的检验和技术资料的审核;3.施工单位人员参与对甲供材料设备质量的检验和监督;负责甲供材料设备的接收和相关手续的办理。
施工单位负责接货的材料员或仓库管理员需由施工单位出具书面授权证明(见表4-13-1),此证明及该材料员或仓库管理员身份证复印件须交甲方项目部存档备案。
二、甲控材料设备验收人员分工1.监理工程师为甲控材料设备进场验收的召集及负责人,负责与施工单位及现场相关人员的联系,并与甲方物料供应部、项目部、规划设计部工程师一同对照材料设备样板及相关技术要求,进行甲控材料设备质量的检验和相关技术资料的审核;2.物料供应部人员负责材料设备样板的核对及质量验收;3.施工单位人员负责与材料设备供应商的联系、相关技术资料的收集;负责甲控材料设备与材料设备供应商的交接及进场手续办理;负责在材料设备联合验收前,对甲控材料设备质量进行初步验收,并配合监理工程师进行材料设备送检取样,参与联合验收。
甲供材料或设备进场验收单
记录编号:
项目名称:材料设备名称:
2、所有甲供材料或设备必须由供货单位、收货单位(施工方)、监理、建设单位四
方参与验收并确认。
3、甲供材料或设备到现场验收须验收品牌、数量、外观和型号等,设备功能待设备
安装到位后再验收确认。
4、供货单位在申报结算资料时需附上本单原件及相对应的货品价格清单备查。
5、若同批货物中有部分不合格且需降级使用,应在备注栏注明数量。
6、除填写进场设备材料的实物本体状况外,随附的技术质量文件资料情况需注明。
7、本表适用于由建设单位(甲方)采购供应的、施工单位施工或安装的设备材料管理。
Welcome To Download !!!
欢迎您的下载,资料仅供参考!。