支模架专项施工方案79028
- 格式:doc
- 大小:855.00 KB
- 文档页数:23
玻璃钢支模架专项施工方案
一、施工准备
1. 完成相关设计工作,确定施工尺寸、形状等细节。
2. 购买所需的玻璃钢支模架材料,并对材料进行检查和验收,确保质量符合要求。
二、施工流程
1. 清理施工现场,确保场地整洁,安全环保。
2. 根据设计要求,使用适当的工具和设备,进行玻璃钢支模架的预制、加工和制作。
3. 将预制好的玻璃钢支模架按照设计要求进行安装,注意固定牢固,确保结构牢固稳定。
4. 对安装完成的玻璃钢支模架进行检查,确保没有质量问题。
5. 如果需要,进行玻璃钢支模架的防腐处理,增加使用寿命。
三、质量控制
1. 检查玻璃钢支模架材料的质量,确保符合标准要求。
2. 在制作和安装过程中,严格按照设计要求进行操作,确保尺寸、形状等符合要求。
3. 对施工过程中出现的问题及时处理,确保施工质量。
4. 进行施工过程中的质量检查和验收,确保施工达到验收标准。
四、安全防护
1. 施工人员须经过相关培训,持证上岗。
2. 配备必要的安全防护设备,如安全帽、防护眼镜等。
3. 检查施工现场的安全隐患,采取相应的安全防护措施。
4. 加强对施工人员的安全教育和管理,确保施工安全。
以上为玻璃钢支模架专项施工方案,相关单位和施工人员在施
工过程中应严格按照该方案操作,并做好相应的质量控制和安全防
护工作。
如有需要,可根据具体情况进行调整和完善。
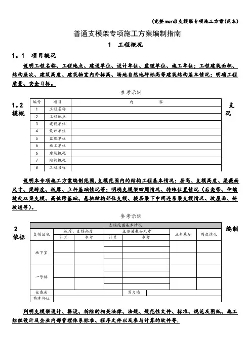
普通支模架专项施工方案编制指南1 工程概况1。
1 项目概况说明工程名称、工程地点、建设单位、设计单位、监理单位、施工单位;工程建筑面积、结构层次、建筑高度、建筑物室内外标高、场地自然地坪标高等建筑结构基本情况;明确工程质量、安全目标。
参考示例1。
2 支模概况说明本专项施工方案编制范围,支模范围内的结构工程基本情况:层高、支模高度、梁截面尺寸、梁跨度、板厚、立杆基础情况等;明确支模架四周情况、特殊位置情况(后浇带、伸缩缝处双梁支模、高低跨基础、悬挑结构部位支模、楼层梁下中间连系梁支模情况、坡屋面、斜坡道等)。
参考示例2编制依据列明支模架设计、搭设、拆除的相关法律、法规、规范性文件、标准、规范及图纸、施工组织设计及企业内部管理体系标准、程序文件以及参与计算的软件等.参考示例3 方案设计3.1 设计参数明确支模架支撑体系:根据安全、经济、施工方便以及地方政府要求选择合适的支模架形式,常见的有扣件式、轮扣式、碗扣式、门式等。
同时局部不同部位选择不同的支模架的形式也必须说明。
列明各材料规格、参数:说明立杆、主楞、次(小)楞、模板、扣件、顶托、对拉螺杆等规格,明确各材料的抗弯、抗剪、抗拉、弹性模量等参与计算的参数。
最好以表格的形式表达。
参考示例3。
1.1 支撑系统选择根据本公司当前模板工程工艺水平,结合设计要求、现场条件及市场材料供应情况,本工程高支模、超限梁区域采用盘销式钢管支撑架支撑体系,普通支模区域采用钢管扣件式支撑体系。
3.1。
2 材料规格、参数3。
2 方案设计按照板、梁、柱、墙分别列表说明设计方案,最好以表格形式体现。
总体思路先以板厚划分区域,再设计区域内梁底搭设参数;梁侧按照梁高划分、柱则按截面尺寸划分:板底设计方案中:明确支架形式;搭设高度;立杆间距;水平纵横向间距;步距;板底方木间距;立杆顶部支撑形式;扫地杆高度;立杆基础;剪刀撑设置情况等。
同时配上平面图、立面图。
梁底设计方案中:明确支架形式;搭设高度;立杆间距(这里注意沿梁方向立杆间距应与区域内板设计方案的立杆间距成倍数关系);步距(应与区域内板设计方案的立杆步距一致,同时明确粱顶自由端情况);粱底主楞方木间距;粱底立杆顶部支撑形式;扫地杆高度;立杆基础以及粱底附加立杆、附加主楞横杆情况.同时配上平面图、立面图。
支模架专项施工方案支模架专项施工方案一、前期准备工作1. 根据设计图纸及相关要求,合理确定支模架的布置方案。
2. 准备所需支模材料及工具设备,并进行检查确认。
3. 确定施工队伍及相关人员分工,并进行安全教育培训。
二、支模架搭设1. 根据设计要求,确定支模架的位置和高度,并进行标志。
2. 在地面上搭设基础支撑系统,并进行水平调整。
3. 在基础支撑系统上进行支模立杆的布置,并使用调整器进行垂直调整。
4. 在立杆上搭设水平横梁,并进行水平调整及固定。
5. 根据需要,在水平横梁上设置斜撑,增加支模架的稳定性。
6. 根据设计要求,在支模架上设置钢管及连接器进行加强,确保承载能力。
三、支模加固1. 在支模架上加固横梁和立杆的连接处,并进行牢固固定。
2. 使用钢筋网加固支模梁板,并进行固定焊接。
3. 在需要加固的部位设置横向和纵向钢筋,并进行焊接加固。
4. 对已加固部位进行检查和测试,确保加固效果满足要求。
四、支模调整1. 在支模施工过程中,根据实际情况对支模进行调整。
2. 对立杆进行垂直调整,确保支模的垂直度。
3. 对水平横梁进行水平调整,确保支模平稳。
4. 在需要的位置设置调整器,并进行调整。
五、支模使用及拆除1. 在支模架上进行混凝土施工,在施工过程中对支模进行监测,确保其稳定性。
2. 完成混凝土浇筑后,等待一定时间让混凝土充分硬化。
3. 拆除支模时,先拆除斜撑和加固材料,然后按照逆序拆除横梁和立杆。
4. 在拆除过程中,需注意保护已完工部位,防止损坏。
六、安全防护1. 在施工现场设置明显的警示标志,提醒工人和过往人员注意安全。
2. 工人进行高处作业时,必须佩戴安全帽、安全带等个人防护装备。
3. 定期检查支模架及加固设施的稳定性,发现问题及时进行修复。
4. 保持现场整洁,避免杂物堆放,防止发生意外事故。
以上是支模架专项施工方案的基本内容,根据具体工程的要求及现场实际情况,还需进行进一步的调整和完善。
在进行施工过程中,要做好详细的施工记录及安全监控,确保施工质量和安全。
支模架专项施工方案支模架是建筑施工中常用的一种支撑结构,用于支撑混凝土施工过程中的各种梁、柱和板等结构。
它不仅具有承载能力强、施工效率高的特点,还能够提高施工质量,保证工程的安全性。
本文将详细介绍支模架的专项施工方案。
一、支模架的选型支模架的选型需要根据具体的工程要求和施工现场的情况来确定。
选型时需考虑支模架的承载力、稳定性和可调性等因素。
根据不同的工程要求,可选择不同类型的支模架,如钢管脚手架、脚手板、模板支架等。
同时,还需要根据施工的具体情况,调整支模架的高度和位置,确保施工的顺利进行。
二、支模架的搭设支模架的搭设是保证支撑结构稳定性和施工安全的关键环节。
在搭设过程中,应确保支模架的平整度和垂直度,避免出现偏斜和倾倒的情况。
同时,还需做好支撑结构与建筑物本体的连接,确保支模架与建筑物相互协调、稳定可靠。
三、支模架的检验支模架搭设完毕后,需要进行严密的检验,以确保其质量和稳定性。
检验内容包括支模架的承载能力、平整度、垂直度、连接紧固度等。
通过专业检测设备对支模架进行力学分析,评估其安全性和稳定性。
如有问题,应及时进行调整或更换,确保施工的安全和质量。
四、支模架的使用支模架在施工过程中的使用需要注意以下几个方面。
首先,施工人员需要按照支模架的设计要求进行操作,严禁擅自增加或减少支模架的构件。
其次,施工人员需要掌握支模架的使用方法和注意事项,合理利用和保护支模架。
在拆除支模架时,需按照规范要求逐步进行,避免对建筑物造成破坏。
五、支模架的维护支模架的维护对于其使用寿命和施工安全至关重要。
在使用过程中,应定期进行支模架的检修,发现问题及时处理。
同时,还要做好支模架的防锈、防腐和防尘等工作,增加其使用寿命。
根据支模架的材质和使用环境,选择合适的防护措施,有效保护支模架。
六、支模架的拆除支模架的拆除需要根据施工进度和工程要求进行操作,确保施工场地的整洁和安全。
在拆除过程中,应注意支模架的稳定性,防止坍塌和伤害事故的发生。
支模架专项施工方案支模架是指在建筑施工中为支撑梁板、柱墙等临时结构而搭建的一种临时支撑系统。
支模架的施工质量直接关系到工程的安全性和质量。
为了确保支模架施工的顺利进行,需要制定一份专项施工方案。
下面是一份支模架专项施工方案的样板,供参考。
一、施工前准备工作1.组织设计部门对支模架进行设计,并按照设计图纸认真核对材料和工具的清单。
2.约定好各个施工工序的时间进度,并编制详细的施工计划表。
3.对施工现场进行清理,确保施工区域整洁无障碍。
4.按照施工区域的特点,制定安全防护措施,并进行培训和指导。
二、材料准备1.根据设计图纸和清单,准备好所需的支模架材料,包括扣件、螺栓、螺母、钢管等。
2.检查材料的质量,确保无损伤和变形。
3.对材料进行分类,分别堆放在施工现场的指定区域,便于取用和管理。
三、基础和地基处理1.根据设计要求,进行基础和地基的处理工作,确保基础的承载力和稳定性。
2.清理地基表面,确保支模架能够平稳地搭建。
四、支模架搭设1.根据设计图纸和施工计划表,按照先上后下、先整体后局部的原则,开始搭设支模架。
2.根据需要,选择合适的支模架类型和搭设方式,确保施工安全和工效。
3.将支模架材料逐一取出,并进行组装和安装。
4.在支模架搭设完成后,进行严格的检查和调整,确保支模架的稳定性和安全性。
五、支模架拆除1.在完成使用后,按照施工计划表和设计要求,开始拆除支模架。
2.拆除支模架时,要小心谨慎,避免对周围结构造成损坏。
3.拆除支模架后,对支模架材料进行清点和整理,以备下次使用。
六、施工安全措施1.在施工现场设置安全警示牌,禁止未经许可的人员进入。
2.严格执行施工现场的安全规章制度,保持施工现场的整洁和安全。
3.操作人员必须佩戴好安全帽、安全鞋等个人防护用品。
4.对支模架的搭设过程中,要注意施工现场周围的人员和设备的安全,确保不会发生意外事故。
七、施工质量控制1.在支模架搭设和拆除过程中,严格按照设计图纸和施工规范进行操作,确保施工质量。
支模架专项施工方案支模架专项施工方案一、施工范围支模架施工主要应用于高层建筑和混凝土结构中,用于临时支撑和固定模板的结构系统。
本施工方案主要针对高层建筑的支模架施工。
二、施工原则1.严格按照设计要求进行施工,确保支模架的稳定和安全;2.施工过程中应严格按照施工工序进行操作,避免出现错误;3.严格遵守施工现场的安全规定,确保施工人员的人身安全;4.做好施工现场的管理,确保施工进度和质量;5.与其他施工工序进行协调配合,确保施工顺利进行。
三、施工准备工作1.组织施工人员参加安全技术交底,确保施工人员了解施工内容和安全要求;2.核对施工图纸和材料清单,确保施工材料和工具齐全;3.将施工现场进行清理整理,确保施工现场的整洁;4.搭建施工临时设施,包括施工棚、安全警示牌等。
四、施工工序1.地基准备:清理地基并进行平整处理;2.测量标高:按照设计要求进行支模架的标高测量;3.支撑安装:根据设计要求选择合适的支撑材料,按照设计图纸进行支撑安装;4.模板布置:根据设计要求将模板进行合理布置;5.支撑调整:对支撑进行调整,确保支模架的水平和稳定;6.固定模板:使用螺栓、钢绳等固定模板,确保模板的牢固;7.验收:按照要求进行支模架的验收。
五、施工注意事项1.在搭建支模架时,应按照施工图纸要求选择合适的支撑材料和支撑点,确保支撑的均匀和牢固;2.施工过程中,要定期检查支模架的稳定情况,发现问题及时进行处理;3.支模架的搭建和拆除要在施工现场限制区域内进行,确保施工安全;4.支模架的拆除要根据施工进度进行,不得擅自拆除;5.施工现场要严禁乱堆乱放材料和工具,确保施工现场的整洁和安全;6.在施工现场要设置明显的安全警示标志,提醒施工人员注意安全;7.施工结束后,要进行支模架的验收,确保施工质量和安全。
以上是支模架专项施工方案的主要内容,通过严格执行方案的要求,可以确保支模架施工的质量和安全。
同时,施工单位应根据实际情况进行具体的施工方案制定,确保施工工序的顺利进行。
支模架施工方案支模架施工方案一、概述支模架是建筑工程中常用的临时性施工设备,用于支撑混凝土和钢筋在浇筑和养护过程中的固定和支撑。
本文将介绍支模架的施工方案。
二、施工前准备1. 资料准备:收集支模架设计、施工图纸和相关技术规范,明确支模架的尺寸、数量和材料要求。
2. 设备和材料准备:准备所需的支模架材料,包括钢管、扣件、梁板、钢筋等。
同时,准备装卸设备、安全防护用具等。
3. 施工人员培训:对施工人员进行安全教育和技能培训,使其熟悉支模架的安装、调整和拆除操作。
三、施工步骤1. 布置场地:根据施工图纸确定支模架的放置位置和布置方案,清理场地并进行平整处理。
2. 安装立柱:将钢管定位垂直于地面,用扣件连接组建立柱,并使用水平仪进行调平。
3. 安装横梁:将横梁安装在立柱上,用扣件连接固定,并使用水平仪进行调平。
4. 安装工作平台:在横梁上安装合适尺寸的工作平台,用扣件连接固定,并使用水平仪进行调平。
5. 安装钢筋骨架:根据设计要求,在支模架上安装钢筋骨架,用扣件连接固定。
6. 调整和固定:根据需要调整支模架的水平度和垂直度,使用螺栓等固定设备进行固定。
7. 检查和试验:对支模架进行全面检查,并进行质量试验,确保其安全、稳定和适用性。
四、施工安全措施1. 操作人员必须经过专门培训,并具备工作许可证明。
2. 使用合格的施工设备和材料,遵守相关的技术规范和安全操作规程。
3. 搭设、调整和拆除支模架时,必须采取防护措施,如固定安全带、搭设安全网等。
4. 在施工现场设置明显的警示标志,并保持工地秩序井然。
5. 严格遵守起重机械和安全设备的使用要求,确保施工过程中的人身安全。
6. 定期维护和检查支模架的使用状况,及时发现和处理潜在的安全问题。
总结:通过以上措施,我们可以确保支模架在施工过程中的安全、稳定和可靠性。
同时,合理利用支模架,可以提高施工效率和质量,降低工程成本,对于建筑工程的顺利进行起到重要的辅助作用。
所以,在支模架的使用过程中,我们必须严格按照施工方案进行操作,并时刻关注施工安全。
一、工程概况本工程为某住宅楼项目,总建筑面积约12000平方米,建筑高度约30米,结构形式为钢筋混凝土框架结构。
根据施工图纸要求,本工程需进行支模架施工,为确保施工安全和质量,特制定本支模架专项施工方案。
二、编制依据1. 国家相关法律法规和标准规范;2. 施工图纸及设计要求;3. 施工组织设计及施工方案;4. 有关工程验收规范。
三、施工准备1. 技术准备:组织施工人员进行技术交底,明确施工工艺、质量要求和操作规程;2. 材料准备:确保支模架材料、连接件、模板等质量符合设计要求;3. 设备准备:确保施工机械设备齐全、完好,并进行检查和维护;4. 人员准备:组织专业技术人员、施工人员进行培训,提高施工技能和安全意识。
四、施工工艺技术1. 支模架搭设(1)根据施工图纸和设计要求,确定支模架形式、尺寸、立杆间距、水平杆间距等参数;(2)支模架立杆底部设置垫板,保证支模架稳定;(3)支模架立杆、水平杆、剪刀撑等连接件必须符合要求,确保连接牢固;(4)支模架搭设过程中,随时检查支模架的垂直度和水平度,确保符合要求;(5)支模架搭设完成后,进行自检和验收,合格后方可进行模板施工。
2. 模板施工(1)模板材料应符合设计要求,表面平整、光滑、无变形;(2)模板安装牢固,不得出现松动、翘曲等现象;(3)模板接缝严密,防止漏浆;(4)模板拆除时,先拆除非承重模板,再拆除承重模板。
五、施工安全保证措施1. 组织保障:成立安全领导小组,明确安全责任,加强安全教育培训;2. 技术措施:严格执行施工规范和操作规程,确保施工安全;3. 监测监控:对支模架进行定期检查,及时发现并处理安全隐患;4. 应急预案:制定应急预案,确保在发生安全事故时能够迅速、有效地进行处置。
六、施工进度计划根据工程进度要求,制定支模架施工进度计划,确保施工顺利进行。
七、验收要求1. 支模架搭设完成后,进行自检和验收,合格后方可进行模板施工;2. 模板施工完成后,进行自检和验收,合格后方可进行混凝土浇筑;3. 混凝土浇筑完成后,进行支模架拆除,拆除过程中进行验收。
工程支模架施工方案一、施工前准备1.1 确定施工现场在施工现场周围设置警示标志,确保施工现场安全有序。
同时,要对施工现场进行细致的勘查,划定施工范围,了解施工现场环境情况,对施工现场进行必要的调整。
1.2 材料准备和检查在施工前,要对材料进行准备和检查,确保材料达到国家质量标准。
材料包括:支模架、钢管、连接件、脚轮、传递桥,等等。
1.3 设备准备和检查在施工前,要对施工设备进行准备和检查,包括吊装设备、电动工具、手动工具等等。
这些设备的质量和运行情况对施工质量有很大的影响,必须确保它们的正常运行。
二、支模架施工2.1 支模架的搭设支模架的搭设必须严格按照设计图纸进行,避免出现问题。
在搭设过程中,要注意以下要点:•各个部位的连接要牢固,不能出现松动或者歪斜的情况;•板材的安装要平整,不能有明显的弯曲或者凹陷;•支撑点的位置要稳定,不能出现倾斜或者移动的情况;•支模架高度和角度要符合设计要求,避免出现偏差。
2.2 支模架的加固在支模架搭设完成后,要对其进行加固,确保其稳定可靠。
加固的方法包括使用连接件、加大钢管直径、增加支撑点等等。
2.3 支模架的拆除在支模架使用完毕后,要及时进行拆除。
拆除的过程必须小心谨慎,避免对周围环境和设施造成损害。
拆除的步骤包括:•逐层拆卸板材;•逐层拆卸钢管及连接件;•拆除支撑点;•最后将支模架整体拆除。
三、施工注意事项3.1 施工过程中必须保证安全支模架施工是一项高危作业,对安全要求极高。
施工人员必须经过专业培训和合理分配,必须戴好安全帽、安全绳、安全鞋等个人防护用具,以确保施工安全。
3.2 施工前要对支模架进行审核在支模架搭设前,施工现场负责人要根据设计图纸进行支模架的审核,以确保支模架符合施工要求。
同时,还要对施工现场进行分析和评估,确定施工方式和方案。
3.3 施工现场要保持清洁在施工现场要保持清洁整洁,杂物不能乱扔乱放。
一旦出现杂乱情况,将会影响施工质量和安全。
四、施工效果及评价4.1 施工效果评价标准在支模架施工完成后,要对其进行验收,以评价施工效果。
支模架搭设专项施工方案一、项目概述本文档旨在提供关于支模架搭设专项施工方案的详细说明和步骤。
支模架是建筑施工中用于支撑和固定模板的临时结构,对保障施工安全和质量起着至关重要的作用。
本文档将从施工准备、支模架设计、材料准备、搭设步骤等方面进行介绍。
二、施工准备在进行支模架搭设前,需要进行充分的施工准备工作。
具体步骤如下:1.确定支模架搭设的位置和范围。
根据建筑设计图纸和实际施工需要,明确支模架的具体位置和边界。
2.深入了解地基情况。
考察地基的承载力、稳定性等因素,以确保支模架的稳固性和安全性。
3.进行施工环境评估。
评估周边环境的影响因素,如交通情况、天气状况等。
4.制定详细的施工计划和安全预案。
根据项目要求和实际情况,制定支模架搭设的施工计划,同时考虑安全预防措施,确保施工过程安全可控。
三、支模架设计支模架设计是支模架搭设的关键一环,合理的设计能够提高工作效率和施工质量。
以下是支模架设计的注意事项:1.根据建筑结构要求进行支模架设计。
根据建筑设计图纸和相关规范要求,设计合理的支模架结构,保证施工过程中的稳定性和安全性。
2.选择适当的支模架类型。
根据施工环境和具体要求,选择适合的支模架类型,常见的支模架类型有悬挑式支模架、立杆式支模架等。
3.设计合理的支模架布置。
根据支模架的承载能力和施工要求,合理布置支模架的位置和数量,确保支模架的稳固性和安全性。
4.注意支模架的连接方式。
选择合适的连接方式,如搭接、焊接、螺栓连接等,确保支模架连接牢固可靠。
四、材料准备在支模架搭设前,需要准备必要的材料和工具,以确保施工的顺利进行。
下面是常用的支模架搭设材料:1.钢管:选择质量符合标准要求的钢管,根据设计要求和工程需要确定材料规格和数量。
2.钢板:用于搭设支模架的平台和固定装置,选择质量和厚度适宜的钢板。
3.连接件:如螺栓、螺母、连接板等,确保连接件质量过关。
4.支撑物:如支撑杆、支撑头等,用于支撑和固定支模架。
支模架专项施工方案1. 引言支模架是工程建筑中常用的一种施工设备,主要用于支撑和固定混凝土结构体。
本文将针对支模架的施工进行详细介绍,包括支模架的选择与布置、支模架的搭建与调整、支模架拆除等。
2. 支模架的选择与布置2.1 支模架的选择在选择支模架时,需要根据具体的工程要求和施工条件进行合理的选择。
支模架设备应具备承载力强、稳定性好、拆卸方便等特点。
针对不同的工程要求,可选择不同类型的支模架,如钢管脚手架、金属扣件脚手架等。
在选择支模架时,还需考虑使用寿命、施工工期和成本等因素。
2.2 支模架的布置支模架的布置需要根据施工图纸和施工方案进行合理的布置。
在布置支模架时,应考虑每个支点的承载能力和位置,合理分配支模架的间距和高度,确保整个支模架的稳定性和安全性。
同时还需要考虑施工现场的通道、出口等需要留出的空间。
3. 支模架的搭建与调整3.1 支模架的材料准备在进行支模架的搭建之前,需要先准备好所需的材料和工具。
常用的支模架材料包括钢管、连接件、螺栓等。
在准备材料时,需要检查材料的质量和规格是否符合要求,以确保支模架的稳定性和安全性。
3.2 支模架的搭建步骤支模架的搭建一般分为以下几个步骤:•将支模架材料按照施工图纸中的要求进行切割和加工。
•进行支模架的组装,根据施工图纸和布置方案,将支模架材料进行连接,确保连接牢固。
•调整支模架的高度和水平,使用水平仪和测量工具进行调整,确保支模架的平稳和水平度。
•搭建好一层支模架后,再进行上下一层的搭建,直至达到所需高度。
3.3 支模架的调整与监控在支模架搭建完成后,还需要进行调整和监控工作。
针对支模架的调整,一般遵循“下调上顶、收紧加压”的原则。
通过调整支模架的高度和水平度,保证支模架的稳定性和安全性。
同时需要进行定期的监控,检查支模架是否有位移、裂缝等异常情况,及时进行修复和加固。
4. 支模架的拆除4.1 支模架拆除前的准备工作在拆除支模架之前,需要做好相关的准备工作。
模板及支撑架专项施工方案一、前言在建筑施工中,模板及支撑架是非常重要的施工工具,对于建筑结构的质量和安全具有至关重要的作用。
本文将针对模板及支撑架的专项施工方案进行详细介绍,包括施工前准备、施工流程、安全措施等内容,旨在确保施工过程的顺利进行,保障施工质量和安全。
二、施工前准备•方案制定:在施工前应制定详细的施工方案,包括模板及支撑架的布置方案、施工程序、材料准备等内容,以确保施工的有序进行。
•材料准备:提前准备好所需的模板、支撑架及相关工具设备,并对材料进行检查,确保质量符合要求。
•人员安排:合理安排施工人员,确保每个岗位的工作人员都具备相应的技术和安全培训。
•安全措施:在施工前应对施工现场进行安全检查,设置必要的安全警示牌,确保施工人员的人身安全。
三、施工流程•模板的安装:根据设计要求和施工方案,按照逐步施工的原则,进行模板的安装,确保模板的平整度和垂直度符合要求。
•支撑架的搭建:根据设计要求和支撑架的承重要求,搭建支撑架,并加固固定,确保支撑架的稳固性和安全性。
•施工质量控制:在施工过程中,根据相关标准和规范,对模板及支撑架的质量进行检查,确保施工质量达到要求。
四、安全措施•施工环境安全:保持施工现场的通风良好,避免施工现场有易燃易爆材料,严禁吸烟等危险行为。
•施工人员安全:施工人员应佩戴必要的劳动防护用品,严禁在高处工作时观看手机等分散注意力的行为。
•风险防范:加强对施工现场风险的识别和防范,定期组织安全教育培训,提高施工人员的安全意识。
五、施工结束及验收•施工结束:施工完成后,对模板及支撑架进行全面清理和整理,保持施工现场的整洁和安全。
•质量验收:组织专业人员对模板及支撑架的安装质量进行验收,确保符合设计要求和相关标准。
•安全总结:对施工过程进行安全总结和反思,总结经验教训,为今后的施工工作提供参考和借鉴。
六、结语模板及支撑架是建筑施工过程中至关重要的施工工具,科学合理的施工方案和严格的安全措施是确保施工质量和施工安全的关键。
支模架搭设专项施工方案1. 引言在建筑施工过程中,支模架是非常重要的一种临时结构,用于支撑和固定混凝土施工中的模板。
支模架搭设的质量直接影响到混凝土结构的施工质量和安全性。
本文将详细介绍支模架搭设的施工方案。
2. 施工准备2.1 材料准备支模架搭设所需的材料包括:钢管、钢板、螺栓等。
在施工前,应进行材料的进场检验,确保材料的质量合格。
2.2 设备准备支模架搭设所需的设备包括:起重机械、扣件等。
在施工前,应对设备进行检查和维护,确保设备的正常运行。
2.3 人员准备支模架搭设所需的人员包括:技术人员、操作人员等。
在施工前,应对人员进行培训,确保其具备相关的技术和操作能力。
3. 施工步骤3.1 基础制作在搭设支模架之前,需要先进行基础的制作。
具体步骤包括:•清理施工场地,确保场地整洁;•进行地基的开挖和处理;•浇筑基础混凝土,待其养护完全硬化。
3.2 支模架搭设支模架搭设的步骤一般包括以下几个阶段:3.2.1 竖杆的搭设首先,根据设计要求,确定支模架的尺寸和布置。
然后,安装竖杆。
具体步骤如下:•将竖杆按设计要求进行长度调整;•利用起重机械将竖杆放置在预留的基础上;•使用扣件进行固定,确保竖杆的垂直度。
3.2.2 横杆和斜杆的安装在竖杆搭设完毕后,进行横杆和斜杆的安装。
具体步骤如下:•根据设计要求,确定横杆和斜杆的位置和数量;•将横杆和斜杆放置在相应的支撑上;•使用扣件进行固定,确保横杆和斜杆的稳固性。
3.2.3 模板安装最后,进行模板的安装。
具体步骤如下:•根据设计要求,确定模板的形状和尺寸;•将模板放置在支模架上,并使用扣件进行固定;•检查模板的水平度和精确度,调整模板位置,确保施工的准确性。
4. 安全措施在支模架搭设过程中,应注意安全措施的落实,确保施工人员的安全。
•施工人员应统一穿戴安全帽、安全鞋等个人防护装备;•施工现场应设置警示标志,并进行安全隔离;•施工人员应定期进行安全培训,增强安全意识。
支模架搭设专项施工方案1. 引言支模架是工程施工中一种常用的临时性支撑结构,用于在混凝土浇筑过程中支撑和固定模板。
支模架的搭设对于施工质量和工期的控制至关重要。
本文档旨在介绍支模架搭设的专项施工方案,以确保施工过程的安全、高效和顺利进行。
2. 施工前准备在开始支模架的搭设前,必须进行充分的施工前准备工作,包括但不限于以下几项内容:•安全考虑:确定施工现场的安全区域,并确保工作人员具备相应的安全意识和防护装备。
•材料准备:准备好支模架的构件、连接件、支撑杆和调整杆等必要的材料,并对其进行质量检查。
•设备准备:检查和维护必要的施工机械设备,如起重机、千斤顶和电动工具等。
3. 施工步骤支模架的搭设过程可以分为以下几个步骤进行:3.1. 地基处理在搭设支模架之前,必须对施工现场的地基进行处理。
地基应平坦、坚固且无明显的障碍物,以确保支模架的稳定性和安全性。
根据地基情况,可以采用填土、加固或打桩等方式进行地基处理。
3.2. 搭设主立柱根据设计要求和施工图纸,确定支模架的主立柱位置和高度,使用起重机将主立柱逐级吊装并安装到预定位置。
主立柱之间的空间距离应满足搭设支撑梁的需要。
3.3. 安装水平支撑梁在主立柱之间安装水平支撑梁,用于支撑和固定模板。
水平支撑梁的安装应按照设计要求和施工图纸进行,并确保其水平度和稳定性。
3.4. 加固斜撑和支撑杆根据设计要求,在支模架的主立柱和水平支撑梁之间安装斜撑和支撑杆,以增加支模架的稳定性和承载能力。
斜撑和支撑杆的安装应符合相关规范和标准,且连接牢固。
3.5. 调整和检查在支模架搭设完成后,对其进行调整和检查。
包括检查支模架的垂直度、水平度和稳定性,必要时进行调整和加固。
确保支模架符合设计要求和工程质量标准。
4. 安全措施和注意事项在支模架搭设的过程中,必须严格遵守相关的安全措施和注意事项。
具体的安全措施和注意事项如下:•工作人员必须具备相应的资质和技能,并穿戴个人防护装备。
专项施工方案目录一、编制依据二、工程概况三、施工部署四、高支模设计方案五、劳动力与施工机械需用量计划六、高支模安装及拆除七、高支模监测措施八、针对混凝土浇筑制定的措施九、施工质量保证措施十、安全与文明施工措施十一、应急救援预案施工一、编制依据为了保证本工程高支模施工安全,根据建设部关于《危险性较大工程安全专项施工方案编制》的要求,按相关规定特编制本专项施工方案。
方案编制主要依据如下:1、施工合同2、施工图纸3、《混凝土结构工程施工质量验收规范》(GB50204-2002)4、《建筑工程施工质量验收统一标准》(GBJ300-2001)5、《建筑机械使用安全技术规程》(JGJ33-2001)6、《建筑现场临时用电安全技术规范》(JGJ46-2005)7、《建筑施工扣件式钢管脚手架安全技术规范》(JGJ130—2011)8、《建筑施工模板安全技术规范》(JGJ162-2008)二、高支模设计方案1、模板及支撑架的材料选择本工程模板支撑系统采用φ48*2.8钢管及扣件、12厚胶合板、50×100支承木方、梁板竖向支撑顶部可调支托、立杆基础垫板等。
2、模板支撑系统的设计方案(1)楼层施工时,高支模部位支撑体系同步一起搭设,但在具备拆除条件前不得随意拆除,并与已浇筑结构可靠连接顶紧。
(2)支撑立杆基础应具有足够的承载力。
(3)梁、板支撑立杆布置基本方案:梁侧模板主楞采用直径48*2.8钢管,次楞采用50×80木方,面板采用12厚木胶合板;梁底纵向支撑采用50×100木方,小横杆采用48*2.8钢管;梁两侧立杆距梁侧面距离均250mm,梁下均增加一根立杆支撑,两侧立杆及梁下立杆纵向间距分别为400、800mm;现浇板模板支撑采用钢管扣件支撑系统50×100木方支承12厚木胶合板,48*2.8钢管支承木方;板下支撑立杆纵横间距800mm。
梁、板竖向支撑顶部均采用可调支托。
(完整版)支模架专项施工方案一、工程概况本项目为某高层建筑支模架专项施工,工程地点位于XX市区,占地面积约5000平方米,总建筑面积约30000平方米,建筑高度为98米,共分为地下两层,地上二十层。
工程结构类型为钢筋混凝土框架-剪力墙结构。
本工程支模架施工范围主要包括楼层模板支撑体系、梁板模板支撑体系、楼梯模板支撑体系等。
二、周边环境1. 地理位置及周边建筑:工程地处市区繁华地段,周边有居民区、商业区、学校等,人流车流量较大。
项目周边建筑距离本项目较近,分别为北侧XX米处有一栋居民楼,东侧XX米处有一栋商业楼,西侧XX米处有一所学校。
2. 交通条件:项目周边道路交通便利,东侧为主干道,北侧、西侧为次干道,南侧为支路。
施工现场周边设有临时围挡,确保施工安全。
3. 水电供应:项目所在地水电供应充足,满足施工需求。
4. 环境保护要求:根据我国环境保护相关法律法规,本项目施工过程中需严格执行环保措施,确保施工过程不对周边环境造成污染。
三、项目安全管理组织及目标1. 项目安全管理组织:(1)成立以项目经理为组长的安全生产领导小组,负责项目安全生产工作的组织、协调、监督和管理。
(2)设立安全生产管理部门,负责日常安全生产管理、检查、整改等工作。
(3)设立专职安全员,负责施工现场的安全巡查、监督、培训等工作。
2. 项目安全管理目标:(1)确保施工现场无重大安全事故发生。
(2)实现安全生产零伤亡、零重伤、零事故。
(3)严格遵守国家及地方安全生产法律法规,确保项目安全文明施工。
(4)提高全体员工安全意识,加强安全教育培训,提高安全管理水平。
四、施工方案1. 施工流程(1)施工准备:包括施工图纸及技术规范学习、施工材料准备、施工设备检查等。
(2)支模架搭设:根据设计图纸,进行支模架的搭设,包括立杆、横杆、剪刀撑、扫地杆等。
(3)模板安装:在支模架上安装模板,并进行调整固定。
(4)钢筋绑扎:按照设计要求进行钢筋的绑扎工作。
模板支架专项施工方案
一、基础准备工作
在进行模板支架施工之前,首先需要对施工现场进行仔细的测量和规划。
确定支架安装位置和数量,清理施工区域,确保支架安装地面平整、无障碍物,并制定详细的施工计划。
二、材料准备
1. 主要材料
•模板支架
•支撑杆
•连接件
•螺栓、螺母等固定件
•工具:扳手、榔头、水平仪等
2. 材料检查
在施工前需对所使用的材料进行检查,确保材料完好无损,符合要求。
三、施工步骤
1. 定位支架安装位置
根据设计图纸要求,确定支架的安装位置,标记好支架的位置。
2. 安装支架
将支架按照设计要求和标记位置安装到地面上,在固定时需保持支架垂直、水平。
3. 连接支撑杆
安装支架后,根据设计要求,连接支撑杆到支架上,确保支撑杆与支架的连接牢固。
4. 调整支架
在连接完支撑杆后,使用水平仪进行调整,确保支架的水平度符合要求。
5. 固定支架
最后,使用螺栓、螺母等固定件将支架牢固固定在地面上,确保支架的稳定性和安全性。
四、施工注意事项
•施工过程中要注意操作规范,保证施工人员的安全。
•在调整支架水平度时,要使用专业的水平仪,确保支架安装水平度符合设计要求。
•施工完成后,对施工现场进行清理,确保施工区域整洁。
五、总结
模板支架的安装需要严格按照设计要求进行,施工过程中需注意操作规范,保证支架的安全性和稳定性。
只有经过严谨的施工过程,才能确保支架的正常使用和功能发挥。
舟山市建设大厦A座、B座工程支模架专项施工方案一、工程概况:舟山市建设大厦A座、B座工程位于临城新区世纪大道西侧,A座、B座工程地下一层,地下室层高4.700m,A座地上19层;B座地上22层,A座、B座裙房3层,裙房层高为5.000m~4.500m,标准层层高为3.600m,建筑总面积为65195㎡,建筑结构为框架-核心筒结构。
地下室面积10250㎡,底板基础厚为500mm,地下室顶板厚为250mm,地下室筒体结构厚为350mm。
地下室柱为600mm×600 mm、800 mm×800 mm、1000 mm×1000 mm、1000 mm×1100 mm、1000 mm×1300 mm、1000 mm×1750 mm、1100 mm×1300 mm、1300 mm×1850 mm。
针对本工程建筑面积大、建筑高度高、施工难度较大等特点,并依据我公司工程项目部在多年建筑施工中所积累的施工经验,充分发挥施工项目部各方面的组织优势,确保该工程优质、高速、安全、定期地完成扣件式钢管支模架搭拆各项施工任务。
二、编制依据:本工程扣件式钢管支模架搭拆专项施工方案编制依据如下:1、我公司ISO9000质量管理体系文件(企业质量文件、企业安全生产手册);2、现行有关国家、行业、地方规范标准;3、《建筑施工安全检查标准》(JGJ59-99);4、《建筑施工扣件式钢管脚手架安全技术规范》 (JGJ130-2001);5、《施工技术》2002.3. 《扣件式钢管模板高支撑架设计和使用安全》;6、《建筑工程施工现场安全标准化管理》;7、浙江省建设厅(舟山市)管理颁发的有关建筑施工规程、标准、安全管理、消防、质量要求和现场文明施工管理等文件。
8、本公司现有的劳动力、技术、施工管理经验,根据施工现场实际情况、施工自然条件的分析,并考虑安全、实用、施工方便、节约费用等原则。
三、施工部署及计划安排:1、模板选型及质量要求模板设计及加工质量的标准按施工规范质量标准(GB50300-01)实施。
混凝土外观要求应达到:表面平整光滑,线条顺直,几何尺寸准确(在允许偏差以内),色泽一致,无蜂窝、麻面、露筋、夹渣和明显的气泡,模板拼缝痕迹有规律性,结构阴阳角方正且无损伤,上下楼层的连接面平整搭接。
模板设计及加工在满足模板施工及质量要求的前提下,尽量考虑经济,施工效率等成本因素。
根据本工程施工工期较长、质量标准高的特点,同时考虑经济效益及实际情况,木支撑模板体系来作为保证工程进度实现创优目标的重要措施之一,模板综合选型如下:模板选型一览表序号模板选型支撑系统使用部位1 18mm厚胶合多层板木枋、钢管支撑系统地下室柱、墙、顶板2 25mm厚松木板木枋、脚手架柱、框架梁底板3 30mm厚松木板木枋、钢管支撑柱、框架梁底板4 40mm厚松木板木枋、钢管支撑柱、框架梁底板2、施工准备及模板工艺流程施工前仔细审查图纸,有关的图纸问题必须在施工前解决,计算各种模板和支撑架的数量。
施工前应根据不同部位进行木模板的配模。
施工前的模板工程施工工艺流程:1、投点放线;2、标高测量;3、找平;4、设置模板定位基准。
3、搭设施工:安装顺序如下:搭设架子→第一段模板安装就位→检查对角线、垂直度和位置→安装柱箍→第二、三段模板及柱箍安装→安装有梁口的柱模板→全面检查校正→整体固定。
材料准备及模板安装质量要求:材料的安排:模板的方木刨直,所有进场方木均需刨直使用,且规格大小一致。
支撑杆要整理,有破损大范围裂缝,弯曲度较大的支撑杆均需替换。
模板的支设方法:方柱模板、支模采用胶合板、支设方法为先柱子第一段四面模板就位组拼,校正调整好对角线,并用柱箍固定。
然后以第一段模板为基准,用同样方法组拼第二段模板,直到柱全高。
各段组拼时,其水平接头和竖向接头要连接牢靠,在安装到一定高度时,设立支撑或进行拉结,以防倾倒。
并用支撑校正模板垂直度。
模板安装质量要求:模板安装完毕后,按《混凝土结构工程施工及验收规范》的有关规定,进行全面检查,合格验收后方能进行下一道工序,其质量要求如下:组装的模板必须符合施工设计的要求;各种连接件、支承件、加固配件必须安装牢固,无松动现象。
模板拼缝要严密;模板必须方正,起对角线的偏差应控制在短边的1/300以内,四边成直线,表面平整,用2m靠尺检查,其凸凹度应小于4mm。
四、基础地下室模板方案:基础模板:1、基础底板侧模采用砌筑240厚标砖胎模,内侧单面抹灰。
2、电梯井坑处侧模采用多层胶合板、木枋和钢管,支设详见下图:2、集水坑模板支撑加固采用多层胶合板、木枋和钢管,支设详见下图:3、立面模板施工工艺本工程墙体主要用于木模施工的部位:地下室外侧墙;。
(1)施工工艺流程弹线 安装洞口模板 安装一侧模板 放置对拉螺栓 安另一侧模板 调 整 固 定 办 预 检(2)钢筋工程验收通过调整钢筋的位置和间距,按照规范绑扎好垫块,并检查垫块的完好程度。
(3)内墙模板施工,弹出模板位置线,或在模板外皮线外300处弹通线。
按照模板的设计厚度弹出模板的外皮位置线,在模板的位置线外侧用1:2水泥沙浆抹20~30高的地垄。
把一侧的模板按位置线就位,然后安装拉杆、斜支撑和穿墙螺栓。
(4)外墙模板施工时,在安装内侧的模板前应先放置对拉螺栓及支撑限位装置,并根据墙体厚度的实际情况逐个调整支撑限位装置的长度,检查限位装置与钢筋网片的连接是否牢固无滑移。
(5)安装洞口模板,在绑好钢筋后根据洞口的位置线,然后安装洞口的模板,安装时应注意洞的定位和下口保护层,在洞口模板的下口的正中间部分设置排气口,跨度大于3m的洞还应在跨中设置50×100的振捣孔。
(6)清扫墙内杂物再安另一侧模板,调整斜撑使模板垂直后,拧紧穿墙螺栓。
(7)模板的安装按照本方案配模要求放置大面的模板,边角及不规则的地方另外配模,但仍然要遵守总体的配模要求,所有的企口要预先制作好。
(8)模板支设时应先穿好对拉螺栓,将木枋扁向担在螺杆上,再按照尺寸从螺杆处向下吊钢管,调整好木枋和钢管的位置后支竖向双钢管。
最后紧固螺栓和扣件。
(9)模板安装完毕后,检查一遍扣件、螺栓是否紧固,模板拼缝及下口是否严密,并办理预检手续。
五、墙体木模板的设计计算:〈一〉、计算书中主要参数说明:F—新浇筑混凝土对模板的最大侧压力(kN/m2);γ—混凝土的重力密度(kN/m3);t0—新浇筑混凝土的初凝时间(h),可采用t0=200/(T+15)计算,(T为混凝土的温度℃,假定T=28,则t0=200/(28+15)=4.7h);V—混凝土的浇筑速度(m/h),取V=1.0 m/h;H—混凝土侧压力计算位置处至新浇筑混凝土顶面的总高度(m);β1—外加剂影响修正系数,掺具有缓凝作用的外加剂时取1.2;β2—混凝土坍落度影响修正系数;W—截面抵抗矩;I—截面惯性矩;f m—木材抗弯强度;fv—木材抗剪强度;E—材料弹性模量;ω—挠度;δ—应力;τ—剪应力;M—弯矩;V—剪力;N—压力;q—线荷载;〈二〉、墙模板基本参数:(1)墙模板的背部支撑由两层龙骨(木楞或钢楞)组成,直接支撑模板的龙骨为次龙骨,即内龙骨;(2)用以支撑内层龙骨为外龙骨,即外龙骨组装成墙体模板时,通过穿墙螺栓将墙体两片模板拉结,(3)每个穿墙螺栓成为外龙骨的支点。
模板面板厚度h=18mm,弹性模量E=6000N/mm2,抗弯强度[f]=15N/mm2。
内楞采用方木,截面50×100mm,每道内楞1根方木,间距250mm。
外楞采用圆钢管48×3.5,每道外楞2根钢楞,间距600mm。
穿墙螺栓水平距离250mm,穿墙螺栓竖向距离600mm,直径14mm。
墙模板组装示意图1、墙模板荷载标准值计算:强度验算要考虑新浇混凝土侧压力和倾倒混凝土时产生的荷载;挠度验算只考虑新浇混凝土侧压力。
新浇混凝土侧压力计算公式为下式中的较小值:其中——混凝土的重力密度,取24.000kN/m3;t——新浇混凝土的初凝时间,为0时(表示无资料)取200/(T+15),取5.714h;T——混凝土的入模温度,取20.000℃;V——混凝土的浇筑速度,取2.500m/h;H ——混凝土侧压力计算位置处至新浇混凝土顶面总高度,取3.800m;——外加剂影响修正系数,取1.200;1——混凝土坍落度影响修正系数,取1.150。
2根据公式计算的新浇混凝土侧压力标准值F1=65.830kN/m2实际计算中采用新浇混凝土侧压力标准值F1=65.830kN/m2倒混凝土时产生的荷载标准值F2= 4.000kN/m2。
2、墙模板面板的计算:面板为受弯结构,需要验算其抗弯强度和刚度。
计算的原则是按照龙骨的间距和模板面的大小,按支撑在内楞上的三跨连续梁计算。
250 250 25047.40kN/mA B面板计算简图<1>.抗弯强度计算f = M /W < [f ]其中 f —— 面板的抗弯强度计算值(N/mm 2);M —— 面板的最大弯距(N·mm); W —— 面板的净截面抵抗矩,W = 60.00×1.80×1.80/6=32.40cm 3;[f ] —— 面板的抗弯强度设计值(N/mm 2)。
M = ql 2 / 10其中 q —— 作用在模板上的侧压力,它包括:新浇混凝土侧压力设计值,q 1= 1.2×0.60×65.83=47.40kN/m ;倾倒混凝土侧压力设计值,q 2= 1.4×0.60×4.00=3.36kN/m ;l —— 计算跨度(内楞间距),l = 250mm ;面板的抗弯强度设计值[f ] = 15.000N/mm 2;经计算得到,面板的抗弯强度计算值9.791N/mm 2;面板的抗弯强度验算 < [f ],满足要求!<2>.挠度计算v = 0.677ql 4 / 100EI < [v ] = l /250其中 q —— 作用在模板上的侧压力,q = 39.50N/mm ;l —— 计算跨度(内楞间距),l = 250mm ;E —— 面板的弹性模量,E = 6000N/mm 2;I —— 面板的截面惯性矩,I = 60.00×1.80×1.80×1.80/12=29.16cm 4;面板的最大允许挠度值,[v ] = 1.000mm ;面板的最大挠度计算值, v = 0.597mm ;面板的挠度验算 v < [v ],满足要求!3、墙模板内外楞的计算:内楞(木或钢)直接承受模板传递的荷载,通常按照均布荷载的三跨连续梁计算。