浆液循环泵安装
- 格式:doc
- 大小:169.00 KB
- 文档页数:14
Q/CDT 大唐清苑热电有限公司企业标准Q/CDT-QYCP xxxxx-xxxx吸收塔浆液循环泵检修作业指导书作业项目:浆液循环泵作业日期:批准:审核:编制:2012-XX-XX发布2012-XX-XX实施大唐清苑热电有限公司发布前言一、按照集团公司生产准备管理办法的要求,配合点检定修特编写大唐清苑热电有限公司#1、#2机组《脱硫检修作业指导书(试用)》。
二、本指导书根据河北电力设计院以及设备厂家的图纸、资料、《300MW脱硫检修导则》、《大唐公司防止电力生产重大事故的二十五项重点要求》及有关标准,并借鉴多个兄弟电厂的资料编写而成。
三、本指导书是大唐清苑热电有限公司#1、#2脱硫点检定修的标准和依据,相关技术人员应熟练掌握,并严肃执行。
四、本指导书编写时,采纳了相关单位及工程部专工的良好建议,在此表示感谢。
五、由于厂家资料的不能保证全面,本规程在编写过程中难免存在问题,存在的问题请相关专业技术人员及时提出并修改。
六、在日常消缺、设备抢修、大小修过程中《检修作业指导书》和《检修工艺规程》共用。
七、本指导书的内容如与上级或部颁标准相抵触时,按上级规定执行。
八、本指导书由大唐清苑热电有限公司生产准备部组织编写并负责解释。
九、本指导书自发布之日起开始执行。
编写:初审:审核:批准:批准日期:目次1.范围 (1)2.本指导书涉及的资料和图纸 (1)3.安全措施 (1)4.备品备件清单 (2)5.现场准备及工具 (2)5.1现场准备 (2)5.2工作准备 (3)5.2.1设备修前状况分析 (4)5.2.2技术交底 (5)6.检修工序及质量标准 (6)7.找正数据记录 (16)8.不符合项通知单 (17)9.完工报告单 (18)10.质量签证单 (20)1.范围本指导书适用于大唐清苑热电有限公司1、2号机组湿法烟气脱硫系统700DT-A90型浆液循环泵检修工作。
2.本指导书涉及的资料和图纸☐700DT-A90浆液循环泵说明书☐700DT-A90浆液循环泵结构图☐《电业安全工作规程(热力及机械部分)》3.安全措施☐施工前认真做好危险点、危险源分析。
浆液循环泵检修⼯艺浆液循环泵浆液循环泵主要作为湿法FGD装置中吸收塔循环⽤泵,其特点是⼤流量、低扬程、⾼效率。
并根据吸收塔循环⼯况选配合适材质,优化设计结构,使之能始终处于⾼效、经济的运⾏状态。
我⼚每台机组选⽤三台浆液循环泵。
1技术参数2结构、功能说明浆液循环泵为单级单吸卧式离⼼泵,由泵头部分与托架部分组成。
2.1泵头部分泵头部分主要由泵体、泵盖、后护板、叶轮、接合板、前护套、后护套、吸⼊盖及机械密封等零部件组成。
其中泵体、泵盖、接合板采⽤球墨铸铁材料;叶轮、吸⼊盖为A49双相不锈钢⽩⼝铁,适于输送含⾼浓度氯离⼦介质;前护套、后护套、后护板均为天然橡胶,既耐腐⼜耐磨;机械密封可在⽆冲洗⽔情况下可靠⼯作;叶轮拆卸环的作⽤可使叶轮轻易拆下;各密封垫均由合适材料制成,适合磨蚀腐蚀⼯况要求。
叶轮在泵腔中的位置可通过调节轴承组件下部的螺栓来保证,使泵始终处于⾼效运⾏状态。
泵为后拆结构(叶轮也可从前端拆下),泵的出⼝⽅向垂直向上。
从驱动端看泵为顺时针⽅向旋转。
2.2托架部分托架为SBB007系列。
SBB007系列稀油润滑托架从结构上看为轴承体和托架体分开式结构。
从调整⽅式上看为轴承体和轴相对托架体滑动的调整⽅式。
该类型托架泵轴直径⼤、刚性好、悬臂短,在恶劣的⼯况下不会弯曲和振动。
轴承采⽤稀油润滑,改善了轴承⼯作条件,⼤⼤提⾼了轴承的使⽤寿命。
泵端轴承采⽤进⼝双列圆锥滚⼦轴承,驱动端轴承采⽤圆柱滚⼦轴承;两侧轴承与轴都是热装在⼀起的。
轴承体上的冷却筋是⽤来冷却油的,从⽽最终达到轴承散热的⽬的。
采⽤了油浴润滑(轴承的下部浸泡在润滑油⾥⾯)的润滑⽅式。
迷宫套、端盖均有迷宫槽,且端盖上的迷宫槽⼜带有回油槽,防⽌漏油。
轴承体的油室两侧对称布置有两个油标,并且轴承体上装有油尺。
在运⾏时,可根据具体情况从⽐较⽅便的⼀侧观察油位或查看油尺。
油位应位于油标中⼼或到油尺前端斜⾯处。
轴承体设置两个铂热电阻,⽤于监测轴承的运⾏温度。
目录一、概述 (2)二、功能、结构说明 (2)三、装配与拆卸 (5)四、运输 (7)五、安装 (8)六、泵的起动与停车 (9)七、维护保养 (12)八、故障原因及消除办法 (13)九、运转管理 (13)一、概述TLR型脱硫泵主要作为湿法FGD装置中吸收塔循环用泵,其特点是大流量、低扬程、高效率。
并根据吸收塔循环工况选配合适材质,优化设计结构,使之能始终处于高效、经济的运行状态。
型号意义:例如600 X - TL R材料代号脱硫托架型式代号泵出口直径(mm)二、结构、功能说明TLR型脱硫泵为单级单吸卧式离心泵型式,结构见图1:图1、泵结构下面按泵头部分、轴封部分及托架部分分别阐述其结构特点:.1、泵头部分(见图1)泵头部分主要由泵体(13)、泵盖(15)、后护板(6)、叶轮(12)、接合板(10)、前护套(8)、后护套(14)、吸入盖(9)及机械密封(11)等零部件组成。
其中:泵体(13)、泵盖(15)和接合板(10)采用球墨铸铁材料;叶轮(12)、吸入盖(9)为A49双相不锈白口铁,适于输送含高浓度氯离子介质;前护套(8)、后护套(14)、后护板(6)均为天然橡胶,既耐腐又耐磨;机械密封(11)可在无冲洗水情况下可靠工作;叶轮拆卸环(2)的作用可使叶轮轻易拆下;各密封垫(5、7、16、17)均由合适材料制成,适合磨蚀腐蚀工况要求。
叶轮在泵腔中的位置可通过调节轴承组件下部的螺栓来保证,使泵始终处于高效运行状态。
泵为后拆结构(叶轮也可从前端拆下),泵的出口方向垂直向上。
从驱动端看泵为顺时针方向旋转。
2托架部分.型号意义,例如:SBB007-600 B区分标记止口尺寸标准号SBB007系列稀油润滑托架从结构形式上看为轴承体和托架体分开式结构。
从调整方式上看为轴承体和轴相对托架体滑动的调整方式。
结构见图2:图2:托架结构该类型托架泵轴直径大、刚性好、悬臂短,在恶劣的工况下不会弯曲和振动。
轴承采用稀油润滑,改善了轴承工作条件,使轴承运行在较低的温度下,大大提高了轴承的寿命。
浆液循环泵参数表
浆液循环泵是一种广泛应用于化工、水处理、矿山和纸浆制造等领域的泵类设备。
为了更好地了解浆液循环泵的性能和特点,下面是一份浆液循环泵的参数表。
一、基本参数
1. 型号:JY系列浆液循环泵
2. 流量范围:2-1600m³/h
3. 扬程范围:5-180m
4. 接口尺寸:DN50-DN300
5. 工作温度:-15℃-+120℃
6. 工作压力:最高可达2.5MPa
二、性能特点
1. 极高的效率:利用先进的设计理念和优质的材料,可以实现较高的能效标准,避免了能源浪费和资源浪费。
2. 超强的耐腐蚀性:采用多种专业材料制造而成,具有很好的抗腐蚀性,能够在恶劣的环境条件下长期稳定工作。
3. 稳定可靠的运行:采用高质量的轴承和机械密封,具有承载能力强,防尘、抗污染的特性,具有极低的维护成本。
4. 灵活可调的控制系统:具有多种控制方式,例如手动、自动、远程等,具有广泛的应用范围。
三、适用范围
1. 矿山:主要用于输送矿浆和尾矿,稳定可靠,适用于大型矿山和工
矿企业。
2. 纸浆制造:可用于纸浆制造的各个环节,如浆池,淘洗器,浆料输
送等。
3. 化工:广泛应用于化工厂的各种输送介质,如化学品,废水等。
4. 污水处理:可用于城市污水处理厂的各个处理环节,如进水泵站,
出水泵站等。
以上就是浆液循环泵的相关参数表和性能特点,该设备具有极高的效率、超强的耐腐蚀性、稳定可靠的运行以及灵活可调的控制系统等特点。
同时,它还适用于矿山、纸浆制造、化工和污水处理等各个领域。
吸收塔系统工艺规程16.1脱硫吸收塔及其内部件检修16.1.1脱硫吸收塔及其内部件概述吸收塔为圆柱形,尺寸为Φ15.2×31.600m,结构如图所示。
由锅炉引风机来的烟气,经增压风机升压后,从吸收塔中下部进入吸收塔,脱硫除雾后的净烟气从塔顶侧向离开吸收塔。
塔的下部为浆液池,设四个侧进式搅拌器。
氧化空气由四根矛式喷射管送至浆池的下部,四根矛状管中三根的出口都非常靠近搅拌器,将吹入池中的氧化空气由搅拌器打碎成小气泡以增加传质面积。
烟气进口上方的吸收塔中上部区域为喷淋区,喷淋区的下部设置一合金托盘,托盘上方设三个喷淋层,喷淋层上方为二级串联的除雾器。
塔身共设六层钢平台,每个喷淋层、托盘及每级除雾器各设一个钢平台,钢平台附近及靠近地面处共设六个人孔门。
图41烟气出口2除雾器3喷淋层4喷淋区5冷却区6浆液循环泵7氧化空气管8搅拌器9浆液池10烟气进口11喷淋管12除雾器清洗喷嘴13碳化硅空心锥喷嘴吸收塔包括一个托盘,三层喷淋装置以及两级除雾器和除雾器冲洗水系统。
16.1.2吸收塔本体及其内部件规范吸收塔本体规范16.1.3吸收塔检修项目、工艺方法及质量标准16.1.4吸收塔检修后验收16.2吸收塔附属设备检修16.2.1吸收塔附属设备概述吸收塔浆液循环泵安装在吸收塔旁,用于吸收塔内石膏浆液的再循环。
采用单流和单级卧式离心泵,包括泵壳、叶轮、轴、导轴承、出口弯头、底板、进口、密封盒、轴封、基础框架、地脚螺栓、机械密封和所有的管道、阀门及就地仪表和电机。
工作原理是叶轮高速旋转时产生的离心力使流体获得能量,即流体通过叶轮后,压能和动能都能得到提高,从而能够将吸收塔浆液提升到相应层的喷嘴并以一定的压力经过喷嘴喷下和烟气进行化学反应。
同时在泵的入口形成负压,使流体能够被不断吸入。
图5 浆液循环泵结构简图1叶轮2入口3前护板4蜗壳5后护板6机械密封7托架8轴浆液循环系统采用单元制,每个喷淋层配一台浆液循环泵,每台吸收塔配三台浆液循环泵。
石灰浆液循环管道图
1.循环泵入口增加DN50排空管道及排空阀
2.循环泵出口增加DN200软连接,在大小头位置增加清洗水管DN50及DN50电动蝶阀和
DN25压力表接管及压力表
3.循环泵出口管道更改,在两个泵中间位置合并,同时出口DN250手动蝶阀位置更改
4.循环泵管道总管沿烟道上方敷设,在1号塔位置引出DN150分管接入1号塔自激室,总
管在引出2号塔的分管后增加一弯头、大小头DN250-DN150,通过大小头连接DN150的管道进入3号塔自激室
5.总管在2号塔位置引出DN150分管,依次安装手动蝶阀、电磁流量计、电动蝶阀、手
动蝶阀,然后再分叉进入自激室两边管道
6.总管在2号塔位置引出备用分管,DN150,此管道上仅增加一个手动蝶阀,并入2号塔
分管。
浆液循环泵启动步骤
《浆液循环泵启动步骤》
浆液循环泵是工业生产中常用的一种泵,用于抽送浆液、混合浆液和循环浆液等工艺流体。
为了保证浆液循环泵正常运行,合理的启动步骤是非常重要的。
首先,准备工作。
在启动浆液循环泵之前,需要检查泵的外观是否有异常,检查泵的密封部位是否完好,并确认相关的管路连接是否牢固。
同时,还需检查泵的电机是否处于良好的工作状态。
其次,检查液位。
在启动浆液循环泵之前,需要检查液位高度,确保泵能正常吸入浆液。
如果液位过低,需要调整液位或增加浆液供给量,以确保泵在启动后能够正常运行。
然后,启动泵。
在确认泵的准备工作和液位调整都已经完成后,可以启动泵。
启动步骤通常遵循以下几个操作:首先,打开泵进口的阀门,将泵连同进口管道充满浆液;然后,启动电机,使泵开始旋转;接着,观察泵的工作状况,确保泵能正常运行以及泵的流量和压力符合要求;最后,调节出口阀门,使泵的出口流量和压力达到工艺要求。
最后,监控运行。
在启动浆液循环泵后,需要持续监控泵的运行状况,观察泵的温度、振动和噪音等参数是否正常,以及泵的流量和压力是否稳定。
如果发现泵出现异常情况,应及时停机检修,避免造成运行故障。
总而言之,浆液循环泵的启动步骤至关重要,直接关系到泵的运行效率和安全性。
通过合理的准备、液位调整、启动操作和运行监控,可以确保浆液循环泵能够正常启动并稳定运行,提高工业生产效率。
吸取塔系统工艺规程16.1脱硫吸取塔及其内部件检修16.1.1脱硫吸取塔及其内部件概述吸取塔为圆柱形,尺寸为Φ152.×31.600m,构造如以下图。
由锅炉引风机来的烟气,经增压风机升压后,从吸取塔中下部进入吸取塔,脱硫除雾后的净烟气从塔顶侧向离开吸取塔。
塔的下部为浆液池,设四个侧进式搅拌器。
氧化空气由四根矛式喷射管送至浆池的下部,四根矛状管中三根的出口都格外靠近搅拌器,将吹入池中的氧化空气由搅拌器打碎成小气泡以增加传质面积。
烟气进口上方的吸取塔中上部区域为喷淋区,喷淋区的下部设置一合金托盘,托盘上方设三个喷淋层,喷淋层上方为二级串联的除雾器。
塔身共设六层钢平台,每个喷淋层、托盘及每级除雾器各设一个钢平台,钢平台四周及靠近地面处共设六个人孔门。
图41 烟气出口2 除雾器3 喷淋层4 喷淋区5 冷却区6 浆液循环泵7 氧化空气管8 搅拌器9 浆液池10 烟气进口11 喷淋管12 除雾器清洗喷嘴13 碳化硅空心锥喷嘴吸取塔包括一个托盘,三层喷淋装置以及两级除雾器和除雾器冲洗水系统。
16.1.2吸取塔本体及其内部件标准吸取塔本体标准序号1工程吸取塔形式数据喷淋塔备注2吸取塔内径15.2m3吸取塔高度31.600m 内高4材质碳钢衬胶5吸取塔各孔洞参数数量口径标高 mm 法兰标准5.1 吸取塔冲洗门 1 200×400 200 5.2 吸取塔排净口 2 DN200 500 D-GD86-0507 PN1.6 5.3 仪表液位计口 3 DN80 700 D-GD86-0507 PN1.6 5.4 吸取塔石膏排出泵入口2 DN150 1000 D-GD86-0507 PN1.65.5 人孔 1 DIA1300 1700 5.6 搅拌器口 4 DN600 1800 DIN2501 PN10 5.7 搅拌器冲洗水口 4 2″ 1310 150LBS ,ANSI B16.5 5.8 吸取塔浆液循环泵入口 3 DN1200 2023 D-GD86-0505 PN1.0 5.9氧化空气管入口3 5″4430150LBS ,ANSI B16.5吸取塔烟气入口膨胀节排5.10 1 DN1508300D-GD86-0507 PN1.65.11水回塔界面吸取塔烟气出口膨胀节排1DN1508300D-GD86-0507 PN1.6D-GD86-0507 PN1.6D-GD86-0507 PN1.6 HG20593-97 PN1.6 D-GD86-0507 PN1.6 D-GD86-0507 PN1.6 D-GD86-0507 PN1.6 D-GD86-0507 PN1.6 法兰标准D-GD86-0507PN1.6 D-GD86-0507PN1.6 D-GD86-0507PN1.6ASMEB16.47A CLASS 150LB ASMEB16.47A CLASS 150LB ASMEB16.47A CLASS 150LB 150LBS ,ANSI B16.5 150LBS ,ANSI B 16.5 150LBS ,ANSIB16.55.12 水回塔界面 备用口1DN15083005.13 吸取塔浆液溢流口 1 300×600 11480 5.14石灰石浆液入口2 DN65 12500 5.15 吸取塔事故浆液池回水口 1 DN150 12500 5.16 吸取塔石膏排出泵回流口 1 DN100 13000 5.17 吸取塔排水坑回水口 1 DN100 13000 5.18 石膏溢流缓冲箱回水口1 DN80 13000 5吸取塔个孔洞参数数量口径标高 mm5.19滤液水入口 1 DN100 13000 5.20备用口 1 DN100 13000 5.21备用口 1 DN100147705.22 人孔1 610×920 19100 5.23 吸取塔浆液循环喷淋口2 DN1100 20555 5.24吸取塔浆液循环喷淋口2 DN1100 22355 5.25吸取塔浆液循环喷淋口2 DN1100 24155 5.26一级除雾器下部冲洗口7 8″ 25460 5.27一级除雾器上部冲洗口7 8″ 27060 5.28二级除雾器下部冲洗口 7 8″274605.29 人孔 1 920×920 21500 5.30人孔1920×920 24793D-GD86-0507PN1.6 D-GD86-0505PN1.0 D-GD86-0507PN1.65.31 仪表口 1 DN100 24793 5.32 人孔 1 920×920 27060 5.33放空口 1 DN600 29930 5.34仪表口 1 DN100 29930 5.35人孔1920×9202993016.1.3 吸取塔检修工程、工艺方法及质量标准检修工程工艺方法及留意事项 质量标准一、吸取塔内部件检修 除雾器清理,从上级开头往下级清 理,即二级 ME 上部→二级ME 下部 →一级ME 上部→一级ME 下部 检查除雾器有无损坏,是否齐全损坏的除雾器予以更换, 检查除雾器位置是否平稳地放置 在各支持梁上,假设有个别除雾器有位移,要将其牢靠地搁置在支持梁上。
文件编号:XX工程浆液循环泵技术规范书发包方:承包方:2017年8月通用部分 (1)1范围 (1)2 总则 (1)3 技术要求 (2)3.1性能要求 (2)3.2设计要求 (2)3.3电气要求 (5)3.4仪表及控制要求 (9)3.5标准 (9)3.6质量文件 (10)3.7技术资料与技术服务 (11)4 设计与供货界限 (13)5 油漆、包装运输与储存 (13)6 培训 (14)专用部分 (15)1 工程概况 (15)2 浆液循环泵设计运行条件 (16)2.1循环浆液介质特性: (16)2.2基本要求 (16)2.4 性能保证值(以下空白处由投标方按每台泵的设计工况填写) (20)3原始设计参数表及设备设计数据表(以下空白处由投标方填写) (21)4供货范围及进度 (28)4.1供货范围 (28)4.2设备及零部件供货说明 (28)4.3 供货清单 (29)4.4进度 (30)5 技术服务和联络 (31)5.1投标方现场技术服务 (31)5.2售后服务 (32)6分包与外购 (32)7 大(部)件情况 (32)8交货 (33)9差异表 (33)1范围本招标书适用XX 工程的浆液循环泵及其配套设备的招标,包括泵本体、支座、密封结构、轴承箱、传动结构、驱动电机及相关的仪控附件。
2 总则2.1本招标书包括浆液循环泵的性能、设计、制造、控制、试验、验收、安装等方面的技术要求。
2.2本招标书所提出的是最低限度的技术要求,并未对一切技术细节作出规定,也未充分引述有关标准和规范的条文。
投标方应保证提供符合规范要求和现行中国或国际通用标准的优质产品。
2.3泵的设计、生产和安装应根据最新有效的规范、标准(ICE、ANSI、ASME、DIN、API、GB)和相关法律规定。
设备的设计与制造应采用相关的工程设计和制造工艺的较高标准,按GB/T 3216离心泵、混流泵、轴流泵和旋涡泵试验方法(或ISO25481973CE离心泵、混流泵、轴流泵验收试验规范)进行试验及验收。
淋浆槽浆液循环泵的作用原理嘿,朋友!咱今天就来唠唠淋浆槽浆液循环泵这玩意儿的作用原理。
你想啊,这浆液循环泵就像是人体里的心脏,一刻不停地工作,为
整个系统输送着“生命的源泉”。
它的作用那可是相当重要!
先来说说它为啥能让浆液循环起来。
就好比一条流动的小河,如果
没有动力推动,水不就静止了吗?浆液循环泵就是那股推动力,让浆
液能在淋浆槽里欢快地流动,不停地运转。
这循环泵工作起来,就像是一个不知疲倦的大力士。
它通过强大的
力量,把浆液从一个地方吸进来,然后再用力地推出去,让浆液在整
个系统中不断地循环。
你再想想,要是没有这浆液循环泵,浆液就像被困在笼子里的小鸟,飞不起来,动不了,那整个淋浆槽的工作不就瘫痪啦?
它能让浆液均匀分布,就像把一把豆子均匀地撒在地上一样。
这样
一来,浆液就能充分发挥作用,提高工作效率。
而且啊,这浆液循环泵还能控制浆液的流速和流量。
流速快了,就
像奔跑的骏马,处理速度就快;流速慢了,就像散步的老牛,处理效
果就更精细。
它还能调节压力呢!压力大了,浆液就能去到更远的地方;压力小了,浆液就在近处活动。
这不就跟我们扔球一样嘛,用力大,球飞得远;用力小,球就飞不远。
所以说啊,这淋浆槽浆液循环泵可真是个了不起的家伙!它默默地工作,为整个淋浆槽系统的正常运行立下了汗马功劳。
没有它,这一切可都没法顺利进行。
怎么样,这下你明白它的作用原理了吧?。
浆液循环水泵单体试运行方案编制:审批:审核:浆液循环泵单体试运行方案1、概述1.1浆液循环泵其技术参数如下:1.2工艺流程图吸收塔浆液循环泵回浆1.3编制依据设备制造厂家随机技术图纸及各种技术文件《压缩机、风机、泵安装施工及验收规范》2、试运行应具备的条件2.1全部设备,管道安装已结束,工艺系统形成2.2电气、仪表安装完毕及各种调试工作已完成,并能正常投入工作2.3冷却水管已正确接完,并保证试车所用水源2.4甲方保证试运行正常用电容量≥630KW3、试运行前的准备工作3.1用手盘动联轴器,转动应灵活无卡涩现象3.2试车前应进行最后一次检查,检查内容包括①检查联轴器的同心度和同轴度②垫铁已点焊,基础已灌浆③轴承和电机是否加油,或油是否够位(油标高¾处)④各部件联接螺栓是否拧紧特别是传动系统部件必须一一拧紧⑤用胶泥固定好温度计(泵和电机各一支)3.3所投入运行的管道冲洗干净3.4制造厂家必须在试车前到现场,检查设备是否正常,确认能否投入运行。
4、试运行4.1电机试运行4.1.1先把联轴器的连接螺栓拆除,使电机能够空载运行。
4.1.2在设备厂家,热电处等确认可进行试运行,一切准备就绪后,点动电机,根据进口所标方向判断转动方向是否正确。
4.1.3如果方向正确,试运行2个小时,注意观察电机温度,电机噪音及电流,并做好记录,如有异常,应立即停机检查,排除故障后再试。
4.2带负荷运行4.2.1把联轴器安装好,按所要求的精度调整好,并一一拧紧螺栓,全开泵前进水阀,打开冷却水进水阀。
4.2.2试运行过程中,应有专人检查轴承和电机的温升情况,轴承的温升不应大于80 ℃。
4.2.3注意观察电机运行的电压、电流、振动、噪音等是否在正常范围内,如有不正常的声音或其它故障时,应立即停车检查,排除故障后再试装。
4.2.4系统试运行2小时。
5.安全措施5.1操作人员严格按技术规范作业5.2试车运转过程,一切作业应服从试车小组负责人的统一安排和指挥。
{技术规范标准}浆液循环泵技术规范书浆液循环泵是一种广泛应用于工业生产中的设备,用于将高浓度和高温度的浆液通过管道输送至不同的工艺装置中。
为了确保浆液循环泵的正常运行和安全可靠性,制定技术规范标准是非常重要的。
一、设备特性1.浆液循环泵应具备适应不同浆液特性和工艺要求的能力,包括浆液浓度、温度、压力和粘度等参数。
2.设备应具备较高的输送能力和压力,以满足工艺装置对浆液的需求。
3.设备结构应设计合理、紧凑,便于安装和维护,同时具备较高的抗腐蚀性和耐磨性。
二、工艺要求1.设备的进口和出口应设置与工艺装置相匹配的法兰连接,以确保泵与管道之间的连接紧密、可靠。
2.设备的密封装置应采用可靠的机械密封或填料密封,确保不发生泄漏。
3.泵的输送能力和压力应满足工艺要求,包括流量、扬程和功率等参数。
三、安全要求1.泵的进出口应设置适当的阀门,以便在需要时进行维修、检修和清洗。
2.设备应配备过载保护装置和温度监测装置,以防止设备因过载或过热而损坏。
3.设备应采取防护措施,防止操作人员因误操作或意外事故而受伤。
四、质量保证和检验1.设备应符合相关的国家和行业标准,如ISO、GB等,且应具备合格证书。
2.在设备出厂前,需要进行严格的检验和调试,确保设备的性能和基本参数符合规定要求。
3.设备的交货文件应包括设备技术参数、使用说明书、维修保养手册、备件清单以及质保书等相关文件。
五、维护保养1.设备应定期进行维护保养,包括清洗、润滑、更换耗损部件等。
2.维护保养工作应由经过培训和合格的操作人员进行,确保设备的长期正常运行。
3.维护保养记录应做好归档,以便日后查询和分析设备的维护情况。
六、环保要求1.设备应符合国家和地方环保法律法规的要求,严禁污染环境。
2.设备在运行过程中应减少噪音和振动,以减少对周边环境和人员的影响。
综上所述,浆液循环泵技术规范书对于保证设备的正常运行和安全使用具有重要作用。
制定合理的技术规范标准,可以使设备具备适应不同工艺要求和生产环境的能力,提高设备的运行效率和可靠性,降低设备的故障率和维修成本。
浆液循环泵汽蚀现象及原因咱今儿个来唠唠浆液循环泵汽蚀现象及原因,这可是个挺重要的事儿呢。
你知道吗?浆液循环泵要是出现汽蚀现象,就像人得了一场重病似的。
汽蚀的时候啊,泵里面就像突然闯进了一群小恶魔,把原本好好的运行状态搅得乱七八糟。
那声音听起来就特别怪异,就好像一个健康的人突然开始咳嗽、喘气困难一样。
这汽蚀到底是咋回事儿呢?这就好比水在锅里煮开了,咕噜咕噜冒泡,不过在泵里可就不是这么简单的事儿了。
一个原因呢,是泵的安装高度不合适。
要是安装得太高了,就像是让一个人去够够不着的东西,液体在泵入口处的压力就不够了。
这就像人缺氧一样,液体里的部分就开始汽化,形成那些小气泡,这些小气泡就像调皮的小鬼,在泵里到处乱窜。
还有啊,液体的温度也是个关键因素。
如果液体温度太高了,就像天气太热人会变得懒洋洋的一样,液体里的分子就开始不安分起来,更容易汽化。
这时候啊,汽蚀就更容易发生了。
你说这是不是有点像人在高温下干活儿,没一会儿就累得不行了呢?泵的进口管路也有说法。
要是进口管路设计得不合理,比如说管径太小或者管路太长、弯头太多。
这就好比一个人要通过一条又窄又弯弯曲曲的小道去某个地方,走得磕磕绊绊的。
液体在里面流动就不顺畅,压力损失就大了,到了泵入口的时候压力就低了,汽蚀就跟着来了。
再说说浆液的特性。
如果浆液里面有杂质,那可就麻烦了。
这就像在一锅粥里放了好多沙子一样,那些杂质会影响液体的流动特性。
杂质可能会堵塞一些地方,让液体流动起来更费劲,就容易造成局部压力降低,然后汽蚀就冒头了。
而且啊,泵的转速也不能忽视。
转速太快的时候,就像是让一个人快速奔跑,他可能就会气喘吁吁、力不从心。
泵也是一样,高转速下,液体在泵里的流动状态变得很复杂,压力变化也大,汽蚀的可能性就大大增加了。
汽蚀对浆液循环泵的危害可不小呢。
就像害虫会慢慢侵蚀庄稼一样,汽蚀会逐渐破坏泵的叶轮、泵壳等部件。
叶轮被汽蚀得坑坑洼洼的,就像人的脸被划了好多道口子,不仅影响美观,更影响泵的性能啊。
XA-作-元宝山-04-2006元宝山电厂4#机组烟气脱硫工程浆液循环泵安装工程作业指导书编制:审核:审批:武汉凯迪电力环保有限公司湖南省工业设备安装公司2006-10-18目录1 工程概况 (3)1.1 工程概况 (3)1.2 工作量和工期 (3)2 编制依据 (4)3 作业前的准备和条件 (4)3.1 技术准备 (4)3.2 作业人员配置、资格 (4)4 作业程序和方法 (6)4.1 施工方案 (6)4.2 施工工艺流程 (6)4.3 施工方法及要求 (6)4.3.1 基础检查、划线及垫铁配制 (6)4.3.1.1垫铁规格及组数 (7)5 泵的安装(地脚螺栓水泥灌浆法) (7)6 作业的安全要求和环境条件 (8)6.1 安全注意事项 (8)浆液循环泵安装作业指导书1 工程概况1.1 工程概况元宝山电厂烟气脱硫工程设置有3台浆液循环泵。
循环泵的主要部件:电机:9.2t冷却器:1.75t离心泵:9.5t机座:3t1.2 工作量和工期工作量:循环泵本体及附属设备。
工期:计划工期10天。
施工进度计划:10月17日-10月18日:基础画线及垫铁配置、标高、中心测量10月18日-10月23日:机座、电机、泵吊装,就位找正、二次灌浆10月24日-10月25日:附属设备安装10月26日-10月27日:精找及二次灌浆抹面2 编制依据序号资料名称编号备注1 《电力建设安全操作规程》(火力发电厂部分)DL 5009.1-20022 《电力建设施工及验收技术规范》(锅炉机组篇)DL/T 5047-963 《电力建设施工、验收及质量验评标准》(锅炉机组篇)96年版4 《浆液循环泵安装说明书》5 元宝山电厂烟气脱硫工程《施工组织设计》6 循环泵安装图纸3 作业前的准备和条件3.1 技术准备3.1.1施工图纸齐全,且完成对与浆液循环泵系统安装有关图纸的会审,编写有针对性的作业指导书。
3.1.2对施工人员进行技术交底。
3.1.3设备基础已进行工序交接。
3.2 作业人员配置、资格作业人员配置及资格序号工种人数资格要求资质1 技术员1掌握本项目施工图纸,领会设计思想,掌握施工工艺,熟悉施工技术及规范。
技术员以上2 班组长1熟悉本项目施工的工艺流程,能有效的组织好施工人员按照作业指导书的要求施工,熟悉施工技术及规范。
高级工3 钳工 3 熟悉掌握本项目的安装技术、工艺,知道施工质量、安全要求。
中、初级工4 焊工 2 熟悉焊接工艺及相关要求。
持证5 起重工2熟悉掌握吊装技术、要求,了解施工区域的特点,具有设备吊装的施工经验。
持证6 辅工 5 有过相关施工经验。
3.3 作业工机具施工作业工机具统计表序号名称规格单位数量备注1 逆变电焊机台 1 经检验合格2 磨光机台 2 经检验合格3 倒链5t 个 2 经检验合格4 倒链2t 个 4 经检验合格5 盘尺30m 个 1 经检验合格6 钢板尺2m 个 1 经检验合格7 铁水平400mm 个 1 经检验合格8 框式水平仪L=250\0.02 台 1 经检验合格9 水平仪台 1 经检验合格10 百分表及表架0.01mm 台 3 经检验合格11 汽车吊50t 台 112 低架运输车25t 台 13.4安全器具施工安全用具统计表序号名称规格单位数量备注1 安全带条10 经检验合格2 安全绳条 4 经检验合格3 工具袋个4 经检验合格4 耳塞个 4 经检验合格5 防护镜个 4 经检验合格4 作业程序和方法4.1 施工方案用平板车将浆液循环泵的部件拖运至安装地点,然后用已安装好的10t电动葫芦将其就位。
由于电机是个整体,重量将近12t,所以必须将电机的冷却器拆卸,分别吊装。
3台浆液泵电机的功率不一样,扬程越高,功率越大,靠近南侧的电机功率是1120kw,往北依次是1000kw,和900kw。
吊装的时候,先吊900kw的部件。
4.2 施工工艺流程施工前的准备→基础检查、划线、垫铁配制→机座安装→泵安装→电机安装→二次灌浆→精找及联轴器校准→二次抹面4.3 施工方法及要求4.3.1 基础检查、划线及垫铁配制(1)对基础的外观、位置及外形尺寸进行检查,清理基础表面及地脚螺栓孔内的杂物和油污。
(2)依据图纸进行基础划线。
用经纬仪划出泵纵横中心线。
(3)依据纵横中心线,划出电动机、泵基础中心线,并校核地脚螺栓孔位置和基础标高,将各中心线引到基础垂直面上并做出标记。
(4)垫铁配制在中心线划出后,根据各地脚螺栓孔中心线确定垫铁位置,将基础用刨锤凿基础麻面,将水泥和垫铁安装到位,保证垫铁纵横水平。
在配制垫铁时使用水平仪测定垫铁上平面标高。
使各部垫铁上平面标高达到图纸要求。
质量标准及要求:纵横中心线偏差:±10mm中心线距离偏差:± 3mm地脚螺栓孔偏差:±10mm标高偏差:± 5mm平面度:± 2mm/m垫铁配制要求:每组垫铁数量不超过3块,布置在地脚螺栓两侧,安装时厚的放在最下面,薄的放在上面,最薄的放中间。
4.3.1.1垫铁规格及组数根据《电力建设施工及验收技术规范》中附录K关于垫铁组面积的计算公式:(整个浆液循环泵重量为24t)A=C*106(Q1+Q2)/RC取2Q1=2.4* 105NQ2=3.14*12*12*180*12=9.77*105NR=2.5*107Pa可得A=9.74*104mm2共有24组垫铁,每组面积4059mm2可以采用250*100的垫铁,每台需要24组垫铁,垫铁应放置在机座的机框的中心筋上。
5 泵的安装(地脚螺栓水泥灌浆法)(1)地脚螺栓孔是根据泵的尺寸在浇注框架内预留的,推荐的孔中心偏差为±10mm。
(2)把地脚螺栓穿进底板孔中,在上面和和下面各上一紧固螺母。
在泵的底板下垫置垫铁,保证底板高度至少为50mm,螺栓埋入深度按图说明。
用泵的出口法兰从纵横两个方向粗调泵的水平。
(3)将预先安装好的泵及底座抬起放到安装砌块上,水泥基础与底座下边之间距离至少是50mm(2in),然后装上地脚螺栓插进预留孔中,调整好泵在纵向与横向的位置。
(4)第一次灌浆(地脚螺栓孔),灌浆时注意不得碰动设备,地脚螺栓在基础孔中竖直放置。
(5)水泥完全固化后,用地脚螺栓上、下螺母精调泵的水平度。
从纵横两个方向检查直到设备处于水平状态和正确的高度。
(6)第二次灌浆,灌至底板上表面,固化后上紧螺母。
(7)安装电机和联轴器。
安装时注意检查泵的轴线是否与电机孔中心线对齐,并保证合适的联轴器间隙,这样在不拆电机的情况下就可移去联轴器。
(8)检查并设置叶轮的间隙,测量叶轮与进口防磨板之间的距离调整为0.3-0.5mm之间。
(9)联轴器的安装和校准。
用斜面钢直尺检查,用于联轴器外环的钢直尺必须具有相同的间隙。
两个耦合法兰之间的轴向距离用塞尺测量。
6 作业的安全要求和环境条件6.1 安全注意事项6.1.1电机和泵的吊装采用50t吊车吊装,吊装之前,起重指挥检查钢丝绳是否完好无损和吊车的支腿是否牢固可靠。
6.1.2吊装时选用合适的钢丝绳,根据其重量,选用相匹配的钢丝绳。
6.1.3室内只能用10t电动葫芦吊装,专人使用,用完后将电源关闭。
6.1.4电动葫芦操作规程(一)开动前应认真检查设备的机械、电气、钢丝绳、吊钩、限位器等是否完好可靠。
(二)不得超负荷起吊。
起吊时,手不准握在绳索与物件之间。
吊物上升时严防撞顶。
(三)起吊物件时,必须遵守挂钩起重工安全操作规程。
捆扎时应牢固,在物体的尖角缺口处应设衬垫保护。
(四)使用拖挂线电气开关起动,绝缘必须良好。
正确按动电钮,操作时注意站立的位置。
(五)单轨电动葫芦在轨道转弯处或接近轨道尽头时,必须减速运行。
(六)电动葫芦在起吊过程中发生异味,高温应立即停车检查,找出原因,处理后方可继续工作。
(七)电动葫芦钢丝绳在卷筒上要缠绕整齐,当吊钩放在最低位置,卷筒上的钢丝绳应不得少于三圈。
(八)在起吊中,由于故障造成重物下滑时,必须采取紧急措施,向无人处下放重物。
(九)起吊重物必须作到垂直起升,不许斜拉重物,起吊物重量不清的不吊。
(十)在工作完毕后,电动葫芦应停在指定位置,吊钩升起,并切断电源。
6.1.5危险源及控制办法(一)磨光机使用不当控制办法:戴防护镜,遵守操作规程。
(二)重物压、轧伤控制办法:班组工作人员相互提醒,尽量使用电动葫芦提升重物。
(三)电动葫芦吊物伤人控制办法:遵守电动葫芦操作规程。
(四)铁钉、尖刺物伤脚控制办法:将地面清扫干净(五)触电使用好的电源线及插座和插头,维修电工按时检查及维修。
7作业的质量要求7.1质量要求吸收塔循环泵基础划线分段工程质量检验评定表单位工程:烟气脱硫分部工程:二氧化硫吸收系统分项工程:吸收塔循环泵安装炉3.8表工序检验指标性质单位质量标准质量检验记录单项评定合格优良基础画线基础几何尺寸mm ±20中心位置偏差mm ≤20基础混凝土强度≥1.15R标≥0.95基础纵横主中心线偏差±20 ±10 中心线距离偏差mm ±3地脚螺栓孔偏差mm ±10 标高偏差mm ±10 ±5分项工程质量评定本分项工程共检验个指标。
其中:检验“主要”指标个,合格个,合格率%,优良个,优良率%;检验“一般”指标个,合格个,合格率%,优良个,优良率%。
质量等级吸收塔循环泵垫铁、地脚螺栓安装分段工程质量检验评定表单位工程:烟气脱硫分部工程:二氧化硫吸收系统分项工程:吸收塔循环泵安装炉3.9表工序检验指标性质单位质量标准质量检验记录单项评定合格优良垫铁地脚螺栓安装垫铁组面积符合<规范>锅炉篇附录K的计算规定平垫铁几何尺寸长度mm超出机框20宽度60-100斜垫铁几何尺寸斜度1:10~1:20 最薄边厚度mm ≥4长宽尺寸mm 同平垫铁垫铁表面质量平整无毛刺、油污,斜垫铁经机加工垫铁设置放置顺序放置稳固,厚块放下层,薄块放上层最薄块夹中间垫铁块数块≤4层间接触接触严实,用0.1mm塞尺塞入,深度不超过垫铁塞试方向接触长度的20% 放置部位放置位置在设备主要受力台板、基框立筋处或地脚螺栓两侧与基础接触面琢磨平整、接触良好灌前各层垫铁点焊点焊牢固不松动地脚螺栓垂直偏差mm ≤L/100钩(环)头离孔壁距离底端不碰孔壁地脚螺栓、螺母、垫圈安装接触平整良好,螺栓拧紧后外露2-3扣紧地脚螺栓时基础强度≥70%混凝土设计强度锚板活动地脚螺栓安装螺栓上端标明矩形头方向分项工程质量评定本分项工程共检验个指标。
其中:检验“主要”指标个,合格个,合格率%,优良个,优良率%;检验“一般”指标个,合格个,合格率%,优良个,优良率%。
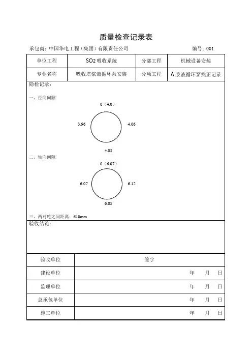
质量等级吸收塔循环泵安装分段工程质量检验评定表单位工程:烟气脱硫分部工程:二氧化硫吸收系统分项工程:吸收塔循环泵安装炉9.8.1表工序检验指标性质单位质量标准质量检验记录单项评定合格优良检查壳体、法兰结合面无裂纹、砂眼、毛刺、损伤,结合面平整,接触严密叶轮、轴承部件无裂纹、毛刺、锈痕叶轮与轴配合符合设备技术文件规定轴弯曲度mm ≤0.05轴承油室无铸砂、杂物、内部干净轴承冷却水系统水压试验主要严密不漏轴承型号与间隙符合设备技术文件规定轴封填料符合设备规定、松紧适当,严密不漏泵壳防磨衬套符合设备规定、固定可靠循环泵安装泵体纵横中心线偏差mm±10轴中心标高偏差±5轴水平度偏差mm/m ≤0.1联轴节中心找正主要符合《验标》炉3.10表的规定分项工程质量评定本分项工程共检验个指标。