塑胶外观检验标准.
- 格式:doc
- 大小:143.50 KB
- 文档页数:4
塑胶件外观检验标准摘要:一、塑胶件外观检验标准概述二、塑胶件常见不良现象及原因三、塑胶件检验流程与方法四、提高塑胶件外观质量的途径正文:一、塑胶件外观检验标准概述塑胶件外观检验标准主要涉及以下几个方面:颜色、表面光滑度、形状和尺寸、结构完整性以及功能符合性。
检验时,需对比产品实物与设计图纸、承认书等资料,确保塑胶件的外观质量满足要求。
二、塑胶件常见不良现象及原因1.异色点:与本身颜色不同的杂点或混入树脂中的杂点暴露在表面上。
2.气丝:由于种种原因,气体在产品表面留下的痕迹与底面颜色不同并发亮,带有流动样。
3.塌坑:由于材料收缩,使产品局部整体表面下陷。
4.熔接痕:由于两条或更多的熔融的塑胶流汇聚,而形成在零件表面的线性痕迹。
5.缺料:由于模具的损坏或其他原因,造成成品有射不饱和缺料情形。
6.白印:由于内应力,在产品表面产生与本色不同的白色痕迹。
三、塑胶件检验流程与方法1.检验前准备:了解产品设计要求、图纸、承认书等资料,熟悉检验标准和方法。
2.实物检验:对比实物与设计要求,检查外观质量,如颜色、表面光滑度、形状和尺寸等。
3.功能检验:根据设计要求,测试产品功能是否符合规定。
4.不良品处理:对不合格产品进行分类、记录,并采取相应处理措施。
5.检验报告:编写检验报告,记录检验结果,包括合格品数量、不良品类型及处理方法等。
四、提高塑胶件外观质量的途径1.优化原材料选择:选择优质树脂和添加剂,确保塑胶件的色泽和表面质量。
2.严格模具设计:合理设计模具结构,降低熔接痕、塌坑等不良现象的发生。
3.完善生产工艺:优化成型条件,如温度、压力、时间等,以提高塑胶件外观质量。
4.加强品质管理:严格执行检验标准,提高检验人员素质,确保产品质量。
5.及时处理不良品:对发现的不良品,要及时分析原因,采取措施予以改进,避免类似问题再次发生。
塑料外观查验标准一、目的 :为规范塑料外观查验标准,保证经IQC 查验之部品切合产质量量要求。
二、职责本标准一定经由培训合格之查验人员履行查验中若有疑问及争吵,须由MQE 主管协调办理。
若出现本标准中未波及的项目,应立刻通知MQE 工程师改正或解说本标准。
三、参照文件GSM FQA 外观查验标准DBTEL 电池板外观查验标准客户要求的有关文件四、缺点定义点 (含杂质 ):拥有点的形状,丈量时以其最大直径为其尺寸毛边:在塑料部件的边沿或联合线处线性突出(往常为成型不良所致 )银丝:在成型中形成的气体使塑料部件表面褪色(往常为白色 )。
这些气体大多为树脂内的湿气,某些树脂易汲取湿气,所以制造前应加入一道干燥工序气泡:塑料内部的隔绝区使其表面产生圆形的崛起变形:制造中内应力差别或冷却不良惹起的塑料部件变形顶白:成品被顶出模具所造成之泛白及变形﹐往常发生在顶出稍的另一端(母模面 )缺料:因为模具的破坏或其余原由﹐造成成品有射不饱和缺料情况.断印:印刷中因为杂质或其余原由造成印刷字体中的白点等状况。
漏印:印刷内容缺划或缺角或字体断印缺点大于0.3mm,也被以为有漏印。
色差:指实质部品颜色与认可样品颜色或色号比对高出允收值。
同色点:指颜色与部品颜色相靠近的点;反之为异色点。
流水纹:因为成形的原由﹐在浇口处留下的热溶塑料流动的条纹熔接痕:因为两条或更多的熔融的塑料流汇聚,而形成在部件表面的线性印迹装置空隙:除了设计时规定的空隙外,由两部组件装置造成的空隙细碎划伤:无深度的表面擦伤或印迹(往常为手工操作时造成 )硬划伤:硬物或锐器造成部件表面的深度线性伤痕(往常为手工操作时造成 )凹痕缩水:部件表面出现凹陷的印迹或尺寸小于设计尺寸(往常为成型不良所致 )颜色分别:塑料生产中,流动区出现的条状或点状色痕(往常因为加入重生资料惹起 )不行见:指瑕疵直径< 0.03mm 为不行见, LENS 透明区除外 (依每部品资料所制定之检测距离 )碰伤:产品表面或边沿遭硬物撞击而产生的印迹油斑:附着在对象表面的油性液体漏喷:应喷漆之产品表面部份因异样原由此致使油漆没有喷到露出底材之现象修边不良:产品边沿处因人工修边而产生缺口等不规则形状毛屑:散布在喷漆件表面的线型杂质。
塑膠件外觀檢驗標準適用範圍:成品檢驗/IQC進料檢驗制作人:何榮日期:2011.3.29第一章一、目的为规范塑料外观检验标准,确保检验人员检验之部品符合产品质量要求。
二、职责本标准必须由培训合格之检验人员执行。
三、缺陷定义1.点(含杂质):具有点的形状,测量时以其最大直径为其尺寸。
2.毛边:在塑胶零件的边缘或结合线性凹起(通常为成型不良所致)3.银丝:在成型中形成的气体使塑料零件珍面退色(通常为白色)。
这些气体大多为树脂内湿气,某些树脂易吸收湿气,因此制造前应加入一道干燥工序。
4.气泡:塑料内部的隔离区使其表面产生圆形的突起。
5.变形:制造中内应力差异或冷却不良引起的塑料零件变形。
6.顶白:成品被顶出模具所造成之泛白及变形,通常发生在顶出稍的另一端(母模面)。
7.缺料:由于模具损坏或其他原因,造成成品有射不饱的缺陷情形。
8.断印:印刷中由于杂质或其它原因造成印刷字体中的白点等情况。
9.漏印:印刷内容缺划或缺角或字体断印缺陷大于0.3MM,也被认为有漏印。
10.色差:指实际部品颜色与承认样品颜色和色号比对超出允收值。
11.同色点:指颜色与部品颜色相接近的点:反之为异色点。
12.流水纹:由于成型原因,在浇口处留下的热溶塑料流动的条纹。
13.炽【熔接痕:由于两条或更多的熔融的塑胶流汇聚,而形成在零件表面的线性痕迹。
14.装配缝隙:除了设计时规定的缝隙外,由两部组件装配造成的缝隙。
15.细碎划伤:无深度的表面擦伤或痕迹(通常为手工操用时造成)16.硬划伤:硬物或锐器造成零件表面的深度线性伤痕(通常为手工操用时造成)。
17.凹痕缩水:零件表面出现凹陷的痕迹或尺寸小于设计尺寸(通常为成型不良所致)。
18.颜色分离:塑料生产中,流动区出现的条状或点状色痕(通常由于加入再次村料引起的)19.不可见:指瑕疵直径<0.03MM为不可见,LENS透明区除外(依每部品材料所订定之检测距离)。
20.碰伤:产品表面或边缘遭硬物撞击而产生的痕迹。
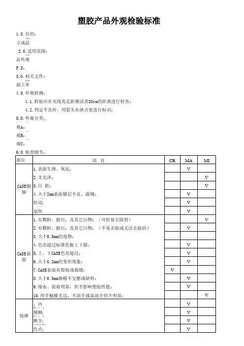
塑胶件外观质量检验标准一、目的:为检验过程中对产品可见表面质量有一个统一的判断依据。
二、适用范围:适用我司所有的塑胶件在进货检验、过程检验及成品检验之用。
三、塑胶表面分类:3.1检查面-指产品能看见的表面,它包括正面、侧面和底面三个表面。
3.2正面-指在最经常能被看到的主面。
3.3侧面-指要在某种方向的视线才能看到的表面。
3.4底面-指很少被见到或要在拆装时才能见到的表面。
(如图所示):四、缺陷释解:是指加工成型后的零件,存在某种不良现象和问题点。
它分别包括致命、严重和轻微三种不同程度的不良现象。
4.1致命缺陷(CRI ):是指引起顾客退货、抱怨及在过程中会出现危害和涉及人身安全的缺点。
4.2严重缺陷(MAJ ):是指对产品的使用性能有影响或降低其使用性能缺点。
4.3轻微缺陷(MIN ):是指对产品的使用功能无影响的缺点。
五、检查条件:ABBBCBA :正面B :侧面C :底面或内面5.1检查的环境5.1.1环境光亮度应在600-1000LUX的光线,且光源应高于检查者的头部。
5.1.2环境四周不能有反光面。
5.1.3人眼与被测的零件的距离应保证在40cm,且与检测零件的角度为45°,(如图所示)5.3接受标准:见6.1表格所示40CM455.4检查范围时间如下:检测面正面侧面底面时间10秒5秒5秒六、缺陷判定标准:以下判定标准只用于正面检查,而侧面检查缺陷大小及数目在正面的基础上×2。
对于底面的检查缺点大小及数目在正面的基础上×3,夹水纹及变形除外。
对不影响装配的底面不作严格要求。
检查判定中“接受”代表此缺点状态可接受;检查判定中“严重(MA)”代表此缺陷状态按AQL1.0来检验判定;检查判定中“轻微(MI)”代表此缺陷状态按AQL4.0来检验判定。
6.1塑胶件外观检查标准如下表:项目缺陷名称缺点状态检查工检查判定具01 顶白顶白允许数目≤1处,直径≤0.7mm可接受,顶白数有2-3处,直径在0.7-1.0mm间,间距在0-100mm判MI超出以上要求则判为MA目视平尺测量接受(AC)轻微(MI)严重(MA)02 颜色不符合样板或规格要求与样板规格相符但颜色有偏差目视样板对比严重(MA)轻微(MI)03 拉伤/拉白允许数目≤1处,长度<2mm,宽度<0.5mm可接受,拉伤/拉白数有2-3处,长度在2.0-4.0mm间,宽度在0.5-1mm间判MI超出以上要求则判为MA目视平尺测量接受(AC)轻微(MI)严重(MA)04 料花允许数目≤1处,长度<1mm,宽度<0.5mm可接受。
塑胶件外观检验标准塑胶件的外观检验标准通常根据具体的产品和行业来确定,以下是一些可能适用的一般性标准和考虑因素:1. 色泽:* 颜色一致性:检查塑胶件的颜色是否与规定的标准一致。
* 色差:使用色差仪等设备测量色差,确保在可接受范围内。
2. 表面质量:* 气泡和孔隙:检查表面是否有气泡、孔隙或其他缺陷。
* 流痕和熔接线:检查塑胶件表面是否有流痕或熔接线,这可能是注塑过程中的痕迹。
* 瑕疵和斑点:检查表面是否有明显的瑕疵或斑点。
3. 尺寸和形状:* 尺寸一致性:检查塑胶件的尺寸是否符合设计要求。
* 形状偏差:检查塑胶件的形状是否在允许的范围内。
4. 标志和标签:* 标志一致性:如果有印刷或标志,确保其清晰、准确。
* 标签附着:检查标签是否正确附着在塑胶件上。
5. 外观一致性:* 表面光泽:检查表面光泽是否一致。
* 图案一致性:如果有图案或纹理,确保一致性。
6. 注塑瑕疵:* 短射、翻模等:检查是否有短射、翻模、异物等注塑过程引起的缺陷。
7. 耐用性和稳定性:* 耐候性:如果塑胶件暴露在外部环境,检查其耐候性。
* 稳定性:确保塑胶件在各种条件下保持稳定性,例如温度变化、湿度等。
8. 检测设备:* 使用合适的检测设备:如显微镜、光学仪器、色差仪等,确保检验的准确性。
9. 检验频率:* 确定检验频率:根据生产批次和质量要求确定外观检验的频率。
10. 记录和报告:* 记录检验结果:记录每次检验的结果,包括任何不合格项。
* 报告:生成外观检验报告,明确说明合格和不合格项。
请注意,具体的外观检验标准可能会因行业、产品类型和制造过程的不同而有所变化。
建议参考相关的国际、行业或公司标准以确保符合特定要求。
塑胶件外观检验标准塑胶件是一种广泛应用于各个行业的材料,其外观质量是评判产品品质的重要指标之一。
为了确保塑胶件的外观符合要求,制定一套严格的外观检验标准是必要的。
本文将介绍塑胶件外观检验的标准和相关要点。
一、外观缺陷分类首先,我们需要对塑胶件的外观缺陷进行分类。
主要的外观缺陷包括以下几类:1. 表面缺陷:表面光洁度不佳、气泡、气孔、毛刺等。
2. 几何尺寸缺陷:尺寸不准确、嵌注痕迹、异物粒子等。
3. 颜色缺陷:颜色不均匀、色差过大等。
4. 拼接缺陷:拼接处不牢固、存在接缝、开裂等。
二、外观检验标准针对上述分类的外观缺陷,我们需要制定相应的检验标准。
以下是常用的塑胶件外观检验标准:1. 表面缺陷检验标准:检查表面光洁度、气泡和毛刺等缺陷。
根据产品的特性和使用环境,可以制定相应的允许范围和级别。
2. 尺寸缺陷检验标准:测量塑胶件的尺寸,并与设计图纸进行对比。
对于关键尺寸,需严格控制误差范围。
3. 颜色缺陷检验标准:根据产品要求的颜色标准,使用色差仪或人眼对塑胶件的颜色进行检验。
将颜色差异控制在可接受范围内。
4. 拼接缺陷检验标准:通过物理测试或加工试验验证拼接处的强度和牢固性。
确保拼接处无开裂或接缝现象。
三、外观检验方法外观检验应根据不同的缺陷类型采用相应的检验方法,以下是常用的外观检验方法:1. 目测检验:使用肉眼对塑胶件的外观进行检查。
此方法适用于表面缺陷和颜色缺陷的检验。
2. 借助工具:如放大镜、显微镜等,对细小的缺陷进行观察和测量。
适用于尺寸缺陷和拼接缺陷的检验。
3. 物理测试:应用拉力测试机、冲击试验机等设备对拼接处进行力学性能测试,以验证其牢固性。
四、外观检验记录与评估在外观检验过程中,需要记录检验结果并进行评估。
以下是相关要点:1. 检验记录:记录每个样品的检验时间、检验人员、缺陷类型和数量等信息。
确保有准确的记录可供参考。
2. 缺陷评估:根据标准要求,对检出的缺陷进行评估和分类。
将其分为轻微缺陷、一般缺陷和严重缺陷等级。
一、目旳1.为规范操作,以便IQC检料有据可依,物料检查有原则参照所制定。
.二、范畴合用于我司所有旳数码产品来料、成品旳检查。
三、职责1、IQC员对来料进行检查、鉴定、标记、记录。
2、IQC组长对异常状况旳鉴定、分析、反馈。
3、品质主管、IQC组长、QC组长对不良品旳鉴定、分析、协同采购规定供应商改善,提高产品品质。
四、抽样计划按GB2828-计数抽样程序及抽样表,外观抽样根据MIL-STD-105E 一般Ⅱ级随机抽样AQL :CR=0MAJOR: 0.4MINOR: 1.0五、规范内容:5.1缺陷分类5.1.1严重缺陷(CRITICAC 简为CR)会导致使用人员或财产受到伤害、违背法律法规、产品完全失去应有能力,会严重伤害到公司旳信誉.属安全面旳缺陷。
5.1.2重要缺陷(MAJOR 简为MA)产品失去商品价值或功能不全,及外观不良严重影响使用者感受,及也许导至客户退货或投诉;5.1.3次要缺陷(MINOR 简为MI)不会减少产品旳使用效果、只是存在外观方面旳轻微缺陷。
.5.2检查条件及参数5.2.1检查环境:700~900Lux灯光下(二支30W日光灯照明)5.2.2检查角度:机体与水平桌面成45度视角。
5.2.3检查距离:人眼与被检测物业25~35cm,灯与被测物旳距离为0.5~1.5m检查时间:各面目视检查时间约为3秒针5.3外观检查面设定:外观检查面设定为ABCD四个面5.3.1:A面:消费者常常看到旳面,一般为产品旳正面或顶部分5.3.2:B面:一般为产品旳左右两侧面5.3.3:C面:一般为产品旳底部或背部5.3..4:D面:一般为产品旳内部5.4代号H—变形度(mm)W—宽度(mm)S—制件表面积(mm2)ø—缺陷直径(mm)L—长度(mm)D—间距(mm)C面(塑材)L≤5mm , D≥50mm,允收≤2条。
W > 0.10mm 不允收明显手感不良不允收点状缺陷异色点杂点凹点0 .2mm≤ø≤0.25mmD≥30mmA面可允收N≤2(4.3寸机型如下限度原则)目测,菲林尺0 .25mm≤ø≤0.35mm D≥30mmA面不允收B面可允收N≤2C面可允收N≤3检查项目检查内容缺陷定义允收原则检查措施及工具外观其他不良缩水,变形不允收;(注:部份不可抗拒变形,如模具自身因素,具体以产品部签样品为根据)目测脏污①点状可擦拭允收;片状脏污小于材料旳1/5区域,且不良数量低于5%;②不可擦拭,不允收;间隙缝隙≤0.2mm(同根据产品定义)塞规断差同材质(塑材对塑材)≤0.15mm菲林尺不同材质(塑材对五金)≤0.25mm毛屑①同色: L ≤1.0 mm W ≤ 0.05mm②异色,参照点状不良原则卡尺,菲林尺批锋突出部份≤0.15mm 不影响装配或外观破损不允收,边沿破损缺口,可允收≤0.2mm,D≥50mm,N≤2菲林尺其他:以上外观不良现象在D面不影响构造,装配可接受功能5寸及小于5寸下显示屏TP点状不良中央(A见左图)1/4处可允收ø≤0.1mm旳点状不良(亮点,白点)N≤1PCS目视菲林尺B其他:暂无。
塑胶件外观检验判定标准
检验条件: 距离 30cm 时间 10 S 内 光源 :600-800 流明
位 置: 产品与平面呈45°上下左右转动在15°之内
注:个别产品如有独立检验标准或检查法的按独立标准执行。
不良项目
测试工具
缺 陷 说 明
备注
污 点 杂 质 气 泡
目测
黑色:一个异色点>=0.3mm 或同色点>=0.5mm
红、灰、黄及其他浅颜色: 一个异色点>=0.2mm 或同色
点>=0.3mm
指纹/脏污 目测 反光角度可见 裂痕/缺口 目测/卡尺
裂痕,缺口可见
进料口 目测 修剪不平整突出部份>=0.1mm 影响装配或外观
尺寸
投影仪/卡尺
超出图纸规格要求
飞边 目视
可见且影响装配、触摸有锋利感
可见且影响外观 划伤
目测
硬划伤任何角度可见
细碎划伤 长 > 5.0 mm 宽 > 0.1mm
流痕 目测 标准检验条件下可见 缩痕 目测/手感
用手触摸不能有明显缩痕
1级 目测时不能有明显色差及缩痕
2级。
好好学习社区
更多优惠资料下载: 德信诚培训网
塑胶件质量检验规范
(ISO9001-2015)
1.0外观检验标准
缺点类别
检验规范
检验工具
缺点类别
CR MA MI 杂点
A 面:不允许
杂质卡
√ B 面:面积≤0.25mm, 间距>20mm √ C 面:面积≤0.3mm, 间距>80mm
√ 刮伤 A 面:不允许 目视
√ 擦伤磨伤 A 面:不允许
杂质卡
√ B 面:长≤0.2mm,宽≤0.2mm,间距>20mm,不超过两点 √ C 面: 长≤5mm,宽≤0.2mm,间距>80mm,不超过两点
√ 断差 段差不得超过0.10mm ,有明显刮手感不可接收 限度样品 √
顶白拉白
影响机构,组装者
目视 √ A 面:经喷漆可遮盖的轻微顶白(轻微缺点) √ B,C 面:轻微缺点
√ 表面光泽 表面光泽,深浅不均参考限度样品. 限度样品 √ 咬花面 允许轻微缺点或参考限度样品 限度样品 √ 包胶
超出包胶面边缘<0.1 mm
目视 √ 进胶点 处理后不可高出周围平面
目视,手感
√
扭曲变形 限度<1.5mm(以不影响组装为原则)
平台厚薄规 √
色差 相同光源下比对样品,无明显色差,目视不能确定则用色差仪对比色板△Σ<1 目视,色差仪 √ 毛边
边缘上宽度<0.1mm.
手感,目
√。
塑胶件外观检验标准(一)塑胶件外观检验标准引言塑胶件是一种常见的制造材料,广泛应用于各个行业。
外观是塑胶件质量的重要指标之一,对于保证产品质量和提升用户体验至关重要。
本文将介绍塑胶件外观检验的标准和要点,帮助读者更好地进行相关工作。
检验标准1.尺寸和形状:–外观尺寸应符合设计要求,避免存在明显的偏差。
–塑胶件的形状应该光滑、匀称,不应该有明显的变形或扭曲现象。
2.表面质量:–表面应平整无凹凸、无翘曲、无划痕、无气泡等缺陷。
–颜色应均匀,无明显的色差或色斑。
–无杂质,如灰尘、金属颗粒等。
3.装配功能:–如果塑胶件需要进行装配,应能顺利和其他部件进行配合。
–装配后应无明显的松动和摩擦阻力过大等现象。
检验方法1.目视检查:–对塑胶件进行全面、仔细的目视检查,发现问题及时记录。
–检查是否存在尺寸和形状方面的问题,以及表面质量是否符合要求。
2.触感检查:–轻轻触摸塑胶件表面,检查是否存在凹凸不平、翘曲等问题。
–触摸时应注意感受是否有明显的温差或凉爽感,以确保无明显气泡存在。
3.装配试验:–将塑胶件按照设计要求进行装配,检查装配过程中是否存在问题。
–检测装配后的机械性能,如摩擦力、松动度等,确保其符合要求。
结论塑胶件外观检验标准对于保证产品质量和用户体验至关重要。
通过遵循尺寸和形状、表面质量以及装配功能等检验标准,并采取目视检查、触感检查和装配试验等方法,可以有效判断塑胶件的质量是否符合要求。
合格的塑胶件将为各行业提供可靠的解决方案,为用户带来更好的使用体验。
*请注意,以上文本为AI生成,仅供参考。
应根据具体需要进行修改和补充。
塑胶产品外观检验标准塑胶产品作为现代生活中不可或缺的一部分,其外观质量直接关系到产品的美观度和使用寿命。
因此,建立和执行严格的塑胶产品外观检验标准显得尤为重要。
本文将就塑胶产品外观检验标准进行详细介绍,希望对相关行业人士有所帮助。
首先,塑胶产品外观检验标准应包括外观质量的各个方面,比如产品的表面平整度、色泽、气泡、裂纹、瑕疵等。
这些都是影响产品外观质量的重要因素,需要在检验标准中有明确的规定和要求。
在进行外观检验时,应该根据产品的具体要求和用途来确定相应的检验标准,以确保产品的外观质量符合客户的需求和期望。
其次,塑胶产品外观检验标准还应包括检验方法和工艺要求。
检验方法应该科学、合理,并且能够全面、准确地反映产品的外观质量。
同时,还应该对检验过程中可能出现的误差和偏差进行考虑和控制,以确保检验结果的可靠性和准确性。
另外,工艺要求也是塑胶产品外观检验标准中不可或缺的一部分,它直接关系到产品的加工质量和最终外观效果,需要在标准中有明确的规定和要求。
最后,塑胶产品外观检验标准的执行和监督也是至关重要的。
一套好的标准如果不能得到有效的执行和监督,就会失去其应有的意义。
因此,需要建立健全的执行和监督机制,确保检验标准得到有效执行,并及时发现和纠正存在的问题,以提高产品的外观质量和市场竞争力。
综上所述,塑胶产品外观检验标准对于保障产品质量、满足客户需求、提升企业竞争力具有重要意义。
只有建立科学、严格的外观检验标准,并加强执行和监督,才能够有效地提高塑胶产品的外观质量,满足市场需求,赢得客户信赖。
希望相关行业人士能够重视并严格执行塑胶产品外观检验标准,共同推动行业的健康发展。