矿井通风安全质量标准化检查表
- 格式:doc
- 大小:143.00 KB
- 文档页数:53
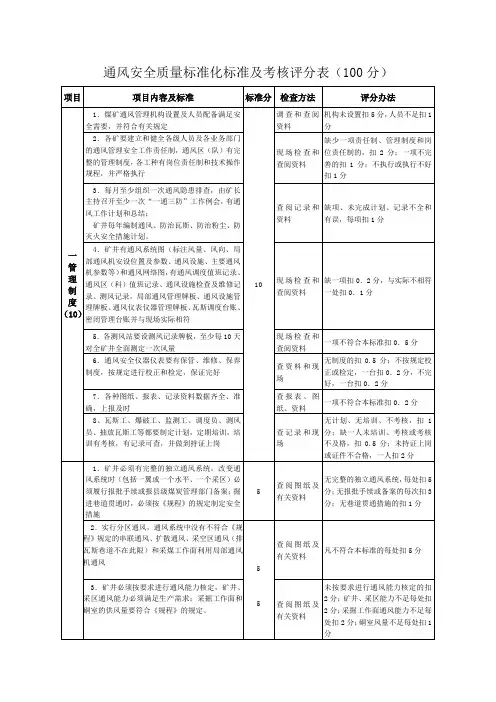
通风安全质量标准化标准及检查评分办法 表1
通风安全质量标准化标准及检查评分办法 表2
通风安全质量标准化标准及检查评分办法 表3
通风安全质量标准化标准及检查评分办法 表4
通风安全质量标准化标准及检查评分办法 表5
通风安全质量标准化标准及检查评分办法 表7
通风安全质量标准化标准及检查评分办法 表8
通风安全质量标准化标准及检查评分办法 表9
通风安全质量标准化标准及检查评分办法 表10
通风安全质量标准化标准及检查评分办法 表11
通风安全质量标准化标准及检查评分办法 表12
通风安全质量标准化标准及检查评分办法 表13
检查人员:。
矿井通风专项安全检查整改落实表单位:赤峰西拉沐沦(集团)公格营子煤业有限公司矿长签字:检查时间:检查内容存在问题整改责任人整改时间1 通风管理制度、各级管理责任制完善齐全。
2 有固定测风点、记录板,有标准、实测数值。
3 有操作规程、责任制;运行记录、交接班记录、检修记录,各记录填写是否规范。
4 主扇值班室电话畅通;配备有灭火器;各种仪表运行正常;配电盘前有绝缘板,值班人员有无串岗、离岗。
5 主扇风机能否在10分钟内进行反风的措施,有无进行每一年至少一次的反风试验,并有记录。
6 风门是否按规定进行关闭,是否有漏风现象。
7 压入式通风,进风口必须安装在新鲜风流处,实现“三专两闭锁”出风口距工作面不得超过10米。
8 局部通风机安装位置能够吸取新鲜风,必须符合设计图纸要求。
通风机必须用支架放置通风机,离地面不能小于0.3米。
9 风筒布挂置不得与线路接触;接头严密不拐死弯,吊挂平直,无弯曲、破口。
10 风门、风墙等其它构筑物无损坏(风门处于闭合状态,风墙无漏风现象),符合规定要求。
11 掘进作业面风速大于0.25米/秒,小于4米/秒。
12 进风流必须保证是新鲜空气,不得使用污风、循环风作为进风流;作业面空气质量CO不得超过24 PPM。
13 采掘工作面的风流中,氧气浓度必须不低于20%,二氧化碳不超过0.5%;温度不超过26℃、一氧化碳不超过0.0024%。
14 按井下同时工作的最多人数计算,每人每分钟供风量不得少于4立方15 矿井必须建立测风制度,每10天进行1次全面测风。
16 改变全矿井通风系统时(包括一翼或一个水平等)应编制通风设计及安全措施,按规定审批;巷道贯通应制定安全技术措施报矿技术负责人审批;17 每半年至少检查1次;每年进行1次反风演习,反风演习计划应按规定审批,反风效果符合《煤矿安全规程》的规定18 新安装的主要通风机投入使用前,要进行1次通风机性能测定和试运转工作,以后每5年至少进行1次性能测定;矿井通风阻力测定符合《煤矿安全规程》相关规定19矿井应按规定进行通风能力核定,不应超通风能力生产;采掘工作面、硐室和其他巷道的供风量符合《煤矿安全规程》的规定20矿井有效风量率不低于85%。
矿井通风安全专项检查表序号检查项目检查内容检查结果(打√)检查情况描述是否无1 通风管理机构、人员、制度措施、地下矿山企业必须设立通风安全管理机构,负责全矿日常通风安全管理与维护工作。
要按要求配备适应工作需要的专职通风技术人员和测风、测尘人员,并定期进行培训。
是否配备一定量的测风、测尘仪表和气体测定分析仪。
采掘设计有无通风安全审核。
要建立健全各级领导、职能机构、岗位人员通风安全生产责任制,以及通风安全生产奖惩制度、通风安全管理制度、隐患排查治理制度和岗位操作规程等各项规章制度。
2通风系统建立和运行矿山必须建立和完善机械通风系统。
正常生产情况下,应根据生产变化及时调整通风系统,并绘制全矿通风系统图。
井下炸药库应有独立的回风道。
井下所有机电硐室都应供给新鲜序号检查项目检查内容检查结果(打√)检查情况描述是否无风流。
主要进风巷和回风巷要经常维护,保持清洁和风流畅通,不应堆放材料和设备。
主进风口与回风口距离合乎标准,入风口无污染,有固定通风测点。
采场、二次破碎巷道和电耙巷道应利用贯穿风流通风或机械通风。
电耙司机应位于风流的上风侧。
井下破碎硐室、主溜井等处的污风应引入回风道。
不能引入回风道的应采取净化措施。
采场形成通风系统前不得投产回采。
主进风风流不得通过采空区和陷落区。
进风、回风巷,应保持畅通,禁止堆放材料、设备。
箕斗井不得兼作风井。
主要回风井巷,禁止用作人行道。
序号检查项目检查内容检查结果(打√)检查情况描述是否无2通风系统建立和运行各采掘工作面之间不得采用不符合标准卫生要求的风流进行中速通风。
采空区必须及时密闭。
通风构筑物(风门、风桥、风窗、挡风墙等)必须由专人负责检查维修,保持完好严密状态。
风桥的构造和使用,必须符合《规程》要求。
主扇必须连续运转。
主扇风量、风压满足生产。
每台主扇必须具有相同型号和规格的备用电动机,并有能迅速调换电动机的设施。
主扇应有使矿井风流在10min内反向的措施,每年至少进行一次反风试验,并测定主要风路和反风后的风量主扇风机房,应设有测量风压、风量、风流、电压和轴承温度等序号检查项目检查内容检查结果(打√)检查情况描述是否无的仪表。