四新安全评审表
- 格式:doc
- 大小:764.50 KB
- 文档页数:2
安全生产评审表表一、基础治理考评检查表二、设备设施考评检查表三、作业环境考评检查表宁波市机械制造企业安全生产标准化达标复评申请表企业名称:行政区域:县(市)区乡镇(街道)日期:200年月日宁波市安全生产监督治理局制二〇〇六年十月宁波市机械制造企业安全生产标准化达标复评申请表附件:宁波市机械制造企业安全生产标准化达标自评汇总表单位:注:汇总表中“考评内容”无此项的,相应记录栏目请填“/”号。
自评得分日期:200 年月日注:单元得分=实得分×应得分÷(应得分-空项分)宁波市机械制造企业安全生产标准化达标复评报告报告编号:NABJ200-行政区域:县(市)区乡镇(街道)单位名称:日期:年月日宁波市安全生产监督治理局制二OO六年十月宁波市机械制造企业安全生产标准化达标复评报告报告编号:NABJ 200 ―共页;第页附件一:宁波市机械制造企业安全生产标准化达标复评汇总表报告编号:NAJB200 -共页;第页报告编号:NABJ 200 ―共页;第页注:汇总表中“考评内容”无此项的,相应记录栏目请填“/”号。
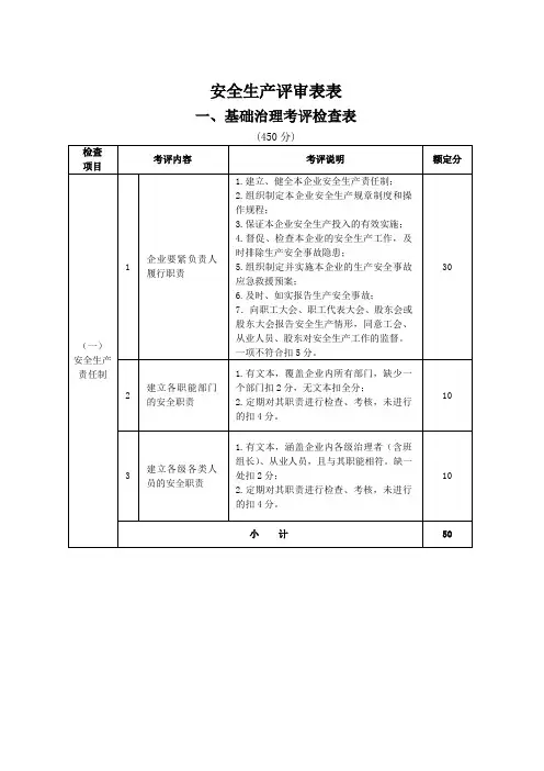
评审得分日期:200 年月日注:单元得分=实得分×应得分÷(应得分-空项分)附件二宁波市机械制造企业安全标准化达标复评问题与建议安全生产标准化达标标准(试行)基础治理部分1 安全生产责任制1.1 企业要紧负责人职责1.1.1 企业安全生产责任制完整;1.1.2 企业安全生产规章制度和操作规程齐全;1.1.3 企业坚持安全生产投入规划与实施;1.1.4 企业坚持督促、检查安全生产工作并及时排除生产安全事故隐患;1.1.5 企业的生产安全事故应急救援预案完整、齐全,定期组织演练实施;1.1.6 企业发生生产安全事故能及时、准确向上级汇报;1.1.7 企业定期向职工大会、职工代表大会、股东会或股东大会报告安全生产情形,同意工会、从业人员、股东对安全生产工作的监督。
1.2 建立各职能部门的安全职责同时定期进行检查考核。
安全生产标准化评审表安全生产标准化评审表安全生产是企业发展的重要基石,对于保障职工的生命安全和财产安全具有重要意义。
为了提高企业的安全生产水平,评估和改进企业的安全生产标准化工作是必要的。
下面是一份安全生产标准化评审表。
评审表名称:安全生产标准化评审表评审对象:企业的安全生产标准化工作评审人:安全生产管理人员评审日期:XXXX年XX月XX日评审背景:评估和改进企业的安全生产标准化工作,确保员工的生命安全和财产安全。
评审内容和细则:1. 安全生产责任制度评审内容:- 是否建立了明确的安全生产责任体系- 是否明确各级管理人员的安全生产责任- 是否制定了相应的安全生产责任追究制度评审指标:- 是否完善的安全生产责任制度文件- 是否对相关责任人员进行了培训和考核- 是否建立了责任追究的机制2. 安全生产管理规定评审内容:- 是否建立了企业的安全生产管理规定- 是否明确了各类安全生产活动的管理要求- 是否制定了安全生产检查、维护和督导的程序和要求评审指标:- 是否有完整的安全生产管理规定文档- 是否对相关人员进行了培训和考核- 是否有效地执行了安全生产检查、维护和督导等程序3. 安全生产培训和教育评审内容:- 是否建立了安全生产培训和教育制度- 是否制定了员工入职培训和定期培训计划- 是否开展了相关的安全生产教育活动评审指标:- 是否有完整的安全生产培训和教育制度文件- 是否准确地执行了员工培训计划- 是否能有效提升员工的安全生产意识和技能4. 安全生产事故处理评审内容:- 是否建立了安全生产事故处理制度- 是否制定了事故报告和事故调查的程序和要求- 是否有事故处理的及时、公正和有效性评审指标:- 是否有完整的安全生产事故处理制度文件- 是否准确地执行了事故报告和调查的程序- 是否能从事故中总结经验教训,避免类似事故的再次发生5. 安全设备和防护措施评审内容:- 是否配备了必要的安全设备和消防设备- 是否标识和维护了安全通道和紧急出口- 是否建立了相应的防护措施和安全规范评审指标:- 是否配备了需要的安全设备和消防设备,并进行了定期维护- 是否正确标识了安全通道和紧急出口- 是否制定了可行的防护措施和安全规范,并有效执行评审结论和建议:- 对于评审内容符合要求的,予以通过和肯定- 对于评审内容存在问题的,提出相应的改进建议- 对于评审内容严重不符合要求的,要求立即整改并制定整改措施以上是一份安全生产标准化评审表的内容,通过评审和改进,企业可以提高安全生产的管理水平和效果,从而保障职工的生命安全和财产安全。
生产经营单位从业人员“四新”安全培训考核记录
生产经营单位或安全生产管理机构名称(盖章):档案编号:
1.非煤矿山、危险化学品、烟花爆竹、金属冶炼、冶金、有色、建材、机械、轻工、纺织、烟草、商贸等生产经营单位采用新工艺、新技术、新材料或者使用新设备对有关从业人员进行相关安全培训及考核时使用此表。
2.生产经营单位应当在安全培训考核记录的每一页加盖本单位或者本单位安全生产管理机构的印章并由参加培训的人员在每一页签名确认。
3.记录人员应当由本单位安全生产管理机构专(兼)职安全生产管理人员担任。
记录人员(签字):考核人员(签字):安全生产管理机构负责人(签字):归档日期:年月日。
附件 1
山东省化工生产企业安全生产评级标准
市、县(市、区): 企业名称:
评级单位:评级时间:
附件 2
山东省化工生产企业环境保护评级标准市、县(市、区)企业名称:
评级单位:评级时间:
附件 3
山东省化工生产企业节能降耗评级标准市、县(市、区): 企业名称:
评级单位:评级时间:
附件 4
山东省化工生产企业质量评级标准市、县(市、区):企业名称:
评级单位:评级时间:
附件 5
山东省化工生产企业转型升级评价标准市、县(市、区):企业名称:
评价单位:评价时间:
附件 6
山东省化工生产企业总评表市、县(市、区):企业名称:
总评单位:总评时间:。
神合鞋(Xie)业平安出产尺度化(Hua)企业查核评定表一、根底办理考评(Ping)查抄表二(Er)、设备(Bei)设施考评查抄表(二) 金属切削机床1 防护罩、盖、栏应完备可靠一处不合格,扣3分;每台得分低于18分时,该台设备为不合格。
实得分=25×25 2防止夹具、卡具松动或脱落的装置完好3各种限位、联锁、操作手柄要求灵敏可靠4 机床PE连接尺度可靠5 机床照明符合要求6机床电器箱,柜与线路符合要求7未加罩旋转部位的楔、销、键,原则上不许突出8 备有去除切屑的专用东西9磨床:砂轮合格,旋转时无明显跳动车床:加工超长料应有防弯装置插床:应设置防止运动遏制后滑枕自动下落的配重装置电火花加工机床:可燃性工作液的闪点应在70℃以上,需采用浸入式加工锯床:锯条外露局部应采用防护罩或平安距离隔离加工中心:加工区域周边应有固定、可调式防护装置小计25(三) 冲、剪、压机械1离合器动作灵敏、可靠,无连冲除“4、5〞条款外,凡不符合考评内容任一条款要求时,该台设备为不合格。
“4、5”条款不尺度或不敷完善,每台〔处〕从总分扣0.5分,最多不超过总分的20%。
实得分=25×合格台数评价总数-〔各台、处因不尺度的扣分之和〕25 2制动器工作可靠,与离合器彼此协调联锁3紧急遏制按钮灵敏、夺目,在规定位置安装有效4 传动外露局部的防护装置齐全可靠5 脚踏开关应有完备的防护罩且防滑6 机床PE可靠,电气控制有效7平安防护装置可靠有效,使用专用东西符合平安要求8剪板机等压料脚应平整,危险部位有可靠的防护小计254锻造加热炉:炉门循环冷却水应保持正常畅通退火炉、烘模炉:炉门必需装置保险装置煤气〔天然气〕炉:气阀应完好,无松动、无泄漏现象重油炉:油管、风管及加热管应无裂纹、无泄漏现象盐浴炉:测温仪表、仪器应灵敏可靠、电气设备接地应完好、正确箱式电阻炉:测温仪表应灵敏可靠、电阻丝应完好,电器设备接地及防护罩应完好无损燃油反射炉:风管、油管应保持畅通,油温、风压及测温仪表应保持正常气体渗碳炉:炉盖升降机构应保持正常,电扇动弹平稳,冷却水管应无堵塞,输油管道应畅通,无渗漏,排气管,漏油器必需畅通气体氮化炉:氨气管道、炉盖应无泄漏,氨气瓶严禁靠近热源、电源或强日光曝晒9×合格台数评价总数4小计9查抄工程考评内容考评说明额定分(十二) 风动工具1 砂轮夹紧装置必需符合规定一处不合格扣0.5分,总分低于3分为不合格。
安全生产标准化评审表安全生产标准化评审表项目名称:xxx公司安全生产标准化评审表一、评审目的本评审表用于对xxx公司的安全生产标准化进行全面评审,以确保公司的安全生产工作符合相关法律法规及标准要求,提升公司的安全管理水平。
二、评审内容1. 安全生产组织机构是否健全,是否设有安全生产管理部门及配备了足够的安全管理人员。
2. 安全生产责任制是否明确,相关人员是否落实安全职责。
3. 是否制定了科学合理的安全生产管理制度和操作规程,并加以执行。
4. 是否建立了安全生产培训机制,相关人员是否定期接受安全培训。
5. 是否建立了合理完善的事故应急预案和逃生路线,并进行了有效演练。
6. 是否建立了安全生产档案,相关资料是否齐全并保存到位。
7. 是否进行了日常的安全检查和隐患排查,是否及时处理安全隐患。
8. 是否建立了事故统计和分析制度,是否及时总结和改进工作。
9. 是否建立了安全生产奖惩机制,是否对安全工作进行了关注和激励。
三、评审方法1. 审查文件:审查公司的相关文件、制度和档案,检查是否符合相关要求。
2. 考察现场:在现场检查,检查公司的安全生产设施、设备和工作状态及相关管理情况。
3. 访谈员工:随机抽样访谈员工,了解公司的安全工作情况和员工的安全意识。
四、评审结果根据对xxx公司的安全生产标准化评审,得出以下评审结果:1. 安全生产组织机构健全,安全管理人员配备合理。
2. 安全生产责任制明确,相关人员落实安全职责。
3. 存在一些安全生产管理制度和操作规程未完善或执行不到位的问题。
4. 安全培训机制有待加强,部分人员未定期接受安全培训。
5. 事故应急预案和逃生路线建立不全,演练不够有效。
6. 安全生产档案不完备,相关资料保存不到位。
7. 日常的安全检查和隐患排查有所欠缺,安全隐患处理不及时。
8. 事故统计和分析制度需要加强,总结和改进工作不及时。
9. 安全生产奖惩机制建立,但关注和激励不够明显。
五、改进措施根据评审结果,提出以下改进措施:1. 完善安全生产管理制度和操作规程,加强执行。
“四新”管理及奖励制度1目的为加强“四新”的管理,最大限度地降低“四新”带来的风险,同时为激励员工创新的积极性,规范“四新”成果奖励,特制定本制度。
2适用范围本制度对“四新”的定义、职责、辨识、评审、文档管理、成果奖励等方面作了规定。
本制度适用于公司各单位。
3工作程序和要求3.1 根据公司实际,“四新”定义为:新产品、新技术、新设备、新材料。
3.1.1 新产品:指本公司生产研发的新产品、增加改进新的业务服务内容或拓展的新业务领域。
3.1.2 新技术:指在本公司内引进先进技术、技术管理或在生产工艺技术(包括作业程序、方法、流程等)有重大改进或改变的、企业管理或体制机制上有创新或突破的。
3.1.3 新设备:泛指在生产过程中所使用的工装、机具或装备首次使用或引进、经过改造对性能、质量、安全有重大影响的设备。
3.1.4 新材料:指在本公司产品或者服务过程中,首次使用的材料。
3.2 职责3.2.1 生产技术部是“四新”的归口管理部门,组织“四新”成果奖励的评审工作,负责“四新”奖励及证书的发放工作。
3.2.2 设计仓库部针对自主研发产品,制定内部适用的“四新”管理评审细则,对辨识、评审、实施、文档管理等要求作具体说明。
3.2.3 公司办负责对新技术中有关企业管理、体制机制创新的项目制定相关的管理细则。
3.2.4 其他单位参与“四新”管理,包括辨识、评审、实施、文档管理等。
3.3 辨识3.3.1 各单位在申报新项目前需要进行“四新”辨识。
3.3.2“四新”辨识按以下分类进行:1)生产技术部负责牵头组织综合计划的“四新”辨识;负责对新产品中的新业务领域的辨识;负责对新技术中的工艺技术的辨识。
2)设计仓库部负责自主研发产品的“四新”辨识;3)公司办负责对新技术中有关企业管理、体制机制创新项目的辨识;4)物资供应部负责新材料的辨识。
5)其它“四新”辨识由各单位负责。
3.3.3“四新”辨识主要依据(但不限于)以下原则:1)应用于新的领域;2)采用了与以往不同的新结构;3)采用以往同类产品未采用过的新材料;4)新设计产品的设计参数超过本公司类似设备历史记录;5)采用了新的生产技术工艺(包括作业程序、方法、流程等);6)采用了新的管理理念和方法。