照明照度对应功率表
- 格式:doc
- 大小:44.00 KB
- 文档页数:1
照度(Eav)、照明功率密度(LPD)简易计算法中国建筑设计研究院胥正详T8,T5,荧光灯管技术参数见表1。
表1 荧光灯管技术参数2.镇流器气体放电灯的镇流器主要分两大类,电感镇流器和电子镇流器,电感式镇流器包括普通型和节能型。
荧光灯用的交流镇流器包括可控式电子镇流器和应急照明用交流/直流电子镇流器。
直管荧光灯镇流器的选用:依GB50034-2004《建筑照明设计标准》规定:“直管荧光灯应配电子镇流器或节能型电感镇流器”。
不应选用普通电感镇流器。
应采取有效措施限制小于25W(包括T8、T5灯管和紧凑型荧光灯)镇流器的谐波含量。
25W 以下灯管的谐波限制非常宽松,在建筑物内大量应用,将导致严重的波形畸变,中性线电流过大以及功率因数降低的不良后果。
节能型电感镇流器的应用:通过优化铁芯材料和改进工艺等措施,降低自身功耗,一般可降低20%~50%,灯具总的功率之和可降5%~10%。
灯具补偿:由于电感镇流器自然功率因数低,要考虑单灯末端补偿措施。
包括单灯补偿或线路集中补偿等方式。
荧光灯镇流器性能对比表23.照度计算:照明设计时,应逐个房间或场所按使用条件确定照度标准,选择光源、灯具、镇流器类型、规格、计算平均照度,使之符合规定的照度标准值,并使计算照度偏差不超过±10%的规定。
最常用,也是最基本的利用系统法计算平均照度计算公式如下:Eav = N·φ·U·K(1)AN =Eav·A(2) φ·U·K式中:Eav —工作面上的平均照度(Lx);φ—光源光通量(Lm);N —光源数量;U —利用系数,其值见厂商样本资料,一般取0.4~0.6;也可参照民用建筑不同功能房间和常用灯具对应的值(利用系数),见表3;K —灯具的维护系数,其值见《建筑照明设计标准》GB50034-2004,表4.1.6;A —房间面积(m2)。
表3 民用建筑不同功能房间和常用灯具对应的值(利用系数)注:“—”表示该场所不宜采用对应灯具或采用难以满足功能密度值规定节能要求。
建筑照明设计标准中华人民共和国国家标准建筑照明设计标准Standard for lighting design of buildingsGB 50034-2004前言本标准系在原国家标准《民用建筑照明设计标准》GBJl33---90和《工业企业照明设计标准》GB 50034---92的基础上,总结了居住、公共和工业建筑照明经验,通过普查和重点实测调查,并参考了国内外建筑照明标准和照明节能标准经修订、合并而成。
其中照明节能部分是由国家发展和改革委员会环境和资源综合利用司组织主编单位完成的。
本标准由总则、术语、一般规定、照明数量和质量、照明标准值、照明节能、照明配电及控制、照明管理与监督共八章和二个附录组成。
主要规定了居住、公共和工业建筑的照明标准值、照明质量和照明功率密度。
2 术语3 一般规定3.1 照明方式和照明种类3.1.1 按下列要求确定照明方式:1 工作场所通常应设置一般照明;2 同一场所内的不同区域有不同照度要求时,应采用分区一般照明;3 对于部分作业面照度要求较高,只采用一般照明不合理的场所,宜采用混合照明;4 在一个工作场所内不应只采用局部照明。
3.1.2 按下列要求确定照明种类:1 工作场所均应设置正常照明2 工作场所下列情况应设置应急照明;1)正常照明因故障熄灭后,需确保正常工作或活动继续进行的场所,应设置备用照明;2)正常照明因故障熄灭后,需确保人员安全疏散的出口和通道,应设置疏散照明。
3 大面积场所宜设置值班照明。
4 有警戒任务的场所,应根据警戒范围的要求设置警卫照明。
5 有危及航行安全的建筑物、构筑物上,应根据航行要求设置障碍照明。
4 照明数量和质量4.1 照度4.1.1 照度标准值应按0.5、1、3、5、10、15、20、30、50、75、100、150、200、300、500、750、1000、1500、2000、3000、5 0001x分级。
4.1.2 本标准规定的照度值均为作业面或参考平面上的维持平均照度值。
建筑照明设计标准中华人民共和国国家标准建筑照明设计标准Standard for lighting design of buildingsGB 50034-2004前言本标准系在原国家标准《民用建筑照明设计标准》GBJl33---90和《工业企业照明设计标准》GB 50034---92的基础上,总结了居住、公共和工业建筑照明经验,通过普查和重点实测调查,并参考了国内外建筑照明标准和照明节能标准经修订、合并而成。
其中照明节能部分是由国家发展和改革委员会环境和资源综合利用司组织主编单位完成的。
本标准由总则、术语、一般规定、照明数量和质量、照明标准值、照明节能、照明配电及控制、照明管理与监督共八章和二个附录组成。
主要规定了居住、公共和工业建筑的照明标准值、照明质量和照明功率密度。
2 术语3 一般规定3.1 照明方式和照明种类3.1.1 按下列要求确定照明方式:1 工作场所通常应设置一般照明;2 同一场所内的不同区域有不同照度要求时,应采用分区一般照明;3 对于部分作业面照度要求较高,只采用一般照明不合理的场所,宜采用混合照明;4 在一个工作场所内不应只采用局部照明。
3.1.2 按下列要求确定照明种类:1 工作场所均应设置正常照明2 工作场所下列情况应设置应急照明;1)正常照明因故障熄灭后,需确保正常工作或活动继续进行的场所,应设置备用照明;2)正常照明因故障熄灭后,需确保人员安全疏散的出口和通道,应设置疏散照明。
3 大面积场所宜设置值班照明。
4 有警戒任务的场所,应根据警戒范围的要求设置警卫照明。
5 有危及航行安全的建筑物、构筑物上,应根据航行要求设置障碍照明。
4 照明数量和质量4.1 照度4.1.1 照度标准值应按0.5、1、3、5、10、15、20、30、50、75、100、150、200、300、500、750、1000、1500、2000、3000、5 0001x分级。
4.1.2 本标准规定的照度值均为作业面或参考平面上的维持平均照度值。
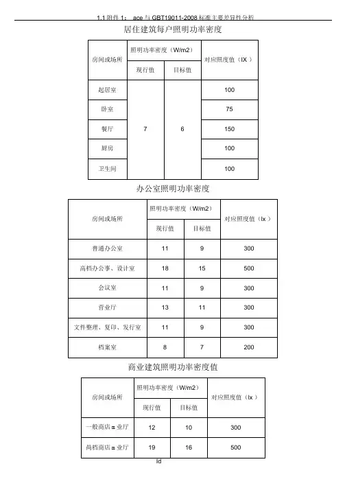
6.1 照明功率密度值6.1.1 居住建筑每户照明功率密度值不宜大于表6.1.1的规定。
当房间或场所的照度值高于或低于本表规定的对应照度值时,其照明功率密度值应按比例提高或折减。
表6.1.1 居住建筑每户照明功率密度值6.1.2 办公建筑照明功率密度值不应大于表6.1.2的规定。
当房间或场所的照度值高于或低于本表规定的对应照度值时,其照明功率密度值应按比例提高或折减。
表6.1.2 办公建筑照明功率密度值6.1.3 商业建筑照明功率密度值不应大于表6.1.3的规定。
当房间或场所的照度值高于或低于本表规定的对应照度值时,其照明功率密度值应按比例提高或折减。
表6.1.3 商业建筑照明功率密度值6.1.4 旅馆建筑照明功率密度值不应大于表6.1.4的规定。
当房间或场所的照度值高于或低于本表规定的对应照度值时,其照明功率密度值应按比例提高或折减。
表6.1.4 旅馆建筑照明功率密度值6.1.5 医院建筑照明功率密度值不应大于表6.1.5的规定。
当房间或场所的照度值高于或低子本表规定的对应照度值时,其照明劝塞密度值应按比例提高或折减。
6.1.6 学校建筑照明功率密度值不应大于表6.1.6的规定。
当房间或场所的照度值高于或低于本表规定的对应照度值时,其照明功率密度值应按比例提高或折减。
表6.1.5 医院建筑照明功率密度值表6.1.6 学校建筑照明功率密度值6.1.7 工业建筑照明功率密度值不应大于表6.1.7的规定。
当房间或场所的照度值高于或低于本表规定的对应照度值时,其照明功率密度值应按比例提高或折减。
表6.1.7 工业建筑照明功率密度值6.1.8 设装饰性灯具场所,可将实际采用的装饰性灯具总功率的50%计入照明功率密度值的计算。
6.1.9 设有重点照明的商店营业厅,该楼层营业厅的照明功率密度值每平方米可增加5W。
建筑照明设计标准中华人民共和国国家标准建筑照明设计标准Standard for lighting design of buildingsGB 50034—2004前言本标准系在原国家标准《民用建筑照明设计标准》GBJl33—-—90和《工业企业照明设计标准》GB 50034---92的基础上,总结了居住、公共和工业建筑照明经验,通过普查和重点实测调查,并参考了国内外建筑照明标准和照明节能标准经修订、合并而成。
其中照明节能部分是由国家发展和改革委员会环境和资源综合利用司组织主编单位完成的。
本标准由总则、术语、一般规定、照明数量和质量、照明标准值、照明节能、照明配电及控制、照明管理与监督共八章和二个附录组成.主要规定了居住、公共和工业建筑的照明标准值、照明质量和照明功率密度。
2 术语3 一般规定3.1 照明方式和照明种类3。
1。
1按下列要求确定照明方式:1 工作场所通常应设置一般照明;2 同一场所内的不同区域有不同照度要求时,应采用分区一般照明;3 对于部分作业面照度要求较高,只采用一般照明不合理的场所,宜采用混合照明;4 在一个工作场所内不应只采用局部照明。
3。
1。
2 按下列要求确定照明种类:1 工作场所均应设置正常照明2 工作场所下列情况应设置应急照明;1)正常照明因故障熄灭后,需确保正常工作或活动继续进行的场所,应设置备用照明;2)正常照明因故障熄灭后,需确保人员安全疏散的出口和通道,应设置疏散照明。
3 大面积场所宜设置值班照明.4 有警戒任务的场所,应根据警戒范围的要求设置警卫照明。
5 有危及航行安全的建筑物、构筑物上,应根据航行要求设置障碍照明.4 照明数量和质量4.1 照度4.1.1 照度标准值应按0.5、1、3、5、10、15、20、30、50、75、100、150、200、300、500、750、1000、1500、2000、3000、5 0001x分级。
4.1.2 本标准规定的照度值均为作业面或参考平面上的维持平均照度值。
建筑照明设计标准中华人民共和国国家标准建筑照明设计标准Standard for lighting design of buildingsGB 50034-2004前言本标准系在原国家标准《民用建筑照明设计标准》GBJl33---90和《工业企业照明设计标准》GB 50034---92的基础上,总结了居住、公共和工业建筑照明经验,通过普查和重点实测调查,并参考了国内外建筑照明标准和照明节能标准经修订、合并而成。
其中照明节能部分是由国家发展和改革委员会环境和资源综合利用司组织主编单位完成的。
本标准由总则、术语、一般规定、照明数量和质量、照明标准值、照明节能、照明配电及控制、照明管理与监督共八章和二个附录组成。
主要规定了居住、公共和工业建筑的照明标准值、照明质量和照明功率密度。
2 术语3 一般规定3.1 照明方式和照明种类3.1.1 按下列要求确定照明方式:1 工作场所通常应设置一般照明;2 同一场所内的不同区域有不同照度要求时,应采用分区一般照明;3 对于部分作业面照度要求较高,只采用一般照明不合理的场所,宜采用混合照明;4 在一个工作场所内不应只采用局部照明。
3.1.2 按下列要求确定照明种类:1 工作场所均应设置正常照明2 工作场所下列情况应设置应急照明;1)正常照明因故障熄灭后,需确保正常工作或活动继续进行的场所,应设置备用照明;2)正常照明因故障熄灭后,需确保人员安全疏散的出口和通道,应设置疏散照明。
3 大面积场所宜设置值班照明。
4 有警戒任务的场所,应根据警戒范围的要求设置警卫照明。
5 有危及航行安全的建筑物、构筑物上,应根据航行要求设置障碍照明。
4 照明数量和质量4.1 照度4.1.1 照度标准值应按0.5、1、3、5、10、15、20、30、50、75、100、150、200、300、500、750、1000、1500、2000、3000、50001x分级。
4.1.2 本标准规定的照度值均为作业面或参考平面上的维持平均照度值。
建筑照明设计标准中华人民共和国国家标准建筑照明设计标准Standard for lighting design of buildingsGB 50034-2004前言本标准系在原国家标准《民用建筑照明设计标准》GBJl33---90和《工业企业照明设计标准》GB 50034---92的基础上,总结了居住、公共和工业建筑照明经验,通过普查和重点实测调查,并参考了国内外建筑照明标准和照明节能标准经修订、合并而成。
其中照明节能部分是由国家发展和改革委员会环境和资源综合利用司组织主编单位完成的。
本标准由总则、术语、一般规定、照明数量和质量、照明标准值、照明节能、照明配电及控制、照明管理与监督共八章和二个附录组成。
主要规定了居住、公共和工业建筑的照明标准值、照明质量和照明功率密度。
2 术语3 一般规定3.1 照明方式和照明种类3.1.1 按下列要求确定照明方式:1 工作场所通常应设置一般照明;2 同一场所内的不同区域有不同照度要求时,应采用分区一般照明;3 对于部分作业面照度要求较高,只采用一般照明不合理的场所,宜采用混合照明;4 在一个工作场所内不应只采用局部照明。
3.1.2 按下列要求确定照明种类:1 工作场所均应设置正常照明2 工作场所下列情况应设置应急照明;1)正常照明因故障熄灭后,需确保正常工作或活动继续进行的场所,应设置备用照明;2)正常照明因故障熄灭后,需确保人员安全疏散的出口和通道,应设置疏散照明。
3 大面积场所宜设置值班照明。
4 有警戒任务的场所,应根据警戒范围的要求设置警卫照明。
5 有危及航行安全的建筑物、构筑物上,应根据航行要求设置障碍照明。
4 照明数量和质量4.1 照度4.1.1 照度标准值应按0.5、1、3、5、10、15、20、30、50、75、100、150、200、300、500、750、1000、1500、2000、3000、5 0001x分级。
4.1.2 本标准规定的照度值均为作业面或参考平面上的维持平均照度值。
建筑照明功率密度值由原国家经贸委经中国绿色照明工程项目办公室下达的关于编制国家建筑归明节能标准的任务,现已完成。
建设部已于6月发布公告,自2004年12月1日起开始执行。
除居住建筑外,办公、商业、旅馆、医院、学校和工业等6类建筑的照明节能标准作为强制性条文严格执行。
标准的制订主要依据大量的照明重点实测调查和普查的数据结果,并参考一些发达国家的照明节能标准,结合我国照明产品性能指标,经过周密论证和综合经济分析制定的。
标准根据我国能源形势和环境保护的总要求,在建筑照明领域必须提高能效,最大限度地节约能源,减少有害气体排放,以保护环境,同时标准也反映了我国当前电光源、灯具和电气附件的新发展和亲水平。
如三基色稀土荧光灯,金属卤化物灯等优质高效光源,电子和节能型电感镇流器的大量生产和推广应用,科学合理的优化设计以及加强监督管理等,都将促进我国绿色照明的实施。
现将7类建筑的照明功率密度值分述如下。
1、居住建筑居住建筑每户照明功率密度值不宜大于表1的规定。
表1 居住建筑每户照明功率密度值2、办公建筑办公建筑照明功率密度值不应大于表2的规定。
表2办公建筑照明功率密度值3、商业建筑商业建筑照明功率密度值不应大于表3的规定。
表3商业建筑用功率密度值4、旅馆建筑旅馆建筑照明功率密度值不应大于表4的规定。
表4旅馆建筑照明功率密度值5、医院建筑医院建筑归明功率密度值不应大于表5的规定。
表5医院建筑照明功率密度值6、学校建筑学校建筑照明功率密度值不应大于表6的规定。
表6学校建筑照明功率密度值7、工业建筑工业建筑照明功率密度值不应大于表7的规定。
表7工业建筑照明功率密度值8、结束语标准已颁布,即将实施,但还有待于我们在全国宣传贯彻及政府部门的监督实施,才能起到积极有效的影响,在这方面还需作许多工作。
此外,进一步补充完善建筑照明节能的工作摆在我们面前,如图书馆、影剧院、博物馆、展览馆、工、交通建筑以及其他工业主要车间的照明节能标准也亟须制订,还须我们努力完成未尽事宜,为取得最后的成功作贡献。
每平方米需要多少w 照度,照度公式计算公式:是以单位容量法来计算的,n=Pn/Pn,la 其中n表示所需灯的数量(支),Pn表示达到某一照度值时全部灯的标称功率之和(W),Pn,la表示达到100 Lx照度是全部灯的标称功率(W)。
单位容量法计算的基础是:为达到平均照度100 Lx时,室内地面面积每平方米需要用白炽灯约22w或荧光灯5.5w. 对于白炽灯的计算:Pn,100=22w/m2*A(E=100 Lx,nB=0.3,n=15Lm/w)对于荧光灯的计算:Pn,100=5.5w/m2*A(E=100 Lx,nB=0.3,n=15 Lm/w)A表示地面面积(m2)即:比如10m2地面,选用照度为100 lx时考虑安装40w的荧光灯,要安装多少支?Pn,100=5.5w/m2*1m2=55w n=55w/40w=1.375≈2支如果你取室内的照度为300 lx,那么所需的灯数为Pn,300=(E/100 lx)*Pn,100=(300/100)*55=165w n=165/40=4.125≈5支你按照这样的算法不就可以得出每平方米需要多少w 了吗?工厂照度要求为250-300 Lx“宴会场所”照度要求为300-700 Lx,“餐厅” 照度要求为150-300 Lx“餐厅”,照度要求为200 Lx,高5米,45瓦的节能灯,1000平方米要80个。
2600平方米,大概要210个吧。
2.家里面积平方适合用多少瓦的节能灯(灯泡)一般的标准是:15—18平方米照明用灯光在60—80瓦;30—40平方米在100—150瓦;40—50平方米在220—280瓦;60—70平方米在300—350瓦;75—80平方米在400~450瓦。
通常卫生间的照明每平方米2瓦就可以了;餐厅和厨房每平方米4瓦足够了,而书房和客厅要大些,每平方米需8瓦;在写字台和床头柜上的台灯可用15至60瓦的灯泡,最好不要超过60瓦。
您的房间是卧室,如需要读书写字的话。