照明功率密度值
- 格式:docx
- 大小:28.73 KB
- 文档页数:4
建筑照明设计标准中华人民国国家标准建筑照明设计标准Standard for lighting design of buildingsGB 50034-2004前言本标准系在原国家标准《民用建筑照明设计标准》GBJl33---90和《工业企业照明设计标准》GB 50034---92的基础上,总结了居住、公工业建筑照明经验,通过普查和重点实测调查,并参考了国外建筑照明标准和照明节能标准经修订、合并而成。
其中照明节能部分是由国家发展和改革委员会环境和资源综合利用司组织主编单位完成的。
本标准由总则、术语、一般规定、照明数量和质量、照明标准值、照明节能、照明配电及控制、照明管理与监督共八章和二个附录组成。
主要规定了居住、公工业建筑的照明标准值、照明质量和照明功率密度。
2 术语3 一般规定3.1 照明方式和照明种类3.1.1 按下列要求确定照明方式:1 工作场所通常应设置一般照明;2 同一场所的不同区域有不同照度要求时,应采用分区一般照明;3 对于部分作业面照度要求较高,只采用一般照明不合理的场所,宜采用混合照明;4 在一个工作场所不应只采用局部照明。
3.1.2 按下列要求确定照明种类:1 工作场所均应设置正常照明2 工作场所下列情况应设置应急照明;1)正常照明因故障熄灭后,需确保正常工作或活动继续进行的场所,应设置备用照明;2)正常照明因故障熄灭后,需确保人员安全疏散的出口和通道,应设置疏散照明。
3 大面积场所宜设置值班照明。
4 有警戒任务的场所,应根据警戒围的要求设置警卫照明。
5 有危及航行安全的建筑物、构筑物上,应根据航行要求设置障碍照明。
4 照明数量和质量4.1 照度4.1.1 照度标准值应按0.5、1、3、5、10、15、20、30、50、75、100、150、200、300、500、750、1000、1500、2000、3000、50001x分级。
4.1.2 本标准规定的照度值均为作业面或参考平面上的维持平均照度值。
照明功率密度值计算方法
1 照明功率密度值
照明功率密度值是指一给定表面上照明设备的照度功率密度,单
位为马克斯(lux)[1] / 瓦特(W)。
它是表面受光之后的光照强度。
通
常来讲,照明功率密度值越高,给人的视觉效果就会越好。
2 计算照明功率密度值
1. 首先准备照明设备,比如灯泡、荧光灯或者led灯,并把它们
安装好。
2. 测定设备的电流和电压。
然后根据电流和电压求出灯具的功率,单位是瓦特(W)。
3. 用照度表来测量表面受光后的照度,单位是马克斯(Lux)。
4. 将以上两项值除以一个表面积,比如平方厘米(cm2)或平方米(m2),就得到了功率密度值。
3 照明功率密度值应用
照明功率密度值被广泛应用于设计和使用照明系统中。
它可以帮
助照明设计者正确地选择照明设备,以确保设计的照明系统能够满足
所需的光照强度。
另外,由于照明功率密度值直接反映了放射出的光量,因此它也是用来衡量安全照明系统的一个重要指标。
4 结论
照明功率密度值是衡量照明系统质量的一个重要指标,它可以帮助照明设计者正确地选择照明设备,以确保设计的照明系统具有良好的效果和安全性。
照明功率密度值的计算需要电流、电压和表面受光后的照度三个参数,并且要结合表面积的计算,这是一个比较复杂的过程,但是它对于照明设计的重要性是不可或缺的。
照明功率密度限值
对于照明功率密度,国家有着严格的限值要求。
为了确保室内照明的安全性,政府建立此项限值,也是为了保护人们免受辐射和热量损害。
首先,照明功率密度限值是指室内照明设备工作时物理空间内的功率密度,一般是以瓦/平方米表示。
其中,墙壁等室内照明设备的照明功率密度限值要求不得超过0.2瓦/平方米,而地面摆设的一般室内照明设备的照明功率密度限值要求不得超过0.12瓦/平方米。
其次,室内照明的功率密度超过限值的损害容易产生热和可见光,致使工作者头晕乏力,眼睛疲劳。
如果时间长了也会产生辐射对人体有害,对建筑物也有损害。
因此,建筑物用电量配置时,应严格按照限值进行计算,避免超过限值带来的损害。
最后,室内不但要建立照明电压限值的较高要求,同时也需要从构架和内饰上考虑,以确保照明设备的性能,为人们提供安全可靠的使用环境。
因此,对于室内照明,应当加强相关装置施工管理与定期检测,力求把照明功率密度限值控制在最低水平,以确保照明室内安全可靠。
附录 B 照明功率密度值(LPD)的计算
B.0.1 LED 光源作建筑物立面夜景照明时,照明功率密度值(LPD)的计算宜符合下列规定:
1 建筑物立面泛光照明的 LPD 值:该面上使用的泛光照明灯具的总系统功率/被照明建筑物立面的面积;
2 建筑物立面上由若干个小块面积的泛光照明组成的一幅大面积的泛光照明,其 LPD 值:该面积上使用的所有灯具的系统功率总和/被照明立面的总面积;
3 建筑物上由若干个 LED 组成的点或线或一幅大面积图案的照明,其 LPD 值:该面上使用的 LED 灯具的系统功率的总和/组成的点的面积或组成的线的面积或被照明立面的总面积;
4 建筑屋面泛光照明,其 LPD 值:该屋面上使用的 LED 系统功率总和/被照明屋面面积;
5 建筑顶部(如檐口、女儿墙)做泛光照明(含 LED 照明),其LPD 值:屋顶上所使用的灯具系统功率总和/被照明屋顶面积;
6 建筑上仅用 LED 勾边时,E4 区每米的光通量(暖白光3300K)的线密度应达到 450lm/m。
常用光色 LED 灯管每米的光通量线密度比值见表 B.0.1,其 LPD 值按本条第 3 款计算。
注:1 其他光色的LED灯管每米的光通量线密度可按表中的比值缩放;
2 每米的光通量(暖白光3300K)的线密度要达到450lm/m的要求仅指E4区;在
背景亮度暗的地方,可适当降低。
GB50034-2004UGR :一致眩光值GR:眩光值Ra:(一般)显色指数1. 总设置装修性灯具场所,可将采纳的装修性灯具总功率的50%计入照明功率密度值的计算。
2. 设要点照明的商铺营业厅,该楼层营业厅的照明功率密度值每平方米可增添5W 。
一、居住建筑·每户照明功率密度值(不宜大于)房间或场所照明功率密度( W/ ㎡)对应照度值( lx )目标值现行值起居室100寝室75餐厅76150厨房100洗手间100居住建筑照明标准值(宜切合)房间或场所参照平面及高度照度标准值( lx )Ra一般活动0.75m 水平面10080起居室0.75m 水平面300*书写阅读一般活动0.75m 水平面7580寝室0.75m 水平面150*床头、阅读餐厅0.75m 餐桌面15080一般活动0.75m 水平面10080厨房台面150*操作台洗手间0.75m 水平面10080注: * 宜用混淆照明二、办公建筑照明功率密度值(强迫条则,不该大于)房间或场所照明功率密度(W/ ㎡)对应照度值( lx )现行值目标值一般办公室119300高档办公室、设计室1815500会议室119300营业厅1311300文件整理、复印、刊行室119300档案室87200办公建筑照明标准值(应切合)房间或场所参照平面及高度照度标准值( lx)UGR Ra 一般办公室0.75m 水平面3001980高档办公室0.75m 水平面5001980会议室0.75m 水平面3001980招待室、前台0.75m 水平面30080营业厅0.75m 水平面3002280设计室实质工作面5001980文件整理、复印、0.75m 水平面30080刊行室资料、档案馆0.75m 水平面20080三、商业建筑商业建筑照明功率密度值(强迫条则,不该大于)房间或场所照明功率密度(W/ ㎡)对应照度值( lx )现行值目标值一般商业营业厅1210300高档商铺营业厅1916500一般商场营业厅1311300高档商场营业厅2017500商业建筑照明标准值(应切合)房间或场所参照平面及高度照度标准值( lx)UGR Ra 一般商铺营业厅0.75m 水平面3002280高档商铺营业厅0.75m 水平面5002280一般商场营业厅0.75m 水平面3002280高档商场营业厅0.75m 水平面3002280收银台0.7 台面500——80四、旅店建筑旅店建筑照明功率密度值(强迫条则,不该大于)房间或场所照明功率密度( W/ ㎡)对应照度值( lx )现行值目标值客房1513——中餐厅1311200多功能厅1815300客房层走廊5450门厅1513300旅店建筑照明标准值(应切合)房间或场所参照平面及照度标准值UGR Ra 高度( lx )一般活动区0.75m 水平面75——80客房0.75m 水平面150——80床头写字台台面300——80洗手间0.75m 水平面150——80中餐厅0.75m 水平面2002280西餐厅、酒吧间、咖啡厅0.75m 水平面100——80多功能厅0.75m 水平面3002280门厅、总服务台地面300——80歇息厅地面2002280客房层走廊地面50——80厨房台面200——80洗衣房0.75m 水平面200——80五、医院建筑医院建筑照明功率密度值(强迫条则,不该大于)房间或场所照明功率密度(W/ ㎡)对应照度值( lx )现行值目标值治疗室、诊室119300化验室1815500手术室3025750候诊室、挂号厅87200病房65100护士站119300药房2017500重症监护室119300医院建筑照明标准值(应切合)房间或场所参照平面及高度照度标准值( lx)UGR Ra 治疗室0.75m 水平面3001980化验室0.75m 水平面5001980手术室0.75m 水平面7501980诊室0.75m 水平面3001980候诊厅、挂号厅0.75m 水平面2002280病房地面1001980护士站0.75m 水平面300——80药房0.75m 水平面5001980重症监护室0.75m 水平面3001980六、学校建筑学校建筑照明功率密度值(强迫条则,不该大于)房间或场所照明功率密度(W/ ㎡)对应照度值( lx )现行值目标值教室、阅览室119300实验室119300美术教师1815500多媒体教室119300学校建筑照明标准值(应切合)房间或场所参照平面及高度照度标准值( lx)UGR Ra 教室课桌面3001980实验室实验桌面3001980美术教室桌面5001980多媒体教室0.75m 水平面3001980教室黑板黑板面500——80七、工业建筑工业建筑照明功率密度值(强迫条则,不该大于)房间或场所照明功率密度(W/㎡)对应照度( lx )现行值目标值1 通用房间或场所实验室一般119300精美1815500查验一般119300精美、有颜色要求2723750计量室,丈量室1815500变配电配电装置室87200站变压器室54100电源设施室、发电机室87200控制室一般控制室119300主控制室1815500电话站、网络中心、计算1815500机站风机房、空调机房54100泵房54100动力站冷冻站87150压缩空气站87150锅炉房、煤气站操作层65100大件库(钢坯、钢材、大3350成品、气瓶)库房一般件库54100精美件库(如工具、小零87200件)车辆加油站651002 机、电工业粗加工87200机械一般加工,公差≥1211300加工精美加工,公差<1917500机电、大件87200一般件1211300仪表装精美1917500配特精美2724750电线、电缆制造1211300线圈大线圈1211300中等线圈1917500绕制精美线圈2724750线圈浇注1211300焊接一般87200精美1211300钣金1211300冲压、剪切1211300热办理87200锻造熔解浇注98200造型1312300精美锻造的制模、脱壳1917500锻工98200电镀1312300一般1514300喷漆精美2523500酸洗、腐化、冲洗1514300抛光一般装修性1312300精美2018500复合资料加工、铺叠、装修1917500机电一般87300维修精美12113003电子工业电子元器件2018500电子零零件2018500电子资料1210300酸碱药液及粉配制1412300注:房间或场所的室形指数等于或小于 1 时,本表的照明功率密度值可增添20%工业建筑照明标准值(应切合)房间或场所实验室一般精美查验一般精美、有颜色要求计量室、丈量室变配电配电装置室站变压器室电源设施室、发电机室一般控制室控制室主控制室电话站、网络中心计算机站风机房、空调机房泵房冷冻站动力站压缩空气站锅炉房、煤气站的操作层大件库(如钢坯、钢材大成品、气瓶)库房一般件库精美件库(如工具、小零件)车辆加油站二机电工业粗加工机械加一般加工公差≥工精美加工公差<大件一般件精美特精美电线、电缆制造大线圈线圈绕中等线圈制精美线圈参照平面照度标准值UGR Ra备注及高度(lx )1通用房间和场所水平面3002280可另加局部照明水平面5001980可另加局部照明水平面3002280可另加局部照明水平面7501980可另加局部照明水平面5001980可另加局部照明水平面200——60地面100——20地面2002560水平面3002280水平面5001980水平面1980水平面1980防光幕反射地面100——60地面100——60地面150——60地面150——60地面100——60锅炉房水位表照度不小于 50lx 1.0 水平面50——201.0 水平面100——601.0 水平面200——60货架垂直照度不小于 50lx 地面100——60油表照度不小于50lx0.75m 水平面2002260可另加局部照明0.75m 水平面3002260应另加局部照明0.75m 水平面5001960应另加局部照明0.75m 水平面2002580可另加局部照明0.75m 水平面3002580可另加局部照明0.75m 水平面5002280应另加局部照明0.75m 水平面75019应另加局部照明0.75m 水平面30025600.75m 水平面30025800.75m 水平面5002280可另加局部照明0.75m 水平面7501980应另加局部照明线圈浇注0.75m 水平面3002580焊接一般0.75m 水平面200——60精美0.75m 水平面300——60钣金0.75m 水平面300——60冲压0.75m 水平面300——60热办理地面至 0.5m 水平面200——20锻造融化、浇铸地面至 0.5m 水平面200——20造型地面至 0.5m 水平面3002560精美锻造的制模、脱壳地面至 0.5m 水平面5002560锻工地面至 0.5m 水平面200——20电镀0.75m 水平面300——80喷漆一般0.75m 水平面300——80精美0.75m 水平面5002280酸洗、腐化、冲洗0.75m 水平面300——80抛光一般装修性0.75m 水平面300——80防频闪精美0.75m 水平面5002280防频闪复合资料加工、铺叠、装修0.75m 水平面5002280机电修一般0.75m 水平面200——60可另加局部照明理精美0.75m 水平面3002260可另加局部照明3 电子工业纺织织袜化纤电子元器件0.75m 水平面5001980应另加局部照明电子零零件0.75m 水平面5001980应另加局部照明电子资料0.75m 水平面3002280应另加局部照明酸碱药液及粉配置0.75m 水平面300——804纺织、化纤工业选毛0.75m 水平面3002280可另增添局部照明清棉、和毛、梳毛0.75m 水平面1502280前纺:梳棉、并条、粗纺0.75m 水平面2002280纺纱0.75m 水平面3002280纺布0.75m 水平面3002280穿棕箱、缝纫、量呢、检0.75m 水平面3002280可另增添局部照明验维修、剪毛、染色、印花、0.75m 水平面3002280可另增添局部照明裁剪、熨烫投料0.75m 水平面10060纺丝0.75m 水平面1502280卷绕0.75m 水平面2002280均衡间、中间储存、干燥间、费丝间、有机高位槽0.75m 水平面75——60间集束间、后加工间、打包0.75m 水平面1002560间、油剂分配间组件冲洗间0.75m 水平面1502560拉伸、变形、分级包装0.75m 水平面1502560操作面可另增添局部照明化验、查验0.75m 水平面2002280可另增添局部照明5 制药工业制药生产:配置、冲洗、灭菌、超滤、制粒、压片、混均、烘干、灌0.75m 水平面3002280装、轧盖等制药生产流转通道地面200——806 橡胶工业炼胶车间0.75m 水平面300——80压延压出工段0.75m 水平面300——8成型裁断工段0.75m 水平面3002280硫化工段0.75m 水平面300——807 电力工业火电厂锅炉房地面100——40发电机房地面200——60主控室0.75m 水平面50019808 钢铁工业炉顶平台、各层平台平台面30——40炼铁出铁场出铁机室地面100——40卷扬机室、碾泥机室、煤地面50——40气冲洗配水室炼钢炼钢主厂房和平台、地面150——40连铸浇注平台、切割区、及地面150——40出坯区连铸精整清理线地面2002560钢坯台、轧机区地面150——40加热炉四周地面50——20轧钢重绕、横剪及纵剪机组0.75m 水平面1502540打印、检查、精美分类、0.75m 水平面2002280查收9 制浆造纸工业备料0.75m 水平面15060蒸煮、选洗、漂白0.75m 水平面20060打浆、纸机底部0.75m 水平面20060纸机网部、压迫部、烘缸、压光、0.75m 水平面30060卷取、涂布复卷、切纸0.75m 水平面3002560选纸5002260碱回收0.75m 水平面2004010食品及饮料工业糕点、糖果0.75m 水平面2002280食品0.75m 水平面3002280肉制品、乳制品饮料0.75m 水平面3002280糖化0.75m 水平面20080啤酒发酵0.75m 水平面15080饭装0.75m 水平面150258011 玻璃工业备料、退火、熔制0.75m 水平面150——60窑炉地面100——2012 水泥工业主要生产车间(破裂、原料粉磨、地面100——20烧成、水泥粉磨、包装)储藏地面75——40输送走廊地面30——20粗坯成型0.75m 水平面300——6013 皮革工业原皮、水浴0.75m 水平面200——60轻毂、整理、成品0.75m 水平面2002260可另加局部照明干燥地面100——2014 卷烟工业制丝车间0.75m 水平面200——60卷烟、接过滤嘴、包装0.75m 水平面300228015化学、石油工业厂区内常常操作的地区,如泵、压操作位高度100——20缩机、阀门、电操作柱等装置区现场控制和检测点、如仪表、测控点高度75——60液位计等人行通道、平台、设施顶部地面或台面30——20设施顶部和底部操作位操作位高度75——20装卸站平台平台——302016木业和家具制造一般机器加工0.75m 水平面2002260放频闪精美机器加工0.75m 水平面5001980放频闪锯木区0.75m 水平面3002560放频闪一般0.75m 水平面3002260模型区0.75m 水平面7502260精美胶合、组装0.75m 水平面3002560磨光、异形细木匠0.75m 水平面7502280注:需增添局部照明的作业面,增添的局部照度值宜按该场所一般照明照度值的 1.0~3.0 倍选用。
各功能区域照明功率密度值、照度设计值计算书附录 计算公式说明2=W/m 照明功率值照明功率密度()房间面积例:1、走道(以1#楼为例)面积 7.9 m 2,灯具数量 1 ,照明功率 22W ,总光通量 1050 lm ,则= 照明功率密度 22/7.9 = 2.8 W/m 2 =房间照度值 1x1350x0.5x0.8/7.9 = 68.1lx2、卫生间面积 10.1 m 2,灯具数量 1 ,照明功率 22 W ,总光通量 1350 lm ,则= 照明功率密度 22/10.1 = 2.2W/m 2=房间照度值 1x1350x0.6x0.8/10.1 = 64.2 lx3、门厅面积 88.6 m 2,灯具数量 8 ,照明功率 224 W ,总光通量 23200 lm ,则= 照明功率密度 224/88.6 = 2.5 W/m 2 =房间照度值 8x2900x0.5x0.8/88.6 = 104.7 lx房间照度值=房间面积灯具数量×光通量×利用系数×维护系数4、游泳池(29.8mX15.7m)面积467.9 m2,灯具数量15 ,照明功率3750W,总光通量300000 lm,则照明功率密度3750/467.9 = 8 W/m2=房间照度值15x20000x0.7x0.8/467.9 = 36.3 lx=5、消防控制室(5.8mX3.3m)面积19.1 m2,灯具数量 2 ,照明功率112 W,总光通量11600 lm,则照明功率密度112/19.1 = 5.9 W/m2=房间照度值2x5800x0.5x0.8/19.1 = 242.9 lx=6、水泵房面积40.6 m2,灯具数量 2 ,照明功率56W,总光通量5800 lm,则照明功率密度56/40.6 = 1.6 W/m2==房间照度值2x2900x0.5x0.8/40.6 = 57.1 lx1。
居住建筑每户照明功率密度照明功率密度(2房间或场所W/m)对应照度值( lx )现行值目标值起居室100卧室75餐厅76150厨房100卫生间100办公室照明功率密度照明功率密度(2房间或场所W/m)对应照度值( lx )现行值目标值普通办公室119300高档办公事、设计室1815500会议室119300营业厅1311300文件整理、复印、发行室119300档案室87200商业建筑照明功率密度值照明功率密度(2房间或场所W/m)对应照度值( lx )现行值目标值一般商店营业厅1210300高档商店营业厅1916500一般超市营业厅1311300高档超市营业厅2017500旅馆建筑照明功率密度值照明功率密度(2房间或场所W/m)对应照度值( lx )现行值目标值客厅1513--------中餐厅1311200多功能厅1815300客厅层走廊5450门厅1513300医院建筑照明功率密度值照明功率密度(2房间或场所W/m)对应照度值( lx )现行值目标值治疗室119300化验室1815500手术室3025750候诊室、挂号室87200病房65100护士站119300药房2017500重症监护室119300学校照明功率密度值照明功率密度(2房间或场所W/m)对应照度值( lx )现行值目标值教室、阅览室119300实验室119300美术教室1815500多媒体教室119300工业建筑照明密度值2照明功率密度( W/m)房间或场所现行值目标值对应照度值( lx )1 通用房间或场所实验室一般119300精细1815500检验1193002723750计量室、测量室1815500配电装置室87200变、配电站54100变压器室电源设备室、发电机室87200控制室1193001815500电话站、网络中心、计算机站1815500风机房、空调机房54100泵房54100动力站冷冻房87150压缩机房87150锅炉房、煤气站的操作层65100大件库(如钢柸、钢材、大成品、气3350瓶)仓库一般件库54100精细件库(如工具、小零件)87200车辆加油站651002 机、电工业机加工粗加工87200一般加工,公差≥ 0.1mm1211300精密加工,公差< 0.1mm1917500机电大件87200一般件1211300仪表精密1917500装配特精密2724750电线、电缆制造1211300线圈绕制大线圈1211300中等线圈1917500精细线圈2724750线圈浇注1211300焊接一般87200精密1211300钣金1211300冲压、剪切1211300热处理87200铸造熔化、浇铸98200造型1312300精密铸造的制模、脱壳1917500锻造98200电镀1312300喷漆一般1514300精细2523500酸洗、腐蚀、清洗1514300抛光一般装饰性1612300精细2018500复合材料加工、铺叠、装饰1917500机电修理一般87200精密1211300 3 电子工业电子元器件2018500电子零部件2018500电子材料1210300酸、碱、药液及粉剂1412300注:房间或场所的室形指数值等于或小于1时,本表的照明功率密度值可增加20%.。
建筑照明功率密度值由原国家经贸委经中国绿色照明工程项目办公室下达的关于编制国家建筑归明节能标准的任务,现已完成。
建设部已于6月发布公告,自2004年12月1日起开始执行。
除居住建筑外,办公、商业、旅馆、医院、学校和工业等6类建筑的照明节能标准作为强制性条文严格执行。
标准的制订主要依据大量的照明重点实测调查和普查的数据结果,并参考一些发达国家的照明节能标准,结合我国照明产品性能指标,经过周密论证和综合经济分析制定的。
标准根据我国能源形势和环境保护的总要求,在建筑照明领域必须提高能效,最大限度地节约能源,减少有害气体排放,以保护环境,同时标准也反映了我国当前电光源、灯具和电气附件的新发展和亲水平。
如三基色稀土荧光灯,金属卤化物灯等优质高效光源,电子和节能型电感镇流器的大量生产和推广应用,科学合理的优化设计以及加强监督管理等,都将促进我国绿色照明的实施。
现将7类建筑的照明功率密度值分述如下。
1、居住建筑居住建筑每户照明功率密度值不宜大于表1的规定。
表1 居住建筑每户照明功率密度值2、办公建筑办公建筑照明功率密度值不应大于表2的规定。
表2办公建筑照明功率密度值3、商业建筑商业建筑照明功率密度值不应大于表3的规定。
表3商业建筑用功率密度值4、旅馆建筑旅馆建筑照明功率密度值不应大于表4的规定。
表4旅馆建筑照明功率密度值5、医院建筑医院建筑归明功率密度值不应大于表5的规定。
表5医院建筑照明功率密度值6、学校建筑学校建筑照明功率密度值不应大于表6的规定。
表6学校建筑照明功率密度值7、工业建筑工业建筑照明功率密度值不应大于表7的规定。
表7工业建筑照明功率密度值注:房间或场所的室形指数值等于或小于1时,本表的照明功率密度值可增20%。
8、结束语标准已颁布,即将实施,但还有待于我们在全国宣传贯彻及政府部门的监督实施,才能起到积极有效的影响,在这方面还需作许多工作。
此外,进一步补充完善建筑照明节能的工作摆在我们面前,如图书馆、影剧院、博物馆、展览馆、工、交通建筑以及其他工业主要车间的照明节能标准也亟须制订,还须我们努力完成未尽事宜,为取得最后的成功作贡献。
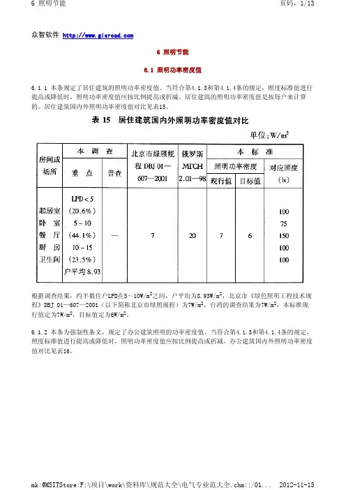
众智软件 6 照明节能6.1 照明功率密度值6.1.1 本条规定了居住建筑的照明功率密度值。
当符合第4.1.3和第4.1.4条的规定,照度标准值进行提高或降低时,照明功率密度值应按比例提高或折减。
居住建筑的照明功率密度值是按每户来计算的。
居住建筑国内外照明功率密度值对比见表15。
根据调查结果,约半数住户LPD在5~10W/m2之间,户平均为8.93W/m2,北京市《绿色照明工程技术规程》DBJ 01—607—2001(以下简称北京市绿照规程)为7W/m2,台湾的调查结果为7W/m2,本标准现行值定为7W/m2,目标值定为6W/m2。
6.1.2 本条为强制性条文,规定了办公建筑照明的功率密度值。
当符合第4.1.3和第4.1.4条的规定,照度标准值进行提高或降低时,照明功率密度值应按比例提高或折减。
办公建筑国内外照明功率密度值对比见表16。
由表16可知:1 将办公室分为普通办公室和高档办公室两种类型是符合我国国情的,而且更加有利于节能。
重点调查对象多为高档办公室,其平均照明功率密度为20W/m2,本标准为了节能,将高档办公室定为18W/m2,目标值定为15W/m2。
从调查结果看,半数被调查办公室在10~18W/m2之间,本标准将普通办公室定为11W/m2,目标值定为9W/m2。
2 从调查结果看,半数的会议室在10~18W/m2之间,而美国接近17W/m2,日本为20W/m2,根据我国的照度水平及调查结果,本标准定为11W/m2,目标值定为9W/m2。
3 国外营业厅的照明功率密度均较高,在26~35W/m2之间,而我国的调查结果多数小于1OW/m2,考虑到我国的照度水平及调查结果,本标准定为13W/m2,目标值定为11W/m2。
4 文件整理、复印和发行室,只有俄罗斯有相应标准,且其值较高为25W/m2,本标准和我国的照度水平相对应,定为11W/m2,目标值定为9W/m2。
5 档案室多数在10~18W/m2之间,根据所规定照度,本标准定为8W/m2,目标值定为7W/m2。
居住建筑每户照明功率密度房间或场所照明功率密度(W/m2)对应照度值(lx)现行值目标值起居室76100卧室75餐厅150厨房100卫生间100办公室照明功率密度房间或场所照明功率密度(W/m2)对应照度值(lx)现行值目标值普通办公室119300高档办公事、设计室1815500会议室119300营业厅1311300文件整理、复印、发行室119300档案室87200商业建筑照明功率密度值房间或场所照明功率密度(W/m2)对应照度值(lx)现行值目标值一般商店营业厅1210300高档商店营业厅1916500一般超市营业厅1311300高档超市营业厅2017500旅馆建筑照明功率密度值房间或场所照明功率密度(W/m2)对应照度值(lx)现行值目标值客厅1513--------中餐厅1311200多功能厅1815300客厅层走廊5450门厅1513300医院建筑照明功率密度值房间或场所照明功率密度(W/m2)对应照度值(lx)现行值目标值治疗室119300化验室1815500手术室3025750候诊室、挂号室87200病房65100护士站119300药房2017500重症监护室119300学校照明功率密度值房间或场所照明功率密度(W/m2)对应照度值(lx)现行值目标值教室、阅览室119300实验室119300美术教室1815500多媒体教室119300工业建筑照明密度值房间或场所照明功率密度(W/m2)对应照度值(lx)现行值目标值1 通用房间或场所实验室一般119300精细1815500检验1193002723750计量室、测量室1815500变、配电站配电装置室87200变压器室54100电源设备室、发电机室87200控制室1193001815500电话站、网络中心、计算机站1815500动力站风机房、空调机房54100泵房54100冷冻房87150压缩机房87150锅炉房、煤气站的操作层65100仓库大件库(如钢柸、钢材、大成品、气瓶)3350一般件库54100精细件库(如工具、小零件)87200车辆加油站651002 机、电工业机加工粗加工87200一般加工,公差≥0.1mm1211300精密加工,公差<0.1mm1917500机电仪表装配大件87200一般件1211300精密1917500特精密2724750电线、电缆制造1211300线圈绕制大线圈1211300中等线圈1917500精细线圈2724750线圈浇注1211300焊接一般87200精密1211300钣金1211300冲压、剪切1211300热处理87200铸造熔化、浇铸98200造型1312300精密铸造的制模、脱壳1917500锻造98200电镀1312300喷漆一般1514300精细2523500酸洗、腐蚀、清洗1514300抛光一般装饰性1612300精细2018500复合材料加工、铺叠、装饰1917500机电修理一般87200精密1211300 3 电子工业电子元器件2018500电子零部件2018500电子材料1210300。
建筑照明设计标准中华人民共和国国家标准建筑照明设计标准Standard for lighting design of buildingsGB 50034-2004前言本标准系在原国家标准《民用建筑照明设计标准》GBJl33---90和《工业企业照明设计标准》GB 50034---92的基础上,总结了居住、公共和工业建筑照明经验,通过普查和重点实测调查,并参考了国内外建筑照明标准和照明节能标准经修订、合并而成。
其中照明节能部分是由国家发展和改革委员会环境和资源综合利用司组织主编单位完成的。
本标准由总则、术语、一般规定、照明数量和质量、照明标准值、照明节能、照明配电及控制、照明管理与监督共八章和二个附录组成。
主要规定了居住、公共和工业建筑的照明标准值、照明质量和照明功率密度。
2 术语3 一般规定3.1 照明方式和照明种类3.1.1 按下列要求确定照明方式:1 工作场所通常应设置一般照明;2 同一场所内的不同区域有不同照度要求时,应采用分区一般照明;3 对于部分作业面照度要求较高,只采用一般照明不合理的场所,宜采用混合照明;4 在一个工作场所内不应只采用局部照明。
3.1.2 按下列要求确定照明种类:1 工作场所均应设置正常照明2 工作场所下列情况应设置应急照明;1)正常照明因故障熄灭后,需确保正常工作或活动继续进行的场所,应设置备用照明;2)正常照明因故障熄灭后,需确保人员安全疏散的出口和通道,应设置疏散照明。
3 大面积场所宜设置值班照明。
4 有警戒任务的场所,应根据警戒范围的要求设置警卫照明。
5 有危及航行安全的建筑物、构筑物上,应根据航行要求设置障碍照明。
4 照明数量和质量4.1 照度4.1.1 照度标准值应按0.5、1、3、5、10、15、20、30、50、75、100、150、200、300、500、750、1000、1500、2000、3000、5 0001x分级。
4.1.2 本标准规定的照度值均为作业面或参考平面上的维持平均照度值。
居住建筑每户照明功率密度房间或场所照明功率密度(W/m2)对应照度值(lx)现行值目标值起居室76100卧室75餐厅150厨房100卫生间100办公室照明功率密度房间或场所照明功率密度(W/m2)对应照度值(lx)现行值目标值普通办公室119300高档办公事、设计室1815500会议室119300营业厅1311300文件整理、复印、发行室119300档案室87200商业建筑照明功率密度值房间或场所照明功率密度(W/m2)对应照度值(lx)现行值目标值一般商店营业厅1210300高档商店营业厅1916500一般超市营业厅1311300高档超市营业厅2017500旅馆建筑照明功率密度值房间或场所照明功率密度(W/m2)对应照度值(lx)现行值目标值客厅1513--------中餐厅1311200多功能厅1815300客厅层走廊5450门厅1513300医院建筑照明功率密度值房间或场所照明功率密度(W/m2)对应照度值(lx)现行值目标值治疗室119300化验室1815500手术室3025750候诊室、挂号室87200病房65100护士站119300药房2017500重症监护室119300学校照明功率密度值房间或场所照明功率密度(W/m2)对应照度值(lx)现行值目标值教室、阅览室119300实验室119300美术教室1815500多媒体教室119300工业建筑照明密度值房间或场所照明功率密度(W/m2)对应照度值(lx)现行值目标值1 通用房间或场所实验室一般119300精细1815500检验1193002723750计量室、测量室1815500变、配电站配电装置室87200变压器室54100电源设备室、发电机室87200控制室1193001815500电话站、网络中心、计算机站1815500动力站风机房、空调机房54100泵房54100冷冻房87150压缩机房87150锅炉房、煤气站的操作层65100仓库大件库(如钢柸、钢材、大成品、气瓶)3350一般件库54100精细件库(如工具、小零件)87200车辆加油站651002 机、电工业机加工粗加工87200一般加工,公差≥0.1mm1211300精密加工,公差<0.1mm1917500机电仪表装配大件87200一般件1211300精密1917500特精密2724750电线、电缆制造1211300线圈绕制大线圈1211300中等线圈1917500精细线圈2724750线圈浇注1211300焊接一般87200精密1211300钣金1211300冲压、剪切1211300热处理87200铸造熔化、浇铸98200造型1312300精密铸造的制模、脱壳1917500锻造98200电镀1312300喷漆一般1514300精细2523500酸洗、腐蚀、清洗1514300抛光一般装饰性1612300精细2018500复合材料加工、铺叠、装饰1917500机电修理一般87200精密1211300 3 电子工业如有侵权请联系告知删除,感谢你们的配合!。
居住建筑每户照明功率密度--(二)房间或场所照明功率密度(W/m2)对应照度值(lx)现行值目标值起居室76100卧室75餐厅150厨房100卫生间100房间或场所照明功率密度(W/m2)对应照度值(lx)现行值目标值普通办公室119300高档办公事、设计室1815500会议室119300营业厅1311300文件整理、复印、发行室119300档案室87200房间或场所照明功率密度(W/m2)对应照度值(lx)现行值目标值一般商店营业厅1210300高档商店营业厅1916500一般超市营业厅1311300高档超市营业厅2017500房间或场所照明功率密度(W/m2)对应照度值(lx)现行值目标值客厅1513--------中餐厅1311200多功能厅1815300客厅层走廊5450门厅1513300房间或场所照明功率密度(W/m2)对应照度值(lx)现行值目标值治疗室119300化验室1815500手术室3025750候诊室、挂号室87200病房65100护士站119300药房2017500重症监护室119300房间或场所照明功率密度(W/m2)对应照度值(lx)现行值目标值教室、阅览室119300实验室119300美术教室1815500多媒体教室119300房间或场所照明功率密度(W/m2)对应照度值(lx)现行值目标值1 通用房间或场所实验室一般119300精细1815500检验1193002723750计量室、测量室1815500变、配电站配电装置室87200变压器室54100电源设备室、发电机室87200控制室119300 1815500电话站、网络中心、计算机站1815500动力站风机房、空调机房54100泵房54100冷冻房87150压缩机房87150锅炉房、煤气站的操作层65100仓库大件库(如钢柸、钢材、大成品、气瓶)3350一般件库54100精细件库(如工具、小零件)87200车辆加油站651002 机、电工业机加工粗加工87200一般加工,公差≥0.1mm1211300精密加工,公差<0.1mm1917500机电仪表大件87200一般件1211300装配精密1917500特精密2724750电线、电缆制造1211300线圈绕制大线圈1211300中等线圈1917500精细线圈2724750线圈浇注1211300焊接一般87200精密1211300钣金1211300冲压、剪切1211300热处理87200铸造熔化、浇铸98200造型1312300精密铸造的制模、脱壳1917500锻造98200电镀1312300喷漆一般1514300精细2523500酸洗、腐蚀、清洗1514300抛光一般装饰性1612300精细2018500复合材料加工、铺叠、装饰1917500机电修理一般87200精密1211300 3 电子工业电子元器件2018500电子零部件2018500电子材料1210300酸、碱、药液及粉剂1412300注:房间或场所的室形指数值等于或小于1时,本表的照明功率密度值可增加20%.。
建筑照明设计标准中华人民共和国国家标准建筑照明设计标准Standard for lighting design of buildingsGB 50034-2004前言本标准系在原国家标准《民用建筑照明设计标准》GBJl33---90和《工业企业照明设计标准》GB 50034---92的基础上,总结了居住、公共和工业建筑照明经验,通过普查和重点实测调查,并参考了国内外建筑照明标准和照明节能标准经修订、合并而成。
其中照明节能部分是由国家发展和改革委员会环境和资源综合利用司组织主编单位完成的。
本标准由总则、术语、一般规定、照明数量和质量、照明标准值、照明节能、照明配电及控制、照明管理与监督共八章和二个附录组成。
主要规定了居住、公共和工业建筑的照明标准值、照明质量和照明功率密度。
2 术语3 一般规定3.1 照明方式和照明种类3.1.1 按下列要求确定照明方式:1 工作场所通常应设置一般照明;2 同一场所内的不同区域有不同照度要求时,应采用分区一般照明;3 对于部分作业面照度要求较高,只采用一般照明不合理的场所,宜采用混合照明;4 在一个工作场所内不应只采用局部照明。
3.1.2 按下列要求确定照明种类:1 工作场所均应设置正常照明2 工作场所下列情况应设置应急照明;1)正常照明因故障熄灭后,需确保正常工作或活动继续进行的场所,应设置备用照明;2)正常照明因故障熄灭后,需确保人员安全疏散的出口和通道,应设置疏散照明。
3 大面积场所宜设置值班照明。
4 有警戒任务的场所,应根据警戒范围的要求设置警卫照明。
5 有危及航行安全的建筑物、构筑物上,应根据航行要求设置障碍照明。
4 照明数量和质量4.1 照度4.1.1 照度标准值应按0.5、1、3、5、10、15、20、30、50、75、100、150、200、300、500、750、1000、1500、2000、3000、50001x分级。
4.1.2 本标准规定的照度值均为作业面或参考平面上的维持平均照度值。
6 照明节能
6.1 照明功率密度值
6.1.1 居住建筑每户照明功率密度值不宜大于表6.1.1的规定。
当房间或场所的照度值高于或低于本表规定的对应照度值时,其照明功率密度值应按比例提高或折减。
6.1.2 办公建筑照明功率密度值不应大干表6.1.2的规定。
当房间或场所的照度值高于或低子本表规定的对应照度值时,其照明功率密度值应按比例提高或折减。
6.1.3 商业建筑照明功率密度值不应大于表6.1.3的规定。
当房间或场所的照度值高子或低子本表规定的对应照度值时,其照明功率密度值应按比例提高或折减。
6.1.4 旅馆建筑照明功率密度值不应大于表6.1.4的规定。
当房间或场所的照度值高于或低于本表规定的对应照度值时,其照明功率密度值应按比例提高或折减。
6.1.5 医院建筑照明功率密度值不应大于表6.1.5的规定。
当房间或场所的照度值高于或低子本表规定的对应照度值时,其照明劝塞密度值应按比例提高或折减。
6.1.6 学校建筑照明功率密度值不应大干表6.1.6的规定。
当房间或场所的照度值高子或低于本表规定的对应照度值时,其照明功率密度值应按比例提高或折减。
6.1.7 工业建筑照明功率密度值不应大于表6.1.7的规定。
当房间或场所的照度值高于或低于本表规定的对应照度值时,其照明功率密度值应按比例提高或折减。
6.1.8 设装饰性灯具场所,可将实际采用的装饰性灯具总功率的50%计入照明功率密度值的计算。
6.1.9 设有重点照明的商店营业厅,该楼层营业厅的照明功率密度值每平方米可增加5W。