照明功率密度表
- 格式:docx
- 大小:65.32 KB
- 文档页数:5
建筑照明设计标准中华人民共和国国家标准建筑照明设计标准Standard for lighting design of buildingsGB 50034—2004前言本标准系在原国家标准《民用建筑照明设计标准》GBJl33———90和《工业企业照明设计标准》GB 50034——-92的基础上,总结了居住、公共和工业建筑照明经验,通过普查和重点实测调查,并参考了国内外建筑照明标准和照明节能标准经修订、合并而成.其中照明节能部分是由国家发展和改革委员会环境和资源综合利用司组织主编单位完成的。
本标准由总则、术语、一般规定、照明数量和质量、照明标准值、照明节能、照明配电及控制、照明管理与监督共八章和二个附录组成。
主要规定了居住、公共和工业建筑的照明标准值、照明质量和照明功率密度.2 术语3 一般规定3。
1 照明方式和照明种类3。
1.1按下列要求确定照明方式:1 工作场所通常应设置一般照明;2 同一场所内的不同区域有不同照度要求时,应采用分区一般照明;3 对于部分作业面照度要求较高,只采用一般照明不合理的场所,宜采用混合照明;4 在一个工作场所内不应只采用局部照明.3。
1。
2 按下列要求确定照明种类:1 工作场所均应设置正常照明2 工作场所下列情况应设置应急照明;1)正常照明因故障熄灭后,需确保正常工作或活动继续进行的场所,应设置备用照明;2)正常照明因故障熄灭后,需确保人员安全疏散的出口和通道,应设置疏散照明。
3 大面积场所宜设置值班照明。
4 有警戒任务的场所,应根据警戒范围的要求设置警卫照明。
5 有危及航行安全的建筑物、构筑物上,应根据航行要求设置障碍照明.4 照明数量和质量4.1 照度4.1.1 照度标准值应按0.5、1、3、5、10、15、20、30、50、75、100、150、200、300、500、750、1000、1500、2000、3000、5 0001x分级.4.1.2 本标准规定的照度值均为作业面或参考平面上的维持平均照度值。
建筑照明设计标准中华人民共和国国家标准建筑照明设计标准Standard for lighting design of buildingsGB 50034-2004前言本标准系在原国家标准《民用建筑照明设计标准》GBJl33---90和《工业企业照明设计标准》GB 50034---92的基础上,总结了居住、公共和工业建筑照明经验,通过普查和重点实测调查,并参考了国内外建筑照明标准和照明节能标准经修订、合并而成。
其中照明节能部分是由国家发展和改革委员会环境和资源综合利用司组织主编单位完成的。
本标准由总则、术语、一般规定、照明数量和质量、照明标准值、照明节能、照明配电及控制、照明管理与监督共八章和二个附录组成。
主要规定了居住、公共和工业建筑的照明标准值、照明质量和照明功率密度。
2 术语3 一般规定3.1 照明方式和照明种类3.1.1 按下列要求确定照明方式:1 工作场所通常应设置一般照明;2 同一场所内的不同区域有不同照度要求时,应采用分区一般照明;3 对于部分作业面照度要求较高,只采用一般照明不合理的场所,宜采用混合照明;4 在一个工作场所内不应只采用局部照明。
3.1.2 按下列要求确定照明种类:1 工作场所均应设置正常照明2 工作场所下列情况应设置应急照明;1)正常照明因故障熄灭后,需确保正常工作或活动继续进行的场所,应设置备用照明;2)正常照明因故障熄灭后,需确保人员安全疏散的出口和通道,应设置疏散照明。
3 大面积场所宜设置值班照明。
4 有警戒任务的场所,应根据警戒范围的要求设置警卫照明。
5 有危及航行安全的建筑物、构筑物上,应根据航行要求设置障碍照明。
4 照明数量和质量4.1 照度4.1.1 照度标准值应按0.5、1、3、5、10、15、20、30、50、75、100、150、200、300、500、750、1000、1500、2000、3000、5 0001x分级。
4.1.2 本标准规定的照度值均为作业面或参考平面上的维持平均照度值。
面积A为6m*10m房间吊顶高度为2.5m,拟选用36w高效双管荧光灯吸顶安装,。
已知:照明功率密度ps=11w/m2(对应300lx)利用单位容量估算法,计算灯具数量应为(
)套。
面积A=6m×10m=60m2
需要照明功率=面积×照明功率密度=60m2×11w/m2=660w
需要灯具数量=需要照明功率÷选用灯具的功率=660w÷36w≈18套
居住建筑每户照明功率密度值
旅馆建筑照明功率密度值
商业建筑照明功率密度值
办公室照明功率密度
医院建筑照明功率密度值
学校照明功率密度值
工业建筑照明密度值
(注:文档可能无法思考全面,请浏览后下载,供参考。
可复制、编制,期待你的好评与关注)。
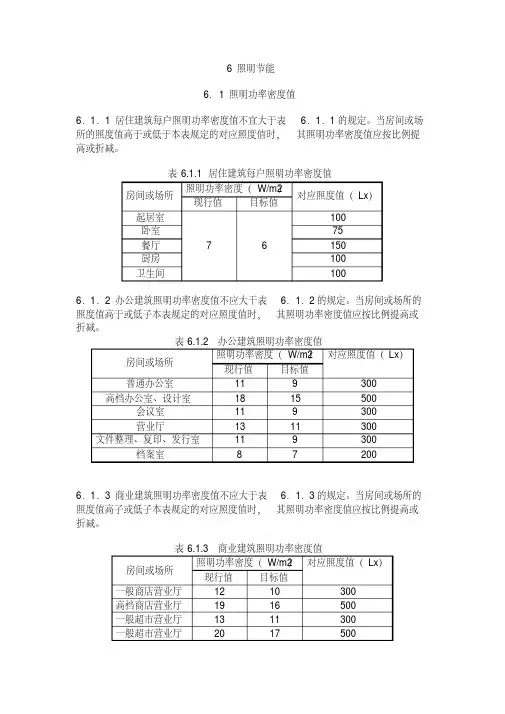
6 照明节能
6.1 照明功率密度值
6.1.1 居住建筑每户照明功率密度值不宜大于表6.1.1的规定。
当房间或场所的照度值高于或低于本表规定的对应照度值时,其照明功率密度值应按比例提高或折减。
表6.1.1居住建筑每户照明功率密度值
房间或场所照明功率密度(W/m2)
对应照度值(Lx)现行值目标值
起居室
7 6 100
卧室75
餐厅150
厨房100
卫生间100
6.1.2 办公建筑照明功率密度值不应大干表6.1.2的规定。
当房间或场所的照度值高于或低子本表规定的对应照度值时,其照明功率密度值应按比例提高或折减。
表6.1.2 办公建筑照明功率密度值
房间或场所照明功率密度(W/m2)对应照度值(Lx)现行值目标值
普通办公室11 9 300 高档办公室、设计室18 15 500
会议室11 9 300
营业厅13 11 300 文件整理、复印、发行室11 9 300
档案室8 7 200
6.1.3 商业建筑照明功率密度值不应大于表6.1.3的规定。
当房间或场所的照度值高子或低子本表规定的对应照度值时,其照明功率密度值应按比例提高或折减。
表6.1.3 商业建筑照明功率密度值
房间或场所照明功率密度(W/m2)对应照度值(Lx)现行值目标值
一般商店营业厅12 10 300 高档商店营业厅19 16 500 一般超市营业厅13 11 300 一般超市营业厅20 17 500。
照度(Eav)、照明功率密度(LPD)简易计算法中国建筑设计研究院胥正详T8,T5,荧光灯管技术参数见表1。
表1 荧光灯管技术参数2.镇流器气体放电灯的镇流器主要分两大类,电感镇流器和电子镇流器,电感式镇流器包括普通型和节能型。
荧光灯用的交流镇流器包括可控式电子镇流器和应急照明用交流/直流电子镇流器。
直管荧光灯镇流器的选用:依GB50034-2004《建筑照明设计标准》规定:“直管荧光灯应配电子镇流器或节能型电感镇流器”。
不应选用普通电感镇流器。
应采取有效措施限制小于25W(包括T8、T5灯管和紧凑型荧光灯)镇流器的谐波含量。
25W 以下灯管的谐波限制非常宽松,在建筑物内大量应用,将导致严重的波形畸变,中性线电流过大以及功率因数降低的不良后果。
节能型电感镇流器的应用:通过优化铁芯材料和改进工艺等措施,降低自身功耗,一般可降低20%~50%,灯具总的功率之和可降5%~10%。
灯具补偿:由于电感镇流器自然功率因数低,要考虑单灯末端补偿措施。
包括单灯补偿或线路集中补偿等方式。
荧光灯镇流器性能对比表23.照度计算:照明设计时,应逐个房间或场所按使用条件确定照度标准,选择光源、灯具、镇流器类型、规格、计算平均照度,使之符合规定的照度标准值,并使计算照度偏差不超过±10%的规定。
最常用,也是最基本的利用系统法计算平均照度计算公式如下:Eav = N·φ·U·K(1)AN =Eav·A(2) φ·U·K式中:Eav —工作面上的平均照度(Lx);φ—光源光通量(Lm);N —光源数量;U —利用系数,其值见厂商样本资料,一般取0.4~0.6;也可参照民用建筑不同功能房间和常用灯具对应的值(利用系数),见表3;K —灯具的维护系数,其值见《建筑照明设计标准》GB50034-2004,表4.1.6;A —房间面积(m2)。
表3 民用建筑不同功能房间和常用灯具对应的值(利用系数)注:“—”表示该场所不宜采用对应灯具或采用难以满足功能密度值规定节能要求。
建筑照明设计标准中华人民共和国国家标准建筑照明设计标准Standard for lighting design of buildingsGB 50034-2004前言本标准系在原国家标准《民用建筑照明设计标准》GBJl33---90和《工业企业照明设计标准》GB 50034---92的基础上,总结了居住、公共和工业建筑照明经验,通过普查和重点实测调查,并参考了国内外建筑照明标准和照明节能标准经修订、合并而成。
其中照明节能部分是由国家发展和改革委员会环境和资源综合利用司组织主编单位完成的。
本标准由总则、术语、一般规定、照明数量和质量、照明标准值、照明节能、照明配电及控制、照明管理与监督共八章和二个附录组成。
主要规定了居住、公共和工业建筑的照明标准值、照明质量和照明功率密度。
2 术语3 一般规定3.1 照明方式和照明种类3.1.1 按下列要求确定照明方式:1 工作场所通常应设置一般照明;2 同一场所内的不同区域有不同照度要求时,应采用分区一般照明;3 对于部分作业面照度要求较高,只采用一般照明不合理的场所,宜采用混合照明;4 在一个工作场所内不应只采用局部照明。
3.1.2 按下列要求确定照明种类:1 工作场所均应设置正常照明2 工作场所下列情况应设置应急照明;1)正常照明因故障熄灭后,需确保正常工作或活动继续进行的场所,应设置备用照明;2)正常照明因故障熄灭后,需确保人员安全疏散的出口和通道,应设置疏散照明。
3 大面积场所宜设置值班照明。
4 有警戒任务的场所,应根据警戒范围的要求设置警卫照明。
5 有危及航行安全的建筑物、构筑物上,应根据航行要求设置障碍照明。
4 照明数量和质量4.1 照度4.1.1 照度标准值应按0.5、1、3、5、10、15、20、30、50、75、100、150、200、300、500、750、1000、1500、2000、3000、50001x分级。
4.1.2 本标准规定的照度值均为作业面或参考平面上的维持平均照度值。
建筑照明设计标准中华人民共和国国家标准建筑照明设计标准Standard for lighting design of buildingsGB 50034-2004前言本标准系在原国家标准《民用建筑照明设计标准》GBJl33---90和《工业企业照明设计标准》GB 50034---92的基础上,总结了居住、公共和工业建筑照明经验,通过普查和重点实测调查,并参考了国内外建筑照明标准和照明节能标准经修订、合并而成。
其中照明节能部分是由国家发展和改革委员会环境和资源综合利用司组织主编单位完成的。
本标准由总则、术语、一般规定、照明数量和质量、照明标准值、照明节能、照明配电及控制、照明管理与监督共八章和二个附录组成。
主要规定了居住、公共和工业建筑的照明标准值、照明质量和照明功率密度。
2 术语3 一般规定3.1 照明方式和照明种类3.1.1 按下列要求确定照明方式:1 工作场所通常应设置一般照明;2 同一场所内的不同区域有不同照度要求时,应采用分区一般照明;3 对于部分作业面照度要求较高,只采用一般照明不合理的场所,宜采用混合照明;4 在一个工作场所内不应只采用局部照明。
3.1.2 按下列要求确定照明种类:1 工作场所均应设置正常照明2 工作场所下列情况应设置应急照明;1)正常照明因故障熄灭后,需确保正常工作或活动继续进行的场所,应设置备用照明;2)正常照明因故障熄灭后,需确保人员安全疏散的出口和通道,应设置疏散照明。
3 大面积场所宜设置值班照明。
4 有警戒任务的场所,应根据警戒范围的要求设置警卫照明。
5 有危及航行安全的建筑物、构筑物上,应根据航行要求设置障碍照明。
4 照明数量和质量4.1 照度4.1.1 照度标准值应按0.5、1、3、5、10、15、20、30、50、75、100、150、200、300、500、750、1000、1500、2000、3000、50001x分级。
4.1.2 本标准规定的照度值均为作业面或参考平面上的维持平均照度值。
建筑照明设计标准中华人民共和国国家标准建筑照明设计标准Standard for lighting design of buildingsGB 50034-2004前言本标准系在原国家标准《民用建筑照明设计标准》GBJl33---90和《工业企业照明设计标准》GB 50034---92的基础上,总结了居住、公共和工业建筑照明经验,通过普查和重点实测调查,并参考了国内外建筑照明标准和照明节能标准经修订、合并而成。
其中照明节能部分是由国家发展和改革委员会环境和资源综合利用司组织主编单位完成的。
本标准由总则、术语、一般规定、照明数量和质量、照明标准值、照明节能、照明配电及控制、照明管理与监督共八章和二个附录组成。
主要规定了居住、公共和工业建筑的照明标准值、照明质量和照明功率密度。
2 术语3 一般规定3.1 照明方式和照明种类3.1.1 按下列要求确定照明方式:1 工作场所通常应设置一般照明;2 同一场所内的不同区域有不同照度要求时,应采用分区一般照明;3 对于部分作业面照度要求较高,只采用一般照明不合理的场所,宜采用混合照明;4 在一个工作场所内不应只采用局部照明。
3.1.2 按下列要求确定照明种类:1 工作场所均应设置正常照明2 工作场所下列情况应设置应急照明;1)正常照明因故障熄灭后,需确保正常工作或活动继续进行的场所,应设置备用照明;2)正常照明因故障熄灭后,需确保人员安全疏散的出口和通道,应设置疏散照明。
3 大面积场所宜设置值班照明。
4 有警戒任务的场所,应根据警戒范围的要求设置警卫照明。
5 有危及航行安全的建筑物、构筑物上,应根据航行要求设置障碍照明。
4 照明数量和质量4.1 照度4.1.1 照度标准值应按0.5、1、3、5、10、15、20、30、50、75、100、150、200、300、500、750、1000、1500、2000、3000、5 0001x分级。
4.1.2 本标准规定的照度值均为作业面或参考平面上的维持平均照度值。
照明功率密度表 Prepared on 22 November 2020
居住建筑每户照明功率密度
房间或场所照明功率密度(W/m2)
对应照度值(lx)现行值目标值
起居室
7 6 100
卧室75 餐厅150 厨房100 卫生间100
办公室照明功率密度
房间或场所照明功率密度(W/m2)
对应照度值(lx)现行值目标值
普通办公室11 9 300 高档办公事、设计室18 15 500 会议室11 9 300
营业厅13 11 300 文件整理、复印、发行室11 9 300 档案室8 7 200
商业建筑照明功率密度值
房间或场所照明功率密度(W/m2)
对应照度值(lx)现行值目标值
一般商店营业厅12 10 300 高档商店营业厅19 16 500 一般超市营业厅13 11 300 高档超市营业厅20 17 500
旅馆建筑照明功率密度值
房间或场所照明功率密度(W/m2)
对应照度值(lx)现行值目标值
客厅15 13 -------- 中餐厅13 11 200 多功能厅18 15 300 客厅层走廊 5 4 50 门厅15 13 300
医院建筑照明功率密度值
房间或场所照明功率密度(W/m2)
对应照度值(lx)现行值目标值
治疗室11 9 300 化验室18 15 500 手术室30 25 750 候诊室、挂号室8 7 200 病房 6 5 100 护士站11 9 300
药房20 17 500 重症监护室11 9 300
学校照明功率密度值
房间或场所照明功率密度(W/m2)
对应照度值(lx)现行值目标值
教室、阅览室11 9 300 实验室11 9 300 美术教室18 15 500 多媒体教室11 9 300
工业建筑照明密度值
房间或场所
照明功率密度
(W/m2)
对应照度值
(lx)
现行值目标值
1通用房间或场所
实验室一般11 9 300 精细18 15 500
检验
11 9 300
27 23 750 计量室、测量室18 15 500
变、配电
站
配电装置室8 7 200
变压器室 5 4 100 电源设备室、发电机室8 7 200
控制室
11 9 300
18 15 500 电话站、网络中心、计算机站18 15 500
动力站
风机房、空调机房 5 4 100 泵房 5 4 100
冷冻房8 7 150
压缩机房8 7 150 锅炉房、煤气站的操作层 6 5 100
仓库大件库(如钢柸、钢材、大成品、
气瓶)
3 3 50
一般件库 5 4 100 精细件库(如工具、小零件)8 7 200 车辆加油站 6 5 100
2机、电工业
机加工
粗加工8 7 200 一般加工,公差≥0.1mm 12 11 300 精密加工,公差<0.1mm 19 17 500
机电仪表装配
大件8 7 200
一般件12 11 300
精密19 17 500
特精密27 24 750 电线、电缆制造12 11 300
线圈绕制大线圈12 11 300
中等线圈19 17 500
精细线圈27 24 750 线圈浇注12 11 300
焊接
一般8 7 200
精密12 11 300 钣金12 11 300 冲压、剪切12 11 300 热处理8 7 200
铸造
熔化、浇铸9 8 200 造型13 12 300 精密铸造的制模、脱壳19 17 500 锻造9 8 200
电镀13 12 300
喷漆
一般15 14 300
精细25 23 500 酸洗、腐蚀、清洗15 14 300。