因二极管反向恢复引起的 MOSFET开关波形
- 格式:pdf
- 大小:42.40 KB
- 文档页数:1
⼆极管反向恢复电荷对效率影响原因总结在功率变换器中,整流⼆极管的Q rr值。
对效率的影响较⼤。
下⾯对Q rr造成的影响分析如下,欢迎⼤家多多指导。
1、反向恢复电流与反向恢复电荷
1.1现象
当⼆极管从正偏到反偏时,⼆极管电流不会⽴即截⽌。
会产⽣⼀个反向恢复电流。
2、产⽣的损耗
2.1 该电荷在MOSFET内部释放
MOSFET的内部⼆极管的反向恢复电荷,在MOSFET导通的时候,⼆极管的反向恢复电荷,在MOSFET的R on上产⽣损耗。
2.2 该电荷导致⾼端MOSFET产⽣损耗
以经典的Buck电路为例:
当⾼边MOSFET导通时,MOSFET的体⼆极管再次发⽣反向偏置。
反向恢复电流I rr会短暂流经⾼边MOSFET,直到积累的电荷Q rr完全耗尽。
电荷耗尽不是瞬间完成的,I rr通常会流动⼏⼗纳秒,直到Q rr耗尽。
下图为Buck电路,MOSFET导通,⼆极管截⽌时,反向恢复电流与输⼊电流相叠加。
在R on产⽣的损耗也相应增⼤。
3、产⽣的电压尖峰
反向恢复电流与PCB的寄⽣电感,将会产⽣电压尖峰。
进⼀步造成栅极电压扰动。
严重时,会造成MOSFET误导通。
V peak = L s * di rr / d t
以上就是⼆极管反向恢复电荷,可能造成的影响。
最后,以⼀张仿真图说明上述分析。
仿真⽬的:使⽤spice模型仿真Q rr与两倍Q rr的MOSFET的尖峰电压。
二极管反向恢复曲线二极管是一种常见的电子元件,是半导体材料制成的。
它具有一个正极(阳极)和一个负极(阴极),在外加电压下可以实现电流的单向导通。
然而,在工作过程中,如果二极管承受了反向电压过大或过快的情况,就会发生二极管烧毁的现象。
为了解决这个问题,科学家们研究出了二极管的反向恢复曲线。
二极管的反向恢复曲线显示了二极管的特性及其在反向恢复过程中的电压变化。
该曲线通常由四个部分组成:开关时间(t_s)、延迟时间(t_d)、逆恢复时间(t_rr)和逆恢复电流(I_rr)。
在这四个阶段中,开关时间是指当二极管从正向电流状态转变为反向电流状态时所需的时间。
开关时间受到二极管内部的载流子扩散速度和电荷层边界的影响。
在开关时间内,二极管的电流很小,可以忽略不计。
延迟时间是指二极管从开关状态恢复到完全关闭状态所需的时间。
在这个过程中,二极管内的正向电荷需要耗费一定的时间才能重新组合,形成屏障电场,从而阻止反向电流的通过。
延迟时间可能会由于二极管内部的载流子浓度、材料的特性以及外界环境的温度等因素而有所变化。
逆恢复时间是指当二极管从反向电流状态恢复到正向电流状态时所需的时间。
逆恢复时间取决于二极管的电感性质和负电压大小。
在逆恢复时间内,二极管内的电压会逐渐降低,直到完全恢复到正向电流条件。
最后,逆恢复电流是指反向电流通过二极管期间的峰值电流值。
逆恢复电流主要取决于二极管的结构和材料,并且会发生在延迟时间后的短暂时间内。
了解二极管的反向恢复曲线对于电子设备的设计和故障诊断非常重要。
我们可以通过测量和分析反向恢复曲线来评估二极管的可靠性和性能。
如果二极管的反向恢复时间过长或逆恢复电流过大,就意味着二极管的性能不佳,可能会对电路的正常工作产生影响。
在实际应用中,可以通过选择适当的二极管型号和合理的工作电压来避免反向恢复曲线引起的问题。
此外,电路设计中还可以采取一些辅助措施,如并联二极管、添加反向恢复电压抑制电路等,以减小二极管的反向恢复效应。
反激电路副边二极管反向恢复解释说明以及概述1. 引言1.1 概述反激电路是一种常见的电源电路拓扑结构,其中副边二极管的反向恢复现象对其性能具有重要影响。
本文旨在深入研究反激电路副边二极管反向恢复现象,并探讨其相关因素及调控策略。
1.2 文章结构本文将分为五个部分进行介绍和论述。
首先,在引言部分进行文章背景的阐述,并提出研究目的。
接着,在第二部分将详细解释反激电路副边二极管的基本原理以及作用机制。
然后,在第三部分将探讨反激电路副边二极管反向恢复现象的影响因素与调控策略。
紧接着,在第四部分将进行实验验证与案例分析,通过具体案例来验证之前所得到的研究成果。
最后,在结论和展望中总结本文主要观点和结果,并展望未来在该领域可能进行的进一步研究方向。
1.3 目的本文旨在全面解释和说明反激电路副边二极管反向恢复现象,探讨其影响因素,并提出相应的调控策略。
通过深入研究反激电路副边二极管的反向恢复现象,我们可以更好地理解该现象对电路性能的影响,为设计和优化反激电路提供实用的指导。
2. 反激电路副边二极管反向恢复解释说明:2.1 反激电路基本原理介绍:反激电路是一种常用的开关电源拓扑结构,其基本原理是通过周期性开关操作使能量从输入端传递到输出端。
在正常工作情况下,当开关导通时,输入能量会储存于磁场中,在开关断开时,磁场能量会转移到输出负载上。
2.2 副边二极管的作用与原理解释:在反激电路中,副边二极管扮演着重要角色。
它被连接在变压器的次级线圈与输出负载之间,并与主开关配合工作。
其主要功能是提供一条回路路径供磁能释放,同时也可以防止负载返回冲击电压过高。
副边二极管的工作原理如下:当主开关导通时,变压器会储存磁能,并将其传递到副边二极管上。
此时,副边二极管处于正向偏置状态,即导通状态。
当主开关关闭时,在变压器一侧产生反向瞬态电压,这将使得副边二极管迅速反向恢复,即将其导通端变为截止状态。
通过这样的反向恢复操作,副边二极管在短时间内存储并释放能量,使得电路能够平稳工作。
MOSFET体二极管反向恢复过程分析MOSFET体二极管是指在MOSFET器件的PN结结构中,真空中的栅极(Gate)和漏极(Source)之间也存在类似二极管的结构。
当MOSFET体二极管处于正向偏置时,其工作与普通二极管相似,导通状态时电流正常流过;但当MOSFET体二极管处于反向偏置时,其恢复过程较为复杂。
当MOSFET体二极管处于反向偏置时,即栅极电压高于漏极电压,栅极-漏极结反向偏置,发生击穿现象。
这时,体二极管的恢复过程可以分为以下几个阶段:1. 正向偏置区(Forward Bias Region)在这个阶段,MOSFET体二极管处于正常导通状态,工作与普通二极管相似。
当应用正向电压时,电流从P型区流向N型区,形成电子-空穴对,导通。
2. 反向击穿区(Reverse Breakdown Region)当栅极电压高于体与漏极之间所能承受的反向击穿电压时,体二极管进入反向击穿区。
在这个区域,电流远远高于正常导通电流,而且电压随电流的增加而迅速下降。
击穿的原因通常是由于电场效应引起的,当电场强度足够强时,会导致电子激发,并产生二次电子和空穴。
这些激发的电子和空穴会形成电流。
3. 高电压饱和区(High Voltage Saturation Region)一旦击穿发生,体二极管进入高电压饱和区。
在这个阶段,电压几乎不再变化,而电流保持在一个较高的饱和水平。
此时,大量的激发电子和空穴通过击穿区域重新组合,产生复合电流。
4. 恢复区(Recovery Region)当栅极电压向零下进行恢复时,MOSFET体二极管进入恢复区。
在这个区域,反向击穿电流逐渐减小,而电压也逐渐恢复到正常水平。
这个过程会伴随着体二极管上的储存电荷释放以及内部PN结的耗尽层的形成。
5. 正向恢复区(Forward Recovery Region)当栅极电压进一步恢复至正向偏置时,体二极管进入正向恢复区。
在这个区域,电流逐渐消失,电压继续上升,直到最后恢复到正常的正向工作区域。
升压斩波电路二极管电压电流波形一、前言升压斩波电路是电子领域中常见的一种电路结构,它能够实现电压的升压功能,常用于电源供电、直流变换等应用领域。
在升压斩波电路中,二极管是非常重要的元件之一,其在电路中起到了关键的作用。
本文将从理论基础、电路工作原理和实际波形分析等方面,对升压斩波电路中二极管的电压和电流波形进行深入探讨。
二、理论基础在升压斩波电路中,二极管是承担反向恢复电压的关键元件。
当开关管(如MOS管、BJT等)关闭时,升压斩波电路的电感储能,此时二极管截止,不导通;而当开关管导通时,电感放电的能量则被输出至负载。
这一过程中,二极管的导通和截止将直接影响整个电路的性能。
三、电路工作原理在升压斩波电路中,二极管的主要作用是提供一条捷径,让电感中储存的能量能够迅速释放到负载上。
当开关管导通时,电感中的能量开始释放,同时二极管处于截止状态。
在这个过程中,二极管的主要作用是保持开关管两端的电压稳定,以防止电压的剧烈变化。
此时,二极管的正向电压和反向电流波形将会对整个电路的工作性能产生重要影响。
四、实际波形分析实际升压斩波电路中,二极管的电压和电流波形一般呈现如下特点:1. 电压波形:当开关管导通时,二极管的反向恢复电压为零,此时二极管正向电压较低,几乎可以忽略不计;而当开关管截止时,二极管的反向恢复电压剧烈增加,此时二极管的正向电压也随之升高。
这种电压波形的变化特点是升压斩波电路的关键指标之一。
2. 电流波形:由于二极管在开关管导通和截止时的状态不同,因此二极管的电流波形呈现出明显的差异。
一般情况下,二极管在导通时电流较大,而在截止时电流几乎为零。
这种电流波形的变化特点对于电路的功率损耗和效率有着重要的影响。
五、个人观点和理解在实际的工程应用中,准确理解和掌握二极管的电压和电流波形对于设计和优化升压斩波电路至关重要。
只有深入研究二极管在电路中的作用和特性,才能更好地发挥其功用,提高电路的效率和性能。
MOSFET体二极管反向恢复过程分析MOSFET是一种金属-氧化物-半导体场效应晶体管,它是一种使用表面场效应的三极管。
MOSFET具有优良的特性,如高速、低功耗和高可靠性等。
然而,在一些情况下,MOSFET器件中的体-漏极二极管可能会被反向偏置,导致器件性能的损害。
因此,研究MOSFET体二极管反向恢复过程对于理解器件的工作原理和特性具有重要意义。
当MOSFET体二极极速反向偏置时,体-漏极二极管处于开启状态,这会导致电荷从漏极流向体极。
这种电荷流动会导致体极电势上升,使得初始的反向漏极电势逐渐减小,直到达到一些临界点。
一旦反向漏极电势减小到这个临界点,体-漏极二极管将开始关闭,并且体极电势开始下降。
在这个过程中,积累在体极中的电荷将会被逐渐移除,直到体-漏极二极管完全关闭,体极电势恢复到正常的前向偏置状态。
体二极管反向恢复过程可以通过以下几个步骤来解释:1.反向偏置:当体二极被反向偏置时,体-漏极二极管处于导通状态,导致电荷从漏极流向体极。
体极电势上升,而反向漏极电势逐渐减小。
2.关闭开始:当反向漏极电势减小到一定程度时,体-漏极二极管开始关闭。
这个临界点取决于MOSFET器件的电源电压以及体-漏极二极管的特性参数。
3.移除积累电荷:在体-漏极二极管关闭的过程中,积累在体极中的电荷将被逐渐移除,导致体极电势下降。
4.完全关闭:当体-漏极二极管完全关闭时,体极电势恢复到正常的前向偏置状态。
反向恢复过程的速度取决于多种因素,如体-漏极二极管的载流能力、电源电压、体极电容、漏极电阻等。
通常情况下,体二极反向恢复过程是非常快速的,时间尺度为纳秒级。
然而,在一些特殊情况下,如高电源电压和较慢的体-漏极二极管特性,反向恢复过程可能会相对较长。
在实际应用中,为了避免体-漏极二极管反向偏置导致的器件损坏,通常采用一些保护电路来保证MOSFET器件的安全工作。
例如,可以通过添加反向并联二极管或者快速恢复二极管来提供更好的反向电压容忍能力。
LLC谐振变换器中MOSFET失效模式分析1 摘要提高功率密度已经成为电源变换器的发展趋势。
为达到这个目标,需要提高开关频率,从而降低功率损耗、系统整体尺寸以及重量。
对于当今的开关电源(SMPS)而言,具有高可靠性也是非常重要的。
零电压开关(ZVS) 或零电流开关(ZCS) 拓扑允许采用高频开关技术,可以大限度地降低开关损耗。
ZVS拓扑允许工作在高频开关下,能够改善效率,能够降低应用的尺寸,还能够降低功率开关的应力,因此可以改善系统的可靠性。
LLC 谐振半桥变换器因其自身具有的多种优势逐渐成为一种主流拓扑。
这种拓扑得到了广泛的应用,包括高端服务器、平板显示器电源的应用。
但是,包含有LLC谐振半桥的ZVS 桥式拓扑,需要一个带有反向快速恢复体二极管的MOSFET,才能获得更高的可靠性。
在功率变换市场中,尤其对于通信/服务器电源应用,不断提高功率密度和追求更高效率已经成为具挑战性的议题。
对于功率密度的提高,普遍方法就是提高开关频率,以便降低无源器件的尺寸。
零电压开关(ZVS)拓扑因具有极低的开关损耗、较低的器件应力而允许采用高开关频率以及较小的外形,从而越来越受到青睐。
这些谐振变换器以正弦方式对能量进行处理,开关器件可实现软开闭,因此可以大大地降低开关损耗和噪声。
在这些拓扑中,相移ZVS全桥拓扑在中、高功率应用中得到了广泛采用,因为借助功率MOSFET的等效输出电容和变压器的漏感可以使所有的开关工作在ZVS 状态下,无需额外附加辅助开关。
然而,ZVS范围非常窄,续流电流消耗很高的循环能量。
近来,出现了关于相移全桥拓扑中功率MOSFET失效问题的讨论。
这种失效的主要原因是:在低反向电压下,MSOFET体二极管的反向恢复较慢。
另一失效原因是:空载或轻载情况下,出现Cdv/dt直通。
在LLC谐振变换器中的一个潜在失效模式与由于体二极管反向恢复特性较差引起的直通电流相关。
即使功率MOSFET的电压和电流处于安全工作区域,反向恢复dv/dt和击穿dv/dt也会在如启动、过载和输出短路的情况下发生。
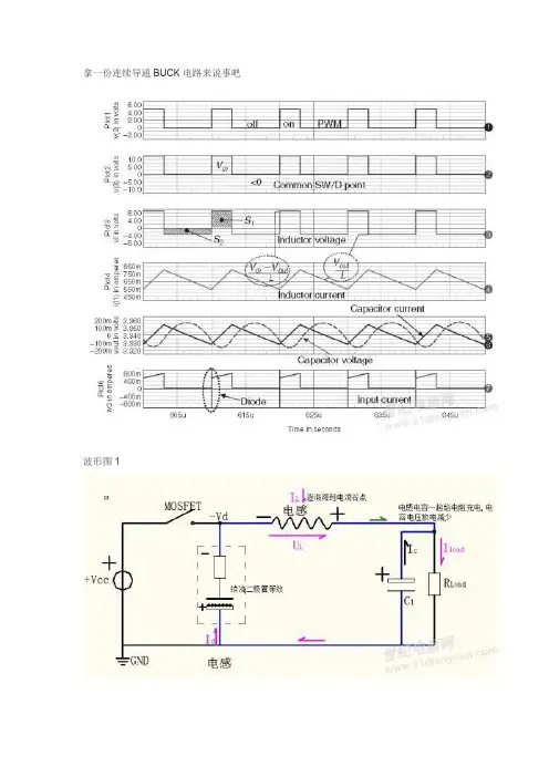
拿一份连续导通BUCK电路来说事吧波形图1图1:图2:图3:图4::波形图1-1为PWM波形波形图1-3 电感电流波形。
工作于CCM模式。
乙:图1:二极管续流的等效电路是这样的吗?甲:对于图1说明:MOSFET 断开,产生续流通路,PN结电荷发生变化,如将其看成一个等效电容,则为上负下正的一个部件。
最终电感电流释放到谷点,谷点末期(0-至0+时刻)电容替代电感为负载提供能量,此时电感还以电磁能方式保存有能量(因为电感如果再放电的话,电容的电压显然要高过电感,变成电容还要给电感充能了。
但那种现象是不可能的;因为Vin来了。
如果Vin没来,而电感能量继续下降到0,不再输出能量,此时因为二极管和开关的分布电容引起震荡,但对于CCM来说,震荡时间不存在)这个瞬间太短暂了,马上转到下一阶段(图2)。
乙:图2:MOS管开通的时候电感中没电流?甲:因为MOS管闭合瞬间(又一个0-到0+的瞬间),因为二极管因正向导通,等效结电容上方聚集满载流子,当外电场Vin 接入时,因电荷异性相吸导致PN结电容变回中性,紧接着二极管PN结等效结电容电荷变成上正下负(下面多载流子)。
二极管除去正向因导通而注入的电荷,然后反向充电至阻断状态,这个时间就是t rr 反向恢复时间,在二极管恢复之前,它呈现短路行为。
因为短路Vd负向电流很大,相当于脉冲,如图4 红色部分所示。
乙:图3:没看明白什么意思。
甲:因为“短路”的最终结果,Vcc的电压跟二极管结电容电压相等,对电感电容进行充电,那么电容电感都二极管结电容跟Vcc结电容处吸取能量,类似于LC串联谐振时候。
二极管结电容跟Vin 除了要供应负载的电流能量,还要供应电感电容充电的能量。
二极管结电容所示的能量如图4 蓝色部分。
需要指出一点,对于肖特基二极管是个例外。
因为金属-半导体结。
相当于有正负极性的电解电容,而上文提到的二极管,可以想想成此片电容。
只是作用机理不太一样。
一个是PN 结效应,一个是电容效应。
SiC MOSFET、Si CoolMOS和IGBT的特性对比及其在DAB变换器中的应用梁美;郑琼林;可翀;李艳;游小杰【摘要】碳化硅(SiC)半导体器件由于其宽禁带材料的优良特性受到了广泛关注.SiC半导体器件作为一种新型器件,对其与Si半导体器件的特性对比及评估越来越有必要.本文主要对比了SiC MOSFET、Si CoolMOS和IGBT的静态特性.并搭建了基于Buck变换器的测试平台,测试条件为输入电压为400V,电流为4~ 10A,对比了三种器件的开关波形、开关时间、开关损耗、dv/dt、di/dt以及内部二极管的反向恢复特性.设计了一台2kW的双主动全桥(DAB)变换器的实验样机,对比了应用三种器件的DAB变换器的理论效率和实测效率.【期刊名称】《电工技术学报》【年(卷),期】2015(030)012【总页数】10页(P41-50)【关键词】SiC MOSFET;CoolMOS;IGBT;特性;DAB变换器【作者】梁美;郑琼林;可翀;李艳;游小杰【作者单位】北京交通大学电气工程学院北京 100044;北京交通大学电气工程学院北京 100044;华北水利水电大学电力学院郑州 450046;北京交通大学电气工程学院北京 100044;北京交通大学电气工程学院北京 100044【正文语种】中文【中图分类】TN409近些年,碳化硅(Silicon Carbide,SiC)半导体器件因其材料具有击穿电场高、载流子饱和漂移速度快、热稳定性好及热导率高等优势[1-3],可提高电力电子变换器的性能,引起了国内外学者的广泛关注。
目前,商用的SiC半导体器件有SiC肖特基二极管、SiC JFET及SiC MOSFET。
由于SiC肖特基二极管的反向恢复特性好于Si二极管,将其应用于PFC电路或逆变器中,效率得到明显提高[4-6]。
SiC JFET是目前最成熟的SiC半导体器件,其开关速度和开关损耗均优于Si MOSFET和IGBT[7-9]。
功率开关器件的高额开关动作是导致开关电源产生电磁干扰(EMI)的主要原因。
开关频率的提高一方面减小了电源的体积和重量,另一方面也导致了更为严重的EMI问题。
开关电源工作时,其内部的电压和电流波形都是在非常短的时间内上升和下降的,因此,开关电源本身是一个噪声发生源。
开关电源产生的干扰,按噪声干扰源种类来分,可分为尖峰干扰和谐波干扰两种;若按耦合通路来分,可分为传导干扰和辐射干扰两种。
使电源产生的干扰不至于对电子系统和电网造成危害的根本办法是削弱噪声发生源,或者切断电源噪声和电子系统、电网之间的耦合途径。
现在按噪声干扰源来分别说明:1、二极管的反向恢复时间引起的干扰交流输入电压经功率二极管整流桥变为正弦脉动电压,经电容平滑后变为直流,但电容电流的波形不是正弦波而是脉冲波。
由电流波形可知,电流中含有高次谐波。
大量电流谐波分量流入电网,造成对电网的谐波污染。
另外,由于电流是脉冲波,使电源输入功率因数降低。
高频整流回路中的整流二极管正向导通时有较大的正向电流流过,在其受反偏电压而转向截止时,由于PN结中有较多的载流子积累,因而在载流子消失之前的一段时间里,电流会反向流动,致使载流子消失的反向恢复电流急剧减少而发生很大的电流变化(di/dt)。
2、开关管工作时产生的谐波干扰功率开关管在导通时流过较大的脉冲电流。
例如正激型、推挽型和桥式变换器的输入电流波形在阻性负载时近似为矩形波,其中含有丰富的高次谐波分量。
当采用零电流、零电压开关时,这种谐波干扰将会很小。
另外,功率开关管在截止期间,高频变压器绕组漏感引起的电流突变,也会产生尖峰干扰。
3、交流输入回路产生的干扰无工频变压器的开关电源输入端整流管在反向恢复期间会引起高频衰减振荡产生干扰。
开关电源产生的尖峰干扰和谐波干扰能量,通过开关电源的输入输出线传播出去而形成的干扰称之为传导干扰;而谐波和寄生振荡的能量,通过输入输出线传播时,都会在空间产生电场和磁场。
这种通过电磁辐射产生的干扰称为辐射干扰。
单端反激拓扑的基本电路单端反激拓扑的基本电路(b)为Q1电流,(c)为次级整流二极管电流,(d)为Q1的Vce电压工作原理如下:当Q1导通时,所有的次级侧整流二极管都反向截止,输出电容(Co、C1)给负载供电。
T1相当于一个纯电感,流过Np的电流线性上升,达到峰值Ip。
当Q1关断时,所有绕组电压反向,次级侧整流二极管导通,同时初级侧线圈储存的能量传递到次级,提供负载电流,同时给输出电容充电。
若次级侧电流在下一周期Q1导通前下降到零,则电路工作于断续模式(DCM),波形如上图(b)(c)(d),反之则处于连续模式(CCM)电流模式控制芯片UC2844/3844内部框图如下工作时序图如下开关电源启动时输出时序不正确的案例:电动汽车驱动板有两路开关电源,如下图开关电源1的UC2844启动电路,其输出包含VDD5开关电源2的UC2844启动电路,其输出包含+5V电路尽管两路开关电源的启动电路中电容都是200uF,充电电阻是30kΩ,但由于开关电源2中D26的存在,使得开关电源2充电快,先开始工作,导致光耦U24的副边电源+5V比原边电源先建立。
当光耦U24的副边电源比原边电源先建立时,光耦会输出负压(V out+相对于V out-的电压),如下图。
CH1:VDD5电压CH2:+5V电压CH3:U31 pin6CH4:U31 Pin7光耦的负压会让运放U20输出一段600mV的负压,如下图U20 Pin1电压这段负压输入到控制板的比较器U5反向输入端,此时GENERATRIX信号的电压为-470mV,这个电压已经超过了比较器允许的最大负压(器件资料规定输入负压不得大于0.3V),在环境温度超过73℃时,-470mV 的电压会导致比较器U5输出异常。
高温上电报Er004故障分析报告.docxSIZE-D旧版开关电源UC2844电路1、电路正常工作时(1)启动初始开始的一段时间Pin1电压维持在7.2V,原因:(1)+15电压较低,反馈电路的光耦U17初级侧的二极管两端电压未达到导通门限,因而U17次级侧阻抗无穷大(开路)(2)2844的Pin2(内部误差放大器“-”端)接地,因此误差放大器输出为高电平,电压由芯片内部决定注:UC284X/UC384X芯片资料中误差放大器输出高电平的典型值为6.2V,测量其他产品开关电源启动时Pin1电压也都在6V左右,唯有这个电路Pin1电压偏高,但器件资料并没有给出高电平的最大值CH1:UC2844 Pin1CH2:UC2844 Pin3CH3:MOS驱动CH4:+15V当Pin1电压为7.2V 时,Pin3电压达到1V 则电流取样比较器输出翻转为高,驱动关闭。
理解功率MOSFET体二极管反向恢复特性理解功率MOSFET体二极管反向恢复特性半桥、全桥和LLC的电源系统以及电机控制系统的主功率MOSFET、同步Buck变换器的续流开关管、以及次级同步整流开关管,其体内寄生的二极管都会经历反向电流恢复的过程。
功率MOSFET的体二极管的反向恢复性能和快恢复二极管及肖特基二极管相比,其反向恢复速度要低很多,反向恢复电荷也要大很多,因此反向恢复的特性较差。
这样,导致二极管的开关损耗增加,降低系统的效率,同时,也会产生较高的振铃,影响功率MOSFET的安全工作。
功率MOSFET 数据表中,通常给出了一定条件下的Qrr和反向恢复的时间,并没有给出和实际应用相关的、在不同的起始电流和不同的电流下降斜率下,对应的反向恢复特性,本文就讨论这些问题并做详细的分析。
MOSFET的结构及反向恢复波形分析沟槽Trench型N沟道增强型功率MOSFET的结构如图1所示,在N-epi外延层上扩散形成P基区,然后通过刻蚀技术形成深度超过P基区的沟槽,在沟槽壁上热氧化生成栅氧化层,再用多晶硅填充沟槽,利用自对准工艺形成N+源区,背面的N+substrate为漏区,在栅极加上一定正电压后,沟槽壁侧的P基区反型,形成垂直沟道。
由图1中的结构可以看到,P 基区和N-epi形成了一个PN结,即MOSFET 的寄生体二极管。
图1 MOSFET内部结构图2 反向恢复波形当体二极管外加正向电压VF时,正向电压削弱了PN结的内电场,漂移运动被削弱,扩散运动被增强,扩散和漂移的动态平衡被破坏。
结果造成P区的空穴(多子)流向N区,N 区的电子(多子)流向P 区,如图1中箭头所示。
进入P区的电子和进入N区的空穴分别成为该区的少子。
因此,在P区和N区的少子比无外加电压时多,这些多出来的少子称为非平衡少子。
这些非平衡少子,依靠积累时浓度差在N区和P区进行扩散。
空穴在N区扩散过程中,同N区中的多子电子相遇而复合,距离PN结边界越远,复合掉的空穴就越多。
二极管反向恢复波形
二极管反向恢复波形是指在二极管正向导通状态下,当电压和电流瞬间反转时,二极管会迅速断开导通,使电流从零开始反向流动。
这种反向恢复波形既体现了二极管导通特性,又展现了二极管断开导通特性。
二极管反向恢复波形的过程可以分为以下几个阶段:
1. 正向导通:在正向电压作用下,二极管处于正向导通状态,电流通过二极管正向流动。
2. 瞬间反向:当正向电压突然反向时(如电源电压突然变为负值),二极管会迅速断开导通,并且电流突然变为零。
3. 反向恢复:一旦二极管断开导通,反向电压出现,它将使二极管的pn结产生反向击穿。
反向电场通过击穿电流进行消散,而这些电流则产生整流效应。
这个过程将随着pn结的电容充电而发生,直到反向电压降至二极管的额定反向工作电压。
4. 反向恢复时间:此后,二极管将进入反向封锁状态,只允许微弱的反向漏电流通过,直到反向电压完全消失。
二极管反向恢复波形的时间和形状取决于二极管的特性以及反向电压的大小和
变化速率。
续流二极管波形-回复续流二极管,也被称为反向恢复二极管,是一种特殊的二极管。
它能够快速恢复至导通状态,对电压波形起到修正作用。
本文将逐步介绍续流二极管的原理、工作方式及其对电路中波形的影响。
续流二极管是PN结二极管的一种变种。
它的结构与一般的二极管相似,即由N型半导体和P型半导体材料构成。
然而,续流二极管在制造过程中引入了特殊的工艺,使得它具有快速恢复至导通状态的能力。
在了解续流二极管的工作原理之前,我们先了解一下普通二极管的工作原理。
当一个二极管处于正向偏置时,即正极连接到P端、负极连接到N端时,电流可以流过二极管,导通状态;而当二极管处于反向偏置时,即正极连接到N端、负极连接到P端时,电流无法流过二极管。
因此,普通二极管在正向和反向电压下的导通特性有着明显的差异。
而对于续流二极管,在反向偏置时,尽管它并不像普通二极管那样阻止电流流动,但由于其特殊的结构和工艺加工,它能够快速恢复至导通状态,因此可以在反向电流传导时减小损耗和串扰,从而提供更好的电路性能。
续流二极管的工作方式与普通二极管有所区别。
当一个续流二极管进行反向偏置时,即正极连接到N端、负极连接到P端时,首先,反向偏置会在PN结上形成一个耗尽区。
“耗尽区”表示不导电的区域,这是因为在这个区域内,载流子几乎没有存在。
接下来,当反向电压达到续流二极管的阈值时,阈值电压将扭转形成PN结上的电场,使得反向电流得以流动。
在续流二极管中,当反向电压降到零以下时,它会立即恢复至导通状态,即耗尽区被消除。
这种快速恢复的能力是续流二极管的重要特性之一。
续流二极管在电路中起到修正电压波形的重要作用。
在一些高频电路中,电感元件在断开电源时会产生一个脉冲电压,这个脉冲电压可以有几十伏特甚至更高。
如果不加入续流二极管,这个脉冲电压将被瞬间产生的反向电流所压制,导致电路无法正常工作。
而续流二极管的加入可以迅速恢复至导通状态,将之前脉冲电压压制的快速反向电流引导掉。
mos管的反向传导波形
MOS管(金属氧化物半导体场效应晶体管)的反向传导波形是指当MOS管处于反向偏置状态时,反向电压对电流的影响所形成的波形。
在MOS管的反向传导特性中,主要有两个波形,反向漏电流波形和反向电容波形。
首先,反向漏电流波形描述了MOS管在反向电压下的漏电流变化情况。
当MOS管处于反向偏置状态时,由于反向电场的影响,会出现反向漏电流。
这种反向漏电流随着反向电压的增加而呈指数增长的趋势,形成了反向传导波形中的一部分。
其次,反向电容波形描述了MOS管反向偏置状态下的电容变化情况。
由于MOS结构中的氧化层具有一定的电容特性,当施加反向电压时,氧化层中的电荷分布会发生变化,从而导致反向电容的变化。
这种反向电容随着反向电压的增加而呈线性或非线性变化,也构成了反向传导波形的一部分。
总的来说,MOS管的反向传导波形是由反向漏电流波形和反向电容波形共同构成的。
这些波形的变化受到MOS管结构、材料特性以及外部电压等因素的影响。
通过对反向传导波形的分析,可以更
深入地了解MOS管在反向偏置状态下的电性能特点,为电路设计和应用提供重要参考。
续流二极管波形-回复续流二极管(也称为反向恢复二极管或反向耐压二极管)是一种具有特殊反向恢复特性的二极管。
它在电路中的应用十分广泛,并且在许多电子设备和系统中扮演着重要的角色。
本文将详细介绍续流二极管的工作原理、特性以及在电路中的应用。
首先,我们需要了解续流二极管的基本结构和原理。
续流二极管的结构与普通二极管类似,由P型和N型半导体材料组成,但它具有额外的结构层,带有一个P+区域和一个N+区域。
这些额外的区域使续流二极管能够在正向电压下正常工作,同时在反向电压下保持一定的导通能力。
在正向电压下,续流二极管的工作原理与普通二极管无异,电流从P 区域的正极流向N区域的负极,形成电子和空穴的注入,产生电流流动。
但是在反向电压下,续流二极管的特殊结构使其能够在较短时间内恢复到导通状态,这就是续流二极管的特殊反向恢复特性。
当续流二极管失去正向电压时,内部电荷会停留在二极管的PN结附近,形成一个电场。
当外部电压变为反向电压时,这个电场将会阻止电荷的流动,使二极管变为绝缘状态。
但由于续流二极管的特殊结构,它能够通过一种称为反向恢复时间的机制,在短时间内消除电场并回到导通状态。
这个过程需要时间,而反向恢复时间的长短就是我们在观察续流二极管波形时关注的重要指标。
在实际应用中,续流二极管的特殊特性使其有许多重要的应用。
首先,续流二极管常被用于变压器和电感器的保护。
当电感器或变压器断开电源时,它们会产生一个大的反向电压峰值,可能损坏后续电路。
续流二极管能够迅速反向恢复,防止电压峰值通过。
其次,在开关电源和逆变器电路中,续流二极管常被用作输出二极管,用于防止反向电压对开关管的损坏。
续流二极管的快速反向恢复能力使其能够承受高频大功率开关电源的要求。
另外,在光伏发电系统中,续流二极管也有广泛的应用。
光伏电池在无阳光或光照不足时会产生反向电流,会损坏电池,所以需要使用续流二极管将这些反向电流规避掉。
总结起来,续流二极管是一种具有特殊反向恢复特性的二极管。
MOSFET开关过程的研究及米勒平台振荡的抑制刘长柱; 王林军【期刊名称】《《电机与控制应用》》【年(卷),期】2019(046)009【总页数】6页(P69-74)【关键词】MOSFET驱动电路; 米勒电容; 米勒平台; 振荡【作者】刘长柱; 王林军【作者单位】上海大学材料科学与工程学院上海200444【正文语种】中文【中图分类】TN320 引言功率MOSFET器件广泛应用于电机控制、开关电源等场合,功率等级从几十瓦到上百千瓦。
在实际应用电路中,由于米勒效应的影响,使驱动信号在MOSFET米勒平台处经常发生振荡。
为了保证功率MOSFET的稳定可靠运行,需要对栅极驱动进行优化[1]。
由于米勒电容的存在,在MOSFET的开通和关断过程中UGS形成了米勒平台[2]。
如果MOSFET驱动电路设计不够合理,驱动信号可能在米勒平台上产生严重的振荡。
米勒平台振荡导致栅极电压UGS小于UGS(th)阈值电压,使功率MOSFET在开通的过程中出现关断现象,延迟了MOSFET开通时间,增加了开通损耗。
同时,驱动信号的剧烈振荡,引起MOSFET的漏极电压振荡,使另一个MOSFET误开通,出现上下桥臂直通的现象[3],增加了MOSFET器件损坏的风险。
为此,研究米勒平台处振荡产生的原因并采取相应的措施对米勒振荡进行抑制便尤为重要。
本文详细研究了MOSFET开关过程中,栅极电压、漏极电压、漏极电流的变化过程,分析了米勒平台产生振荡的原因,并提出了抑制米勒振荡的措施,对功率MOSFET的驱动开发具有一定的指导意义。
1 MOSFET开通关断过程为了了解MOSFET米勒平台[4]产生的原因,分析MOSFET的开通和关断过程。
图1所示为功率MOSFET的等效模型。
图1 MOSFET等效模型图1中,CGS为栅极源极寄生电容,CGD为栅极漏极寄生电容,CDS为漏极与源极寄生电容。
在MOSFET的DATASHEET中,输入电容Ciss=CGS+CGD(CDS短路);反向传输电容Crss=CGD,也被称作米勒电容;输出电容Coss=CDS+CGD。