风险因素分析表
- 格式:doc
- 大小:68.50 KB
- 文档页数:3
XXX公司危险、危害因素分析清单年月XXXXXXXX公司危险、危害因素分析表(危险部位、设备类)分析单位:XXXXX公司分析日期:年月日审核人:批准人:XXX公司危险、危害因素分析清单一、危险部位、设备类:-------------------------------------表BDSW-01—BDSW-211、车间(泵类系统)------------------------------------------------表BDSW-012、配电室-----------------------------------------------------------表BDSW-023、化验室及加药间---------------------------------------------------表BDSW-034、车间(电气开关柜)-------------------------------------------------表BDSW-045、中控室、plc室----------------------------------------------------表BDSW-056、热泵机房---------------------------------------------------------表BDSW-067、食堂餐厅---------------------------------------------------------表BDSW-078、维修间-----------------------------------------------------------表BDSW-089、车间电气焊设备---------------------------------------------------表BDSW-910、气、割设备------------------------------------------------------表BDSW-1011、热水器----------------------------------------------------------表BDSW-1112、压力容器、压力管道----------------------------------------------表BDSW-1213、升降机----------------------------------------------------------表BDSW-1314、汽(柴)油机----------------------------------------------------表BDSW-1415、可移动水泵------------------------------------------------------表BDSW-1516、电缆盘、箱------------------------------------------------------表BDSW-1617、有限空间--------------------------------------------------------表BDSW-1718、水池及窨井等----------------------------------------------------表BDSW-1819、泵房、设备间----------------------------------------------------表BDSW-1920、臭氧发生器车间--------------------------------------------------表BDSW-2021、车间(存在梁式起重机的)--------------------------------------------表BDSW-2122、办公区-----------------------------------------------------------表BDSW-22表一:危险部位、设备类XXXXXX公司危险、危害因素分析表单位名称:XXXXXX公司表一:危险部位、设备类XXXXXX公司危险、危害因素分析表单位名称:XXXXXX公司表一:危险部位、设备类XXXXXX公司危险、危害因素分析表单位名称:XXXXXX公司表一:危险部位、设备类XXXXXX公司危险、危害因素分析表单位名称:XXXXXX公司表一:危险部位、设备类XXXXXX公司危险、危害因素分析表单位名称:XXXXXX公司表一:危险部位、设备类XXXXXX公司危险、危害因素分析表单位名称:XXXXXX公司表一:危险部位、设备类XXXXXX公司危险、危害因素分析表单位名称:XXXXXX公司表一:危险部位、设备类XXXXXX公司危险、危害因素分析表单位名称:XXXXXX公司表一:危险部位、设备类XXXXXX公司危险、危害因素分析表单位名称:XXXXXX公司表一:危险部位、设备类XXXXXX公司危险、危害因素分析表单位名称:XXXXXX公司表一:危险部位、设备类XXXXXX公司危险、危害因素分析表表一:危险部位、设备类单位名称:XXXXXX公司表一:危险部位、设备类XXXXXX公司危险、危害因素分析表单位名称:XXXXXX公司。
第 1 页 共 8 页说 明1、安全风险分析组织形式由项目现场负责人组织相关人员开展安全风险分析活动,通过现场观察、询问及讨论确定安全风险分析表中有关内容。
2、安全风险分析步骤 (1)划分作业活动及区域;(2)分析每一项作业存在的危险因素和可能导致的伤害; (3)通过直接判断法或LEC 法评价危险等级;(4)制定管控措施,对于重要危险源应特别重视,在常规措施之外,还应采取确定责任人、操作人员指名作业、定期点检、悬挂警示标识、制定应急预案并演练等措施; (5)确定管控措施责任人并落实措施. 3、直接判断法3.1对下列场所、设备,可直接判定为重要危险源 (1)易燃、易爆、有毒有害物质的贮罐区 (2)易燃、易爆、有毒有害物质的库区 (3)具有火灾、爆炸、中毒危险的生产场所 (4)企业危险建(构)筑物 (5)压力管道、锅炉、压力容器 (6)变电站、空压站3。
2当危险源及可能产生的后果符合下述四种情况之一者,则直接定为重要危险源第 2 页 共 8 页(1)不符合职业健康安全法规、标准的 (2)直接观察到存在潜在的重大风险的 (3)曾发生过事故,尚无合理有效控制措施的 (4)相关方有合理的反复抱怨或迫切要求的 4、作业条件危险评价法(LEC 法)4。
1作业条件危险评价法(D=L *E*C 法)是作业环境危险半定量的评价方法,用三种因素分数值之积来表示危险性的大小.4。
2评价人员伤亡风险的三种因素是:事故或危险源事件的可能性大小(L)、暴露于危险环境的频繁程度(E )、事故后果的严重程度(C ).4。
3上述三个分值的乘积D 表示危险性的大小,D 值大说明该作业条件危险性大,当D 值≥70时,该危险源就是重要危险源.当D 值﹤70时即是一般危险源. 4.4评分标准分数值 L (事故发生的可能性) 分数值 E(频繁程度) 10 完全可以预料 10 连续暴露6 相当可能 6 每天工作时间内暴露 3 可能,但不经常 3 每周一次,或偶然暴露 1 可能性小,完全意外 2 每月暴露一次 0.5 很不可能,可以设想 1 每年几次暴露 0.2 极不可能 0.5 非常罕见地暴露 0.1 实际不可能分数值C (后果)分数值D (危险程度)第 3 页 共 8 页100 大灾难,许多人死亡 >320 极其危险,不能继续作业 40 灾难,数人死亡 160-320 高度危险,需立即整改 15 非常严重,一人死亡70—160 显著危险,需要整改 7 严重,重伤(职业病等同于重伤) 20—70 一般危险,要注意 3 重大,致残<20稍有危险,可以接受1引人注目,不利于基本的健康安全要求5、安全风险分析表项目名称: 评价人: 审核人: 日期:序号作业活动或区域危险因素可能导致的伤害是否可以直接判定作业条件危险评价法 风险等级管控措施 责任人L E CD1电动工具操作砂轮机不戴防护镜人体伤害否3 3 763一般危险源人:1、正确佩戴防护镜或面罩;2、人员经过培训方可上岗。
安全生产风险分析表
1. 生产设备故障:由于设备老化、维护不及时等原因,可能导致设备故障,造成生产中断、安全事故等不良后果。
2. 化学品泄漏:在生产过程中,化学品的泄漏可能导致毒气扩散、火灾等危险,对员工和设施造成重大威胁。
3. 电气故障:电气设备存在故障,可能引发火灾、电击等安全风险,带来人员伤亡和财产损失。
4. 动力系统故障:生产过程中,动力系统故障可能导致设备运转异常,造成生产不稳定,甚至引发火灾等事故。
5. 人为错误操作:员工疏忽、违规操作等人为因素可能引发事故,如机器启动不当、操作不当等,造成安全隐患和设备损坏。
6. 高温/低温作业环境:生产环境中可能存在高温或低温环境,对员工的身体健康带来潜在威胁,如中暑、冻伤等。
7. 氧化剂与易燃物质相遇:在生产过程中,氧化剂与易燃物质相遇,可能引发火灾,造成人员伤亡和财产损失。
8. 高空作业风险:在高空作业中,存在坠落、物体掉落等风险,随时威胁着作业人员的生命安全。
9. 交通事故:工厂内部或周边区域交通繁忙,员工往来穿梭,可能发生交通事故,导致人员伤亡和财产损失。
10. 未按规定穿戴个人防护设备:员工没有正确佩戴头盔、防
护眼镜等个人防护设备,可能在工作中遭受外部冲击风险。
风险因素识别、评价表
供方绩效和材料可获得性/ 供给相关的风险因素)
备注:此风险识别、评价表采用了询问、交谈、过程分析法、打分法等方法,对涉及到的全部风险因素进行了分析。
编制:批准:
风险因素识别、评价表
生产设施/ 设备的可用性和可维护性相关的风险因素)
备注:此风险识别、评价表采用了询问、交谈、过程分析法、打分法等方法,对涉及到的全部风险因素进行了分析。
编制:批准:
风险因素识别、评价表
不合格品的交付相关的风险因素)
备注:此风险识别、评价表采用了询问、交谈、过程分析法、打分法等方法,对涉及到的全部风险因素进行了分析。
编制:批准:
风险因素识别、评价表
胜任人员的可利用性相关的风险)
备注:此风险识别、评价表采用了询问、交谈、过程分析法、打分法等方法,对涉及到的全部风险因素进行了分析。
编制:批准:
风险因素评价表
管理变更产生的风险评估)
备注:此风险识别、评价表采用了询问、交谈、过程分析法、打分法等方法,对涉及到的全部风险因素进行了分析。
编制:批准:
风险因素识别、评价表
(设计开发相关风险)
常州市华立液压润滑设备有限公司
版本:2.0 QR/ZJ-07 备注:此风险识别、评价表采用了询问、交谈、过程分析法、打分法等方法,对涉及到的全部风险因素进行了分析。
编制:批准:。
安全生产风险分析表安全生产风险分析表一、风险识别风险来源风险描述可能的结果影响程度风险等级(可能性×影响程度)推荐控制措施采取控制措施后的风险等级1. 人为操作失误操作不当可能导致事故发生事故发生,可能导致人员伤亡和财产损失重大高(5×高)-加强对员工的培训和教育,提高员工的操作技能和安全意识-制定严格的操作规程和安全管理制度,确保员工按照规定操作中(2×中)2. 设备故障设备老化或维护不到位,可能导致设备故障生产中断,可能导致经济损失严重高(5×严重)-定期维护设备,进行检查和保养-及时更换老化和损坏的设备部件中(2×中)3. 毒物泄漏毒物泄漏可能导致环境污染和人员中毒环境污染和人员中毒,可能造成严重的健康损害严重高(5×严重) -建立严格的危化品管理制度,加强对危险化学品的存储和运输管理-安装泄漏报警装置,及时发现泄漏情况并采取相应措施中(3×中)4. 火灾事故火灾可能导致人员伤亡和财产损失人员伤亡和财产损失,可能造成严重的影响严重高(5×严重)-加强火灾防控措施,增加火灾报警器、灭火设备等消防设施-进行定期演练和培训,提高员工应对火灾事故的能力中(4×中)二、风险评估和分级根据风险等级计算公式,对各项风险进行评估和分级,确定风险等级,确定优先控制的风险。
三、控制措施建议根据风险等级,为每个风险提出相应的控制措施建议,以降低风险的发生概率或减轻其影响。
四、采取控制措施后的风险评估根据采取控制措施后的情况,重新评估和分级风险,以确定控制措施的有效性。
五、监测和反馈定期监测和评估控制措施的实施情况和效果,及时调整和改进措施,以确保安全生产风险的有效控制。
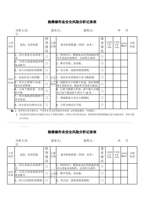
检维修作业安全风险分析记录表分析人员:落实人:验收人:年月注:1、危害发生的可能性L,严重性S及风险等级评定标准:L*S数值越高,风险越大。
2、当风险评价结构中出现重大及以上等级风险时,应停止本次作业活动;待采取有效控制措施后进行重新评估,评估合格方可作业。
............................................................................................................................检维修作业安全风险分析记录表分析人员:落实人:验收人:年月注:1、危害发生的可能性L,严重性S及风险等级评定标准:L*S数值越高,风险越大。
2、当风险评价结构中出现重大及以上等级风险时,应停止本次作业活动;待采取有效控制措施后进行重新评估,评估合格方可作业。
检维修作业安全风险分析记录表分析人员:落实人:验收人:年月注:1、危害发生的可能性L,严重性S及风险等级评定标准:L*S数值越高,风险越大。
2、当风险评价结构中出现重大及以上等级风险时,应停止本次作业活动;待采取有效控制措施后进行重新评估,评估合格方可作业。
.....................................................................................................................................检维修作业安全风险分析记录表分析人员:落实人:验收人:年月注:1、危害发生的可能性L,严重性S及风险等级评定标准:L*S数值越高,风险越大。
2、当风险评价结构中出现重大及以上等级风险时,应停止本次作业活动;待采取有效控制措施后进行重新评估,评估合格方可作业。
检维修作业安全风险分析记录表注:1、危害发生的可能性L,严重性S及风险等级评定标准:L*S数值越高,风险越大。
编号:AQ-8-1-02A1
危险、有害因素分析(LEC)分析表
部门行政人事部评估岗位或范围工作前准备工作
评估整理:审核:批准:
编号:AQ-8-1-02A1
危险、有害因素分析(LEC)分析表
部门设备工程部评估岗位或范围设备使用及维修
评估整理:审核:批准:
编号:AQ-8-1-02A1
危险、有害因素分析(LEC)分析表
部门生产部评估岗位或范围设备使用及维修
评估整理:审核:批准:
编号:AQ-8-1-02A1
危险、有害因素分析(LEC)分析表
部门仓库评估岗位或范围设备使用及维修
评估整理:审核:批准:【下载本文档,可以自由复制内容或自由编辑修改内容,更多精彩文章,期待你的好评和关注,我将一如既往为您服务】。
某项目风险因素一览表1. 技术风险:项目所采用的技术可能存在不稳定性、兼容性或安全性问题,可能会影响项目的进展和实施。
例如,新的技术可能需要额外的培训和学习才能正确应用,或者可能还没有得到广泛的验证和测试。
2. 时间风险:项目涉及的任务和活动可能需要更多的时间来完成,导致项目延期。
这可能是由于任务难度高、资源不足、外部因素干扰等原因导致的。
延期可能会影响项目的目标实现、增加成本并引起其他风险。
3. 成本风险:项目实施过程中的成本可能高于预期,可能由于材料价格上涨、人工成本增加或其他原因造成。
成本风险可能导致项目无法按计划实施或导致项目预算超支。
4. 市场风险:项目所针对的市场可能发生变化,导致项目无法达到预期的销售和利润目标。
市场风险可能涉及市场需求下降、竞争加剧或新的市场机会出现,需要对项目进行相应的调整。
5. 人员风险:项目所依赖的团队成员可能在项目进行过程中离职或无法履行职责,导致项目进展受阻。
此外,团队成员的能力、经验和合作能力也可能影响项目的成功实施。
6. 法律和合规风险:项目可能需要遵守特定的法律、法规和标准,如果未能遵守可能会导致法律诉讼、罚款或项目终止。
此外,相关的政府政策和行业标准变化也可能对项目产生影响。
7. 外部风险:项目所处的外部环境可能发生变化,如政治不稳定、自然灾害、经济景气度下降等。
这些外部因素可能会影响项目进展,并导致项目无法成功实施。
8. 交付风险:项目交付的成果可能存在质量问题或未能满足客户的期望,导致客户不满意或拒绝接受交付物。
交付风险可能会导致额外的成本和努力,以修复或重新交付项目成果。
以上是某项目可能面临的一些风险因素,在项目管理过程中应该及早识别、评估和管理这些风险,以提高项目的成功实施和交付。
通过制定相应的风险应对措施和计划,可以减轻风险带来的影响并提高项目的成功率。
项目风险因素是项目管理中不可忽视的重要组成部分。
项目经理和团队应该具备识别、评估和应对风险的能力,以确保项目能够按时、按质地完成,达到预期的目标。
附件附件3:潜在事故类型的确定参照依据GB/T 6441—86《企业伤亡甲故分类》所编制的“事故类型参考表”•科目2生活活动科目4工程施工5.3.4.1.10 砂石扬建设活动描述编号危窖播述他冉够性8故莢别X般评价F11对于•分在切断机刀片两边據住侧筋饴自送料慢作失机械伤啻(A3)H F12怕筋与菇他物件混孚操作失«<V,2)超St伤再CA4)HF13单绿iSE係筋撫作次1X( V. 2)451&伤育(A.4)HF14在长御翎中夹湍短饰假、钢筋头、御板零吊袋操作久iM(V.2)起取伤育CA4)HF15 F16'从人员.卒辆塹驶丸上方吊运钢筋在无叨护描葩的垂宜交叉施工悚作失ig(V.2) 作业环境不良(1.12)屈鱼伤育CA.4J物体打tfcKA.l)HHF17在潞瞳觀过2ni的耶付未全带操作失W(V 2)高处坠淇(A 9)H F18振捣棒来使用2W电像护側盼护峡略(】.2)<0 电QV5)H F19晓灌2来以上结构混凝土未搭设垛作平台作业环境不良CL12)高处坠落(A9>HF2O F21泛饥平台临边无IW沪枝的枝料MB从人员上方小垢作业环境不良(112)怜件失溟22〉禺处於雄CAS»胡疝伤宙CA 4)HHF22冲洗汆传时筒口站人垛作失«(V,2)物体打由(A 1)H编号危吉临述&故炎别网险评价F1施工单位尤烬破作业饭质?&W*8»(V1)曲炮(AJI )HF2艰砸作业人妃无爆硏作业廣喷怦作次iX(V2〉強炮<A II)HF3未制定,埠破切坝曲测力案且烁破实施方案缺旳4S«*»« <vi)枚炮<A.ll)HF4未竝和爆破作业安全sfix#n«tift计戒未审批ISIT 伟课(XU)放炮(A.H〉HF5爆破方买缺陷(如现场开挖与爆破蛇工文体交又老虑不周.居绘环境因索考虑不周竽〉<vi)1条炮(A 11>HF6灯:药与瑶燿黯材来分开再放慄作失«(V2)火跖爆炸(A 14)HF7炸药炖输牟俩也章超速行驶垛作失«(V2)火跖爆炸<A 14>HF8洞顶松动的岩有条満除千净作业环境不诞(LI 2)彻体打击(A.I)HF9洞脸耒删定支沪描施物体打由(A 1)HF1O汨脸未逬行KLiffl坍埸(A 10)HF11般爆器材与炸:药存放一妃擁斥央谋(V2)放炮(All)IIFI2刃蛮尿运丢放(恥、W.丢、悴)炸药及器材嫌作失泯<V2)欣炮CA.11 >HF13使用电HT笛设各.设雄缺跑(L1)放炮(All)H爆阪WS 工5.3.4.1.6 営规岛桩基5.3.4.1.5 核岛负挖5.3.4.1.3 填海工程5.3.4.1.4 厂平开挖5.3.4工稗施工活动5.3.4.1 电站前JW施工5.3.4.1.1 拆除工程5.341.2 逍路工程5.3.4.1.11挽拌站理设。