脉搏波血压计产品技术要求深圳瑞光康泰
- 格式:docx
- 大小:20.52 KB
- 文档页数:5
脉搏波血压计-简介脉搏波血压计是毕业于清华大学的吴小光博士及其研究团队于2012年研制成功的一种无创精密血压计,现已获得中国国家专利局颁发的发明专利,并已申请国际专利,并由深圳瑞光康泰医疗设备有限公司推出商业产品。
能够无创精密测量血压的脉搏波血压计的问世,标志着我国医疗器械的研究水平已跃居国际前列。
无创精密脉搏波血压计创造性地采用了脉搏波探测技术,解决了柯氏音血压计发明至今,107年以来的血压无创精密测量的难题,弥补了国际无创精密血压测量领域的空白。
脉搏波血压计-研制背景随着科技的迅猛发展,医疗领域产品朝着更精准、更方便、更易操作的方面演变、进化,但是血压测量仪器的发展却是缓慢的,继107年前柯氏音血压测量法发明至今,只有上世纪九十年代的示波法的发明与运用对血压测量仪器的普及起到了一定的推动作用,但总体上来讲血压测量仪器的科技含量依然十分低下,维持百年未变,时至今日已完全不能够适应心脑血管疾病的医学诊断的技术要求。
脉搏波血压计是毕业于清华大学的吴小光博士及其研究团队于2012年研制成功的一种无创精密血压计,是继有创血压测量法、柯氏音测量法、示波法之后血压测量技术的又一次飞跃性突破,因其现今的理念和奇特的测量方式,解决了柯氏音血压计发明至今血压无创血压测量难以表述真是血压值的难题,弥补了国际无创精密血压测量领域空白的产品。
脉搏波血压计临床报告结论临床试验值国家标准收缩压平均差0.1mmHg(0.013kPa)±5mmHg(±0.67kPa)舒张压平均差-0.3mmHg(-0.040kPa)±5mmHg(±0.67kPa)收缩压标准偏差 1.6mmHg(0.213kPa)8mmHg(1.067kPa)舒张压标准偏差 1.7mmHg(0.226kPa)8mmHg(1.067kPa)脉搏波血压计-原理脉搏波是心脏的搏动(振动)沿动脉血管和血流向外周传播而形成的,好比是水面的波纹。
脉搏波血压计用户指导手册控制血压,从准确测量开始!深圳瑞光康泰科技有限公司前言 (3)高血压相关知识 (3)什么是高血压 (3)高血压的分级 (3)血压异常的原因及危害 (4)哪类人群容易患高血压 (4)血压精确测量的临床意义 (5)血压测量仪器的发展阶段及其优缺点 (5)第一个发展阶段,有创插管血压测量法 (5)第二个发展阶段,柯氏音法(水银汞柱法) (6)拓展阅读: (7)第三个发展阶段,示波测量法 (7)第四个发展阶段,脉搏波测量法 (8)脉搏波血压计相关知识及使用方法 (8)脉搏波血压计的原理 (9)脉搏波血压计优势、特点 (9)脉搏波血压计正确的使用方法 (9)测量血压时的注意事项 (10)血压测量的误区 (10)拓展阅读: (10)如何预防高血压 (12)一、合理膳食: (12)二、适量运动: (13)三、戒烟限酒: (13)四、心理平衡: (13)常见问题答疑 (13)附: (16)运动血压检测表格 (16)家庭自测血压及心率检测卡 (16)前言在我国,高血压普遍存在着患病率高、病死率高、残疾率高的“三高”和知晓率低、治疗率低、控制率低的“三低”特点。
2004年10月12日,国务院新闻办在新闻发布会上发布的《中国居民营养与健康状况调查报告》中指出:我国成人高血压患病率为18.8 % , 估计全国现患病人数为1.6 亿,比1991 年增加7000多万,而人群高血压知晓率、治疗率和控制率仅为30.2 %、24.7 %和6.1%。
这些数字使我国成为世界上高血压危害最严重的国家之一。
我国高血压发病率有北方高于南方、男性高于女性的特点,另外,我国农村高血压发病率正在快速上升,“城乡差别”明显缩小。
更令人担忧的是高血压患病率的增加趋势,年轻人群比老年人更明显:35—44 岁人群高血压患病增长率男性为74 %,女性为62%。
总体来讲,在过去几十年中,我国高血压的患病率正在快速增加。
我国成年人中估计的高血压人数已经从1960年的3000万增加到1980年的5900万,尔后又增加到1991年的9400万,而现在是1.6亿,每年新增高血压患者600多万,另有150万人死于由高血压引起的脑卒中。
电子血压计的认证现状和实验方法——RG-BPⅡ3600型脉搏波血压计准确性试验谢晋湘阜外心血管病医院关于电子血压计的临床研究和质量认证,2007年我们就开始了这项工作。
因为现在的市场准入制度没有健全起来,血压计随时都可以进去,质量也得不到保证,因此要制定电子血压计的认证标准,才能把握血压测量的准确性问题。
面对众多的高血压患者,水银血压计取消之后,由什么样的血压计来顶替?电子血压计是最主要的选择。
但到现在我们一共只认证了七个型号,包括现在介绍的脉搏波血压计,由此看来企业的产品认证热情并不太高。
因此,通过各种方式提高人们对电子血压计质量认证的重视是非常必要的。
现在电子血压计认证工作主要有两个方法,一个是美国的AMI的方法,一个是欧洲的EHS方法,一直以来我们参照的是欧洲的方法。
从2009年开始我们已经制定了成人无创自动血压计检测血压进行评估的方案,经过北京市医疗器械审评中心讨论,已经正式启用。
而方案的制定主要参照了2002年欧洲EHS的评估方案,所以它实际是一个国际方案。
下面我们就以深圳瑞光康泰科技有限公司的RG-BPll3600型脉搏波血压计为例,了解一下整个临床测试的过程和方法。
一、受试者的选择和准备工作1.受试者人数及其血压范围在实验中我们选择了33个病人,一共分成了低中高三个组,收缩压是90~180 mmHg,舒张压是40~130 mmHg,在实验中第一组、第二组很好找,第三组的病人非常不好找,因为此组血压的范围是高压161~180 mmHg,低压要求101~130 mmHg。
通过实验,主要是检验一下电子血压计在高压部分和低压部分测量的准确性问题,所以每个组第一次我们用了15个病人,第二次要求33个病人,包括了第一次的15个病人。
受试者总人数组别血压范围mmHg第一阶段人数第二阶段人数收缩压舒张压33 低90~129 40~79 5 11中130~160 80~100 5 11高161~180 10~130 5 112.测量设备的要求①矫正过的水银血压计,允许误差±2 mmHg;②标准的袖带、气囊;③两人听诊用听诊器,听诊器质量应符合要求,要求两个人来同时听,要求这两个人的血压测量值差必须在四个毫米汞柱以内,如果不到四个毫米汞柱以内,就必须重新测量;④血压与受试者一般情况记录表;⑤被检测的血压测量设备,由评估小组随机抽取。
2.性能指标2.1.外观结构与标识2.1.1.外观和结构a)血压计外壳应整洁、色泽均匀,无明显划痕、毛刺、裂纹、变形等现象。
b)血压计上的文字及标志符号应清晰、准确。
c)血压计各部件连接应可靠,按键灵活,无卡键和影响操作现象。
2.1.2.标识应符合YY 0670-2008中4.2的要求。
2.2.软件血压计的软件具有测量血压、脉率、语音播报、充电指示、存储和回放数据通过蓝牙、wifi、NB-IOT、GPRS方式进行数据传输的功能。
2.3.血压计的显示范围及准确度2.3.1.压力测量范围为0kPa~39.9kPa (0mmHg~299mmHg),误差为±0.4kPa (±3mmHg)。
2.3.2.脉搏测量范围为30次/分~199次/分,误差为±5%以内。
2.4.分辨率2.4.1.血压显示分辨率应为0.133kPa(1mmHg);2.4.2.脉搏显示分辨率应为1次/分钟。
2.5.压力重复性在静态连续低压状态下测量,在刻度范围内每一点重复测量的读数之间的差值应不大于0.533kPa(4mmHg)。
所有读数应符合2.20中的要求。
2.6.血压示值重复性应不大于0.4kPa(3mmHg)。
2.7.安全要求2.7.1.最大袖带压最大袖带压应不超过40kPa (300mmHg)。
另外,血压计在袖带压力处在2kPa (15mmHg)以上的时间应不超过3min。
2.7.2.泄气在充气系统阀门全开快速放气的情况下,压力从34.67kPa (260mmHg)降到2kPa (15mmHg)的时间不应超过10s。
2.8.充气源充气源应能在10s内提供足够的空气使得200cm3(12立方英寸)的容器内的压力达到40kPa(300mmHg)。
2.9.自动气阀2.9.1.漏气阀门关闭时,在初始压差分别为250mmHg (33.33kPa)、150mmHg (20kPa )、50mmHg (6.67kPa)状态下,一个容积不超过200cm3容器内的最大压降,在10s内应不超过0.267kPa (2mmHg)。
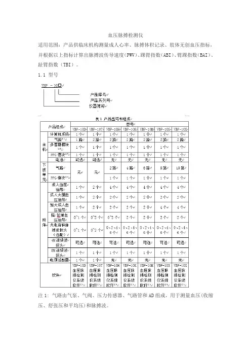
血压脉搏检测仪适用范围:产品供临床机构测量成人心率、脉搏体积记录、肢体无创血压指标,并根据以上指标计算出脉搏波传导速度(PWV)、踝臂指数(ABI)、臂踝指数(BAI)、趾臂指数(TBI)。
1.1 型号注1: 气路由气泵、气阀、压力传感器、气路管和AD组成,用于测量血压(收缩压、舒张压和平均压)和脉搏波。
注2: 多普勒模块由控制电路、发射电路、接收放大电路和AD组成,用于多普勒法测血压(仅测收缩压)。
多普勒模块用于发射接收4M、8M连续波。
注3: PPG模块由信号调理电路和AD组成,用于采集PPG探头信号。
注4: 详见产品功能差异表1.2 产品组成VBP-10D、VBP-10T由主机、血压袖带、超声多普勒探头(选配)、光电容积脉搏波探头(选配)、电源适配器、电池(选配)和软件组成。
VBP-10H、VBP-10K、VBP-10M、VBP-10S、VBP-10X由主机、下肢单元、血压袖带、超声多普勒探头(选配)、光电容积脉搏波探头(选配)和软件组成。
1.3 软件信息a) 产品名称:VBP-10D血压脉搏检测仪系统软件;VBP-10T血压脉搏检测仪系统软件;VBP-10H血压脉搏检测仪系统软件;VBP-10K血压脉搏检测仪系统软件;VBP-10M血压脉搏检测仪系统软件;VBP-10S血压脉搏检测仪系统软件;VBP-10X血压脉搏检测仪系统软件。
b) 软件发布版本:V1.0;c) 版本命名规则软件版本编号分四段如下所示:重大增强类软件更新:影响到医疗器械安全性或有效性的增强类更新,如影响预期用途,使用环境或核心功能的为重大软件更新。
轻微增强类软件更新:不影响医疗器械安全性与有效性的增强型更新或纠正型更新。
纠正类软件更新:医疗器械软件上市后,为修正软件已知缺陷或潜在未知缺陷以避免出现运行故障而进行的软件更新。
构建:是指软件编译生成一个工作版本,符合软件更新的定义,通过质量管理体系进行控制。
d)软件运行条件CPU:4核(1.4GHz)及以上内存:2G;存储:8G;显示器分辨率:1280×800及以上;软件运行平台:Android5.1及兼容版本2.1 工作条件2.1.1 环境条件a)环境温度范围:5℃~40℃b)相对湿度范围:15%~80%c)大气压力范围:80KPa~105KPad)电源条件:电压AC100-AC240V,频率50-60Hz,输入功率98VA。
脉搏波法无创电子自动血压计检定规程1范围本规程适用于脉搏波法原理的无创电子自动血压计[以下简称血压计,包括无创血压监护仪、多参数监护仪(无创血压部分)及电子血压计]的首次检定、后续检定和使用中检查。
2引用文件本规程引用下列文件:JJG 692-2010无创自动测量血压计YY 0670-2008无创自动测量血压计IEC 60601-2-30:2009医用电气设备一第2-30部分:自动无创伤性血压计的基本安全和基本性能的专用要求ISO 81060-2: 2013无创血压计一第2部分:自动测量型血压计临床验证试验(OIML) R16-2无创自动血压计凡是注日期的引用文件,仅注日期的版本适用于本规程,凡是不注日期的引用文件,其最新版本(包括所有修改单)适用于本规程。
3术语和计量单位3. 1术语3. 1. 1 脉搏波pulse wave脉搏波是心脏的搏动(振动)沿动脉血管和血流向外周传播而形成的波。
3・1・2舒张压diastolic blood pressure由血液循环系统中心脏(室)舒张结果产生的动脉血压的最小值。
3・1・3收缩压systolic blood pressure由血液循环系统中心脏(室)收缩结果产生的动脉血压的最大值。
3. 1.4袖带cuff由气囊和套带组成的部件,缠绕于病人肢体上使用;气囊是袖带内的可充气部件,套带是包围气囊的无弹性部分。
3. 1. 5血压模拟器non-invasive blood pressure simulator , NIBP simulator 模拟脉搏波法充气和放气过程中袖带脉搏波的设备。
3. 1. 6 无创血压监护仪non-invasive blood pressure monitor , NIBP 一种可自动定时启动血压测量和记录人体血压的无创自动测量血压计。
3. 1. 7 脉率pulse rate动脉波动的频率。
3. 2计量单位采用的计量单位有:千帕斯卡(kPa)、毫米汞柱(mmH) g > 秒(s) o4概述采用脉搏波法原理的血压计,能对人体上臂、手腕、大腿部位的动脉血压进行间接测量。
手持脉搏血氧仪适用范围:用于对成人和儿童血氧饱和度和脉率进行点测和连续测量。
1.1 型号命名1.2 产品组成手持脉搏血氧仪是由主机、成人血氧探头、MedView-NP(中文版)软件光盘、绑带式血氧探头(选配)、儿童指夹血氧探头(选配)、电源适配器(选配)、USB数据线(选配)、电源底座(选配)组成。
1.3 不同型号的功能说明,见下表:表1 不同型号的功能说明2.1 正常工作条件a) 环境温度范围:环境温度:0~40℃b)相对湿度范围:≤80%(无冷凝)c) 大气压力范围:86~106kPad) 电源条件:3节AA(5号) 碱性电池或DC4.5V或DC /5V。
2.2 外观2.2.1 手持脉搏血氧仪外观应平整光洁,色泽均匀,无划痕、变形的缺陷。
2.2.2 手持脉搏血氧仪文字和标志应清晰。
2.3 显示模式1)波形模式:可显示血氧饱和度、脉率、脉搏柱及波形。
2)大字模式:只显示血氧饱和度、脉率及脉搏柱。
2.4血氧饱和度血氧测量范围:70%~100%,70%以下无定义;血氧分辨率:1%;血氧测量精度:在静止状态下,±2%;2.5脉率脉率测量范围:30~250次/分;分辨率:1次/分;脉率测定精度:在静止状态,±2次/分或±2%(相对误差)(取较大者);2.6数据存储、回放、传输、删除2.6.1 数据存储:血氧、脉率数据,每4秒钟存储一次。
存储容量应不大于72小时,可以循环存储。
超出72小时后,进行自动覆盖。
2.6.2 数据回放:回放模式包括:数据表、血氧趋势图、脉率趋势图。
2.6.3 传输功能:USB数据可上传,在传输时,本机有USB图标显示。
2.6.4 数据可删除:即可以删除所有数据;2.7开关机操作:长按3s电源键开机,再次长按4s关机。
2.8电池电量指示:MD300K2电池电压低于3.7V时,MD300M电池电压界于3.52V< V ≤3.74V时,低电量提示,电池电量标志闪烁。
电子血压计产品的技术要求与性能指标1. 介绍电子血压计是一种现代医疗设备,用于测量人体血压值的仪器。
随着技术的不断进步,电子血压计的技术要求和性能指标也在不断提升。
本文将探讨电子血压计产品的技术要求和性能指标,以帮助消费者更好地了解如何选择适合自己的电子血压计产品。
2. 技术要求2.1 自动充气现代电子血压计应具备自动充气功能,能够根据用户设定的参数自动对袖带充气,便于用户操作,减少误差。
2.2 高精度传感器电子血压计的传感器应具备高精度,能够准确捕捉袖带压力和脉搏信号,确保测量结果的准确性。
2.3 大屏幕显示产品应具备大屏幕显示,方便用户查看血压值和心率值,并且应具备清晰易读的显示效果,保护用户视力。
2.4 蓝牙连接功能一些高端电子血压计产品还具备蓝牙连接功能,可以将测量数据同步至手机或电脑,方便用户随时查看和管理自己的健康数据。
3. 性能指标3.1 测量范围电子血压计产品的测量范围通常为收缩压(高压)60~260 mmHg、舒张压(低压)40~199 mmHg、脉搏60~180 次/分,范围越宽越适合不同人群使用。
3.2 测量精度测量精度是评价电子血压计产品的重要性能指标,通常应控制在±3 mmHg以内,确保测量结果准确可靠。
3.3 充电和电池寿命电子血压计产品通常采用充电或电池供电,应具备长时间的电池寿命或快速充电功能,以确保用户持续使用。
3.4 储存和导出数据功能一些电子血压计产品还具备数据存储和导出功能,可以保存历史测量数据,并且方便用户将数据导出到其他设备进行分析。
4. 结论通过对电子血压计产品的技术要求和性能指标的介绍,我们可以看出现代电子血压计产品在精度、便捷性和智能化方面不断提升。
消费者在选择电子血压计产品时,可以根据自身需求和预算综合考虑各项技术要求和性能指标,选择最适合自己的产品。
希望本文能够为读者提供一些参考,帮助他们更好地了解电子血压计产品的特点和选择方法。
医疗器械产品技术要求编号:脉搏血氧仪1. 产品型号/规格及其划分说明1.1 型号规格WC-10、WC-201.2 组成由主机和附件(血氧探头、绑带以及电缆)组成。
1.3 适用范围适用于在医院、家庭中测量成人和儿童患者的脉搏血氧饱和度及脉率。
2.性能指标2.1 脉搏血氧饱和度参数2.1.1应符合 YY 0784-2010《医用电气设备医用脉搏血氧仪生理参数监测仪设备基本安全和主要性能专用要求》。
2.1.2测量范围及准确度(1)测量范围测量范围应为 70%~100%。
(2)准确度在 70%~100%范围内,准确度应为±2% 。
1.1脉率参数显示范围应为 20bpm~250bpm;准确度应为±2bpm 或±2% 取大者。
1.2电池工作时间连续测量状态下,电池工作时间不低于 16 小时。
1.3数据存储脉搏血氧仪应可存储血氧和脉率数据。
1.4接口数据导出功能脉搏血氧仪应具有通过 USB 接口导出存储数据的功能。
1.5蓝牙连接功能脉搏血氧仪应具有蓝牙连接功能。
1.6数据管理2.7.1数据接口脉搏血氧仪的数据接口为 USB 接口、蓝牙通信接口;采用的传输协议分别为 USB 的 hid 和 msc 标准协议以及蓝牙的 BLE 标准协议。
2.7.2用户访问控制2.7.2.1USB 通信时,用户通过 PC 机预装专门的数据查看软件,采用 USB 数据电缆建立连接后,才能访问测量的数据,且只能读取无法写入。
2.7.2.2蓝牙通信时,用户通过预装专门的数据查看软件,选择对应设备的 S/N号建立连接后,才能访问测量的数据,且只能读取无法写入。
1.7提示功能用户可设置蜂鸣提醒的开关以及阈值,在血氧值低于设置的阈值时会发出蜂鸣,从而提醒用户。
1.8正常工作状态脉搏血氧仪接入脉搏血氧饱和度信号,应能正常显示脉搏血氧饱和度值和脉率数据。
1.9外观脉搏血氧仪外观应端正,表面应平整光洁、色泽均匀,不应有明显凹凸、裂纹、锋棱毛刺;文字和标志应清晰、准确、牢固;操作机构灵活,紧固件无松动。
2. 性能指标2.1外观与结构2.1.1 血压计外形应不得有明显划痕、气泡、锋棱、毛刺、污垢。
2.1.2 血压计的文字、符号标志应清晰、准确、牢固。
2.1.3 血压计各控制装置应灵活、可靠、无失灵现象,各紧固件应无松动现象。
2.1.4 腕带、腕带气囊、接插件应无损坏现象。
2.2 血压计测量范围及显示分辨率2.2.1 血压测量范围应为0.0kPa~37.3kPa(0mmHg~280mmHg),显示分辨率应为0.1kPa/1mmHg。
2.2.2 脉率测量范围应为40次/分~180次/分,显示分辨率应为1次/分。
2.3 血压计测量误差2.3.1 在6.7kPa~37.3kPa(50mmHg~280mmHg)范围内,静态压力示值最大允许误差首次检定应为:±0.4kPa(±3mmHg)。
2.3.2 压力传感器准确性在量程中的任何测量点上,腕带内压力测量的最大误差应是±0.4kPa(±3mmHg)。
2.3.3 脉率测量误差脉率测量误差应在±5%以内。
2.4重复性2.4.1可重复性血压计在静态连续低压状态下测量,在刻度范围内每一点重复测量的读数之间,相差应不大于0.533kPa(4mmHg)。
所有读数应符合2.3.2的要求。
2.4.2血压示值重复性不大于0.7 kPa(5mmHg)2.5显示功能a)血压计的液晶显示器上应能显示收缩压、舒张压和脉率,并有相应的单位形式显示;b)液晶显示器显示过程中不应有缺笔划的现象。
2.6自动归零功能血压计每次开机后应能自动归零一次。
2.7测量错误提示功能血压计在未能正确测量血压或脉率时应有相应的错误提示显示。
2.8低电压提示功能当血压计的电源电压为最低工作电压(2.2±0.1V)时,血压计应有低电压提示标记。
2.9超压保护功能血压计应具有超压保护功能。
当气路压力升至最高保护气压(见表1)时,血压计的超压保护应启动,此时急速放气阀开启,并能快速降压。
脉搏血氧测量仪技术参数一、测量范围1.SPO20-100%2.脉搏率25-240次/分钟3.*血流灌注指数(PI) 0.02-20%4. 脉搏灌注变异指数(PVI)0- 100%二、准确度及灵敏度1.SPO270-100%无体动时成人/儿童/婴儿±2%新生儿±3%★体动时成人/儿童/婴儿/新生儿±3%★低灌注时成人/儿童/婴儿/新生儿±2%SPO2 60-80%无体动时成人/儿童/婴儿±3%2.脉搏率准确度脉搏范围25-240次/分钟无体动时成人/儿童/婴儿/新生儿±3次/分钟体动时成人/儿童/婴儿/新生儿±5次/分钟低灌注时成人/儿童/婴儿/新生儿±3次/分钟3 PVI 可以改善手术和重病监护期间的输液和输血管理4. ★灵敏度设置:APOD(传感器脱落自适应探查),正常灵敏度,最大灵敏度三种三、分辨率血氧饱和度(%SpO2)1%脉搏率(bpm)1次/分钟呼吸频率(RRa,RRp)1次/分钟显示TFT彩色触摸屏480点×272点0.25毫米点距四、操作性能1.进口主机,底座与主机可分离,方便转运和抽样检查。
2.★显示屏具备重力驱动式自动旋转功能:水平和垂直方向显示可自动切换。
五、报警1.针对高低血氧饱和度和脉搏率的声音和可视报警(SPO2 1-99%,PR 30-235次/分,RRa 4-69次/分钟,SpHb 1- 24.5g/dl, SpMet 1-99.5%,SpCO 1-98%,PI0.03- 19% ,PVI 1- 99% 报警2.传感器状态、系统故障和电池电量低报警3.声音和可视报警4.★三维报警:除了上下限报警之外,还可设置患者在一个特定的时间段内达到特定的减饱和次数时,系统将发出声音报警和可视报警,特别是在发生超过典型的低报警事件之前,可能已经出现一个周期且很有限的瞬间减饱和症状,所以三维报警能够提示临床更加密切监测或调整治疗方案。
脉搏血氧仪技术参数要求
1.血氧饱和度:
测量范围:70%~100%
显示范围:0% ~100%
测量精度:运动状态下:±3% 非运动状态下:±2%
分辨率:1%
2.脉搏率:
测量范围:30~250次/分
测量精度:±3次/分
分辨率:1次/分
3.屏幕显示参数:血氧饱和度、脉率、脉搏强度柱状显示
4.配备蓄电池要求:单次电量非蓝牙操作可达至少24小时,蓝牙操作可达至少12小时
5.软件要求:
具有专业的分析软件
基于Windows平台
可通过蓝牙或USB连接线将主机存储的数据传送到带分析软件的PC电脑
可评估SAHS患者的治疗效果
可进行呼吸监测、睡眠分析,用于睡眠呼吸疾病的筛查与诊断分析报告必须包含完整的数据和SpO2趋势曲线
分析结果可出具可靠的、简洁的分析报告,且分析报告可打印
该软件可独立分析病人数据,无需上传至其他服务器或平台进行数据分析。
且病人数据保存至本地PC电脑
6.配置要求:该脉搏血氧仪必须具备:
脉搏血氧仪主机、配套的血氧饱和度探头
蓄电池、绑带件
装有分析软件的光盘和数据传输线
PC电脑:联想家悦3005台式机整套(含鼠标键盘)
打印机:惠普M1136黑白激光打印机 A4打印。
性能指标2.1外观与结构2.1.1检测仪外观应整洁,色泽均匀,无伤痕、刮痕、裂缝等缺陷。
2.1.2面板上的文字和标志应清晰可见。
2.1.3控制和调节机构应灵活、可靠、紧固部位无松动。
2.2性能要求检测仪性能应满足YY0670-2008的要求;不适用条款如下:序号不适用条款14.2.1a)、4.2.1b)、4.2.1c)、4.2.1d)、4.2.1e)、4.2.2、4.2.3f)、4.2.3j)、4.2.3m)、4.2.4.3、4.6.2.1、4.6.2.2、4.6.2.3、4.7.1.1、4.7.1.2、4.7.2.1、4.7.2.2、4.7.2.324.2.3n)中对于使用有创法验证的设备,应具备如下(或实质等同的)声明“本设备所测的血压值和有创法的测量值等价,其误差应符合YY0667-2008规定的要求。
”对于用有创法验证的设备,还应说明验证设备时所选择的动脉;对于用两种方法验证的设备,上述两段声明是可以合并的;34.4.1.1中对于公用、家用及其他无人监管下使用的设备,应提供一种限制压力的措施以保证袖带压决不超过40kPa(300mmHg);对于新生儿设备,在新生儿的工作模式下应提供一种限制压力的措施以保证袖带压决不会超过20kPa(150mmHg),另外,设备应保证袖带压力在0.67KPa(5mmHg)以上的时间不超过90s;自动循环无创血压监护设备应符合YY0667-2008的要求;44.4.1.2中对于可用于新生儿模式的血压测量系统,在充气系统阀门全开快速放气的情况下,压力从20kPa(150mmHg)降到0.67kPa (5mmHg)的时间不应超过5s;54.6.3.3中对于用于新生儿模式的血压测量系统,充满气体的系统在阀门全开时的快速放气,压力从20kPa(150mmHg)下降到0.67kPa (5mmHg)的时间不应超过5s;64.7.3.1如果自动血压计的制造商提供了超出上述范围的袖带或使用其他测量点(非上臂)的袖带,那么制造商应提供验证这个系统准确性的数据2.3产品功能2.3.1量程压力测量范围为0mmHg~296mmHg(0kPa~39.5kPa);2.3.2分辨率显示分辨率为1mmHg(0.133kPa)。
手腕式全自动电子血压计2.性能指标2.1外观与结构2.1.1血压计的外观应整洁美观,表面色泽均匀,无明显划痕、破损、锋棱、毛刺及变形。
2.1.2血压计的配件应整洁美观,无破损、裂纹,相互连接可靠。
2.1.3血压计的控制和调节机构应动作可靠、灵活,紧固件无松动现象。
2.1.4血压计的文字和标记应清晰、准确、牢固。
2.2显示功能a)无压力时,应指示在零位。
b)在显示过程中,不应有缺笔划现象。
c)血压计应用“kPa”或“mmHg”计量单位的形式进行显示。
d)显示屏上应能正常显示收缩压、舒张压和心率的测量数值。
2.3脉率血压计的脉率测量范围不窄于(40~199)次/min,允差±5%;显示分辨率为 1 次/min。
2.4自动关机功能启动血压计后,若无任何操作,血压计应能在规定时间内自动关机,自动关机时间应符合表 1 的要求。
2.5自动归零功能血压计每次启动时,应能自动归零一次。
2.6记忆功能血压计具有数据存储、数据回放的功能。
2.7低电压提示2.7.1当血压计电压低于 2.4V 时,显示屏应有低电压提示符号。
(适用于 RAK163、RAK166、RAK168、RAK169、RAK183、RAK186、RAK188、RAK189)。
2.7.2当血压计电压低至3.3V±0.2时,显示屏应有低电压提示符号。
(适用于RAK163LRAK165L)。
2.8时间设定血压计应能设定时间和显示时间(RAK168、RAK188 不适用)。
2.9测量错误提示功能血压计在未能正确测量血压或未能正确测量心率时,均应有错误提示。
2.10超压保护功能血压计应有超压保护功能,当压力显示超过 40kPa(300mmHg)时,血压计的放气阀应开启,并应在 10s 内气路压力降至 2kPa(15mmHg)以下。
2.11尺寸血压计的尺寸应符合表 1 的要求。
2.12语音提示功能。
血压计应具有语音提示功能(RAK168、RAK183、RAK186、RAK188 不适用)。
脉搏血氧饱和度传感器1 范围本文件规定了脉搏血氧饱和度传感器的分类和型号、技术要求、试验方法、检验规则、标志、包装、运输及贮存。
本文件适用于公司生产的脉搏血氧饱和度传感器。
2 规范性引用文件下列文件中的内容通过文中的规范性引用而构成本文件必不可少的条款。
其中,注日期的引用文件,仅该日期对应的版本适用于本文件;不注日期的引用文件,其最新版本(包括所有的修改单) 适用于本文件。
GB/T 191 包装储运图示标志GB/T 2828.1—2012 计数抽样检验程序第1部分:按接受质量限(AQL)检索的逐批检验抽样计划GB 9706.1 医用电气设备第1部分:基本安全和基本性能的通用要求GB/T 14710—2009 医用电器环境要求及试验方法GB/T 16886.5—2017 医疗器械生物学评价第5部分:体外细胞毒性试验GB/T 16886.10—2017 医疗器械生物学评价第10部分:刺激与皮肤致敏试验GB/T 26125 电子电气产品六种限用物质(铅、汞、镉、六价铬、多溴联苯和多溴二苯醚) 的测定GB/T 26572—2011 电子电气产品中限用物质的限量要求YY 0505 医用电气设备第1-2部分:安全通用要求并列标准:电磁兼容要求和试验YY 0784 医用电气设备医用脉搏血氧仪设备基本安全和主要性能专用要求3 术语和定义本文件没有需要界定的术语和定义。
4 分类和型号分类产品按使用次数可分为一次性使用和重复性使用两类。
型号4.2.1 一次性使用产品型号命名按照以下顺序及规则进行:a) AMD 代表公司名称简写;b) DS 代表产品名称代号,表示一次性使用产品;c) A、N 代表成品系列,其中 A 表示成人产品,N 表示成人可用产品;d) M、F、S 代表成品类型,其中M 表示无纺布产品、 F 表示泡棉产品、S 表示海绵产品;e) 成品类型后接四位数字代表成品流水编号;f) 成品流水编号后接一位数字代表产品研发代号。
2.性能指标
2.1外观和结构及标识
2.1.1外观和结构
a)血压计外壳应整洁、色泽均匀,无明显划痕、毛刺、裂纹、变形等现象。
b)血压计上的文字及标志符号应清晰、准确。
c)血压计各部件连接应可靠,按键灵活,无卡键和影响操作现象。
2.1.2标识
应符合 YY0670-2008 中 4.2 的要求。
2.2血压计的测量范围及准确度
1.2.1血压计压力测量范围为 0kPa~36 kPa (0 mmHg~270mmHg),误差为
±0.4kPa (±3mmHg)。
1.2.2脉搏测量范围为 40/min~180/min,误差为±5%以内。
2.3分辨率
2.3.1血压显示分辨率应为 0.1kPa(1mmHg)。
(适用于 BP-37A、BP-66A、BP-88A)。
压力显示分辨率应为 0.133KPa(1mmHg)。
(适用于 BP-37B、BP-66B、BP-88B、BP-37G、BP-66G、BP-88G)。
2.3.2脉搏显示分辨率应为 1/min。
2.4重复性
2.4.1压力示值重复性
在静态连续低压状态下测量,在刻度范围内每一点重复测量的读数之间的差
值应不大于 0.533kPa(4mmHg)。
2.4.2血压示值重复性
应不大于 0.4kPa(3mmHg)。
(适用于 BP-37B、BP-66B、BP-88B、BP-37G、BP-66G、BP-88G)。
所有读数误差应不超过±0.4kPa(±3mmHg)。
(适用于 BP-37A、BP-66A、BP-88A) 2.5压力传感器的准确性
无论是升压还是降压,在量程中的任何测量点上,袖带内压力测量的最大误差应是±0.4kPa(±3mmHg)。
2.6安全要求
2.6.1最大袖带压
当袖带压力超过 40kPa (300mmHg)时,血压计应能自动卸压。
另外,血压计在袖带压力处在 2kPa(15mmHg)以上的时间应不超过 3min。
2.6.2泄气
在充气系统阀门全开快速放气的情况下,压力从 34.67kPa(260mmHg)降到2kPa(15mmHg)的时间不应超过 10s。
2.7充气源
充气源应能在 10s 内提供足够的空气使得 200cm3 (12 立方英寸)的容器内的压力达到 40KPa(300mmHg)。
2.8自动气阀
2.8.1漏气
阀门关闭时,在初始压差分别为 33.33kPa(250mmHg)、20kPa(150mmHg)、6.67kPa(50mmHg)状态下,一个容积不超过 80cm3 容器内的最大压降,在 10s 内应不超过0.267kPa(2mmHg)。
(适用于 BP-37A、BP-66A、BP-88A)
阀门关闭时,在初始压差分别为 33.33kPa(250mmHg)、20kPa(150mmHg)、6.67kPa(50mmHg)状态下,一个容积不超过 200cm3 容器内的最大压降,在 10s 内应不超过0.267kPa(2mmHg)。
(适用于 BP-37B、BP-66B、BP-88B、BP-37G、BP-66G、BP-88G)
2.8.2气阀/袖带放气率
应符合 YY 0670-2008 中 4.6.3.2 的要求。
2.8.3泄气
充满气体的系统在阀门全开放时的快速放气,压力从 34.67 kPa (260mmHg)降到2kPa (15mmHg)时间不应超过 10s。
2.9带气囊的袖带
2.9.1尺寸
袖带气囊的长度大约为袖带预期适用范围的正中线位置所丈量的肢体周长的0.5 倍~1.1 倍,气囊的宽度为长度的 0.4 倍~0.6 倍。
2.9.2耐压力
袖带气囊以及整个管路应能承受的内部压力等于袖带所预期使用的最大压力。
2.9.3袖带接口/结构
在经过 1000 次开合循环和 10000 次40kPa (300mmHg)的压力循环后,袖带的闭合和密封性仍应完好到足以满足本标准的要求。
2.10系统漏气
血压计整个系统的漏气造成压力下降的速度不应大于 0.133 kPa /s(1mmHg/s)。
2.11寿命
血压计经过至少 10000 次满量程循环以后,仍应满足标准中的 2.2~2.4、2.6 要求。
满量程循环是指压力从 20mmHg(2.67kPa)或更低升高到最大压力值,再降到20mmHg(2.67kPa)或更低。
2.12显示功能
2.12.1血压计的液晶显示器上应能显示收缩压、舒张压、脉率,并能显示“mmHg” 和“kPa”两种计量单位。
2.12.2血压计显示数字及文字应清晰可辨,不存在缺划、断划现象。
2.12.3血压计超出测量范围 0 kPa~36 kPa (0~270 mmHg)或其它异常时,有测量结果出错信息提示:
EE 01
EE 02
其它
2.13低电压提示
在运行过程中,当锂电池电压低于 DC3.3V(允许误差为:±0.1V)时,血压计应显示低电压提示符号“LOP”。
(适用于 BP-37A、BP-66A、BP-88A)在运行过程中,当锂电池电压低于 DC3.5V(允许误差为:±0.1V)时,血压计应显示低电压提示符号“LOP”。
(适用于 BP-37B、BP-66B、BP-88B、BP-37G、BP-66G、BP-88G)
2.14自动关机(适用于 BP-37A、BP-66A、BP-88A)
启动血压计后,若无任何动作,血压计应能在60s±5s 内自动关机。
2.15通信功能
血压计通过专用蓝牙可将测量数据传送至带有蓝牙的终端。
(适用于BP-37B、BP-66B、BP-88B)
血压计通过移动网络将测试数据传送至移动网络终端设备。
(适用于BP-37G、BP-66G、BP-88G)
2.16电气安全要求
血压计应符合 GB 9706.1-2007 规定的要求。
2.17电磁兼容性
设备电磁兼容应符合 YY0505-2012 的要求。
2.18环境试验要求
血压计应符合 GB/T 14710-2009 中气候环境条件Ⅱ组、机械环境条件Ⅱ组以及本技术要求表 2 的要求。
运输试验、电源电压适应能力试验应分别符合 GB/T 14710-2009 中第4 章、第 5 章和本技术要求表 2 的要求。