交分、交渡道岔检查方法
- 格式:doc
- 大小:378.00 KB
- 文档页数:8
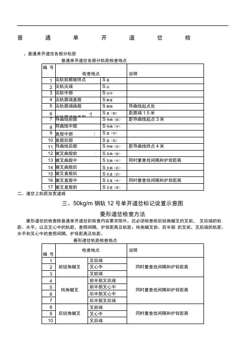
普通单开道岔检查一、普通单开道岔各部分轨距编号检查地点说明1 尖轨前顺坡终点S基2 尖轨尖端S尖3 尖轨中部S尖中4 尖轨跟端直股S跟直5 尖轨跟端曲股S跟曲导曲线起点处6 尖轨跟端后直股S直(前)距跟端1.5米7 导曲线前部S导曲(前)距导曲线起点3米8 导曲线中部S导曲(中)9 直股中部S直(中)10 直股后部S直(后)11 导曲线后部S导曲(后)距导曲线终点4米12 辙叉曲股前S叉曲(前)13 辙叉曲股中S叉曲(中)同时量查找间隔和护背距离14 辙叉曲股后S叉曲(后)15 辙叉直股后S叉直(后)16 辙叉直股中S叉直(中)同时量查找间隔和护背距离17 辙叉直股前S叉直(前)二、道岔上轨距加宽递减三、50kg/m钢轨12号单开道岔标记设置示意图菱形道岔检查方法菱形道岔的检查除普通单开道岔的检查容要求除外,还必须检查前后锐角辙叉的叉前,叉后端的轨距、水平,以及叉心中的轨距,查照间隔,护背距离及轨距;钝角辙叉前、后半部的叉前,叉后端的轨距、水平和叉心中的查照间隔,护背距离及轨距。
编号检查地点说明1前锐角辙叉叉后端同时量查找间隔和护背距离2 叉心中3 叉前端4钝角辙叉前半部叉后端同时量查找间隔和护背距离5 前半部叉心中6 后半部叉心中7 后半部叉后端8后锐角辙叉叉前端同时量查找间隔和护背距离9 叉心中10 叉后端复式交分道岔的检查方法一、交道岔检查的甲、乙股方向确定:站在岔跟端脸向车站、分左右、左股为甲、右股为乙,检查的起点为始端。
以该端左侧(面向钝角部分)一股线路为甲股的检查走向,该端右侧(面向钝角部分)线路为乙股的检查走向。
二、甲股与乙股检查走向的围划分:(见下图)三、检查水平时的基准股确定:(见下图)当基准股高于非基准股时,水平为正“+”;反之,当基准股低于非基准股时,水平为负“—”。
序号检查地点测点实际轨距尺寸水平备注9号12号测点9 121 甲股前锐角辙叉跟S1 1435 1435 H1 02 甲股前锐角辙叉中S2143591-48143591-48××辙叉心宽50至心宽20mm断面处3 甲股前尖轨距顺坡终点S3 1435 1435 H2 09#复交该处距直线尖轨尖端2273mm12#复交该处距直线尖轨尖端2170mm五、复式交发分道岔开口、支距、动程、矢距、正矢等项目的检查位置:甲、乙两股导曲线均由短轴中分为两个部分,起点方向为前部,终点向为导曲线后部。
P60-9#道岔检查注意1:玉符河2组单开(上下行各一组),顺里程上行P0704,下行P0702。
P0704-P0704单渡线2:王府庄3组单开(上行一组,下行两组),顺里程上行P0804;下行线P0802;P0806,P0804-P0806单渡线3:大杨10组,正线4组,上行线2组(顺里程为P0919,P0905),下行线2组(顺里程P0917,p0911),交叉渡线四组单开(东南P0911,西南P0915,东北P0913,西北P0909,)存车线2组,上行线P0907,下行线P0903。
进存车线交渡连接方式P0917-P0915-P0913#,P0919-P0911-P0909#;存车线P0903-P0901#单渡线;P0907-P0905#单渡线4:方特正线4组,顺里程上行线P1106,P1104,下行线P1102,P1108:交渡连接方式P1106-P1108,P1102-P1104,1:尖轨部位要重点检查,尖轨尖有没有碰伤,看有没有裂纹,尖轨尖端有油的及时擦掉,尖轨尖端一定要密贴,看尖轨非工作边与基本轨贴合面有没有肥边,2:尖轨尖端处轨距1440mm,必须容许偏差+-1mm,轨距容许误差(作业验收:+3,-2;经常保养+4,-3);水平容许误差(作业验收4,经常保养5),导曲线不能有反超高,导曲线下股水平不能高3:尖轨在第一拉杆处最小动程(距尖轨尖430mm)160mm,第二点(距尖轨尖4080mm)84mm,尖轨非工作边与基本轨工作边的最小距离65(容许范围-2mm),框架尺寸(距尖轨尖4027mm)为1506mm4:站在道岔前道岔编号铁牌位置,面向尖轨,侧线在左侧出岔道岔叫左开道岔,反过来叫右开道岔5:演马四组单开道岔导曲线上股长时间过车容易出现侧磨,顶面出现麻点和鱼鳞伤重点观察;演马四组单开道岔和菱形岔过车频繁,在岔心心轨顶面宽20——50mm范围内,容易出现飞边(不能超2mm),要重点检查,出现及时打磨。
交分交渡道岔的检查方法一、检查前的准备工作1.查阅相关资料:了解道岔的结构和工作原理,熟悉有关标准和规范。
2.准备必要的工具和仪器:如尺子、直角尺、镊子、试棒、电压表等。
二、外观检查1.检查道岔的外观是否完好,无损坏、锈蚀等情况。
2.检查道岔上的标志标识是否清晰可见。
3.检查道岔的固定螺栓是否牢固,有无松动现象。
三、位置及开闭情况检查1.检查道岔的位置是否正确,轨距是否符合要求。
2.检查道岔的开闭情况,确保在正常工作模式下。
四、各种杆、杆架检查1.检查道岔机械杆、电动杆的固定情况,保证其未松动。
2.检查道岔杆架的稳固情况,无倾斜、松动等现象。
五、导轨检查1.检查导轨表面是否平整、无明显的磨损或凹凸不平的情况。
2.检查导轨的轨距、轨面的垂直度和水平度是否符合要求。
3.检查导轨的固定情况,保证其未松动。
六、道岔心检查1.检查道岔心的固定情况,保证其未松动。
2.检查道岔心的转动是否灵活,无卡滞、偏移等情况。
七、定位器检查1.检查定位器的位置是否正确,固定螺栓是否牢固。
2.检查定位器的工作状态,确保其能够准确控制道岔的开闭动作。
八、电气设备检查1.根据相关标准和规范,检查道岔的接触器和电缆连接是否牢固,无破损、断裂等情况。
2.检查道岔电缆的绝缘状态,保证电缆的安全可靠。
九、动力设备检查1.检查道岔的动力设备(如驱动机、传动装置等)的固定情况,保证其未松动。
2.检查动力设备的工作状态,确保其能够正常提供足够的动力。
十、试验和调整1.进行开闭试验,观察道岔的工作状态,确保其开闭灵活、无卡滞现象。
2.如发现问题,进行必要的调整,保证道岔的正常运行。
以上是交分、交渡道岔的检查方法,通过定期的检查和维护,可以发现并及时解决道岔存在的问题,确保道岔的安全运行。
同时,在检查过程中,要严格按照相关规范和标准操作,确保工作的准确性和可靠性。
道岔检查工具及方法道岔是铁路上的重要设备,用于实现列车的换轨、分离和合并。
为了保证道岔的正常运行,需要定期对道岔进行检查和维护。
下面将介绍一些常用的道岔检查工具和方法。
一、常用的道岔检查工具1.道岔测器:道岔测器主要用于测量道岔的几何尺寸,如道岔的曲线半径、交叉角度、轨距等。
道岔测器通常由测量杆、测量头和指示表组成,通过将测量头放置在道岔上,可以准确测量和记录道岔的各项几何参数。
2.轮压检测仪:轮压检测仪用于测量道岔轨道和车轮之间的压力。
在列车经过道岔时,车轮与轨道之间的压力会对道岔的运行产生影响,通过使用轮压检测仪可以及时发现轮压异常情况,进而采取相应的措施进行维护。
3.温度计:温度对道岔的运行也有影响,特别是在极寒或酷热的环境中,道岔的拉伸和收缩可能影响道岔的定位和闭锁。
因此,使用温度计测量道岔的温度并记录下来,可以帮助工作人员及时发现和解决温度问题。
4.角度测量仪:角度测量仪通常用于测量道岔的交叉角度、道岔铁盖板调整角度等。
通过测量道岔的角度可以判断道岔是否处于正确的位置,是否需要调整或维修。
5.置换闭锁测量仪:置换闭锁测量仪主要用于测量道岔的置换闭锁长度和置换开度。
通过测量置换闭锁长度和置换开度,可以判断道岔是否处于正确的位移和闭锁位置,是否需要进行相应的维护。
二、道岔检查方法1.目视检查:工作人员可以通过目视检查道岔的状态和外观,特别是检查道岔的道牙、道床、道岔铁盖板等部位是否存在损坏、变形或锈蚀等情况。
同时,还需要检查道岔轨距、道岔的直线通道是否符合标准要求。
2.几何检查:使用道岔测量仪对道岔的几何尺寸进行测量,如道岔的曲线半径、交叉角度、轨距等。
通过测量得到的数据,可以判断道岔的几何参数是否符合要求,是否需要进行调整和修复。
3.轮压检测:使用轮压检测仪对列车经过道岔时车轮与轨道之间的压力进行测量。
通过检测车轮压力的大小和分布情况,可以判断道岔是否存在毛病,是否需要进行相关修复工作。
单开、交渡、复式交分道岔构造、作用及主要结构特点单开道岔:组成:单开道岔由转辙器、辙叉及护轨、连接部分组成,如图:一、转辙器单开道岔的转辙器,是引导机车车辆沿主线方向或测线方向行驶的线路设备,由两根基本轨、两根尖轨、各种连接零件及道岔转换设备组成。
1.基本轨由标准断面的普通钢轨制成,通常采用与区间线路相同材质、相同型号的钢轨。
普通道岔中不设轨底坡,道岔前后2—3根轨枕轨枕实现与区间线路轨底坡的过渡.为改善钢轨的受力条件及行车平稳性,提速道岔中基本轨设有1:40的轨底坡.基本轨除承受车轮的垂直压力外,还与尖轨共同承受车轮的横向水平力,为防止基本轨横移,可在外侧安装一定的轨撑,为增加钢轨表面硬度,提高耐磨性并保持良好的密贴状态,基本轨轨头面进行淬火处理.与尖轨密贴区段,基本轨轨头下颚做1:4或1:3的斜切,配合尖轨相应刨面构成藏尖式结构,以提高高速列车逆行的安全性。
2。
尖轨尖轨是转辙器重要部件,依靠尖轨的搬动,将列车引入正线或侧线方向,尖轨在平面上颗分为直线型和曲线型。
我国大部分12号及以下的道岔,采用直线型尖轨,,直线型尖轨制造简单,便于更换,尖轨前端刨切较少,横向刚度大,但是这种尖轨的转撤角大,列车对尖轨的冲击大,不利于侧向行车速度的提高.新设计的12#及以上的道岔尖轨为直线型,侧向尖轨未曲线型,这种尖轨冲击角较小,导曲线半径大,列车进出侧线比较平稳,有利于机车侧向通过速度的提高。
尖轨的长度随道岔型号数和尖轨形式不同而异,如9号道岔直线型尖轨长度为6.25m,12号道岔曲线型尖轨长度为11.3-11。
5m。
尖轨与基本轨的贴靠方式通常采用藏尖式,可保护尖轨尖端不被车轮扎伤,并使尖轨在动荷载作用下保持良好的竖向稳定性、为保证尖轨具有承受车轮的压力的足够强度,规定尖轨顶宽50mm以上部分方能完全受力,而在尖轨顶宽20mm 以下部分则完全由基本轨受力,尖轨顶宽20-50mm的部分为轮轨轮载转移过渡段。
为此尖轨与基本轨之间应保持必要的轨顶面相对高差对尖轨各个断面的高度有具体规定,尖轨尖端较基本轨顶面低23mm,尖轨顶宽20mm处一般较基本轨顶面低2mm,尖轨顶面宽50mm以后部分与基本轨等高。
复式交分道岔的检查方法
复式交分道岔的检查方法主要包括以下几个方面:
1.外观检查:观察道岔外观,包括钢轨、道牙、轨枕等部件是否有明显的损坏、破裂或锈蚀情况。
2.测量检查:使用测量工具,测量道岔的道距、道心高、道心宽等尺寸,确认是否符合设计要求。
3.操作检查:操作道岔手柄或电动机,检查道岔的切换是否流畅、灵活,无卡滞现象。
4.联锁检查:检查道岔的联锁设备是否正常工作,确认道岔切换时是否能够正确地实现信号灯的相应。
5.绝缘检查:使用绝缘电阻测试仪,对道岔绝缘件(如斜铁、对轨尖、心轨等)进行绝缘耐压测试,确认绝缘是否完好。
6.方位检查:对道岔的各个部件(如拉杆、转辙器、心轨等)进行检查,确认其位置与安装要求一致。
7.焊接检查:检查道岔的焊接连接是否牢固,无断裂、开裂或焊缝不合格等情况。
8.润滑检查:检查道岔的润滑系统是否正常工作,润滑油是否充足,润滑点是否通畅。
9.环境检查:检查道岔周围的环境是否干净整洁,无杂物堆积或碍触障碍物。
以上是复式交分道岔的一般检查方法,具体操作应根据道岔的特点和实际情况进行细化和完善。
同时,维修人员应具备相关知识和技能,并按照相关标准和规范进行操作。
普通单开道岔检、普通单开道岔各部分轨距
二、道岔上轨距加宽递减
三、50kg/m 钢轨12号单开道岔标记设置示意图
菱形道岔检查方法
菱形道岔的检查除普通单开道岔的检查内容要求除外,还必须检查前后锐角辙叉的叉前,叉后端的轨距、水平,以及叉心中的轨距,查照间隔,护背距离及轨距;钝角辙叉前、后半部的叉前,叉后端的轨距、水平和叉心中的查照间隔,护背距离及轨距。
菱形道岔轨距检查地点
注:乙股检查地点比照甲股进行
复式交分道岔的检查方法
一、交道岔检查的甲、乙股方向确定:
站在岔跟端脸向车站、分左右、左股为甲、右股为乙,检查的起点为始端。
以该端左侧
(面向钝角部分)一股线路为甲股的检查走向,该端右侧(面向钝角部分)线路为乙股的检查走向。
二、甲股与乙股检查走向的范围划分:(见下图)
三、检查水平时的基准股确定:(见下图)
当基准股高于非基准股时,水平为正“ +”;反之,当基准股低于非基准股时,水平为负
a »
四、复式交分道岔轨距水平检查的顺序及地点
五、复式交发分道岔开口、支距、动程、矢距、正矢等项目的检查位置:
甲、乙两股导曲线均由短轴中分为两个部分,起点方向为前部,终点
向为导曲线后部。
在前后两锐角辙叉的跟端,分别量取其后开口的中点;于该两中点之间
拉一弦线(即长轴线)为基准线,以短轴与该弦线的交点为支距原点0,分别量取甲股导曲线前后部及乙股导曲线前、后部各支距点的支距,如下图所
六、复交道岔的检查记录及其记录表
1、复交道岔的检查记录,应根据现场检查的实际地点正确点对应到记
录表上填写。
2、复交道岔的检查记录表(见附表)。
普通单开道岔检查一、普通单开道岔各部分轨距编号检查地点说明1 尖轨前顺坡终点S基2 尖轨尖端S尖3 尖轨中部S尖中4 尖轨跟端直股S跟直5 尖轨跟端曲股S跟曲导曲线起点处6 尖轨跟端后直股S直(前)距跟端1.5米7 导曲线前部S导曲(前)距导曲线起点3米8 导曲线中部S导曲(中)9 直股中部S直(中)10 直股后部S直(后)11 导曲线后部S导曲(后)距导曲线终点4米12 辙叉曲股前S叉曲(前)13 辙叉曲股中S叉曲(中)同时量查找间隔和护背距离14 辙叉曲股后S叉曲(后)15 辙叉直股后S叉直(后)16 辙叉直股中S叉直(中)同时量查找间隔和护背距离17 辙叉直股前S叉直(前)二、道岔上轨距加宽递减三、50kg/m钢轨12号单开道岔标记设置示意图菱形道岔检查方法菱形道岔的检查除普通单开道岔的检查内容要求除外,还必须检查前后锐角辙叉的叉前,叉后端的轨距、水平,以及叉心中的轨距,查照间隔,护背距离及轨距;钝角辙叉前、后半部的叉前,叉后端的轨距、水平和叉心中的查照间隔,护背距离及轨距。
编号检查地点说明1前锐角辙叉叉后端同时量查找间隔和护背距离2 叉心中3 叉前端4钝角辙叉前半部叉后端同时量查找间隔和护背距离5 前半部叉心中6 后半部叉心中7 后半部叉后端8后锐角辙叉叉前端同时量查找间隔和护背距离9 叉心中10 叉后端复式交分道岔的检查方法一、交道岔检查的甲、乙股方向确定:站在岔跟端脸向车站、分左右、左股为甲、右股为乙,检查的起点为始端。
以该端左侧(面向钝角部分)一股线路为甲股的检查走向,该端右侧(面向钝角部分)线路为乙股的检查走向。
二、甲股与乙股检查走向的范围划分:(见下图)三、检查水平时的基准股确定:(见下图)当基准股高于非基准股时,水平为正“+”;反之,当基准股低于非基准股时,水平为负“—”。
序号检查地点测点实际轨距尺寸水平备注9号12号测点9 121 甲股前锐角辙叉跟S1 1435 1435 H1 02 甲股前锐角辙叉中S2143591-48143591-48××辙叉心宽50至心宽20mm断面处3 甲股前尖轨距顺坡终点S3 1435 1435 H2 09#复交该处距直线尖轨尖端2273mm12#复交该处距直线尖轨尖端2170mm五、复式交发分道岔开口、支距、动程、矢距、正矢等项目的检查位置:甲、乙两股导曲线均由短轴中分为两个部分,起点方向为前部,终点向为导曲线后部。
交分交渡道岔检查方法交分交渡道岔是铁路线路中连接两条不同铁路干线的重要元件,也是铁路运行安全的关键部分。
在运营过程中,对交分交渡道岔进行定期检查和保养是非常必要的,以确保其正常运行和安全性。
下面将介绍交分交渡道岔的检查方法。
首先,在检查交分交渡道岔之前,需要检查相关设备是否处于正常工作状态。
包括信号机、开启按钮、锁闭机构等的工作状态是否正常,以及是否有异常报警信息。
其次,进行可视检查。
使用裸眼、放大镜等工具观察道岔的各个组成部分是否完整,并检查有无明显的损坏、松动、毛刺等情况。
特别注意检查道岔轨股、尖轨、才轨、扳道器、护心轨和斗形轨等部分。
然后,使用手感觉检查。
手感觉检查主要是通过手来触摸检查道岔部件的连接是否牢固,是否有松动的现象。
同时,还要检查道岔如翼轨、尖轨、才轨、扳道器、护心轨与斗形轨之间的相对位置是否符合要求。
接下来,进行动态检查。
动态检查主要是通过作运营模拟,观察道岔的切换过程中是否有卡滞、卡阻、抖动等现象。
同时,还要观察道岔切换后轨道间是否有适当的间隙,是否与信号机、信号灯配合良好。
此外,还需要对交分交渡道岔的运行情况进行记录。
记录包括道岔切换过程中的时间、切换方式、运动方式、切换时信号系统的状态等信息。
这样可以方便日后进行对比分析,及时发现和解决问题。
最后,定期进行道岔的维护保养工作。
包括对道岔进行润滑、紧固螺栓、更换磨损的部件等工作,定期清理道岔上的杂物和积水,确保道岔的良好运行。
总结起来,交分交渡道岔的检查方法主要包括可视检查、手感觉检查、动态检查和记录。
通过这些检查方法可以及时发现道岔存在的问题,确保其正常运行和安全性。
此外,定期进行维护保养工作也是不可或缺的。
只有保持道岔的良好状态,铁路运行的安全性才能得到有效保障。
线岔检调一、周期1、无交叉线岔检调周期为3个月。
2、交叉线岔检调周期为6个月。
二、适用范围适用于单开道岔的定位线岔、复式交分式线岔、交叉渡线式线岔、无交叉线岔的检调。
三、作业项目1、交叉线岔:(1)、检查限制管的安装位臵是否符合要求、限制管的安装固定状态是否良好;(3)、检查固定限制管的定位线夹是否有偏斜及变形、螺母是否松动、脱落、垫片有无缺损等现象;(4)、检查接触线在限制管内有无卡滞现象、线夹是否偏斜;(5)、检查线岔交叉点的投影位臵;(6)、检查两接触线相距500㎜处高差,线岔始触区是否有线夹;。
(7)、检查电连接器、吊弦状态有无缺陷;(8)、检查线岔所在跨距内接触线有无损伤痕迹、硬点、局部磨耗严重等缺陷。
2、无交叉线岔:(1)、检查线岔始触区是否有线夹;(2)、检查测量各定位柱拉出值、抬高是否符合要求;(3)、检查线岔所在跨距内接触线有无损伤痕迹、硬弯、局部磨耗严重点等缺陷;(4)、检测交叉吊弦的设臵是否符合要求。
四、技术标准1、对单开道岔的定位线岔,两接触线应相交于道岔导曲线两内轨距735—1085mm的横向中间位臵,允许误差±20mm,并保证定位点拉出值在任何情况下不大于450mm。
2、当两支均为工作支时,正线线岔的侧线接触线比正线接触线高20mm,侧线线岔两接触线等高;当一支为非工作支时,160㎞/h及以下区段的非工作支接触线比工作支接触线抬高80㎜。
160㎞/h以上区段的非工作支接触线按设计要求延长一跨并抬高350—500mm后下锚。
3、限制管长度符合设计要求,应安装牢固,并使两接触线有一定的活动间隙,保证接触线自由伸缩。
4、线岔始触区内:满足宽度为1950mm的受电弓运行条件,在距受电弓中心600-1050mm的平面和受电弓动态抬升200mm高度构成的立体空间区域为始触区范围,该区域内不得安装除吊弦线夹 (必需时) 外的其他线夹或零件。
5、道岔定位器支座不得侵入受电弓动态包络线。
复式交分道岔的检查方法Inspecting a compound split point turnout is an essential maintenance task that ensures the safety and efficiency of railway operations. These types of turnouts consist of multiple switch mechanisms that require thorough examination to identify any issues that may impede train movement. When conducting inspections, one must pay close attention to the alignment of the switch rails and check for any signs of wear or damage. By adhering to a comprehensive inspection protocol, railway maintenance crews can detect and address potential problems before they escalate into safety hazards.检查复合分岔道岔是确保铁路运营安全和高效的重要维护任务。
这些类型的道岔由多个开关机构组成,需要进行彻底检查,以识别可能妨碍列车运行的任何问题。
在进行检查时,必须密切关注开关轨的对准情况,并检查是否有磨损或损坏的迹象。
通过遵守全面的检查程序,铁路维护人员可以在潜在问题升级为安全隐患之前检测和解决这些问题。
One aspect of inspecting compound split point turnouts involves examining the condition of the switch machines. These devices areresponsible for controlling the movement of the switch rails and must be in optimal working condition to ensure smooth and reliable operations. During inspections, maintenance crews must verify that the switch machines are functioning correctly and are not showing any signs of malfunction. Regular maintenance and testing of these components are crucial to prevent derailments and other operational disruptions.检查复式分流道岔的一个方面涉及检查开关机构的状况。
普通单开道岔检查一、普通单开道岔各部分轨距
三、50kg/m钢轨12号单开道岔标记设置示意图
菱形道岔检查方法
菱形道岔的检查除普通单开道岔的检查内容要求除外,还必须检查前后锐角辙叉的叉前,叉后端的轨距、水平,以及叉心中的轨距,查照间隔,护背距离及轨距;钝角辙叉前、后半部的叉前,叉后端的轨距、水平和叉心中的查照间隔,护背距离及轨距。
注:乙股检查地点比照甲股进行
复式交分道岔的检查方法
一、交道岔检查的甲、乙股方向确定:
站在岔跟端脸向车站、分左右、左股为甲、右股为乙,检查的起点为始端。
以该端左侧(面向钝角部分)一股线路为甲股的检查走向,该端右侧(面向钝角部分)线路为乙股的检查走向。
二、甲股与乙股检查走向的范围划分:(见下图)
三、检查水平时的基准股确定:(见下图)
当基准股高于非基准股时,水平为正“+”;反之,当基准股低于非基准股时,水平为负“—”。
五、复式交发分道岔开口、支距、动程、矢距、正矢等项目的检查位置:
甲、乙两股导曲线均由短轴中分为两个部分,起点方向为前部,终点向为导曲线后部。
在前后两锐角辙叉的跟端,分别量取其后开口的中点;于该两中点之间拉一弦线(即长轴线)为基准线,以短轴与该弦线的交点为支距原点0,分别量取甲股导曲线前后部及乙股导曲线前、后部各支距点的支距,如下图所
六、复交道岔的检查记录及其记录表
1、复交道岔的检查记录,应根据现场检查的实际地点正确点对应到记录表上填写。
2、复交道岔的检查记录表(见附表)。
复式交分道岔的检查方法
一、交道岔检查的甲、乙股方向确定:
站在岔跟端脸向车站、分左右、左股为甲、右股为乙,检查的起点为始端。
以该端左侧(面向钝角部分)一股线路为甲股的检查走向,该端右侧(面向钝角部分)线路为乙股的检查走向。
二、甲股与乙股检查走向的范围划分:(见下图)
三、检查水平时的基准股确定:(见下图)
当基准股高于非基准股时,水平为正“+”;反之,当基准股低于非基准股时,水平为负“—”。
四、复式交分道岔轨距水平检查的顺序及地点
五、复式交发分道岔开口、支距、动程、矢距、正矢等项目的检查位置
甲、乙两股导曲线均由短轴中分为两个部分,起点方向为前部,终点向为导曲线后部。
在前后两锐角辙叉的跟端,分别量取其后开口的中点;于该两中点之间
拉一弦线(即长轴线)为基准线,以短轴与该弦线的交点为支距原点0,分别量取甲股导曲线前后部及乙股导曲线前、后部各支距点的支距,如下图所示。
六、复交道岔的检查记录及其记录表
1、复交道岔的检查记录,应根据现场检查的实际地点正确点对应到记录表上填写。
2、复交道岔的检查记录表(见附表)
检查日期
前锐角辙叉前双转辙器钝角辙叉后双转辙器后锐角辙叉
叉
后
端
叉
心
中
查
照
间
隔
护
背
距
离
顺
坡
终
点
尖
轨
尖
尖
轨
中
尖轨跟可动心短
中
轴
导
曲
线
中
曲
中
外
矢
可动心尖轨跟尖
轨
中
尖
轨
尖
顺
坡
终
点
查
照
间
隔
护
背
距
离
叉
心
中
叉
后
端
直
股
曲
股
跟
端
中
间
由
间
跟
端
直
股
曲
股
甲股
轨距
水平××××××××××乙股
轨距×
水平×××××××××××其他及临时补
修日期
甲股轨距
水平××××××××××乙股轨距×
水平×××××××××××其他及临时补
修日期
部位
项目
菱形道岔的检查方法
一、检查方法
菱形道岔的检查,除普通单开道岔的检查内容要求外,还须检查前后锐角辙叉的叉前、叉后端的轨距、水平,叉心中的轨距,查照间隔,护背距离及轨距;钝角辙叉前、后半部的叉前、叉后端的轨距、水平,叉心中的查照间隔、护背距离及轨距,如图:
1
2
3
5
6
4
8
9
10
7
甲股
乙
股
菱形道岔检查地点表
乙股检查记录比照甲股进行。
二、检查记录
菱形道岔检查记录簿格式为《修规》工线—4,如下:
工线一4
菱形道岔检查记录簿。