森威尔地暖用温控器SA803说明书
- 格式:pdf
- 大小:271.02 KB
- 文档页数:8
感谢您使用本厂产品使用前请认真阅读产品使用说明书目录一、概况 (1)二、工作原理 (5)三、主要技术指标 (5)四、安装及使用 (5)五、注意事项 (10)六、附录Pt100工业铂电阻分度值表 (11)一、概况1、温度控制器根据沈阳变压器研究所制订的JB/T6302《变压器用压力式温度计》标准的命名如下:22、温度控制器根据JB/T9236《工业自动化仪表产品型号编制原则》的要求产品命名如下:2BWY(WTYK)系列温度控制器的成套性和适用性图一 系列温度控制器外形及安装尺寸B W Y (W T Y K )二、工作原理变压器温度控制器(以下简称温控器),主要由弹性元件、毛细管、温包和微动开关组成。
当温包受热时,温包内感温介质受热膨胀所产生的体积增量,通过毛细管传递到弹性元件上,使弹性元件产生一个位移,这个位移经机构放大后指示出被测温度并带动微动开关工作,从而控制冷却系统的投入或退出。
BWY(WTYK)-802A、803A温控器采用复合传感器技术,即仪表温包推动弹性元件的同时,能同步输出Pt100热电阻信号,此信号可远传到数百米以外的控制室,通过XMT数显温控仪同步显示并控制变压器油温。
也可通过数显仪表,将Pt100铂电阻信号转换成与计算机联网的直流标准信号(0~5)V、(1~5)V或(4~20)mA输出。
三、主要技术指标(一)BWY(WTYK)-802、803型1、正常工作条件:(-40~+55)℃2、测量范围:(-20~+80)℃(0~+100)℃(0~+120)℃(0~+150)℃3、指示精确度: 1.5级4、控制性能:①设定范围:全量程可调②设定精确度:±3℃③开关差: 6±2℃④额定功率: AC 250V/3A⑤标准设定值:802:K1=55℃; K2=80℃803:K1=55℃; K2=65℃ K3=80℃5、仪表安装尺寸:详见外形及安装尺寸图(二)BWY(WTYK)-802A、803A型1~5条同上。
向阳花碳纤维地暖,客户使用手册1.温控器的调节(1)各类按键的功能“”开关键:地暖开启与关闭“M”模式键:可调节进入编程模式或手动模式“F”时钟键:可对时间星期进行调节“ △”“ ▽”上下调节键:可对时间、温度上下调节。
(2)时钟调整按“F ”键,按“点或“ 键进行调节重复以上操作可调节时、分以及星期(3)温度的设置在正常开机工作状态下,按“ △'或“它键可进行温度的设定,每按一次温度变化1度。
(4)地温保护①同时按“ △” “寸’键6秒,可切换到地温的显示状态。
②按“ △”或“ ▽”可对地面的保护温度进行调节。
(5)7天编程①按“F”键6秒,进入编程模式。
②按“ F”键,进入星期一的第一个时间段。
通过“乙” “ ▽”键对第一个时间段进行设定。
再按“ F”键可设定该时间段的温度。
③重复按“ F”键可对第二个时间段、第三个时间段一直到第六个时间段进行设定重复以上②③操作对星期二、三、四、五、六、日进行设定。
(6)手动模式手动模式也就是实时运行模式(见下图)按M键进行切换,以上几点(除第 5 点)的方法进行调节。
(7)按键锁:长按开机键与M键6秒,按键上锁,显示“ LOC,所有按键无效。
再次长按开机键与“M”键6秒解锁。
2.科学的使用温控器(1)开启温控器。
(2)看温控器显示的室温,选择按上调或下调键将设定的温度高于室温2-3度。
(3)按模式键选择手动模式。
(4)操作完成保持连续工作48小时。
(5)以后每隔24小时,温控器上调2-3度,直至室温符合要求(16C-20 C)(6)地暖系统设计和使用的温控器为双温双控型,除了温控器本体设置有对室内温度传感器外,同时加带了一条地面温度传感器用于控制和保护地面温度。
地面保护温度的设定对地面装饰材料的不同而设定不同的温度:①地面为瓷砖时,瓷砖的热传导快,可把温度设定为40C -45 C;②地面为木地板时,木地板的热传导性能较差,可把温度设定为50E -55 C。
温湿度控制器一、产品概述温湿度控制器,主要应用于需要对被测环境进行自动温湿度调节的场合,用户可通过按键分别调整温湿度的上、下限值来控制加热或排风实现自动控制,显示方式为数码管显示。
二、基本功能:2.1 温度测量范围:-25℃~+80℃±1℃;2.2 湿度测量范围:相对湿度RH: 0%~99% 精度±3%RH;2.3 控制方式:温度采用上、下限和回差控制,湿度采用上、下限控制,所有参数均可设置;2.4 输出控制类型:两组继电器触点,分别为加热和排风,每路最大负载AC250V /3A,均为有源输出。
三、技术指标:3.1电源:AC 220V±20%3.2 工作环境:温度:-25℃~+55℃,相对湿度:<95%RH3.3控制设定范围:温度:0℃~80℃,相对湿度:50%RH~99%RH3.4 本机功耗:<3W3.5自检功能:若数码管显示“–––”,则为检测到传感器故障;若加热或排风运行过程中相应指示灯熄灭,则检测到加热或排风故障。
四、工作原理:4.1 温度控制:当被测环境温度低于设定温度下限时,本仪器启动电加热设备开始加温,此时加热指示灯亮,温度升至比下限温度设定值高回差值时,即:W测≥W下限+回差,停止加温。
当被测环境温度高于设定温度上限时,本仪器启动降温设备(如风机或空调)开始降温,此时排风指示灯亮,温度降至比上限温度设定值低回差值时,即:W测≤W上限-回差,停止降温。
4.2 湿度控制:当被测环境湿度超过设定湿度上限时。
如果当前温度较高,即:W测≥W下限+(W上限-W下限)×3÷4,采用降温(或排风,视具体地区采用不同设备)抽湿,此时排风指示灯亮;抽湿过程中,如果温度低于下限温度+2度后,自动转为加热降湿;当降湿过程中温度高于上限温度-2度后,自动转为降温抽湿,直至湿度低于设定下限值为止。
当被测环境湿度超过设定湿度上限时。
如果当前温度较低,即:W测<W下限+(W上限-W下限)×3÷4,采用加热降湿,此时加热指示灯亮,降湿过程中,如果温度高于上限温度-2度后,自动转为降温抽湿;当温度低于下限温度+2度后,自动转为加热降湿,直至湿度低于设定下限值为止。
福瑞达地暖温控器使用说明书1、概述:福瑞达数字液晶显示温控器,带有一周7天、每天6时段控制功能,主要用于地暖的自动温控。
以设定温度为基准,检测地面温度传感器的温度为变量,自动控制地暖的通电或断电,以实现预定的控制目的。
显示界面如下图所示:2、控制功能说明:2。
1手动模式:温控器按手动设定温度目标值控制房间温度,当检测传感器温度≤设定温度减去回差温度值(默认值1℃)时,温控器启动加热;当检测传感器温度≥设定温度加0。
5℃时,温控器停止加热。
2。
2 自动模式:温控器按分时段编程预先设定的温度目标值,控制房间温度,执行过程与手动模式相同。
3、操作设置说明:3.1基本操作:●①。
接通电源②.按住S1键3秒,打开温控器③。
按S4键,选择控制模式(编程模式/自动模式/手动模式),选择完毕后,按S1键确认。
●如果处于手动模式,则屏幕上显示图标,此时可按S2键或S3键,设定目标温度,设定完毕后,轻按S1键确认。
●当液晶屏幕没有任何图标闪烁时,为正常显示状态.如果不是正常显示状态,可以等待10秒让系统自动恢复,或轻按S1键循环直至到正常显示状态。
●如需关机,按住S1键3秒即可关机。
关机后屏幕仍然显示地表温度,此时仅相当于免费的温度计而已,几乎不耗电。
●关机后显示的是地表自然温度,例如夏季、秋季的自然温度;而温控器开机后显示的温度,属于采暖状态下的地表平均温度;在某些特殊情况下可能由于现场参数合理修正的需要而略有不同,这属正常现象无需顾虑。
3。
2 控制模式的切换:在正常显示状态下,按一下菜单键S4,进入切换界面后,会有一个菜单项的图标闪烁,当闪烁的图标为用户所要的模式时,轻按S1键进行确认即可.如还需要选择其它控制模式,可再按S4键,依次循环切换,循环顺序为图二所示。
3。
3出厂默认的自动模式参数:(下表出厂默认参数在周1至周7每天均一样,建议根据用户实际情况重新合理编程。
)第1时段第2时段第3时段第4时段第5时段第6时段时段起始点4:30 7:30 10:00 12:10 16:00 21:30 加热目标温度值22℃19℃20℃17℃28℃17℃3.4 编程方法: 在正常显示状态下,轻按S4键, 当 图标闪烁时,轻按一下S1键:a) 首先进入的是本地时间校准,用户可轻按S4键,依次循环选择:周几→小时→分钟,再通过S2、S3键进行修改,全部校准完后,轻按一下S1键进行确认;b)当上述校准完毕后,轻按一下S1键,则进入周1时间段编程设定,屏幕的右侧标有时段显示,提示当前正处于的时段值.通过轻按S4键,依次循环选择:每个时段的起始时间(时、分)→设定的温度→时段。
感谢您使用本厂产品使用前请认真阅读产品使用说明书目录一、概况 (1)二、工作原理 (5)三、主要技术指标 (5)四、安装及使用 (5)五、注意事项 (10)六、附录Pt100工业铂电阻分度值表 (11)一、概况1、温度控制器根据沈阳变压器研究所制订的JB/T6302《变压器用压力式温度计》标准的命名如下:22、温度控制器根据JB/T9236《工业自动化仪表产品型号编制原则》的要求产品命名如下:2BWY(WTYK)系列温度控制器的成套性和适用性图一 系列温度控制器外形及安装尺寸B W Y (W T Y K )二、工作原理变压器温度控制器(以下简称温控器),主要由弹性元件、毛细管、温包和微动开关组成。
当温包受热时,温包内感温介质受热膨胀所产生的体积增量,通过毛细管传递到弹性元件上,使弹性元件产生一个位移,这个位移经机构放大后指示出被测温度并带动微动开关工作,从而控制冷却系统的投入或退出。
BWY(WTYK)-802A、803A温控器采用复合传感器技术,即仪表温包推动弹性元件的同时,能同步输出Pt100热电阻信号,此信号可远传到数百米以外的控制室,通过XMT数显温控仪同步显示并控制变压器油温。
也可通过数显仪表,将Pt100铂电阻信号转换成与计算机联网的直流标准信号(0~5)V、(1~5)V或(4~20)mA输出。
三、主要技术指标(一)BWY(WTYK)-802、803型1、正常工作条件:(-40~+55)℃2、测量范围:(-20~+80)℃(0~+100)℃(0~+120)℃(0~+150)℃3、指示精确度: 1.5级4、控制性能:①设定范围:全量程可调②设定精确度:±3℃③开关差: 6±2℃④额定功率: AC 250V/3A⑤标准设定值:802:K1=55℃; K2=80℃803:K1=55℃; K2=65℃ K3=80℃5、仪表安装尺寸:详见外形及安装尺寸图(二)BWY(WTYK)-802A、803A型1~5条同上。
TL-818H温控器安装及使用说明书TL-818H系列温控器使用说明,用于分室温控和分户温控地暖系统,通过感应房间温度和设定温度的对比,来控制地暖系统的运行状态。
提高舒适度的同时,达到节能的目的。
该系列温控器具有手动功能、可编程功能、状态记忆功能双温双控功能。
显示状态按键说明:★工作模式: 手动功能标志,:时段编程控制K1 开机或关机★加热运行标志K2 模式键,手动模式与编程模式切换★显示室内温度K3 短按设置时钟和星期,长按进入编程设置★显示设置温度K4 ▲向上键K5 ▼向下键技术规格温度传感器:NTC热敏电阻电源电压:AC180~260V,50/60Hz控制精度:±1℃自耗功率:< 1W温度设置:5~35℃负载功率:< 2800W显示范围:0~71℃接线端子:能够连接2*1.5mm²或1*2.5mm²的导线工作环境:0~45℃外壳:PC+ABS阻燃显示:LCD 外形尺寸:86*86*13mm(宽*高*厚)湿度:5~95%RH(不结露)安装孔距:60mm(标准)操作说明:时段编程控制周编程循环,每天设置6个时段及每个时段相对应的温度,温控器根据编程运行; 编程功能按键切换: 早上起床,第一时段 : 早上出门,第二时段 : 中午回家,第三时段: 中午外出,第四时段 : 晚上回家,第五阶段 : 晚上睡觉,第六时段长按“”键2秒进入一周编程模式。
(见下附表)调整顺序:周1~周5第一时段定时时间调节→周1~周5第一时段定时温度调节→…→周六周日第六时段时间调节→周六周日第六时段定时温度调节. 每个参数设置好后按“”键切换各个选项和确认设置值高级选项设置:在关机状态下按住“”键5秒以上,进入高级参数设定模式,可对温度进行校正及传感器选择、启动温差、低温保安装示意图1、安装时切断电源。
配置电源开关,在非供暖时切断电源。
2、安装位置应距地1.4m左右,避免阳光直射、避风、远离热源,具有房间温度代表性的位置。
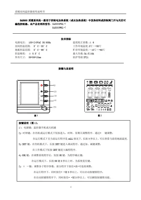
SAS803采暖系列是一款用于控制电加热系统(或水加热系统)中发热材料或控制阀门开与关的可编程控制器。
本产品有两种型号:SAS803FHL-7SAS803WHL-7技术指标电源电压: 100-240VAC 50/60Hz 房间控温范围: 5°C—35°C地板控温范围: 5°C—99°C控温精度: ± 0.5°C外形尺寸: 86*86*18mm温度校正系数:± 6工作环境温度:0℃-+50℃贮存环境温度:-10℃-+60℃最大负载:3A或16A防护等级IP21按键与显说明按键说明(图1):1):电源键:温控器开机或关机键2): 时钟键:在待机或运行模式下短按进入,时钟,星期天调整程序。
通过+ -键调整;在运行模式下且当前运行程序是ALL情况下,长按3秒以上,可以查看当前的地面温度。
3): SET键:在待机模式下,长按SET键进入调试程序。
通过加、减键调整;在工作模式下短按SET键进入编程程序。
4): OK键:在调整系统程序后,短按OK键,为程序确认键;在运行模式下,长按OK键3秒以上时,为系统复位键。
5): +-键:调整各子程序参数,部分程序下按住+或-可连续调整;在运行程序下,同时按住+ -键3秒以上,可以启动按键锁程序;在启动按键锁程序下,同时按住+ -键3秒以上,可以解除按键锁功能。
备注:手动运行模式:在程序运行模式下,长按OK 键超过3秒,进入手动运行模式,短按OK 键可退出手动运行模式。
程序运行模式:当屏幕上有显示时表示程序运行模式,设定温度是根据程序编程的时间和温度来变化。
临时运行模式:程序运行模式下按加或减键修改设定温度,进入临时运行模式。
当显示屏有+显示时表示程序是临时运行模式,在此时间段运行的是临时设定温度而非程序编程运行温度,到编程下一个时间段,自动返回程序运行。
程序编程设置在工作模式下短按SET 键进入程序:表一(7天四时段编程出厂设置)——————可单独修改程序参数显示说明(图2)::手动运行模式; OFF :关机 ::程序运行模式; ON :开机 : 临时运行模式;:加热:采暖模式; :按键锁表二:(7天六时段编程出厂设置)——————可单独修改程序参数表三(5+1+1天四时段编程出厂设置).星期一至星期五编程程序一样,例如修改星期一6:00(18℃)那么星期一至星期五6:00都为18℃。
温控仪使用说明范文一、产品简介:温控仪是一种用于调节和控制温度的电子设备,主要应用于家庭、办公场所、实验室等各种温度控制领域。
它可根据用户的需求,自动调节和维持设定的温度范围,确保环境温度的舒适性和稳定性。
二、外观和控制面板介绍:1.外观:温控仪的外观一般为方形或长方形的盒状结构,材质多为塑料或金属,外壳上有显示屏、控制按钮和接口等。
2.显示屏:显示屏通常为液晶显示屏,用于显示当前的温度、设定的温度、工作状态等。
3.控制按钮:控制面板上通常有一些按钮,用于设定温度、选择工作模式、调节参数等。
4.接口:接口可以分为电源接口、控制接口和外部设备接口等,用于供电、控制和连接其他设备。
三、基本使用方法:1.电源连接:将温控仪的电源适配器插头插入电源插座,确保电源供应稳定。
2.温度传感器连接:根据温度传感器的类型和规格,将其插入温控仪的温度传感器接口。
3.设定温度:通过控制按钮,在显示屏上设定所需的温度范围。
根据不同的温控仪型号,设定方法可能略有差异,但通常需要按下设定按钮,然后使用加减按钮来调节目标温度,并保存设定值。
4.选择工作模式:温控仪通常提供多种工作模式,如制冷模式、加热模式、自动模式等。
根据需要,选择相应的工作模式,并进行设定。
5.调节参数:一些温控仪还提供一些可调节的参数,如温度回差、控温精度等。
根据需要,进行相应的参数调节。
6.启动和关闭:根据所设定的温度和工作模式,按下启动按钮使温控仪开始工作。
需要关闭时,按下关闭按钮将其停止工作。
四、注意事项:1.请阅读说明书:在使用温控仪前,请仔细阅读产品的说明书,了解其功能和使用方法。
2.正确安装传感器:温度传感器是温控仪的重要组成部分,需正确安装在需要测量温度的地方,避免误差。
3.避免灰尘和水汽:避免温控仪长时间处于灰尘多、湿度高的环境中,以免影响其正常工作。
4.保持通风:温控仪应放置在通风良好的位置,避免阳光直射和高温环境,以保证其散热效果和寿命。
S A S 816W H B -0-D F 采暖温度控制器使用说明书森威尔SA S816WH B-0-DF 采暖温度控制器主要用于无线控制壁挂炉水暖系统,用以无线控制电热执行器的开启与关闭,达到舒适控温的目的。
技术指标:工作电压:2节AA 干电池 无线收发频率:868MH Z (FSK ) 无线收发距离:空旷100米 温度精度:±1℃或±1℉温度控制范围:5℃~30℃ (41℉~86℉) 工作环境温度:0℃~+50℃(32F ~122F ) 贮存环境温度:-10℃~+60℃(14F ~140F ) 外形尺寸:86×86×32m m (通用于86接线盒)按键及显示功能说明:安装及无线对码说明:1、 如图1安装示意图所示,把产品的安装螺丝拧下,分开面板和底壳,用PM4*25 HC(+)的螺丝将底壳紧固在86盒上。
2、 正确装入2节AA 的电池,然后将发射器面板与装在86盒上的底壳扣合好,拧紧安装螺丝即完成安装。
图1安装示意图(1) 2位温度显示区 (2) 房间温度标志 (3) 地板温度标志 (4) 舒适运行模式标志 (5) 节能运行模式标志 (6) 电池低电量报警标志 (7) 制热输出标志(8) 制冷输出及通讯错误报警标志 (9) 摄氏温度或华氏温度显示符 (10) LCD 显示区 (11) ON/OFF 开关(12) 温度设定旋转刻度盘 (13) 旋盘下隐藏的对码按键3.接收部分关机模式下长按接收部分按键超过3秒,黄灯亮表示接收处于对码状态,旋转发射部分旋盘直到刻度“1”对准LCD,然后取下旋盘,长按隐藏按键1秒以上则进入对码过程,对码成功发射部分对码码值闪烁显示3秒表示对码成功,否则对码不成功。
(见图2)图2示意图操作说明:1、在开机状态下,旋转旋盘,进入温度设定模式,显示屏闪烁显示对应的设定温度值。
无旋转,5S后自动返回显示实时房间温度。
2、开关功能及运行模式选择:此时开关(11)作为开关机功能,关机时屏幕显示OF,并停止输出。
温控器产品说明书深圳市威尔海电子有限公司电话:0755-2953 9385 传真:0755-2953 9395技术支持:田工①安装尺寸:○2连接方法:输出插座电源输入探头插孔指示灯状态说明:WORKING指示灯为工作指示灯,闪烁表示制冷或制热延时,长亮表示制冷或制热工作。
SET指示灯为设置指示灯,长亮表示在设置状态。
开启或关闭温控器:温控器通电后默认是开机状态。
在关机状态下按"POWER"键一次可开启温控器,在开机状态下,按住"POWER"键3秒以上,可关闭温控器。
◆设定控制温度:在待机状态下按"SET"键一次进入控制温度设置,按"UP"或"DOWN"键调整,按住"UP"或"DOWN"键三秒不放进入快速调整模式.再按"SET"键一次回到待机状态.※启动和关闭定时:在待机状态下按"POWER"键一次,启动定时输出,再按"POWER"键一次可关闭定时输出,屏幕交替显示OFF和当前温度。
设置控制参数:按住"SET"键三秒不放进入控制参数设置,按"UP"或"DOWN"键选择要调整的菜单,再按"SET"键一次进入相应的控制参数设置状态,按"UP"或"DOWN"键调整需要修改的控制参数,调整好后按"POWER"键退出,或系统延时5秒退出菜单代码说明:菜单代码详细说明 解释 单位 HC 制热/制冷 温控器工作模式设置 H=制热,C=制冷D 回差 开机和停机之间的温度差℃LS 设置下限 控制温度可设定的最小值℃HS 设置上限 控制温度可设定的最大值℃CA 温度较正 ℃PT 延时启动 最小开停机时间间隔 分钟AH 超高温报警 超高温报警 ℃AL 超低温报警 超低温报警 ℃AT 定时关闭输出 (选配功能) 分钟◆温控器工作模式设置:温控器可以设定为制冷模式,也可以设定为加热模式。
SAS803采暖系列是一款用于控制电加热系统(或水加热系统)中发热材料或控制阀门开与关的可编程控制器。
本产品有两种型号:SAS803FHL-7
SAS803WHL-7
技术指标
电源电压: 100-240VAC 50/60Hz 房间控温范围: 5°C—35°C
地板控温范围: 5°C—99°C
控温精度: ± 0.5°C
外形尺寸: 86*86*18mm
温度校正系数:± 6
工作环境温度:0℃-+50℃
贮存环境温度:-10℃-+60℃
最大负载:3A或16A
防护等级IP21
按键与显说明
按键说明(图1):
1):电源键:温控器开机或关机键
2): 时钟键:在待机或运行模式下短按进入,时钟,星期天调整程序。
通过+ -键调整;
在运行模式下且当前运行程序是ALL情况下,长按3秒以上,可以查看当前的地面温度。
3): SET键:在待机模式下,长按SET键进入调试程序。
通过加、减键调整;
在工作模式下短按SET键进入编程程序。
4): OK键:在调整系统程序后,短按OK键,为程序确认键;
在运行模式下,长按OK键3秒以上时,为系统复位键。
5): +-键:调整各子程序参数,部分程序下按住+或-可连续调整;
在运行程序下,同时按住+ -键3秒以上,可以启动按键锁程序;
在启动按键锁程序下,同时按住+ -键3秒以上,可以解除按键锁功能。
备注:
手动运行模式:在程序运行模式下,长按OK 键超过3秒,进入手动运行模式,短按OK 键可退出手动运行模式。
程序运行模式:当屏幕上有
显示时表示程序运行模式,设定温度是根据程序编程的时间和温度来变
化。
临时运行模式:程序运行模式下按加或减键修改设定温度,进入临时运行模式。
当显示屏有+显
示时表示程序是临时运行模式,在此时间段运行的是临时设定温度而非程序编程运行温
度,到编程下一个时间段,自动返回程序运行。
程序编程设置
在工作模式下短按SET 键进入程序:
表一(7天四时段编程出厂设置)
——————可单独修改程序参数
显示说明(图2):
:手动运行模式; OFF :关机 ::程序运行模式; ON :开机 : 临时运行模式;
:加热
:采暖模式; :按键锁
表二:(7天六时段编程出厂设置)
——————可单独修改程序参数
表三(5+1+1天四时段编程出厂设置).
星期一至星期五编程程序一样,例如修改星期一6:00(18℃)那么星期一至星期五6:00都为18℃。
——————可单独修改程序参数
——————可单独修改程序参数
表四:(5+1+1天六时段编程出厂设置)
中星期一至星期五编程程序一样,例如修改星期一6:00(18℃)那么星期一至星期五6:00都为18℃。
——————可单独修改程序参数
——————可单独修改程序参数
表五(5+2天四时段编程出厂设置)
星期一至星期五编程程序一样,例如修改星期一6:00(18℃)那么星期一至星期五6:00都为18℃。
星期六与星期天编程程序一样,例如修改星期六6:00(18℃)那么星期六至星期日6:00都为18℃。
表六:(5+2天六时段编程出厂设置)
星期一至星期五编程程序一样,例如修改星期一6:00(18℃)那么星期一至星期五6:00都为18℃。
星期六与星期天编程程序一样,例如修改星期六6:00(18℃)那么星期六至星期日6:00都为18℃。
菜单设定
在待机模式下长按SET键3秒以上,进入调试程序,通过+ —键调整。
表三(调试程序)
智能功能描述
*在手动模式下或临时模式,休假,无编程模式下以及隐含参数ES为OFF时没有智能功能;隐含参数ES为ON时有智能功能:即根据前5天加热时间来提前加热。
外形尺寸及安装步骤
□1□2
□3□4
电气接线图
SAS803FHL-7
SAS803WHL-7
安全须知
◆在安装、检修、清洁本产品时请务必断开供电电源方可操作,以免发生触电事故。
◆在安装、调试或使用本产品时,请务必详细阅读本产品使用说明书。
◆具有相应安装资质的专业人员,方可安装本产品。
◆所有的连接线路及材料必须符合国家相关标准。
◆如违反以上操作,所产生的一切后果与责任,森威尔公司概不负责。
﹡对以上温控操作说之说明,如果您还有任何疑问,请随时致电森威尔公司,我们将会有专业人员为您做详尽解答。
服务专线:400 604 0098。