清理检查离心泵过滤器 考核标准
- 格式:doc
- 大小:80.00 KB
- 文档页数:3
离心泵和往复泵检修验收标准1、检修过程管理(1)、泵检修执行《石油化工设备维护检修规程》及设备使用说明书中的规定。
(2)、重要泵检修应编制检修施工技术方案(或按第四章装置检修(或消缺)技改技措施工方案明细),一般机泵检修应按检修关键工序控制卡检修。
2、部件检修质量标准(1)、离心泵检修标准:(a)转子检修标准➢检查主轴颈径向跳动不超过主轴颈的0.25‰,最大值不超过0.025mm;➢以两轴颈为基准,检查联轴节及主轴的各部径向跳动最大不超过0.04mm;➢转子组装后检查主轴轴套及叶轮密封环径向跳动应不大于0.05mm;➢检查平衡盘端面跳动不大于0.04mm;➢检查推力盘端面跳动不大于0.02mm;单级离心泵转子跳动表(mm)合设备说明书要求。
(注:要求叶轮与主轴间为紧配合,对于悬臂泵叶轮与主轴间配合间隙不大于0.02mm)➢检查各部口环间隙符合下表要求:精度要求不低于G2.5级,对于水平剖份的泵(BB1和BB3泵型)转子动平衡后不用二次拆装的动平衡精度可要求达到G1.0级。
注:一般对于悬臂泵只做叶轮动平衡即可;对于多级泵,转子组装时其轴套、叶轮、平衡盘、推力盘端面跳动须达到表5的技术要求,必要时研磨修刮配合端面,组装后各部件之间的相对位置须做好标记,然后进行动平衡校验,校验合格后转子解体,泵体组装量各部件按标记进行回装。
平衡校验一般情况在叶轮上去重,但切去厚度不得大于叶轮壁厚的1/3。
➢转子轴向定位符合如下要求:转子与泵体组装后,测定转子总窜量,转子定中心时应取总窜量的一半,但对于两端支承的热油泵,入口的轴向窜量应比出口的轴向窜量大0.50~1.00mm。
(b)滑动轴承检修标准➢检查径向滑动轴承与轴承座间接触应均匀,接触面积达70%以上,检查径向滑动轴承紧力为0~0.04mm;➢视接触面情况对轴承座进行调整处理,要求轴颈与轴瓦接触角为60~90,接触面应均匀,接触点不少于每平方厘米2个;➢轴承合金与轴承料应结合牢固,合金层表面不得有气孔、夹渣、裂纹、剥离等缺陷;➢滑动轴承顶间隙应符合下表要求行➢检查各止推瓦块与止推盘的接触良好,检查各止推瓦块厚度差不大于0.01mm,止推轴承安装端面轴向跳动不大于0.02mm;(c)滚动轴承检修标准➢洗净、检查轴承箱及其视镜、补油(脂)路(道),保证清洁、畅通;➢检查滚动轴承的滚子、保持架与滚道表面应无坑痕和斑点,转动自如无杂音;➢承受轴向与径向载荷的滚动轴承与轴配合为H7/js6;➢仅承受径向载荷的滚动轴承与轴配合为H7/k6;➢滚动轴承外圈与轴承箱内孔配合为js6/h6;➢凡轴向止推采用滚动轴承的泵,其滚动轴承外圈的轴向应留有0.02~0.06mm的间隙;➢滚动轴承热装时严禁用火焰直接加热,加热温度不得超过120度;➢清洗轴承冷却夹套,必要时酸洗处理。
清洗检查离心泵过滤器
一、如何判断过滤器堵塞
泵入口过滤器,若堵塞则泵的排量明显降低,出口压力低于正常工作的压力,启动泵时,过滤缸上的真空压力表显示值低,即使是提高来液压力,但泵的排量仍不增加。
二、操作注意事项:
1、清理过滤器前后要导好流程,防止液体外溢。
进出口阀门关闭要严密,放空时注意液体喷出
2、拆盲板时使用工具要合适,注意掉落砸伤手脚。
盲板旧垫子要清理干净,要显露出自由水线
3、制作垫片大小应符合要求,不能有裂纹,要涂上黄油,便于固定和密封。
4、清理滤网时要用热水冲洗或用清洗剂,严禁用火烧。
5、滤网上、过滤器内的脏杂物要清理干净,如果过多则要分析原因,采取预防措施。
6、紧固螺钉时要均匀对称,防止盲板压偏。
7、试运时,如果填料处冒烟,可能是填料压得过紧,必须迅速松开压盖螺母;如果填料封不住,可能是填料数量不够、填料长短不合适或者压紧度不够,应该重新调整或更换填料。
三、工用具、材料
工具:活动扳手300mm一把;梅花扳手19~32mm一套、撬杠、刮刀、划规、剪刀、钢板尺、钢刷、F扳手各一把。
材料:棉纱、清洗油、石棉垫片、滤网、润滑脂。
离心泵机组试运行前的检查及试运行配分、评分标准(一)考核要求1、掌握运行前的检查内容;2、了解试运行时间的要求(功率500kW时间为24h、功率100~500kW为12h、功率100kW为8h);3、明确施工单位应向建设单位移交设备的备品、备件、专用工具、技术资料及竣工的有关资料、图样等;4、准备时间15min,正式操作时间40min,每超过限时5min从总分中扣10分,超过6min停止作业。
违章操作或出现事故,停止作业。
(二)配分、评分标准序号考核内容考核要求评分标准配分扣分得分1 试运行前的准备劳保用品穿戴齐全穿戴不齐不得分 2工具齐全,符合考题要求漏一件扣1分;选错一件扣2分,扣完为止42 试运行前的检查检查各部位零件是否牢固:机泵底座螺栓、水泵联轴器、电动机接线、螺钉及护罩、填料压盖、泵盖螺钉、轴承体及压盖螺钉少检查一处扣2分,扣完为止10检查各仪表是否齐全,是否已校验,量程是否符合设计要求(压力表、真空压力表、流量计、电流表、电压表)少检查一处扣2分,扣完为止10 盘车后检查机组润滑油(脂)加装是否符合要求未盘车,扣5分;未检查润滑油(脂)情况,扣5分10检查进、出水管路系统阀门的启闭状态:进水管路阀门全部打开,除离心泵出水阀门关闭外打开出水管路上的其余阀门未检查进水阀门状态,扣7分;未检查出水阀门状态,扣7分143 试运行及检查工作离心泵进水管路和泵体内充满水后启动离心泵,观察泵转速达到正常值后徐徐开启出水阀门;控制出水压力调整出水阀门的开启度,控制离心泵的流量和压力使之达到额定负载运行未按要求启泵或启泵后未观察泵转速,扣5分;不会控制和调整泵压及流量使泵达到额定负载运行,扣10分15检查流量、扬程、轴功率(通过流量计、真空表、压力表、电流表指示)是否达到规定要求少检查一项扣2分,扣完为止 5 检查各部螺栓是否紧固,机组有无异常声响和振动少检查一项扣2分,扣完为止 5 检查轴承温度是否正常,润滑部位是否漏油少检查一项扣2分,扣完为止 5 检查电动机的温升是否正常,电动机启动开关等各部接线是否发热少检查一项扣2分,扣完为止 5检查水泵填料是否发热、滴水是否正常,水泵和管路部分是否有漏水或进气的地方少检查一项扣2分,扣完为止 5试运行结束后应先关闭出水阀门,然后切断电源停机试运行结束后未按要求停机,不得分74 操作结束操作完收回工具、用具少收回一件扣1分,扣完为止 3备注合计100考评员签字年月日(三)工具、材料、设备、考场准备1、工具、材料、设备准备序号名称规格数量单位备注1 梅花扳手 1 组2 记录本 1 个3 笔 1 支4 管钳 1 把5 螺丝刀 1 把6 水泵安装资料 1 份7 离心泵机组 1 台2、考场准备机组一台,配套设施齐全;各种工具、用具齐备好用。
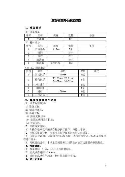
清理检查离心泵过滤器
1、准备要求
2、操作考核规定及说明
(1)操作程序说明:
1)准备工作;
2)倒流程泄压;
3)拆卸盲板;
4)清洗更换滤网;
5) 安装过滤网及盲板盖;
6)投运试压;
(2)考核规定说明:
1)如操作违章或未按操作程序执行操作,将停止考核。
2)考核采用百分制,考核项目得分按鉴定比重进行折算。
(3)考核方式说明:该项目为实际操作题,考核过程按评分标准及操作过程进行评分。
(4)考核技能说明:本项主要测量考生对清洗离心泵过滤器的熟练程度。
3、考核时限:
(1)准备时间:1 min(不计入考核时间)。
(2)正式操作时间:20 min。
(3)提前完成操作不加分,到时停止操作考核。
4、评分记录表
中国石油天然气集团公司职业技能鉴定统一试卷
集输工高级操作技能考核评分记录表
现场号工位号性别______
试题名称:清理检查离心泵过滤器
年月日。
离心泵安全环保作业操作规程离心泵是工矿企业中常用的一种水泵设备,常常用于输送各种液体,如清水、污水、化工原料等。
因其操作好,效率高、输送距离长等特点,被广泛应用于各行各业。
在日常生产操作中,为了保证工作和生活的正常进行,必须遵守离心泵的安全操作规程,对离心泵在使用过程中的注意事项、安全预防措施、操作规范进行详细的介绍。
一、离心泵使用前安全检查:1. 离心泵上安全阀、水压表、手推车等应齐全,各阀门、高压头应紧密牢固,无漏水、漏气、漏油现象。
2. 检查离心泵轴承、变速器、联轴器、电机等传动装置是否灵便流畅,是否存在异响,要保持设备清洁。
3. 检查离心泵各部位润滑油位、润滑情况是否良好。
4. 检查离心泵管道是否破损、渗漏,各管道是否正常畅通。
5. 检查离心泵水泵吸水进口处是否有异物阻塞,同时要关注离心泵的配电系统是否稳定。
二、离心泵操作注意事项:1. 在泵房内必须保持良好的通风环境,不得使泵房内积水过深。
2. 对于带有自吸功能的离心泵要求它在正常工作状态下确保无空转、无故障的工作状态。
3. 在离心泵工作时,应根据原水水位调整闸门或其他控制阀门,以保证泵进水口正常,不应损坏离心泵。
4. 开始使用时,应缓慢启动离心泵,确保设备没有振动或异响。
5. 监测离心泵的工作状况,确保设备不断运转,水泵不出现堵塞或其他异常。
三、离心泵操作规程:1. 在离心泵工作时,严格按照规程要求进行操作,保证设备正常运转,不断供应流体。
2. 当离心泵工作时出现异常情况,应立即停机检查处理,不能直接擅自处理离心泵出现的故障。
3. 在离心泵工作时,要保持设备清洁、整洁,定期清理内部管道及过滤器,以保证泵水质量清洁。
4. 每次使用离心泵结束后,保存设备应进行必要的检查与维护,尤其是传动装置等易受污染损坏的部位。
5. 当离心泵需要进行维修或保养时,要求具有相应的操作证书及资质,必须进行标准的操作和安全工作,确保维护人员的安全。
以上就是离心泵的操作规程,通过遵守上述规程,可以有效地减少离心泵在使用过程中出现故障的可能性。
离心泵检修质量标准及方法1、拆卸前准备;1.1掌握泵的运转情况,并备齐必要的图纸和资料。
1.2备齐检修工具、量具、起重机具、配件及材料。
1.3切断电源及设备与系统的联系,放净泵内介质,达到设备安全与检修条件。
2、拆卸与检查;2.1拆卸附属管线,并检查清扫。
2.2拆卸联轴器安全罩,检查联轴器对中,设定联轴器的定位标记。
2.3测量转子的轴向窜动量,拆卸检查轴承。
2.4拆卸密封并进行检查。
2.5测量转子各部圆跳动和间隙。
2.6拆卸转子,测量主轴的径向圆跳动。
2.7检查各零部件,必要时进行探伤检查。
2.8检查通流部分是否有汽蚀冲刷、磨损、腐蚀结垢等情况。
3、检修标准按设备制造厂要求执行,无要求的按本标准执行;3.1联轴器;3.1.1半联轴器与轴配合为H7/js6。
3.1.6联轴器对中检查时,调整垫片每组不得超过4块。
3.1.7热油泵预热升温正常后,应校核联轴器对中。
3.1.8叠片联轴器做宏观检查。
3.2轴承;3.2.1滑动轴承;a.轴承与轴承压盖的过盈量为0~0.04mm(轴承衬为球面的除外),下轴承衬与轴承座接触应均匀,接触面积达60%以上,轴承衬不许加垫片。
b.更换轴承时,轴颈与下轴承接触角为60°~90°,接触面积应均匀,接触点不少于2~3点/cm2。
c.轴承合金层与轴承衬应结合牢固,合金层表面不得有气e.轴承侧间隙在水平中分面上的数值为顶部间隙的一半。
3.2.2滚动轴承;a.承受轴向和径向载荷的滚动轴承与轴配合为H7/is6。
b.仅承受径向载荷的滚动轴承与轴配合为H7/k6。
c.滚动轴承外圈与轴承箱内壁配合为Js7/h6。
d.凡轴向止推采用滚动轴承的泵,其滚动轴承外圈的轴向间隙应留有0.02~0.06mm。
e.滚动轴承折装时,采用热装的温度不超过120℃,严禁直接用火焰加热,推荐采用高频感应加热器。
f.滚动轴承的滚动体与滚道表面应无腐蚀、坑疤与斑点,接触平滑无杂音,保持架完好。
离心泵维护规程1总则1.1主题适用范围1.1.1本规程规定了离心泵的检修周期与检修内容、检修与质量标准、试车与验收、维护与故障处理。
1.1.2本规程适用于热电车间常用离心泵2检修周期与内容2.1检修周期2.1.1根据状态检测结果及设备运行状况,可以适当调整检修周期。
2.1.2检修周期(见表1)表1 检修周期表2.2检修内容2.2.1小修项目2.2.1.1更换填料密封。
2.2.1.2双支承泵检查清洗轴承、轴承箱、挡油环、挡水环、油标等,调整轴承间隙。
2.2.1.3检查修理联轴器及驱动机与泵的对中情况。
2.2.1.4处理在运行中出现的一般缺陷。
2.2.2大修项目2.2.2.1包括小修项目。
2.2.2.2检查修理机械密封。
2.2.2.3解体检查各零部件的磨损、腐蚀和冲蚀情况。
泵轴、叶轮必要时进行无损探伤。
2.2.2.4检查清理轴承、油封等,测量、调整轴承油封间隙。
2.2.2.5检查测量转子的各部圆跳动和间隙,必要时做动平衡校验。
2.2.2.6检查并校正轴的直线度。
2.2.2.7测量并调整转子的轴向窜动量。
2.2.2.8检查泵体、基础、地角螺栓及进出口法兰的错位情况,防止将附加应力施加于泵体,必要时重新配管。
3检修与质量标准3.1拆卸前准备3.1.1掌握泵的运行情况,并备齐必要的图纸和资料。
3.1.2备齐检修工具、量具、起重机具、配件及材料。
3.1.3切断电源及设备与系统的联系,放净泵内介质,达到设备安全与检修条件。
3.2拆卸与检查3.2.1拆卸附属管线,并检查清扫。
3.2.2拆卸联轴器安全罩,检查联轴器对中,设定联轴器的定位标记。
3.2.3测量转子的轴向窜动量,拆卸检查轴承。
3.2.4拆卸密封并进行检查。
3.2.5测量转子各部圆跳动和间隙。
3.2.6拆卸转子,测量主轴的径向圆跳动。
3.2.7检查各零部件,必要时进行探伤检查。
3.2.8检查同流部分是否有汽蚀冲刷、磨损、腐蚀结垢等情况。
3.3检修标准按设备制造厂要求执行,无要求的按本标准执行。
最新离心泵一级、二级、三级的保养及验收标准离心泵一级、二级、三级的保养及验收标准一、离心泵维护保养规程离心泵维护保养规程离心泵维护保养规程离心泵维护保养规程1.主题内容与适用范围本标准规定了离心泵维护保养应遵循的工作程序和技术要求。
本标准适用于各类离心泵的维护保养规程。
二、保养周期1、一保周期:740小时。
2、二保周期:2500小时。
3、三保周期:8000小时。
三、保养内容1、日常维护检查内容1.1 润滑油瓶中的油位是否在刻线上1.2 机组有无异常响声和振动;1.3 轴承箱温度和电机温度符合要求;1.4 轴封泄漏符合要求;;1.5 做好质量记录。
2、一级保养内容2.1完成日常维护检查内容;2.2拧紧各部松动缧丝,损坏者配备齐全;2.3清洁、检查电机轴承,加注润滑脂;2.4油瓶内油位低于刻度线,加润滑油;2.5检查平衡管有无阻塞,如有阻塞应及时清理。
3、二级保养内容3.1完成一级保养的内容;3.2设备出力是否达到要求;3.3检查轴承箱内轴承、甩油环是否完好,不符合要求应更换;3.4检查轴承箱两端轴封泄漏是否符合要求,不符要求应修理或更换;3.5检查叶轮耐磨环间隙是否符合要求,不符要求应修理或更换;3.6检查机械密封有无损坏,更换O型圈;3.7更换轴承箱内的润滑油;3.8检查电机轴承,必要时更换;3.9检查电动机各顶绕组的绝缘是否符合要求3.10检查联轴器对中情况;3.11检查泵的轴承及整体振动情况。
4、三级保养内容4.1完成二级保养的全部内容;4.2检查泵壳内局部磨损及形成沟槽情况,必要时修理;4.3检查叶轮有无磨损及叶轮口环的径向跳动情况,必要时修理或更换;4.4检查轴各处尺寸及跳动情况;4.5检查轴套、泵端盖及轴承箱的各处尺寸及磨损情况;4.6对电动机绕组、相间绝缘、相间短路情况进行检查。
四、保养验收标准1一级保养验收标准1.1设备清洁,各部件完好;1.2设备润滑符合要求;1.3记录资料真实、齐全、准确。
清洗流量计过滤器考核步骤1.安全措施:在进行任何操作之前,必须确保对设备和操作人员提供足够的安全措施。
这包括戴上适当的安全设备(如手套、护目镜和耳塞),确保工作区域干净和整洁,以防止滑倒和事故发生。
2.关闭设备:在清洗流量计过滤器之前,必须首先关闭设备,并将活动部件停止运动,以确保操作的安全性。
3.逆吹过滤器:使用压缩空气或其他适当的工具对过滤器进行逆吹,以清除堵塞的颗粒和废物。
确保过滤器的进出口被封闭,以避免废物飞溅和污染。
逆吹时间和强度应根据过滤器的实际情况进行调整。
4.浸泡清洗:将过滤器放入适当的清洁剂或去离子水中,浸泡一段时间,以溶解和清除污垢和颗粒物。
浸泡时间应根据污染程度和过滤器材料的耐受能力而定。
如果可能,建议使用机械搅拌器来提高清洗效果。
5.管道冲洗:使用适当的冲洗设备,将清洁剂或去离子水通过过滤器进行冲洗。
冲洗过程中,应注意不要使用过高的压力,以免损坏过滤器。
冲洗时间和冲洗液量应根据实际情况进行调整,以确保彻底冲洗。
6.检查清洗效果:在冲洗完成后,检查过滤器的清洗效果。
使用适当的工具和仪器,检查过滤器的表面和内部是否清洁,并确保没有残留物和颗粒物。
7.安装和测试:将清洗后的过滤器重新安装到流量计中,并进行必要的测试和调整,以确保其正常运行和准确测量流量。
8.记录和维护:在清洗流量计过滤器的整个过程中,应保持详细的记录,并在清洗后定期进行维护和检查。
这可以帮助追踪和分析清洗效果,及时发现和解决潜在问题。
除了以上步骤,清洗流量计过滤器还需要遵循相关的标准和规程,以确保操作的安全和有效。
在考核过程中,还需要严格遵守相关的标准和规程,并进行必要的培训和考核,以提高操作人员的技术水平和安全意识。
综上所述,清洗流量计过滤器的考核步骤包括安全措施、关闭设备、逆吹过滤器、浸泡清洗、管道冲洗、检查清洗效果、安装和测试、记录和维护等。
这些步骤的严格执行可以确保流量计过滤器的清洗效果和长期稳定运行。
中级工技能操作试题试题一:AA001 拆卸单级离心泵1.考核要求(1)正确选用工具、用具和使用材料。
(2)均匀对称拆卸泵盖螺帽,用撬杠对称撬动,取下泵壳。
(3)按正确方向卸下叶轮背帽,轻敲取下叶轮,将叶轮平放垫好。
(4)拆下压盖和泵体的固定螺栓,沿轴向轻敲卸压连接体,取下轴套。
(5)用拉力器拆下联轴器,拆下轴承端盖。
(6)用铜棒按轴向敲动泵轴取下轴承体,用拉力器取下轴承。
(7)用柴油清洗拆下的部件,检查损坏情况,并按次序摆好。
(8) 清洁收回工具,清扫现场。
(9) 穿戴劳保按正确规程操作。
2.准备要求(2)考场准备①现场整洁无杂物,照明良好,光线充足,场地无干扰。
②依据项目特征准备考场,安全设施齐全。
3.操作考核规定及说明(1)本题分值:100分根据组卷比例折算为40分(2)考核时间:45 分钟。
(3)计时从领取工具、材料开始至交回工具、材料为止。
(4)规定时间完成,超时停止工作。
(5) 违章操作或发生事故停止工作。
4.评分记录表拆卸单级离心泵评分记录表试题二:AA002组装单级离心泵1.考核要求(1)正确选用工具、用具和使用材料。
(2)清洗配件,除去铁锈和杂物,用细砂纸除去配件上的毛刺。
(3)测量叶轮与密封环间隙,轴承与轴及轴承座配合为过盈。
(4)用青克纸制作轴承端盖密封垫片,用石棉垫片制作泵壳密封垫片。
(5)用套管击打内轨安好轴承,用铜棒轻敲安好轴承体,上好端盖。
(6)用螺栓固定好轴承体,安上轴套,加好填料,上好密封填料压盖。
(7)叶轮用键在轴上要紧固,叶轮中心对准泵体中心,用勾扳手拧紧背帽,对称紧固好泵盖螺栓。
(8)用铜棒安好联轴器,盘车检查应无杂音摩擦声。
(9)清洁收回工具,清扫现场。
(10)穿戴劳保按规程操作。
2.准备要求(1)工具、材料、设备准备①现场整洁无杂物,照明良好,光线充足,场地无干扰。
②依据项目特征准备考场,安全设施齐全。
3.操作考核规定及说明(1)本题分值:100分根据组卷比例折算为40分(2)考核时间:50 分钟。
清洗检查离心泵过滤器
一、如何判断过滤器堵塞
泵入口过滤器,若堵塞则泵的排量明显降低,出口压力低于正常工作的压力,启动泵时,过滤缸上的真空压力表显示值低,即使是提高来液压力,但泵的排量仍不增加。
二、操作注意事项:
1、清理过滤器前后要导好流程,防止液体外溢。
进出口阀门关闭要严密,放空时注意液体喷出
2、拆盲板时使用工具要合适,注意掉落砸伤手脚。
盲板旧垫子要清理干净,要显露出自由水线
3、制作垫片大小应符合要求,不能有裂纹,要涂上黄油,便于固定和密封。
4、清理滤网时要用热水冲洗或用清洗剂,严禁用火烧。
5、滤网上、过滤器内的脏杂物要清理干净,如果过多则要分析原因,采取预防措施。
6、紧固螺钉时要均匀对称,防止盲板压偏。
7、试运时,如果填料处冒烟,可能是填料压得过紧,必须迅速松开压盖螺母;如果填料封不住,可能是填料数量不够、填料长短不合适或者压紧度不够,应该重新调整或更换填料。
三、工用具、材料
工具:活动扳手300mm一把;梅花扳手19~32mm一套、撬杠、刮刀、划规、剪刀、钢板尺、钢刷、F扳手各一把。
材料:棉纱、清洗油、石棉垫片、滤网、润滑脂。
检查、清洗过滤器滤网学习目标掌握泵前过滤器滤网的检查与清洗操作规程,会检查清洗泵前过滤器滤网。
一、准备工作( 1 )工用具:250 mm与300mm活动扳手各一把,梅花扳手一套,450 mm管钳一把,小撬杠一把,“F”型扳手一把,毛刷或塑料刷 1 把。
( 2 )材料:棉纱或擦布3 kg ,石棉垫子一个,汽油适量,停泵或“有人工作”标志牌一块。
二、操作步骤1、检查注水泵过滤器及滤网( 1 )停泵,关闭进出口阀门,并挂上“有人工作”标志牌。
( 2 )打开注水泵出口放空阀门进行卸压放空。
( 3 )打开过滤器底部排污阀门,排净泵内机泵前过滤器内的余液。
( 4 )卸下过滤器顶盖紧固螺丝,取下顶盖和石棉垫子。
( 5 )均匀用力从过滤器中抽出滤网。
( 6 )检查过滤器内及滤网有无堵塞物或损坏,清除过滤器及滤网堵塞物,更换或修复损坏严重的过滤网。
(7 )将干净完好的过滤网放入过滤器内。
(8 )装好石棉垫子和顶盖,上紧过滤器顶盖紧固螺丝。
(9 )倒通正常流程,清理现场,启泵恢复生产。
2、清洗注水泵前过滤器滤网(1 )停泵,关闭注水泵进出口阀门,挂上“有人工作”标志牌。
( 2 )打开注水泵出口放空阀门进行卸压。
( 3 )打开过滤器底部排污阀门。
( 4 )卸下过滤器大盖紧固螺丝,取下顶盖。
( 5 )从过滤器中抽出滤网。
( 6 )用钢丝刷和汽油清洗干净过滤器及滤网堵塞物。
( 7 )清洗完毕后,将过滤网放入过滤器。
( 8 )装好石棉垫子和顶盖,上紧过滤器上盖紧固螺丝。
( 9 )倒通正常流程,清理现场,启泵恢复生产.三、技术要求( 1 )检查和清洗泵前过滤器时必须首先停泵,并打开放空阀门和排污阀,泄掉泵内余压,放掉过滤器内存水。
禁止带压操作。
( 2 )若发现滤网上被杂物堵死时,要进行清洗,清洗时不能用钢丝刷,要用毛刷或塑料刷,以免损坏滤网。
如果滤网刷不干净,可用汽油刷。
若发现滤网损坏时,要进行修补或更换。
( 3 )捡查和清洗完毕后,对角拧紧顶盖紧固螺丝,达到不渗不漏。
机泵专业离心泵巡检标准化程序1、巡检人员要求:1.1巡检人员应具有安全作业上岗证。
1.2能正确使用测振仪、测温仪、测速仪等测量仪器,以及听棒、常用工具。
1.3巡检人员具备一定的现场故障判断的实际经验和能力,安全意识强,有识限避险能力。
2、巡检要求2.1相应管理班组根据巡检区域划分制作区域巡检路线图并明示,要求确保无死角和设备漏检。
2.2正常巡检次数为每天2次,上午、下午各一次,其中上午出发时间不晚于8:30,下午不晚于14:30。
2.3每周安排一次维护区域全部运行机泵状态检测,并要求运行设备记录全面、完整,记录每周不少于1次,根据设备运行状况可适当增加。
2.4对巡检问题要求及时、准确记录并汇总上报,对于发现的较紧急情况要求第一时间通知相关生产单位进行确认和处理,避免事态扩大。
2.5在设备轴承箱相应振动测量位置用红漆做明显标示,作为每次测量位置。
3、巡检安全环保要求:3.1巡检人员应按照规定穿着合格的衣服、裤子和防护鞋,正确佩戴安全帽、防护镜和耳塞等防护用品,佩戴硫化氢报警仪。
3.2巡检人员应随身携带合适的工具包,记录本、巡检工具应能整齐存放,无不规则外露,工具包外部应无系绳、毛边等可能与设备接触的不安全因素。
3.3巡检人员应随身携带合适尺寸的抹布,对不易观察部位清洁使用,使用后的抹布要按照规定投入工业垃圾回收箱。
3.4巡检人员尤其是女职工的长发不允许外露,必须盘到安全帽内。
4、巡检工具要求:4.1巡检人员携带配备工具:10吋、12吋活扳手各1把,10吋管钳1把,8吋十字、一字螺丝刀各1把,8吋手钳1把,听棒1根4.2巡检人员携带配备测量仪器:测振仪1台,测温仪1台,频闪仪、冲击脉冲仪根据需要携带5、测量仪器的使用方法和要求:5.1测振仪、听棒、测温仪、频闪仪、冲击脉冲仪的相关要求参照相关标准化作业指导书执行。
6、巡检检查内容和标准6.16.2检查轴承箱轴承压盖轴封泄漏情况。
轴封不允许有可见的泄漏,挡油环不得松动。
一、检测规范:振动测试1、振动测试所需振动测试仪器由厂商自行配备,仪器性能应符合测试要求。
2、振动测试标准:a.振动允许范围:表一表二b.振动量测点位置图3、 厂商对水泵机组测试时须现场量测记录数据,由业主确认,完成机组测试后提交该机组振动测试报告。
对中对中是泵和驱动器在旋转的时候,使两轴线在同一条直线上。
注意:当泵的进出口法兰与管路联结后及试验泵进口过滤器后,需重新调整泵与驱动器的对中。
泵的对中需在联轴器处使用百分表。
1. 旋转一根或两根轴 a )完全圆而直的轴b) 完全圆而直的轴(两根轴的中心线高度相差1mm)c) A 轴弯曲,B 轴笔直(处于轴承之间的两根轴的中心线在一条直线上)A B偏差旋轉B 0mmA B偏差旋轉B 2mm 旋轉A 和B 2mm1mm A B 偏差 旋转B 2mm 旋转A 和B 0mm两根轴(轴承之间)在同一直线上,旋转一根轴时,测得偏差为2mm ,当进行两根轴的对中时,两根轴应该同时沿同一个方向旋转并在同一个测量点测量。
2. 对中的步骤 从正面看对中可以分为二部分a ) 垂直对中---使中心线相互平行b ) 水平对中---使中心线处于同一水平线上在对中时,首先垂直对中,然后水平对中(二个都从正面看),在此之前,我们必须保证: a ) 用螺栓把泵固定在底座上,通过对中使驱动器轴与泵轴在同一条直线上。
b ) 对中读数起始值在一定的极限之内。
表面的极限值(平面度)为 0.25 mm 圆周的极限值(圆度)为 0.5 mmc ) 把驱动器固定在底座上,通过紧固螺母使驱动器与底座相应的部分对齐。
如果不加选择地把所有的螺母都旋紧,将会造成驱动器机架的损坏。
垂直对中(面对中)R21) 在中点(位置1)放置一只百分表2) 旋转两根轴(A 轴和B 轴)180度,读出读数RR=位置1的读数-位置2的读数 3) 测量百分表转圈直径(D )4) 测量驱动器螺栓孔的距离(P )用于校正读数(R )的垫片厚度(S )可按如下公式计算: S=R/D ×PS=所要求的垫片的厚度 R=百分表读数 D=百分表转圈时的直径P=驱动器地脚螺栓孔距离(驱动器旋转轴平行方向)。
泵修维修检验标准离心泵检修标准1.检修标准(1)检修分为大、中、小修。
(2)检修时间:小修半年;中修一年;大修二年(半年、一年、二年均指运行时间)。
(3)检修内容:小修:更换填料箱内填料中修:包括小修内容;更换爪形弹性联轴器弹性垫;更换轴承及油封;更换轴套及轴套内“O“形圈;电机轴承清洗注油或更换;检查地脚螺栓是否松动,发现松动现象重新浇灌水泥;。
大修:包括中修内容;更换轴;检查叶轮腐蚀情况,出现蚀孔更换;检查密封环的磨损情况,如与叶轮间隙大于0.5mm,更换密封环。
2.保证值(1)调整两联轴器同心度,测量联轴器外圆上下、左右差别不得超过0.1mm,两联轴器端面间隙一周最大和最小间隙差别不得超过0.3mm;(2)轴承压盖与轴承间隙通过纸垫调整到0.05-0.1mm。
(3)泵体与管线连接时,不得将管线的作用力强加到泵体上。
(4)检修后,加负荷运转时,填料漏水就是少量均匀的。
(5)轴承的润滑油应洁净。
(6)带负荷运转时,泵出口阀全开时,出口压力表应指示在2-2.5bar且不超过电机的额定电流。
(7)轴承的运行温度不得超过80℃且不超过环境温度40℃。
(8)试运转时,无润滑油或水的泄漏且运行平稳,无振动或杂音。
3.故障分析及处理办法⑴水泵不吸水并且压力表剧烈振动。
原因:泵体内水没有注满。
解决办法:将泵体内注满水重新起动。
⑵水泵不吸水原因:泵体内水没有注满;进水阀门没有打开或者进水口淤塞。
解决办法:将泵体内注满水;打开进水阀门或清洗更换进水口阀门。
⑶压力太低原因:泵体旋转方向不对或叶轮磨损、淤塞。
解决办法:调整电机运转方向或更换叶轮、清洗泵体。
⑷流量太低原因:管路、泵体淤塞或者口环磨损严重。
解决办法:清洗管路、泵体或者更换口环。
⑸功率过大原因:填料太紧或者磨损;叶轮、轴承损坏。
解决办法:调整填料松紧度或者更换叶轮、轴承。
⑹轴承过热原因:缺少润滑油水泵轴与电机轴不同心。
解决办法:补充润滑油;重新调整泵轴与电机轴同心度。
清理检查离心泵过滤器
1、准备要求
2、操作考核规定及说明
(1)操作程序说明:
1)准备工作;
2)倒流程泄压;
3)拆卸盲板;
4)清洗更换滤网;
5) 安装过滤网及盲板盖;
6)投运试压;
(2)考核规定说明:
1)如操作违章或未按操作程序执行操作,将停止考核。
2)考核采用百分制,考核项目得分按鉴定比重进行折算。
(3)考核方式说明:该项目为实际操作题,考核过程按评分标准及操作过程进行评分。
(4)考核技能说明:本项主要测量考生对清洗离心泵过滤器的熟练程度。
3、考核时限:
(1)准备时间:1 min(不计入考核时间)。
(2)正式操作时间:20 min。
(3)提前完成操作不加分,到时停止操作考核。
4、评分记录表
中国石油天然气集团公司职业技能鉴定统一试卷
集输工高级操作技能考核评分记录表
现场号工位号性别______
试题名称:清理检查离心泵过滤器
年月日。