直流电机伺服系统实验报告
- 格式:docx
- 大小:3.10 MB
- 文档页数:27
三直流伺服电动机实验一、实验目的1、通过实验测出直流伺服电动机的参数r a、K e、K T。
2、掌握直流伺服电动机的机械特性和调节特性的测量方法。
二、预习要点1、分析掌握直流伺服电动机的运行原理。
2、如何测量直流伺服电动机的机电时间常数,并求传递函数。
三、实验项目1、测直流伺服电动机的电枢电阻。
2、测直流伺服电动机的机械特性T=f(n)。
3、测直流伺服电动机的调节特性n=f(U a)。
4、测定空载始动电压和检查空载转速的不稳定性。
5、测量直流伺服电动机的机电时间常数。
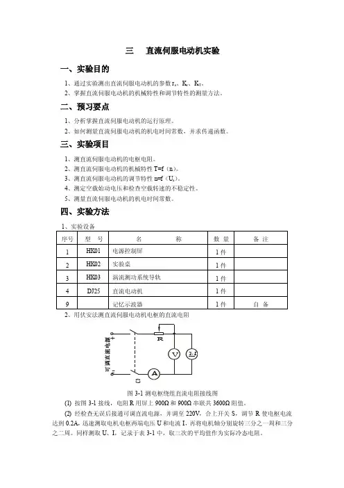
四、实验方法2、用伏安法测直流伺服电动机电枢的直流电阻图3-1测电枢绕组直流电阻接线图(1) 按图3-1接线,电阻R用屏上900Ω和900Ω串联共3600Ω阻值。
(2) 经检查无误后接通可调直流电源,并调至220V,合上开关S,调节R使电枢电流达到0.2A,迅速测取电机电枢两端电压U和电流I,再将电机轴分别旋转三分之一周和三分之二周。
同样测取U、I,记录于表3-1中,取三次的平均值作为实际冷态电阻。
(3) 计算基准工作温度时的电枢电阻由实验直接测得电枢绕组电阻值,此值为实际冷态电阻值,冷态温度为室温,按下式换算到基准工作温度时的电枢绕组电阻值。
式中: R aref ——换算到基准工作温度时电枢绕组电阻,(Ω) R a ——电枢绕组的实际冷态电阻,(Ω) θref ——基准工作温度,对于E 级绝缘为75℃ θa ——实际冷态时电枢绕组温度,(℃) 4、测取直流伺服电动机的机械特性图3-2 直流伺服电动机接线图(1) 按图3-2接线,图中R f2选用屏上1800Ω阻值,开关S 选用D51, A1、A2选用毫安表、安培表。
(2)把R f2调至最小,开关S 1打开,先接通励磁电源,再接通可调直流电源并调至220V 。
(3) 合上开关S ,调节涡流测功机给电机加载。
调节R f1阻值,使n=n N =1600r/min ,I a =I N =0.8A ,U=U N =220V ,此时电机励磁电流为额定励磁电流。
实验六 直流伺服电机实验一、实验设备及仪器 被测电机铭牌参数:P N =185W ,U N =220V ,I N =1.1A , 使用设备规格(编号):1.MEL 系列电机系统教学实验台主控制屏(MEL-I 、MEL-IIA 、B ); 2.电机导轨及测功机、转速转矩测量(MEL-13); 3.直流并励电动机M03(作直流伺服电机);4.220V 直流可调稳压电源(位于实验台主控制屏的下部); 5.三相可调电阻900Ω(MEL-03); 6.三相可调电阻90Ω(MEL-04);7.直流电压、毫安、安培表(MEL-06);二、实验目的1.通过实验测出直流伺服电动机的参数r a 、e κ、T κ。
2.掌握直流伺服电动机的机械特性和调节特性的测量方法。
三、实验项目1.用伏安法测出直流伺服电动机的电枢绕组电阻r a 。
2.保持U f=U fN=220V,分别测取U a =220V及U a=110V的机械特性n=f(T)。
3.保持U f=U fN=220V,分别测取T2=0.8N.m及T2=0的调节特性n=f(Ua)。
4.测直流伺服电动机的机电时间常数。
四、实验说明及操作步骤1.用伏安法测电枢的直流电阻Ra取三次测量的平均值作为实际冷态电阻值Ra=3132a a a R R R ++。
表中Ra=(R a1+R a2+R a3)/3; R aref =Ra*a ref θ++235235(3)计算基准工作温度时的电枢电阻由实验测得电枢绕组电阻值,此值为实际冷态电阻值,冷态温度为室温。
按下式换算到基准工作温度时的电枢绕组电阻值:R aref =Raaref θθ++235235式中R aref ——换算到基准工作温度时电枢绕组电阻。
(Ω) R a ——电枢绕组的实际冷态电阻。
(Ω)θref ——基准工作温度,对于E 级绝缘为75℃。
θa ——实际冷态时电枢绕组的温度。
(℃)2.测直流伺服电动机的机械特性I S:电流源,位于MEL-13,由“转矩设定”电位器进行调节。
直流电机的特性测试一、实验要求在实验台上测试直流电机机械特性、工作特性、调速特性(空载)和动态特性, 其中测试机械特性时分别测试电压、电流、转速和扭矩四个参数, 根据测试结果拟合转速—转矩特性(机械特性), 并以X轴为电流, 拟合电流—电压特性、电流—转速特性、电流—转矩特性, 绘制电机输入功率、输出功率和效率曲线, 即绘制电机综合特性曲线。
然后在空载情况下测试电机的调速特性, 即最低稳定转速和额定电压下的最高转速, 即调速特性;最后测试不同负载和不同转速阶跃下电机的动态特性。
二、实验原理图三、实验操作步骤1.测量直流电机的机械特性和动态特性①首先将负载旋钮逆时针拧至最小, 然后将实验设备面板上的直流电机的电枢电压和电枢电流信号引出, 分别接至计算机的采集数据端口上, 打开计算机中的测试软件, 进入测试界面, 设定每个通道的测量范围。
②系统上电。
③用计算机给定电机的电枢电压信号, 逐渐增加负载(顺时针转动负载旋钮), 选择记录下此过程中的20组数据, 每组数据包括测量电枢电压、测量电枢电流、电机转速和电磁转矩值。
④计算机停止给定电机的电枢电压信号, 系统电源关闭。
2.测量直流电机的调速特性本实验要求测量的是空载下的调速特性, 测量额定电压下的最高转速和最低稳定转速。
步骤如下:①首先将负载旋钮逆时针拧至最小, 然后将实验设备面板上的直流电机的电枢电压信号引出, 接至计算机的采集数据端口上, 打开计算机中的测试软件, 进入测试界面, 设定通道的测量范围。
②利用式(1-7)计算电机额定电压(3V)对应的测量电压值, 为5.16V。
电机实际电压=(前面板测量电压-0.76)*2.75-0.1③系统上电。
④不断改变计算机输出的电机电压信号, 直至测量电压信号的值为5.16V。
记录下此时的转速值, 即为额定电压下的最高稳定转速。
⑤不断减小计算机输出地电机电压信号, 观察转速逐渐减小和稳定的情况, 记录下最低稳定转速值。
淄博职业技术学院控制电机实验报告XX学院___年级 XX班姓名________学号_________同组人__________实验日期________年_____月____日温度________ 湿度________ 实验一直流伺服电动机电枢电阻的测量一、实验目的1、通过实验测出直流伺服电动机的参数ra、Ke、KT。
2、掌握直流伺服电动机的机械特性二、实验项目1、测直流伺服电动机的电枢电阻。
三、实验方法1、实验设备:2、用伏安法测直流伺服电动机电枢的直流电阻(1)用伏安法测直流伺服电动机电枢的直流电阻按图1接线,电阻选用2.2K 100W 的变阻器。
电流表的量程选用2A ,电源选用直流电机专用电源上的电枢电源。
图.1 测电枢绕组直流电阻接线图(2) 经检查无误后接通电枢电源,并调至220V ,合上开关S ,调节R 使电枢电流达到0.2A ,迅速测取电机电枢两端电压U 和电流I ,再将电机轴分别旋转三分之一周和三分之二周。
同样测取U 、I ,记录于表1-1中,取三次的平均值作为实际冷态电阻。
(3)计算基准工作温度时的电枢电阻由实验直接测得电枢绕组电阻值,此值为实际冷态电阻值,冷态温度为室温,按下式换算到基准工作温度时的电枢绕组电阻值。
aref aaref R R θθ++=235235式中: Raref ——换算到基准工作温度时电枢绕组电阻,(Ω)Ra ——电枢绕组的实际冷态电阻,(Ω) θref——基准工作温度,对于E 级绝缘为75℃ θa——实际冷态时电枢绕组温度,(℃) 四、实验报告1、由实验数据求得电机参数:R aref 、K e 、K TR aref ——直流伺服电动机的电枢电阻 ——电势常数——转矩常数五、实验心得通过本次试验加深了对直流伺服电动机的理解, 六、思考题1、若直流伺服电动机正(反)转速有差别,试分析其原因?(1)“零飘”,零点不是绝对零点,要调节零飘点,接近于0位置,正反转就基本一致了 (2)因为可控硅制造工艺和参数问题,实际上反转跟正传的电流环并不一致eT aNe K K n U K π300==。
直流电动机实验报告实验报告:直流电动机实验引言:直流电动机是一种将直流电能转化为机械能的装置,广泛应用于各个领域。
在本实验中,我们将通过对直流电动机的实验研究,探究其工作原理和性能特点。
一、实验目的:1. 了解直流电动机的组成结构和工作原理;2. 掌握直流电动机的启动、制动和运行过程;3. 学习使用实验仪器测量电动机的性能参数。
二、实验原理:直流电动机是由电枢和磁极组成。
当电枢通过外部直流电源供电时,在电磁场的作用下,电枢会受到电磁力的作用而产生旋转。
电动机的工作原理可以通过右手定则来解释。
在电动机的实验中,我们还需要了解几个重要的性能参数:1. 电压常数Kv:表示电动机转速和电压之间的关系;2. 转矩常数Kt:表示电动机转矩和电流之间的关系;3. 电动机的机械功率:指电动机转动时所做的功。
三、实验步骤:1. 连接电动机与电源,并确认电路连接正确;2. 使用电压表和电流表对电动机的电压和电流进行测量,并记录数据;3. 测量不同电压下电动机的转速,并记录数据;4. 根据测得的数据计算电动机的转矩常数Kt和电压常数Kv;5. 测量不同电压和负载下电动机的功率,并进行数据分析。
四、实验结果及分析:1. 测量数据的记录表格:电压(V)电流(A)转速(rpm)10 0.5 100020 1.0 200030 1.5 300040 2.0 400050 2.5 50002. 通过数据计算得到的电压常数Kv为200 rpm/V,转矩常数Kt为0.04 Nm/A;3. 在不同电压和负载下测量的功率随电压和负载增加而增加。
实验中我们观察到,当电压增加时,电动机的转速也随之增加。
这符合电压常数Kv的定义。
而转速的增加会带动机械负载的旋转,从而转矩也相应增加。
而转矩的增大会使得电流增加,因此电压和转矩之间的关系可以通过转矩常数Kt来表示。
实验结果进一步说明了直流电动机的工作原理,即通过外部直流电源提供电能,电枢在电磁场的作用下转动。
师范学院实验报告学院:专业:班级:成绩:姓名:学号:组别:组员:实验地点:实验日期:指导教师签名:实验(1)项目名称:直流电机智能伺服控制器基本控制实验1.实验项目名称直流电机智能伺服控制器基本控制实验2.实验目的和要求熟悉智能伺服运动控制器的原理和使用方法,掌握基本的电机控制原理,电流环,速度环和位置环的参数调节3.实验原理伺服系统在机电设备中具有重要的地位,高性能的伺服系统可以提供灵活、方便、准确、快速的驱动。
随着技术的进步和整个工业的不断发展,伺服驱动技术也取得了极大的进步,伺服系统已进入全数字化的时代。
智能伺服运动控制器的总体结构如下图所示;Motion Studio是智能伺服控制器的开发环境,是一款基于Windows环境的高性能可视化软件,用于开发包含有Technosoft智能伺服驱动的运动解决方案,它容许您配置一个运动系统,包括运动系统元素定义和控制器参数测定,利用高级集成工具设计运动程序,它可以自动生成TML代码,深层代码开发工具容许进一步的编辑和直接编译、连接、产生执行代码并送到IPM驱动器,最后,先进的图形显示工具:如数据记录、控制按钮和TML变量观测可用于系统的运动。
其界面如下图所示:根据电机参数,在下图所示的界面中设置参数:设置电流环,速度环和位置环各参数:在设置速度环和位置环参数后,对系统进行“Tune&Test”实验,改变参数,直到可以达到满意的控制效果。
4.主要仪器设备直流伺服系统控制平台、控制计算机5.实验内容及步骤(1)参照智能伺服控制器用户手册,熟悉其结构和原理(2)掌握智能伺服控制器和计算机通讯的原理和方法,掌握编码器信号采集,电位器信号采集和电机控制的基本方法。
(3)熟悉Motion Studio的使用。
6.实验数据记录和处理(1)测试出的电机电压值是多少?(2)测试出电机和负载总的转动惯量是多少?7. 问题与讨论(1)电机的转动方向是通过测试什么信号得到的?(2)测试电机的速度环时显示的波形是什么曲线?请简单画出波形图。
直流电机伺服系统实验报告目录直流电机伺服系统实验报告 (1)实验一、MATLAB仿真实验 (2)1.直流电机的阶跃响应 (2)2.直流电机的速度闭环控制 (2)3.直流电机的位置闭环控制 (7)实验二、直流电机调速系统 (11)1.反馈增益调节 (12)2.抗扰动能力对比 (12)3.比例调节下的特性测试与控制参数优化 (13)4.比例积分调节下的特性测试与控制参数优化 (15)5.测试速度环的速度误差系数(选做) (18)6.思考题 (19)实验三、直流电机位置伺服系统 (20)1.测试位置环的速度误差系数 (20)2.位置环采用比例控制器时的特性 (20)3.位置环采用PI 控制器时的动态特性 (23)4.测试工作台位移与输入电压的静特性 (24)5.思考题 (24)实验总结 (27)实验一、 MATLAB 仿真实验1.直流电机的阶跃响应如下图,对直流电机输入一个阶跃信号,画出阶跃响应曲线,指出主导极点。
利用Simulink 仿真搭建模型:实验结果 阶跃响应曲线两个极点是1210,10000s s =-=-,其中主导极点是110s =-。
2. 直流电机的速度闭环控制如下图,用测速发电机检测直流电机转速,用控制器Gc(s)控制加到电机电枢上的电压。
(1)假设()100c G s =,用Matlab 画出控制系统开环Bode 图,计算增益剪切频率、相位裕量、相位剪切频率、增益裕量:当()100c G s =时,改为单位负反馈,开环传递函数:100()(0.11)(0.0011)(0.00011)G s s s s =+++绘制系统开环Bode 图:利用margin 函数,得到:增益剪切频率784.3434/c rad s ω=,相位裕量48.1370γ=,相位剪切频率3179.7/rad s πω-=,增益裕量11.1214g K =。
(2)通过分析Bode 图,选择合适的常数P K 作为()c G s ,使闭环阶跃响应的最大超调量在0~5%之间:超调量(%)100(1sin )5p M γ≈--,降低最大超调量需要适当提高相位裕量γ,反解得到γ的取值为:64.2°<γ<71.8°这就需要减小p K (但是快速性将降低,稳态误差将增大)。
计算机控制技术综合性设计实验实验课程:直流电机转速控制实验设计报告学生姓名:学生姓名:学生姓名:学生姓名:指导教师:牛国臣实验时间:年月日直流电机转速控制实验设计报告一、实验目的:1.掌握电机的工作原理。
2.掌握直流电机驱动控制技术。
3.掌握增量式编码器位置反馈原理。
4.熟悉单片机硬件电路设计及编程。
5.实现直流电机的转速控制。
二、实验内容:已知某一直流永磁有刷伺服电机参数如下:设计直流电机转速控制系统。
要求:表1 直流伺服电机参数1.分析并建立电机的数学模型,分别得出在连续控制系统和离散控制系统中对应的传递函数;2.基于MATLAB软件对直流电机进行仿真,并通过PID控制器的参数整定对直流电机进行闭环控制,3.设计直流电机控制硬件电路,主要包括主控模块、电机驱动模块、编码器反馈模块、通信模块、电源模块、显示模块等。
4.对各模块进行单元调试,设计数字PID控制器,并基于A VR单片机编制程序,进行系统联调。
5.最终完成直流电机控制硬件平台的设计、搭建及软件调试,要求有速度设置、显示功能,速度控制误差在1%以内,具有与上位机通讯的接口,能通过上位机方便进行参数设置、速度控制等操作。
三、 实验步骤:1、建立电机的数学模型,得出控制统的传递函数;由直流电机得来的三个方程:n k dt di Li R s u E m m ++=)( i k T M m =f L m T dtdw J T T ++= 、 进行拉式变换得:)()()()(s n k s LSI s I R s U E m m ++=)(s I k T M m =f L m T s JS T T +Ω+=)(带入数据在进行z 变换得: 521039.19252.01394.0459.1)(-⨯+-+=z z z z G 2、.基于MATLAB 软件对直流电机进行仿真(1)连续系统阶跃响应程序为:>> num=[1]num =1>> den=[0.0000000542,0.00061,0.0468]den =0.0000 0.0006 0.0468>> G=tf(num,den)Transfer function:1----------------------------------5.42e-008 s^2 + 0.00061 s + 0.0468>> step(G)>> Gz=c2d(G,0.01,'zoh')Transfer function:11.43 z + 0.06868-----------------z^2 - 0.4618 zSampling time: 0.01>> step(Gz)阶跃响应曲线如图1所示:图1 阶跃响应曲线(2)离散系统的单位阶跃响应程序如下:>> num=[52.756.913];>> den=[1 -0.8009 0.0005123];>> sys=[num,den,0.001];>> dstep(num,den,100)离散系统的阶跃响应曲线如图2所示(T=1ms):图2 离散系统的阶跃响应曲线(3)PID参数整定1)设D(z)=错误!未找到引用源。
直流电机实验报告
实验概述
本次实验使用由交流电转换成直流电的变频器,结合放大器和电池,将一个带分模拟信号的直流电机变成了一个模拟变频控制直流电机,而该直流电机可以实现定速、变速控制和力矩控制。
实验内容
1. 变频器的内部框架结构拆卸
使用一套完整的工具,按照变频器说明书的操作,拆开变频器,分析系统内部框架结构。
2. 安装变频器调节装置并作相应连接
用电钻安装变频器,打开变频器的控制开关,以检查各节电池和断路器的正确连接,检查直流电机接口的正确安装,最后用电压表检查电源线、共模线、补偿线和市电线的正确连接情况。
3. 编写变频器的软编程,并测试和调试
首先根据电机的负载要求编写软编程,测试各参数的正确性,接下来调试逆变器的参数,让整个系统运行良好,最后再实际操作验证直流电机调速系统到实际控制效果。
4. 控制方式仿真,并分析电机性能
针对直流电机不同的控制方式,分别仿真,得出性能优劣。
考察电机在定速控制,和变速控制中的参数变化,当变频速度达到最大值时,测量输入输出功率曲线,通过测量电机的扭矩曲线来确定电机的驱动能力和功率效率,以期得到有效的电机控制系统。
实验结论
通过本次实验,我们已掌握变频控制直流电机的安装和编程技术。
从实际操作中,可以看出,变频控制能够为电机实现定速控制、变速控制和力矩控制。
此外,研究了直流电机在不同控制方式下的性能,如功率和扭矩等,为电机的正常运行和动力控制提供了重要参考。
直流伺服电机实验报告直流伺服电机实验报告引言:直流伺服电机是一种常见的电动机类型,广泛应用于工业自动化、机械控制和航空航天等领域。
本实验旨在通过对直流伺服电机的测试和分析,了解其性能特点和控制原理。
一、实验目的本实验的主要目的是:1. 理解直流伺服电机的基本原理和工作方式;2. 测试直流伺服电机的性能参数,如转速、转矩和响应时间等;3. 掌握直流伺服电机的控制方法,如位置控制和速度控制。
二、实验装置与步骤1. 实验装置:本实验使用的实验装置包括直流伺服电机、电源、电压表、电流表、转速表和控制器等。
2. 实验步骤:(1)接线:按照实验装置的接线图连接电源、电机和测量仪器。
(2)电机参数测量:通过改变电压和电流的大小,测量直流伺服电机的转速和转矩特性。
(3)控制方法测试:使用控制器对直流伺服电机进行位置控制和速度控制,观察并记录控制效果。
三、实验结果与分析1. 电机参数测量结果:通过改变电压和电流的大小,测量了直流伺服电机在不同工作条件下的转速和转矩。
结果显示,随着电压和电流的增加,电机的转速和转矩也随之增加。
这说明直流伺服电机的性能受电压和电流的影响较大。
2. 控制方法测试结果:通过控制器对直流伺服电机进行位置控制和速度控制,观察了电机的响应时间和控制效果。
结果显示,直流伺服电机对位置控制和速度控制的响应时间较短,控制效果较好。
这说明直流伺服电机具有较高的控制精度和灵敏度。
四、实验结论通过本实验,我们对直流伺服电机的性能特点和控制原理有了更深入的了解。
实验结果表明,直流伺服电机具有较高的转速和转矩,且对位置控制和速度控制具有较好的响应性能。
这使得直流伺服电机在工业自动化和机械控制领域有着广泛的应用前景。
五、实验心得通过本次实验,我深入学习了直流伺服电机的工作原理和控制方法。
在实验过程中,我不仅掌握了实验装置的使用方法,还学会了如何测量和分析电机的性能参数。
这对我今后从事相关领域的研究和工作具有重要意义。
伺服电机实训报告项目小结怎么写一、引言在本次实训项目中,我将深入探讨伺服电机的相关知识,并结合实际操作进行项目小结,以期加深对伺服电机的理解,并总结实训过程中的经验与教训。
二、项目背景伺服电机是一种能够根据控制系统的指令来精确地控制运动的装置,广泛应用于工业自动化、机床、精密加工设备等领域。
本次实训项目的目的在于通过操作实践,掌握伺服电机的基本原理、调试方法以及应用技巧,从而达到提高工程技术人员的实际操作能力和综合素质的目的。
三、实训内容1. 理论学习:通过课堂学习和相关资料阅读,深入理解伺服电机的基本原理和工作机理,包括PID控制、编码器反馈等核心概念。
2. 实际操作:在指导老师的带领下,进行伺服电机的调试、安装与维护等实际操作,了解伺服电机的常见故障及解决方法。
3. 项目实践:结合具体项目案例,对伺服电机在工业自动化控制系统中的应用进行案例分析,并进行实际操作演练。
四、项目小结1. 深度评估:在本次实训项目中,我通过系统学习和实际操作,对伺服电机的原理、调试方法以及应用技巧有了更深入的理解和认识。
在实际操作中,我深刻体会到了伺服电机的高精度、高可靠性和高灵活性,对其在工业自动化领域的重要性有了更清晰的认识。
2. 广度评估:通过实训项目的学习,我对伺服电机在不同行业的应用有了更为全面的了解,包括机床加工、食品包装、印刷设备等领域,从而使我能够更灵活地应对不同的使用场景和需求。
3. 总结回顾:本次实训项目使我对伺服电机的工作原理和应用领域有了更为深刻的认识,并通过操作实践提升了我的专业技能和综合素质。
在未来的工作中,我将能够更好地应用所学知识,为企业的自动化控制系统提供更专业的支持和服务。
五、个人观点和理解通过本次实训项目,我对伺服电机的重要性和广泛应用有了更加深刻的认识。
伺服电机作为工业自动化的重要组成部分,其高精度、高可靠性和高灵活性的特点,为工业生产和制造提供了强大的动力支持。
在未来的工作中,我将不断加强对伺服电机技术的学习和掌握,努力提升自己的专业能力,为工业自动化控制系统的发展贡献自己的力量。
毕业论文论文题目学院专业年级学号学生姓名指导教师完成时间年月肇庆学院教务处制摘要:随着科学技术的不断快速发展,人们对生活质量、生产效率及安全性等方面的要求越来越高,而自动化控制系统以其能将人类从复杂、繁琐危险、的劳动环境中解放出来并大大提高控制效率等的众多优点被大家所接受并得到了广泛的推广应用,逐渐成为现在生活生产中必不可少的一种科技,因此该设计具有很深远的研究价值。
设计主要是一种基于A VR单片机控制,采用ATmega16的芯片,通过用H桥式控制PWM通过检测光脉冲数进行定位进行对减速电机的控制,从而实现对系统的位置控制。
设计的目的是通过一个位置控制系统来自动控制门得开关,比较手动的,自动控制更省时省力,更安全,而且增加了生活的乐趣。
设计的结果是:所设计的位置控制系统,能较为稳定地对电机进行控制,符合实验的要求。
关键词:AVR单片机H桥式控制减速电机Abstract:With the rapid development of science and technology, more and morepeople on the quality of life, production efficiency and safety aspects of the higher requirements, and the automatic control system for its many advantages canbe complex, tedious, dangerous from human labor environment to liberate and improve the control efficiency ofthe acceptedand popularized widely used, has gradually becomean essentialtechnology in the production of life now, so ithas very far-reachingresearch value of the design. Design is a A VR microcontroller based control, using ATmega16 chip, through the bridge control of PWM by detecting the pulsenumber of positioning control gear motor with H, in order toachieve position control system. The purpose of the design is througha position control system to automatic control door switches,compared with manual, automatic control more time-saving, more secure,and to increase the pleasures of life. The result of the design is: position control system design, can steadily control the motor, meets the test requirements.Keywords: A VR microcontroller H bridge control gear motor目录:第一章:绪论 (5)1.1、直流伺服电机的背景、原理及分类 (5)1.1.1:背景: (5)1.1.2:原理: (6)1.1.3:分类: (6)1.2、直流伺服电机的应用与意义 (7)1.2.1:应用: (7)1.2.2:意义: (7)1.3、国内外现状和发展趋势 (8)第二章:直流伺服电机(减速电机)的工作原理、结构及其基本特性 (10)2.1、直流伺服电机的工作原理、原理 (10)2.2、直流伺服电机的基本特性 (10)2.2.1、直流伺服电机的机械特性 (11)2.2.2、直流伺服电机的调节特性 (12)2.2.3、直流伺服电机的动态特性 (13)2.3、直流减速电机 (18)第三章:A VR单片机系统的结构概况 (19)3.1、单片机的基本组成结构 (19)3.2、A VR单片机的介绍 (21)3.3、ATmega16单片机的介绍 (23)第四章:A VR单片机实现位置控制 (27)4.1、设计的原理: (27)4.1.1、H桥电路 (27)4.2、设计的电路框图 (31)4.2.1、独立按键: (31)4.2.2、光电码盘: (31)4.2.3、A VR单片机最小系统 (32)4.2.4、H桥驱动 (32)4.2.5、直流电机 (33)第五章:总结 (33)参考文献: (34)致谢: (37)第一章:绪论1.1、直流伺服电机的背景、原理及分类1.1.1:背景:近半个世纪以来,随着科学技术的快速发展进步,关于直流伺服控制技术的各项研究已经慢慢地走向成熟,直流伺服控制系统也随之得到了很大的重视,在研究探讨中不断的进步,在系统性能要求较高以及市场的急切需求的情况下得到了更深层次的理解,得到了广大人们的广泛地应用。
一、实验目的1. 了解直流电机的结构和工作原理。
2. 掌握直流电机的特性曲线及其测量方法。
3. 学习直流电机的启动、调速和控制方法。
4. 分析直流电机的运行状态,提高电机控制能力。
二、实验器材1. 直流电机:DJ13型,额定电压200V,额定电流0.5A,额定功率100W。
2. 直流电源:可调电压,最大输出电压300V。
3. 电阻箱:可调电阻,最大阻值100Ω。
4. 电流表:量程0-10A,精度0.5级。
5. 电压表:量程0-300V,精度0.5级。
6. 测功机:用于测量电机输出转矩。
7. 计时器:用于测量电机启动时间。
三、实验原理直流电机是一种将直流电能转换为机械能的电机。
其基本结构包括定子、转子和电刷。
当直流电通过电刷和转子绕组时,会产生磁场,从而驱动转子旋转。
四、实验步骤1. 测量电机空载特性:(1)将直流电机接入电路,调节电阻箱,使电机负载为空载状态。
(2)调节直流电源电压,从低到高逐渐增加,记录不同电压下的转速和励磁电流。
(3)绘制空载特性曲线。
2. 测量电机外特性:(1)将直流电机接入电路,调节电阻箱,使电机负载为额定负载。
(2)调节直流电源电压,从低到高逐渐增加,记录不同电压下的转速、励磁电流和电机输出转矩。
(3)绘制外特性曲线。
3. 测量电机调节特性:(1)将直流电机接入电路,调节电阻箱,使电机负载为额定负载。
(2)调节直流电源电压,从低到高逐渐增加,记录不同电压下的转速、励磁电流和电机输出功率。
(3)绘制调节特性曲线。
4. 测量电机启动时间:(1)将直流电机接入电路,调节电阻箱,使电机负载为空载状态。
(2)接通直流电源,记录电机启动时间。
五、实验结果与分析1. 空载特性曲线:从空载特性曲线可以看出,当电压一定时,电机转速随励磁电流的增加而增大。
当励磁电流达到一定值时,电机转速趋于稳定。
2. 外特性曲线:从外特性曲线可以看出,当负载一定时,电机转速随电压的增加而增大。
当电压一定时,电机转速随负载的增加而减小。
直流电机伺服系统实验报告目录直流电机伺服系统实验报告 (1)实验一、MATLAB仿真实验 (2)1.直流电机的阶跃响应 (2)2.直流电机的速度闭环控制 (2)3.直流电机的位置闭环控制 (7)实验二、直流电机调速系统 (11)1.反馈增益调节 (12)2.抗扰动能力对比 (12)3.比例调节下的特性测试与控制参数优化 (13)4.比例积分调节下的特性测试与控制参数优化 (15)5.测试速度环的速度误差系数(选做) (18)6.思考题 (19)实验三、直流电机位置伺服系统 (20)1.测试位置环的速度误差系数 (20)2.位置环采用比例控制器时的特性 (20)3.位置环采用PI 控制器时的动态特性 (23)4.测试工作台位移与输入电压的静特性 (24)5.思考题 (24)实验总结 (27)实验一、 MATLAB 仿真实验1.直流电机的阶跃响应如下图,对直流电机输入一个阶跃信号,画出阶跃响应曲线,指出主导极点。
利用Simulink 仿真搭建模型:实验结果 阶跃响应曲线两个极点是1210,10000s s =-=-,其中主导极点是110s =-。
2. 直流电机的速度闭环控制如下图,用测速发电机检测直流电机转速,用控制器Gc(s)控制加到电机电枢上的电压。
(1)假设()100c G s =,用Matlab 画出控制系统开环Bode 图,计算增益剪切频率、相位裕量、相位剪切频率、增益裕量:当()100c G s =时,改为单位负反馈,开环传递函数:100()(0.11)(0.0011)(0.00011)G s s s s =+++绘制系统开环Bode 图:利用margin 函数,得到:增益剪切频率784.3434/c rad s ω=,相位裕量48.1370γ=,相位剪切频率3179.7/rad s πω-=,增益裕量11.1214g K =。
(2)通过分析Bode 图,选择合适的常数P K 作为()c G s ,使闭环阶跃响应的最大超调量在0~5%之间:超调量(%)100(1sin )5p M γ≈--,降低最大超调量需要适当提高相位裕量γ,反解得到γ的取值为:64.2°<γ<71.8°这就需要减小p K (但是快速性将降低,稳态误差将增大)。
结合下图阶跃响应曲线,最终决定取42P K =。
此时最大超调量为4.80%,相位裕量为 65.9825γ=,剪切频率423.1329/c rad s ω=,满足要求。
如图:(3)计算此时的稳态位置误差系数,画出闭环系统阶跃响应曲线,稳态值是否与理论一致?关于稳态位置误差系数,理论值:04110.001111lim ()lim 500.02()1()()0.02142(0.11)(101)0.0011ss i s s s e sX s sH s G s H s ss s s →→-+==+++++ 111.20.02142==+,而实验得到的稳态误差为5048.8 1.2-=,与理论相一致。
(4)令()Ic P K G s K s=+,通过分析(2)的Bode 图,判断如何取合适的P K 和I K 的值,使得闭环系统既具有高的剪切频率和合适的相位裕量,又具有尽可能高的稳态速度误差系数。
画出阶跃响应曲线;开环传递函数:()1()()()()(0.11)(0.0011)(0.00011)(0.11)(0.0011)(0.00011)I P I c P K K s K G s G s H s K s s s s s s s s +=+=++++++ 消除了阶跃响应的误差 静态速度误差系数:保持42P K =不变,420I K =令传递函数极点与零点重合,使得剪切频率较高和相位lim ()()lim(0.11)(0.0011)(0.00011)p Iv Is s K s K K sG s H s K s s s →→+===+++裕量合适。
此时最大超调量为4.70%,相位裕量为 66.4120γ=,剪切频率390.8797/c rad s ω= (4)考虑实际环节的饱和特性对响应曲线的影响:在(4)的基础上,在控制器的输出端加饱和环节,饱和值为±5,输入单位阶跃信号,看各点波形,阶跃响应曲线与(4)有何区别?Simulink 模型如下仿真结果如下所示:红线为加了限幅器的曲线,可见限幅器使得响应时间变长,原先的响应时间在0.003秒左右,限幅后,响应时间在0.02秒以上,同时超调量增加约5%最终稳态值不变3.直流电机的位置闭环控制T为直流电机位置闭环控制系统如下图,其中做了电流控制环。
T为电磁力矩,d作用在电机轴上的阻力矩。
(1)先调好速度环:仅对上图中的速度环分析和仿真,速度控制器()c G s ω取为PK 形式,确定其参数。
取105P K =。
此时最大超调量为4.70%,相位裕量为 65.9825γ=,剪切频率423.1329/c rad s ω=,满足要求。
如图:(2)设1()d T t =,仿真速度环在单位阶跃输入下的输出ω,分析稳态误差。
稳态误差包括两部分:输入引起的误差和干扰引起的误差。
对于输入引起的误差,开环传递函数为I 型系统,单位阶跃输入的稳态误差为0。
对于干扰引起的误差:偏差2000.022000.0210.00110.0011()()2000.022000.02110.000110.00110.000110.0011d P P s s s s s T s K K ss s s s s s ε++==++++++干扰引起的稳态偏差01lim()lim ()ss t s Pt s s K εεε→∞→===干扰引起的稳态误差2110.47619(0)0.021050.02ssss P e H K ε====⨯⨯则总误差120.47619ss ss ss e e e =+= (3)调试位置环:令d T =,分析速度环的闭环传递函数,设计、调试PK 形式的()c G s θ,使位置环具有尽可能快的响应速度并且无超调。
d T =时,速度环的闭环传递函数:1200()200()(0.0011)0.00011()12000.02(0.0011)(0.00011)4()1()0.000110.0011c c c c G s G s s s s G s s s s G s G s s s s ωωωω++==++++++调节PK 形式的()c G s θ。
当P K 增大时,超调量逐渐增大,调整时间先减少再增大。
在没有超调量的情况下取调整时间最短的PK ,最后得到4P K =.2。
此时,单位阶跃响应曲线如下:(4)令1()d T t =,仿真位置环在单位阶跃输入下的输出θ。
分析稳态误差。
仿真曲线如上图所示。
同样,稳态误差包括两部分:输入引起的误差和干扰引起的误差。
对于输入引起的误差,开环传递函数为I 型系统,单位阶跃输入的稳态误差为零。
对于干扰引起的误差: 偏差:22222000.0212000.021(1)(1)10.0011 4.20.0011 4.2()()4.21052000.021 4.21052000.0211(1)1(1)0.000110.0011 4.20.000110.0011 4.2d s s s s s T s s s s s s s s ε⨯+⨯+++==⨯⨯+⨯++⨯+++++ 干扰引起的稳态偏差011lim ()lim () 4.2105441ss t s t s s εεε→∞→====⨯干扰引起的稳态误差2110.02(0)80.3880(1)4.2ss ss e H ε===⨯+ 则总误差1211080.3880.38ss ss ss e e e =+=+=(5)如何调整()c G s ω和()c G s θ的形式可以使dT 为常数时θ的稳态误差为0?确定控制器的参数。
设()I c P K G s K s ω=+,()I c P K G s K s θ''=+,()d T c t =。
同样,稳态误差包括两部分:输入引起的误差和干扰引起的误差。
对于输入引起的误差,开环传递函数为:212000.02()()()()(1)0.00011(0.0011)()I I P P I PK K G s H s K K K s s s s s K s ''=++++++2200()()0.02(0.0011)()(0.00011)(0.0011)()P I P I P I P I K s K K s K s K s K s s s K s K ''+++++=+++为II 型系统,输入的稳态误差为零。
对于干扰引起的误差: 偏差:22222000.021(1)0.0011()()()()2000.0211(1)0.000110.00112000.021(1)0.00111()()2000.0211(1)0.000110.0011I P d II P P I P I P I I P P I P s s K K ss T s K K K K s s s s s K K s s s K K s sK K K K s s s s s K K s ε⨯++''+=''+++⨯+++''+⨯++''+=''+++⨯+++''+干扰引起的稳态偏差:2022000.021(1)0.00111lim ()lim ()lim 0()()2000.0211(1)0.000110.0011I P ss t s s I I P P I P s s K K st s s ssK K K K s s s s s K K sεεε→∞→→⨯++''+====''+++⨯+++''+干扰引起的稳态误差200(0)1ssss e H ε===则总误差12000ss ss ss e e e =+=+=所以,要使系统稳态误差为0,则IK 或I K '不为0,即()c G s ω或()c G s θ包含积分环节。
实验二、 直流电机调速系统速度环电路如下图所示:1. 反馈增益调节设置系统稳态增益,根据负反馈系统的公式:1=1A A AF F−−−−→+很大时输出输入(A 是前向放大倍数)。
一般的实用负反馈的前向放大电路都用PI 控制器, A 很大,此时只需调整反馈系数F 即可设置稳态时的输入/输出,本实验要求调整到3并保持不变。
系统暂时按 PI 调节接好,C4用 0.1 μF。
当输入电压为 6V 时,调节测速反馈电位计的位置(β值),使得测速机电压为 18V 。