标准机箱机柜设计
- 格式:doc
- 大小:436.50 KB
- 文档页数:19
标准机柜式设计(1U),黑色氧化铝拉丝面板,人性化的抽手,考究的工艺,尽显高档气质;高亮度动态VFD荧光显示,清晰醒目,微电脑控制,轻触式按键操作;可播放CD/MP3格式碟片,采用进口数码机芯,系统+ESS解码方案,超强纠错功能;可通过通讯协议接口(RJ45)接受智能主机的控制,实现多种自动播放模式,如:播放单曲、播放全部、循环单曲、循环全部、停止播放等;
可通过面板按键或红外遥控器控制操作;设有地址拨码开关设置本机地址,满足多台设备一起使用时的地址确认;1路音频信号左右声道(L /R)输出。
标准机箱机柜设计汇总
详细,含图文
一、设计概述
机箱机柜在装置机械、液压、电子电气等设备中,是保护设备免受外
界环境侵害,并方便设备的维护保养的最重要的设备。
机柜的设计要求设
计内容准确、重视细节、安全可靠、方便安装、质量稳定、造价合理,是
一种非常精密的设计。
本文综合了市面上常见的机柜标准,给大家介绍标
准机箱机柜的设计。
二、标准机柜的几大特点
1、机柜材质要求:机箱机柜一般选用冷板精密冲压、热镀锌等高强度、高保护性能的优质金属材料,材料表面需涂有绝缘涂料,保证机柜有
较高的抗静电性能。
2、机柜形状设计要求:机柜采用正方形、长方形或圆形的形状设计,内部结构布局丘陵样布局,外表装饰要求高档、简洁大气,颜色要求深色。
3、机柜组件结构设计:机柜的各部分结构设计定位准确,结构紧凑,要求各部装配件之间可以完美的拆装更换,机柜底部设计为凸点、凹点或
垫脚条的形式,实现机柜与底座完美连接,提高整体机柜的稳定性。
19in机柜、箱设计规范一、前言1、何谓 19英寸机箱 ?19英寸机箱泛指装设在 19英寸机柜 (Cabinet or Rack) 内的机器设备,其中 Cabinet和 Rack的差异为 Cabinet四周有外壳和上下盖保护,而Rack则无 ,Rack为和 Cabinet有所区别常被称为“机架”,此二者外形均为长方体, 19英寸机箱 (Chassis)为了能装在机柜内,其外形多设计成长方体,并遵守特定之高度限制让不同制造者所生产之机箱能放入依规格设计之机柜。
19英寸机箱泛指装设在 19英寸机柜内的机器设备,为了能装在机柜内,其外形多设计成长方体,并遵守特定之高度限制让不同制造者所生产之机箱能放入依规格设计之机柜。
其主要特征是 :1.其内腔宽度以 5.08㎜为模数 ,1TE=5.08㎜, 19英寸标准机箱共 84TE,因而内腔宽度为 426.72㎜,其中面板宽度也以 5.08㎜为模数 ,可分 5TE,6TE,7TE,8TE,10TE,12TE等规格 ,但 N块面板宽度之和必须等于 84TE。
2.其高度以 U为级别, 1U=44.45mm,可分 1U,2U,3U等等。
2、19英寸机箱和机柜的由来19英寸机箱和机柜原本是美国军方电子控制仪器的一种规格,其设定的目的在于统一仪器的外形尺寸和方便快速组装抽换和维护,最后随着军方技术转移民间,此一规格亦广泛的被企业界所采用。
3、19英寸机箱产品的种类机柜的优点在于提供机箱安全保护和扩充的便利性,早期常用于工业控制机台,近几年由于网络的发展,网络通讯设备也开始大量使用;因此其产品的种类大致可区分成办公室用和工业用产品两大类。
二.19英寸机箱外部和机柜的规格1、机柜之规格机柜不单如字面上的解释一般像个柜子,其外形有很多种,如下图所示。
但用于不同操作环境时,机柜之外形和尺寸亦会有所差异,所有机柜都依相关规格制造,机柜之宽度、高度与深度有一定之规格,在 IEC-60297系列和 EIA-310系列中均有详细规格,此二规格明定高度单位为U(1U=1.75英寸=44.45mm),宽度为 19英寸 (尚有其它之宽度规格,但以19英寸规格最为常用 ),深度虽亦有规定,但其变化却比较多,机柜之规格可分成高度,宽度和深度三项。
19in机柜、箱设计规范一、前言1、何谓19英寸机箱?19英寸机箱泛指装设在19英寸机柜(Cabinet or Rack)内的机器设备,其中 Cabinet和Rack的差异为Cabinet四周有外壳和上下盖保护,而Rack则无,Rack为和Cabinet有所区别常被称为“机架”,此二者外形均为长方体,19英寸机箱(Chassis)为了能装在机柜内,其外形多设计成长方体,并遵守特定之高度限制让不同制造者所生产之机箱能放入依规格设计之机柜。
19英寸机箱泛指装设在 19英寸机柜内的机器设备,为了能装在机柜内,其外形多设计成长方体,并遵守特定之高度限制让不同制造者所生产之机箱能放入依规格设计之机柜。
其主要特征是:1.其内腔宽度以5.08㎜为模数,1TE=5.08㎜,19英寸标准机箱共84TE,因而内腔宽度为426.72㎜,其中面板宽度也以5.08㎜为模数,可分5TE,6TE,7TE,8TE,10TE,12TE等规格,但N块面板宽度之和必须等于84TE。
2.其高度以U为级别,1U=44.45mm,可分1U,2U,3U等等。
2、19英寸机箱和机柜的由来19英寸机箱和机柜原本是美国军方电子控制仪器的一种规格,其设定的目的在于统一仪器的外形尺寸和方便快速组装抽换和维护,最后随着军方技术转移民间,此一规格亦广泛的被企业界所采用。
3、19英寸机箱产品的种类机柜的优点在于提供机箱安全保护和扩充的便利性,早期常用于工业控制机台,近几年由于网络的发展,网络通讯设备也开始大量使用;因此其产品的种类大致可区分成办公室用和工业用产品两大类。
二.19英寸机箱外部和机柜的规格1、机柜之规格机柜不单如字面上的解释一般像个柜子,其外形有很多种,如下图所示。
但用于不同操作环境时,机柜之外形和尺寸亦会有所差异,所有机柜都依相关规格制造,机柜之宽度、高度与深度有一定之规格,在IEC-60297系列和EIA-310系列中均有详细规格,此二规格明定高度单位为U(1U=1.75英寸=44.45mm),宽度为19英寸(尚有其它之宽度规格,但以19英寸规格最为常用),深度虽亦有规定,但其变化却比较多,机柜之规格可分成高度,宽度和深度三项。
钣金机箱机柜结构设计一、机箱机柜的设计原则1.结构牢固:机箱机柜的设计应考虑设备的质量和重量,确保机箱机柜能够承受设备的重量,并经受得住外部冲击和振动的影响。
2.优良的通风性能:机箱机柜应具备良好的通风性能,以保证设备在长时间运行时的散热效果,并且防止灰尘积聚。
3.适宜的布线空间:机柜内部要有适宜的空间来安放电缆和其他配件,并保证良好的布线,便于设备的安装和维护。
4.美观大方:机箱机柜的外观设计要简洁美观,与周围环境相协调,能够体现出产品的高品质和专业性。
5.可拓展性:机箱机柜应考虑到未来设备的扩展需要,可以根据实际需求进行拓展。
二、机箱机柜的结构设计1.外壳设计:机箱机柜的外壳一般采用钣金材料制作,常见的材料有冷轧钢板、不锈钢和铝合金等,具有良好的强度和耐腐蚀性。
外壳可以设计为单片式或组装式,便于运输和安装。
2.门设计:机箱机柜的门一般采用透明玻璃门或钢化玻璃门,方便用户观察设备运行情况。
门的开合方式可以采用旋转门、滑动门或抽屉式门等,以提高使用的便利性和人体工程学设计。
3.散热设计:机箱机柜的散热设计要考虑到电子设备的热量释放问题,可以采用风机、散热片等结构,以增加散热效果。
4.支架设计:机箱机柜的支架设计要稳定可靠,一般采用可调节的支撑脚,可以根据地面的平整度进行调整。
支架一般由角铁或方管制作,具有良好的承重性能。
5.内部结构设计:机柜内部的结构设计要考虑到设备的安装和维护,可以设计为可拆卸的安装板、专用固定器等,方便设备的安装和固定。
6.布线设计:机柜内部的布线设计要有合理的通道和插槽,使电缆和其他配件能够整齐有序地布放,方便维护和管理。
三、机箱机柜的材料选择1.外壳材料:常用的外壳材料有冷轧钢板、不锈钢和铝合金等,根据设备的使用环境选择合适的材料。
2.内部结构材料:内部结构一般使用角铁或方管,具有良好的承重性能和稳定性。
3.高效散热材料:为了提高散热效果,可以在机箱机柜内部添加散热片、风扇和导热材料等。
19in机柜、箱设计规范一、前言1、何谓19英寸机箱?19英寸机箱泛指装设在19英寸机柜(Cabinet or Rack)内的机器设备,其中 Cabinet和Rack的差异为Cabinet四周有外壳和上下盖保护,而Rack则无,Rack为和Cabinet有所区别常被称为“机架”,此二者外形均为长方体,19英寸机箱(Chassis)为了能装在机柜内,其外形多设计成长方体,并遵守特定之高度限制让不同制造者所生产之机箱能放入依规格设计之机柜。
19英寸机箱泛指装设在 19英寸机柜内的机器设备,为了能装在机柜内,其外形多设计成长方体,并遵守特定之高度限制让不同制造者所生产之机箱能放入依规格设计之机柜。
其主要特征是:1.其内腔宽度以5.08㎜为模数,1TE=5.08㎜,19英寸标准机箱共84TE,因而内腔宽度为426.72㎜,其中面板宽度也以5.08㎜为模数,可分5TE,6TE,7TE,8TE,10TE,12TE等规格,但N块面板宽度之和必须等于84TE。
2.其高度以U为级别,1U=44.45mm,可分1U,2U,3U等等。
2、19英寸机箱和机柜的由来19英寸机箱和机柜原本是美国军方电子控制仪器的一种规格,其设定的目的在于统一仪器的外形尺寸和方便快速组装抽换和维护,最后随着军方技术转移民间,此一规格亦广泛的被企业界所采用。
3、19英寸机箱产品的种类机柜的优点在于提供机箱安全保护和扩充的便利性,早期常用于工业控制机台,近几年由于网络的发展,网络通讯设备也开始大量使用;因此其产品的种类大致可区分成办公室用和工业用产品两大类。
二.19英寸机箱外部和机柜的规格1、机柜之规格机柜不单如字面上的解释一般像个柜子,其外形有很多种,如下图所示。
但用于不同操作环境时,机柜之外形和尺寸亦会有所差异,所有机柜都依相关规格制造,机柜之宽度、高度与深度有一定之规格,在IEC-60297系列和EIA-310系列中均有详细规格,此二规格明定高度单位为U(1U=1.75英寸=44.45mm),宽度为19英寸(尚有其它之宽度规格,但以19英寸规格最为常用),深度虽亦有规定,但其变化却比较多,机柜之规格可分成高度,宽度和深度三项。
标准机箱机柜设计
一、概述
标准机箱机柜是一种适用于各种电子设备安装和安全保护的机柜的基
本形式。
它由金属板材制成,结构紧凑,维护方便,具有优异的环境适应
性和防护性能。
它包括以下几个部分:机箱框架、机柜角、悬浮支架、固
定支架、机箱门、角条边条、以及螺栓,垫圈和螺母等。
二、设计说明
1、机箱框架:标准机箱机柜的框架结构一般是采用折叠型不锈钢材
料制成,通过弯曲形成框架,增强其强度。
框架的尺寸一般是19U、23U、27U或42U等。
2、机柜角:机柜角是用于连接机箱框架的螺栓安装件。
它可以使机
柜铰接在一起,以保证机柜的结构牢固。
3、悬浮支架:悬浮支架可以悬挂机柜上的所有设备,提高安装空间,减少热量,并提高空气流通。
4、固定支架:固定支架是用于将机柜固定在地面上的安装件。
它可
以确保机箱机柜的安全性。
5、机箱门:机箱门的采用厚度一般为1.2mm或2.0mm的不锈钢材料
制成,机箱门可以提供良好的热量排放效果和隐私保护效果,以及良好的
气流流通效果。
6、角条边条:角条边条是用于固定机箱门和框架的安装件,角条边
条的材质一般是不锈钢,它可以确保机柜的牢固性。
标准机箱机柜设计汇总机箱机柜是计算机系统中的重要组成部分,其设计对于计算机设备的运行和管理起着至关重要的作用。
本文将对标准机箱机柜设计进行汇总,并介绍其中的一些关键要素。
1.机箱机柜尺寸机箱机柜的尺寸通常按照标准规格制定,主要有19英寸和23英寸两种尺寸。
19英寸机柜是工业界常用的标准尺寸,而23英寸机柜则更多用于数据中心等大型设施。
2.机箱机柜材质机箱机柜的材质选择通常包括金属和塑料两种。
金属材质的机柜具有较高的强度和耐用性,能够保护设备免受外界冲击和干扰。
而塑料材质的机柜则通常用于轻量级的网络设备。
3.机箱机柜组件机箱机柜通常包括机箱本体、前面板、后面板、侧面板、机箱门、机柜脚等组件。
机箱本体是放置设备的主要部分,前面板可以用于安装按钮、指示灯等控制元件,后面板则用于连接电源线等。
侧面板和机箱门用于保护设备,并提供方便的维护和管理。
4.散热设计机箱机柜的散热设计是其设计的重要要素之一、合理的散热设计可以有效地降低设备的温度,并延长设备的寿命。
常见的散热设计包括风扇、散热片、散热孔等。
5.机柜布线管理6.安全设计机箱机柜的安全设计对于保护设备免受非法入侵和损坏非常重要。
安全设计包括钢制机柜门、智能锁、防火设计等。
7.可维护设计机箱机柜的可维护设计可以提高设备的维护效率和降低维护成本。
常见的可维护设计包括可拆卸的机箱元件、标准化的机柜配件等。
8.标准化设计机箱机柜的标准化设计可以提高设备的互换性和可扩展性。
标准化设计包括标准机柜尺寸、标准的安装孔位、标准的配线间距等。
9.线缆管理设计线缆管理设计是机柜设计中的关键环节之一,可以提高设备运行的稳定性和维护的效率。
常见的线缆管理设计包括入口保护装置、线缆托盘、线缆管理模块等。
10.附件设计机箱机柜的附件设计是为了提高设备的使用便利性和灵活性。
常见的附件设计包括扩展式电源插座、滑轨、车轮等。
总之,标准机箱机柜设计需要考虑尺寸、材质、散热设计、布线管理、安全设计、可维护设计、标准化设计、线缆管理设计和附件设计等多个因素。
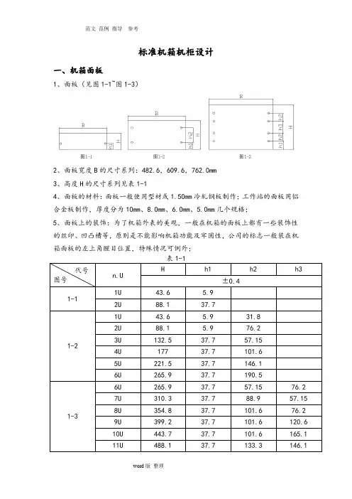
标准机箱机柜设计一、机箱面板1、面板(见图1-1~图1-3)2、面板宽度B的尺寸系列:482.6,609.6,762.0mm3、高度H的尺寸系列见表1-14、面板的材料:面板一般使用型材或1.50mm冷轧钢板制作;工作站的面板用铝合金板制作,厚度分为10mm、8.0mm、6.0mm、5.0mm几个规格;5、面板上的装饰:为了机箱外表的美观,一般在机箱的面板上都有一些装饰性的丝印、凹凸槽等,原则是不能影响机箱功能及牢固性,公司的标志一般装在机箱面板的左上角醒目位置,特殊情况可例外;代号图号n.UH h1 h2 h3±0.41-1 1U 43.6 5.9 2U 88.1 37.71-2 1U 43.6 5.9 31.8 2U 88.1 5.9 76.2 3U 132.5 37.7 57.15 4U 177 37.7 101.6 5U 221.5 37.7 146.1 6U 265.9 37.7 190.51-36U 265.9 37.7 57.15 76.2 7U 310.3 37.7 88.9 57.15 8U 354.8 37.7 101.6 76.2 9U 399.2 37.7 101.6 120.6 10U 443.7 37.7 101.6 165.1 11U 488.1 37.7 133.3 146.19、挂耳:挂耳可与面板做成一体,也可单独做成一个零件,但挂耳上的上架孔以及挂耳与机箱面板整合后的外型尺寸必须符合GB/T3047.2-9210、把手:把手应优先选用《机械设计通用件标准库》中的把手,为了便于机箱上架后与机柜立柱贴平,机箱面板上固定把手的螺钉应选用沉头螺钉,面板也需在背面沉孔,把手装上后,不得影响上架螺钉的装配;新设计把手时,应符合以下标准:(1)4U(包含4U)以上的机箱,把手固定孔距为138mm,固定螺孔为2-M4;(2)2U机箱把手固定孔距为64mm,固定螺孔为2-M4;(3)1U机箱把手固定孔距为35mm,固定螺孔为2-M3;11、前框:前框是面板与箱体之间的过渡件,它和面板、箱体都要有良好的电接触,前框不光要支撑面板,还要支撑装在门板内的开关、灯板、防尘网组件等,前框上开关类的开孔可参照《机械设计标准库》,驱动器的开孔是在驱动器外型尺寸基础上周边放大0.3mm,前框与箱体之间的间隙单边留0.3mm比较合适;12、门组件:门组件一般由门、玻璃、门铰链几部份组成,因要监视门内指示灯的运行状态,一般在门上都开有能够看到灯的观察窗,在观察窗内嵌有门玻璃;门铰链是把门与箱体联接起来的一个重要部件,应优先选用《机械设计通用件标准库》中的标准门铰链,设计时应对门的开闭情况做模拟试验,包括锁在内的所有门上附件不得与面板有碰撞、卡滞现象,完全开启后的门也不能碰在面板上,以免蹭掉面板上的喷涂层;一般门与门框的间隙单边留0.3mm比较合适,靠近门铰链侧的间隙可适当放大,考虑到转动干涉及外表的美观,门铰链侧的边可铣成斜边,门框相应位置也需倒角。
机柜的典型结构组成机柜是电气控制设备不可缺少的组成部分,它为成套电器产品提供安装、支撑、连接、传动、连锁、锁紧、防护和装饰等功能,为机械零部件、电气连接和元器件的兼容提供保障。
总之,机柜是电气元器件的“载体”。
1.型材机柜的结构组成标准机柜的结构比较简单,主要包括基本框架、内部支撑系统、布线系统和通风系统。
机柜一般包括外壳、支架、面板上的各种开关、指示灯等。
机柜的结构要素如图2.1.1所示。
1)基本框架装配式框架结构机箱机柜的构成:机柜由上盖、底座、前后框架、前后门、侧门、横梁、角规等组装成型。
连接简单、安全可靠。
主体框架、前后门、左右侧门可以快速拆装。
2)内部支撑系统(1)立柱:内部支撑系统中的承重构件,立柱的上下两段分别与上盖和底座连接在一起。
立柱上冲有符合模数关系的安装孔和定位孔,可用于安装机柜的结构件及电气零部件。
(2)横梁:分为挂接式横梁和扩展横梁两种。
挂接式横梁横梁安装及移动方便、灵活,可用于安装机柜的结构件及电气零部件。
扩展横梁用于扩展机柜内的安装空间,安装和拆卸非常方便,同时也可以配合理线架、配电单元的安装,形式灵活多样。
(3)托盘:固定托盘用于安装各种设备,尺寸繁多,用途广泛,有19"标准托盘、非标准固定托盘等。
常规配置的固定托盘深度有440mm、480mm、580mm、620mm等规格。
固定托盘的承重不小于50kg,而增强型固定托盘,底部附有加强筋,承重达100kg。
3)布线系统(1)电源线槽:它从机柜底部一直延伸到机柜顶部,其中最上方的插座专门用于为风扇供电。
垂直安装全封闭金属电源线槽的目的是避免对水平双绞线产生电源打扰。
(2)扎线板:在机柜的右后侧,安装两块100mm宽的铁板,板上沿垂直方向每隔10mm开一个5mm×100mm的腰圆孔,铁板长度为从机柜的底板到顶板。
同样,在左后侧安装一块相同的铁板。
扎线板上可以安装走线槽。
(3)走线槽:走线槽可以安装在扎线板上,也可以直接安装在机柜的两侧框架上。
标准机箱机柜设计机箱机柜是电子设备的一个重要组成部分,主要用于存放和保护各种电子设备,保证其正常工作和安全运行。
标准机箱机柜设计需要考虑多个方面,包括外观设计、内部结构设计、散热设计、安全设计等,下面将详细介绍这些方面的设计要点。
外观设计是机箱机柜设计的第一要素。
外观设计要简洁大方,符合用户审美要求。
机箱机柜的外观设计主要包括外观样式、材料选择和表面处理。
外观样式包括机箱机柜的形状、尺寸、组装方式等,应该根据用户的需求和电子设备的尺寸进行合理设计。
材料选择要使用高强度、轻量化的材料,如镁铝合金、不锈钢等,以确保机箱机柜的坚固性和稳定性。
表面处理要耐磨耐腐蚀,可以使用喷涂、阳极氧化等方式进行。
内部结构设计是机箱机柜设计的核心。
内部结构设计要考虑电子设备的布局、连接方式和易维修性。
布局要合理,使得电子设备的安装方便,互相之间不会产生干扰,同时还要考虑空间利用率,提高机箱机柜的密度。
连接方式要方便,可以采用模块化设计,使得各个模块之间可以独立拆卸和连接。
易维修性要考虑到机箱机柜内部电子设备的故障排除和维修,要有足够的空间和通风孔,方便工程师进行操作。
散热设计是机箱机柜设计的重要考虑因素。
电子设备在工作过程中会产生大量的热量,如果不能及时散热,会导致设备过热,影响其正常运行和寿命。
散热设计要根据设备的功率和工作环境温度进行热量计算,并设计合适的散热结构和散热设备,如散热风扇、散热片等,以确保机箱机柜内部的温度控制在安全水平内。
安全设计是机箱机柜设计的重要保证。
机箱机柜内部有大量的电子设备,如果没有安全设计,容易发生电器短路、火灾等事故。
安全设计要从以下几个方面考虑:防雷设计,采用合适的接地和屏蔽措施,保护设备免受雷击;防火设计,采用阻燃材料和合适的通风设备,防止火灾蔓延和蔓延;防盗设计,采用加密锁和防盗报警器等设备,保护设备不受盗窃。
总之,标准机箱机柜设计需要综合考虑外观设计、内部结构设计、散热设计和安全设计等方面的要求。
标准机箱机柜设计一、机箱面板1、面板(见图1-1~图1-3)2、 面板宽度B 的尺寸系列:482.6 , 609.6 , 762.0mm3、 高度H 的尺寸系列见表1-14、 面板的材料:面板一般使用型材或1.50mm 冷轧钢板制作;工作站的面板用铝 合金板制作,厚度分为 10mm 8.0mm 6.0mm 5.0mm 几个规格;5、 面板上的装饰:为了机箱外表的美观,一般在机箱的面板上都有一些装饰性的丝印、凹凸槽等,原则是不能影响机箱功能及牢固性,公司的标志一般装在机 箱面板的左上角醒目位置,特殊情况可例外;注:表中:U=44.45mm H=nXU-0.8mm 当结构设计需要增加不足 1U 的面板 高度时,允许在 H 值上增加1/2U ,但h1、h2、h3不变。
6、面板安装槽口或安装孔的尺寸见图 1-4:图1-47、面板的类型与机柜立柱的配合示意,见图 1-5:图1-58、面板与机柜(或机架)在宽度方向上的安装尺寸(见图 1-6、表1-2)12U37.7 133.3 190.610.3图1-6表1-2B尸机备安装立柱-机箱血板9、挂耳:挂耳可与面板做成一体,也可单独做成一个零件,但挂耳上的上架孔以及挂耳与机箱面板整合后的外型尺寸必须符合GB/T3047.2-9210、把手:把手应优先选用《机械设计通用件标准库》中的把手,为了便丁机箱上架后与机柜立柱贴平,机箱面板上固定把手的螺钉应选用沉头螺钉,面板也需在背面沉孔,把手装上后,不得影响上架螺钉的装配;新设计把手时,应符合以下标准:(1) 4U (包含4。
以上的机箱,把手固定孔距为138mm固定螺孔为2-M4;(2) 2U机箱把手固定孔距为64mm固定螺孔为2-M4;(3) 1U机箱把手固定孔距为35mm固定螺孔为2-M3;11、前框:前框是面板与箱体之间的过渡件,它和面板、箱体都要有良好的电接触,前框不光要支撑面板,还要支撑装在门板内的开关、灯板、防尘网组件等,前框上开关类的开孔可参照《机械设计标准库》,驱动器的开孔是在驱动器外型尺寸基础上周边放大0.3mm 前框与箱体之间的间隙单边留0.3mm比较合适;12、门组件:门组件一般由门、玻璃、门皎链几部份组成,因要监视门内指示灯的运行状态,一般在门上都开有能够看到灯的观察窗,在观察窗内嵌有门玻璃;门皎链是把门与箱体联接起来的一个重要部件,应优先选用《机械设计通用件标准库》中的标准门皎链,设计时应对门的开闭情况做模拟试验,包括锁在内的所有门上附件不得与面板有碰撞、卡滞现象,完全开启后的门也不能碰在面板上,以免蹭掉面板上的喷涂层;一般门与门框的间隙单边留0.3mm比较合适,靠近门皎链侧的间隙可适当放大,考虑到转动十涉及外表的美观,门皎链侧的边可铢成斜边,门框相应位置也需倒角。
标准机箱机柜设计一、机箱面板1、面板(见图1-1~图1-3)2、面板宽度B的尺寸系列:482.6,609.6,762.0mm3、高度H的尺寸系列见表1-14、面板的材料:面板一般使用型材或1.50mm冷轧钢板制作;工作站的面板用铝合金板制作,厚度分为10mm、8.0mm、6.0mm、5.0mm几个规格;5、面板上的装饰:为了机箱外表的美观,一般在机箱的面板上都有一些装饰性的丝印、凹凸槽等,原则是不能影响机箱功能及牢固性,公司的标志一般装在机箱面板的左上角醒目位置,特殊情况可例外;代号图号n.UH h1 h2 h3±0.41-1 1U 43.6 5.9 2U 88.1 37.71-2 1U 43.6 5.9 31.8 2U 88.1 5.9 76.2 3U 132.5 37.7 57.15 4U 177 37.7 101.6 5U 221.5 37.7 146.1 6U 265.9 37.7 190.51-36U 265.9 37.7 57.15 76.2 7U 310.3 37.7 88.9 57.15 8U 354.8 37.7 101.6 76.2 9U 399.2 37.7 101.6 120.6 10U 443.7 37.7 101.6 165.1 11U 488.1 37.7 133.3 146.19、挂耳:挂耳可与面板做成一体,也可单独做成一个零件,但挂耳上的上架孔以及挂耳与机箱面板整合后的外型尺寸必须符合GB/T3047.2-9210、把手:把手应优先选用《机械设计通用件标准库》中的把手,为了便于机箱上架后与机柜立柱贴平,机箱面板上固定把手的螺钉应选用沉头螺钉,面板也需在背面沉孔,把手装上后,不得影响上架螺钉的装配;新设计把手时,应符合以下标准:(1)4U(包含4U)以上的机箱,把手固定孔距为138mm,固定螺孔为2-M4;(2)2U机箱把手固定孔距为64mm,固定螺孔为2-M4;(3)1U机箱把手固定孔距为35mm,固定螺孔为2-M3;11、前框:前框是面板与箱体之间的过渡件,它和面板、箱体都要有良好的电接触,前框不光要支撑面板,还要支撑装在门板内的开关、灯板、防尘网组件等,前框上开关类的开孔可参照《机械设计标准库》,驱动器的开孔是在驱动器外型尺寸基础上周边放大0.3mm,前框与箱体之间的间隙单边留0.3mm比较合适;12、门组件:门组件一般由门、玻璃、门铰链几部份组成,因要监视门内指示灯的运行状态,一般在门上都开有能够看到灯的观察窗,在观察窗内嵌有门玻璃;门铰链是把门与箱体联接起来的一个重要部件,应优先选用《机械设计通用件标准库》中的标准门铰链,设计时应对门的开闭情况做模拟试验,包括锁在内的所有门上附件不得与面板有碰撞、卡滞现象,完全开启后的门也不能碰在面板上,以免蹭掉面板上的喷涂层;一般门与门框的间隙单边留0.3mm比较合适,靠近门铰链侧的间隙可适当放大,考虑到转动干涉及外表的美观,门铰链侧的边可铣成斜边,门框相应位置也需倒角。
标准机箱机柜设计一、机箱面板1、面板(见图1-1~图1-3)2、面板宽度B的尺寸系列:,,3、高度H的尺寸系列见表1-14、面板的材料:面板一般使用型材或冷轧钢板制作;工作站的面板用铝合金板制作,厚度分为10mm、、、几个规格;5、面板上的装饰:为了机箱外表的美观,一般在机箱的面板上都有一些装饰性的丝印、凹凸槽等,原则是不能影响机箱功能及牢固性,公司的标志一般装在机箱面板的左上角醒目位置,特殊情况可例外;代号图号H h1 h2 h3±1-1 1U 2U1-2 1U2U3U4U 177 5U6U1-36U 7U 8U 9U 10U 11U9、挂耳:挂耳可与面板做成一体,也可单独做成一个零件,但挂耳上的上架孔以及挂耳与机箱面板整合后的外型尺寸必须符合GB/10、把手:把手应优先选用《机械设计通用件标准库》中的把手,为了便于机箱上架后与机柜立柱贴平,机箱面板上固定把手的螺钉应选用沉头螺钉,面板也需在背面沉孔,把手装上后,不得影响上架螺钉的装配;新设计把手时,应符合以下标准:(1)4U(包含4U)以上的机箱,把手固定孔距为138mm,固定螺孔为2-M4;(2)2U机箱把手固定孔距为64mm,固定螺孔为2-M4;(3)1U机箱把手固定孔距为35mm,固定螺孔为2-M3;11、前框:前框是面板与箱体之间的过渡件,它和面板、箱体都要有良好的电接触,前框不光要支撑面板,还要支撑装在门板内的开关、灯板、防尘网组件等,前框上开关类的开孔可参照《机械设计标准库》,驱动器的开孔是在驱动器外型尺寸基础上周边放大,前框与箱体之间的间隙单边留比较合适;12、门组件:门组件一般由门、玻璃、门铰链几部份组成,因要监视门内指示灯的运行状态,一般在门上都开有能够看到灯的观察窗,在观察窗内嵌有门玻璃;门铰链是把门与箱体联接起来的一个重要部件,应优先选用《机械设计通用件标准库》中的标准门铰链,设计时应对门的开闭情况做模拟试验,包括锁在内的所有门上附件不得与面板有碰撞、卡滞现象,完全开启后的门也不能碰在面板上,以免蹭掉面板上的喷涂层;一般门与门框的间隙单边留比较合适,靠近门铰链侧的间隙可适当放大,考虑到转动干涉及外表的美观,门铰链侧的边可铣成斜边,门框相应位置也需倒角。
标准机箱机柜设计机箱面板面板(见图1-1~图1-3)面板宽度B的尺寸系列:,,高度H的尺寸系列见表1-1面板的材料:面板一般使用型材或冷轧钢板制作;工作站的面板用铝合金板制作,厚度分为10mm、、、几个规格;面板上的装饰:为了机箱外表的美观,一般在机箱的面板上都有一些装饰性的丝印、凹凸槽等,原则是不能影响机箱功能及牢固性,公司的标志一般装在机箱面板的左上角醒目位置,特殊情况可例外;表1-1代号图号H h1h2h3±1-11U 2U1-21U2U3U4U177 5U6U1-36U7U8U9U10U11U12U注:表中:U=;H=;当结构设计需要增加不足1U的面板高度时,允许在H值上增加1/2U,但h1、h2、h3不变。
挂耳:挂耳可与面板做成一体,也可单独做成一个零件,但挂耳上的上架孔以及挂耳与机箱面板整合后的外型尺寸必须符合GB/10、把手:把手应优先选用《机械设计通用件标准库》中的把手,为了便于机箱上架后与机柜立柱贴平,机箱面板上固定把手的螺钉应选用沉头螺钉,面板也需在背面沉孔,把手装上后,不得影响上架螺钉的装配;新设计把手时,应符合以下标准:(1)4U(包含4U)以上的机箱,把手固定孔距为138mm,固定螺孔为2-M4;(2)2U机箱把手固定孔距为64mm,固定螺孔为2-M4;(3)1U机箱把手固定孔距为35mm,固定螺孔为2-M3;前框:前框是面板与箱体之间的过渡件,它和面板、箱体都要有良好的电接触,前框不光要支撑面板,还要支撑装在门板内的开关、灯板、防尘网组件等,前框上开关类的开孔可参照《机械设计标准库》,驱动器的开孔是在驱动器外型尺寸基础上周边放大,前框与箱体之间的间隙单边留比较合适;门组件:门组件一般由门、玻璃、门铰链几部份组成,因要监视门内指示灯的运行状态,一般在门上都开有能够看到灯的观察窗,在观察窗内嵌有门玻璃;门铰链是把门与箱体联接起来的一个重要部件,应优先选用《机械设计通用件标准库》中的标准门铰链,设计时应对门的开闭情况做模拟试验,包括锁在内的所有门上附件不得与面板有碰撞、卡滞现象,完全开启后的门也不能碰在面板上,以免蹭掉面板上的喷涂层;一般门与门框的间隙单边留比较合适,靠近门铰链侧的间隙可适当放大,考虑到转动干涉及外表的美观,门铰链侧的边可铣成斜边,门框相应位置也需倒角。
v1.0 可编辑可修改
标准机箱机柜设计
一、机箱面板
1、面板(见图1-1~图1-3)
2、面板宽度B的尺寸系列:,,
3、高度H的尺寸系列见表1-1
4、面板的材料:面板一般使用型材或冷轧钢板制作;工作站的面板用铝合金板制作,厚度分为10mm、、、几个规格;
5、面板上的装饰:为了机箱外表的美观,一般在机箱的面板上都有一些装饰性的丝印、凹凸槽等,原则是不能影响机箱功能及牢固性,公司的标志一般装在机箱面板的左上角醒目位置,特殊情况可例外;
表1-1
代号图号H h1 h2 h3
±
1-1
1U
2U
1-2 1U
2U
3U
4U 177 5U
6U
1-3 6U 7U 8U
9、挂耳:挂耳可与面板做成一体,也可单独做成一个零件,但挂耳上的上架孔以及挂耳与机箱面板整合后的外型尺寸必须符合GB/
10、把手:把手应优先选用《机械设计通用件标准库》中的把手,为了便于机箱上架后与机柜立柱贴平,机箱面板上固定把手的螺钉应选用沉头螺钉,面板也需在背面沉孔,把手装上后,不得影响上架螺钉的装配;新设计把手时,应符合以下标准:
(1)4U(包含4U)以上的机箱,把手固定孔距为138mm,固定螺孔为2-M4;
(2)2U机箱把手固定孔距为64mm,固定螺孔为2-M4;
(3)1U机箱把手固定孔距为35mm,固定螺孔为2-M3;
11、前框:前框是面板与箱体之间的过渡件,它和面板、箱体都要有良好的电接触,前框不光要支撑面板,还要支撑装在门板内的开关、灯板、防尘网组件等,前框上开关类的开孔可参照《机械设计标准库》,驱动器的开孔是在驱动器外型尺寸基础上周边放大,前框与箱体之间的间隙单边留比较合适;
12、门组件:门组件一般由门、玻璃、门铰链几部份组成,因要监视门内指示灯的运行状态,一般在门上都开有能够看到灯的观察窗,在观察窗内嵌有门玻璃;门铰链是把门与箱体联接起来的一个重要部件,应优先选用《机械设计通用件标准库》中的标准门铰链,设计时应对门的开闭情况做模拟试验,包括锁在内的所有门上附件不得与面板有碰撞、卡滞现象,完全开启后的门也不能碰在面板上,以免蹭掉面板上的喷涂层;一般门与门框的间隙单边留比较合适,靠近门铰链侧的间隙可适当放大,考虑到转动干涉及外表的美观,门铰链侧的边可铣成斜边,门框相应位置也需倒角。
二、上(箱)盖
1、箱盖:箱盖的外型尺寸:一般与箱体同宽,与箱体接触面有良好的电接触,单边间隙留较适宜;
2、箱盖压条:为便于箱盖与箱体固定,在箱盖内侧设计有压条,帮助箱盖卡在箱体上,一般压条与箱盖间的间隙等于前框的板厚加上;
三、箱体
表1-3
箱体是整个机箱的重要组成部分之一,它不光承担机箱中电子元器件的“保卫”、屏蔽、固定的任务,还要在适当的位置对电子元器件的连接线加以固定;箱体与其它部件碰焊时,焊点间距不得大于50mm,对一些外露的窄长缝隙,需加以处理,方法有三种,a减小碰焊点间距,b缩小固定螺钉间距,c 增加EMC 弹片。
附件GB/T2822-2005
1、范围
本标准规定了 m m - 20 000mm范围内机械制造业中常用的标准尺寸(直径、长度、高度等)系列。
本标准适用于有互换性或系列化要求的主要尺寸(如安装、连接尺寸,有公差要求的配合尺寸,决定产品系列的公称尺寸等)。
其他结构尺寸也应尽可能采用。
本标准不适用于由主要尺寸导出的因变量尺寸,工艺上工序间的尺寸和已有相应标准规定的尺寸。
2、规范性引用文件
下列文件中的条款通过本标准的引用而成为本标准的条款。
凡是注日期的引用文件,其随后所有的修改单(不包括勘误的内容)或修订版均不适用于本标准,然而,鼓励根据本标准达成协议的各方研究是否可使用这些文件的最新版本。
凡是不注日期的引用文件,其最新版本适用于本标准。
G B/T 321 优先数和优先数系(I SO 3, ID T )
G B/T 19764 优先数和优先数化整值系列的选用指南(I SO 497,I D T )
3、标准尺寸系列
尺寸 m m - 20 000 mm范围的标准尺寸系列规定于表1~ 表7,
表1~ 表7 中列出的标准尺寸是根据 G B/T 321 和 G B /T 19764 选用的优先数及其化整值系列。
选用优先数化整值系列规定的标准尺寸用R ' 表示。
表1 ~标准尺寸系列单位:mm
表2 ~标准尺寸系列单位:mm
表3 ~标准尺寸系列单位:mm
表4 10mm~100mm标准尺寸系列单位:mm
表5 100mm~1 000mm标准尺寸系列单位:mm
表6 1 000mm~10 000mm标准尺寸系列单位:mm
表4 10 000mm~20 000mm标准尺寸系列单位:mm
4、标准尺寸选择
(1)选择标准尺寸系列及单个尺寸时,应首先在优先数系R系列中选。
用并按R10,R20,R40的顺序,优先选用公比较大的基本系列及其单值。
(2)如果必须将数值圆整,可在相应的 R,系列中选用标准尺寸,其优选顺序为 Ra5, Ra10,Ra20,Ra40,
(3)除各表中列出的基本系列外,可采用某个基本系列导出的派生系列,也可采用复合系列。