标准机箱机柜设计汇总
- 格式:doc
- 大小:476.00 KB
- 文档页数:13
标准机箱机柜设计一、机箱面板1、面板(见图 1-1~图 1-3)2、面板宽度 B 的尺寸系列: 482.6 ,609.6 ,762.0mm3、高度 H 的尺寸系列见表1-14、面板的资料:面板一般使用型材或 1.50mm冷轧钢板制作;工作站的面板用铝合金板制作,厚度分为10mm、 8.0mm、6.0mm、5.0mm几个规格;5、面板上的装修:为了机箱表面的雅观,一般在机箱的面板上都有一些装修性的丝印、凹凸槽等,原则是不可以影响机箱功能及坚固性,企业的标记一般装在机箱面板的左上角醒目地点,特别状况可例外;表 1-1代号H h1 h2 h3图号n.U± 0.41U 43.6 5.91-188.1 37.72U1U 43.6 5.9 31.82U 88.1 5.9 76.23U 132.5 37.7 57.151-2177 37.7 101.64U5U 221.5 37.7 146.16U 265.9 37.7 190.56U 265.9 37.7 57.15 76.27U 310.3 37.7 88.9 57.158U 354.8 37.7 101.6 76.2 1-3399.2 37.7 101.6 120.6 9U10U 443.7 37.7 101.6 165.111U 488.1 37.7 133.3 146.112U532.637.7133.3190.6 注:表中: U=44.45mm; H=nXU-0.8mm;当构造设计需要增添不足1U 的面板高度时,同意在H 值上增添 1/2U,但 h1、 h2、h3 不变。
6、面板安装槽口或安装孔的尺寸见图1-4 :图 1-47、面板的种类与机柜立柱的配合表示,见图1-5 :图 1-58、面板与机柜(或机架)在宽度方向上的安装尺寸(见图1-6 、表 1-2 )图 1-6表 1-2B B1 B’min482.6 465 450609.6 592 577762.0 744.4 729.4 9、挂耳:挂耳可与面板做成一体,也可独自做成一个零件,但挂耳上的上架孔以及挂耳与机箱面板整合后的外型尺寸一定切合GB/T3047.2-9210、把手:把手应优先采纳《机械设计通用件标准库》中的把手,为了便于机箱上架后与机柜立柱贴平,机箱面板上固定把手的螺钉应采纳沉头螺钉,面板也需在反面沉孔,把手装上后,不得影响上架螺钉的装置;新设计把手时,应切合以下标准:(1)4U(包含 4U)以上的机箱,把手固定孔距为 138mm,固定螺孔为 2-M4;(2)2U机箱把手固定孔距为64mm,固定螺孔为 2-M4;(3)1U机箱把手固定孔距为35mm,固定螺孔为 2-M3;11、前框:前框是面板与箱体之间的过渡件,它和面板、箱体都要有优秀的电接触,前框不但要支撑面板,还要支撑装在门板内的开关、灯板、防尘网组件等,前框上开关类的开孔可参照《机械设计标准库》,驱动器的开孔是在驱动器外型尺寸基础上周边放大0.3mm,前框与箱体之间的空隙单边留0.3mm比较适合;12、门组件:门组件一般由门、玻璃、门铰链几部份构成,因要监督门内指示灯的运转状态,一般在门上都开有可以看到灯的察看窗,在察看窗内嵌有门玻璃;门铰链是把门与箱体联接起来的一个重要零件,应优先采纳《机械设计通用件标准库》中的标准门铰链,设计时应付门的开闭状况做模拟试验,包含锁在内的所有门上附件不得与面板有碰撞、卡滞现象,完整开启后的门也不可以碰在面板上,免得蹭掉面板上的喷涂层;一般门与门框的空隙单边留0.3mm比较适合,凑近门铰链侧的空隙可适合放大,考虑到转动干预及表面的雅观,门铰链侧的边可铣成斜边,门框相应地点也需倒角。
标准机箱机柜设计汇总
详细,含图文
一、设计概述
机箱机柜在装置机械、液压、电子电气等设备中,是保护设备免受外
界环境侵害,并方便设备的维护保养的最重要的设备。
机柜的设计要求设
计内容准确、重视细节、安全可靠、方便安装、质量稳定、造价合理,是
一种非常精密的设计。
本文综合了市面上常见的机柜标准,给大家介绍标
准机箱机柜的设计。
二、标准机柜的几大特点
1、机柜材质要求:机箱机柜一般选用冷板精密冲压、热镀锌等高强度、高保护性能的优质金属材料,材料表面需涂有绝缘涂料,保证机柜有
较高的抗静电性能。
2、机柜形状设计要求:机柜采用正方形、长方形或圆形的形状设计,内部结构布局丘陵样布局,外表装饰要求高档、简洁大气,颜色要求深色。
3、机柜组件结构设计:机柜的各部分结构设计定位准确,结构紧凑,要求各部装配件之间可以完美的拆装更换,机柜底部设计为凸点、凹点或
垫脚条的形式,实现机柜与底座完美连接,提高整体机柜的稳定性。
19in机柜、箱设计规范一、前言1、何谓 19英寸机箱 ?19英寸机箱泛指装设在 19英寸机柜 (Cabinet or Rack) 内的机器设备,其中 Cabinet和 Rack的差异为 Cabinet四周有外壳和上下盖保护,而Rack则无 ,Rack为和 Cabinet有所区别常被称为“机架”,此二者外形均为长方体, 19英寸机箱 (Chassis)为了能装在机柜内,其外形多设计成长方体,并遵守特定之高度限制让不同制造者所生产之机箱能放入依规格设计之机柜。
19英寸机箱泛指装设在 19英寸机柜内的机器设备,为了能装在机柜内,其外形多设计成长方体,并遵守特定之高度限制让不同制造者所生产之机箱能放入依规格设计之机柜。
其主要特征是 :1.其内腔宽度以 5.08㎜为模数 ,1TE=5.08㎜, 19英寸标准机箱共 84TE,因而内腔宽度为 426.72㎜,其中面板宽度也以 5.08㎜为模数 ,可分 5TE,6TE,7TE,8TE,10TE,12TE等规格 ,但 N块面板宽度之和必须等于 84TE。
2.其高度以 U为级别, 1U=44.45mm,可分 1U,2U,3U等等。
2、19英寸机箱和机柜的由来19英寸机箱和机柜原本是美国军方电子控制仪器的一种规格,其设定的目的在于统一仪器的外形尺寸和方便快速组装抽换和维护,最后随着军方技术转移民间,此一规格亦广泛的被企业界所采用。
3、19英寸机箱产品的种类机柜的优点在于提供机箱安全保护和扩充的便利性,早期常用于工业控制机台,近几年由于网络的发展,网络通讯设备也开始大量使用;因此其产品的种类大致可区分成办公室用和工业用产品两大类。
二.19英寸机箱外部和机柜的规格1、机柜之规格机柜不单如字面上的解释一般像个柜子,其外形有很多种,如下图所示。
但用于不同操作环境时,机柜之外形和尺寸亦会有所差异,所有机柜都依相关规格制造,机柜之宽度、高度与深度有一定之规格,在 IEC-60297系列和 EIA-310系列中均有详细规格,此二规格明定高度单位为U(1U=1.75英寸=44.45mm),宽度为 19英寸 (尚有其它之宽度规格,但以19英寸规格最为常用 ),深度虽亦有规定,但其变化却比较多,机柜之规格可分成高度,宽度和深度三项。
19in机柜、箱设计规范一、前言1、何谓19英寸机箱?19英寸机箱泛指装设在19英寸机柜(Cabinet or Rack)内的机器设备,其中 Cabinet和Rack的差异为Cabinet四周有外壳和上下盖保护,而Rack则无,Rack为和Cabinet有所区别常被称为“机架”,此二者外形均为长方体,19英寸机箱(Chassis)为了能装在机柜内,其外形多设计成长方体,并遵守特定之高度限制让不同制造者所生产之机箱能放入依规格设计之机柜。
19英寸机箱泛指装设在 19英寸机柜内的机器设备,为了能装在机柜内,其外形多设计成长方体,并遵守特定之高度限制让不同制造者所生产之机箱能放入依规格设计之机柜。
其主要特征是:1.其内腔宽度以5.08㎜为模数,1TE=5.08㎜,19英寸标准机箱共84TE,因而内腔宽度为426.72㎜,其中面板宽度也以5.08㎜为模数,可分5TE,6TE,7TE,8TE,10TE,12TE等规格,但N块面板宽度之和必须等于84TE。
2.其高度以U为级别,1U=44.45mm,可分1U,2U,3U等等。
2、19英寸机箱和机柜的由来19英寸机箱和机柜原本是美国军方电子控制仪器的一种规格,其设定的目的在于统一仪器的外形尺寸和方便快速组装抽换和维护,最后随着军方技术转移民间,此一规格亦广泛的被企业界所采用。
3、19英寸机箱产品的种类机柜的优点在于提供机箱安全保护和扩充的便利性,早期常用于工业控制机台,近几年由于网络的发展,网络通讯设备也开始大量使用;因此其产品的种类大致可区分成办公室用和工业用产品两大类。
二.19英寸机箱外部和机柜的规格1、机柜之规格机柜不单如字面上的解释一般像个柜子,其外形有很多种,如下图所示。
但用于不同操作环境时,机柜之外形和尺寸亦会有所差异,所有机柜都依相关规格制造,机柜之宽度、高度与深度有一定之规格,在IEC-60297系列和EIA-310系列中均有详细规格,此二规格明定高度单位为U(1U=1.75英寸=44.45mm),宽度为19英寸(尚有其它之宽度规格,但以19英寸规格最为常用),深度虽亦有规定,但其变化却比较多,机柜之规格可分成高度,宽度和深度三项。
第一章機箱設計要點設計機箱應滿足的七大功能1.使用功能2.外觀功能3.產品成本4.生產工藝5.儲運需求6.維護方便7.安全環保需求第二章機箱結構規格1.后板的結構規范1.1L形封條的長度120.10mm(參見附圖4)1.2L形封條的折邊距主機板108.10mm1.3L形封條前端距側板最小1~2mm1.4IO APERTURE外形尺寸44.45mm*158.75mm,(參見附圖2)1.5主機板厚度通常為1.57mm~1.60mm1.6主機板支架距主板距離取決于主板固定主式,常見固定方式有銅柱﹑間隔柱﹑彈扣﹑鉚釘等1.7電源的外形尺寸150W*86H*140D,(參見附圖3)1.8電源上部距上蓋5~10mm,電源通常居中放置2.機箱內部結構規范2.1 主機板的外形尺寸(參見附圖2和附表1)2.2 主機板最上一個L形封條的中心距IO APERTURE的下方距離13.11mm 2.3 主機板左邊界主機板支架距離2.11mm2.4 主機板上邊界距離電源3~10mm2.5 主機板下邊界距底板2~10mm2.6 后窗D=10~15mm2.7 最上方CDD距上蓋距離12~20mm2.8 主機板右側邊界距離HDD通常5mm2.9 CDD Full safe的設計﹐主機板右邊界距CDD最小2mm2.10 隨主機板的類型的不同﹐主板外形尺寸的差異直接影響機箱的外形尺寸2.11 CDD最長220mm,擴展卡最長340mm,主機板最長330mm3.機箱前板結構規范3.1 CDD/FDD/HDD外形尺寸(參見附圖5和附表2)3.2 前板CDD孔邊距離前板邊緣5~10mm3.3 CDD/FDD中中時中心線共線﹐中左時FDD中心距CDD中心23.5mm 3.4 CDD的間距43mm,FDD的間距25.60mm,HDD的間距一般大于25.60mm 3.5 FDD﹑HDD高度均為24.50mm。
v1.0 可编辑可修改标准机箱机柜设计一、机箱面板1、面板(见图1-1~图1-3)2、面板宽度B的尺寸系列:,,3、高度H的尺寸系列见表1-14、面板的材料:面板一般使用型材或冷轧钢板制作;工作站的面板用铝合金板制作,厚度分为10mm、、、几个规格;5、面板上的装饰:为了机箱外表的美观,一般在机箱的面板上都有一些装饰性的丝印、凹凸槽等,原则是不能影响机箱功能及牢固性,公司的标志一般装在机箱面板的左上角醒目位置,特殊情况可例外;表1-1代号图号H h1 h2 h3±1-11U2U1-2 1U2U3U4U 177 5U6U1-3 6U 7U 8U9、挂耳:挂耳可与面板做成一体,也可单独做成一个零件,但挂耳上的上架孔以及挂耳与机箱面板整合后的外型尺寸必须符合GB/10、把手:把手应优先选用《机械设计通用件标准库》中的把手,为了便于机箱上架后与机柜立柱贴平,机箱面板上固定把手的螺钉应选用沉头螺钉,面板也需在背面沉孔,把手装上后,不得影响上架螺钉的装配;新设计把手时,应符合以下标准:(1)4U(包含4U)以上的机箱,把手固定孔距为138mm,固定螺孔为2-M4;(2)2U机箱把手固定孔距为64mm,固定螺孔为2-M4;(3)1U机箱把手固定孔距为35mm,固定螺孔为2-M3;11、前框:前框是面板与箱体之间的过渡件,它和面板、箱体都要有良好的电接触,前框不光要支撑面板,还要支撑装在门板内的开关、灯板、防尘网组件等,前框上开关类的开孔可参照《机械设计标准库》,驱动器的开孔是在驱动器外型尺寸基础上周边放大,前框与箱体之间的间隙单边留比较合适;12、门组件:门组件一般由门、玻璃、门铰链几部份组成,因要监视门内指示灯的运行状态,一般在门上都开有能够看到灯的观察窗,在观察窗内嵌有门玻璃;门铰链是把门与箱体联接起来的一个重要部件,应优先选用《机械设计通用件标准库》中的标准门铰链,设计时应对门的开闭情况做模拟试验,包括锁在内的所有门上附件不得与面板有碰撞、卡滞现象,完全开启后的门也不能碰在面板上,以免蹭掉面板上的喷涂层;一般门与门框的间隙单边留比较合适,靠近门铰链侧的间隙可适当放大,考虑到转动干涉及外表的美观,门铰链侧的边可铣成斜边,门框相应位置也需倒角。
机箱结构设计技术规范标准[详]一、设计原则1. 安全性:机箱结构设计应确保设备在正常使用及意外情况下,对人体及设备本身不造成伤害。
2. 实用性:机箱设计需满足设备功能需求,布局合理,便于操作和维护。
3. 美观性:机箱外观应简洁大方,符合现代审美观念,体现产品特色。
5. 经济性:在满足性能要求的前提下,尽量降低成本,提高产品竞争力。
二、材料选择1. 材料种类:机箱材料可分为金属和非金属两大类。
金属材料主要包括铝合金、冷轧钢板、不锈钢等;非金属材料主要包括工程塑料、ABS等。
3. 材料厚度:根据机箱尺寸、承重要求及成本等因素,合理选择材料厚度。
三、结构设计1. 尺寸与形状:机箱尺寸应根据设备内部元器件及散热需求进行设计,形状应简洁、便于加工。
2. 壁厚:机箱壁厚应均匀,避免因壁厚不均导致强度不足或变形。
3. 固定方式:机箱内部元器件固定方式应牢固可靠,便于拆装和维护。
4. 接口设计:机箱接口应满足设备连接需求,布局合理,便于操作。
5. 散热设计:根据设备发热量,合理设计散热孔、风扇等散热部件,确保设备运行温度在合理范围内。
四、防护措施1. 防尘:机箱应具备一定的防尘功能,避免灰尘进入影响设备性能。
2. 防水:机箱应具备一定的防水能力,防止因意外进水导致设备损坏。
3. 防震:机箱结构设计应考虑抗震性能,确保设备在运输和运行过程中不受损害。
五、加工工艺1. 冲压:金属机箱采用冲压工艺,提高生产效率,降低成本。
2. 折弯:根据机箱结构需求,对板材进行折弯处理,确保机箱强度。
3. 表面处理:机箱表面处理方式有喷漆、阳极氧化、拉丝等,提高机箱美观性和耐腐蚀性。
4. 装配:机箱零部件装配应牢固可靠,确保机箱整体性能。
六、检验标准1. 外观检查:机箱表面应光滑平整,无划痕、凹陷、锈蚀等缺陷。
2. 尺寸测量:机箱尺寸应符合设计要求,误差在允许范围内。
3. 功能测试:机箱组装完成后,进行功能测试,确保各项性能指标达到设计要求。
标准机箱机柜设计
一、概述
标准机箱机柜是一种适用于各种电子设备安装和安全保护的机柜的基
本形式。
它由金属板材制成,结构紧凑,维护方便,具有优异的环境适应
性和防护性能。
它包括以下几个部分:机箱框架、机柜角、悬浮支架、固
定支架、机箱门、角条边条、以及螺栓,垫圈和螺母等。
二、设计说明
1、机箱框架:标准机箱机柜的框架结构一般是采用折叠型不锈钢材
料制成,通过弯曲形成框架,增强其强度。
框架的尺寸一般是19U、23U、27U或42U等。
2、机柜角:机柜角是用于连接机箱框架的螺栓安装件。
它可以使机
柜铰接在一起,以保证机柜的结构牢固。
3、悬浮支架:悬浮支架可以悬挂机柜上的所有设备,提高安装空间,减少热量,并提高空气流通。
4、固定支架:固定支架是用于将机柜固定在地面上的安装件。
它可
以确保机箱机柜的安全性。
5、机箱门:机箱门的采用厚度一般为1.2mm或2.0mm的不锈钢材料
制成,机箱门可以提供良好的热量排放效果和隐私保护效果,以及良好的
气流流通效果。
6、角条边条:角条边条是用于固定机箱门和框架的安装件,角条边
条的材质一般是不锈钢,它可以确保机柜的牢固性。
标准机箱机柜设计汇总机箱机柜是计算机系统中的重要组成部分,其设计对于计算机设备的运行和管理起着至关重要的作用。
本文将对标准机箱机柜设计进行汇总,并介绍其中的一些关键要素。
1.机箱机柜尺寸机箱机柜的尺寸通常按照标准规格制定,主要有19英寸和23英寸两种尺寸。
19英寸机柜是工业界常用的标准尺寸,而23英寸机柜则更多用于数据中心等大型设施。
2.机箱机柜材质机箱机柜的材质选择通常包括金属和塑料两种。
金属材质的机柜具有较高的强度和耐用性,能够保护设备免受外界冲击和干扰。
而塑料材质的机柜则通常用于轻量级的网络设备。
3.机箱机柜组件机箱机柜通常包括机箱本体、前面板、后面板、侧面板、机箱门、机柜脚等组件。
机箱本体是放置设备的主要部分,前面板可以用于安装按钮、指示灯等控制元件,后面板则用于连接电源线等。
侧面板和机箱门用于保护设备,并提供方便的维护和管理。
4.散热设计机箱机柜的散热设计是其设计的重要要素之一、合理的散热设计可以有效地降低设备的温度,并延长设备的寿命。
常见的散热设计包括风扇、散热片、散热孔等。
5.机柜布线管理6.安全设计机箱机柜的安全设计对于保护设备免受非法入侵和损坏非常重要。
安全设计包括钢制机柜门、智能锁、防火设计等。
7.可维护设计机箱机柜的可维护设计可以提高设备的维护效率和降低维护成本。
常见的可维护设计包括可拆卸的机箱元件、标准化的机柜配件等。
8.标准化设计机箱机柜的标准化设计可以提高设备的互换性和可扩展性。
标准化设计包括标准机柜尺寸、标准的安装孔位、标准的配线间距等。
9.线缆管理设计线缆管理设计是机柜设计中的关键环节之一,可以提高设备运行的稳定性和维护的效率。
常见的线缆管理设计包括入口保护装置、线缆托盘、线缆管理模块等。
10.附件设计机箱机柜的附件设计是为了提高设备的使用便利性和灵活性。
常见的附件设计包括扩展式电源插座、滑轨、车轮等。
总之,标准机箱机柜设计需要考虑尺寸、材质、散热设计、布线管理、安全设计、可维护设计、标准化设计、线缆管理设计和附件设计等多个因素。
标准机箱机柜设计机箱机柜是电子设备的一个重要组成部分,主要用于存放和保护各种电子设备,保证其正常工作和安全运行。
标准机箱机柜设计需要考虑多个方面,包括外观设计、内部结构设计、散热设计、安全设计等,下面将详细介绍这些方面的设计要点。
外观设计是机箱机柜设计的第一要素。
外观设计要简洁大方,符合用户审美要求。
机箱机柜的外观设计主要包括外观样式、材料选择和表面处理。
外观样式包括机箱机柜的形状、尺寸、组装方式等,应该根据用户的需求和电子设备的尺寸进行合理设计。
材料选择要使用高强度、轻量化的材料,如镁铝合金、不锈钢等,以确保机箱机柜的坚固性和稳定性。
表面处理要耐磨耐腐蚀,可以使用喷涂、阳极氧化等方式进行。
内部结构设计是机箱机柜设计的核心。
内部结构设计要考虑电子设备的布局、连接方式和易维修性。
布局要合理,使得电子设备的安装方便,互相之间不会产生干扰,同时还要考虑空间利用率,提高机箱机柜的密度。
连接方式要方便,可以采用模块化设计,使得各个模块之间可以独立拆卸和连接。
易维修性要考虑到机箱机柜内部电子设备的故障排除和维修,要有足够的空间和通风孔,方便工程师进行操作。
散热设计是机箱机柜设计的重要考虑因素。
电子设备在工作过程中会产生大量的热量,如果不能及时散热,会导致设备过热,影响其正常运行和寿命。
散热设计要根据设备的功率和工作环境温度进行热量计算,并设计合适的散热结构和散热设备,如散热风扇、散热片等,以确保机箱机柜内部的温度控制在安全水平内。
安全设计是机箱机柜设计的重要保证。
机箱机柜内部有大量的电子设备,如果没有安全设计,容易发生电器短路、火灾等事故。
安全设计要从以下几个方面考虑:防雷设计,采用合适的接地和屏蔽措施,保护设备免受雷击;防火设计,采用阻燃材料和合适的通风设备,防止火灾蔓延和蔓延;防盗设计,采用加密锁和防盗报警器等设备,保护设备不受盗窃。
总之,标准机箱机柜设计需要综合考虑外观设计、内部结构设计、散热设计和安全设计等方面的要求。
一.MB标准配置:1、柜体颜色RAL7032(电脑灰)或RAL7035(电脑白)2、前单开门(右开门),门锁为小方锁3、安装板为2.5mm优质热镀锌板(安装板固定在箱体内部的点焊螺柱上)4、底部配进线凸台,进线盖板一块(也可取消)5、编织袋接地线一根(固定在门走线弯角件和箱体接地螺柱上)6、标配安装条2根(包发)7、壁挂件一套(可选,包发)二.ME标准配置:1、柜体颜色RAL7032(电脑灰)或RAL7035(电脑白)2、前单开门(右开门),门锁为东安标准岔道锁3、安装板为2.5mm优质热镀锌板(安装板从外部固定)4、底部配进线凸台,进线盖板一块(也可取消)5、编织袋接地线一根(固定在门走线弯角件和箱体接地螺柱上)6、标配安装条2根(包发)7、壁挂件一套(可选,包发)三.DS标准配置:(DS标配是不包含侧板的)1、柜体颜色RAL7032(电脑灰)或 RAL7035(电脑白)2、前单开门(右开门)后背板(柜体宽度=1200mm时标准配置为前双开门后背板)备注:侧板根据并柜需求选配3、安装板为2.5mm优质热镀锌板(安装板上下用固定件固定)4、前门配置东安标准岔道锁(3点式固定)5、门上安装加强方管(每门8颗螺柱+空心螺母+90度支架固定)6、门内侧配置A4资料袋一个(钢板材质,粘贴固定)7、顶部吊环4个8、三排孔挂耳安装纵梁2根(1.5mm,冷镀锌),用自攻螺丝固定于框架两侧9、安装板与挂耳纵梁连接处用标准安装板固定件链接10、门板2.0mm,框架及顶底板、侧板、背板、活动封板均为1.5mm11、机柜内底部配三块活动封板,沿柜体深度方向前后安装12、标配安装条2根(包发)13、柜体采用简易包装+木底托(简易包装为:塑料袋+包角+缠绕膜)四.MS标准配置:1、柜体颜色RAL7032(电脑灰)或RAL7035(电脑白)2、前单开门(右开门)后背板(柜体宽度=1200mm时标准配置为前双开门后背板)3、安装板为2.5mm优质热镀锌板(安装板上下用固定件固定)4、前门配置东安标准岔道锁(3点式固定)5、门上安装加强方管(每门8颗螺柱+空心螺母+90度支架固定)6、门内侧配置A4资料袋一个(钢板材质,粘贴固定)7、顶部吊环4个8、两排孔安装纵梁2根(1.5mm,冷镀锌),用自攻螺丝固定于侧板模数化孔两侧(此处与DS不同)9、安装板与挂耳纵梁连接处用标准安装板固定件链接10、门板2.0mm,柜体顶底板、侧板、背板、活动封板均为1.5mm (辊轧料厚只能为1.5mm)11、机柜内底部配三块活动封板,沿柜体深度方向前后安装12、标配安装条2根(包发)13、柜体采用简易包装+木底托(简易包装为:塑料袋+包角+缠绕膜)。
标准机箱机柜设计一、机箱面板1、面板(见图1-1~图1-3)2、面板宽度B的尺寸系列:482.6,609.6,762.0mm3、高度H的尺寸系列见表1-14、面板的材料:面板一般使用型材或1.50mm冷轧钢板制作;工作站的面板用铝合金板制作,厚度分为10mm、8.0mm、6.0mm、5.0mm几个规格;5、面板上的装饰:为了机箱外表的美观,一般在机箱的面板上都有一些装饰性的丝印、凹凸槽等,原则是不能影响机箱功能及牢固性,公司的标志一般装在机箱面板的左上角醒目位置,特殊情况可例外;代号图号n.UH h1 h2 h3±0.41-1 1U 43.6 5.9 2U 88.1 37.71-2 1U 43.6 5.9 31.8 2U 88.1 5.9 76.2 3U 132.5 37.7 57.15 4U 177 37.7 101.6 5U 221.5 37.7 146.1 6U 265.9 37.7 190.51-36U 265.9 37.7 57.15 76.2 7U 310.3 37.7 88.9 57.15 8U 354.8 37.7 101.6 76.2 9U 399.2 37.7 101.6 120.6 10U 443.7 37.7 101.6 165.1 11U 488.1 37.7 133.3 146.19、挂耳:挂耳可与面板做成一体,也可单独做成一个零件,但挂耳上的上架孔以及挂耳与机箱面板整合后的外型尺寸必须符合GB/T3047.2-9210、把手:把手应优先选用《机械设计通用件标准库》中的把手,为了便于机箱上架后与机柜立柱贴平,机箱面板上固定把手的螺钉应选用沉头螺钉,面板也需在背面沉孔,把手装上后,不得影响上架螺钉的装配;新设计把手时,应符合以下标准:(1)4U(包含4U)以上的机箱,把手固定孔距为138mm,固定螺孔为2-M4;(2)2U机箱把手固定孔距为64mm,固定螺孔为2-M4;(3)1U机箱把手固定孔距为35mm,固定螺孔为2-M3;11、前框:前框是面板与箱体之间的过渡件,它和面板、箱体都要有良好的电接触,前框不光要支撑面板,还要支撑装在门板内的开关、灯板、防尘网组件等,前框上开关类的开孔可参照《机械设计标准库》,驱动器的开孔是在驱动器外型尺寸基础上周边放大0.3mm,前框与箱体之间的间隙单边留0.3mm比较合适;12、门组件:门组件一般由门、玻璃、门铰链几部份组成,因要监视门内指示灯的运行状态,一般在门上都开有能够看到灯的观察窗,在观察窗内嵌有门玻璃;门铰链是把门与箱体联接起来的一个重要部件,应优先选用《机械设计通用件标准库》中的标准门铰链,设计时应对门的开闭情况做模拟试验,包括锁在内的所有门上附件不得与面板有碰撞、卡滞现象,完全开启后的门也不能碰在面板上,以免蹭掉面板上的喷涂层;一般门与门框的间隙单边留0.3mm比较合适,靠近门铰链侧的间隙可适当放大,考虑到转动干涉及外表的美观,门铰链侧的边可铣成斜边,门框相应位置也需倒角。
标准机箱机柜设计一、机箱面板1、面板(见图1-1~图1-3)2、面板宽度B的尺寸系列:,,3、高度H的尺寸系列见表1-14、面板的材料:面板一般使用型材或冷轧钢板制作;工作站的面板用铝合金板制作,厚度分为10mm、、、几个规格;5、面板上的装饰:为了机箱外表的美观,一般在机箱的面板上都有一些装饰性的丝印、凹凸槽等,原则是不能影响机箱功能及牢固性,公司的标志一般装在机箱面板的左上角醒目位置,特殊情况可例外;代号图号H h1 h2 h3±1-1 1U 2U1-2 1U2U3U4U 177 5U6U1-36U 7U 8U 9U 10U 11U9、挂耳:挂耳可与面板做成一体,也可单独做成一个零件,但挂耳上的上架孔以及挂耳与机箱面板整合后的外型尺寸必须符合GB/10、把手:把手应优先选用《机械设计通用件标准库》中的把手,为了便于机箱上架后与机柜立柱贴平,机箱面板上固定把手的螺钉应选用沉头螺钉,面板也需在背面沉孔,把手装上后,不得影响上架螺钉的装配;新设计把手时,应符合以下标准:(1)4U(包含4U)以上的机箱,把手固定孔距为138mm,固定螺孔为2-M4;(2)2U机箱把手固定孔距为64mm,固定螺孔为2-M4;(3)1U机箱把手固定孔距为35mm,固定螺孔为2-M3;11、前框:前框是面板与箱体之间的过渡件,它和面板、箱体都要有良好的电接触,前框不光要支撑面板,还要支撑装在门板内的开关、灯板、防尘网组件等,前框上开关类的开孔可参照《机械设计标准库》,驱动器的开孔是在驱动器外型尺寸基础上周边放大,前框与箱体之间的间隙单边留比较合适;12、门组件:门组件一般由门、玻璃、门铰链几部份组成,因要监视门内指示灯的运行状态,一般在门上都开有能够看到灯的观察窗,在观察窗内嵌有门玻璃;门铰链是把门与箱体联接起来的一个重要部件,应优先选用《机械设计通用件标准库》中的标准门铰链,设计时应对门的开闭情况做模拟试验,包括锁在内的所有门上附件不得与面板有碰撞、卡滞现象,完全开启后的门也不能碰在面板上,以免蹭掉面板上的喷涂层;一般门与门框的间隙单边留比较合适,靠近门铰链侧的间隙可适当放大,考虑到转动干涉及外表的美观,门铰链侧的边可铣成斜边,门框相应位置也需倒角。
标准机箱机柜设计机箱面板面板(见图1-1~图1-3)面板宽度B的尺寸系列:,,高度H的尺寸系列见表1-1面板的材料:面板一般使用型材或冷轧钢板制作;工作站的面板用铝合金板制作,厚度分为10mm、、、几个规格;面板上的装饰:为了机箱外表的美观,一般在机箱的面板上都有一些装饰性的丝印、凹凸槽等,原则是不能影响机箱功能及牢固性,公司的标志一般装在机箱面板的左上角醒目位置,特殊情况可例外;表1-1代号图号H h1h2h3±1-11U 2U1-21U2U3U4U177 5U6U1-36U7U8U9U10U11U12U注:表中:U=;H=;当结构设计需要增加不足1U的面板高度时,允许在H值上增加1/2U,但h1、h2、h3不变。
挂耳:挂耳可与面板做成一体,也可单独做成一个零件,但挂耳上的上架孔以及挂耳与机箱面板整合后的外型尺寸必须符合GB/10、把手:把手应优先选用《机械设计通用件标准库》中的把手,为了便于机箱上架后与机柜立柱贴平,机箱面板上固定把手的螺钉应选用沉头螺钉,面板也需在背面沉孔,把手装上后,不得影响上架螺钉的装配;新设计把手时,应符合以下标准:(1)4U(包含4U)以上的机箱,把手固定孔距为138mm,固定螺孔为2-M4;(2)2U机箱把手固定孔距为64mm,固定螺孔为2-M4;(3)1U机箱把手固定孔距为35mm,固定螺孔为2-M3;前框:前框是面板与箱体之间的过渡件,它和面板、箱体都要有良好的电接触,前框不光要支撑面板,还要支撑装在门板内的开关、灯板、防尘网组件等,前框上开关类的开孔可参照《机械设计标准库》,驱动器的开孔是在驱动器外型尺寸基础上周边放大,前框与箱体之间的间隙单边留比较合适;门组件:门组件一般由门、玻璃、门铰链几部份组成,因要监视门内指示灯的运行状态,一般在门上都开有能够看到灯的观察窗,在观察窗内嵌有门玻璃;门铰链是把门与箱体联接起来的一个重要部件,应优先选用《机械设计通用件标准库》中的标准门铰链,设计时应对门的开闭情况做模拟试验,包括锁在内的所有门上附件不得与面板有碰撞、卡滞现象,完全开启后的门也不能碰在面板上,以免蹭掉面板上的喷涂层;一般门与门框的间隙单边留比较合适,靠近门铰链侧的间隙可适当放大,考虑到转动干涉及外表的美观,门铰链侧的边可铣成斜边,门框相应位置也需倒角。
深圳市研祥智能编号:WC-R&D- 版本: A0 页次: 1 / 23 科技股份有限公司编写:审核:批准/日期:1.范围本规范适用于工业计算机类标准19"上架机箱的结构设计。
2规范性引用标准及参考文献2.1GB/T 3047.2-1992 高度进制为44.45mm的面板、机架和机柜基本尺寸系列2.2GB/T 14665-1998 机械工程CAD制图规则2.3GB/T 2822-1991 标准尺寸2.4《电子设备结构设计原理》3机箱设计的基本要求3.1.1保证产品技术指标的实现:设计机箱时,必需考虑机箱内部元、器件相互间的电磁干扰和热的影响,以提高电性能的稳定性;必需注意机箱的强度、钢度问题,以免产生变形,引起电气接触不良、门、插接件卡滞,甚至受振后损坏;必需按实际工作环境和使用条件,采取相应的措施以提高设备的可靠性和使用寿命,保证产品技术指标的实现。
3.1.2便于设备的操作使用与安装维修:为了能有效地操作和使用设备,必须使机箱的结构设计符合人的心理和生理特点,同时还要求结构简单,装拆方便。
此外,面板上的控制器、显示装置必须进行合理选择与布局,以及考虑操作人员的人身安全等等。
3.1.3良好的结构工艺性:结构与工艺是密切相关的,采用不同的结构就相应有不同的工艺,而且机箱结构设计的质量必须要有良好的工艺措施来保证。
因此,要求设计者必须结合生产实际考虑其结构工艺性。
3.1.4贯彻标准化、模块化:3.1.4.1标准化是国家的一项重要技术经济政策和管理措施,它对于提高产品质量和生产率、便于使用维修、加强企业管理、降低生产成本等都具有重要作用。
结构设计中必须尽量减少特殊零、部件的数量,增加通用件的数量,尽可能多的采用标准化、规格化的零、部件和尺寸系列(尽量采用标准库中和国标零部件)。
深圳市研祥智能科技股份有限公司编号: WC-R&D-版本: A0 页次: 2 / 233.1.4.2模块化是标准化的发展,是标准化的高级形式,用模块可组合成新的系统,也易于从系统中拆卸更换。
标准机箱机柜设计
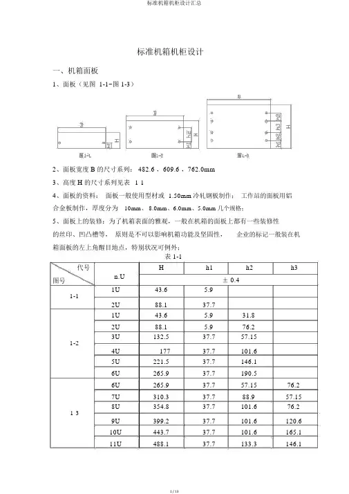
一、机箱面板
1、面板(见图1-1~图1-3)
2、面板宽度B的尺寸系列:482.6,609.6,762.0mm
3、高度H的尺寸系列见表1-1
4、面板的材料:面板一般使用型材或1.50mm冷轧钢板制作;工作站的面板用铝合金板制作,厚度分为10mm、8.0mm、6.0mm、5.0mm几个规格;
5、面板上的装饰:为了机箱外表的美观,一般在机箱的面板上都有一些装饰性的丝印、凹凸槽等,原则是不能影响机箱功能及牢固性,公司的标志一般装在机箱面板的左上角醒目位置,特殊情况可例外;
代号图号n.U
H h1 h2 h3
±0.4
1-1 1U 43.6 5.9 2U 88.1 37.7
1-2 1U 43.6 5.9 31.8 2U 88.1 5.9 76.2 3U 132.5 37.7 57.15 4U 177 37.7 101.6 5U 221.5 37.7 146.1 6U 265.9 37.7 190.5
1-3
6U 265.9 37.7 57.15 76.2 7U 310.3 37.7 88.9 57.15 8U 354.8 37.7 101.6 76.2 9U 399.2 37.7 101.6 120.6 10U 443.7 37.7 101.6 165.1 11U 488.1 37.7 133.3 146.1
9、挂耳:挂耳可与面板做成一体,也可单独做成一个零件,但挂耳上的上架孔以及挂耳与机箱面板整合后的外型尺寸必须符合GB/T3047.2-92
10、把手:把手应优先选用《机械设计通用件标准库》中的把手,为了便于机箱上架后与机柜立柱贴平,机箱面板上固定把手的螺钉应选用沉头螺钉,面板也需在背面沉孔,把手装上后,不得影响上架螺钉的装配;新设计把手时,应符合以下标准:
(1)4U(包含4U)以上的机箱,把手固定孔距为138mm,固定螺孔为2-M4;
(2)2U机箱把手固定孔距为64mm,固定螺孔为2-M4;
(3)1U机箱把手固定孔距为35mm,固定螺孔为2-M3;
11、前框:前框是面板与箱体之间的过渡件,它和面板、箱体都要有良好的电接触,前框不光要支撑面板,还要支撑装在门板内的开关、灯板、防尘网组件等,前框上开关类的开孔可参照《机械设计标准库》,驱动器的开孔是在驱动器外型尺寸基础上周边放大0.3mm,前框与箱体之间的间隙单边留0.3mm比较合适;12、门组件:门组件一般由门、玻璃、门铰链几部份组成,因要监视门内指示灯的运行状态,一般在门上都开有能够看到灯的观察窗,在观察窗内嵌有门玻璃;门铰链是把门与箱体联接起来的一个重要部件,应优先选用《机械设计通用件标准库》中的标准门铰链,设计时应对门的开闭情况做模拟试验,包括锁在内的所有门上附件不得与面板有碰撞、卡滞现象,完全开启后的门也不能碰在面板上,以免蹭掉面板上的喷涂层;一般门与门框的间隙单边留0.3mm比较合适,靠近门铰链侧的间隙可适当放大,考虑到转动干涉及外表的美观,门铰链侧的边可铣成斜边,门框相应位置也需倒角。
二、上(箱)盖
1、箱盖:箱盖的外型尺寸:一般与箱体同宽,与箱体接触面有良好的电接触,单边间隙留0.3mm较适宜;
2、箱盖压条:为便于箱盖与箱体固定,在箱盖内侧设计有压条,帮助箱盖卡在箱体上,一般压条与箱盖间的间隙等于前框的板厚加上0.3mm;
三、箱体
卫”、屏蔽、固定的任务,还要在适当的位置对电子元器件的连接线加以固定;箱体与其它部件碰焊时,焊点间距不得大于50mm,对一些外露的窄长缝隙,需加以处理,方法有三种,a减小碰焊点间距,b缩小固定螺钉间距,c 增加EMC 弹片。
附件GB/T2822-2005
1、范围
本标准规定了0.01 m m - 20 000mm范围内机械制造业中常用的标准尺寸(直径、长度、高度等)系列。
本标准适用于有互换性或系列化要求的主要尺寸(如安装、连接尺寸,有公差要求的配合尺寸,决定产品系列的公称尺寸等)。
其他结构尺寸也应尽可能采用。
本标准不适用于由主要尺寸导出的因变量尺寸,工艺上工序间的尺寸和已有相应标准规定的尺寸。
2、规范性引用文件
下列文件中的条款通过本标准的引用而成为本标准的条款。
凡是注日期的引用文件,其随后所有的修改单(不包括勘误的内容)或修订版均不适用于本标准,然而,鼓励根据本标准达成协议的各方研究是否可使用这些文件的最新版本。
凡是不注日期的引用文件,其最新版本适用于本标准。
G B/T 321 优先数和优先数系(I SO 3, ID T )
G B/T 19764 优先数和优先数化整值系列的选用指南(I SO 497,I D T )
3、标准尺寸系列
尺寸0.01 m m - 20 000 mm范围的标准尺寸系列规定于表1~ 表7,
表1~ 表7 中列出的标准尺寸是根据G B/T 321 和G B /T 19764 选用的优先数及其化整值系列。
选用优先数化整值系列规定的标准尺寸用R ' 表示。
4、标准尺寸选择
(1)选择标准尺寸系列及单个尺寸时,应首先在优先数系R系列中选。
用并按R10,R20,R40的顺序,优先选用公比较大的基本系列及其单值。
(2)如果必须将数值圆整,可在相应的R,系列中选用标准尺寸,其优选顺序为Ra5, Ra10,Ra20,Ra40,
(3)除各表中列出的基本系列外,可采用某个基本系列导出的派生系列,也可采用复合系列。