氨对环境的影响
- 格式:doc
- 大小:17.50 KB
- 文档页数:2
氨逃逸浓度摘要:一、氨逃逸浓度的定义和重要性二、氨逃逸浓度的测量方法三、氨逃逸浓度对环境的影响四、氨逃逸浓度的控制和减少方法五、结论正文:一、氨逃逸浓度的定义和重要性氨逃逸浓度是指在工业生产和农业活动中,氨气从储存、运输和使用过程中逸散到大气中的浓度。
氨气是一种具有刺激性气味的气体,对环境和人体健康都有极大的危害。
因此,氨逃逸浓度的监测和控制对于环境保护和公共卫生具有重要意义。
二、氨逃逸浓度的测量方法氨逃逸浓度的测量方法主要有以下几种:1.采样法:通过采集大气中的氨气样品,然后使用化学分析方法进行测定。
2.连续监测法:通过安装在线监测设备,对氨逃逸浓度进行实时监测。
3.遥感技术:利用遥感技术对大气中的氨气进行监测和测量。
三、氨逃逸浓度对环境的影响氨逃逸浓度过高会对环境产生以下影响:1.空气污染:氨气是一种有害气体,高浓度的氨逃逸会导致空气污染,对人体健康产生危害。
2.水体污染:氨气在大气中与雨水结合,形成酸性物质,对水体造成污染。
3.生态环境破坏:氨逃逸浓度过高,会对植被和土壤造成破坏,影响生态平衡。
四、氨逃逸浓度的控制和减少方法为了降低氨逃逸浓度,保护环境和人体健康,可以采取以下措施:1.优化生产工艺:采用封闭式生产工艺,减少氨气排放。
2.加强储存和运输管理:合理设计储存和运输设施,确保氨气储存和运输过程中的安全。
3.提高环保意识:加强对企业和个人的环保教育,提高环保意识,减少氨气排放。
4.采用环保替代品:在农业生产中,推广使用环保型肥料,减少氨气的使用。
五、结论氨逃逸浓度是影响环境和人体健康的重要因素。
氨--说课稿 1引言概述:氨是一种重要的化学物质,广泛应用于农业、医药、化工等领域。
本文将从氨的性质、制备方法、应用领域、环境影响和安全注意事项等五个大点进行阐述,以期能够全面介绍氨的相关知识。
正文内容:1. 氨的性质1.1 氨的化学性质:氨是一种无色气体,具有刺激性气味。
它是一种碱性物质,能与酸反应生成盐类,并能与酸性氧化物发生中和反应。
1.2 氨的物理性质:氨具有较低的沸点和冰点,易溶于水,能与水形成氨水溶液。
此外,氨还具有较高的热导率和导电性。
2. 氨的制备方法2.1 合成氨:合成氨是通过哈伯-博斯曼过程进行的,该过程将氮气和氢气在高温高压条件下催化反应,生成氨气。
2.2 氨水的制备:氨水是通过将氨气通入水中得到的。
通入氨气的时间越长,氨水的浓度越高。
2.3 其他制备方法:氨还可以通过一些化学反应制备,如氨盐的分解、氨基酸的水解等。
3. 氨的应用领域3.1 农业领域:氨是一种重要的氮肥,可用于提供植物所需的氮元素,促进作物生长。
3.2 医药领域:氨在医药领域中常用于制备药物,如氨基酸、氨基糖等。
3.3 化工领域:氨广泛应用于化工生产中,如合成尿素、合成纤维等。
4. 氨的环境影响4.1 氨对水体的影响:氨能够溶解在水中形成氨水,高浓度的氨水会对水体生态环境造成一定的影响。
4.2 氨对空气的影响:氨在空气中具有刺激性气味,高浓度的氨气会对人体健康产生影响。
4.3 氨的处理方法:对于含氨废水和废气的处理,可以采用生物法、吸附法、膜分离法等方法进行处理。
5. 氨的安全注意事项5.1 氨的储存和运输:氨应存放在密闭容器中,避免与空气接触。
在运输过程中,应注意防止泄漏和碰撞。
5.2 氨的使用注意事项:使用氨时应佩戴防护装备,避免直接接触皮肤和眼睛。
同时,应注意氨的浓度和通风情况,避免中毒。
总结:综上所述,氨是一种重要的化学物质,在农业、医药、化工等领域有广泛的应用。
了解氨的性质、制备方法、应用领域、环境影响和安全注意事项对于正确使用和处理氨具有重要意义。
污水处理中氨氮超标对生态环境的影响有哪些污水处理是保护环境和人类健康的重要措施之一。
然而,由于各种原因,包括工业和农业排放等,污水中的氨氮有时会超标。
氨氮超标不仅对水体生态环境造成直接的损害,还可能对生物多样性、水资源的可持续利用以及人类健康产生潜在风险。
本文将探讨氨氮超标对生态环境的影响。
1. 对水生生物的影响氨氮超标会对水生生物造成直接的伤害。
水体中的氨氮会被水生生物摄取,进而影响它们的生长、繁殖和存活能力。
高浓度的氨氮会导致鱼类和其他水生动物的呼吸困难,甚至造成窒息死亡。
此外,氨氮还可能导致水生生物的免疫系统受损,增加它们对病原体的敏感性,从而引发疾病的爆发。
2. 影响水体生态系统氨氮超标也会对水体整体的生态系统产生重大影响。
过量的氨氮会导致水中藻类的过度生长,形成蓝藻和浮游植物水华。
这些水华会阻塞水体自然的自净能力,降低水质,导致水中溶解氧的消耗增加。
缺氧的环境将会对其他水生生物造成严重伤害,导致广泛的死亡现象。
此外,水体中的氨氮还可能降低水体抵抗外界环境压力的能力,使水生生物对生态系统变化更加敏感。
3. 污染地下水资源氨氮超标的污水处理排放也可能对地下水资源造成潜在污染风险。
当污水处理厂处理后的水直接被排放到地下水中,或者处理后的水在渗漏或渗透过程中与地下水混合,超标的氨氮会进入地下水系统中。
这对于供水或灌溉用途的地下水资源是一种潜在的威胁。
氨氮的积累可能导致地下水的污染,使其不适合人类消费或农业用水,进而影响农作物生长和人类健康。
4. 影响土壤质量氨氮超标的排放也可能对周围的土壤质量产生一定的负面影响。
当氨氮浓度较高的废水在农用灌溉或其他途径下与土壤接触时,氨氮会进入土壤中并影响土壤中微生物的生态系统。
这些微生物是土壤健康和养分循环的关键因素,其受到氨氮的抑制可能导致土壤质量的下降,进而影响农作物的生长和产量。
总结起来,氨氮超标对生态环境的影响是多方面的。
它不仅对水生生物造成直接伤害,影响水体的生态系统,还可能污染地下水资源和影响土壤质量。
高一必修二化学氨的知识点氨(Ammonia)是一种无机化合物,由氮和氢元素组成。
它是一种无色气体,具有强烈的刺激性气味。
在我们的日常生活中,氨被广泛应用于农业、化工和医药等领域。
本文将介绍高一必修二化学中关于氨的相关知识点。
一、氨的制备方法氨可以通过哈伯-博希过程来制备。
该过程利用自然气中的氮气与水合铝酸反应,生成氨气。
这是一种高温高压的工业过程。
氮气和氢气按照2:3的比例通入反应器,经过一系列催化反应,生成氨气。
二、氨的性质1. 氨气具有刺激性气味,可腐蚀皮肤和黏膜。
在高浓度下,氨气会对人体造成刺激和损伤。
2. 氨是一种气体,在常温常压下不易液化。
它的沸点为-33.4℃,密度轻于空气。
3. 氨是一种碱性物质,可以与酸反应产生盐和水。
例如,氨与盐酸反应生成氯化铵。
4. 氨在水中具有良好的溶解度,形成氨水。
氨水经常被用作家庭清洁剂以及肥料的成分。
三、氨的应用1. 农业领域:氨在农业中被广泛应用。
氨可以与二氧化碳反应生成尿素,作为植物的肥料。
尿素是一种含氮肥料,可以提供植物所需的氮元素,促进植物的生长发育。
2. 化工领域:氨是许多化工工艺的重要原料之一。
例如,氨气可以与乙烯反应生成乙二胺。
乙二胺是合成多种化学品的中间体,广泛应用于涂料、胶水、塑料等行业。
3. 医疗领域:氨水在医疗领域也有一定应用。
例如,氨水可以用作清洁和消毒伤口的药剂。
此外,氨水还可以用于治疗某些皮肤疾病,如湿疹和瘙痒。
四、氨的环境影响尽管氨在许多领域都有重要应用,但它也存在一些环境隐患。
例如,氨水的长期使用会导致土壤和地下水的污染。
此外,工业生产过程中可能会产生废气,将氨排放到大气中,对环境造成一定影响。
要注意的是,化学实验中使用氨气时,我们必须严格遵守安全操作规程,注意气体泄漏的处理和防范。
同时,在氨的生产、储存和运输过程中也要采取必要的安全措施,以确保人员和环境的安全。
通过了解氨的制备方法、性质、应用以及环境影响,我们对于这种常见的无机化合物有了更全面的认识。
氨气会导致什么样的环境问题?一、对人类健康的影响氨气是一种无色、有刺激性气体,它对人体有着极大的危害。
首先,长期接触高浓度的氨气会严重损害呼吸系统,引发气道疾病,如支气管炎、气管炎等。
其次,氨气还会刺激眼睛和皮肤,导致眼睛痛、流泪和皮肤过敏等不适症状。
此外,长期暴露于氨气中还可能引发神经系统问题,造成头晕、头痛、甚至神经受损。
因此,保护好自身免受氨气侵害至关重要。
二、对生态环境的影响1. 氨气对水资源的污染气态的氨气在大气中与水蒸气结合,生成氨水,并通过降雨等形式降落于地表。
高浓度的氨水会对地表水产生严重的污染,导致水源污染、水生生物死亡等问题。
此外,氨水还会降低水体中的氧含量,对水生态系统的平衡造成严重破坏。
2. 氨气对土壤的影响当氨气降落到大地上时,会与土壤中的酸性物质发生反应,生成氨盐。
氨盐会对土壤的酸碱度造成影响,降低土壤的肥力。
高浓度的氨气会引起土壤酸化,导致作物生长受限,甚至造成枯死。
此外,氨气还会破坏土壤中的微生物群落,影响土壤的生态系统功能。
三、对大气环境的影响1. 氨气与大气中的二氧化硫、氮氧化物等反应生成细颗粒物氨气与大气中的二氧化硫、氮氧化物等物质发生反应,会生成细颗粒物。
这些细颗粒物对人体健康和环境都有极大的危害。
首先,细颗粒物会悬浮于空气中,被人体吸入后对呼吸系统产生刺激和损害。
其次,细颗粒物在大气中的存在会引发雾霾等严重大气污染问题,降低空气质量,威胁人民健康。
2. 氨气对臭氧层的破坏氨气中的氮会与臭氧层中的臭氧发生反应,导致臭氧层的破坏。
臭氧层的破坏会使紫外线辐射增加,对人体健康和生态系统造成严重危害。
特别是在极地地区,臭氧层的破坏对生物多样性的保护和全球气候变化都有着重要影响。
综上所述,氨气作为一种有害气体,对人类健康、生态环境和大气环境都会产生严重的影响。
为了减轻氨气对环境的污染,我们应该加强对氨气的监测和控制,推广清洁生产技术,从源头上减少氨气的排放,以保护我们的环境和自身健康。
2.对环境的影响:一、健康危害侵入途径:吸入。
健康危害:低浓度氨对粘膜有刺激作用,高浓度可造成组织溶解坏死。
急性中毒:轻度者出现流泪、咽痛、声音嘶哑、咳嗽、咯痰等;眼结膜、鼻粘膜、咽部充血、水肿;胸部X线征象符合支气管炎或支气管周围炎。
中度中毒上述症状加剧,出现呼吸困难、紫绀;胸部X线征象符合肺炎或间质性肺炎。
严重者可发生中毒性肺水肿,或有呼吸窘迫综合征,患者剧烈咳嗽、咯大量粉红色泡沫痰、呼吸窘迫、谵妄、昏迷、休克等。
可发生喉头水肿或支气管粘膜坏死脱落窒息。
高浓度氨可引起反射性呼吸停止。
液氨或高浓度氨可致眼灼伤;液氨可致皮肤灼伤。
二、毒理学资料及环境行为毒性:属低毒类。
急性毒性:LD50350mg/kg(大鼠经口);LC501390mg/m3,4小时,(大鼠吸入)。
刺激性:家兔经眼:100ppm,重度刺激。
亚急性慢性毒性:大鼠,20mg/m3,24小时/天,84天,或5~6小时/天,7个月,出现神经系统功能紊乱,血胆碱酯酶活性抑制等。
致突变性:微生物致突变性:大肠杆菌1500ppm(3小时)。
细胞遗传学分析:大鼠吸入19800µg/m3,16周。
污染来源:在石油精炼、氮肥工业、合成纤维、鞣皮、人造冰、油漆、塑料、树脂、染料、医药以及制造氰化物和有机腈的生产中都有氨的使用和排放,氨系用氢和氮在触媒作用下合成,为制取各种含氨产品的主要原料。
危险特性:与空气混合能形成爆炸性混合物。
遇明火、高热能引起燃烧爆炸。
与氟、氯等接触会发生剧烈的化学反应。
若遇高热,容器内压增大,有开裂和爆炸的危险。
燃烧(分解)产物:氧化氮、氨。
3.现场应急监测方法:①便携式气体检测仪器:氨气敏电极检测仪;②常用快速化学分析方法:溴酚蓝检测管法、百里酚蓝检测管法《突发性环境污染事故应急监测与处理处置技术》万本太主编气体速测管(北京劳保所产品、德国德尔格公司产品)4.实验室监测方法:纳氏试剂比色法(GB/T14668-93,空气)次氯酸钠-水杨酸分光光度法(GB/T14679-93,空气)5.环境标准:中国(TJ36-79) 车间空气中有害物质的最高容许浓度30mg/m3中国(TJ36-79) 居住区大气中有害物质的最高容许浓度0.20mg/m3(一次值)中国(GB14554-93) 恶臭污染物厂界标准(mg/m3) 一级1.0二级1.5~2.0 三级4.0~5.0中国(GB14554-93) 恶臭污染物排放标准 4.9~75kg/h6.应急处理处置方法:一、泄漏应急处理迅速撤离泄漏污染区人员至上风处,并立即进行隔离150米,严格限制出入,切断火源。
氨气在实验室的用途有哪些氨气是一种无色、有刺激性气体,在实验室中有广泛的用途。
下面将详细介绍氨气在实验室中的主要用途。
1. 氨气用作控制环境条件:氨气可以通过调节pH 值或控制氧气浓度来调节实验室中的环境条件。
例如,在细胞培养中,氨气可用于调节培养基的pH 值,以维持细胞的生长和繁殖。
2. 氨气用作清洗剂:氨气对很多实验室常用的设备和仪器具有良好的清洗效果。
比如,氨气可以用于清洗实验器皿、仪器和材料表面,以去除残留的油、污垢和有机物。
3. 氨气用于分析化学:氨气在实验室中广泛应用于分析化学中。
例如,氨气可以用于分析金属离子的含量,通过与金属离子形成络合物,进而用吸光度或荧光法进行测定。
此外,氨气也用于分析有机化合物、酸、碱等物质的浓度和成分。
4. 氨气用于制备化合物:氨气作为一种重要的原料,可用于合成和制备多种化合物。
例如,氨气可用于制备氨化物,如氨化钠、氨化铝等,可以用于催化还原、合成金属催化剂和合成其他有机化合物。
5. 氨气用于实验室安全:氨气还可用于安全方面的应用。
在实验室中,氨气可以用于检测气体泄漏。
氨气泄漏时,其特殊的刺激性气味会引起人的警觉,从而及时采取措施防止气体泄漏造成的危害。
6. 氨气用于环境保护:氨气在实验室中也可用于环境保护。
比如,氨气可以用于去除废水中的重金属离子。
氨气与重金属形成难溶的沉淀物,从而将重金属离子从废水中去除,有助于水体的净化和环境的保护。
7. 氨气用于催化反应:氨气在实验室中可以用作催化反应的催化剂。
例如,氨气可以用作氨化反应的催化剂,将酮或醇转化为相应的胺。
此外,氨气也可用于气相催化反应,促进气体分子的转化和反应。
8. 氨气用于氯化反应:氨气可以与氯化合物发生反应,形成氯胺盐类化合物。
这些化合物可用于漂白纸张、织物和其他产品,具有杀菌和消毒的作用。
因此,氨气在实验室中用于漂白剂的制备和应用。
总结起来,氨气在实验室中具有控制环境条件、清洗剂、分析化学、制备化合物、实验室安全、环境保护、催化反应和氯化反应等多种用途。
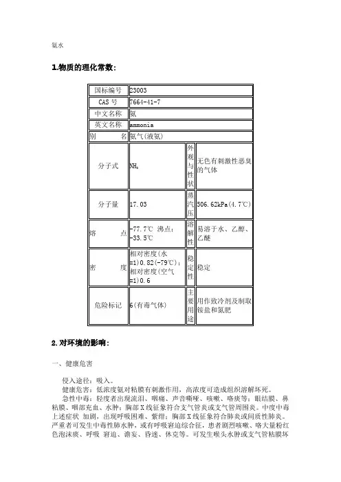
氨水1.物质的理化常数:2.对环境的影响:一、健康危害侵入途径:吸入。
健康危害:低浓度氨对粘膜有刺激作用,高浓度可造成组织溶解坏死。
急性中毒:轻度者出现流泪、咽痛、声音嘶哑、咳嗽、咯痰等;眼结膜、鼻粘膜、咽部充血、水肿;胸部X线征象符合支气管炎或支气管周围炎。
中度中毒上述症状加剧,出现呼吸困难、紫绀;胸部X线征象符合肺炎或间质性肺炎。
严重者可发生中毒性肺水肿,或有呼吸窘迫综合征,患者剧烈咳嗽、咯大量粉红色泡沫痰、呼吸窘迫、谵妄、昏迷、休克等。
可发生喉头水肿或支气管粘膜坏死脱落窒息。
高浓度氨可引起反射性呼吸停止。
液氨或高浓度氨可致眼灼伤;液氨可致皮肤灼伤。
二、毒理学资料及环境行为毒性:属低毒类。
急性毒性:LD50350mg/kg(大鼠经口);LC501390mg/m3,4小时,(大鼠吸入)。
刺激性:家兔经眼:100ppm,重度刺激。
亚急性慢性毒性:大鼠,20mg/m3,24小时/天,84天,或5~6小时/天,7个月,出现神经系统功能紊乱,血胆碱酯酶活性抑制等。
致突变性:微生物致突变性:大肠杆菌1500ppm(3小时)。
细胞遗传学分析:大鼠吸入19800µg/m3,16周。
污染来源:在石油精炼、氮肥工业、合成纤维、鞣皮、人造冰、油漆、塑料、树脂、染料、医药以及制造氰化物和有机腈的生产中都有氨的使用和排放,氨系用氢和氮在触媒作用下合成,为制取各种含氨产品的主要原料。
危险特性:与空气混合能形成爆炸性混合物。
遇明火、高热能引起燃烧爆炸。
与氟、氯等接触会发生剧烈的化学反应。
若遇高热,容器内压增大,有开裂和爆炸的危险。
燃烧(分解)产物:氧化氮、氨。
3.现场应急监测方法:①便携式气体检测仪器:氨气敏电极检测仪;②常用快速化学分析方法:溴酚蓝检测管法、百里酚蓝检测管法《突发性环境污染事故应急监测与处理处置技术》万本太主编气体速测管(北京劳保所产品、德国德尔格公司产品)4.实验室监测方法:纳氏试剂比色法(GB/T14668-93,空气)次氯酸钠-水杨酸分光光度法(GB/T14679-93,空气)5.环境标准:6.应急处理处置方法:一、泄漏应急处理迅速撤离泄漏污染区人员至上风处,并立即进行隔离150米,严格限制出入,切断火源。
氨水危险化学品分类标准氨水是一种常见的危险化学品,具有多种危险性。
为了更好地理解和使用氨水,我们需要对其危害进行分类和评估。
以下是氨水危险化学品的分类标准,包括健康危害、物理和化学危害、环境危害、爆炸危害、安全和操作危害、意外释放危害以及处置和回收利用危害等方面。
1.健康危害氨水对健康的影响主要体现在两个方面:吸入和接触。
吸入危害:氨水蒸气可引起呼吸道刺激和呼吸困难。
长期暴露在氨水环境中可能引起肺部水肿和呼吸窘迫综合征。
接触危害:氨水可引起皮肤刺激、眼睛灼伤和严重的呼吸道损伤。
如果氨水意外溅入眼睛,可能会导致视力受损甚至失明。
2.物理和化学危害氨水具有自燃和爆炸性质,因此存在物理和化学危害。
自燃:在某些条件下,氨水可能与某些物质反应引起自燃。
爆炸:当氨水受到高温、明火或强氧化剂等刺激时,可能会发生爆炸。
此外,当氨水与可燃物混合时,也可能会发生爆炸。
3.环境危害氨水对环境的影响主要体现在以下几个方面:污染水源:氨水可以污染地表水和地下水,影响水质和生态环境。
破坏生态平衡:氨水排放到环境中可能导致生态平衡破坏,对动植物产生不良影响。
4.爆炸危害氨水在某些情况下可能发生爆炸,这会对环境和健康造成严重威胁。
为了预防氨水爆炸,我们需要了解其爆炸条件并采取相应的预防措施。
5.安全和操作危害在安全操作和储存氨水时,应注意以下事项:通风:操作氨水时应确保良好的通风,避免空气中氨水蒸气浓度过高。
遮盖:氨水应储存在密封的容器中,避免阳光、高温和火源。
6.意外释放危害意外释放氨水可能带来严重危害,包括:人员伤害:氨水意外释放可能导致人员暴露在危险化学品中,造成健康损伤。
财产损失:氨水泄漏可能损坏设备、建筑物等财产,导致经济损失。
环境污染:氨水泄漏可能导致环境污染,破坏生态平衡。
7.处置和回收利用危害在处置和回收利用氨水时,应注意以下事项:分类处理:根据氨水的特性和污染物含量,选择适当的处置方式。
例如,高浓度氨水可能需要进行特殊处理。
室内空气污染氨的来源室内空气污染氨的危害室内空气中的污染物是人们经常忽视的问题,很多人认为只有在室外才会受到污染的影响。
然而事实上,在室内也可能存在严重的污染问题。
其中一种污染物就是氨。
本文将从氨的来源和危害两个方面来详细探讨室内空气污染氨的问题。
一、室内空气污染氨的来源氨是一种无色、刺激性气味的气体,是一种非常重要的化学物质。
氨在生产过程中用于工业和农业等领域,而在家庭、公共场所等室内空气中,氨主要来自以下几个方面。
1. 家庭清洁剂洗洁精、消毒液、清洁喷雾等家庭清洁用品中常含有氨,使用这些清洁剂后,可能在室内空气中留下氨的残留。
2. 家具有些板材和胶水可能含有氨,这些材质被制成家具时,可能会释放氨的化学物质,污染室内空气。
3. 室内植物虽然室内植物在净化室内空气方面有很好的作用,但是有些植物释放的氨气会对人体产生危害。
例如,龙舌兰、仙人掌等植物都会释放氨气。
4. 宠物宠物如猫、狗等动物在排泄时可能产生氨气。
以上几种来源,都可能使室内空气中的氨浓度升高,时间长了,会对人体产生一系列的危害。
二、室内空气污染氨的危害1. 对呼吸系统的危害当室内空气中的氨浓度较高时,会对呼吸系统造成刺激作用,引起咳嗽、呼吸急促等症状。
严重的话,还可能引起支气管炎、肺炎等疾病。
2. 损害眼睛当长期处在高氨浓度的环境中,会对眼睛产生刺激,引起眼红、视物模糊等症状。
较高浓度的氨气会损伤眼角膜,导致眼睛的失明。
3. 皮肤损伤长期接触氨浓度较高的室内环境,可能会对皮肤产生刺激作用,引起皮肤过敏、瘙痒等症状。
较高浓度的氨气会腐蚀皮肤,引起皮肤烧灼甚至出现癌变等情况。
4. 损害肝肾功能长期处于氨污染的环境中,会影响人的肝肾功能,使其出现负担加重、调节能力下降等症状,并可能导致肝脏肾脏损伤。
以上,是室内空气污染氨可能对人体造成的危害。
为了保障健康,我们应当尽量减少这种污染物的存在。
三、防治氨污染的方法1. 理性使用清洁用品使用清洁用品时,要按照说明使用,并避免使用含有氨的清洁液。
氨知识点总结氨的生产与应用:氨的生产有多种方法,其中最常见的是哈伯-博斯克过程。
在这个过程中,氮气和氢气经过高温高压和铁催化剂的作用,生成氨气。
氨气主要用于合成氨盐、尿素、硝酸等化学物质,也用于制造化肥和清洁剂,以及在冷却系统中用作制冷剂。
氨的物理性质:氨是一种无色气体,有刺激性气味,呈碱性。
氨气密度比空气小,可以溶解在水中,形成氨水。
氨气燃烧时生成氮气和水,释放大量热量。
氨水是一种碱性溶液,可以与酸发生中和反应。
氨的化学性质:氨是一种亲电性较强的分子,它可以与酸、醛、酮和酰胺等发生反应。
氨可以和酸反应生成氨合物,也可以与醛和酮发生亲核加成反应,生成胺化合物。
此外,氨还可以与醇反应生成胺类化合物,与酰胺反应生成胺酰胺化合物。
氨的毒性与安全应对措施:氨气是一种有毒气体,高浓度的氨气会刺激眼睛、呼吸道和皮肤。
长期接触氨气可能导致呼吸系统和皮肤受损。
在工业生产中,为了保护员工安全,需要采取适当的防护措施,如穿戴防护面具和手套,保持通风良好。
氨的环境影响:氨气在自然界中可以迅速分解成氮气和水,因此对环境的影响相对较小。
但如果大量的氨气排放到空气中,会对大气环境产生一定的影响。
氨气还会在水体中形成氨水,如果过度排放到水体中,则可能影响水域生态系统的平衡。
氨的应用领域:氨在化工、制冷、卫生清洁、医疗等各个领域都有广泛的应用。
作为一种化学原料,氨被用于合成各种化合物,如氨基甲酸、氨基酸、氨基磷酸等。
在制冷系统中,氨被用作一种环保的制冷剂。
在清洁剂中,氨被用于去除污渍和清洁表面。
在医疗领域,氨被用于制备药物和医疗器械。
氨的储存与运输:氨气通常以液体或气态形式储存在钢瓶中,液氨在标准大气压下的温度为-33.3℃,气态氨的压力为压力容器的最大允许操作压力。
氨气的运输通常采用高压容器或液氨槽车,要遵守国家的安全规定,确保储存和运输的安全。
氨的处理与处置:处理氨气的废弃物,应根据国家相关法律法规进行分类、储存和处置。
对于废氨气瓶和废氨水,应严格按照规范进行处理。
NH3来源及其对环境影响摘要:NH3(氨气)是大气中最重要的碱性气体,可以与二氧化硫、氮氧化物等酸性物质反应生成的铵盐,就形成了雾霾中最主要的两种铵盐——硫酸铵、硝酸铵。
大气中氨气的主要来源为农业源、非农业源以及人类的人为排放。
NH3的日变化较为规律,早晚大气氨浓度较低。
NH3的季节性变化浓度整体呈现春夏季高冬季低的趋势。
本文总结了有关氨气日变化、季节性变化、来源、分布以及产生的危害性的现状。
关键词:氨气霾污染大气污染前言:NH3是大气中最重要的碱性气体,是一种无色但具有强烈刺激气味的气体。
NH3的浓度因地区、季节等因素差异较大。
中国地区的NH3浓度与化肥施用量和温度呈正相关,夏季较高,冬季较低[1]。
氨气不仅在大气中通过光化学反应生成硫酸铵和硝酸铵等气溶胶粒子,降低大气能见度、引发灰霾污染、损害人体健康;还会增加大气氮沉降导致土壤和水体酸化、降低陆地和水体生态系统多样性,影响生态系统结构和功能[1,2]。
本文总结了关于氨气日变化、季节性变化、来源、分布以及危害性的研究现状。
1.氨气的时间变化1.1氨气的日变化氨的日变化受到辐射源排放和温度、湿度、风速等气象参数的影响[1]。
NH3的日变化较为规律,早晚大气氨浓度较低,午后最高。
日间变化规律主要与温度相关,温度对氨挥发的影响是多方面的:在一定范围内升高温度可以促使液相中氨态氮和铵态氮的平衡向氨态氮的方向迁移;温度升高有利于增加氨的扩散速率;由于影响氨气浓度的因素较多导致不同区域氨气的浓度也有较大差异。
但他们在日变化浓度上都呈现出早晚较低、午后最高的变化趋势。
1.2氨气的季节性变化排放源和温度的变化对NH3的浓度有一定的影响。
研究表明,大气NH3浓度与温度存在一定的的相关关系。
由于温度的变化幅度随季节变化的幅度最大,对于中国大多数地区,不同季节温度最高能相差几十倍,是影响大气NH3浓度最重要的气象因子。
我国区域NH3浓度整体呈现春夏季高冬季低的趋势。
氨气(NH3)是大气氮循环的重要组成部分,其呈碱性,对中和酸性气体和悬浮微粒的形成至关重要,对维持生态平衡起着重要作用。
但同时氨作为大气污染源严重影响着人类的生存环境。
氨是公认的应激源,是动物圈舍内最有害的气体之一。
氨不仅对家禽家畜、人体有直接的危害,对大自然环境也有强大的破坏力。
近年来,氨作为雾霾的隐性元凶,引起了全社会的高度关注。
生态环境部在2018年公布的《打赢蓝天保卫战三年行动计划》中,明确提出了控制氨排放的要求,以减少种植和畜牧养殖业氨的挥发排放。
因此,大气中氨排放的定量评估及其精准溯源,越来越受到人们的重视。
1. 氨气对家禽家畜的危害:氨气容易诱发家禽、猪等动物的多种呼吸道疾病,提高肉鸡腹水症的发病率,导致蛋鸡因此减少产蛋量,引起雏鸡和幼猪增重和饲料利用率的下降,从而给养鸡养猪生产造成严重的经济损失。
2. 氨气对人体的危害:氨气是工业最常用的制冷剂,也是常见的化工原料及产品,氨水储罐是重大危险源。
氨易溶于水、乙醇和乙醚,在水中溶解度很高,20℃时1体积的水颗溶解700体积的氨,氨的水溶液呈碱性,对呼吸粘膜有刺激性,严重时可发生碱灼伤,可引起眼睛流泪、灼痛,角膜和结膜发炎,视觉障碍等。
氨气进入呼吸道可引起咳嗽、气管炎和支气管炎、肺水肿出血。
呼吸困难、窒息等。
3. 氨气对环境的危害:早在20年前欧洲就已经开始研究氨沉积对土壤酸化和超营养的作用。
畜牧排泄粪便中含有大量含氮物质是造成畜牧业污染环境的重要原因。
排出的粪便若不通过处理,直接挥发出氨,经空气作用产生大量硝酸盐,渗入地表水、地下水和饮用水中,促使水体“富营养化”并能产生大气重要污染源之一的臭气。
另外,气态的氨可以与硫酸、硝酸和盐酸等发生化学反应而形成铵盐,进而增加大气污染物PM2.5颗粒物的浓度。
4. 氨气的重要排放源:在美国,氨气的产生和排放约80%来自畜牧业。
欧洲环境署评估指出,超过80%的氨气排放就是来自畜牧业的生产。
就全球范围而言,来自畜牧生产的氨大约占总比的50%。
氨气浓度限值氨气是一种无色、刺激性气体,广泛应用于工业生产和农业领域。
然而,高浓度的氨气对人体健康造成严重威胁,因此制定了氨气浓度限值。
本文将介绍氨气的危害、浓度限值以及防护措施。
1. 氨气的危害氨气具有刺激性气味,其高浓度对人体呼吸系统和眼睛有严重的刺激作用。
长时间暴露于高浓度的氨气环境中,可能引发氨气中毒,导致恶心、呕吐、头痛、眩晕和呼吸困难等症状。
在极端情况下,高浓度氨气暴露可能导致昏迷、肺水肿甚至死亡。
2. 氨气浓度限值为了保护工作者和环境健康,各国家和地区制定了氨气浓度限值标准。
以下是一些常见的氨气浓度限值:- 美国职业安全与健康管理局(OSHA)将氨气浓度限值设定为每8小时不得超过50ppm(0.051mg/m³)。
- 欧洲化学品局(ECHA)将氨气浓度限值设定为每8小时不得超过20ppm(0.024mg/m³)。
- 中国国家标准GBZ 2.1-2007将氨气浓度限值设定为每8小时不得超过20ppm(0.024mg/m³)。
这些浓度限值是基于对氨气的毒性评估和流行病学研究得出的。
然而,不同国家和地区的标准可能存在差异,因此在实际应用中应根据当地的法律法规和标准进行操作。
3. 防护措施为了降低氨气对工作者和环境的危害,采取适当的防护措施是必要的。
以下是一些常见的防护措施:- 提供充足的通风:在氨气可能泄漏或产生的区域,应提供良好的通风系统,以确保空气流动和氨气的稀释。
可以使用机械通风设备、排风扇等设备来实现通风效果。
- 戴防护装备:工作者应佩戴适当的防护装备,如防护眼镜、面罩、手套和防护服等,以防止氨气直接接触皮肤和眼睛。
- 进行培训和教育:工作者应接受相关的培训和教育,了解氨气的危害和防护措施,并掌握正确的操作方法和应急处理措施。
应定期检测氨气浓度,确保在安全范围内。
对于可能泄漏氨气的设备和工作场所,应建立相应的监测系统,并配备报警装置,及时警示和处理可能的泄漏情况。
大气氨气排放对气候和环境的影响近年来,全球气候变化日益引起人们的关注。
虽然二氧化碳是主要的温室气体,但大气中存在的其他气体,如氨气,也对气候和环境产生了影响。
首先,大气氨气排放对气候变化有直接的影响。
氨气是由农业活动、化学工业和动物粪便等源头排放到大气中的。
它可与大气中的酸性颗粒物和其他气体反应,形成氨盐,然后作为云凝结核,参与云的形成,从而改变云的物理和化学性质。
这种改变可能导致云的反射和吸收太阳辐射的能力发生变化,进而影响地球的能量收支平衡。
研究发现,氨气排放增加会导致云的数量增加,进而增加大气中的反射和散射,从而导致更多的太阳辐射返回太空,使地球表面的温度下降。
而这种效应在某些地区可能对当地气候产生重要影响,甚至引发一系列气候变化。
其次,大气氨气排放也对环境产生了直接和间接的影响。
高浓度的氨气释放到大气中后,可能会对周围的生态系统造成负面影响。
氨气可与大气中的酸性颗粒物相结合形成细颗粒物,并通过降水沉降到地面。
这种细颗粒物富含氨根离子,对植物和土壤的生物多样性和生态功能产生了负面影响。
另外,大气中的氨气还可与其他污染物相互作用,形成二次气溶胶,影响空气质量和人体健康。
同时,大气氨气排放还对水资源和水环境造成了一定的危害。
氨气排放到大气中后,可能会通过降水途径输入到水体中,引起水体富营养化现象。
过量的氨气往往导致水中氮、磷等营养物质的浓度上升,促进藻类生长和水中生态系统的改变。
这种富营养化现象会引发大面积的水华,对水质造成破坏,甚至对水体中的生物多样性产生巨大影响。
鉴于大气氨气排放对气候和环境的影响,应采取一系列措施来减少其排放。
首先,我们应加强氨源的监管和管理,推行低氨排放技术。
例如,在畜牧场使用高效的粪便处理设备,将氨气减少排放到大气中。
其次,我们可以增加农业土壤中含氮肥的利用效率,以减少氨气的排放。
此外,还可以采取技术措施,如提高化学工业生产过程中的废气处理效率,以减少氨气的产生和排放。
氨水对水体环境的影响及控制方法氨水是一种常见的化学品,广泛应用于各个领域,包括农业、工业和家庭等。
然而,当氨水进入水体环境中时,它可能对生态系统和生物多样性造成负面影响。
本文将探讨氨水对水体环境的影响,并提出一些控制方法以减少这种影响。
首先,氨水的释放会导致水体中氨氮浓度的升高。
氨氮是氨水分解产生的主要组分,它对水体生态系统具有毒性。
高浓度的氨氮可以导致鱼类和其他水生生物受到损害甚至死亡。
此外,氨氮的存在还会改变水体的化学性质,影响水体的酸碱平衡,进而影响一些底栖生物的生存条件。
其次,氨水的进入会导致水体中氨化作用的增强。
氨氮在水体中可以被细菌和其他微生物转化为硝酸盐和亚硝酸盐。
这种转化过程称为氨化作用。
过量的氨化作用会导致水体中亚硝酸盐和硝酸盐的浓度升高,进而增加氮肥的流失风险,并可能导致水体富营养化和藻类水华的形成。
那么,如何控制氨水对水体环境的影响呢?以下是一些控制方法的提议:1. 控制氨水的产生和排放量:对于工业和农业活动中产生氨水的场所,应采取有效的措施来控制其产生和排放。
例如,在畜禽养殖场,可以改进饲料配方,合理控制饲料中氮的含量,减少养殖废水中氨氮的浓度;在工业生产中,可以优化工艺流程,减少氨水的产生。
2. 加强水体监测和管理:定期监测水体中氨氮的浓度,及时发现问题并采取相应的措施。
建立水体环境的长期监测系统,并制定相应的管理政策和措施。
3. 加强水体净化和处理:针对受到氨水污染的水体,可以采取一些净化和处理方法进行修复。
例如,采用生物滤池、人工湿地等处理设施来去除水体中的氨氮,减少对生态系统的影响。
4. 开展宣传和教育活动:加强对氨水对水体环境影响和控制方法的宣传和教育,提高公众和相关从业人员的环境保护意识,促使大家共同参与环境保护工作。
总结起来,氨水对水体环境具有一定的影响,但通过控制氨水的产生和排放量,加强水体监测和管理,开展水体净化和处理,以及开展宣传和教育活动,可以减少其对水体环境的负面影响。
大气氨挥发与农田环境影响分析引言农田是农业生产的重要基地,然而,农业活动也会对环境造成一定的影响。
其中,大气氨挥发是一个不可忽视的问题。
本文将就大气氨挥发对农田环境的影响进行分析。
大气氨挥发对农田环境的影响1. 大气氨挥发的来源大气氨挥发主要源于农田中的氨氮化合物。
农田中的施氮过程以及农作物的肥料利用率低都会导致大气氨挥发的增加。
此外,养殖业中的粪便和尿液中的氨也是大气氨挥发的重要来源。
2. 大气氨挥发对农作物的影响大气氨挥发会导致农作物的氮素供应不足。
氨氮化合物的大量流失会降低土壤中的氮素含量,进而影响农作物的生长发育。
研究表明,氨氮的损失会导致农田中氮素的平衡破坏,给农作物生产带来巨大的不利影响。
3. 大气氨挥发对土壤质量的影响大气氨挥发会导致土壤酸化。
挥发的氨氮化合物会与空气中的硫酸和硝酸反应,生成硫酸铵和硝酸铵,并随降雨进入土壤中。
这些反应会降低土壤的pH值,使其变得更酸性。
酸性土壤对农作物的生长有很大的不利影响,同时也会导致土壤中其他营养元素的流失。
4. 大气氨挥发对水环境的影响大气氨挥发还会对水环境造成污染。
挥发的氨氮化合物会随着降雨流入水体,导致水体中的氮含量增加。
高浓度的氮污染会引发水体富营养化现象,促进藻类的繁殖,导致水体中溶解氧的降低,对水生生物造成一定的影响。
解决大气氨挥发对农田环境的影响1. 合理施肥合理施肥是减少大气氨挥发的关键。
通过科学测定土壤中的氮素含量,调整施肥量可以有效降低氨氮化合物的流失。
此外,选择合适的肥料种类,提高肥料利用率也是减少氨氮挥发的重要措施。
2. 农畜废弃物处理合理处理农畜废弃物也可以减少大气氨挥发。
采取适当的处理方法,如堆肥、沼气池等,可以有效减少废弃物中的氨挥发,同时还可以将废弃物转化为有机肥料,提高资源利用效率。
3. 植被覆盖增加植被覆盖可以降低大气氨挥发。
植物的生长过程中会吸收和固定大气中的氮气,从而减少氨氮化合物的流失。
因此,在农田中适当种植一些氮生态工程植物,如豆科植物、禾本科植物等,可以有效减少大气氨挥发对农田的影响。
2.对环境的影响:
一、健康危害
侵入途径:吸入。
?健康危害:低浓度氨对粘膜有刺激作用,高浓度可造成组织溶解坏死。
?急性中毒:轻度者出现流泪、咽痛、声音嘶哑、咳嗽、咯痰等;眼结膜、鼻粘膜、咽部充血、水肿;胸部X线征象符合支气管炎或支气管周围炎。
中度中毒上述症状加剧,出现呼吸困难、紫绀;胸部X线征象符合肺炎或间质性肺炎。
严重者可发生中毒性肺水肿,或有呼吸窘迫综合征,患者剧烈咳嗽、咯大量粉红色泡沫痰、呼吸窘迫、谵妄、昏迷、休克等。
可发生喉头水肿或支气管粘膜坏死脱落窒息。
高浓度氨可引起反射性呼吸停止。
液氨或高浓度氨可致眼灼伤;液氨可致皮肤灼伤。
二、毒理学资料及环境行为
?毒性:属低毒类。
?急性毒性:LD50350mg/kg(大鼠经口);LC501390mg/m3,4小时,(大鼠吸入)。
?刺激性:家兔经眼:100ppm,重度刺激。
?亚急性慢性毒性:大鼠,20mg/m3,24小时/天,84天,或5~6小时/天,7个月,出现神经系统功能紊乱,血胆碱酯酶活性抑制等。
?致突变性:微生物致突变性:大肠杆菌1500ppm(3小时)。
细胞遗传学分析:大鼠吸入19800μg/m3,16周。
?污染来源:在石油精炼、氮肥工业、合成纤维、鞣皮、人造冰、油漆、塑料、树脂、染料、医药以及制造氰化物和有机腈的生产中都有氨的使用和排放,氨系用氢和氮在触媒作用下合成,为制取各种含氨产品的主要原料。
?危险特性:与空气混合能形成爆炸性混合物。
遇明火、高热能引起燃烧爆炸。
与氟、氯等接触会发生剧烈的化学反应。
若遇高热,容器内压增大,有开裂和爆炸的危险。
?燃烧(分解)产物:氧化氮、氨。
3.现场应急监测方法:
?①便携式气体检测仪器:氨气敏电极检测仪;②常用快速化学分析方法:溴酚蓝检测管法、百里酚蓝检测管法《突发性环境污染事故应急监测与处理处置技术》万本太主编??
气体速测管(北京劳保所产品、德国德尔格公司产品)
4.实验室监测方法:
纳氏试剂比色法(GB/T14668-93,空气)
次氯酸钠-水杨酸分光光度法(GB/T14679-93,空气)
5.环境标准:
中国(TJ36-79) 车间空气中有害物质的最高容许浓度? 30mg/m3
中国(TJ36-79) 居住区大气中有害物质的最高容许浓度0.20mg/m3(一次值)
中国(GB14554-93) 恶臭污染物厂界标准(mg/m3) 一级1.0
二级1.5~2.0 三级4.0~5.0
中国(GB14554-93) 恶臭污染物排放标准 4.9~75kg/h
6.应急处理处置方法:
一、泄漏应急处理
?迅速撤离泄漏污染区人员至上风处,并立即进行隔离150米,严格限制出入,切断火源。
建议应急处理人员戴自给正压式呼吸器,穿防毒服。
尽可能切断泄漏源。
合理通风,加速扩散。
高浓度泄漏区,喷含盐酸的雾状水中和、稀释、溶解。
构筑围堤或挖坑收容产生的大量废水。
如有可能,将残余气或漏出气用排风机送至水洗塔或与塔相连的通风橱内。
储罐区最好设稀酸喷洒设施。
漏气容器要妥善处理,修复、检验后再用。
?废弃物处置方法:建议废料液用水稀释,加盐酸中和后,排入下水道。
造纸、纺织、肥料工业中的含氨废料回收使用。
二、防护措施
?呼吸系统防护:空气中浓度超标时,建议佩戴过滤式防毒面具(半面罩)。
紧急事态抢救或撤离时,必须佩戴空气呼吸器。
?眼睛防护:戴化学安全防护眼镜。
?身体防护:穿防静电工作服。
?手防护:戴橡胶手套。
?其它:工作现场严禁吸烟、进食和饮水。
工作毕,淋浴更衣。
保持良好的卫生习惯。
三、急救措施
?皮肤接触:立即脱去被污染的衣着,应用2%硼酸液或大量流动清水彻底冲洗。
就医。
?眼睛接触:立即提起眼睑,用大量流动清水或生理盐水彻底冲洗至少15分钟。
就医。
?吸入:迅速脱离现场至空气新鲜处。
保持呼吸道通畅。
如呼吸困难,给输氧。
如呼吸停止,立即进行人工呼吸。
就医。
?灭火方法:消防人员必须穿戴全身防火防毒服。
切断气源。
若不能立即切断气源,则不允许熄灭正在燃烧的气体。
喷水冷却容器,可能的话将容器从火场移至空旷处。
灭火剂:雾状水、抗溶性泡沫、二氧化碳、砂土。
氨同样也是一种制冷剂,它具有较好的热力性质和热物理性质。
氨的标准蒸发温度为-33.3℃,凝固温度为-77.7℃,单位容积制冷量大,粘性小,流动阻力校,密度小,传热性能好。
此外,氨的价格低廉,又易于获得。
氨的压缩系统主要应用于低温领域,而且已经发展得非常完善,所以适合在工业领域中应用。