外墙保温及外墙涂料施工组织设计
- 格式:doc
- 大小:4.02 MB
- 文档页数:26
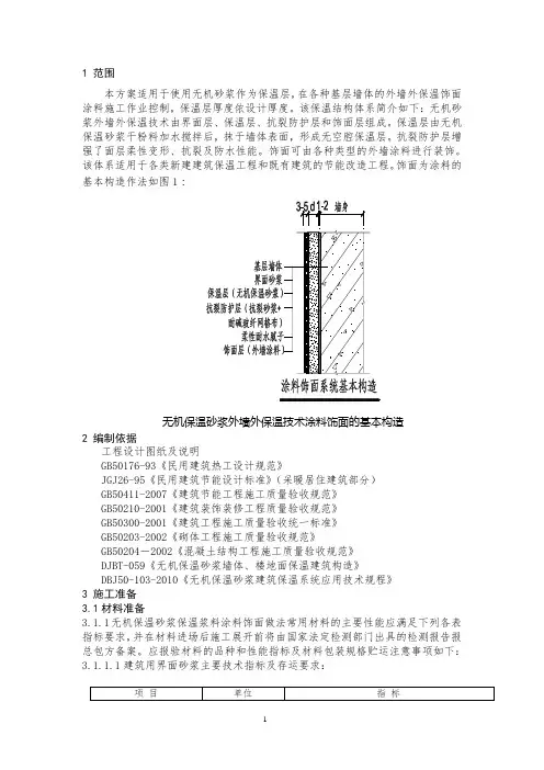
1 范围本方案适用于使用无机砂浆作为保温层,在各种基层墙体的外墙外保温饰面涂料施工作业控制,保温层厚度依设计厚度。
该保温结构体系简介如下:无机砂浆外墙外保温技术由界面层、保温层、抗裂防护层和饰面层组成。
保温层由无机保温砂浆干粉料加水搅拌后,抹于墙体表面,形成无空腔保温层。
抗裂防护层增强了面层柔性变形、抗裂及防水性能。
饰面可由各种类型的外墙涂料进行装饰。
该体系适用于各类新建建筑保温工程和既有建筑的节能改造工程。
饰面为涂料的基本构造作法如图1:无机保温砂浆外墙外保温技术涂料饰面的基本构造2 编制依据工程设计图纸及说明GB50176-93《民用建筑热工设计规范》JGJ26-95《民用建筑节能设计标准》(采暖居住建筑部分)GB50411-2007《建筑节能工程施工质量验收规范》GB50210-2001《建筑装饰装修工程质量验收规范》GB50300-2001《建筑工程施工质量验收统一标准》GB50203-2002《砌体工程施工质量验收规范》GB50204-2002《混凝土结构工程施工质量验收规范》DJBT-059《无机保温砂浆墙体、楼地面保温建筑构造》DBJ50-103-2010《无机保温砂浆建筑保温系统应用技术规程》3 施工准备3.1材料准备3.1.1无机保温砂浆保温浆料涂料饰面做法常用材料的主要性能应满足下列各表指标要求,并在材料进场后施工展开前将由国家法定检测部门出具的检测报告报总包方备案。
应报验材料的品种和性能指标及材料包装规格贮运注意事项如下:3.1.1.1建筑用界面砂浆主要技术指标及存运要求:包装:50kg/袋贮存:贮存期6个月,防雨、防潮。
运输:按非危险品办理运输。
3.1.1.3无机保温砂浆硬化后的性能指标3.1.1.4膨胀玻化微珠的性能指标包装:50kg/袋贮存:通风干燥条件下贮存期6个月,防潮、防雨。
运输:按非危险品办理运输。
包装:100m2/卷贮存:防晒、防潮,立式码放。
运输:按非危险品办理运输。
外墙涂料保温施工方案1.材料准备首先,需要准备保温材料和外墙涂料。
常用的保温材料有聚苯板、岩棉板、聚氨酯板等,根据建筑的保温要求选择合适的材料。
外墙涂料可以选择耐候性好、耐腐蚀性强的乳液型涂料。
2.基层处理在进行外墙涂料保温施工前,需要对建筑的基层进行处理。
首先清洁墙面,将墙面上的灰尘和污物清理干净。
然后修补墙面上的裂缝和凹坑,保证墙面的平整度。
最后,在墙面上涂刷一层基层处理剂,提高涂料的附着力。
3.保温材料施工将选定的保温材料切割成合适的大小,并用粘结剂将其粘贴在墙面上。
保温材料应该从地面开始铺贴,用水平线和垂直线进行定位,保证保温材料的准确位置和水平度。
粘结剂应均匀涂抹在墙面上,以确保保温材料的牢固粘贴。
4.保温层处理在保温材料上面涂刷一层保温层处理剂,增加维护保温材料的能力。
保温层处理剂的选用应根据保温材料的类型进行选择,确保相容性。
涂刷保温层处理剂时要均匀、厚度一致,尽量避免涂刷过厚或过薄。
5.防护层处理在保温层上涂刷一层防护层处理剂,增加涂料层的耐候性和耐腐蚀性。
防护层处理剂的选用应根据涂料的类型进行选择,以保证涂料的附着力和耐用性。
涂刷防护层处理剂时要均匀、充分覆盖保温层,确保保温层的完整性。
6.涂料施工最后,在防护层上涂刷一层外墙涂料,实现保温装饰效果。
涂料施工时要均匀、充分涂刷,确保涂料的平整度和颜色一致。
涂料带有防紫外线、抗污染等功能,能够保持外墙的美观和耐久性。
以上是一种常见的外墙涂料保温施工方案。
在施工过程中,需要注意工序的严格执行,保证每一步都符合要求,以确保保温效果和施工质量。
此外,还要注意安全施工,避免事故发生。
外墙外墙保温、外墙涂料、外墙饰面砖施工方案在建筑工程中,外墙的施工是非常重要的环节之一,不仅直接影响建筑的外观美观度,还承担着保温、防水、防火等功能。
外墙保温、外墙涂料以及外墙饰面砖的选择和施工方案对整体建筑质量具有重要影响。
本文将从外墙保温、外墙涂料和外墙饰面砖的角度,深入探讨其施工方案。
外墙保温施工方案外墙保温是提高建筑节能性能的重要手段之一。
常见的外墙保温材料有挤塑板、聚苯乙烯板、岩棉板等,选择合适的保温材料至关重要。
施工时应注意以下几点:1.准备工作:清除外墙表面的杂物,确保外墙面整洁干净;检查外墙结构,修补裂缝并处理潮湿部位。
2.粘结层施工:在外墙表面涂抹粘结层,以保证保温材料的牢固粘结。
3.保温材料安装:将选定的保温材料按照规定的方法进行铺设,注意保温板之间的接缝处理。
4.抗裂网格布:在保温层上铺设抗裂网格布,防止保温层出现裂缝。
外墙涂料施工方案外墙涂料是外墙装饰的重要组成部分,不仅美观,还具有防水、防火等功能。
选择合适的外墙涂料对外墙的保护具有至关重要的作用。
外墙涂料的施工方案如下:1.底漆处理:在外墙表面施工底漆,增强涂料的附着力。
2.防水涂料:涂刷防水涂料,防止墙体渗水,增强外墙的防水性能。
3.面漆涂装:选择合适的外墙面漆,涂刷至少两遍,保证外墙颜色均匀、美观。
外墙饰面砖施工方案外墙饰面砖是外墙装饰的一种重要形式,不仅美观、耐久,还能起到保护外墙的作用。
外墙饰面砖的施工方案如下:1.饰面砖选择:根据建筑风格和设计要求选择合适的饰面砖。
2.饰面砖铺贴:在外墙表面施工砖砌胶浆,将饰面砖按排列顺序粘贴到外墙上。
3.砖缝处理:处理砖缝,确保砖缝均匀、美观,同时加强砖与砖之间的粘结力。
综上所述,外墙保温、外墙涂料和外墙饰面砖的施工方案是建筑工程中不可或缺的一环。
合理选择材料、科学施工方法,不仅可以提高建筑外墙的质量和美观度,还能有效提升建筑的节能性能和整体防护能力。
希望本文对外墙施工有所启发,为建筑工程提供一定的参考和指导。
外墙保温及涂料施工方案一、项目背景二、施工方案1.前期准备工作(1)确定施工面积和资金预算;(2)拆除外墙上的原有附属设施,并做好保护措施,防止施工过程中对周边环境和设施的损坏;(3)对外墙进行清洗等处理,确保施工表面干燥、洁净。
2.外墙保温材料选择根据建筑物的具体情况,选择合适的外墙保温材料。
常见的外墙保温材料有聚苯板、聚氨酯板、岩棉板等,可以根据不同的需求选择不同的材料。
3.外墙保温系统施工(1)基层处理:对待保温的外墙基层进行处理,包括清洁、打磨、修补等;(2)粘贴保温材料:根据保温材料的特性,选择合适的粘接剂进行粘贴,确保附着牢固;(3)一次抹灰:在保温材料上进行一次抹灰,增强抗裂性能;(4)加固网布:在抹灰层上粘贴加固网布,增强保温层的抗拉强度;(5)二次抹灰:对加固网格布进行一次抹灰,形成光滑的表面,准备进行涂料施工。
4.外墙涂料施工(1)底漆处理:在抹灰层干燥后,进行底漆处理,加强附着力和保护层,提高涂料的附着力;(2)滚涂涂料:选择合适的涂料进行滚涂,确保涂料均匀、覆盖完整;(3)二次涂料:涂完一遍涂料后,等待干燥后再施加一遍涂料,增加涂层的厚度和耐久性;(4)封面处理:涂料施工完成后,对涂层进行封面处理,提高涂层的耐候性和防污性。
三、施工注意事项1.施工期间要注意保护周边环境和设施,防止施工过程中的破坏和污染;2.施工现场要保持整洁,确保施工质量;3.确保施工材料的质量和合理的施工工艺,以保证施工的持久性和效果;4.施工结束后,对施工现场进行清理,清除杂物和垃圾。
四、施工安全措施1.施工人员要佩戴合格的安全防护用品,如安全帽、口罩、手套等;2.施工现场要设置警示标志,提醒过往人员注意安全;3.施工过程中要注意防火措施,禁止吸烟和使用明火;4.施工现场要保持通风良好,防止有害气体的积聚。
总之,外墙保温及涂料施工需要根据具体的情况和要求,选择合适的材料和施工工艺,确保施工质量和安全。
外墙保温及涂料施工方案1. 引言外墙保温及涂料施工方案是在建筑工程中非常重要的一部分。
正确的施工方案可以保证建筑物的保温性能,并增加外墙的耐久性和美观度。
本文将介绍一种常用的外墙保温及涂料施工方案。
2. 施工材料和工具准备在开始施工前,需要准备以下材料和工具:•外墙保温材料:如聚苯板、岩棉板等;•粘结剂:选择适合于外墙保温材料粘结的粘结剂;•外墙涂料:根据建筑风格和需求选择合适的涂料类型;•刮刀、刷子、滚筒等施工工具;•聚合物胶封闭材料;•清洁用品;•个人防护用品:如手套、口罩、护目镜等。
3. 施工步骤3.1 清洁外墙表面在开始施工前,需要先清洁外墙表面,以确保施工材料能够粘结牢固。
可以使用清洁剂和水来清洁外墙表面,并用刮刀清除表面的污垢和老旧涂料。
3.2 安装外墙保温材料在清洁完外墙表面后,需要安装外墙保温材料。
首先,根据建筑结构和实际需要,选择合适的保温材料。
然后,使用粘结剂将保温材料粘贴于墙体表面,确保墙体完全覆盖。
3.3 封闭保温材料缝隙在安装保温材料后,需要使用聚合物胶封闭保温材料之间的缝隙,以提高保温性能。
将胶封闭材料填充在缝隙中,并用刮刀将其抹平。
3.4 涂装外墙涂料完成保温材料的安装和封闭后,可以开始涂装外墙涂料了。
根据建筑风格和需求选择合适的外墙涂料。
首先,根据涂料的使用说明,将涂料调配至适当的浓度。
然后,使用刷子或滚筒均匀地涂抹涂料于外墙表面,确保涂料的厚度均匀一致。
4. 后续维护完成外墙保温及涂料施工后,需要进行定期的维护和保养,以确保墙体的保温性能和美观度。
以下是一些常见的后续维护工作:•每年检查外墙涂料的状况,如有损坏或脱落,及时进行修复和重新涂料;•定期清洗外墙涂料,去除附着的污垢和尘土;•定期检查保温材料的状况,如有老化或损坏,及时更换。
5. 总结通过正确的外墙保温及涂料施工方案,可以提高建筑物的保温性能和外墙的耐久性。
在施工过程中,需要注意选择适合的材料和工具,并按照步骤进行施工。
外墙保温及涂料工程施工组织设计方案一、工程概况本工程为一幢多层住宅楼外墙保温及涂料工程施工,建筑面积为XXXX平方米,共有XX层。
工程地点位于XX市XX区XX路XX号。
1.施工目标(1)质量目标:确保施工过程中的质量安全,保证工程质量符合国家标准和设计要求;(2)进度目标:按照合同约定的施工期限完成工程,确保工期是否符合要求;(3)安全目标:制定合理安全措施,保障施工人员的身体安全和工程设备的安全。
2.组织管理机构(1)项目经理:负责协调和管理整个工程的施工工作,确保施工进度和质量;(2)现场安全员:负责安全技术指导和安全检查;(3)施工班组:包括砌筑、保温、涂料等,负责具体施工工作。
3.协调与沟通(1)与防水、电器、给排水等其他工程的施工进行协调,确保工序的顺利进行;(2)与设计院、监理单位、业主进行沟通,及时解决相关问题。
4.施工流程(1)材料准备:根据设计图纸和规范要求,准备好所需材料,确保合格的材料进场;(2)外墙清理:清理外墙表面杂物,保证基层清洁;(3)砌筑保温层:进行保温材料的施工,选择适当的粘结剂,确保保温层牢固;(4)防护层施工:在保温层外增加一层防护层,保护保温材料;(5)涂料施工:根据设计要求选择涂料,确保施工均匀;(6)验收与交接:对施工完毕的工程进行检验验收,并与业主进行交接。
5.安全措施(1)施工设备的检查和维护,确保设备正常运转;(2)施工区域划定,进行安全警示标识,保证工作人员安全;(3)施工人员必须佩戴安全帽、防滑鞋和防护手套,确保人身安全;(4)定期组织安全教育和培训,增强安全意识。
6.质量控制(1)材料验收:严格按照相关标准对进场材料进行验收,确保合格材料的使用;(2)施工工艺:根据设计要求进行施工,严格按照工艺流程进行操作;(3)质量检测:定期对施工工程进行质量检测,及时发现并解决问题;(4)整体验收:工程完工后进行整体验收,确保工程质量合格。
三、施工注意事项1.施工过程中,务必严格按照设计要求和规范进行施工,不得随意改动。
青岛K2海棠湾二期外墙保温涂料工程外墙保温涂料施工组织设计目录一、编制依据二、工程概况三、施工总体部署四、外墙保温及涂料饰面施工工艺五、质量标准及检验方法六、技术质量保证措施七、成品保护措施八、确保安全生产的技术措施九、工期的保障措施十、确保文明施工的技术措施十一、紧急防预案措施十二、与总包方及各分包单位的协调保证措施一、编制依据二、工程概况工程名称:青岛K2海棠湾外墙保温涂料工程建设单位:青岛狮子城房地产开发有限公司工程地点:青岛市黄岛区大珠山中路与海王路路口东北侧K2·海棠湾项目工程范围:K2·海棠湾二期外装饰工程深化施工图纸范围内的外墙涂料及涂料基层保温工程(包含且不屋面机房、女儿墙、窗井、空调板、露台及阳台的反沿、天棚、外露管材等部位)的优化设计、供货及安装;K2·海棠湾二期高层外墙涂料及保温做法表三、施工总体部署(一)、施工条件和前期准备1、在保温施工之前,首先要对土建工程进行验收,主要是基层墙体的验收,并做一些准备工作。
对基层墙体的要求主要有以下几点:(1)基层表面应清洁,无油污、脱模剂等妨碍粘结的附着物。
凸起、空鼓和疏松部位应剔除并找平。
找平层应与墙体粘结牢固,不得有脱层、空鼓、裂缝,面层不得有粉化、起皮、爆灰等现象。
(2)墙体必须保持一定的平整度。
墙面上突出和凹进的部分必须打掉和修平,对门、窗、洞口装饰件及阳台等特殊部位和节点要特别注意。
2、先期按照甲方要求完成施工样板,经甲方、监理书面确认后,方可进行大面积施工。
3、外门窗副框已安装完毕且通过验收,并有相应成品保护措施。
4、基层及环境空气温度不低于5度,夏季应避免阳光曝晒,在5级以上大风天气和雨天不得施工5、所有外立面材料均需按相关规范要求进行进场报验,并做相应复验、实验、检测,满足资料归档及相关验收要求。
6、根据结构的不同形式及现场条件编制外保温专项施工方案,并进行技术交底,施工人员应经过培训并经考核合格。
保温和外墙涂料施工方案一、前期准备工作1.评估工程范围和尺寸:确定施工范围和需要保温和涂料的外墙面积,并进行准确的测量。
2.材料准备:根据外墙材料和需求选择适合的保温材料和涂料,并进行采购和储备。
3.人员组织:确定施工人员的数量和分工,并进行必要的培训。
二、保温施工1.表面处理:清洁外墙表面,去除附着物和旧涂层,处理脱落部分和裂缝。
2.安装固定件:按照设计要求,在外墙上安装保温系统的固定件,确保牢固。
3.保温板安装:将保温板按照规划要求横向、纵向错缝粘贴,并使用专用胶水固定。
4.封缝处理:在保温板之间和周边进行封缝处理,确保保温系统的连续性和密封性。
5.设备管道处理:对外墙上的设备管道进行保温处理,并确保与保温系统的连续性。
6.表面处理:对保温板进行打磨和平整处理,以便于后续的涂料施工。
三、外墙涂料施工1.底漆涂刷:使用合适的底漆涂料对外墙进行底漆处理,增强涂料的附着力。
2.上色涂刷:根据设计要求选择适合的外墙涂料颜色,并进行均匀、一致的涂刷。
3.防水涂刷:在需要的区域涂刷防水涂料,提高外墙的防水能力。
4.涂料施工层数:根据涂料的要求,进行涂刷的次数和层数,确保涂层的厚度和质量。
5.传统涂料施工和特殊涂料施工:根据设计需要,进行传统涂料或特殊涂料的施工,如质感涂料、石材涂料等。
6.喷涂或刷涂:根据涂料的需求和施工效率,选择合适的喷涂或刷涂方法进行施工。
四、完工验收1.外观检查:对已施工完的外墙进行外观检查,确保施工质量和效果。
2.涂层质量检测:对涂层进行质量检测,如粘结力、耐碱性、耐候性等。
3.清理工作:清理施工现场,将垃圾和材料残余物清除干净。
4.提交相关资料:提交完工图纸、施工记录、质量检测报告等相关资料。
五、施工安全和环保1.施工人员安全:施工期间要配备专业施工人员,严格遵守安全操作规程,戴好安全帽、防护服等。
2.现场环境保护:施工期间要做好现场环境保护工作,防止污染物对周边环境的影响,及时处理废液。
XXXXXXX地块项目外墙保温及涂料工程施工组织设计编制单位:编制人:审核人:编制日期:目录一、工程概况 0二、编制说明及依据 02.1编制说明 02.2编制依据 (1)三、工程规划 (1)3.1施工组织机构 (1)3.2施工流程规划 (5)3.3与各承建方的配合 (7)四、各分部分项工程施工方案 (8)4.1保温腻子施工方案4.2真石漆施工工艺 (17)4.3弹性拉毛施工方案 (21)4.4弹性平涂施工方案 (27)五、性能指标及工程验收 (30)5.1材料性能指标 (30)5.2涂料工程验收 (32)六、季节性施工措施 (33)6.1雨季施工 (33)6.2夏季施工 (33)6.3冬雨季施工 (34)七、涂料质量通病与预防措施 (35)7.1涂膜粉化 (35)7.2起皮、脱落 (35)7.3起泡 (36)7.4流挂 (36)7.5发花 (36)7.6刷痕 (36)7.7长霉 (37)八、施工总平面布置及总平面管理 (37)8.1施工现场平面布置图 (37)8.2施工平面图管理 (38)九、施工进度计划及进度保证措施 (38)9.1施工进度计划 (38)9.2施工进度计划保障措施 (39)十、劳动力需求计划及保证措施 (44)10.1劳动力投入计划 (44)10.2劳动力保障措施 (45)十一、材料投入计划及保证措施 (46)11.1管理原则 (46)11.2各阶段材料供应管理 (46)11.3材料保证措施 (47)11.4实际供货时产品的补货措施 (47)11.5材料投入计划 (48)十二、质量控制手段 (48)12.1工程施工质量目标 (51)12.2施工质量保证体系 (51)12.3施工质量控制措施 (52)12.4成品保护措施 (52)12.5全面质量管理 (56)十三、安全生产管理措施 (56)13.1安全管理方针及目标 (56)13.2安全管理体系 (56)13.3确保安全生产的措施及技术要求 (57)十四、文明施工保证体系及实施措施 (60)14.1文明施工管理 (60)14.2施工人员管理 (62)14.3防止大气污染 (62)14.5防止噪音污染 (62)十五、施工机械及施工力量配备 (63)十六、售后服务和维修保护措施 (64)16.1售后服务承诺 (64)16.2维修保护措施 (66)一、工程概况工程名称:吴江景瑞项目整期保温涂料招标工程。
外墙外保温及涂料施工方案一、项目背景二、保温材料选择在外墙外保温工程中,常见的保温材料有EPS板、XPS板、矿棉板和聚氨酯板等。
根据建筑的需求和预算确定保温材料的选择。
1.EPS板:EPS板具有轻质、保温性能好、价格低廉的特点,适用于居住建筑和办公楼的外墙外保温。
2.XPS板:XPS板具有较高的保温性能,加工性能好,更适用于高层建筑和别墅等需要更高保温要求的项目。
3.矿棉板:矿棉板保温效果良好,具有良好的隔音效果,但施工工艺相对复杂,适合大型商业建筑等。
4.聚氨酯板:聚氨酯板具有较高的保温性能和隔音性能,适用于需要较高保温和隔音要求的建筑。
三、施工步骤1.清洁墙面:将外墙墙面进行清洗,确保墙面干净无尘。
2.矫平墙面:对墙面进行矫平处理,填补裂缝和不平整的地方。
3.基层处理:将粘结剂涂刷在墙面上,以增强粘结力。
4.固定扣板:将保温材料按照设计图纸进行剪切,用专用粘结剂粘贴在墙面上,并用螺丝或粘结剂固定。
5.保温层处理:对保温层进行压实,确保平整。
6.防护层处理:在保温层上涂刷抗碱网格布,并进行二次封口处理。
7.涂料施工:选择适合外墙的防水涂料或装饰涂料进行涂刷,保护外墙不受日晒和雨水的腐蚀。
四、涂料选择1.防水涂料:防水涂料可以有效防止雨水渗入墙体,避免墙面返潮和渗漏。
常见的防水涂料有乳胶漆、聚合物防水涂料和油漆。
2.装饰涂料:装饰涂料可以改善建筑的外观效果,提高建筑的装饰价值和美观性。
常见的装饰涂料有乳胶漆、壁纸和石膏板。
五、施工注意事项1.施工前需仔细检查保温材料和涂料的质量,确保无质量问题。
2.施工过程中要注意安全,佩戴防护用品,避免误伤和事故发生。
3.按照施工方案进行施工,确保施工质量和工期。
4.施工结束后要进行验收,确保施工达到合格标准。
总结:外墙外保温及涂料施工是一项综合性的工程,施工方案要基于实际情况和设计要求进行选择和设计。
保温材料的选择和涂料的选择关系着建筑的保温性能和装饰效果,施工过程中要严格按照施工方案进行施工,确保施工质量和工期。
外墙外保温、涂料施工方案一、编制依据《外墙外保温建筑构造(一)》(02J121)《外墙外保温工程技术规程》(JGJ144-2023)《外墙外保温施工技术规程》(DB11/T 584-2023)《A级不燃材料外墙外保温》(12BJ2-11)《建筑装饰装修工程质量验收规范》(GB50210-2023)《建筑工程施工质量验收统一标准》(GB50300-2023)二、工程概况云南省人民政府驻北京办事处七、八号楼维修改造工程位于北京市崇文区东花市北里东区,建筑面积13573.76㎡,钢筋混凝土框架(局部剪力墙)结构,地下三层,地上六层,建筑高度20.7m,施工面积3900㎡。
该工程节能各项指标为:①外墙保温处传热系数《0.6 w.mk;②非透明屋面传热系数《0.55 w.mk;③采用50厚(非幕墙部分)、60厚(幕墙部分)玻璃棉板外保温系统进行施工,耐火等级A级,外窗选用5+12A+5Low-E遮阳型,外墙主体部份采用涂料(2层以上)和干挂石材(首层)饰面组合,由于工期短,多工种配合,故需精心组织施工,保证工程的顺利完毕。
建设单位:云南省人民政府驻北京办事处。
监理单位:北京方正建筑工程管理有限公司。
设计单位:中房集团建筑设计有限公司。
三、外墙施工的规定1、一般性规定1.1施工环境、基底及使用材料的温度不应低于5℃1.2不应在大风或烈日曝晒下施工,以避免材料在施工过程中失水过快而出现毛细裂缝1.3注意天气变化,在材料尚未硬化时避免雨水冲刷2、对建筑物及基层墙体的基本规定2.1墙体的湿度不应高于其与环境的平衡湿度2.2墙体表面不得有污迹、灰尘、油污等2.3墙体应具有足够的强度,墙体表面具有足够的附着力(≥0.3N/m㎡)无开裂空鼓2.4墙面的平整度,垂直度应达成规定(3-4mm/2m)2.5外墙门窗框、落水管支架都必须完毕,并通过验收.空调、通风等出外墙洞口需预埋套管,并凸出墙面(涂料部位3.5cm,干挂石材部位 4.5cm)。
外墙保温及涂料施工方案第一卷外墙保温系统第一章方案综合说明工程概况工程名称:平顶山隆嘉房地产有限公司商住楼工程概况:该项目由位于平顶山新城区,剪力墙结构,总建筑面积约2 万㎡,外墙保温系统采用 EPS 保温板,保温层厚度为 50mm,外墙采用涂料饰面。
一、说明总本设计方案是为外墙外保温 EPS 板保温涂料饰面系统(以下简称“系统”)编制的专项标准,可供设计、施工及质量监督管理人员使用。
二、适用范围1.按设计冬季保温和(或)夏季隔热的地区;2.抗震设防烈度≤8 度的建筑;3.新建、扩建、改建建筑和既有工业和民用建筑的承重或非承重外墙;三、主要设计依据1.民用建筑热工设计规范GB50176-932.采暖通风与空气调节设计规范GBJ19-873.民用建筑节能设计标准(采暖居住建筑部分)JGJ26-954.夏热冬冷地区居住建筑节能设计标准JGJ134-20015.建筑结构荷载规范GBJ9-876.建筑抗震设计规范GBJ11-897.混凝土结构工程施工及验收规范GB50204-20028.砖石工程施工及验收规范GBJ203-839.建筑装饰装修工程质量验收标准GB50210-200110.建筑工程施工质量统一验收标准GB50300-200111.硅酸盐水泥、普通硅酸盐水泥GB175-9212.绝热模塑聚苯乙烯泡沫塑料GB108012-200213.耐碱玻璃纤维网格布JC/T84114.建筑涂料GB/T9755-2001JG/T 172-200515.外墙外保温工程技术规程JGJ144-200416.膨胀聚苯板薄抹灰外墙外保温系统JG149-200317.住宅建筑围护结构节能应用技术规程DG/TJ08-206 200218.住宅建筑节能工程施工质量验收规程 DGJ08-113-2005第二章外墙外保温的特性本方案外墙外保温系统是置于建筑物外墙外侧的保温系统,是由模塑聚苯板(EPS 板)、胶粘剂、锚固栓、抹面胶浆、耐碱网格布等材料复合而成。
外墙保温及涂料施工方案
外墙保温及涂料施工方案
一、施工准备
1. 确定施工范围,清理外墙表面的杂物和积存的灰尘。
2. 检查外墙表面是否有裂缝和鼓泡,如有需要修复。
3. 保证施工现场的通风良好,并确保施工人员的安全。
二、保温材料选择
1. 外墙保温材料可以选择聚苯板、聚氨酯板、岩棉板等。
2. 根据建筑结构和气候条件选择合适的保温材料厚度,通常保温层厚度在5-10厘米之间。
三、保温施工
1. 在外墙表面涂抹一层底漆,以增加保温材料的粘附力。
2. 将保温材料剪成适当大小的块状,用专用胶粘剂将其固定在外墙上。
3. 保温板之间的接缝处需要用专用胶带或密封胶进行封缝,以确保保温层的完整性。
四、涂料施工
1. 外墙涂料可以选择乳胶漆、氟碳漆等。
根据建筑的风格和个人需求选择适合的涂料。
2. 涂料施工前需要对外墙表面进行修补,填平裂缝和凹凸不平的部分。
3. 在外墙表面涂抹一层底漆,以提高涂料的附着力。
4. 选择适当的刷具或辊涂工具,将涂料均匀地涂抹在外墙表面
上,并确保涂料的厚度均匀。
5. 涂料施工完成后,观察表面是否有明显的漏涂、块状和起皮等问题,如有需要进行修复。
五、清理和验收
1. 施工完成后,清理施工现场,确保外墙表面的整洁。
2. 进行质量验收,检查外墙保温和涂料施工是否达到设计要求。
3. 如有问题,及时修复和改进。
此外,施工过程中需要注意安全,工人应佩戴防护用品,如手套、口罩等,以避免对身体造成伤害。
施工人员应严格按照施工工艺和要求进行操作,确保施工质量和效果。
南京**科研研发综合办公楼A栋、B栋、C栋外墙保温与真石漆工程施工组织设计**建筑装饰工程有限公司2015年7月目录第一章编制说明第二章工程概况与特点第三章施工部署第四章施工准备第五章施工工艺第六章施工质量保证措施第七章施工进度保证措施第八章安全目标、安全保证措施第九章文明施工保证措施第一章编制说明1.编制标准及依据1.1施工图1.2施工组织设计1.3《外墙系统应用技术规程》1.4《外墙工程技术规程》1.5《建筑工程质量验收规范》1.6《民用建筑设计通则》1.7《江苏省住宅设计标准》1.8《住宅工程质量通病控制标准》1.9国家建筑标准设计图集墙体建筑构造1.10公司工程质量管理制度1.11现场甲方总包的施工现场实际情况及环境2.编制目的本施工方案是对该项目外墙保温与真石漆供货、施工项目在施工组织、施工管理、劳动力组织、材料设备供应、施工工艺、进度计划、质量安全措施等工作详细而周全的设计,使该工程施工的全过程中,各环节始终处于受控状态,质量达到优良标准,使业主称心满意,工程管理合理而有效。
第二章工程概况1.工程简介1.1项目名称:南京**科研研发综合办公楼A栋、B栋、C栋外墙保温与真石漆工程1.2项目地址:江苏省南京市1.3主体结构为框架结构。
1.4施工范围:a、保温隔热屋面。
b、外墙保温隔热。
c、外墙保温板面真石漆。
第三章施工部署1.工程总体目标:本公司将全力以赴与总包单位密切合作,保证工程前期各种材料、人力、按需要量的投入、以确保总体进度的需要,建立定期的工程施工协调会制度,分层次分专业协调施工,加强与各方面的协调配合,并且上下沟通,落到实处,同心同德,目标一致以确保工程圆满完成。
2.管理架构及组织机构2.1 管理架构2.1.1 本项目由公司工程部经理直接领导,委任项目经理,从全公司抽调最有工作经验的管理人员和现场指导人员。
2.1.2本项目实行项目法管理,由项目经理对工程的质量、进度、成本全面负责;同时根据工程工期、质量要求等特点,公司任命项目经理对工程全面负责,减少中间传达的烦琐程序,使工程管理更直接、高效。
外墙保温及涂料施工方案一、施工前准备工作1.确定施工范围和工期:根据建筑设计图纸和项目需求,确定外墙保温施工范围和时间计划。
2.准备材料:根据项目需求,包括保温隔热材料、保温层固定件、涂料、工具等,并进行材料验收。
3.施工人员配备:根据施工规模和要求,确定施工队伍以及分工,并进行相关安全培训。
二、保温隔热材料施工1.基层处理:清除墙面上的灰尘、污垢,修补墙面的破损部位,并进行防水处理。
2.固定点设立:根据设计要求,确定保温层固定件的位置和间距,并进行固定。
3.保温材料铺设:将保温材料按照设计要求铺设在墙面上,并用专用工具进行切割和粘接处理,确保保温层整洁、牢固。
4.固定件固定:使用专用工具,将保温层固定件与墙体固定,并确保牢固可靠。
5.罩面处理:对保温层进行罩面处理,确保保温材料的平整度和整体效果。
三、涂料施工1.基层处理:对保温层进行表面处理,包括清理灰尘、污垢,修补破损部位,并进行防水处理。
2.底涂施工:涂刷底涂剂,增加涂料与基层的附着力,提高整体效果。
3.中涂施工:根据设计要求,涂刷中涂料,增强保温效果和防水性能。
4.面涂施工:根据设计要求,涂刷面涂料,增加外墙的美观性,同时提高耐候性能和防水性能。
5.完工验收:对施工完成的外墙进行最终验收,确保施工质量达到要求。
四、安全措施1.施工过程中,加强安全教育,确保施工人员具备安全意识,正确使用工具和设备。
2.在施工现场设置安全警示标志,确保施工区域的安全。
3.使用防护设备,包括安全带、安全帽、防护手套等,确保施工人员的人身安全。
4.定期检查施工现场,排除施工环境中的安全隐患。
五、施工后维护1.对施工完成的建筑物进行定期维护,检查外墙保温层和涂料的状况,及时处理破损部位。
2.定期清洗外墙表面的污垢,保持建筑物的整洁和美观。
3.对涂料进行定期维护,重涂部分面涂料,恢复外墙的保护性能。
在整个施工过程中,需要严格按照相关标准和规范进行施工,确保施工质量和安全。
.保温、涂料、石材一体板工程组织设计及专项施工方案编制单位:2020年 3月26日目录(一)(一)施工组织设计或施工方案 (3)1施工方案与技术措施 (3)整体工艺流程: (3)编制依据: (3)2产品方案 (4)3基层要求 (5)3、外墙保温系统施工方案和措施: (6)4、线条工程施工方案和措施 (15)5、石材一体板施工方案和措施 (19)6、干挂石材施工方案和措施 (29)7.、涂料工程施工方案和措施 (32)二、施工质量保证体系及保障措施 (37)1质量管理 (37)1 工程质量目标 (37)2工程质量保证体系 (37)3质量管理制度 (38)4质量管理措施 (39)2安全文明施工管理 (40)1.安全生产保证措施 (40)2.文明保证措施 (41)3界面交接及专项配合措施 (42)4半成品、成品保护办法措施 (43)三、工程进度计划与措施 (46)1 开、竣工日期 (46)拟投入的主要材料进场计划 (48)施工机械设备表 (48)本工程的试验和检验仪器设备表 (48)劳动力计划 (49)(一)施工组织设计或施工方案1施工方案与技术措施整体工艺流程:1.土建验收交接→放线→保温板粘贴→保温线条安装→找平→腻子→底层涂料→面层涂料→竣工验收2.土建验收交接→放线→排版下单→墙面钢架制作安装→石材一体板/石材安装→打胶收口→竣工验收编制依据:《民用建筑绿色设计规范》 JGJ26《建筑设计防火规范》 GB50016《建筑节能工程施工质量验收规范》 GB50411《建筑装饰装修工程质量验收规范》 GB50210《建筑外墙外保温系统的防火性能试验方法》 GBT29416《保温装饰外墙外保温系统材料》 JG/T 287《岩棉薄抹灰外墙外保温工程技术标准》JGJT-480《保温防火复合板应用技术规程》 JGJ/T350《外墙外保温工程技术规程》 JGJ144《水性多彩建筑涂料》 HGT 4343-2012《合成树脂乳液外墙涂料》 GB/T9755《建筑内外墙用底漆》 JG/T210《建筑外墙用腻子》 JG/T157《金属与石材幕墙工程技术规范》 JGJ133《干挂石材用金属挂件》 GBT32839-2016《石材用建筑密封胶》 GBT23261-2009《干挂饰面石材》 GBT32834-2016《环境标志产品认证技术要求水性涂料》 HJ/T201-2005《建筑用外墙涂料中有害物质限量》 GB24408《外墙外保温建筑构造》图集《江苏省居住建筑热环境和节能设计标准》 DGJ32J71-2014《江苏省绿色建筑设计标准》DGJ32/T173-2014《住宅工程质量通病控制标准》 DGJ32/J 16-2014《保温装饰板外墙外保温系统应用技术规程》 DGJ32/TJ86-2013《保温装饰板外墙外保温工程技术导则》 RISN-TG028-2017《复合发泡水泥板外墙外保温系统应用技术规程》DGJ32/TJ174-20142产品方案1、外墙外保温系统:本项目9栋住宅(3层及以上)外墙保温系统为复合发泡水泥板外保温系统(提供材料检验报告)。
外墙工程施工组织方案范本一、项目概况1.1 项目基本情况本项目位于XX市中心城区,是一座规模较大的商业综合楼。
外墙工程包括外墙保温、涂料、幕墙等工程,施工面积约XX平方米。
1.2 工程内容外墙保温材料主要采用XPS挤塑板,涂料为环保水性涂料,幕墙采用XX型幕墙,共有XX片幕墙。
1.3 施工单位本项目的施工单位为XX建筑工程有限公司,负责外墙工程的施工和监理工作。
二、施工方案2.1 施工组织根据项目实际情况,施工单位将采取分部分项的施工组织方式,将外墙保温、涂料、幕墙等工程划分为不同的施工单元,分别进行施工管理。
2.2 施工周期预计外墙工程施工周期为XX个月,从XX年XX月XX日开始,计划于XX年XX月XX日完成。
2.3 施工人员(1)项目经理:负责工程进度、质量、安全等方面的管理工作。
(2)施工员:负责具体施工过程的协调和管理。
(3)技术负责人:负责施工过程中技术方面的指导和监督工作。
(4)安全员:负责施工现场安全管理工作。
2.4 施工设备根据外墙工程的具体要求,施工单位将配备各种必要的施工设备,如塔吊、脚手架、吊篮等,确保施工进展顺利。
2.5 施工材料施工单位将按照设计要求选用优质的外墙保温材料、涂料和幕墙材料,并加强材料的质量监管,确保施工质量。
2.6 安全措施为确保施工过程中的安全,施工单位将严格执行《建筑施工安全生产管理规定》,加强施工现场的安全防护,定期进行安全检查和培训。
2.7 质量管理施工单位将按照《建筑工程质量管理条例》的要求,制定质量控制计划,对施工过程进行全程质量监控,确保工程质量。
2.8 施工进度施工单位将按照项目施工进度计划,制定施工方案,合理安排施工任务,保证施工进度的顺利进行。
2.9 环境保护施工单位将严格遵守国家环保法规,减少对环境的污染,采取有效措施保护施工现场周围的环境。
三、施工措施3.1 外墙保温施工(1)检查施工现场:施工前,对施工现场进行检查,清理杂物,确保施工场地平整。
..专业资料第一章、编制依据1.1、标准第二章、工程概况第三章、工程部署3.1主要流程段划分测量放线→墙体基体表面清理→保温板粘贴→安装锚固件→瓷砖饰面部位铺贴钢丝网、涂料饰面粘贴耐碱网格布→聚合物抹面抗裂砂浆层施工→清理检查→瓷砖部位贴砖、涂料部位批刮外墙腻子→外墙砖勾缝、刷底漆→滚涂涂料→竣工验收。
3.2劳动力进场计划根据勘察现场预计组织55人左右的施工队伍,按工程的工作量进行配置。
3.2.1施工力量配备施工队伍选用在保温专业具有丰富施工经验的队伍:施工队伍的成员均受过专门的上岗培训,并有三年以上的施工经验,承建了多具有获奖工程。
为防止雨风天气、各工序衔接不畅等因素造成工期延误,在施工工序科学合理的前提下,采取大兵团,流水作业式,多投入人员,确保工期目标的实现。
3.2.2劳动力安排(1)作业队劳动力分为墙体保温专业施工队20、外墙贴砖瓦工专业队20、涂料油工专业施工队15人、项目部管理4部分。
3.3工程材料的进场计划(1)工程预算:工程预算员对合同围工程量概算,应做到尽量精确,据此测算工程材料用量,并分类整理成表单,上报公司与项目班子、经审核批准后,项目班子根据工程需要制定供应计划,并下发至公司车间、采购,公司各相关部门遵照执行。
(2)根据现场条件,尽快搭建库房和安全防护设施等。
库房必须能够保证可以有效的保护施工材料,适合工程需要的存储量,工程材料收发便等必要条件(3)各种机具、配电设备、提前进场。
(4)保温工程所用砂浆、保温板、锚固件等材料,分批运输进场。
并组织材料进场复试。
(5)做到流水化作业,提前安排下一工序所用材料提前进场,加快施工进度。
(6)根据工地实际情况,材料供应部将配合项目部按计划确保材料到位。
根据工地实际情况,材料供应部将配合项目部按计划确保材料到位。
3.4施工现场布置施工总平面布置合理与否,将直接关系到施工进度和安全文明施工管理水平的高低,为保证施工顺利进行,具体施工平面布置原则如下:3.4.1在满足施工条件下,尽量节约施工占地。
3.4.2满足施工需要和文明施工的前提下,尽可能减少临时设施投资。
3.4.3在保证场交通运输畅通和满足施工对材料要求的前提下,最大限度地减少场运输,特别是减少场二次搬运。
3.4.4符合施工现场卫生及安全技术要求和防火规。
第四章、项目组织管理机构4.1项目部组织结构(见下表)项目部人员组成:项目经理、项目技术工程师、项目工长、质检员、预算员、材料员、安全员、资料员,本工程管理人员承建过多优秀获奖工程。
4.2项目部与公司总部的关系4.2.1我公司对总部与项目定位,是要使每个项目都能成功地体现出公司的整体水平,走“大总部,小项目”的模式。
4.2.2公司总部是“人才密集、资金密集、管理密集”的中心,项目与总部是个体与母体的关系,二者之间以管理信息流、资金流所形成的连锁式的经营式,总部就像是一条标准化项目管理生产线,把一个个成功的项目管理源源不断地克隆出来。
4.2.3现场项目经理和技术负责人直接受到公司工程管理部和技术质量部的委派,在现场的管理工作受到总部的监督指导。
4.3项目部各主要人员职责4.3.1项目经理工作职责(1)全面主持工程中的设计、施工工作和协调物资采购等、及时了解和掌握各部门施工作业及进度情况,及时组织做好工种的调配;(2)负责审批施工组织计划;(3)下达作业指令,控制施工全过程;(4)实施ISO9001质量管理,全面进行质量监控;(5)组织做好人员、工具的配备及材料统筹;(6)处理施工过程中出现的重大问题;(7)负责与外各的协调工作;(8)负责组织竣工初验及交工验收工作;(9)工作对总经理负责;4.3.2项目技术工程师工作职责(技术负责人项目副经理)(1)在项目工程师的领导下,依据施工图纸和有关技术规,做好资料归档,及时完成工程技术洽商,解决技术难题,做好工程隐预检,把好质量关;(2)负责组织工程图纸会审,编制科学、先进、经济、切实可行的项目工程施工组织设计,施工案,技术节约措施;(3)负责技术统计,组织推广应用新技术、新工艺,新材料;(4)负责工程技术资料的审核,汇总,要达到标准化;(5)负责制定不合格品的控制措施,参加处理工程质量事故,对出现的不合格品要制定纠正和预防措施;(6)组织检查案落实、计划和措施的实施情况,定期上报公司技术质量部。
(7)及时、准确办理工程变更、洽商,及时送交公司相关部门;(8)负责现场检验、实验和计量工作,资料达到完整性和准确性,并落实到人(9)承担技术措施降低成本责任;4.3.3项目工长工作职责(1)负责施工组织和实施,保证工程计划的完成;(2)掌握施工图纸的容和安装质量要求,贯彻施工组织设计意图。
参加图纸会审,做好技术交底,并按要求组织施工;(3)组织施工测量;(4)按照有关施工验收规,企业标准监督指导施工班组(5)做好施工记录;(6)建立工程档案;(7)及时做好、外各施工中变更等的确认签证工作;4.3.4质检员工作职责(1)按照有关施工及验收规,图纸技术要求及设计文件及质量控制点要求对隐蔽工程、保温层安装质量、抗裂层施工工序与施工规,外墙涂料装饰施工规等在施工过程中格贯彻,对不符合施工规与质量要求的,及时提出整改和返工意见,执行跟踪复查;(2)对检验不合格的上道工序,不能转入下道工序施工,及时处理工程中的不合格项,并跟踪复查;(3)评定单位工程的质量等级;(4)做好施工过程中的质量记录;(5)竣工验收时交付全部技术资料;(6)做好ISO9001质量管理。
4.3.5预算员工作职责:(1)根据双签订的施工合同,做好施工预算,及时完成经济洽商和工程结算,保证施工合同的顺利进行;(2)全面负责项目部成本核算工作,定期向经理提供成本运营情况的资料分析;(3)负责组织编制工程概算,施工预算,做好两算对比工料分析。
分发给相关部门,做为核算成本和指导施工的依据;(4)负责项目部分包工程的洽谈、合同的签发、管理和结算工作。
按照合同条款及时办理合同变更,索赔事宜,落实分包成本;(5)建立健全成本核算的各类台帐,其资料真实有效;(6)分析成本运营情况找出成本盈亏原因,制定控制降低成本办法;(7)对项目的成本运营,核算,结算负有直接责任;4.3.6材料员工作职责(1)依据施工案和合同要求,搞好物资采购、保管工作,及时做好产品的检验、复验工作,并提供相应产品的质量合格证;(2)负责项目部所需物资材料的询价、报价、采购、供应、验收、仓储、保管、标识、进货质量检验和物耗管理工作;(3)负责提供物资的验证和检验资料的保管工作;(4)负责对供应商的评价及选择,建立合格供应商名册;(5)负责现场材料的管理使用,建立健全材料的验收、领退、盘点制度。
做到进料保质保量,验收发料有手续,耗料有依据,定期有盘点;(6)负责材料的定额管理工作,根据施工预算签发限额领料单,做好节超分析;(7)负责按时向财务提供结算资料;(8)负责材料进场要按现场布置的堆料地点分类吗放,控制和降低现场材料的搬运次数和损失费用;(9)负责工程余料的回收和收旧利废,及时清退闲置的材料;(10)对管理围的料具,采购单价和料具消耗,保管承担成本责任;4.3.7安全员工作职责:(1)认真贯彻执行“安全第一”的针,开展安全生产技能教育;(2)做好安全技术交底工作;(3)格控制施工中发生的不符合安全操作规的现象;(4)参加安全事故的调查,分析及处理;4.3.8资料员(1)收集整理齐全工程前期的各种资料;(2)按照文明工地的要求、及时整理齐全文明工地资料;(3)做好本工程的工程资料并与工程进度同步;(4)工程资料应认真填写,字绩工整,装订整齐;(5)登记保管好项目部的各种书籍、资料表格;(6)收集保存好公司及相关部门的会议文件;(7)及时做好资料的审查备案工作。
4.3.9施工班组工作职责:(1)服从工长指挥,保证安装质量;(2)按技术交底及相关工艺规程施工;(3)遵守公司及工地各项规章制度,安全作业,保护产品;(4)爱护安装设备、工具、检测器具,保持良好状态;(5)向公司提出合理化建议。
第五章、各分项主要施工法5.1外墙外保温施工工艺(1)施工准备1)材料准备:专用界面剂、粘结砂浆、挤塑板、抗裂砂浆、保温专用尼龙锚固件、镀锌钢丝网、耐碱玻纤网格布。
2)机具准备:放线工具、火烧丝、线坠、手提搅拌器等、水平尺、杠尺、料桶、剪子、盒尺、手锯。
3)施工条件:墙面平整度要求达到外墙中级抹灰验收标准(平整4mm/2m,垂直4mm/2m);外墙门窗附框应安装完毕。
自来水管、煤气管、空调进出口及各种进户管线等所有进出作外保温外墙面的管线均需预埋PVC套管,PVC套管伸出墙面的长度至少应为外保温体系的厚度;外墙局部砌体部位已抹灰,并安装保温板固定件。
4)所有固定在外墙上的受力构件,如托架等必须在外保温施工前安装完成,决不允外保温施工完成后再在墙面上开洞,否则质量及外观效果都难以保证;(2)主要工艺流程图(3)施工要点:1)基层清理:施工前清扫墙体浮灰、铲除墙体混凝土流挂,墙体处理洁净后,满涂界面剂一遍,干燥后可进行挤塑板粘贴施工。
2)测量放线:A.在建筑外墙阳角、柱子、线条、门窗两测口等处及其他必要处挂垂直基准钢线。
B.沿门窗上下口、飘窗外檐放水平线,水平线在各立面阴阳角部位必须交圈。
C.如墙体出现较大误差不能满足外保温施工条件,应交由上道工序整改。
3)涂刷专用界面剂:由于挤塑聚苯板表面较为光滑不利于粘贴施工,所以挤塑聚苯板粘贴前在两面均匀的涂刷挤塑板专用界面剂,干燥后再进行粘贴施工。
4)配制粘结砂浆:在施工时只需按重量比为4:1(干粉∶水)的比例加水用电动机械充分搅拌均匀即可使用。
配好的料注意防晒避风,以免水分蒸发过快。
一次配制量应在可操作时间用完。
5)粘贴翻包网格布、粘结挤塑聚苯板:A.凡在粘贴的挤塑聚苯板侧边外露处(如伸缩缝、建筑沉降缝、温度缝等缝线两侧、门窗洞口处),都应做网格布翻包处理。
B.外保温用挤塑聚苯板标准尺寸为600mm×900mm、600mm×1200mm两种,外墙尺寸局部不规则,保温板可依据实际尺寸裁切,但切口必须与板面垂直。
整块墙面的边角处、门窗洞口处,保温板最小尺寸不小于300mm。
C.挤塑板粘贴法a.点框粘结法:适用于平整度在 1.0cm/2.0m 围的墙体表面,一般采用高密度点粘法,粘贴在聚苯板粘结面均匀分布8个粘接点,四抹一圈砂浆,不抹死四边预留排气个一个,砂浆抹好可进行粘贴。
不得在保温板侧面涂抹胶粘剂。
详细节点见下图b.粘结面积:面砖饰面的不小于60%,涂料饰面的不小于40%,D.保温板粘贴排列法a.粘贴时按照从下至上顺序排列,从首层正负零线部位水平线开始,按水平顺序,上下错缝粘贴,错开长度约为整板长度的二分之一,阴阳角部位保温板要错缝粘贴。