电动车控制器接线图
- 格式:docx
- 大小:748.01 KB
- 文档页数:8
无刷电动车控制器接线说明1.电源输入粗红色线为电源正端黑色线为电源负端细橙色线为电门锁2.电机相位(u、v、w输出)粗黄色线为U 粗绿色线为V 粗蓝色线为W3.转把信号输入细红色线为+5V电源细绿色为手柄信号输入细黑色线为接地线4.电机霍耳(A、B、C输入)细红色线为+5V电源细黑色线为接地线细黄色线为A 细绿色线为B 细蓝色线为C5.刹车(柔性EABS+机械刹)细黄色线为柔性EABS;细蓝色线为机械刹(高电平刹车:+12V)细黑色线为接地线(低电平刹车)6.传感器细红色线为+5V电源细黑色线为接地线细绿色线为传感器信号输入7.仪表(转速):细紫色线8.巡航:细棕色线9.限速:细灰色线10.自动识别开关线:细黄色线PIC16F72智能型无刷电动车控制器使用方法和注意事项1、在接线前先切断电源,按接线图所示连接各根导线;2、该控制器应安装在通风、防水、防震部位。
3、控制器限速控制插头应放置容易操作的地方。
4、控制器接插件应接插到位,禁止将控制器电源正负极反接(即严禁粗红、细橙和粗黑;细红和细黑接反)。
5、电机模式自动识别:正确接好电动车控制器的电源、转把、刹把等线束,,将电机识别模式开关线(细黄)短接,打开电门锁,使电机进入自动识别状态,若电机反转则按一下刹车即可使电机正向转动,在控制器识别电机模式10秒后将电机识别模式开关线(细黄)直接断开即可完成电机模式自动识别。
6、1+1助力方向调整:在通电状态,将调速电阻从最大值调到最小值,再回到原始状态后,可将1+1助力的方向从正向模式切换到反向模式,再调整一次可从反向模式切换到正向模式,并将最终的模式存入单片机。
控制器线:红粗是正极,黑粗是负极,红细是转把5V正极,黑细是负极,绿色是信号线,你看看你的转把线是不是没有接好,红细5V正极和绿色是信号线两个相碰看看电机转吗?如果转动就是转把线你的转把黑线断了。
电动车控制器怎么接线1,分清楚每根线的作用,给控制供电的电源线(一般三根线用一个朔料插销弄在一起,其中最粗的两根是给控制器供电的、红+级、黑的-级,还一根细的红色的是电源锁线)2,转把(控制速度的),一般是三根细线、红、蓝、黑。
电动车控制器接线图说明大全下图所示为高标科技动控制器接线图:一、高标科技电动车控制器接线说明:1.电源输入:粗红色线为电源正端,黑色线为电源负端,细橙色线为电门锁。
2.电机相位(u、v、w输出):粗黄色线为U,粗绿色线为V ,粗蓝色线为W。
3.转把信号输入:细红色线为+5V电源,细绿色为手柄信号输入,细黑色线为接地线。
4.电机霍耳(A、B、C输入):细红色线为+5V电源,细黑色线为接地线。
细黄色线为A,细绿色线为B,细蓝色线为C。
5.刹车(柔性EABS+机械刹):细黄色线为柔性EABS,细蓝色线为机械刹(高电平刹车:+12V),细黑色线为接地线(低电平刹车)。
6.传感器: 细红色线为+5V电源,细黑色线为接地线, 细绿色线为传感器信号输入。
7.仪表(转速):细紫色线8.巡航:细棕色线9.限速:细灰色线10.自动识别开关线:细黄色线高标科技电动车控制器如何接线:1.分清楚每根线的作用,给控制供电的电源线(一般三根线用一个朔料插销弄在一起,其中最粗的两根是给控制器供电的、红+级、黑的-级,还一根细的红色的是电源锁线)2.转把(控制速度的),一般是三根细线、红、蓝、黑。
也是用朔料插销弄在一起的。
3.仪表线、速度线、刹车断电线。
一般仪表线和刹车断电线也是在一起的。
4.还有两个线,它们可以互相连接在一起的,那可以调节角度。
(60度和120度)5.三跟主相线,5跟细的(和电机里面霍尔连接的)高标科技电动车控制器接线时须知:1.注意好正负极。
2.需要调试不可能一次成功的,但也切记不要随便乱接。
3.需要根据经验找到,先排除其他的线的作用。
一般最后调试不出来,就可以考虑是电机和控制器角度问题了。
5.电动车控制器和电机有严格的匹配关系,需要慢慢调试。
6. 电动车控制器和电机就算型号一样(假如都是48V300W)也是有可能装上去没有作用的,主要原因可能是电机霍尔不匹配。
电动车智能无刷控制器接线图下图所示为高标科技动控制器接线图:一、高标科技电动车控制器接线说明:1.电源输入:2.粗红色线为电源正端,黑色线为电源负端,细橙色线为电门锁。
3.2.电机相位(u、v、w输出):4.粗黄色线为U,粗绿色线为V ,粗蓝色线为W。
5.3.转把信号输入:6.细红色线为+5V电源,细绿色为手柄信号输入,细黑色线为接地线。
7.4.电机霍耳(A、B、C输入):8.细红色线为+5V电源,细黑色线为接地线。
细黄色线为 A,细绿色线为 B,细蓝色线为 C。
9.5.刹车(柔性EABS+机械刹):10.细黄色线为柔性EABS,细蓝色线为机械刹(高电平刹车:+12V),细黑色线为接地线(低电平刹车)。
11.6.传感器 : 细红色线为+5V电源,细黑色线为接地线, 细绿色线为传感器信号输入。
12.7.仪表(转速):细紫色线13.8.巡航:细棕色线14.9.限速:细灰色线15.10.自动识别开关线:细黄色线二、高标科技电动车控制器如何接线:分清楚每根线的作用,给控制供电的电源线(一般三根线用一个朔料插销弄在一起,其中最粗的两根是给控制器供电的、红+级、黑的-级,还一根细的红色的是电源锁线)2.转把(控制速度的),一般是三根细线、红、蓝、黑。
也是用朔料插销弄在一起的。
3.仪表线、速度线、刹车断电线。
一般仪表线和刹车断电线也是在一起的。
4.还有两个线,它们可以互相连接在一起的,那可以调节角度。
(60度和120度)一、高标科技电动车控制器接线说明:16.电源输入:17.粗红色线为电源正端,黑色线为电源负端,细橙色线为电门锁。
18.2.电机相位(u、v、w输出):19.粗黄色线为U,粗绿色线为V ,粗蓝色线为W。
20.3.转把信号输入:21.细红色线为+5V电源,细绿色为手柄信号输入,细黑色线为接地线。
22.4.电机霍耳(A、B、C输入):23.细红色线为+5V电源,细黑色线为接地线。
细黄色线为 A,细绿色线为 B,细蓝色线为 C。
无刷电动车控制器接线说明1.电源输入粗红色线为电源正端黑色线为电源负端细橙色线为电门锁2.电机相位(u、v、w输出)粗黄色线为U 粗绿色线为V 粗蓝色线为W3.转把信号输入细红色线为+5V电源细绿色为手柄信号输入细黑色线为接地线4.电机霍耳(A、B、C输入)细红色线为+5V电源细黑色线为接地线细黄色线为 A 细绿色线为B 细蓝色线为 C5.刹车(柔性EABS+机械刹)细黄色线为柔性EABS;细蓝色线为机械刹(高电平刹车:+12V)细黑色线为接地线(低电平刹车)6.传感器细红色线为+5V电源细黑色线为接地线细绿色线为传感器信号输入7.仪表(转速):细紫色线8.巡航:细棕色线9.限速:细灰色线10.自动识别开关线:细黄色线PIC16F72智能型无刷电动车控制器使用方法和注意事项1、在接线前先切断电源,按接线图所示连接各根导线;2、该控制器应安装在通风、防水、防震部位。
3、控制器限速控制插头应放置容易操作的地方。
4、控制器接插件应接插到位,禁止将控制器电源正负极反接(即严禁粗红、细橙和粗黑;细红和细黑接反)。
5、电机模式自动识别:正确接好电动车控制器的电源、转把、刹把等线束,,将电机识别模式开关线(细黄)短接,打开电门锁,使电机进入自动识别状态,若电机反转则按一下刹车即可使电机正向转动,在控制器识别电机模式10秒后将电机识别模式开关线(细黄)直接断开即可完成电机模式自动识别。
6、1+1助力方向调整:在通电状态,将调速电阻从最大值调到最小值,再回到原始状态后,可将1+1助力的方向从正向模式切换到反向模式,再调整一次可从反向模式切换到正向模式,并将最终的模式存入单片机。
控制器线:红粗是正极,黑粗是负极,红细是转把5V正极,黑细是负极,绿色是信号线,你看看你的转把线是不是没有接好,红细5V正极和绿色是信号线两个相碰看看电机转吗?如果转动就是转把线你的转把黑线断了。
电动车控制器怎么接线1,分清楚每根线的作用,给控制供电的电源线(一般三根线用一个朔料插销弄在一起,其中最粗的两根是给控制器供电的、红+级、黑的-级,还一根细的红色的是电源锁线)2,转把(控制速度的),一般是三根细线、红、蓝、黑。
电动车智能无刷控制器接线图下图所示为高标科技动控制器接线图:一、高标科技电动车控制器接线说明:1.电源输入:粗红色线为电源正端,黑色线为电源负端,细橙色线为电门锁。
2.电机相位(u、v、w输出):粗黄色线为U,粗绿色线为V ,粗蓝色线为W。
3.转把信号输入:细红色线为+5V电源,细绿色为手柄信号输入,细黑色线为接地线。
4.电机霍耳(A、B、C输入):细红色线为+5V电源,细黑色线为接地线。
细黄色线为A,细绿色线为B,细蓝色线为C。
5.刹车(柔性EABS+机械刹):细黄色线为柔性EABS,细蓝色线为机械刹(高电平刹车:+12V),细黑色线为接地线(低电平刹车)。
6.传感器: 细红色线为+5V电源,细黑色线为接地线, 细绿色线为传感器信号输入。
7.仪表(转速):细紫色线8.巡航:细棕色线9.限速:细灰色线10.自动识别开关线:细黄色线二、高标科技电动车控制器如何接线:分清楚每根线的作用,给控制供电的电源线(一般三根线用一个朔料插销弄在一起,其中最粗的两根是给控制器供电的、红+级、黑的-级,还一根细的红色的是电源锁线)2.转把(控制速度的),一般是三根细线、红、蓝、黑。
也是用朔料插销弄在一起的。
3.仪表线、速度线、刹车断电线。
一般仪表线和刹车断电线也是在一起的。
4.还有两个线,它们可以互相连接在一起的,那可以调节角度。
(60度和120度)5.三跟主相线,5跟细的(和电机里面霍尔连接的)一、高标科技电动车控制器接线说明:2.电源输入:粗红色线为电源正端,黑色线为电源负端,细橙色线为电门锁。
2.电机相位(u、v、w输出):粗黄色线为U,粗绿色线为V ,粗蓝色线为W。
3.转把信号输入:细红色线为+5V电源,细绿色为手柄信号输入,细黑色线为接地线。
4.电机霍耳(A、B、C输入):细红色线为+5V电源,细黑色线为接地线。
细黄色线为A,细绿色线为B,细蓝色线为C。
5.刹车(柔性EABS+机械刹):细黄色线为柔性EABS,细蓝色线为机械刹(高电平刹车:+12V),细黑色线为接地线(低电平刹车)。
电动车智能无刷控制器接线图下图所示为高标科技动控制器接线图:一、高标科技电动车控制器接线说明:1.电源输入:粗红色线为电源正端,黑色线为电源负端,细橙色线为电门锁。
2.电机相位(u、v、w输出):粗黄色线为U,粗绿色线为V ,粗蓝色线为W。
3.转把信号输入:细红色线为+5V电源,细绿色为手柄信号输入,细黑色线为接地线。
4.电机霍耳(A、B、C输入):细红色线为+5V电源,细黑色线为接地线。
细黄色线为A,细绿色线为B,细蓝色线为C。
5.刹车(柔性EABS+机械刹):细黄色线为柔性EABS,细蓝色线为机械刹(高电平刹车:+12V),细黑色线为接地线(低电平刹车)。
6.传感器: 细红色线为+5V电源,细黑色线为接地线, 细绿色线为传感器信号输入。
7.仪表(转速):细紫色线8.巡航:细棕色线9.限速:细灰色线10.自动识别开关线:细黄色线二、高标科技电动车控制器如何接线:分清楚每根线的作用,给控制供电的电源线(一般三根线用一个朔料插销弄在一起,其中最粗的两根是给控制器供电的、红+级、黑的-级,还一根细的红色的是电源锁线)2.转把(控制速度的),一般是三根细线、红、蓝、黑。
也是用朔料插销弄在一起的。
3.仪表线、速度线、刹车断电线。
一般仪表线和刹车断电线也是在一起的。
4.还有两个线,它们可以互相连接在一起的,那可以调节角度。
(60度和120度)5.三跟主相线,5跟细的(和电机里面霍尔连接的)一、高标科技电动车控制器接线说明:2.电源输入:粗红色线为电源正端,黑色线为电源负端,细橙色线为电门锁。
2.电机相位(u、v、w输出):粗黄色线为U,粗绿色线为V ,粗蓝色线为W。
3.转把信号输入:细红色线为+5V电源,细绿色为手柄信号输入,细黑色线为接地线。
4.电机霍耳(A、B、C输入):细红色线为+5V电源,细黑色线为接地线。
细黄色线为A,细绿色线为B,细蓝色线为C。
5.刹车(柔性EABS+机械刹):细黄色线为柔性EABS,细蓝色线为机械刹(高电平刹车:+12V),细黑色线为接地线(低电平刹车)。
电动车操纵器接线图说明大全以下图所示为高标科技动操纵器接线图:一、高标科技电动车操纵器接线说明:1.电源输入:2.粗红色线为电源正端,黑色线为电源负端,细橙色线为电门锁。
3.2.电机相位(u、v、w输出):4.粗黄色线为U,粗绿色线为V ,粗蓝色线为W。
5.3.转把信号输入:6.细红色线为+5V电源,细绿色为手柄信号输入,细黑色线为接地线。
7.4.电机霍耳(A、B、C输入):8.细红色线为+5V电源,细黑色线为接地线。
细黄色线为A,细绿色线为B,细蓝色线为C。
9.5.刹车(柔性EABS+机械刹):10.细黄色线为柔性EABS,细蓝色线为机械刹(高电平刹车:+12V),细黑色线为接地线(低电平刹车)。
11.6.传感器: 细红色线为+5V电源,细黑色线为接地线, 细绿色线为传感器信号输入。
12.7.仪表(转速):细紫色线13.8.巡航:细棕色线14.9.限速:细灰色线15.10.自动识别开关线:细黄色线高标科技电动车操纵器如何接线:1.分清楚每根线的作用,给操纵供电的电源线(一样三根线用一个朔料插销弄在一路,其中最粗的两根是给操纵器供电的、红+级、黑的-级,还一根细的红色的是电源锁线)2.2.转把(操纵速度的),一样是三根细线、红、蓝、黑。
也是用朔料插销弄在一路的。
3.3.仪表线、速度线、刹车断电线。
一样仪表线和刹车断电线也是在一路的。
4.4.还有两个线,它们能够相互连接在一路的,那能够调剂角度。
(60度和120度)5.5.三跟主相线,5跟细的(和电机里面霍尔连接的)6.7.8.高标科技电动车操纵器接线时须知:1.注意好正负极。
2.2.需要调试不可能一次成功的,但也切记不要随意乱接。
3.3.需要依照体会找到,先排除其他的线的作用。
一样最后调试不出来,就能够够考虑是电机和操纵器角度问题了。
4.5.电动车操纵器和电机有严格的匹配关系,需要慢慢调试。
5.6. 电动车操纵器和电机就算型号一样(假设都是48V300W)也是有可能装上去没有作用的,要紧缘故可能是电机霍尔不匹配。
智能无刷电动车控制器接线图
下图所示的是高标科技自主研发的电动车控制器接线图:
高标电动车控制器接线方式:
1. 电动车控制器电源输入:粗红色线为电源正端,黑色线为电源负
端,细橙色线为电门锁。
2. 电动车电机相位(u,v,w 输出):粗黄线为U,粗绿线为V,粗蓝色
为W。
3. 电动车控制器转把型号输入:细红色线为+5V电源,细绿色为手柄
信号输入,细黑色线为接地线。
4. 电动车电机霍尔(A,B,C输入):细红色线为+5V电源,细黑色线为
接地线,细黄色线为A,细绿色线为B,细蓝色线为C。
5. 电动车刹车(柔性EABS+机械刹):细黄色线为柔性EABS,细蓝色
线为机械刹,细黑色线为接地线。
6. 电动车传感器:细红色线为+5V电源,细黑色线为接地线,细绿色
线为传感器信号输入。
7. 电动车仪表(转速):细紫色线。
8. 电动车巡航:细棕色线。
9. 电动车限速:细灰色线。
10. 电动车自动识别开关线:细黄色线。
高标科技在电动车控制器行业领域始终占据领先地位,技术实力远
超行业标准,是众多知名电动车厂商的指定战略合作伙伴,高标科技的
合作电动车厂商有爱玛电动车、雅迪电动车、绿源电动车、欧派电动
车、金彭电动车、小刀电动车、立马电动车、绿驹电动车、绿佳电动
车、大阳电动车、凯骑电动车、台铃电动车、宝岛电动车、澳柯玛电动
车、富士达电动车、小鸟电动车、比德文电动车、安尔达电动车、新大
洲电动车、喜德盛电动车等。
智能无刷电动车控制器接线图电动车控制器维修
下图所示的是高标科技自主研发的电动车控制器接线图:
高标电动车控制器接线方式:
1.电动车控制器电源输入:粗红色线为电源正端,黑色线为电源负端,细橙
色线为电门锁。
2.电动车电机相位(u,v,w 输出):粗黄线为U,粗绿线为V,粗蓝色为W。
3.电动车控制器转把型号输入:细红色线为+5V电源,细绿色为手柄信号输入,细黑色线为接地线。
4.电动车电机霍尔(A,B,C输入):细红色线为+5V电源,细黑色线为接地线,细黄色线为A,细绿色线为B,细蓝色线为C。
5.电动车刹车(柔性EABS+机械刹):细黄色线为柔性EABS,细蓝色线为机械刹,细黑色线为接地线。
6. 电动车传感器:细红色线为+5V电源,细黑色线为接地线,细绿色线为传感器信号输入。
7.电动车仪表(转速):细紫色线。
8.电动车巡航:细棕色线。
9.电动车限速:细灰色线。
10.电动车自动识别开关线:细黄色线。
高标科技在电动车控制器行业领域始终占据领先地位,技术实力远超行业标准,是众多知名电动车厂商的指定战略合作伙伴,高标科技的合作电动车厂商有爱玛电动车、雅迪电动车、绿源电动车、欧派电动车、金彭电动车、小刀电动车、立马电动车、绿驹电动车、绿佳电动车、大阳电动车、凯骑电动车、台铃电动车、宝岛电动车、澳柯玛电动车、富士达电动车、小鸟电动车、比德文电动车、安尔达电动车、新大洲电动车、喜德盛电动车等。
红了么,网红http://hongle.me/c1m1mX5iUCa7。
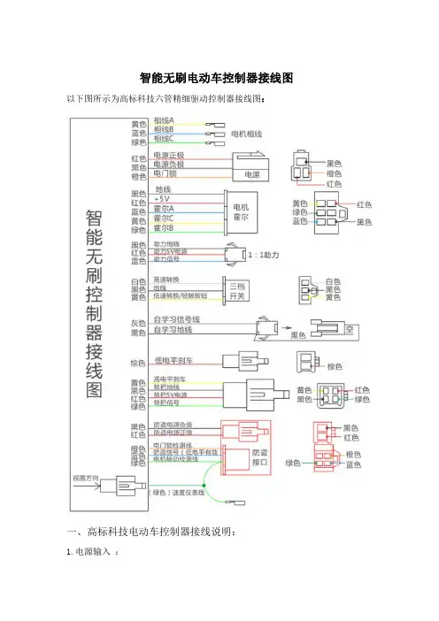
智能无刷电动车控制器接线图以下图所示为高标科技六管精细驱动控制器接线图:一、高标科技电动车控制器接线说明:1.电源输入:粗红色线为电源正端,黑色线为电源负端,细橙色线为电门锁。
2.电机相位〔u、v、w输出〕:粗黄色线为U,粗绿色线为V ,粗蓝色线为W。
3.转把信号输入:细红色线为+5V电源,细绿色为手柄信号输入,细黑色线为接地线。
4.电机霍耳〔A、B、C输入〕:细红色线为+5V电源,细黑色线为接地线。
细黄色线为 A,细绿色线为 B,细蓝色线为 C。
5.刹车〔柔性EABS+机械刹〕:细黄色线为柔性EABS,细蓝色线为机械刹〔高电平刹车:+12V〕,细黑色线为接地线〔低电平刹车〕。
6.传感器 : 细红色线为+5V电源,细黑色线为接地线, 细绿色线为传感器信号输入。
7.仪表〔转速〕:细紫色线8.巡航:细棕色线9.限速:细灰色线10.自动识别开关线:细黄色线二、高标科技电动车控制器如何接线:分清楚每根线的作用,给控制供电的电源线〔一般三根线用一个朔料插销弄在一起,其中最粗的两根是给控制器供电的、红+级、黑的-级,还一根细的红色的是电源锁线〕2.转把〔控制速度的〕,一般是三根细线、红、蓝、黑。
也是用朔料插销弄在一起的。
3.仪表线、速度线、刹车断电线。
一般仪表线和刹车断电线也是在一起的。
4.还有两个线,它们可以互相连接在一起的,那可以调节角度。
〔60度和120度〕5.三跟主相线,5跟细的〔和电机里面霍尔连接的〕一、高标科技电动车控制器接线说明:2.电源输入:粗红色线为电源正端,黑色线为电源负端,细橙色线为电门锁。
2.电机相位〔u、v、w输出〕:粗黄色线为U,粗绿色线为V ,粗蓝色线为W。
3.转把信号输入:细红色线为+5V电源,细绿色为手柄信号输入,细黑色线为接地线。
4.电机霍耳〔A、B、C输入〕:细红色线为+5V电源,细黑色线为接地线。
细黄色线为 A,细绿色线为 B,细蓝色线为 C。
5.刹车〔柔性EABS+机械刹〕:细黄色线为柔性EABS,细蓝色线为机械刹〔高电平刹车:+12V〕,细黑色线为接地线〔低电平刹车〕。
电动车智能无刷控制器接线图下图所示为高标科技动控制器接线图:一、高标科技电动车控制器接线说明:1.电源输入:粗红色线为电源正端,黑色线为电源负端,细橙色线为电门锁。
2.电机相位(u、v、w输出):粗黄色线为U,粗绿色线为V ,粗蓝色线为W。
3.转把信号输入:细红色线为+5V电源,细绿色为手柄信号输入,细黑色线为接地线。
4.电机霍耳(A、B、C输入):细红色线为+5V电源,细黑色线为接地线。
细黄色线为 A,细绿色线为 B,细蓝色线为 C。
5.刹车(柔性EABS+机械刹):细黄色线为柔性EABS,细蓝色线为机械刹(高电平刹车:+12V),细黑色线为接地线(低电平刹车)。
6.传感器 : 细红色线为+5V电源,细黑色线为接地线, 细绿色线为传感器信号输入。
7.仪表(转速):细紫色线8.巡航:细棕色线9.限速:细灰色线10.自动识别开关线:细黄色线二、高标科技电动车控制器如何接线:分清楚每根线的作用,给控制供电的电源线(一般三根线用一个朔料插销弄在一起,其中最粗的两根是给控制器供电的、红+级、黑的-级,还一根细的红色的是电源锁线)2.转把(控制速度的),一般是三根细线、红、蓝、黑。
也是用朔料插销弄在一起的。
3.仪表线、速度线、刹车断电线。
一般仪表线和刹车断电线也是在一起的。
4.还有两个线,它们可以互相连接在一起的,那可以调节角度。
(60度和120度)5.三跟主相线,5跟细的(和电机里面霍尔连接的)一、高标科技电动车控制器接线说明:2.电源输入:粗红色线为电源正端,黑色线为电源负端,细橙色线为电门锁。
2.电机相位(u、v、w输出):粗黄色线为U,粗绿色线为V ,粗蓝色线为W。
3.转把信号输入:细红色线为+5V电源,细绿色为手柄信号输入,细黑色线为接地线。
4.电机霍耳(A、B、C输入):细红色线为+5V电源,细黑色线为接地线。
细黄色线为 A,细绿色线为 B,细蓝色线为 C。
5.刹车(柔性EABS+机械刹):细黄色线为柔性EABS,细蓝色线为机械刹(高电平刹车:+12V),细黑色线为接地线(低电平刹车)。
史上最全的电动车控制器接线图、线路图和接线方法电动车控制器接线图控制器线路图控制器接线方法:第一步:明确电源正负极,和电门锁线。
把万用表打直流档上,再把万用表的负极黑线接在电池的负极上,然后用万用表的正极红线一个一个量,有电压的是正极稍微比电源电压高点、无电压的是负极。
第二步:连接电源线和电门锁线。
控制器电源线粗红色的是正极,粗黑色的是负极。
接好后打开钥匙,再量量电源电压和电门锁线的电压是不是正常,然后在分别量转把线的电源电压5V左右红黑线,霍尔线的电源电压5V左右红黑线别忘了万用表打到直流档上。
第三步:电压正常对接白色学习线。
若反转拔开在对接一次,电机正转后拔开学习线。
接转把线,一般按颜色接就可能了,若还不可以有可能转把坏掉了,那么拔掉转把线,直接连接控制器转把线的红线和绿线。
电机正常转,证明转把有问题,换个转把。
第四步:电车上各个线什么意思的确定方法。
顺着电机找到电机3根相位线5根霍尔线,拆下转把找到3根转把线,拆掉刹把可以找到2根刹车线。
拆开电瓶可以看到“+”电源正极“-”电源负极。
总的来说按大件找,按大件安装,最容易理解最准确。
第五步:测试霍尔好坏的方法。
整车上带电检测,先把各线路及接插件都接好,把万用表拔到直流电压20V档位,先确认控制器有5V电源输出,再用黑表笔接在霍尔的地线,红表笔分别接三根信号线,在量的同时,用手轻轻转动电机,霍尔正常时,万用表会0V--5V的脉冲电压的数据显示,如果测某只霍尔时没有脉冲电压,则这只霍尔就坏了,这种情况也可以用指针式万用表检测,指针在0V--5V之间摆动,霍尔是好的;如果指针不摆动,霍尔是坏的用这种方法是最为可靠的方法,前提是带电操作。
第六步:接仪表线和找出转把线。
拆开仪表会发现仪表有2根线,一根接在防盗接口上一根在控制器的仪表线上。
拆下转把会发现转把就3根线,对着颜色就可以找到了,或者用万用表测量。
第七步:接刹车断电线。
拆下刹把会发现刹把有2根线刹把就是一个常开开关,把这2根线直接接在控制器刹车断电上就可以了。
电动车智能无刷控制器接线图之欧侯瑞魂创作下图所示为高标科技动控制器接线图:一、高标科技电动车控制器接线说明:1.电源输入:粗红色线为电源正端,黑色线为电源负端,细橙色线为电门锁。
2.电机相位(u、v、w输出):粗黄色线为U,粗绿色线为V ,粗蓝色线为W。
3.转把信号输入:细红色线为+5V电源,细绿色为手柄信号输入,细黑色线为接地线。
4.电机霍耳(A、B、C输入):细红色线为+5V电源,细黑色线为接地线。
细黄色线为 A,细绿色线为B,细蓝色线为C。
5.刹车(柔性EABS+机械刹): 细黄色线为柔性EABS,细蓝色线为机械刹(高电平刹车:+12V),细黑色线为接地线(低电平刹车)。
6.传感器 : 细红色线为+5V电源,细黑色线为接地线, 细绿色线为传感器信号输入。
7.仪表(转速):细紫色线8.巡航:细棕色线9.限速:细灰色线10.自动识别开关线:细黄色线二、高标科技电动车控制器如何接线:分清楚每根线的作用,给控制供电的电源线(一般三根线用一个朔料插销弄在一起,其中最粗的两根是给控制器供电的、红+级、黑的级,还一根细的红色的是电源锁线)2.转把(控制速度的),一般是三根细线、红、蓝、黑。
也是用朔料插销弄在一起的。
3.仪表线、速度线、刹车断电线。
一般仪表线和刹车断电线也是在一起的。
4.还有两个线,它们可以互相连接在一起的,那可以调节角度。
(60度和120度)5.三跟主相线,5跟细的(和电机里面霍尔连接的)一、高标科技电动车控制器接线说明:2.电源输入:粗红色线为电源正端,黑色线为电源负端,细橙色线为电门锁。
2.电机相位(u、v、w输出):粗黄色线为U,粗绿色线为V ,粗蓝色线为W。
3.转把信号输入:细红色线为+5V电源,细绿色为手柄信号输入,细黑色线为接地线。
4.电机霍耳(A、B、C输入):细红色线为+5V电源,细黑色线为接地线。
细黄色线为 A,细绿色线为B,细蓝色线为C。
5.刹车(柔性EABS+机械刹): 细黄色线为柔性EABS,细蓝色线为机械刹(高电平刹车:+12V),细黑色线为接地线(低电平刹车)。
智能无刷电动车控制器接线图下图所示为高标科技六管精细驱动控制器接线图:一、高标科技电动车控制器接线说明:1.电源输出:粗红色线为电源正端,黑色线为电源负端,细橙色线为电门锁。
2.电机增益(u、v、w输入):粗黄色线为u,粗绿色线为v,粗蓝色线为w。
3.转回把信号输出:细红色线为+5v电源,细绿色为手柄信号输入,细黑色线为接地线。
4.电机霍耳(a、b、c输出):细红色线为+5v电源,细黑色线为接地线。
细黄色线为a,细绿色线为b,细蓝色线为c。
5.刹车(柔性eabs+机械刹):细黄色线为柔性eabs,细蓝色线为机械刹(高电平刹车:+12v),细黑色线为接地线(低电平刹车)。
6.传感器:粗红色线为+5v电源,粗黑色线为接地线,粗绿色线为传感器信号输出。
7.仪表(转速):细紫色线8.航行:粗棕色线9.限速:细灰色线10.自动识别控制器线:粗黄色线二、高标科技电动车控制器如何接线:分后确切每根线的促进作用,给掌控供电的电源线(通常三根线用一个朔料螺丝搬在一起,其中最细的两根就是给控制器供电的、红+级、白的-级,还一根粗的红色的就是电源锁线)2.转把(控制速度的),一般是三根细线、红、蓝、黑。
也是用朔料插销弄在一起的。
3.仪表线、速度线、刹车割断电线。
通常仪表线和刹车割断电线也就是在一起的。
4.还有两个线,它们可以互相连接在一起的,那可以调节角度。
(60度和120度)5.三跟主相线,5跟粗的(和电机里面霍尔相连接的)一、高标科技电动车控制器接线说明:2.电源输出:粗红色线为电源正端,黑色线为电源负端,细橙色线为电门锁。
2.电机增益(u、v、w输入):粗黄色线为u,粗绿色线为v,粗蓝色线为w。
3.转回把信号输出:细红色线为+5v电源,细绿色为手柄信号输入,细黑色线为接地线。
4.电机霍耳(a、b、c输出):细红色线为+5v电源,细黑色线为接地线。
细黄色线为a,细绿色线为b,细蓝色线为c。
5.刹车(柔性eabs+机械刹):细黄色线为柔性eabs,细蓝色线为机械刹(高电平刹车:+12v),细黑色线为接地线(低电平刹车)。
无刷电动车控制器接线方法(配图)本页仅作为文档封面,使用时可以删除This document is for reference only-rar21year.March无刷电动车控制器接线方法(配图)——程国锦2345无刷电动车控制器接线说明 1.电源输入粗红色线为电源正端黑色线为电源负端细橙色线为电门锁2.电机相位(u、v、w输出)粗黄色线为U 粗绿色线为V 粗蓝色线为W 3.转把信号输入细红色线为+5V电源细绿色为手柄信号输入细黑色线为接地线 4.电机霍耳(A、B、C输入)细红色线为+5V电源细黑色线为接地线细黄色线为 A 细绿色线为 B 细蓝色线为 C 5.刹车(柔性EABS+机械刹)细黄色线为柔性EABS;细蓝色线为机械刹(高电平刹车:+12V)细黑色线为接地线(低电平刹车) 6.传感器细红色线为+5V电源细黑色线为接地线细绿色线为传感器信号输入 7.仪表(转速):细紫色线 8.巡航:细棕色线9.限速:细灰色线10.自动识别开关线:细黄色线PIC16F72智能型无刷电动车控制器使用方法和注意事项 1、在接线前先切断电源,按接线图所示连接各根导线; 2、该控制器应安装在通风、防水、防震部位。
3、控制器限速控制插头应放置容易操作的地方。
4、控制器接插件应接插到位,禁止将控制器电源正负极反接(即严禁粗红、细橙和粗黑;细红和细黑接反)。
65、电机模式自动识别:正确接好电动车控制器的电源、转把、刹把等线束,,将电机识别模式开关线(细黄)短接,打开电门锁,使电机进入自动识别状态,若电机反转则按一下刹车即可使电机正向转动,在控制器识别电机模式10秒后将电机识别模式开关线(细黄)直接断开即可完成电机模式自动识别。
6、1+1助力方向调整:在通电状态,将调速电阻从最大值调到最小值,再回到原始状态后,可将1+1助力的方向从正向模式切换到反向模式,再调整一次可从反向模式切换到正向模式,并将最终的模式存入单片机。
电动车智能无刷控制器接线图下图所示为高标科技动控制器接线图:一、高标科技电动车控制器接线说明:1.电源输入:粗红色线为电源正端,黑色线为电源负端,细橙色线为电门锁。
2.电机相位(u、v、w输出):粗黄色线为U,粗绿色线为V ,粗蓝色线为W。
3.转把信号输入:细红色线为+5V电源,细绿色为手柄信号输入,细黑色线为接地线。
4.电机霍耳(A、B、C输入):细红色线为+5V电源,细黑色线为接地线。
细黄色线为A,细绿色线为B,细蓝色线为C。
5.刹车(柔性EABS+机械刹):细黄色线为柔性EABS,细蓝色线为机械刹(高电平刹车:+12V),细黑色线为接地线(低电平刹车)。
6.传感器: 细红色线为+5V电源,细黑色线为接地线, 细绿色线为传感器信号输入。
7.仪表(转速):细紫色线8.巡航:细棕色线9.限速:细灰色线10.自动识别开关线:细黄色线二、高标科技电动车控制器如何接线:分清楚每根线的作用,给控制供电的电源线(一般三根线用一个朔料插销弄在一起,其中最粗的两根是给控制器供电的、红+级、黑的-级,还一根细的红色的是电源锁线)2.转把(控制速度的),一般是三根细线、红、蓝、黑。
也是用朔料插销弄在一起的。
3.仪表线、速度线、刹车断电线。
一般仪表线和刹车断电线也是在一起的。
4.还有两个线,它们可以互相连接在一起的,那可以调节角度。
(60度和120度)5.三跟主相线,5跟细的(和电机里面霍尔连接的)一、高标科技电动车控制器接线说明:2.电源输入:粗红色线为电源正端,黑色线为电源负端,细橙色线为电门锁。
2.电机相位(u、v、w输出):粗黄色线为U,粗绿色线为V ,粗蓝色线为W。
3.转把信号输入:细红色线为+5V电源,细绿色为手柄信号输入,细黑色线为接地线。
4.电机霍耳(A、B、C输入):细红色线为+5V电源,细黑色线为接地线。
细黄色线为A,细绿色线为B,细蓝色线为C。
5.刹车(柔性EABS+机械刹):细黄色线为柔性EABS,细蓝色线为机械刹(高电平刹车:+12V),细黑色线为接地线(低电平刹车)。
电动车智能无刷控制器接线图下图所示为高标科技动控制器接线图:一、高标科技电动车控制器接线说明:1. 电源输入:粗红色线为电源正端,黑色线为电源负端,细橙色线为电门锁。
2. 电机相位(u、v、w 输出):粗黄色线为U,粗绿色线为V ,粗蓝色线为W。
3.转把信号输入:细红色线为+5V 电源,细绿色为手柄信号输入,细黑色线为接地线。
4. 电机霍耳(A、B、C 输入):细红色线为+5V 电源,细黑色线为接地线。
细黄色线为A,细绿色线为B,细蓝色线为C。
5. 刹车(柔性EABS+ 机械刹):细黄色线为柔性EABS ,细蓝色线为机械刹(高电平刹车:+12V ),细黑色线为接地线(低电平刹车)。
6. 传感器: 细红色线为+5V 电源,细黑色线为接地线, 细绿色线为传感器信号输入。
7. 仪表(转速):细紫色线8. 巡航:细棕色线9. 限速:细灰色线10. 自动识别开关线:细黄色线二、高标科技电动车控制器如何接线:分清楚每根线的作用,给控制供电的电源线(一般三根线用一个朔料插销弄在一起,其中最粗的两根是给控制器供电的、红+级、黑的-级,还一根细的红色的是电源锁线)2. 转把(控制速度的),一般是三根细线、红、蓝、黑。
也是用朔料插销弄在一起的。
3. 仪表线、速度线、刹车断电线。
一般仪表线和刹车断电线也是在一起的。
4. 还有两个线,它们可以互相连接在一起的,那可以调节角度。
(60 度和120 度)5. 三跟主相线,5 跟细的(和电机里面霍尔连接的)一、高标科技电动车控制器接线说明:2.电源输入:粗红色线为电源正端,黑色线为电源负端,细橙色线为电门锁。
2.电机相位(u、v、w 输出):粗黄色线为U,粗绿色线为V ,粗蓝色线为W。
3.转把信号输入:细红色线为+5V 电源,细绿色为手柄信号输入,细黑色线为接地线。
4. 电机霍耳(A、B、C 输入):细红色线为+5V 电源,细黑色线为接地线。
细黄色线为A,细绿色线为B,细蓝色线为C。
无刷电动车控制器接线说明
1.电源输入
粗红色线为电源正端黑色线为电源负端细橙色线为电门锁2.电机相位(u、v、w输出)
粗黄色线为U 粗绿色线为
V 粗蓝色线为W
3.转把信号输入
细红色线为+5V电源细绿色为手柄信号输入细黑色线为接地线4.电机霍耳(A、B、C输入)
细红色线为+5V电源细黑色线为接地线
细黄色线为 A 细绿色线为
B 细蓝色线为 C
5.刹车(柔性EABS+机械刹)细黄色线为柔性EABS;细蓝色线为机械刹(高电平刹车:+12V)细黑色线为接地线(低电平刹车)
6.传感器
细红色线为+5V电源细黑色线为接地线细绿色线为传感器信号输入
7.仪表(转速):细紫色线
8.巡航:细棕色线
9.限速:细灰色线
10.自动识别开关线:细黄色线
PIC16F72智能型无刷电动车控制
器使用方法和注意事项
1、在接线前先切断电源,按接线
图所示连接各根导线;
2、该控制器应安装在通风、防
水、防震部位。
3、控制器限速控制插头应放置容
易操作的地方。
4、控制器接插件应接插到位,禁
止将控制器电源正负极反接(即严
禁粗红、细橙和粗黑;细红和细黑
接反)。
5、电机模式自动识别:正确接好
电动车控制器的电源、转把、刹把
等线束,,将电机识别模式开关线
(细黄)短接,打开电门锁,使电
机进入自动识别状态,若电机反转
则按一下刹车即可使电机正向转
动,在控制器识别电机模式10秒
后将电机识别模式开关线(细黄)
直接断开即可完成电机模式自动识
别。
6、1+1助力方向调整:在通电状
态,将调速电阻从最大值调到最小
值,再回到原始状态后,可将1+1
助力的方向从正向模式切换到反向
模式,再调整一次可从反向模式切
换到正向模式,并将最终的模式存
入单片机。
控制器线:红粗是正极,黑粗是负
极,红细是转把5V正极,黑细是
负极,绿色是信号线,你看看你的
转把线是不是没有接好,红细5V
正极和绿色是信号线两个相碰看看
电机转吗?如果转动就是转把线你
的转把黑线断了。
电动车控制器怎么接线
1,分清楚每根线的作用,给控制供电的电源线(一般三根线用一个朔料插销弄在一起,其中最粗的两根是给控制器供电的、红+级、黑的-级,还一根细的红色的是电源锁线)2,转把(控制速度的),一般是三根细线、红、蓝、黑。
也是用朔料插销弄在一起的。
3,仪表线、速度线、刹车断电线。
一般仪表线和刹车断电线也是在一起的,
4,还有两个线,它们可以互
相连接在一起的,那可以调节
角度。
(60度和120度)
5,三跟主相线,5跟细的
(和电机里面霍尔连接的)
再具体说下连接办法!
第一个,注意好正负极就可以
了!
第二个,需要调试不可能一次
成功的。
(随便乱接)
第三个,需要根据经验找到,
先排除其他的线的作用,!
第四个,一般最后调试不出
来,就可以考虑是电机和控制
器角度问题了!
第五个,控制器和电机有严格
的匹配关系,需要慢慢调试。
哎,没有修过电动车肯定是接
不出来的,无刷的有点难度!
相信有刷的你可以搞定!还有
的就是控制器和电机就算型号
一样(假如都是48V300W)
也是有可能装上去没有作用
的!主要是电机霍尔不匹配!建议你装个无霍尔控制器!
注意正负极千万别接错!其他都可以接错
利捷电动车控制器,接线?
浏览次数:221次悬赏分:0|解决时间:2011-7-6 17:01 |提问者:kingdommall
三合一控制器:助力、三(1/2/3)档显示、报警
批号:LSCX100515179
电压:48V 限流:17+1A 转
把:1.1~4.2V
欠压:42+-1V 刹车:低电平相位角:60度
控制器上共十类插头,29条线:(一)、3线,6.3mm子弹壳
1、粗红
2、粗黑
3、细红
(二)、3根6.3mm圆形插头
4、粗黄
5、粗蓝
6、粗绿
(三)、5线,子弹头
7、细红
8、细黑
9、细黄
10、细绿
11、细蓝
(四)、3线,子弹壳
12、细黑
13、细绿
14、细红(五)、15、绿白单独细线,
6.3mm子弹头
(六)、2线,子弹头
16、橙
17、黑
(七)、3线,针式黑色插头
18、黑
19、绿
20、红
(八)、21、绿,圆形插孔
(九)、3线,子弹壳
22、紫
23、棕
24、灰
(十)、5线,预留红色子弹头
25、红(电门前)
26、黑(负极)
27、黄(0~27V)
28、蓝(电门后)
29、棕(1.1~4.8V)
一、电源线:(固定,4mm子弹
壳)3根
1、粗红(电门前)
2、粗黑(-极)
3、细红(电门后)
二、电机相线:(固定,4mm圆
形插孔)3根
4、粗黄A
5、粗兰B
6、粗绿C
三、电机霍尔线:
(固定,子弹头)5根
7、细红(+5V)
8、细黑
9、细黄x
10、细蓝y
11、细绿z
四、转把线(固定,子弹壳)3根
13、细绿(1.1~4.8V)
14、细红(+5V)
五、(低电平)刹车:
15、绿白4mm单独子弹头(常态
48V/刹车0V)
六、手动换档,(子弹头)2根:
16、橙
17、黑
七、助力(针式插头)
18、黑
19、绿
20、红
八、仪表速度:
21、绿(圆形插头,0~27V)
九、仪表1/2/3档显示:
22、紫(1档显示)
23、棕(2档显示)
24、灰(3档显示)
十、预留报警(25、26、27)、28
仪表速度、29转把信号。
(红色
子弹头)5线
25、红(电门前)
26、黑(负极)
27、蓝(电门后)
28、黄(0~27V仪表速度)
29、棕(1.1~4.8V转把)。