电动车控制器怎么判断好坏电动车控制器接线图介绍
- 格式:doc
- 大小:1.51 MB
- 文档页数:9
电动车维修必藏:控制器接线图、线路图和接线方法大全!电动车控制器是用来控制电动车电机的启动、运行、进退、速度、停止以及电动车的其它电子器件的核心控制器件,它就象是电动车的大脑,是电动车上重要的部件。
电动车就目前来看主要包括电动自行车、电摩、电动三轮车、电动三轮摩托车、电动四轮车等,控制器也因为不同的车型而有不同的性能和特点。
在相同的功率下, 管数越多, 性能越强劲, 发热量越低,但是如果单管的功率大的话所组合起来的9管控制器比单管的功率小的12管的好,这要看单个电子管的品质了。
下面是电动车控制器接线图和线路图,以及接线方法:电动车控制器接线图控制器线路图控制器接线方法:第一步:明确电源正负极,和电门锁线。
把万用表打直流档上,再把万用表的负极黑线接在电池的负极上,然后用万用表的正极红线一个一个量,有电压的是正极稍微比电源电压高点、无电压的是负极。
第二步:连接电源线和电门锁线。
控制器电源线粗红色的是正极,粗黑色的是负极。
接好后打开钥匙,再量量电源电压和电门锁线的电压是不是正常,然后在分别量转把线的电源电压5V左右红黑线,霍尔线的电源电压5V左右红黑线别忘了万用表打到直流档上。
第三步:电压正常对接白色学习线。
若反转拔开在对接一次,电机正转后拔开学习线。
接转把线,一般按颜色接就可能了,若还不可以有可能转把坏掉了,那么拔掉转把线,直接连接控制器转把线的红线和绿线。
电机正常转,证明转把有问题,换个转把。
第四步:电车上各个线什么意思的确定方法。
顺着电机找到电机3根相位线5根霍尔线,拆下转把找到3根转把线,拆掉刹把可以找到2根刹车线。
拆开电瓶可以看到“+”电源正极“-”电源负极。
总的来说按大件找,按大件安装,最容易理解最准确。
第五步:测试霍尔好坏的方法。
整车上带电检测,先把各线路及接插件都接好,把万用表拔到直流电压20V档位,先确认控制器有5V电源输出,再用黑表笔接在霍尔的地线,红表笔分别接三根信号线,在量的同时,用手轻轻转动电机,霍尔正常时,万用表会0V--5V的脉冲电压的数据显示,如果测某只霍尔时没有脉冲电压,则这只霍尔就坏了,这种情况也可以用指针式万用表检测,指针在0V--5V之间摆动,霍尔是好的;如果指针不摆动,霍尔是坏的用这种方法是最为可靠的方法,前提是带电操作。
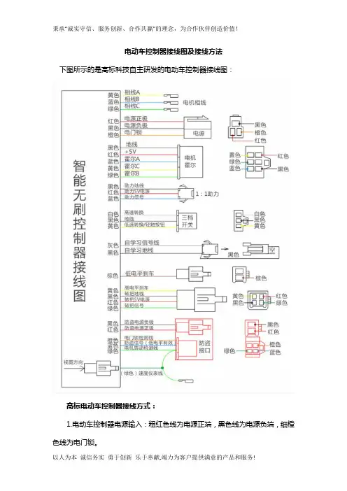
电动车控制器接线图及接线方法下图所示的是高标科技自主研发的电动车控制器接线图:高标电动车控制器接线方式:1.电动车控制器电源输入:粗红色线为电源正端,黑色线为电源负端,细橙色线为电门锁。
2.电动车电机相位(u,v,w 输出):粗黄线为U,粗绿线为V,粗蓝色为W。
3.电动车控制器转把型号输入:细红色线为+5V电源,细绿色为手柄信号输入,细黑色线为接地线。
4.电动车电机霍尔(A,B,C输入):细红色线为+5V电源,细黑色线为接地线,细黄色线为A,细绿色线为B,细蓝色线为C。
5.电动车刹车(柔性EABS+机械刹):细黄色线为柔性EABS,细蓝色线为机械刹,细黑色线为接地线。
6. 电动车传感器:细红色线为+5V电源,细黑色线为接地线,细绿色线为传感器信号输入。
7.电动车仪表(转速):细紫色线。
8.电动车巡航:细棕色线。
9.电动车限速:细灰色线。
10.电动车自动识别开关线:细黄色线。
高标智能型无刷电动车控制器使用方法和注意事项:1、在接线前先切断电源,按接线图所示连接各根导线;2、高标控制器虽然防水、抗震,但控制器做好还是安装在通风、防水、防震部位。
3、控制器限速控制插头应放置容易操作的地方。
4、控制器接插件应接插到位,禁止将控制器电源正负极反接(即严禁粗红、细橙和粗黑;细红和细黑接反)。
5、电机模式自动识别:正确接好电动车控制器的电源、转把、刹把等线束,,将电机识别模式开关线(细灰)短接,打开电门锁,使电机进入自动识别状态,若电机反转则按一下刹车即可使电机正向转动,在控制器识别电机模式10秒后将电机识别模式开关线(细灰)直接断开即可完成电机模式自动识别。
6、1+1助力方向调整:在通电状态,将调速电阻从最大值调到最小值,再回到原始状态后,可将1+1助力的方向从正向模式切换到反向模式,再调整一次可从反向模式切换到正向模式,并将最终的模式存入单片机。
•第一节入门线路故障所需工具:螺丝刀,斜口钳、电工胶布、全新原装转把一、打开电门锁整车无电(无法启动,灯光仪表均无指示)(1)短接空气开关(2)检查并确认所有电池连接线无松动,剥开控制器正负电源线分别剪出一至两根细铜线做打火试验,供电正常时会立即打火熔断(3)短接电门锁进出线,实际上就是控制器主电源正极与软启动线.补充知识:出线(软启动线)是与整车DC转换器正极并联的,即电门锁接通控制器工作,同时整车灯光得电。
至此,整车无电应该解决。
二、行驶正常但无灯光(1)检查DC转换器正负极,12伏输出端是否可靠连接(2)从整车第一节电池引出正负12V到DC转换器负极与12伏输出端(3)检查开关总成是否可靠接触补充知识:第一节电池判断方法,与控制器负极、充电插座负极直连的电池负极即为第一节电池至此,灯光部分解决.三、打开夜行灯电机停转(1)拔掉或剪断左右刹把刹车断电线(2)取掉尾灯炮(3)剪断控制器端断电信号线(一般为黄绿双色,如不能判断此步骤省略,暂时不开大灯吧)四、行驶途中时停时走(自动断电)(1)确认是否因为行驶时间过长或整车过载导致控制器高温自我保护(2)按整车无电检修方法排除电源线路虚接现象(3)按打开夜行灯电机停转方法排除刹车断电线路隐患.(4)确认转把连接线无虚接,更换新转把试验补充知识:新手不知道如何识别转把正负极、信号线,所以换新转把时一定要注意按原车转把线颜色对接.(新转把要与原车转把同型号)第二节整车关键点测试数据所需工具:普通数字万用表一、数字万用表基本使用方法现在市场上数字万用表型号很多,功能不一,我们需要的只是最普通的,能够测量通断、阻值、直流电压等数据.(1)首先将万用表测试表笔黑笔插入公共端COM端口,红笔接入V欧姆端口(2)将档位旋钮转动到二极管档位(通常我们说的通断档),短接两支表笔,显示屏应逐渐归零,同时蜂鸣器有接通提示音,基本确定万用表状态良好(3)常用档位判断:DCV即直流电压,ACV即交流电压(电动车维修不用的),欧姆符号即电阻档(通常我们习惯用二极管档)(4)确定显示屏无欠压指示(通常显示电池符号为欠压,此时测量数据将不精确),确定没有按下锁定键(5)根据测量需要选择对应档位,开始测量二、电动车关键点电压测试方法及参考数据(1)整车电源电压:选择直流电压档,红黑表笔分别接充电插座或者直接找到整车电池组正负极,根据电池满/欠压状态显示数据一般为48V正负5V(48V电动车),若表笔接反,则显示数据前有“—"号提示(2)转把电压:黑笔接充电插座负极,红笔分别测试转把三根细线,显示4—5V数据的为转把正极。
电动车控制器常见的故障判断与维修消费者虽然购买了电动车,但对电动车保养、检测、维修的了解的很少,控制器作为电动车的“CPU”—控制器,控制器的质量与性能的好坏,直接决定着电动车的质量与性能。
今天为消费者讲解电动车的“CPU”—控制器常见的故障判断与检测维修,以高标控制器为案例。
●控制器常见故障的判断(整车维修)1、控制器能否正常接入系统给控制器供电的电池是否正常(用万用表检测)2、控制器是否功率管损坏(用万用表检测)3、控制器向其它部件的供电电源是否正常(用万用表检测)4、调速把手/刹把是否工作正常(用万用表检测)5、电机霍尔信号是否正常(60/120度的判断方法)(用万用表检测)6、1+1助力传感器是否工作正常(用万用表检测)●控制器常见故障与维修一、当电动车有刷控制器没有输出时1、用万用表设置在+20发(DC)档位,先测量闸把输出信号的高、低电位。
2、如果在捏闸把时,闸把信号有超过4V的电位变化,则可以排除闸把故障。
3、然后按照有刷控制器常用世道上上脚功能表,与测量出的主控内逻辑芯片的电压值进行电路分析,并检查各芯片外围器件(电阻、电容、二极管)的数值是否和元件表面的标识相一致。
4、最后检查外围器件或是集成电路出现故障,我们可以通过更换同型号的器件来排除故障。
二、当电动车无刷控制器完全没有输出时1、参照无刷电动车控制器主相位检查测量图,用万用表直流电压+50V,检测6路MOS管栅极电压是否与转把的转动角度呈相对应关系。
2、如果没有对应,表示控制器里面的PWM电路或MOS管驱动电路有故障。
3、参照无刷控制器主相位检查图,测量芯片的输入与输出引脚的电压是否与转把转动的角度有关系,可以判断出哪些芯片有故障,是否需要更换同型号芯片来解决。
三、当电动车有刷控制器控制部件的电源不正常时1、电动车控制器内部电源一般采用三端稳压集成电路,一般采用7085、7086、7812、7815 三端稳压集成电路,他们的输出电压分别是5V/6V/12V/15V。
控制器接线图及好坏的测量方法
从高标的商城上搞了一份他们的控制器的接线图,所有均标的详详细细,明明白白。
只要懂点技术的人均能自主安装。
有傻瓜教程真好。
控制器好坏的测量方法。
一、断电检测(用二极管档)
1、检测控制器电源输入正负极早否短路
2、检测控制器绕组线参数:
A、用黑表笔接电源正极,用红表笔分别接触黄、绿、兰三根绕阻线,参数
在400-700之间
B、重复2的步骤
3、霍尔信号线检测:用黑表笔接黑线,红表笔接红、黄、绿、兰四根线,应无短路故障
二、通电检测
1、检测控制器电源输入电压是否有36V(48V)以上电压
2、检测霍尔信号线是否有5-7V电压
3、检测转把电源是否有5V以上电源
4、转动转把,检测信号线上是否在0.8-4.2V之间变化。
电动车有问题,如何判断控制器是否正常?大家好,对于这个问题,还是要看电动车出现什么问题了,有时候电动车出问题了不一定就是控制器的问题,也有可能是线路以及转把电机等众多因素。
下面我就来分析一些如何判断控制器好坏的方法。
①看:看控制器线路是否有烧焦。
一般线路烧焦多为主线路连接不够紧固,或控制器瓦数太小,严重超载。
②听:把控制器拿起来摇,听控制器里面是否有电子元件脱落的声音。
③摸:用手感觉控制器壳的温度,是否很烫很烫,特别烫的话也说明控制器烧了。
④转:打起大脚架,用手转动轮子若感觉轮子转动一顿一顿的,很紧的话,就很有可能是控制器坏了,可以把控制器黄绿蓝相线与电机相线分开,在转动轮子,如果转动灵活了说明就是控制器的功率管烧了,也就是控制器坏了。
⑤测:电动车钥匙打开,用万用表电压档20v,检测控制器转把红色线电压和控制器霍尔红色线电压都应该在5v左右,过高过低都说明控制器有问题。
大家还有什么方法可以判断控制器好坏吗?以上回答希望能帮助到你,以及更多的人,还望兄弟们多多点赞评论转发收藏支持小赵,感谢大家的阅读。
【专注电动车维修问答,关注了解更多】10评论低调人生135 汽车领域创作者04-20 15:45 1赞踩电动车现在已经是普通老百姓重要的交通工具了,买菜,接孩子,具有快捷,方便,低费用等特点,但电动车出现故障了,怎么能快速判断是不是电动车控制器的故障呢?电动车的控制器就像人体的大脑,操控着电机和转吧的信号,来控制电机的转速高低。
电动车的控制器厂家不同,标注的瓦数也不尽相同,大致的也就是分四百瓦,八百瓦,一千瓦的控制器,控制器的瓦数越高,骑行速度越快。
那如果电瓶车在骑行中,突然发现车子给电也不走了,而且灯光喇叭都正常的情况下,推行还非常费力,那就是电瓶车的控制器已经烧了。
在这种情况下,千万不能找个车给拽着走,那样极其容易烧毁电机,需要打开车体的坐桶,把连接控制器的三根相线拧下来,也就是控制盒里最粗的线,粗黄,粗蓝,粗绿,这样电瓶车的后轮就会变的非常轻巧。
用万用表判断电动车控
制器好坏
公司标准化编码 [QQX96QT-XQQB89Q8-NQQJ6Q8-MQM9N]
用万用表判断电动车控制器好坏
一、断电检测(用二极管档) 1、检测控制器电源输入正负极早否短路 2、检测控制器绕组线参数: A、用黑表笔接电源正极,用红表笔分别接触黄、绿、兰三根绕阻线,参数在400-700之间 B、重复2的步骤 3、霍尔信号线检测:用黑表笔接黑线,红表笔接红、黄、绿、兰四根线,应无短路故障二、通电检测 1、检测控制器电源输入电压是否有36V(48V)以上电压 2、检测霍尔信号线是否有5-7V电压 3、检测转把电源是否有5V以上电源 4、转动转把,检测信号线上是否在之间变化。
电动车控制器接线图详解首先确定电源正负极,和电门锁线:方法是先把万用表打直流档上,再把万用表的负极[黑线]接在电池的负极上[地线] 然后用万用表的正极[红线]一个一个量,有电压的是正极[稍微比电源电压高点]、无电压的是负极,这里说明一下,有电源是三根线,其中那跟是电门锁线,这根线的特点是,打开钥匙和电源电压一样,关上钥匙没电压。
其次关上钥匙连接电源线和电门锁线这三根线:控制器电源线粗红色的是正极,粗黑色的是负极。
接好后打开钥匙,再量量电源电压和电门锁线的电压是不是正常,然后在分别量转把线的电源电压5V左右[红黑线],霍尔线的电源电压5V左右[红黑线][别忘了万用表打到直流档上]。
第三各个电压正常对接白色学习线:若反转拔开在对接一次,电机正转后拔开学习线。
接转把线,一般按颜色接就可能了,若还不可以有可能转把坏掉了,那么拔掉转把线,直接连接控制器转把线的红线和绿线。
电机正常转,证明转把有问,换个转把。
第四电机正常转后,刹车断电线,霍尔线,仪表线等等。
第五控制器的每根线是什么意思可以看产介绍里面图示说明。
(下图为高标电动车控制器的线路图)第六电车上各个线什么意思的确定方法:顺着电机找到电机3根相位线5根霍尔线,拆下转把找到3根转把线,拆掉刹把可以找到2根刹车线。
拆开电瓶可以看到“+”电源正极“-”电源负极。
总的来说按大件找,按大件安装,最容易理解最准确。
第七若电机还不正常转有可能霍尔坏了,测试霍尔好坏的方法:整车上带电检测,先把各线路及接插件都接好,把万用表拔到直流电压20V档位,先确认控制器有5V电源输出,再用黑表笔接在霍尔的地线,红表笔分别接三根信号线,在量的同时,用手轻轻转动电机,霍尔正常时,万用表会0V--5V的脉冲电压的数据显示,如果测某只霍尔时没有脉冲电压,则这只霍尔就坏了,[这种情况也可以用指针式万用表检测,指针在0V--5V之间摆动,霍尔是好的;如果指针不摆动,霍尔是坏的]用这种方法是最为可靠的方法,前提是带电操作。
电动车控制器好坏简要判断
1.用万用表欧姆档进行测量(断电测量)
1)用万用表置于欧姆档20k,用红表接控制器负极,黑表笔依次接测量控制器主线黄、绿、兰,应有10k?左右的读数(数字万用表),三次读数应基本一致。
2)用万用表黑表笔接控制器正极,红表笔依次测量控制器主线黄、绿、兰,应有15k?左右的读数,三次读数应基本一致。
3)如步骤1)、2)的测量正常,则表示无刷控制器内的MOS管基本正常,把控制器与整车连接,接通电源,拔掉制动线,用万用表电压档测量转把5V电压是否正常。
若以上测量正常,则表示控制器基本正常,否则可判定控制器损坏。
2.用万用表二极管档进行的测量(断电测量)
1)将万用表置于二极管档测量,用红表笔接控制器负极,黑表笔依次测量控制器主线黄、绿、兰,读数在500左右(数字万用表),三次读数应基本一致。
2)用万用表黑表笔接控制器正极,红表笔依次接控制器主线黄、绿、兰,读数在500左右,三次读数应基本一致。
3)如步骤1)、2)的测量正常,则表示无刷控制器基本正常,把控制器与正常连接,接通电源,拔掉制动线,用万用表电压档测量转把5V电压是否正常。
若以上测试正常,表示控制器基本正常,否则可判定控制器损坏。
电动车控制器接线图及接线方法电动车控制器接线图及接线方法下图所示的是高标科技自主研发的电动车控制器接线图:高标电动车控制器接线方式:1.电动车控制器电源输入:粗红色线为电源正端,黑色线为电源负端,细橙色线为电门锁。
2.电动车电机相位(u,v,w 输出):粗黄线为U,粗绿线为V,粗蓝色为W。
3.电动车控制器转把型号输入:细红色线为+5V电源,细绿色为手柄信号输入,细黑色线为接地线。
4.电动车电机霍尔(A,B,C输入):细红色线为+5V电源,细黑色线为接地线,细黄色线为A,细绿色线为B,细蓝色线为C。
5.电动车刹车(柔性EABS+机械刹):细黄色线为柔性EABS,细蓝色线为机械刹,细黑色线为接地线。
6. 电动车传感器:细红色线为+5V电源,细黑色线为接地线,细绿色线为传感器信号输入。
7.电动车仪表(转速):细紫色线。
8.电动车巡航:细棕色线。
9.电动车限速:细灰色线。
10.电动车自动识别开关线:细黄色线。
高标智能型无刷电动车控制器使用方法和注意事项:1、在接线前先切断电源,按接线图所示连接各根导线;2、高标控制器虽然防水、抗震,但控制器做好还是安装在通风、防水、防震部位。
3、控制器限速控制插头应放置容易操作的地方。
4、控制器接插件应接插到位,禁止将控制器电源正负极反接(即严禁粗红、细橙和粗黑;细红和细黑接反)。
5、电机模式自动识别:正确接好电动车控制器的电源、转把、刹把等线束,,将电机识别模式开关线(细灰)短接,打开电门锁,使电机进入自动识别状态,若电机反转则按一下刹车即可使电机正向转动,在控制器识别电机模式10秒后将电机识别模式开关线(细灰)直接断开即可完成电机模式自动识别。
6、1+1助力方向调整:在通电状态,将调速电阻从最大值调到最小值,再回到原始状态后,可将1+1助力的方向从正向模式切换到反向模式,再调整一次可从反向模式切换到正向模式,并将最终的模式存入单片机。
电动车控制器坏了判断方法
一般控制器坏了有以下几种情况。
一、就是有电bai都不走。
二、就是向楼上说的电机转不动是指无刷的。
三、是有刷电机惊车就是打开钥匙门自己就跑。
一般就是这几总情况。
一般是控制器损坏,怀疑电机损坏:关闭电源锁,拔脱电机与控制器的3根粗线。
电机的粗黄、粗蓝、粗绿中的2根对接(此时3根粗线都不接控制器上),用手转动后轮,有阻力电机就是好的。
霍尔坏,直接换双模控制器
扩展资料:
1、关断电源开关,将接入控制器的所有控制线全部拔掉,只保留接入控制器的电源线以及控制器与电动机相连的线,在控制器上找出与转把相连接的接插件。
2、打开电源开关,用镊子或点点的短路线讲该接插件的+5V与信号两端短路,看一下电动机是否转动。
此时如果电动机运转正常,说明控制器没有故障,问题出在外围的功能部件上;
3、如果电机无反应,关断电源开关,将接入控制的电源线以及控制器与电动机相连的线拔掉,控制器与整车彻底脱离。
接下来将电源线与电动机线直接连接。
4、打开电源开关,观察电动机运转是否正常。
如果电动机无反应,则说明电动机已坏,更换或维修电动机。
如果此时电动机运行正常,即可判断是控制器损坏。
电动车控制器是用来控制电动车电机的启动、运行、进退、速度、停止以及电动车的其它电子器件的核心控制器件,它就像是电动车的大脑,是电动车上重要的部件。
电动车控制器如何分清哪根线起什么作用?首先要告诉大家,不管控制器是多大,哪个品牌,两轮亦或三轮,它的主要功能线都是一样的,差异主要在一些特别的功能上。
比如变档的方式不同,是否有巡航定速、一键修复、或者什么P档安全键,等等。
我们更换的控制器一般只要完成调速、变档、倒车、报警器、刹车断电、仪表,这几个功能就可以了。
这些是我们可以简单分辨的几个功能①首先要认识的电源线,接线也是第一个接。
黑色接电池负极,红色接电池正极,细红叫电门锁线。
电门锁线接法:车钥匙插的地方就是电门锁,从电池正极拉一条线到车头,经过电门锁,在到控制器的电门锁线。
②接下来认识电机线,黄绿蓝叫粗线,叫电机相线,旁边插头叫电机霍尔。
对应颜色接到电机线即可③接着认识:转把线、三速线(变档)。
我们需要记住转把线的颜色,十有八九转把线的颜色都是红(+5v)绿(信号线)黑(负极)。
偶尔信号线可能是灰色,正极是粉色。
一般更换的控制器基本都是三速变档,颜色没有规律不用记,通常中间是负极(黑色),两边是+5v线。
记住:控制器上通常只有两个这样的插头,很容易找④认识学习线,原装控制器没有。
本来接好上面的线电机就能转了。
但是也有例外,电机可能反转,抖动,转速异常。
这个需要调相,就是把电机线位置调一调,不完全按颜色接。
这时候学习的好处就显现了,对接3-5s,就可以自己动匹配,爽不爽。
⑤开始接仪表线了一般控制器只有一个,而我这个有两根。
蓝色是相线测试,其实就是连接的电机线其中一根,电压从0-20+v上升,仪表速度也就跟着变快;另一跟是一线通,测量电压没有大变化,需要仪表支持⑥记住报警器电源插头,它是电池正负极,决不能乱碰、短接。
反正基本上就是这样一个组合⑦倒档,刹车信号线记住,一般倒档、低刹信号线是两根线的,上一条是为了让你们别认错到报警器电源插头。
你拿一个螺丝批触碰两条线就知道了,倒车的就是倒车插头,没反应的就是断电低刹线。
高刹是一根,接到12v,电动车就不走。
用万用表测三轮电动车的控制器,该怎样判断好坏用万用表判断控制器的好坏主要是测控制器的输出电压是否正常。
不论是三轮电动车还是两轮电动车,它们所采用的控制器原理基本是相同的,今天我们来聊聊如何用万用表对电动车的控制器进行检修。
控制器检修方法我们知道电动车的控制器可分为有刷控制器和无刷控制器,不论何种控制器,它们的检测方法基本类似,下面我们就用万用表来完成控制器检修的方法,为了给控制器进行全面的检修,我们先将数字万用表拨到直流200V档,先测量控制器的供电线路是不是和电瓶的电压相同,比如有48V的电压,如果没有电压需要检查电瓶车的电源锁和控制器红色供电线上的保险管;如果有电压,说明控制器已经供电了,可以进行第二步检测。
下一步就是用万用表检测控制器接转把的输出线有没有5V的电压输出。
我们把万用表的两个表笔打接在控制器的转把插件上,在正常的情况下应该有5V的电压输出,如果没有5V电压输出,就说明控制器的5V输出电路部分有故障,就需要维修或更换控制器了。
如果电动车5V的转把供电电压是正常的话,我们然后再把数字万用表的档位打到直流20V,此时我们可以用手转动转把,用万用表去测量转把的信号线与地线之间应该有1V到4.2V的电压变化,如果没有变化,先看看是不是转把有故障了,测试的办法是拿一根电线把信号线和5V的电源线直接短接一下,如果发现电动机可以高速转动的话,就说明转把有问题了。
如果转把的电压能够输出正常的范围的话,这时再转动转把测量控制器与电动机的两条输出线应该有0V到60多伏的电压,我们假设是60V的电动车。
如果控制器没有相应的电压输出,则说明控制器有故障了,可以更换相同型号的新控制器。
用数字万用表检测无刷控制器好坏我们使用数字万用表二极管档位可以简略测量无刷控制器的好坏,其方法是我们把万用表打到二极管档位,用红表笔接无刷控制器的负极线,再用黑表笔顺次测量无刷控制器三根与电动机相连接的黄、绿、蓝三根线,正常情况下,这三根线的基本读数应该基本相同,如果相差很大则说明控制器是有故障的,这种方法主要是测量控制器内部MOS管的好坏,如果控制器烧坏,一般出现在MOS管的击穿短路,这会使测量的数值变的很低,同时蜂鸣器的二极管档位也会发出响声。
怎么判断电动车控制器故障?
判断电动车控制器是否有故障?如果是两轮车的话,首先要撑起支架,让后轮离地。
若是三轮车的话,撑起任意一边半轴,让轮胎离地。
首先,转动后轮,如果感觉滞手,转动后轮费劲。
那么检查电机和控制器连接的相线有没有烧灼连在一起。
若连在一起,把线分开,再转动后轮,感觉比开始轻松,基本判定控制器没故障。
反之,说明控制器已经烧了。
如果一开始转动后轮就比较轻松,那首先,打开电门锁,检查控制器锁线有没有电压?若电压正常,找出刹把断电线,把它拨掉,
控制器的生产厂家不同,线路的颜色也就不尽相同。
这种控制器的断电线是黑灰线,把插头拨掉,转动转把,如果能启动,说明刹把坏。
假若起动还是没反应,需要找出转把线。
拿一只新的转把插上,转动,仍没反应,断定控制器故障!我是电动车一线修理工,有需要的,请随时关注我!。
智能无刷电动车控制器接线图电动车控制器维修
下图所示的是高标科技自主研发的电动车控制器接线图:
高标电动车控制器接线方式:
1.电动车控制器电源输入:粗红色线为电源正端,黑色线为电源负端,细橙色线为电门锁。
2.电动车电机相位(u,v,w 输出):粗黄线为U,粗绿线为V,粗蓝色为W。
3.电动车控制器转把型号输入:细红色线为+5V电源,细绿色为手柄信号输入,细黑色线为接地线。
4.电动车电机霍尔(A,B,C输入):细红色线为+5V电源,细黑色线为接地线,细黄色线为A,细绿色线为B,细蓝色线为C。
5.电动车刹车(柔性EABS+机械刹):细黄色线为柔性EABS,细蓝色线为机械刹,细黑色线为接地线。
6.电动车传感器:细红色线为+5V电源,细黑色线为接地线,细绿色线为传感器信号输入。
7.电动车仪表(转速):细紫色线。
8.电动车巡航:细棕色线。
9.电动车限速:细灰色线。
10.电动车自动识别开关线:细黄色线。
电动车控制器怎么判断好坏电动车控制器接线图介绍
时间:2017/1/3 16:48:00
人气:4737
编辑:腾牛小编
分享到:
标签:电动车
导读:在日常生活中,很多人喜欢骑电动车出行。
电动车的使用寿命与电动车的控制器有关,那么电动车控制器怎么判断好坏下面小编将为大家介绍电动车控制器接线图,希望对大家有帮助!
电动车是常用的交通工具,方便快捷。
很多人喜欢使用,电动车的使用寿命与电动车的控制器有关。
那么电动车控制器怎么判断好坏电动车控制器多少钱一只下面小编为大家介绍电动车控制器接线图,希望对大家有用!
仔细观察做工
一个控制器的做工体现一个公司实力,同等条件下,作坊控制器肯定不如大公司的产品;手工焊接的产品肯定不如波峰焊下来的产品;外观精致的控制器好过不注重外观的产品;导线用得粗的控制器好过导线偷工减料的控制器;散热器重的控制器好过散热器轻的控制器等等,在用料和工艺上有所追求的公司相对可信度高,对比就能看得出来。
对比温升
用新送来的控制器和原来使用的控制器进行同等条件下堵转发热试验,两个控制器都拆掉散热器,用一辆车,撑起脚,先转动转把达到最高速,立即刹车,不要刹死,免得控制器进入堵转保护,在极低速度下维持5秒钟,松开刹车,迅速达到最高速,再刹车,反复同样的操作,比如30次,检测散热器最高温度点。
拿两个控制器的数据对比,温度越低越好。
试验条件应该保证相同的限流,相同的电池容量,同一辆车,同样从冷车开始测试,保持相同的刹车力度和时间。
试验结束时应检查固定MOS的螺丝松紧程度,松得越多表明使用的绝缘塑料粒子耐温性越差,在长期使用中,这将导致MOS提前因发热而损坏。
再装上散热器,重复上述试验,对比散热器温度,这可以考察控制器的散热设计。
观察反压控制能力
选取一辆车,功率可以大一点,拔掉电池,选用充电器为电动车供电,接上E-ABS使能端子,确保刹把开关接触良好。
慢慢转动转把,太快了充电器无法输出很大的电流,会引起欠压,让电机达到最高速,快速刹车,反复多次,不应出现MOS损坏现象。
在刹车时,充电器输出端的电压会快速上升,考验控制器的瞬间限压能力,此试验如果用电池测试基本没有效果。
电流控制能力
接充满的电池,容量越大越好,先让电机达到最高速,任选两根电机输出线短路,反复进行,30次以上,不应出现MOS损坏;再让电机达到最高速,用电池正极和任选的一根电机线短路,反复30次,考验控制器的快速控制能力。
很多控制器会在这一环节出丑,如果出现损坏,可以比较两个控制器成功承受短路的次数,越少越差。
这部分实验可以验证控制器软件、硬件的可靠性设计。
检验控制器效率
关闭超速功能,如果有的话,在同一辆车子空载情况下测试不同控制器达到的最高速,速度越高,则效率越高,续航里程也相对高。
以上试验都是在没有什么特别设备的情况下进行,可操作性强,广泛对比控制器在做工、温升、电压电流控制和效率的差异,基本可以反映控制器的优劣。
消费者在选购电动车的时候不妨根据情况选择上述实验方法,选购较为放心的电动车。
电动车控制器的作用
1、驱动电机旋转。
2、在转把的控制下改变电机驱动电流,从而实现电机速度的调整。
3、在闸把(刹把)的控制下切断输出电流,实现刹车控制。
4、对蓄电池电压进行检测,在蓄电池存储的电压接近“放电终止电压”时,通过控制器面板(或仪表显示盘)来显示电量不足,提醒骑行者调整自己的行程,当达到终止电压时,通过取样电阻将该信号送到比较器,由电路输出保护信号,致使、保护电路按预先设定的程序发出指令,切断电流以保护充电器和蓄电池。
5、过流保护,电流过大时过流保护电路动作,使电机停转,避免过流给电机和控制器带来危害。
另外,部分控制器还具有防飞车保护、巡行限速等功能。
功率器件损坏
功率器件的损坏,一般有以下几种可能:电机损坏引起的;功率器本身的质量差或选用等级不够引起的;器件安装或振动松动引起的;电机过载引起的;功率器件驱动电路损坏或参数设计不合理引起的。
控制器内部供电电源损坏
控制器内部电源的损坏,一般有以下几种可能:控制器内部电路短路;外围控制部件短路;外部引线短路。
控制器工作时断时续
控制器工作起来时断时续,一般有以下几种可能:器件本身在高温或低温环境下参数漂移;控制器总体设计功耗大导致某些器件局部温度过高而使器件本身进入保护状态;接触不良。
连接线磨损及接插件不良或脱落引起控制信号丢失
连接线磨损及接触插件接触不良或脱落,一般有以下几种可能:线材选择不合理;对线材的保护不完备;接插件压接不牢。
电动车控制器多少钱一只
48V350W20A是控制器还是充电器
48V350W的控制器没有20A的,最大到18A的,但可以自己加到20A,最好不要用,伤控制器更伤电瓶。
48V350W的控制器出厂价在80左右,市场价你就已80来衡量,正常的会买到150左右,你自己还价就可以了。
18A的冲电器可以冲15A的电瓶。
对电瓶是没有伤害的,到点就会跳到绿灯的
以下是淘宝网价格,供大家参考:。