螺栓和螺钉通孔尺寸
- 格式:pdf
- 大小:301.98 KB
- 文档页数:7
精品文档交流精品文档交流精品文档交流1、括号内规格尽量不采用。
2、M3~M20为商品规格,其它为通用规格。
3、材料/力学性能 钢/8.8, 12.9不锈钢 / ≤M20时为A2-70; >M20时为A2-50.标记示例:螺纹规格d=M5, 公称长度l=20mm, 性能等级为8.8级,表面氧化的内六角圆柱头螺钉:螺钉 GB70-85 M5×201、括号内规格尽量不采用。
2、材料/力学性能:钢/ 4.8。
标记示例:螺纹规格d=M5, 公称长度l=20mm, 性能等级为4.8级,不经表面处理的H型十字槽沉头螺钉:螺钉GB819-85 M5×20精品文档交流精品文档交流1. C 级垫圈没有Ra3.2和去毛刺的要求。
2. C 级适用于中等装配系列,A 级适用于精装配系列。
3. GB848-85主要用于带圆柱头螺钉,其他用于标准六角螺栓、螺钉和螺母。
材料力学性能等级:钢 100HV 标记示例:标准系列、公称尺寸d=8mm ,性能等级为100HV 级、不经表面处理的平垫圈:垫圈GB95—85 8 100HV材料力学性能等级:钢 200HV; 奥氏体不锈钢 A200 标记示例: 标准系列、公称尺寸d=8mm ,性能等级为200HV 级、不经表面处理的平垫圈:垫圈GB97.1—85 8 200HV材料力学性能等级:钢300HV; 奥氏体不锈钢A350标记示例:标准系列、公称尺寸d=8mm,性能等级为300HV级、倒角型、不经表面处理的平垫圈:垫圈GB97.2—85 8 300HV Array1、尽可能不采用括号内规格。
2、m应大于零。
3、材料:65Mn标记示例:规格16mm,材料为65Mn,表面氧化的标准型弹簧垫圈:垫圈GB93-87 16精品文档交流精品文档交流1. 在工作图中,轴槽深用t 或(d-t)标注,毂槽深用(d+t1)标注。
2. 在除轴伸外保证传递所需转矩条件下,允许用较小剖面的键,但t 和t1的数值必要时应重新计算,使键侧与轴槽及轮毂槽接触高度各为h/2。
1、括号内规格尽量不采用。
2、M3~M20为商品规格,其它为通用规格。
3、材料/力学性能 钢/8.8, 12.9不锈钢 / ≤M20时为A2-70; >M20时为A2-50.标记示例:螺纹规格d=M5, 公称长度l=20mm, 性能等级为8.8级,表面氧化的内六角圆柱头螺钉:螺钉 GB70-85 M5×201、括号内规格尽量不采用。
2、材料/力学性能:钢/ 4.8。
标记示例:螺纹规格d=M5, 公称长度l=20mm, 性能等级为4.8级,不经表面处理的H型十字槽沉头螺钉:螺钉GB819-85 M5×201. C 级垫圈没有Ra3.2和去毛刺的要求。
2. C 级适用于中等装配系列,A 级适用于精装配系列。
3. GB848-85主要用于带圆柱头螺钉,其他用于标准六角螺栓、螺钉和螺母。
材料力学性能等级:钢 100HV 标记示例:标准系列、公称尺寸d=8mm ,性能等级为100HV 级、不经表面处理的平垫圈:垫圈GB95—85 8 100HV材料力学性能等级:钢 200HV; 奥氏体不锈钢 A200 标记示例: 标准系列、公称尺寸d=8mm ,性能等级为200HV 级、不经表面处理的平垫圈:垫圈GB97.1—85 8 200HV材料力学性能等级:钢300HV; 奥氏体不锈钢A350标记示例:标准系列、公称尺寸d=8mm,性能等级为300HV级、倒角型、不经表面处理的平垫圈:垫圈GB97.2—85 8 300HV Array1、尽可能不采用括号内规格。
2、m应大于零。
3、材料:65Mn标记示例:规格16mm,材料为65Mn,表面氧化的标准型弹簧垫圈:垫圈GB93-87 161. 在工作图中,轴槽深用t或(d-t)标注,毂槽深用(d+t1)标注。
2. 在除轴伸外保证传递所需转矩条件下,允许用较小剖面的键,但t和t1的数值必要时应重新计算,使键侧与轴槽及轮毂槽接触高度各为h/2。
3. 轴槽及轮毂对轴及轮毂轴线的对称度根据不同要求,一般可按GB1184-84中附表4对称度公差7~9级选用。
1、括号内规格尽量不采用。
2、M3~M20为商品规格,其它为通用规格。
3、材料/力学性能 钢/8.8, 12.9不锈钢 / ≤M20时为A2-70; >M20时为A2-50.标记示例:螺纹规格d=M5, 公称长度l=20mm, 性能等级为8.8级,表面氧化的内六角圆柱头螺钉:螺钉 GB70-85 M5×201、括号内规格尽量不采用。
2、材料/力学性能:钢/ 4.8。
标记示例:螺纹规格d=M5, 公称长度l=20mm, 性能等级为4.8级,不经表面处理的H型十字槽沉头螺钉:螺钉GB819-85 M5×201. C 级垫圈没有Ra3.2和去毛刺的要求。
2. C 级适用于中等装配系列,A 级适用于精装配系列。
3. GB848-85主要用于带圆柱头螺钉,其他用于标准六角螺栓、螺钉和螺母。
材料力学性能等级:钢 100HV 标记示例:标准系列、公称尺寸d=8mm ,性能等级为100HV 级、不经表面处理的平垫圈:垫圈GB95—85 8 100HV材料力学性能等级:钢 200HV; 奥氏体不锈钢 A200 标记示例: 标准系列、公称尺寸d=8mm ,性能等级为200HV 级、不经表面处理的平垫圈:垫圈GB97.1—85 8 200HV材料力学性能等级:钢300HV; 奥氏体不锈钢A350标记示例:标准系列、公称尺寸d=8mm,性能等级为300HV级、倒角型、不经表面处理的平垫圈:垫圈GB97.2—85 8 300HV Array1、尽可能不采用括号内规格。
2、m应大于零。
3、材料:65Mn标记示例:规格16mm,材料为65Mn,表面氧化的标准型弹簧垫圈:垫圈GB93-87 161. 在工作图中,轴槽深用t或(d-t)标注,毂槽深用(d+t1)标注。
2. 在除轴伸外保证传递所需转矩条件下,允许用较小剖面的键,但t和t1的数值必要时应重新计算,使键侧与轴槽及轮毂槽接触高度各为h/2。
3. 轴槽及轮毂对轴及轮毂轴线的对称度根据不同要求,一般可按GB1184-84中附表4对称度公差7~9级选用。
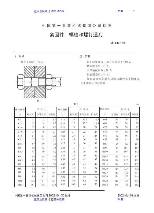
螺栓和螺钉通孔尺寸螺栓和螺钉通孔尺寸((GB/T 5277-1985)螺纹规格d M1 M1.2 M1.4 M1.6 M1.8 M2 M2.5 M3 M3.5 M4 M4.5 M5 M6 M7 M8 螺纹直径 精装配 1.1 1.3 1.5 1.7 2 2.2 2.7 3.2 3.7 4.3 4.8 5.3 6.4 7.4 8.4 中等装配 1.2 1.4 1.6 2 2.1 2.4 3.2 3.4 3.9 4.5 5 5.5 6.6 7.6 9 粗装配1.31.51.82.22.42.63.73.64.24.85.35.86.67.610螺纹规格dM10 M12 M14 M16 M18 M20 M22 M24 M27 M30 M33 M36 M39 M42 M45 螺纹直径 精装配 10.5 13 15 17 19 21 23 25 28 31 34 37 40 43 46 中等装配 11 13.5 15.5 17.5 20 22 24 26 30 33 36 39 42 45 48 粗装配1214.516.518.521242628323538424548521、括号内规格尽量不采用。
2、M3~M20为商品规格,其它为通用规格。
3、材料/力学性能 钢/8.8, 12.9不锈钢 / ≤M20时为A2-70; >M20时为A2-50. 标记示例标记示例:螺纹规格d=M5, 公称长度l=20mm, 性能等级为8.8级,表面氧化的内六角圆柱头螺钉:螺钉 GB70-85 M5×201、括号内规格尽量不采用。
2、材料/力学性能:钢/ 4.8。
标记示例标记示例::螺纹规格d=M5, 公称长度l=20mm, 性能等级为4.8级,不经表面处理的H 型十字槽沉头螺钉:螺钉 GB819-85 M5×201. C 级垫圈没有Ra3.2和去毛刺的要求。
2. C 级适用于中等装配系列,A 级适用于精装配系列。
螺栓和螺钉通孔尺寸螺栓和螺钉是机械连接中常用的紧固件,它们通常用于连接两个或多个零件,起到固定和连接的作用。
而螺栓和螺钉的通孔尺寸对于连接的稳固性和质量至关重要。
本文将介绍螺栓和螺钉通孔尺寸的相关知识,以帮助读者更好地理解和应用这些紧固件。
一、螺栓和螺钉的基本结构螺栓和螺钉都是由头部、杆身和螺纹组成。
头部通常有六角头、圆头和方头等不同形状,方便使用不同工具进行拧紧。
杆身是紧固件的主体部分,一般是圆柱形或六角柱形。
螺纹是螺栓和螺钉的重要组成部分,它们的作用是与螺栓孔或螺纹孔配合,实现紧固连接。
二、螺栓和螺钉通孔尺寸的选择原则1. 直径选择:螺栓和螺钉的直径通常根据连接零件的厚度来确定。
通常情况下,螺栓或螺钉的直径应该比连接零件的孔径略大一些,以确保连接的稳固性。
同时,直径的选择还应考虑到所需的紧固力和承载能力。
2. 孔径选择:螺栓和螺钉的孔径通常根据直径和螺纹类型来确定。
一般情况下,螺栓或螺钉的孔径应与其直径相匹配,确保螺栓或螺钉能够顺利穿过孔洞,同时保持一定的间隙以便于拧紧。
3. 孔深选择:孔深是指螺栓或螺钉穿过零件的深度。
孔深的选择应根据连接零件的厚度和需要的穿透深度来确定。
一般来说,孔深应稍微大于螺栓或螺钉的长度,以确保连接的稳固性。
三、螺栓和螺钉通孔尺寸的标准螺栓和螺钉的通孔尺寸通常符合国际标准。
常见的标准有ISO、DIN、ANSI等。
这些标准规定了螺栓和螺钉的直径、孔径、孔深等尺寸。
根据不同的工程需求,可以选择相应的标准来确定螺栓和螺钉的通孔尺寸。
四、螺栓和螺钉通孔尺寸的测量方法螺栓和螺钉的通孔尺寸可以通过测量工具来进行测量。
通常使用千分尺、卡规等工具进行测量。
在测量过程中应注意测量工具的精度和正确使用方法,以确保测量结果的准确性。
五、螺栓和螺钉通孔尺寸的注意事项1. 注意选择合适的螺栓和螺钉材质,以满足使用环境和要求。
2. 注意选择合适的螺纹类型,如常用的M、UNC、UNF等。
3. 注意螺栓和螺钉的负荷能力和紧固力要求,选择合适的尺寸。
螺栓和螺钉通孔尺寸螺栓和螺钉通孔尺寸((GB/T 5277-1985)螺纹规格d M1 M1.2 M1.4 M1.6 M1.8 M2 M2.5 M3 M3.5 M4 M4.5 M5 M6 M7 M8 螺纹直径 精装配 1.1 1.3 1.5 1.7 2 2.2 2.7 3.2 3.7 4.3 4.8 5.3 6.4 7.4 8.4 中等装配 1.2 1.4 1.6 2 2.1 2.4 3.2 3.4 3.9 4.5 5 5.5 6.6 7.6 9 粗装配1.31.51.82.22.42.63.73.64.24.85.35.86.67.610螺纹规格dM10 M12 M14 M16 M18 M20 M22 M24 M27 M30 M33 M36 M39 M42 M45 螺纹直径 精装配 10.5 13 15 17 19 21 23 25 28 31 34 37 40 43 46 中等装配 11 13.5 15.5 17.5 20 22 24 26 30 33 36 39 42 45 48 粗装配1214.516.518.521242628323538424548521、括号内规格尽量不采用。
2、M3~M20为商品规格,其它为通用规格。
3、材料/力学性能 钢/8.8, 12.9不锈钢 / ≤M20时为A2-70; >M20时为A2-50. 标记示例标记示例:螺纹规格d=M5, 公称长度l=20mm, 性能等级为8.8级,表面氧化的内六角圆柱头螺钉:螺钉 GB70-85 M5×201、括号内规格尽量不采用。
2、材料/力学性能:钢/ 4.8。
标记示例标记示例::螺纹规格d=M5, 公称长度l=20mm, 性能等级为4.8级,不经表面处理的H 型十字槽沉头螺钉:螺钉 GB819-85 M5×201. C 级垫圈没有Ra3.2和去毛刺的要求。
2. C 级适用于中等装配系列,A 级适用于精装配系列。
螺栓和螺钉通孔尺寸(GB/T 5277-1985) 螺纹规格dM1M1.2M1.4M1.6M1.8M2M2.5M3M3.5M4M4.5M5M6M7M8螺纹直径精装配1.11.31.51.722.22.73.23.74.34.85.36.47.48.4中等装配1.21.41.622.12.43.23.43.955.56.67.69粗装配1.31.51.82.22.42.63.73.64.24.85.35.86.67.610螺纹规格d M10M12M14M16M18M20M22M24M27M30M33M36M39M42M45螺纹直径精装配10.513151721232528313437404346中等装配1113.5 15.5 17.52022242630333639424548粗装配1214.5 16.5 18.52124262832353842454852- -1,括号内规格尽量不采用.2,M3~M20为商品规格,其它为通用规格.3,材料/力学性能钢/8.8, 12.9不锈钢/ ≤M20时为A2-70; >M20时为A2-50.标记示例:螺纹规格d=M5, 公称长度l=20mm, 性能等级为8.8级,表面氧化的内六角圆柱头螺钉:螺钉GB70-85 M5×201,括号内规格尽量不采用.2,材料/力学性能:钢/ 4.8.标记示例:螺纹规格d=M5, 公称长度l=20mm, 性能等级为4.8级,不经表面处理的H型十字槽沉头螺钉:螺钉GB819-85 M5×201. C级垫圈没有Ra3.2和去毛刺的要求.2. C级适用于中等装配系列,A级适用于精装配系列.3. GB848-85主要用于带圆柱头螺钉,其他用于标准六角螺栓,螺钉和螺母.材料力学性能等级:钢100HV标记示例:标准系列,公称尺寸d=8mm,性能等级为100HV级,不经表面处理的平垫圈:垫圈GB95—85 8 100HV材料力学性能等级:钢200HV; 奥氏体不锈钢A200标记示例:标准系列,公称尺寸d=8mm,性能等级为200HV级,不经表面处理的平垫圈:垫圈GB97.1—85 8 200HV材料力学性能等级:钢300HV; 奥氏体不锈钢A350标记示例:标准系列,公称尺寸d=8mm,性能等级为300HV级,倒角型,不经表面处理的平垫圈: 垫圈GB97.2—85 8 300HV1,尽可能不采用括号内规格.2,m应大于零.3,材料:65Mn标记示例:规格16mm,材料为65Mn,表面氧化的标准型弹簧垫圈:垫圈GB93-87 161. 在工作图中,轴槽深用t或(d-t)标注,毂槽深用(d+t1)标注.2. 在除轴伸外保证传递所需转矩条件下,允许用较小剖面的键,但t和t1的数值必要时应重新计算,使键侧与轴槽及轮毂槽接触高度各为h/2.3. 轴槽及轮毂对轴及轮毂轴线的对称度根据不同要求,一般可按GB1184-84中附表4对称度公差7~9级选用.键槽(轴槽及毂槽)的对称度公差的公称尺寸是指键宽b.4. (d-t)和(d+t1)两组组合尺寸的极限偏差按相应的t和t1的极限偏差选取,但(d-t)极限偏差应取负号(-).。
螺栓和螺钉用通孔尺寸表
攻螺纹前底孔直径的确定
(1)普通螺纹攻螺纹前底孔的钻头直径
(2)非螺纹密封的管螺纹攻螺纹前钻底孔的钻头直径
(3)英制锥管螺纹和英制锥螺纹攻丝前钻底孔的钻头直径
螺丝及沉头孔尺寸表
六角承孔头螺丝[JIS B1176(1988) *JIS B1176(1976)拔粹
TEL FAX
E-mail
ccsmould@pchome.c
(0512)65015828(0512)65012333参考:对六角承孔头螺丝的沉头及螺丝孔的呎吋
(1)S(最大)之第1栏,适用于强度区分8.8及10.9者及形状区分A2-50,A2-70者,第2栏适用于强度区分12.9者,可依供需双方协议,将强度区分12.9者适用第一栏.螺丝称号M20以上的S(最大),可适用于全部强度区分及性情区分者.
(2)头部侧面应施予直条刻纹等压在刻纹[JIS B0591(金花刻纹)],此时,dk(最大)为本表所示,** 记号的数值,不需压花刻纹者, 由订购人径行指定.此时的dk(最大)为本表所示附*记号的数值.。
螺栓和螺钉通孔尺寸(GB/T 5277 - 1985)螺纹规格 d M1M1.2M1.4M1.6M1.8M2M2.5M3M3.5M4M4.5M5M6M7M8精装配 1.1 1.3 1.5 1.72 2.2 2.7 3.2 3.7 4.3 4.8 5.3 6.47.48.4螺纹直径中等装配 1.2 1.4 1.62 2.1 2.4 3.2 3.4 3.9 4.55 5.5 6.67.69粗装配 1.3 1.5 1.8 2.2 2.4 2.6 3.7 3.6 4.2 4.8 5.3 5.8 6.67.610螺纹规格 d M10M12M14M16M18M20M22M24M27M30M33M36M39M42M45精装配10.51315171921232528313437404346螺纹直径中等装配1113.515.517.52022242630333639424548粗装配1214.516.518.521242628323538424548521、括号内规格尽量不采用。
2、M3 ~M20 为商品规格,其它为通用规格。
3、材料 /力学性能钢/8.8, 12.9不锈钢/ ≤M20时为A2-70;>M20时为A2-50.标记示例:螺纹规格d=M5, 公称长度l=20mm, 性能等级为 8.8 级,表面氧化的内六角圆柱头螺钉:螺钉 GB70-85 M5×201、括号内规格尽量不采用。
2、材料 /力学性能:钢 / 4.8。
标记示例:螺纹规格d=M5, 公称长度l=20mm, 性能等级为 4.8级,不经表面处理的H 型十字槽沉头螺钉:螺钉 GB819-85M5 ×201.C 级垫圈没有 Ra3.2 和去毛刺的要求。
2. C 级适用于中等装配系列, A 级适用于精装配系列。
3.GB848-85 主要用于带圆柱头螺钉,其他用于标准六角螺栓、螺钉和螺母。
材料力学性能等级:钢 100HV标记示例:标准系列、公称尺寸d=8mm ,性能等级为100HV 级、不经表面处理的平垫圈:垫圈GB95 —85 8 100HV材料力学性能等级:钢200HV;奥氏体不锈钢A200标记示例:标准系列、公称尺寸d=8mm ,性能等级为200HV 级、不经表面处理的平垫圈:垫圈GB97.1 — 85 8 200HV材料力学性能等级:钢 300HV; 奥氏体不锈钢A350标记示例:标准系列、公称尺寸d=8mm,性能等级为300HV 级、倒角型、不经表面处理的平垫圈:垫圈 GB97.2 —85 8 300HV1、尽可能不采用括号内规格。
螺栓和螺钉通孔尺寸螺栓和螺钉通孔尺寸(GB/T 5277 —佃85)配M冒柱头用沅孔(适3-«S )单楼tA螺纹规格d2t d3dl L6 3. 3 1. E—L 82 4.3 2.3—2,42.5 5. 0Z S— 2. 93 6. 0 3.4— 3.4 P 9. 04, 6— 4.5 510. 0 5. 7— 5. 561L 0乩8-乩6—815. C9, C—9, 0 101乱01L 0—11.01220. 013. 01613. 51424. C1E. 01815.5162& 017, 52017, 52033. 021. 52422. 02440. C2E. B2826.0匚3048. 032,03633,0 3557. 058. 04239. 0d21、括号内规格尽量不米用。
2、M3-M20为商品规格,其它为通用规格。
3、材料/力学性能钢/8.8, 12.9不锈钢/ < M20时为A2-70; > M20时为A2-50.标记示例:螺纹规格d=M5,公称长度l=20mm,性能等级为8.8级,表面氧化的内六角圆柱头螺钉:螺钉GB70-85 M5X 20M内六角丽柱头螺找 C ft0GB7O-«5等3&ISO4762-77 )单位三(u3螺纹规格d P ti参考dk 光滑头部dk 滚花头部mmda(max)ds(nax) e (min)k(max)r(juinJ就公称)t Sin)IL范围100mm4€的車甲(kg)*♦[Ml.60.352L 5 1.73 1.50T I 1, 50,7X552,5—16160.00016M20,4163,e3, 93 2. 52 1.732CU L 5I山553—20150. 00203M2. 50.4517 4.5 4.53 3. 1 2. 5 2. 32, 50, I2丨* 1山854〜2520Ck 00329M30. 518 5.5 5.53 3. &3 2.873 6 I 2.5匚3 1. 155—302D0,00492M4 6 72077.22 4. ?4 3.4440.232L46^40250.100884 7 - M5①822S.S 6.72 5. ?5 4.5650.24 2.5L 98—5025£).01430MS1241010.22乩365*7260. 2553 2.310^60300.02034M8 1.25281313.279・23 6.8630.464 3.312—80350.03923MID L5321016. 2711,2109. 15JO0*485416^10040CL 063881、括号内规格尽量不米用。
螺栓和螺钉用通孔尺寸表
攻螺纹前底孔直径的确定
(1)普通螺纹攻螺纹前底孔的钻头直径
(2)非螺纹密封的管螺纹攻螺纹前钻底孔的钻头直径
(3)英制锥管螺纹和英制锥螺纹攻丝前钻底孔的钻头直径
螺丝及沉头孔尺寸表
六角承孔头螺丝[JIS B1176(1988) *JIS B1176(1976)拔粹
TEL FAX
E-mail
ccsmould@pchome.c
(0512)65015828(0512)65012333参考:对六角承孔头螺丝的沉头及螺丝孔的呎吋
(1)S(最大)之第1栏,适用于强度区分8.8及10.9者及形状区分A2-50,A2-70者,第2栏适用于强度区分12.9者,可依供需双方协议,将强度区分12.9者适用第一栏.螺丝称号M20以上的S(最大),可适用于全部强度区分及性情区分者.
(2)头部侧面应施予直条刻纹等压在刻纹[JIS B0591(金花刻纹)],此时,dk(最大)为本表所示,** 记号的数值,不需压花刻纹者, 由订购人径行指定.此时的dk(最大)为本表所示附*记号的数值.。
螺栓和螺钉通孔尺寸(GB/T 5277-1985)螺纹规格d M1 M1.2 M1.4 M1.6 M1.8 M2 M2.5 M3 M3.5 M4 M4.5 M5 M6 M7 M8螺纹直径精装配 1.1 1.3 1.5 1.7 2 2.2 2.7 3.2 3.7 4.3 4.8 5.3 6.4 7.4 8.4 中等装配 1.2 1.4 1.6 2 2.1 2.4 3.2 3.4 3.9 4.5 5 5.5 6.6 7.6 9 粗装配 1.3 1.5 1.8 2.2 2.4 2.6 3.7 3.6 4.2 4.8 5.3 5.8 6.6 7.6 10螺纹规格d M10 M12 M14 M16 M18 M20 M22 M24 M27 M30 M33 M36 M39 M42 M45螺纹直径精装配10.5 13 15 17 19 21 23 25 28 31 34 37 40 43 46 中等装配11 13.5 15.5 17.5 20 22 24 26 30 33 36 39 42 45 48 粗装配12 14.5 16.5 18.5 21 24 26 28 32 35 38 42 45 48 52- 1 -- 2 -1、括号内规格尽量不采用。
2、M3~M20为商品规格,其它为通用规格。
3、材料/力学性能 钢/8.8, 12.9不锈钢 / ≤M20时为A2-70; >M20时为A2-50.标记示例:螺纹规格d=M5, 公称长度l=20mm, 性能等级为8.8级,表面氧化的内六角圆柱头螺钉:螺钉 GB70-85 M5×20- 3 -1、括号内规格尽量不采用。
2、材料/力学性能:钢/ 4.8。
标记示例:螺纹规格d=M5, 公称长度l=20mm, 性能等级为4.8级,不经表面处理的H型十字槽沉头螺钉:螺钉GB819-85 M5×20 Array- 4 -1. C 级垫圈没有Ra3.2和去毛刺的要求。
螺栓和螺钉通孔尺寸(GB/T 5277-1985)
螺纹规格d M1 M1.2M1.4M1.6M1.8M2 M2.5M3 M3.5M4 M4.5M5 M6 M7 M8 精装配 1.1 1.3 1.5 1.7 2 2.2 2.7 3.2 3.7 4.3 4.8 5.3 6.4 7.4 8.4 螺纹直径
中等装配 1.2 1.4 1.6 2 2.1 2.4 3.2 3.4 3.9 4.5 5 5.5 6.6 7.6 9
粗装配 1.3 1.5 1.8 2.2 2.4 2.6 3.7 3.6 4.2 4.8 5.3 5.8 6.6 7.6 10
螺纹规格d M10 M12 M14 M16 M18 M20 M22 M24 M27 M30 M33 M36 M39 M42 M45 精装配10.5 13 15 17 19 21 23 25 28 31 34 37 40 43 46 螺纹直径
中等装配11 13.5 15.5 17.5 20 22 24 26 30 33 36 39 42 45 48 粗装配12 14.5 16.5 18.5 21 24 26 28 32 35 38 42 45 48 52
1、括号内规格尽量不采用。
2、M3~M20为商品规格,其它为通用规格。
3、材料/力学性能 钢/8.8, 12.9
不锈钢 / ≤M20时为A2-70; >M20时为A2-50.
标记示例:
螺纹规格d=M5, 公称长度l=20mm, 性能等级为8.8级,表面氧化的内六角圆柱头螺钉:
螺钉 GB70-85 M5×20
1、括号内规格尽量不采用。
2、材料/力学性能:钢/ 4.8。
标记示例:
螺纹规格d=M5, 公称长度l=20mm, 性能等级为4.8级,不经表面处理的H型十字槽沉头螺钉:
螺钉 GB819-85 M5×20
1. C 级垫圈没有Ra3.2和去毛刺的要求。
2. C 级适用于中等装配系列,A 级适用于精装配系列。
3. GB848-85主要用于带圆柱头螺钉,其他用于标准六角螺栓、螺钉和螺母。
材料力学性能等级:钢 100HV 标记示例:
标准系列、公称尺寸d=8mm ,性能等级为100HV 级、不经表面处理的平垫圈:垫圈GB95—85 8 100HV
材料力学性能等级:钢 200HV; 奥氏体不锈钢 A200标记示例: 标准系列、公称尺寸d=8mm ,性能等级为200HV 级、不经表面处理的平垫圈:垫圈GB97.1—85 8 200HV
材料力学性能等级:钢 300HV; 奥氏体不锈钢 A350
标记示例:
标准系列、公称尺寸d=8mm,性能等级为300HV级、倒角型、不经表面处理的平垫圈:
垫圈GB97.2—85 8 300HV Array
1、尽可能不采用括号内规格。
2、m应大于零。
3、材料:65Mn
标记示例:
规格16mm,材料为65Mn,表面氧化的标准型弹簧垫圈:
垫圈GB93-87 16
1. 在工作图中,轴槽深用t或(d-t)标注,毂槽深用(d+t1)标注。
2. 在除轴伸外保证传递所需转矩条件下,允许用较小剖面的键,但t和t1的数值必要时应重新计算,使键侧与轴槽及轮毂槽接触高度各为h/2。
3. 轴槽及轮毂对轴及轮毂轴线的对称度根据不同要求,一般可按GB1184-84中附表4对称度公差7~9级选用。
键槽(轴槽及毂槽)的对称度公差的公称尺寸是指键宽b。
4. (d-t)和(d+t1)两组组合尺寸的极限偏差按相应的t和t1的极限偏差选取,但(d-t)极限偏差应取负号(-)。