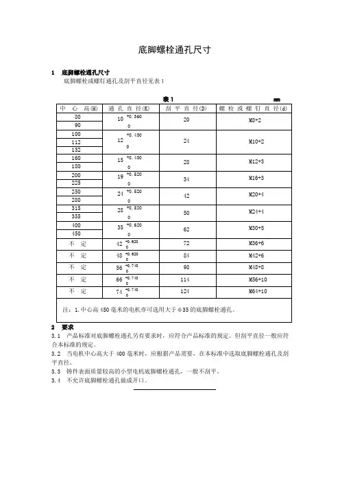
螺栓螺钉通孔尺
- 格式:docx
- 大小:312.26 KB
- 文档页数:10
精品文档交流精品文档交流精品文档交流1、括号内规格尽量不采用。
2、M3~M20为商品规格,其它为通用规格。
3、材料/力学性能 钢/8.8, 12.9不锈钢 / ≤M20时为A2-70; >M20时为A2-50.标记示例:螺纹规格d=M5, 公称长度l=20mm, 性能等级为8.8级,表面氧化的内六角圆柱头螺钉:螺钉 GB70-85 M5×201、括号内规格尽量不采用。
2、材料/力学性能:钢/ 4.8。
标记示例:螺纹规格d=M5, 公称长度l=20mm, 性能等级为4.8级,不经表面处理的H型十字槽沉头螺钉:螺钉GB819-85 M5×20精品文档交流精品文档交流1. C 级垫圈没有Ra3.2和去毛刺的要求。
2. C 级适用于中等装配系列,A 级适用于精装配系列。
3. GB848-85主要用于带圆柱头螺钉,其他用于标准六角螺栓、螺钉和螺母。
材料力学性能等级:钢 100HV 标记示例:标准系列、公称尺寸d=8mm ,性能等级为100HV 级、不经表面处理的平垫圈:垫圈GB95—85 8 100HV材料力学性能等级:钢 200HV; 奥氏体不锈钢 A200 标记示例: 标准系列、公称尺寸d=8mm ,性能等级为200HV 级、不经表面处理的平垫圈:垫圈GB97.1—85 8 200HV材料力学性能等级:钢300HV; 奥氏体不锈钢A350标记示例:标准系列、公称尺寸d=8mm,性能等级为300HV级、倒角型、不经表面处理的平垫圈:垫圈GB97.2—85 8 300HV Array1、尽可能不采用括号内规格。
2、m应大于零。
3、材料:65Mn标记示例:规格16mm,材料为65Mn,表面氧化的标准型弹簧垫圈:垫圈GB93-87 16精品文档交流精品文档交流1. 在工作图中,轴槽深用t 或(d-t)标注,毂槽深用(d+t1)标注。
2. 在除轴伸外保证传递所需转矩条件下,允许用较小剖面的键,但t 和t1的数值必要时应重新计算,使键侧与轴槽及轮毂槽接触高度各为h/2。
1、括号内规格尽量不采用。
2、M3~M20为商品规格,其它为通用规格。
3、材料/力学性能 钢/8.8, 12.9不锈钢 / ≤M20时为A2-70; >M20时为A2-50.标记示例:螺纹规格d=M5, 公称长度l=20mm, 性能等级为8.8级,表面氧化的内六角圆柱头螺钉:螺钉 GB70-85 M5×201、括号内规格尽量不采用。
2、材料/力学性能:钢/ 4.8。
标记示例:螺纹规格d=M5, 公称长度l=20mm, 性能等级为4.8级,不经表面处理的H型十字槽沉头螺钉:螺钉GB819-85 M5×201. C 级垫圈没有Ra3.2和去毛刺的要求。
2. C 级适用于中等装配系列,A 级适用于精装配系列。
3. GB848-85主要用于带圆柱头螺钉,其他用于标准六角螺栓、螺钉和螺母。
材料力学性能等级:钢 100HV 标记示例:标准系列、公称尺寸d=8mm ,性能等级为100HV 级、不经表面处理的平垫圈:垫圈GB95—85 8 100HV材料力学性能等级:钢 200HV; 奥氏体不锈钢 A200 标记示例: 标准系列、公称尺寸d=8mm ,性能等级为200HV 级、不经表面处理的平垫圈:垫圈GB97.1—85 8 200HV材料力学性能等级:钢300HV; 奥氏体不锈钢A350标记示例:标准系列、公称尺寸d=8mm,性能等级为300HV级、倒角型、不经表面处理的平垫圈:垫圈GB97.2—85 8 300HV Array1、尽可能不采用括号内规格。
2、m应大于零。
3、材料:65Mn标记示例:规格16mm,材料为65Mn,表面氧化的标准型弹簧垫圈:垫圈GB93-87 161. 在工作图中,轴槽深用t或(d-t)标注,毂槽深用(d+t1)标注。
2. 在除轴伸外保证传递所需转矩条件下,允许用较小剖面的键,但t和t1的数值必要时应重新计算,使键侧与轴槽及轮毂槽接触高度各为h/2。
3. 轴槽及轮毂对轴及轮毂轴线的对称度根据不同要求,一般可按GB1184-84中附表4对称度公差7~9级选用。
1、括号内规格尽量不采用。
2、M3~M20为商品规格,其它为通用规格。
3、材料/力学性能 钢/8.8, 12.9不锈钢 / ≤M20时为A2-70; >M20时为A2-50.标记示例:螺纹规格d=M5, 公称长度l=20mm, 性能等级为8.8级,表面氧化的内六角圆柱头螺钉:螺钉 GB70-85 M5×201、括号内规格尽量不采用。
2、材料/力学性能:钢/ 4.8。
标记示例:螺纹规格d=M5, 公称长度l=20mm, 性能等级为4.8级,不经表面处理的H型十字槽沉头螺钉:螺钉GB819-85 M5×201. C 级垫圈没有Ra3.2和去毛刺的要求。
2. C 级适用于中等装配系列,A 级适用于精装配系列。
3. GB848-85主要用于带圆柱头螺钉,其他用于标准六角螺栓、螺钉和螺母。
材料力学性能等级:钢 100HV 标记示例:标准系列、公称尺寸d=8mm ,性能等级为100HV 级、不经表面处理的平垫圈:垫圈GB95—85 8 100HV材料力学性能等级:钢 200HV; 奥氏体不锈钢 A200 标记示例: 标准系列、公称尺寸d=8mm ,性能等级为200HV 级、不经表面处理的平垫圈:垫圈GB97.1—85 8 200HV材料力学性能等级:钢300HV; 奥氏体不锈钢A350标记示例:标准系列、公称尺寸d=8mm,性能等级为300HV级、倒角型、不经表面处理的平垫圈:垫圈GB97.2—85 8 300HV Array1、尽可能不采用括号内规格。
2、m应大于零。
3、材料:65Mn标记示例:规格16mm,材料为65Mn,表面氧化的标准型弹簧垫圈:垫圈GB93-87 161. 在工作图中,轴槽深用t或(d-t)标注,毂槽深用(d+t1)标注。
2. 在除轴伸外保证传递所需转矩条件下,允许用较小剖面的键,但t和t1的数值必要时应重新计算,使键侧与轴槽及轮毂槽接触高度各为h/2。
3. 轴槽及轮毂对轴及轮毂轴线的对称度根据不同要求,一般可按GB1184-84中附表4对称度公差7~9级选用。
螺栓和螺钉通孔尺寸螺栓和螺钉通孔尺寸((GB/T 5277-1985)螺纹规格d M1 M1.2 M1.4 M1.6 M1.8 M2 M2.5 M3 M3.5 M4 M4.5 M5 M6 M7 M8 螺纹直径 精装配 1.1 1.3 1.5 1.7 2 2.2 2.7 3.2 3.7 4.3 4.8 5.3 6.4 7.4 8.4 中等装配 1.2 1.4 1.6 2 2.1 2.4 3.2 3.4 3.9 4.5 5 5.5 6.6 7.6 9 粗装配1.31.51.82.22.42.63.73.64.24.85.35.86.67.610螺纹规格dM10 M12 M14 M16 M18 M20 M22 M24 M27 M30 M33 M36 M39 M42 M45 螺纹直径 精装配 10.5 13 15 17 19 21 23 25 28 31 34 37 40 43 46 中等装配 11 13.5 15.5 17.5 20 22 24 26 30 33 36 39 42 45 48 粗装配1214.516.518.521242628323538424548521、括号内规格尽量不采用。
2、M3~M20为商品规格,其它为通用规格。
3、材料/力学性能 钢/8.8, 12.9不锈钢 / ≤M20时为A2-70; >M20时为A2-50. 标记示例标记示例:螺纹规格d=M5, 公称长度l=20mm, 性能等级为8.8级,表面氧化的内六角圆柱头螺钉:螺钉 GB70-85 M5×201、括号内规格尽量不采用。
2、材料/力学性能:钢/ 4.8。
标记示例标记示例::螺纹规格d=M5, 公称长度l=20mm, 性能等级为4.8级,不经表面处理的H 型十字槽沉头螺钉:螺钉 GB819-85 M5×201. C 级垫圈没有Ra3.2和去毛刺的要求。
2. C 级适用于中等装配系列,A 级适用于精装配系列。
螺栓和螺钉通孔尺寸螺栓和螺钉通孔尺寸((GB/T 5277-1985)螺纹规格d M1 M1.2 M1.4 M1.6 M1.8 M2 M2.5 M3 M3.5 M4 M4.5 M5 M6 M7 M8 螺纹直径 精装配 1.1 1.3 1.5 1.7 2 2.2 2.7 3.2 3.7 4.3 4.8 5.3 6.4 7.4 8.4 中等装配 1.2 1.4 1.6 2 2.1 2.4 3.2 3.4 3.9 4.5 5 5.5 6.6 7.6 9 粗装配1.31.51.82.22.42.63.73.64.24.85.35.86.67.610螺纹规格dM10 M12 M14 M16 M18 M20 M22 M24 M27 M30 M33 M36 M39 M42 M45 螺纹直径 精装配 10.5 13 15 17 19 21 23 25 28 31 34 37 40 43 46 中等装配 11 13.5 15.5 17.5 20 22 24 26 30 33 36 39 42 45 48 粗装配1214.516.518.521242628323538424548521、括号内规格尽量不采用。
2、M3~M20为商品规格,其它为通用规格。
3、材料/力学性能 钢/8.8, 12.9不锈钢 / ≤M20时为A2-70; >M20时为A2-50. 标记示例标记示例:螺纹规格d=M5, 公称长度l=20mm, 性能等级为8.8级,表面氧化的内六角圆柱头螺钉:螺钉 GB70-85 M5×201、括号内规格尽量不采用。
2、材料/力学性能:钢/ 4.8。
标记示例标记示例::螺纹规格d=M5, 公称长度l=20mm, 性能等级为4.8级,不经表面处理的H 型十字槽沉头螺钉:螺钉 GB819-85 M5×201. C 级垫圈没有Ra3.2和去毛刺的要求。
2. C 级适用于中等装配系列,A 级适用于精装配系列。
螺栓和螺钉通孔尺寸螺栓和螺钉通孔尺寸(GB/T 5277 —佃85)配M冒柱头用沅孔(适3-«S )单楼tA螺纹规格d2t d3dl L6 3. 3 1. E—L 82 4.3 2.3—2,42.5 5. 0Z S— 2. 93 6. 0 3.4— 3.4 P 9. 04, 6— 4.5 510. 0 5. 7— 5. 561L 0乩8-乩6—815. C9, C—9, 0 101乱01L 0—11.01220. 013. 01613. 51424. C1E. 01815.5162& 017, 52017, 52033. 021. 52422. 02440. C2E. B2826.0匚3048. 032,03633,0 3557. 058. 04239. 0d21、括号内规格尽量不米用。
2、M3-M20为商品规格,其它为通用规格。
3、材料/力学性能钢/8.8, 12.9不锈钢/ < M20时为A2-70; > M20时为A2-50.标记示例:螺纹规格d=M5,公称长度l=20mm,性能等级为8.8级,表面氧化的内六角圆柱头螺钉:螺钉GB70-85 M5X 20M内六角丽柱头螺找 C ft0GB7O-«5等3&ISO4762-77 )单位三(u3螺纹规格d P ti参考dk 光滑头部dk 滚花头部mmda(max)ds(nax) e (min)k(max)r(juinJ就公称)t Sin)IL范围100mm4€的車甲(kg)*♦[Ml.60.352L 5 1.73 1.50T I 1, 50,7X552,5—16160.00016M20,4163,e3, 93 2. 52 1.732CU L 5I山553—20150. 00203M2. 50.4517 4.5 4.53 3. 1 2. 5 2. 32, 50, I2丨* 1山854〜2520Ck 00329M30. 518 5.5 5.53 3. &3 2.873 6 I 2.5匚3 1. 155—302D0,00492M4 6 72077.22 4. ?4 3.4440.232L46^40250.100884 7 - M5①822S.S 6.72 5. ?5 4.5650.24 2.5L 98—5025£).01430MS1241010.22乩365*7260. 2553 2.310^60300.02034M8 1.25281313.279・23 6.8630.464 3.312—80350.03923MID L5321016. 2711,2109. 15JO0*485416^10040CL 063881、括号内规格尽量不米用。
螺栓和螺钉用通孔尺寸表
攻螺纹前底孔直径的确定
(1)普通螺纹攻螺纹前底孔的钻头直径
(2)非螺纹密封的管螺纹攻螺纹前钻底孔的钻头直径
(3)英制锥管螺纹和英制锥螺纹攻丝前钻底孔的钻头直径
螺丝及沉头孔尺寸表
六角承孔头螺丝[JIS B1176(1988) *JIS B1176(1976)拔粹
TEL FAX
E-mail
ccsmould@pchome.c
(0512)65015828(0512)65012333参考:对六角承孔头螺丝的沉头及螺丝孔的呎吋
(1)S(最大)之第1栏,适用于强度区分8.8及10.9者及形状区分A2-50,A2-70者,第2栏适用于强度区分12.9者,可依供需双方协议,将强度区分12.9者适用第一栏.螺丝称号M20以上的S(最大),可适用于全部强度区分及性情区分者.
(2)头部侧面应施予直条刻纹等压在刻纹[JIS B0591(金花刻纹)],此时,dk(最大)为本表所示,** 记号的数值,不需压花刻纹者, 由订购人径行指定.此时的dk(最大)为本表所示附*记号的数值.。
螺栓和螺钉通孔尺寸(GB/T 5277-1985)螺纹规格d M1 M1.2 M1.4 M1.6 M1.8 M2 M2.5 M3 M3.5 M4 M4.5 M5 M6 M7 M8螺纹直径精装配 1.1 1.3 1.5 1.7 2 2.2 2.7 3.2 3.7 4.3 4.8 5.3 6.4 7.4 8.4 中等装配 1.2 1.4 1.6 2 2.1 2.4 3.2 3.4 3.9 4.5 5 5.5 6.6 7.6 9 粗装配 1.3 1.5 1.8 2.2 2.4 2.6 3.7 3.6 4.2 4.8 5.3 5.8 6.6 7.6 10螺纹规格d M10 M12 M14 M16 M18 M20 M22 M24 M27 M30 M33 M36 M39 M42 M45螺纹直径精装配10.5 13 15 17 19 21 23 25 28 31 34 37 40 43 46 中等装配11 13.5 15.5 17.5 20 22 24 26 30 33 36 39 42 45 48 粗装配12 14.5 16.5 18.5 21 24 26 28 32 35 38 42 45 48 52- 1 -- 2 -1、括号内规格尽量不采用。
2、M3~M20为商品规格,其它为通用规格。
3、材料/力学性能 钢/8.8, 12.9不锈钢 / ≤M20时为A2-70; >M20时为A2-50.标记示例:螺纹规格d=M5, 公称长度l=20mm, 性能等级为8.8级,表面氧化的内六角圆柱头螺钉:螺钉 GB70-85 M5×20- 3 -1、括号内规格尽量不采用。
2、材料/力学性能:钢/ 4.8。
标记示例:螺纹规格d=M5, 公称长度l=20mm, 性能等级为4.8级,不经表面处理的H型十字槽沉头螺钉:螺钉GB819-85 M5×20 Array- 4 -1. C 级垫圈没有Ra3.2和去毛刺的要求。
螺栓和通孔尺寸匹配方法我折腾了好久螺栓和通孔尺寸匹配方法,总算找到点门道。
说实话,刚开始接触这个事儿的时候,我完全是瞎摸索。
我就想着,螺栓嘛,只要能塞进通孔不就得了。
所以第一次我就随便拿了个看起来差不多粗细的螺栓往通孔里怼,结果呢,要么塞不进去,要么塞进去晃荡得厉害,根本没法正常使用。
后来我就学聪明了点,我知道得先量一量螺栓的直径。
我拿尺子量螺栓的时候,这才发现看似简单的测量也不容易呢。
螺栓的螺纹部分是螺旋状的,很难测量准确。
我一开始就直接量外径,但是有些情况下由于误差,和通孔匹配还是不合适。
有一次我量好螺栓直径,找了个稍微比这个直径大一点的通孔,想着这样肯定能行,可实际操作的时候发现,虽然能进去,可就是拧不好。
这时候我才意识到光考虑直径是不够的,还得考虑螺栓的螺距和通孔的一些内壁处理情况。
那螺栓的螺距怎么确定呢?我当时真是一头雾水啊。
我查了好多资料才搞清楚,螺距影响着螺栓和孔壁的配合紧密度。
如果螺距太大,螺栓在孔里就拧不紧。
这就好比你在墙上挂画,钉子的螺纹要是太稀疏,肯定挂不住画框一样。
对于通孔的内壁处理,我也吃过亏。
我碰到过一个通孔看起来尺寸合适,螺栓也能顺利拧进去一段,可是到后面就拧不动了。
后来我仔细观察才发现,通孔内壁有一些毛刺没处理干净。
这就好比你走在一条小路上,路上有很多小石头,肯定走得磕磕绊绊。
所以在匹配螺栓和通孔之前,一定要确保通孔内壁是光滑的。
我不确定每次都能准确无误地做到尺寸完美匹配,但经过这么多尝试,我总结出一些实在的建议。
比如说,测量螺栓直径最好多测几个位置,取平均值,这样更准确。
还有就是对于要经常拧动的螺栓,通孔的选择要有一些余量,不然使用过程中很容易卡住。
再就是要关注螺栓和通孔的材质,一些软质材料的螺栓可能在拧紧过程中会发生变形,这时候通孔也要相应调整。
反正就是多测试,多积累经验,慢慢来就会越来越熟练这个螺栓和通孔尺寸的匹配这回事儿了。
螺栓螺钉通孔尺作者:日期: 2螺栓和螺钉通孔尺寸(GB/T 5277 —1985)螺纹规格d M1M1.2M1.4M1.6M1.8M2M2.5M3M3.5M4M4.5M5M6M7M8螺纹直径精装配 1.1 1.3 1.5 1.72 2.2 2.7 3.2 3.7 4.3 4.8 5.3 6.47.48.4中等装配 1.2 1.4 1.62 2.1 2.4 3.2 3.4 3.9 4.55 5.5 6.67.69粗装配 1.3 1.5 1.8 2.2 2.4 2.6 3.7 3.6 4.2 4.8 5.3 5.8 6.67.610螺纹规格d M10M12M14M16M18M20M22M24M27M30M33M36M39M42M45螺纹直径精装配10.51315171921232528313437404346中等装配1113.515.517.52022242630333639424548粗装配1214.516.518.52124262832353842454852Mg柱头用沅礼(适用千GMU* ( W自GB152.3-a0 )螺纹规格 ]dl单位;31.6 3. 3 1.S l.S2 4.3 2.3 2.4 2.55, 0 2.0£,B 30.0 3.4£4 49. 0 4.e 4.6 510.0 5.7 E.E 611.C匕毬S15.C9 j 5.0 1018.C11.511.0 1220.C13.0le13.5 1424.C15. 5le15. 5 1626417.52017. 5 2033.D21.5£422. a 2440.C25.52620.0 3048.C32. a3633. a 3S57.C53.03乩a45±M 六*头«栓卸六用沅孔(#自(;B152.4-06 )M 机头用沉孔 (福自GB152. z-ee : dl 2a较规格 I d2L6 3.7 1.0 l.E2 4.5 1 1.2 1 2.4 2.5 E. e l.C 2.S3 乞4 1.6 3.4乳5 £4 2.4 3.94S.6 2.T 4.E 5 10. 0 2. T 5. Ee 12・03.3 G.63 1人6 4. e 乳010 20.3 5.0 11. 12 24.4 e. 0 1 二 14 2S.4 7.0 15. 5 le 32.41 6.0 1 1 17. &20 40.410.D32.1.65 - 1. 82e1 -2.42,5 e 1 2, 93 s3.44 104. 55 115. 56 131 6, 63 IS人010 2211.012 26 1613. 5K 30 IB1 15.5le 33 2017. 518 36 22 20.020 40 24 22. 022 43 2e 2424 4S 2S 2627 5333 3030 SI36 3333 SG3B1 363e T1 423S39T646 424232 4S 4E45 ag 51 1 4G4S ?s 56 5252 107 50 6655 112 50舵eo 1137266eq125le70d]L 觀纹规格 I 吕26Tit 1 M *iiL > —■ V , ISpA单世> <■*)括号内规格尽量不采用。
M3- M20为商品规格,其它为通用规格。
材料/力学性能钢 /8.8, 12.9不锈钢/ < M20时为 A2-70;> M20时为 A2-50. 标记示例:螺纹规格d=M5,公称长度l=20mm,性能等级 为8.8级,表面氧化的内六角圆柱头螺钉:螺钉 GB70-85 M5X 201、 2、 3、M 内六角g 柱头蠕钉t ft 自GB7O-B5等504762-77 ) 螺纹瞬db 舉考1范围da (rax) is Onae (min) IcOnas )E (min) t (ndn) w(]iiinj光戳部s 险称) M2 C.4le 3.33. 982.6 21. 7320. 11.510. E5 3〜20 160.00203 m2. 50.451 7乳54. es 3. 13. 52.32. 5□. 121. 10. E5 4〜25 20□.00329M3 C.5135-55. 6S 3,6 3 2・ST3 CL 1 2.5 1*3 I. 15 5〜和 20 0, 00402 M4 C.T 20 7匚22 4.7 4 3,44 4 CL 2 3 2 L4 6〜40 25 0.00884 M5 C.8 1 22 8-58. 72 5.7 5 4,53 5 0.2 4 2'. 5 L9 8〜50 25 0.0 1430 M6 1 24 1010.22 6.8 6 5.72 6 0.25 5 32.3 1CKV60 30 0.02084 M81.25 28 1313. 27 9.2 e6-86 8 0.4 6 43.3 12^80 35 0.03923 皿Q1.& 32 16 le. 27 11.2 10乩15 10 LU e & 4 W 〜lOO 40 0,06363 J112 1. T5 36 le IS. 27 13.T 12 11*43 12 0*6 10 6 4.8 20 〜120 4b 0,OS034 (K14)2 40£12L 331£T1413.72120.61£T5.025^140 550*ITIUOJfflS 244 24 24. 33 IT.T1I&16.00 16 0.614 8 6,8 25 〜160 550.17960K20 2.5 52 30 30. 3322.420 19.44 200.817 108. 6 3D 〜200 050.29990 1124 3 60 36 36. 39 26.424 21.73 240. S IS 1210.4 ■4D 〜2D0 SO 0.46265 1130 3 5 72 45 45. 3933,430 25, 15 30 I 32 15, & 13, 1 45-^200 90 0,75351 JI304345454. 4e39・43630*3530I27ISl&. 355 〜ZOO110k 243OaPIDUjiun 长的重量 (k 刃叱♦ H1.6 Mikl7ZS!1、 括号内规格尽量不米用。
2、 材料/力学性能:钢/ 4.8 标记示例:螺纹规格d=M5,公称长度 l=20mm,性能等级为4.8规ttdpa《IRAK)b (min) Ik 伽ax) f k(inaK) r Onin.) rf 十字槽 十字槽 曜插入深K 十字糟 深庫 十字槽 N 型插入 深庫 m#肴 十字糟 入深度 min1范囿( W 品规 格) 全螺纹 时最大 长度 IDOnjii 怅的 垂量[Mi.e j 0,35 0.7 1 25 1 3 1 X 1 1 1 (k4 1 3 1 1 0 1 1.6 1 1 D,S 1.8 1 0. 7 3〜応 30 1 0.00113“1厂" 0.40/S' 25 3. 8 a, 51. 2 0.5 4 0 L 9 O 792 0. 95 3〜20 30 0.00190.4E0.0 2E 4. 7 丄sl.E o.e E 1 2. 9 1.4 3 1.4S 3〜药 30 0.. 00308冊0,5 I 25 5,5 XT 1.65 o.e 6 1 彳・2 1-7 3. 2 L5 4〜3Q 30 Q. 004525.7L4 38 e. 4 1 2.7 1 9" 2 4. e 2.1 4. 5 2.05 5〜处 45 0. 00452M5 0・3 L6 3E 9. 3 1,2 2.7 1.3 9-5 2 5.2 2.7 5. 1 2.5 6〜50 45 0,01286M6 1 2 38 11.3 1.4 3. 3 1.5 12 3 & B 3 6. 8 3 e 〜60 45 0.01353me 1-25 人5 36 15.S £ 4. es 2 IS, 5 4 £, 0 4 9 4・15 ID 〜60 45 0- 03434IrtLO1.53361乩3乙35 2.5 13. 5 4 10 5,1 10 弘2 12〜6U45 3.0537 M 十宇槽沅头fitr {^%IS07046-19S3 )单僅: 级,不经表面处理的H 型十字槽沉头螺钉:螺钉 GB819-85 M5 X 208--------- r --------1did2M 平垫( ft 自GBS5-B5 ^3&rSOTD91-I9e3 > 单位! in) 罔f1. C 级垫圈没有Ra3.2和去 毛刺的要求。
2. C 级适用于中等装配系列, A 级适用于精装配系列。
—1 1工1 did2I 材料力学性能等级:钢200HV;奥氏体不锈钢公称尺寸dI 516 S 10 12 14 le202430 36dl B. 691113.515. 5 17* & £2 3339(1212 16 20 24 28 30 37 44 &e 66h 1. e 1. e 2 2.5 2. E 3 344 &10血个重量(kQ壬I0, 991. 725 3. 43S e. 3OS S. 711 10. 9T 16.35 31.05 50,40ST. 3& 监垫■-憑 i:9 自CB97. 1-851507009-1983 )单僮;(u)公称尺寸d 1dl 垃1h1MOD 个重重(胚)=^? 5 5.3 101 0.4435e.4 12 1. 6 1. 3283 8.4 10 1.6 L32810 10. 5 £0 2 3. 5712 13 24 2.5 6.2714 IS 23 2. 5 3. Sll16 IT 30 3 1L2920 21 37 3 17* le24 25 44 4 32・ 3130 31 56 4 53. SI363T66592* Q39di 2-85 等敖tWOTf)馳T 昶3 }单检富(■)d2材料力学性能等级:钢300HV;奥氏体不锈钢A350 标记示例:标准系列、公称尺寸 d=8mm 性能等级为300HV 级、倒角型、 不经表面处理的平垫圈:公称尺寸吐1 dld2h1 OOQ-f-^里(kg) %55. 3ID1C.44366. 4 121. 610159 e, 4 lei.e1.S2310 10.5 202 工5712 13 24 2.5 0.2714 IE 28 2. 5 S. 61116 17 30 3 11*2920 21 37 3 17. IQ24 25 44 432,313031 561 41E3.613637565S2,03单加(nJEMf 里量1、尽可能不采用括号内规格。