可燃气体报警控制器2016
- 格式:pdf
- 大小:964.58 KB
- 文档页数:12
可燃气体报警控制器说明书可燃气体报警控制器说明书1:产品概述1.1 产品简介本可燃气体报警控制器是一款用于监测可燃气体浓度并进行报警的设备,广泛应用于工业、商业和家庭环境中。
1.2 产品特点- 高灵敏度:可燃气体的浓度范围广,低至ppm级别的可燃气体也能够及时检测到。
- 高准确度:采用先进的传感器技术,保证了测量准确度的提高。
- 响应迅速:一旦检测到可燃气体浓度超标,报警控制器立即发出警报信号。
- 可编程设置:用户可以根据实际需求对报警控制器的参数进行设置,如报警阈值、报警方式等。
1.3 适用范围本可燃气体报警控制器适用于一切可燃气体监测情况,包括但不限于天然气、液化气、煤气等。
2:安装与维护2.1 安装前准备2.1.1 确保安装环境符合要求:安装环境应干燥、通风良好,远离有腐蚀性气体和高温环境。
2.1.2 确认电源:根据设备规格,选择合适的电源供给,并检查电源线路的接线是否正确。
2.2 安装指导2.2.1 固定安装:将报警控制器固定在合适的位置,确保固定牢固,以免受到外力移动或摇晃。
2.2.2 接线安装:根据设备说明书,正确接线,确保电源和传感器的连接准确无误。
2.3 维护与保养2.3.1 定期检查:定期检查报警控制器的工作状态、报警装置和传感器的故障情况,确保设备正常工作。
2.3.2 清洁保养:定期清洁报警控制器的外壳和传感器,防止尘埃和杂质对设备造成影响。
3:使用说明3.1 开机与关机3.1.1 开机:接通电源后,报警控制器会进行自检,确保设备正常工作。
3.1.2 关机:在正常工作状态下,按下关机按钮,报警控制器会关闭电源并停止工作。
3.2 参数设置3.2.1 报警阈值设置:用户可以根据实际需求,设置可燃气体浓度超过多少时触发报警。
3.2.2 报警方式设置:用户可以选择报警控制器的报警方式,如声音报警、光闪烁报警等。
3.3 报警处理3.3.1 报警信号:当可燃气体浓度超过设置的报警阈值时,报警控制器会发出警报信号。
消防工程师消防安全技术实务2016年真题解析一、单项选择题一、单项选择题(共80题,每题1分,每题的备选项中,只有1个最符合题意)1.对于原油储罐,当罐内原油发生燃烧时,不会产生()。
A.闪燃B.热波C.蒸发燃烧D.阴燃答案:D2.汽油闪点低,易挥发,流动性好,存有汽油的储罐受热不会()现象。
A.蒸汽燃烧及爆炸B.容器爆炸C.泄露产生流淌火D.沸溢和喷溅答案:D3.根据《建筑材料及制品燃烧性能分级》GB8624—2012,建筑材料及制品性能等级标识GB8624B1(B—S1,d0,t1)中,t1表示()的等级。
A.烟气毒性B.燃烧滴落物/颗粒C.产烟特性D.燃烧持续时间答案:A4.下列关于耐火极限判定条件的说法中,错误的是()。
A.如果试件失去承载能力,则自动认为试件的隔热性和完整性不符合要求B.如果试件的完整性被破坏,则自动认为试件的隔热性不符合要求C.如果试件的隔热性被破坏,则自动认为试件的完整性不符合要求D.A类防火门的耐火极限应以耐火完整性和隔热性作为判定条件答案:C5.某独立建造且建筑面积为260㎡的甲类单层厂房,其耐火等级最低可采用()。
A.一级B.二级C.三极D.四级答案:C6.某机械加工厂所在地区的年最小频率风向为西南风,最大频率风向为西北风,在厂区内新建一座总储量15t的电石仓库。
该电石仓库的下列选址中符合防火要求的是()。
A.生产区内的西南角,靠近需要电石的戊类厂房附近地势比较低的位置B.辅助生产区内的东南角,地势比较低的位置C.储存区内的东北角,地势比较高的位置D.生产区的东北角,靠近需要电石的戊类厂房附近地势比较低的位置答案:C7.某多层砖木结构古建筑,砖墙承重,四坡木结构屋顶,其东侧与一座多层的平屋面钢筋混凝土结构办公楼(外墙上没有凸出构件)相邻。
该办公楼相邻侧外墙与该古建筑东侧的基础、外墙面、檐口和屋脊的最近水平距离分别是11m、12m、10m和14m。
该办公楼与该古建筑的防火间距应认定为()m。
可燃气体报警控制器操作说明操作前的准备:1.确保可燃气体报警控制器已经安装在指定位置,并通过相关传感器连接到需要监测的区域。
2.确保可燃气体报警控制器的电源已经接通,并处于正常工作状态。
3.在启动可燃气体报警控制器之前,应该对其进行初次校准。
校准方法可参考设备的相关说明书。
操作步骤:1.启动可燃气体报警控制器:按下控制器上的电源按钮,确认控制器已经处于工作状态。
此时,控制器会进行自检,显示屏上会显示正常工作信息。
2.监测气体浓度:通过控制器上的显示屏,可以实时监测到各个传感器所监测的气体浓度。
控制器通常配备有多个通道,可以同时监测多种不同的气体。
3.设置警报参数:根据需要,可以通过控制器的菜单功能进行警报参数的设定。
一般可以设定上下限警报值,当气体浓度超出设定的警报值范围时,控制器会发出声光报警信号。
同时,可以设定报警延迟和报警方式等相关参数。
4.查看报警记录:控制器会记录下警报事件的发生时间、气体浓度等信息。
通过控制器的相关功能,可以查看和导出这些报警记录,以便进行分析和处理。
5.执行应急措施:当发生气体泄漏或超出警报范围时,及时采取应急措施非常重要。
根据安全规程和现场情况,及时进行紧急疏散、封堵气源等应急处理措施,确保人员和设备的安全。
6.维护保养:定期对可燃气体报警控制器进行检查和维护保养,以确保其正常工作。
尤其要定期清洁和校准传感器,更换电池等。
注意事项:1.在操作可燃气体报警控制器时,应仔细阅读相关说明书,并按照指示进行操作。
控制器的操作方法和菜单功能可能因不同的品牌和型号而有所不同。
2.在设定警报参数时,要根据实际气体浓度和安全需求进行合理设定。
过高或过低的警报值都可能导致误报或漏报的问题。
3.在执行应急措施时,要根据相关安全规程和应急预案进行操作,确保人员和设备的安全。
2016年消防产品3C认证依据标准消防装备产品强制性认证单目录及认证依据标准1 正压式消防空气呼吸器认证依据标准GA 12422. 消防员个人防护装备消防头盔认证依据标准GA 44消防员灭火防护头套认证依据标准GA 869消防员灭火防护服认证依据标准GA 10消防员隔热防护服认证依据标准GA 634消防员化学防护服装认证依据标准GA 770消防手套认证依据标准GA 7消防员灭火防护靴认证依据标准GA 6消防腰斧认证依据标准GA 630安全绳认证依据标准GA 494安全带认证依据标准GA 494安全钩认证依据标准GA 494上升器认证依据标准GA 494抓绳器认证依据标准GA 494便携式固定装置认证依据标准GA 494下降器认证依据标准GA 494滑轮装置认证依据标准GA 494消防员呼救器认证依据标准GB 27900正压式消防氧气呼吸器认证依据标准GA 6323 消防摩托车认证依据标准GA 7684抢险救援产品消防斧认证依据标准GA 138消防救生气垫认证依据标准GA 631消防梯认证依据标准GA 137消防移动式照明装置认证依据标准GB 26755消防救生照明线认证依据标准GB 26783移动式消防排烟机认证依据标准GB 279015逃生产品逃生缓降器认证依据标准GB 21976.1 GB 21976.2逃生梯认证依据标准GB 21976.1 GB 21976.3逃生滑道认证依据标准GB 21976.1 GB 21976.4应急逃生器认证依据标准GB 21976.1 GB 21976.5逃生绳认证依据标准GB 21976.1 GB 21976.6 6自救呼吸器过滤式消防自救呼吸器认证依据标准GB 21976.1 GB 21976.7化学氧消防自救呼吸器认证依据标准GA 411火灾报警产品强制性认证单元划分及认证依据标准1 点型感烟火灾探测器认证依据标准GB 47152 点型感温火灾探测器认证依据标准GB 47163 独立式感烟火灾探测报警器认证依据标准GB 205174 手动火灾报警按钮认证依据标准GB 198805 点型紫外火焰探测器认证依据标准GB 127916特种火灾探测器点型红外火焰探测器认证依据标准GB 15631吸气式感烟火灾探测器认证依据标准GB 15631图像型火灾探测器认证依据标准GB 15631点型一氧化碳火灾探测器认证依据标准GB 156317 线型光束感烟火灾探测器认证依据标准GB 140038电气火灾监控系统电气火灾监控设备认证依据标准GB 14287.1剩余电流式电气火灾监控探测器认证依据标准GB 14287.2测温式电气火灾监控探测器认证依据标准GB 14287.39 火灾显示盘认证依据标准GB 1742910火灾声和/或光警报器火灾声光(声/光)警报器认证依据标准GB 26851 11 火灾报警控制器认证依据标准GB 471712消防联动控制系统设备消防联动控制器认证依据标准GB 16806气体灭火控制器认证依据标准GB 16806消防电气控制装置认证依据标准GB 16806消防设备应急电源认证依据标准GB 16806消防应急广播设备认证依据标准GB 16806消防电话认证依据标准GB 16806传输设备认证依据标准GB 16806消防控制室图形显示装置认证依据标准GB 16806消防电动装置认证依据标准GB 16806消火栓按钮模块认证依据标准GB 1680613 防火卷帘控制器认证依据标准GA 38614 线型感温火灾探测器认证依据标准GB 1628015 家用火灾报警产品认证依据标准GB 2237016城市消防远程监控产品用户信息传输装置认证依据标准GB 26875.117可燃气体报警产品可燃气体报警控制器认证依据标准GB 16808测量范围为0~100%LEL的点型可燃气体探测器认证依据标准GB 15322.1测量范围为0~100%LEL的独立式可燃气体探测器认证依据标准GB 15322.2测量范围为0~100%LEL的便携式可燃气体探测器认证依据标准GB 15322.3测量人工煤气的点型可燃气体探测器认证依据标准GB 15322.4测量人工煤气的独立式可燃气体探测器认证依据标准GB 15322.5测量人工煤气的便携式可燃气体探测器认证依据标准GB 15322.618消防应急照明和消防应急标志灯具消防应急照明灯具认证依据标准GB 17945应急照明控制器认证依据标准GB 17945应急照明集中电源认证依据标准GB 17945应急照明配电箱认证依据标准GB 17945应急照明分配电装置认证依据标准GB 1794519消防安全标志认证依据标准GB 17945常规消防安全标志认证依据标准GA 480.1GA 480.2蓄光消防安全标志认证依据标准GA 480.1GA 480.3逆向反射消防安全标志认证依据标准GA 480.1GA 480.4荧光消防安全标志认证依据标准GA 480.1GA 480.5搪瓷消防安全标志认证依据标准GA 480.1GA 480.6其他消防安全标志认证依据标准GA 480.120火警受理设备火警受理信息设备认证依据标准GB 16281火警调度机认证依据标准GB 16281火警数字录音录时装置认证依据标准GB 1628121 119 火灾报警装置认证依据标准GB 1628222消防车辆动态管理装置消防车辆动态终端机认证依据标准GA 545.1消防车辆动态管理中心收发装置认证依据标准GA 545.2火灾防护产品强制性认证目录及认证依据标准1.饰面型防火涂料防火涂料认证依据标准GB 12441钢结构防火涂料认证依据标准GB 14907电缆防火涂料认证依据标准GB 28374混凝土结构防火涂料认证依据标准GB 283752防火封堵材料防火封堵材料认证依据标准GB 23864防火膨胀密封件认证依据标准GB 16807塑料管道阻火圈认证依据标准GA 3043耐火电缆槽盒认证依据标准GB 294154防火窗钢质隔热防火窗认证依据标准GB 16809木质隔热防火窗认证依据标准GB 16809钢木复合隔热防火窗认证依据标准GB 16809其他材质隔热防火窗认证依据标准GB 16809 5防火门钢质隔热防火门认证依据标准GB 12955木质隔热防火门认证依据标准GB 12955钢木质隔热防火门认证依据标准GB 12955其他材质隔热防火门认证依据标准GB 12955防火锁认证依据标准GB 12955防火门闭门器认证依据标准GA 936防火玻璃隔热型防火玻璃认证依据标准GB 15763.1防火玻璃承重隔墙认证依据标准非GA 977防火卷帘钢质防火卷帘认证依据标准GB 14102钢质防火、防烟卷帘认证依据标准GB 14102特级防火卷帘认证依据标准GB 14102防火卷帘用卷门机认证依据标准GA 6038防火排烟阀防火阀认证依据标准GB 15930排烟防火阀门认证依据标准GB 15930排烟阀认证依据标准GB 159309消防排烟风机认证依据标准GA 21110挡烟垂壁认证依据标准GA 533。
SY 6503-2016 石油天然气工程可燃气体检测报警系统安全规范条条款内容及说明款号石油与天然气工程是研究石油与天然气勘探、评估、开采、油气分离、输送理论和技术的工程学领域。
主要包括石油与天然气生成环境、勘探、油气井工程设计、测井数据采集和处理、油气田开采、油气储运以及工程管理等内容。
可燃气体检测报警系统3.4 稳定轻烃natural gasoline从天然气凝液或原油中提取的,以戊烷及更重的烃类为主要成分的液态石油产品,其终馏点不高于190 ℃,在规定的蒸气压下,允许含有少量丁烷。
也称天然汽油。
凝析气condensate gas。
当地下温度、压力超过临界条件以后,液态烃逆蒸发而生成的气体,称为凝析气。
一旦采出后,由于地表压力、温度降低而逆凝结为轻质油,即凝析油。
凝析气是石油在高温高压条件下溶解在天然气中形成的混合物。
凝析气位于地下数千米深的岩石中,开发得到的主要产品是凝析油和天然气。
3.7 液化天然气liquified natural gas (LNG)主要由甲烷组成的液态流体,一般还含有少量的乙烷、丙烷、氮和其他成分。
液化天然气(Liquefied Natural Gas,简称LNG),主要成分是甲烷,被公认是地球上最干净的化石能源。
无色、无味、无毒且无腐蚀性,其体积约为同量气态天然气体积的1/625,液化天然气的质量仅为同体积水的45%左右。
其制造过程是先将气田生产的天然气净化处理,经一连串超低温液化后,利用液化天然气船运送。
液化天然气燃烧后对空气污染非常小,而且放出的热量大,所以液化天然气是一种比较先进的能源。
液化天然气是天然气经压缩、冷却至其凝点(-161.5℃)温度后变成液体,通常液化天然气储存在-161.5摄氏度、0.1MPa左右的低温储存罐内。
其主要成分为甲烷,用专用船或油罐车运输,使用时重新气化。
4.2 可能积聚可燃气体的石油天然气站场和储运设施(除4.3 外),应按本标准设置固定式可燃气体检测报警系统,并按巡检人员数量配置便携式可燃气体检测报警器。
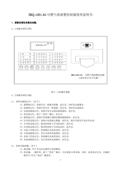
JBQ-1001-64可燃气体报警控制器使用说明书1.面板各部位名称及功能:1.1面板各部位名称:图1—主机操作面板1.2面板各部位功能:1).各种功能指示灯:(12个)⑴. 报警指示灯:系统中任一探测点报警,此灯亮。
同时发出报警音。
⑵. 故障指示灯:系统中发生任一种故障,此灯亮。
同时发出故障音。
⑶. 总线短路指示灯:系统中发生总线短路现象时,此灯亮。
⑷. 消音指示灯:按下“消音”键后,此灯亮。
⑸. 隔离指示灯:系统中有探测点或联动模块被隔离时,此灯亮。
⑹. 打印状态指示灯:系统中有故障点数据,此灯亮。
提示可将其手动打印出来。
⑺. 手动状态指示灯:联动控制处于手动状态时,此灯亮。
⑻. 自动状态指示灯:联动控制处于自动状态时,此灯亮。
⑼. 交流工作指示灯:控制器在交流供电时,此灯亮。
⑽. 交流故障指示灯:发生交流供电故障时,此灯亮。
⑾. 直流工作指示灯:控制器在直流供电时,此灯亮。
⑿. 直流故障指示灯:发生直流供电故障时,此灯亮。
2).各种功能按键:(8个)⑴. 联动键:用于手动启动或停止控制模块。
⑵. 消音键:一键多用。
按下“消音”键后,可以消除3种音响。
同时,消音指示灯亮。
在编程操作中,作为“退出”键使用。
⑶. 编程/确认键:一键多用。
在联动控制编程时,作为“编程”键使用;在其它操作中作为“确认”键使用。
特别注意它一步一个脚印的确认过程。
⑷. 手动/自动键:它是控制器处于“手动状态”还是“自动状态”的选择键。
⑸. 上行键:它是一个方向键,能移动光标或增减数值,其运行方向向上。
⑹. 下行键:它也是一个方向键,能移动光标或增减数值,其运行方向向下。
⑺. 走纸键:按下它,打印机向前空白送纸。
全部锁定。
2.系统概要:2.1系统配置:JB-1001-64 可燃气体报警控制器为壁挂式控制器,它是全总线开关量产品。
在全总线上可以带64个可燃气体报警地址(1~64)和8个控制模块地址(97~104)。
控制器采用点阵式液晶显示屏,用汉字显示所有信息。
浙江衢州联州致冷剂有限公司技术标准Q/JHGF LZ J 15-2016 B版/0次可燃性气体分析仪作业指导书批准:审核:编制:实用文档2016-XX-XX发布 2016-XX-XX实施浙江衢州联州致冷剂有限公司发布实用文档可燃性气体分析仪作业指导书一、可燃气体的爆炸极限相关知识:可燃气体、蒸汽或粉尘通常用在空气中的体积百分比或先是比来表示其浓度。
可燃气体(蒸汽)与空气的混合物,并不是在任何浓度下,遇到火源都能爆炸,而必须是在一定的浓度范围内遇点火源才能发生爆炸。
这个遇点火源能发生爆炸的可燃气浓度范围,称为可燃气的爆炸极限(包括爆炸下限“LEL”和爆炸上限“UEL”)。
可燃气体在空气中遇明火爆炸的最低浓度,称为爆炸下限——简称%LEL。
英文:Lower Explosion Limited.可燃气体在空气中遇明火爆炸的最高浓度,称为爆炸上限——简称%UEL。
英文:Upper Explosion Limited.不同可燃气(蒸汽)的爆炸极限是不同的,如氢气的爆炸极限是4.0%~75.6%(体积浓度),意思是如果氢气在空气中的体积浓度在4.0%~75.6%之间时,遇火源就会爆炸,而当氢气浓度小于4.0%或大于75.6%时,即使遇到火源,也不会爆炸。
甲烷的爆炸极限是5.0%~15%意味着甲烷在空气中体积浓度在5.0%~15%之间时,遇火源会爆炸,否则就不会爆炸。
可燃粉尘爆炸极限的概念与可燃气爆炸极限是一致的。
爆炸极限一般用可燃(粉尘)在空气中的体积百分数(%),也可以用可燃气(粉尘)的重量百分数表示(毫米/米³或是毫克/升)。
可燃性气体的浓度过低或过高它是没有危险的,它只有与空气混合形成混合气或更确切地说遇到氧气形成一定比例的混合气才会发生燃烧或爆炸。
低于爆炸下限,混合气中的可燃气的含量不足,不能引起燃烧或爆炸,高于上限混合气中的氧气的含量不足,也不能引起燃烧或爆炸。
燃烧是伴有发光发热的激烈氧化反应,它必须具备三个要素:a、可燃物(燃气);b、助燃气(氧气);c、点火源(温度)。
可燃气体报警控制器操作说明一、安装准备1.确保控制器的安装位置远离可燃气体源并易于观察和操作。
2.确保安装位置没有其他干扰物,如电磁干扰源、振动源等。
3.安装控制器时应遵循相关的安全规范和标准,确保安全可靠。
二、连接检查1.首先检查供电电源是否稳定,确保电源电压符合控制器的标准要求。
2.检查可燃气体传感器是否正确连接到控制器的传感器接口上。
3.检查报警器设备是否正确连接到控制器的报警接口上。
三、设置参数1.打开可燃气体报警控制器的电源。
2.进入控制器的设置界面,根据实际需要进行相应参数的设置,包括可燃气体浓度报警阈值、报警器的声音和闪光提示等。
3.对于多个传感器的控制器,还需设置各传感器的编号和对应的报警阈值。
四、校准设备1.定期对可燃气体传感器进行校准,以确保其准确度和灵敏度。
2.校准前,应在干净的空气环境中预热传感器,避免误差的产生。
3.根据校准操作流程,依次进行校准气体预吹、零点校准和量程校准等步骤。
4.校准完成后,可将传感器的测量结果与标准检测器进行对比,以验证校准结果的准确性。
五、操作维护1.定期检查控制器的工作状态和显示屏是否正常,及时处理任何异常情况。
2.定期更换可燃气体传感器,以确保其准确度和灵敏度,并延长控制器的使用寿命。
3.定期清洁控制器的外表面,避免灰尘和污垢影响其散热和传感器的工作效果。
4.当发生可燃气体报警时,应按照指示进行相应的紧急处理和应急疏散,确保工作场所的安全。
总结:可燃气体报警控制器的操作说明主要包括安装准备、连接检查、设置参数、校准设备和操作维护等内容。
通过正确使用和维护,可燃气体报警控制器能够有效地监测环境中的可燃气体浓度,及时发出警报,保障工作场所的安全。
在操作过程中,务必遵循安全规范和标准,并定期进行检查和维护,确保设备的稳定性和可靠性。
可燃气体报警控制器操作说明操作说明:可燃气体报警控制器1.引言本文档为可燃气体报警控制器的操作说明,旨在帮助用户正确操作该设备并了解其功能。
请用户在使用前仔细阅读本说明书,并根据需要进行操作。
2.设备介绍2.1 设备外观可燃气体报警控制器外观采用黑色塑料壳体,配有LCD显示屏和按键面板。
具备多种操作功能。
2.2 设备功能- 可燃气体监测:探测并报警可燃气体泄漏情况。
- 报警控制:在检测到可燃气体泄漏时,触发报警器发出声光报警信号。
- 数据记录:可记录过去一段时间内的气体泄漏情况,并提供数据报表。
- 远程监控:可与监控中心连接,实现远程监控和管理。
3.使用方法3.1 接通电源将控制器的电源插头插入交流电源插座,并按下开关按钮接通设备电源。
3.2 参数设置通过按键面板,设置控制器的参数,包括报警阈值、报警方式、数据记录时间间隔等。
具体设置方法请参考设备附带的操作手册。
3.3 报警测试为了确保控制器功能正常,定期进行报警测试。
按下测试按钮,触发控制器报警器发出声光信号。
如果未听到声音或看到指示灯闪烁,应立即联系售后服务。
4.维护与保养4.1 清洁定期清洁控制器外壳,可用干布或软刷轻轻擦拭。
4.2 检测与校准建议每半年进行一次气体泄漏检测与校准。
可以联系专业检测机构进行检测,或使用校准装置进行自检。
5.故障排除5.1 无法接通电源检查电源插头和插座连接是否良好,检查电源线是否损坏。
5.2 报警信号不响检查报警器是否正常连接,检查设置是否正确。
5.3 其他故障如遇其他故障,请联系售后服务。
6.附件本文档无附件。
7.法律名词及注释7.1 可燃气体:指能够在适当的条件下燃烧的气体,如天然气、液化石油气等。
7.2 报警器:用于发出声音或光信号以提醒人们注意某种危险情况的装置。
可燃气体报警控制器操作说明可燃气体报警控制器操作说明目录1、产品概述2、产品特点3、安装与接线3.1 安装环境要求3.2 安装步骤3.3 接线说明4、控制器参数设置4.1 基本参数设置4.2 报警参数设置5、报警与故障处理5.1 报警处理步骤5.2 故障处理步骤6、控制器维护与保养6.1 定期检查6.2 火警测试6.3 维护与保养措施7、常见问题解答8、相关附件9、法律名词及注释1、产品概述本文档为可燃气体报警控制器的操作说明。
可燃气体报警控制器是一种用于检测可燃气体浓度, 并在检测到可燃气体超过设定阈值时发出报警信号的设备。
它广泛应用于工业、商业和住宅等场所,提供了可靠的可燃气体泄露监测和报警保护。
2、产品特点- 可燃气体报警控制器采用先进的传感技术,具有高灵敏度和快速响应的特点。
- 控制器具有多种报警方式,包括声音报警、光闪报警和遥信输出报警等。
- 可燃气体报警控制器还可与其他报警设备和监控系统进行联动,提供更完善的安全防护。
- 控制器结构紧凑,安装简便,操作方便。
3、安装与接线3.1 安装环境要求- 室内环境温度:-10℃~+50℃- 相对湿度:≤95%- 室内无腐蚀性气体,无剧烈振动3.2 安装步骤- 将控制器固定在合适的位置,确保与控制器的通风口保持一定距离。
- 确保控制器与电源接口连接良好,并接通电源。
- 安装连接所需的传感器,并确保传感器与控制器的接口连接正确。
3.3 接线说明- 按照图示接线图连接报警控制器与其他设备,确保接线正确且牢固。
4、控制器参数设置4.1 基本参数设置- 进入控制器主菜单,并选择“基本参数设置”选项。
- 根据实际使用要求设置报警延时、外部报警频率、显示亮度等参数。
4.2 报警参数设置- 进入控制器主菜单,并选择“报警参数设置”选项。
- 根据不同的可燃气体类型和浓度要求设置报警阈值和报警方式。
5、报警与故障处理5.1 报警处理步骤- 当控制器发出报警信号时,迅速判断报警源并采取相应的应急措施。
可燃、有毒气体检测报警仪的强制检定到底是怎么规定的可燃有毒气体检测报警仪现在已经成了各个石油化工企业以及涉及到重大危险源的企业的一种标配了,也成了政府和专家们隐患排查的一个几乎必查项目,尤其是2017年安监总局发布了第121号文《化工和危险化学品生产经营单位重大生产安全事故隐患判定标准》之后,可燃有毒气体检测报警仪的设置与否直接上升到重大安全隐患的层面了,由此可见,相关部门对可燃有毒气体检测报警系统的重视程度了。
但是今天我写这篇文章的目的不是去研究可燃有毒气体报警设置的技术问题,而是重点探讨一下可燃有毒气体检测报警仪设置之后的后续工作,也就是检测报警仪的维护、检测、检定等事宜。
关于检测报警仪的维护、检测、检定等后续工作事宜,也是一件令大家闻之头疼的事情,因为这里面的事情给人一种毫无头绪的感觉,群里也是为此展开过热烈的讨论,但总归无果而终。
那么今天我们就从头捋一捋气体检测报警仪的维护、检测、检定等方面的问题。
当一个气体检测报警仪从它在现场安装完成之后,并且正式投用的那一刻起,该气体检测报警仪实际上也正式进入了全生命周期的后半辈子环节,也就是运行、维护、报废环节。
此处的词语“维护”代表的是广义上的维护,它包含了保养、维修、检测、检定等内容。
我们正式探讨第一个问题,气体检测报警仪的维护是必须要做的吗?答案是肯定,但我们并不是仅仅要一个肯定的答复,我们习惯于从法律法规、政策条文中寻找依据。
在2021年6月10日通过的《安全生产法》中,第三十六条:第三十六条向我们传达了两个信息,第一明确规定了安全设备需要定期的维护,第二明确规定了安全设备的检测应当符合国家标准或行业标准。
可能较真的网友会问,气体检测报警仪属不属于安全设备呢?这个问题确实很普遍,那么我们必须把安全设备的范围讲清楚,一部法律的出台,并不能够解决所有的细节问题,这个时候就需要对法律进行释义,新《安全生产法》颁布了,目前还没公布条文释义,但我们可以参考2014版《安全生产法》条文释义,在2014版《中华人民共和国安全生产法释义》中对安全设备做了以下解释:“安全设备主要是指为了保护从业人员安全、防止生产安全事故发生以及在发生生产安全事故时勇于救援而安装使用的机械设备和器械,如矿山使用的自救器、灭火设备以及各种安全检测仪器,包括安全检测系统、瓦斯检测器、测风表、氧气检测仪、顶板压力检测仪等。
GB16808可燃气体报警控制器1、范围本标准规定了可燃气体报警控制器的范围、分类、要求、实验、检验规则、标志和便用说明书。
本标准适用于一般工业与民用建筑中安装使用的可燃气体报警控制器(以下简称控制器),其它环境中安装的具有特殊性能的控制器,除特殊要求应由有关标准另行规定外,亦应执行本标准。
2、规范性引用文件下列文件对于本文件的应用是必不可少的。
凡是注日期的引用文件.仅所注日期的版本适用于本文件.凡是不注日期的引用文件,其最新版本(包括所有的修改单)适用于本文件。
GB4706.1-2005家用和类似用途电器的安全第l部分:通用要求GB/T9969工业产品使用说明书总则GB12978消防电子产品检验规则GB 15322可燃气体探测器GB 16838消防电子产品环境实验方法及严酷等级GB/T 17626.2电磁兼容实验和测量技术静电放电抗扰度实验GB/T 17626.3电磁兼容实验和测量技术射频电磁场辐射抗扰度实验G8/T17626.4电磁兼容实验和测量技术电快速瞬变脉冲群抗扰度实验GB/T17626.5电磁兼容实验和测量技术浪涌(冲击)抗扰度实验GB/T17626.6电磁兼容实验和测量技术射频场感应的传导骚扰抗扰度实验GB/T17626.11电磁兼容实验和测量技术电压暂降、短时中断和电压变化的抗扰度实验3分类3.1控制器按工作方式分为:a)总线制;b)多线制。
3.2控制器按便用环境分为:a)室内使用型;b)宝外使用型。
3.3控制器按应用方式分为:a)独立型(不具有向其它控制器传递信息功能的控制器):b)区域型(具有向其它控制器传递信息功能的控制器):c)集中型(具有接收其它控制器传递的信息并集中显示功能的控制器).4术语和定义4.1屏蔽状态disabledcondition控侧器在屏蔽功能启动后所处的状态。
4.2监管信号supervisory signal控制器监视的与其连接设备发出的除可燃气体报警、故障信号之外的其它输入信号.4.3监管报警状态supervisory signalcondition控制器发出监管报警信号时所处的状态。