跑焦测试卡[高清版]
- 格式:pdf
- 大小:399.03 KB
- 文档页数:1
图像测试卡规格选择——SFRplus测试卡我们知道,目前对于摄像头的测试,图像测试卡配合测试软件的解决方案,由于其便捷搭建与操作在摄像头测试中已经越来越普遍。
针对不同的摄像头,我们需要知道如何去选择测试卡的参数规格,比如测试卡的材料,图案类型,尺寸大小,高宽比等等。
SFRplus测试卡是imatest运用最广,功能最全面的测试卡,可以测试图像分辨率,色彩还原,动态范围,白平衡,畸变,横向色差,等等图像大部分的测试参数。
该测试卡有几种对比度选项:一、4:1对比度:符合最新的ISO-12233细则。
二、10:1加上2:1对比度:使用两种对比度分析非线性信号处理。
三、10:1对比度:提升图像表面3D表现的完整性。
材料类型——半光亮材料和无光泽材料半光亮材料测试卡有着更多的细节,在暗黑灰阶部分有更深的阶度,它用在更多的应用方案中除了广角镜头。
无光泽材料能够更方便地照亮因为它比起半光亮材料,有更少的反射光线。
它的MTF值稍微低于半光亮材料并且没有半光亮材料那么深的暗黑部灰阶。
方块及尺寸选项5×9方块的尺寸适用于大多数3:2的数码单反摄像机和16:9的HDTV高清电视。
5×7方块的尺寸适用于4:3高宽比的轻型摄像机。
喷墨打印机测试卡分辨率所有我们的喷墨打印测试卡有一个MTF50值为5cycles/mm的值。
一定要记住选择合适尺寸的测试卡。
太小的测试卡应用于高分辨率传感器,会导致测试卡的MTF值严重降低了摄像机系统测出来的MTF值。
另外,要保证足够大的测试卡以满足最小焦距,以及传感器的分辨率。
测试卡大小固润光电测试卡根据方块规格主要有5中尺寸大小选项。
12MP以下的摄像机推荐使用中型测试卡,高于12MP而低于24MP的摄像机推荐使用大型的测试卡,而超大的测试卡适用于高于24MP的摄像机。
测试卡大小(包括边缘)图表:颜色选项包括颜色色块用来测试色彩还原。
如果选择此选项,则“focus star”区域被20个色块取代用以分析。
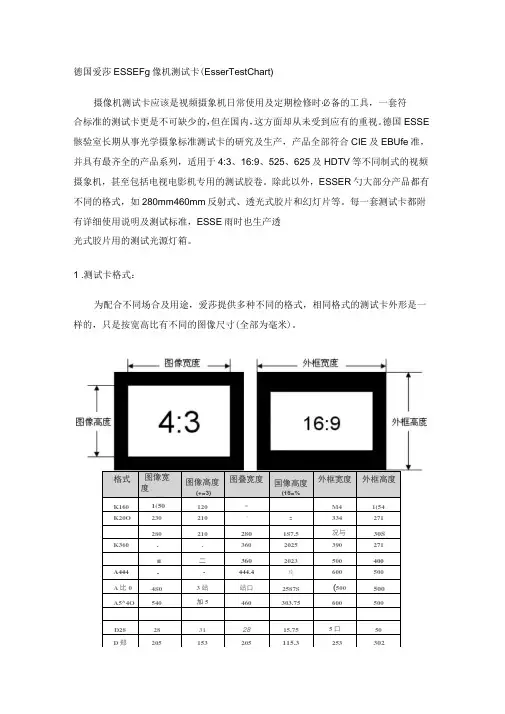
德国爱莎ESSEFg像机测试卡(EsserTestChart)摄像机测试卡应该是视频摄象机日常使用及定期检修时必备的工具,一套符合标准的测试卡更是不可缺少的,但在国内,这方面却从未受到应有的重视。
德国ESSE 骸验室长期从事光学摄象标准测试卡的研究及生产,产品全部符合CIE及EBUfe准,并具有最齐全的产品系列,适用于4:3、16:9、525、625及HDTV等不同制式的视频摄象机,甚至包括电视电影机专用的测试胶卷。
除此以外,ESSER勺大部分产品都有不同的格式,如280mm460mm反射式、透光式胶片和幻灯片等。
每一套测试卡都附有详细使用说明及测试标准,ESSE雨时也生产透光式胶片用的测试光源灯箱。
1 .测试卡格式:为配合不同场合及用途,爱莎提供多种不同的格式,相同格式的测试卡外形是一样的,只是按宽高比有不同的图像尺寸(全部为毫米)。
格式图像宽度(+=3)图像高度(+=3)图叠宽度国像高度(16=%外框宽度外框高度K1601(50120*M41(54 K20O230210==3342712802102801S7.5况与30S K360..3602025390271■二3602023500400 A444--444.4攻600500A比04S03站站口2587S(500500 A5^4O540加5460303.75600500D2828312815.755口50 D郑205153205115.3253302备注:1. BBC64,BBC65,TE109,TE108及TE153图像格式为4:3,但有16:9标尺2. BBC64,BB63带黑洞来提供低于黑电平的测试,厚度为112mm3. A444格式只有HDTV4. K360只有16:9套装用5. K280只有4:3套装用6. K160只有小型套装用7. HDT段有D28格式8. D280格式可用LG2LV5,LV6及索尼的灯箱,D240格式需配DNP®配器。
使用尼康50mmF/1.4D大光圈镜头的一点体会尼康50mmF/1.4D镜头的优、缺点已有众多摄友热议,在此不再赘叙。
它是一只非常优秀又很难驾驭的镜头,要想使用好并非一件易事,必须要熟悉它的脾气,掌握它的特点,一般来说,1.4光圈成像稍欠,光圈收缩2.0以上就非常锐利了,整个光圈段都有上佳的表现。
部分影友认为:F1.4的大光圈基本上不可用,其实不然,关键是对焦的技巧问题,当光圈设定为F1.4时,景深是以毫米来计算的,正可谓:失之毫厘差之千里,如果解决了对焦问题,其他问题将会迎刃而解,F1.4的大光圈不但可用,还会给你带来意外的惊喜, 这其中的缘由,还要自己切身去体验。
以下是个人总结的一点点体会,不知是否会对影友们有所帮助。
尼康50mmF/1.4D镜头精度一般还是较高的,大多不存在跑焦的问题。
机身的档次越高,对焦越强劲,机身跑焦的机率越小。
但为慎重起见,还是应该在网上下载跑焦测试卡进行测试。
另外还要分清是镜头跑焦还是机身跑焦。
1.使用F1.4的大光圈,如果采用自动对焦,一次对焦的精度有时会有偏差,如反复进行几次合焦成功率会显著提高。
2. 使用F1.4的大光圈手动对焦时,因聚焦屏无裂变聚焦,因此可参照绿色聚焦指示灯(磨砂玻璃不易看清),当绿色指示灯常亮时(不允许闪烁),才能达到聚焦准确。
虽然自动对焦时绿灯常亮偶尔并未精准,但手动聚焦时,绿灯常亮时聚焦成功率却较高。
因对焦环对焦行程很短,手动聚焦难度较大,使用F1.4大光圈时对焦时间较长,不宜采用抓拍。
3. 使用中央“十”字对焦点,比其他“一”字对焦点精度和可靠性要高出不少。
4. 最好使用三脚架,对焦时中央对焦框一定要框住对焦点。
如对焦时相机发生抖动,被摄体将和相机对焦点发生偏离,对焦点难以准确合焦。
5. 环境光线好坏不同时聚焦成功率差距很大,当环境光线较弱时,D300S以下机型合焦精度会受到影响,片子成功率会有所降低,这时选取对焦点就显得尤为重要,尽量选择环境光线稍强反差稍大的点聚焦,会使成功率有所提高。
分辨率测试卡楔⼦测量MTF的最佳做法和陷阱摘要随着数字成像在各种⾏业中的普及,正在开发测量分辨率和锐度的新标准。
⼀些与ISO 12233:2014分辨率测试卡调制传递函数(MTF)测量显着不同。
我们专注于汽车相机监控系统的ISO 16505标准,它使⽤⾼对⽐度双曲线楔形代替倾斜边缘来测量系统分辨率,定义为MTF10(MTF =其低频值的10%的空间频率)。
根据倾斜边缘对信号处理敏感的说法选择楔形。
虽然确实如此,我们发现楔⼦也是⾮常敏感的,并且提出了⼀些测量挑战:⼦像素位置变化导致不可避免的不⼀致;楔形饱和使得结果更加稳定,牺牲了精度; MTF10可以通过锐化,噪声和其他⼯件来提升,并且可能永远不会达到。
质量差的图像可能表现出⾼MTF10。
我们表明,混叠的发⽣是⼀个更稳定的性能指标,我们讨论了获得楔形最准确结果的⽅法以及关于低对⽐度倾斜边缘的误解,这与系统性能更好相关,更具代表性汽车和安全成像感兴趣的对象。
介绍数字影像的应⽤在包括汽车,安全和医疗在内的许多⾏业中迅速扩⼤,其中还有⼏个。
随着这些应⽤的发展,正在建⽴新的标准[1],以确保图像质量满⾜每个⾏业的具体需求。
也许最重要的图像质量因素是清晰度或分辨率,它决定了图像可以传达多少细节。
两者都是根据调制传递函数(MTF)定义的(实际上与空间频率响应SFR相同)。
MTF是空间频率f相对于低频的正弦波模式的对⽐。
⽤于计算MTF的原始空间频率单位是每像素周期(C / P)。
MTF通常以C / P或以C / P直接得出的单位报告,例如每幅图像⾼度的线宽(LW / PH),其中f(LW / PH)= 2 f(C / P)×图⽚⾼度图⽚⾼度可以任意选择,以符合ISO 16505的要求。
清晰度和分辨率具有相似之处,尽管不尽相同。
清晰度与整体观众感知有关,并且与MTF50密切相关,MTF50是MTF下降到其低频值⼀半(50%)的空间频率。
解决⽅案(通常是消失的解决⽅案的缩写)有许多定义。
K10D工程模式下调整跑焦全过程(多图)我的K10D昨天发现跑焦,经过仔细阅读各位DX的文章下定了自己调整跑焦问题的决心,今天经过一个半小时的努力终于调整成功。
下面我就把整个调整过程给大家汇报一下,水平有限请大家多多包涵。
1. 跑焦问题的原因分析K10D跑焦主要有两个原因,第一是组装质量有问题,出厂时焦点没有调好。
第二是由于反光板倾斜引起。
从K10D光路图分析,上面一束光从反光板进入我们的目镜被我们的眼睛捕获,下面的另一束光进入镜头驱动电路,反光板倾斜后,反光板和CCD形成相对错移,我们眼睛里看的是倾斜后的光束,而CCD是在正确位置,所以当按动快门后,照射到CCD上的光束和我们看到的不一致,这样就造成了焦距不准。
现在发现大部分跑焦问题是由于反光板倾斜造成的。
2.什么是工程模式工程模式英文名称是DEBUG MODE,意思是调整状态。
工程模式是相机在出厂前进行装配调整时使用,也可在相机维修时使用。
一般相机厂家不向用户公布工程模式,以免由于用户调整不当造成相机瘫痪。
3.进入K10D工程模式状态需要的条件K10D固件必须是1.1版,1.0、1.11、1.3版均无法进入工程模式。
4.固件升级到1.3版的如何处理前一阵网上流出了K10D固件1.3版,很多宾友都更新了。
宾得K10D的固件是不允许从高版本往低版本改变的,所以用1.1版的固件无法恢复1.3版的机器。
好在网上有高人制作了一个伪1.3版的固件程序,其实它是1.1版的,可以欺骗机器升级固件,进入工程模式。
伪1.3固件网上可以找到,实在不行可以给我发邮件,我给你邮寄一份。
5.升级固件方法K10D固件升级步骤a.下载固件得到fwdc162b.binb.把固件文件fwdc162b.bin拷进sd卡。
c.插入sd卡,按住MENU键开机。
d.LCD 上会显示NOW LOADING,“LOADING”完成后,会出现YES和NO,按方向键选择YES,然后按OK。
e."UPDATING"就是在升级了。
DIY 解决尼康D90跑焦问题我们知道,尼康D80,D90,D200甚至D300都会出现机身与镜头不匹配的问题,尤其是跑焦,跑焦的原因很多,有些是镜头引起的,有些则是机身引起的。
镜头引起的跑焦必须送到原厂去调整,但机身引起的跑焦完全可以通过自己的调节轻松搞定。
当然D300D700这样的高档机器内部已经带了AF机身微调功能,所以不必再去调整。
这里我以尼康D90为例,给大家讲述一下如何进行机身AF微调。
1、首先准备一张跑焦测试纸(如图),用A3纸打印,然后细心裁剪并折叠,注意:测试纸的中心黑色焦点必须与水平面垂直(如图),然后将相机和测试纸放在同一水平面并且对直(如图),注意镜头必须是没有任何问题的镜头,这次我用了一支AF50MM/1.4D。
2、准备妥当后,镜头对准测试纸的中心黑色焦点,用大光圈拍摄一张,并仔细观察照片,如果刻度0前后景深一致的,说明机身没有问题,不需要调节,反之,则要调节。
3、调节机身时,关闭相机开关,用手拨起反光镜,并用透明胶纸轻轻粘住,我用的是汉高百得透明胶纸(粘性好很重要),准备一支2mm的内六角扳手,轻轻拧动图中Focus螺丝,稍一用力即可拧动(如图),注意:如果是向后跑焦的顺时针拧,如果是向前跑焦的逆时针拧,拧动角度一般10-20度,不要太大。
4、机身调节后,装上镜头再拍摄一张照片,仔细对比调节前后的差别,如果仍有跑焦的,重复上述步骤,直至照片中的刻度0前后景深完全一致为止(如图)。
用其它镜头拍摄测试纸也一样完美,呵呵。
业余条件下尼康D90跑焦问题轻松搞定,现在我感觉D90的状态比出原厂时还要好了,哈哈。
供大家分享。
补充一句,即使全新原厂相机也有可能跑焦,这好比,我们小时候玩过卡座(放磁带机器),如果磁头方位角不准确,会导致音色发闷,全新卡座磁头的方位角有时候也会不准确,所以最好测试和调整一下,卡座如此,相机亦如此。
解决跑焦示图1注意:测试纸的中心黑色焦点必须与水平面垂直(如图)解决跑焦示图2解决跑焦示图3解决跑焦示图4解决跑焦示图5拧动图中Focus螺丝,稍一用力即可拧动(如图),注意:如果是向后跑焦的顺时针拧,如果是向前跑焦的逆时针拧。
你真跑焦了吗?近来总有人提到“跑焦”了,又“跑焦”了。
然后贴出这样的一些“测试卡”以证明自己真的很“倒霉”。
或是这样的“测试尺”一次次的告知自己:“我用的是一台跑焦的破机器”。
日久天长“谎言重复千遍,便也成了真理”。
对自己的机器“跑焦”深信不疑。
还有很多人以为中心“对焦点”的合焦区域就是在取景器中心的那个红色的小方框了。
甚至还有人抱怨:“既然是对焦点干嘛做成方块?太不严谨了吧!破相机!还不如450D以下的相机呢,好歹框里面还套个点。
”其实那个所谓的“点”只是一个标记,实际测焦时却是一个区域进行的。
经过测试以中心对焦点为例,实际上对焦且合焦的范围比那个小方框大多了,那个区域基本上和点测光的那个圈大小差不多。
(也许是40D和50D采用了中央对焦点为f2.8以下水平垂直线条都敏感的检测感应器,对焦范围更小一些,也更精确一些,但仍是一个区域。
)其它各对焦点也有这样的现象,机身档次越低这个对焦范围越大。
首先用测焦卡的那位大哥,用的纸不行。
要使用硬纸卡制作测焦卡,尤其是使用f2.8以上的这种大光圈镜头,景深也就是1~3毫米,你的纸不平毫厘,将谬之千里。
找了几本书,平摞在一起。
由下往上依次后移一段距离(约1厘米左右),就像楼梯一样。
用相机分别对每本书对焦拍摄。
仔细查看图片,可以看出被摄书是清晰的,而与被摄书上下相邻的两本书呈现模糊。
由此说明这部相机不存在跑焦的问题。
但是实际使用时,挺多的时候焦点确实不知跑到那里去了。
那么这是什么原因呢?答案一:是物体反差的影响测试方法与上面测试一样,只是书变了。
首先,书变得薄了。
第二,书脊的字体反差变大了。
我们来看看实际拍摄,中间的一本书,反差较小,上下相邻的书反差较大,由于大圆圈范围内包含了这三本书。
所以合焦点总是不能落到中间的书上。
可以看出,在大圆圈范围内反差强的地方是被优先对焦的。
本来想照中间那本书,但两边相邻的书有更强的反差。
结果合焦点未落到中间书上,而是落到旁边的书上了。
佳能600D配什么镜头好佳能入门级单反600D,拥有1800万像素的成像能力,并使用DIGIC4图像处理器,具备1080P的全高清视频拍摄功能。
那么佳能600D配什么样的镜头比较好呢?图为佳能600D日用和旅行佳能600D配什么镜头好配一个24-70镜头看起来焦距很多,但是拍摄效果可是很好的。
尤其是这款镜头成像效果非常的好。
现在很多朋友都会选择这款镜头,这款佳能24-70镜头唯一不好的地方就是价格太贵了。
要是对价格没有什么要求的话,就挂这款24-70镜头吧!佳能24-70这款镜头是红圈镜头,主要是用于全画幅相机上。
虽然佳能600D相机不是全画幅相机,但是也可以发挥这款佳能24-70镜头的性能。
尤其是在广角方面,虽然不能完全使用广角,但是可以使用部分广角功能。
佳能600D配什么长焦镜头好18-200的镜头,这款镜头属于中长焦镜头。
也是"一镜走天下"的镜头。
这款镜头对于经常旅游,不喜欢在拍照的时候来回更换镜头的朋友来说,这款镜头算是首选了。
佳能18-200mm镜头涵盖广角到长焦的11倍超大变焦比镜头,带IS防抖功功能,效果相当于提高约4档快门速度,采用两片UD 超低色散镜片和两片非球面镜片,带来出色画质。
优化的镜头镀膜及镜片位置,有效抑制鬼影和眩光。
全焦距范围内最近对焦距离0.45米。
采用圆形光圈,具有出色背景虚化效果。
高速CPU和优化的对焦算法,带来高速自动对焦。
配备镜头变焦环锁定装置,方便携带。
佳能600D挂什么鱼眼镜头好佳能15mm的鱼眼镜头,这款鱼眼镜头的性价比很好。
同时佳能15mm鱼眼镜头成像清晰度极高、鱼眼畸变效果极佳,色彩还原逼真,对焦速度快,可用光圈F2.8全开锐度。
是一款不错的鱼眼镜头。
拥有180°视角的鱼眼镜头能拍摄很独特的效果,其广阔的景深能加深照片的趣味性,可进至0.2米做近摄。
镜头附有花瓣型遮光罩,镜头后部设明胶滤光镜架。
佳能600d配备镜头,我建议楼主还是配一个24-70镜头。
AF精度(跑焦)测试与微调要领自己解决单反跑焦问题DSLR数码单反相机是可以更换镜头的,机身和镜头是组成一部完整相机的两个主要部分。
就用户手头的机身和镜头而言,即使是套机在出厂时是否每一部都进行了匹配校正?一般人不得而知。
事实是:我们许多摄友都是机身与镜头分开购买配置的,还有许多摄友是用不同厂家的产品凑合在一起使用的。
因此,机身与镜头之间存在一个匹配问题,有匹配就有一个精度误差。
当机身与镜头的匹配误差达到一定的量后,首先表现出来的就是对焦精度的降低,即橡友们所说的跑焦。
跑焦,作为单反相机,在数码时代已经是一个不可回避的问题了,即便是专业相机+专业镜头也可能跑焦。
因此,各大厂商在新推出的中高档单反数码相机上增加了AF微调功能。
作为单反相机使用者,最好是对自己的爱机进行一次测试,特别是相机有AF微调功能的用户,建议必须做一下这个测试,利用AF微调功能把对焦调到最佳状态。
测试可以让你做到心中有数,可以大大增强自己拍出高清晰照片的信心。
在谈测试要领前,先对跑焦下一个定义,以便正确理解和正确操作。
那么,什么是跑焦呢?任何精密仪器,都不可能达到完全100%的准确精度。
由相机与镜头之间的配合误差导致的AF偏差,就是本要领针对的跑焦。
跑焦,是在摄影者各项操作完全正确,相机也已显示完全正确聚焦的情况下,而实际成像的合焦点偏离目标聚焦点面,向前或者向后偏离的一种成像结果。
从理论上讲,没有跑焦的相机的最清晰成像点面应该在目标聚焦点面上。
这与摄影者操作不当(如所选对焦点反差太小,或对焦点前有遮挡物等)发生的对焦不准或不能对焦是不同的。
跑焦不一定是镜头单方面的原因,很多时候与机身内的机械定位和AF模块共同配合有关。
过去,校正跑焦要把相机和镜头一起送到厂家的专业维修站(点)才能进行。
现在,有AF微调功能的相机在一定误差范围(+20~-20)内可以自己动手解决了。
要进行AF微调,首先就是要进行准确的AF聚焦精度测试。
专业的测试,一般人没有那个条件,业余条件下的测试一般人都可以进行,只要方法要领得当,可以满足实用要求。
《佳能镜头编号代表年份对照表》UE = 90UF = 91UG = 92UH = 93UI = 94UJ = 95UK = 96UL = 97UM = 98UN = 99UO = 00UP = 01UQ = 02UR = 03US = 04UT = 05UU = 06UV = 07UW= 08UX = 09UY==2010UZ==2011(注:佳能真伪查询电话4006222666)购买佳能24-70镜头时如何测试镜头佳能查询真伪电话:4006222666 不知道是新的还是二手的, 假设是新的吧1. 准备好单反和对焦测试卡(网上下一个, 打印出来)2. 首先仔细检查镜头编号和包装盒, 保修卡上的是否一致3. 镜头卡口的触点, 有么有划痕, 镜头上的螺丝有没有拧过的痕迹, 这个主要是看是不是二手, 翻新镜头4. 镜头内部的镀膜有没有灰尘, 霉点, 异物, 脱落等质量问题5. 上机身, 使用对焦测试卡测试2470是否跑焦, 这个很重要, 2470L因为设计比较老了, 跑焦的情况还是时有发生的, 建议仔细检查.6. OK闪人, 别忘了保修单, 发票就行我就有这个头,成像不错。
7. 看卡口磨损情况,新镜头如果有磨损肯定是用过,二手头磨损厉害的话肯定是用的比较狠的。
二手头转下UV镜看看镀膜,有没有腐蚀、发霉,受潮是镜头的大敌。
24-70是超声波马达,对焦听声音,声音应该非常小,暗处对焦也非常迅速。
拿把尺子,跟卖头的地方借个架子,上架子,转到70端,光圈优先,2.8光圈,从尺子斜上方30度左右的最近对焦距离处对某一刻度进行对焦,拍摄,在机身或笔记本电脑中放大(最好有电脑),看看对焦处是否清楚,是否跑焦。
最大光圈没有问题,其它的问题不大,再用24端拍拍试试就行。
头不便宜,请严谨测试。
正常拍摄几张相片,比如24端,70端,最大光圈,最小光圈,看成像有没有问题就行还要看自动对焦是否有问题,对焦是否坚决、准确先看外观是否有磨损(主要是防止二手,或者翻新机) 其次看镜头内部是否有灰尘或者霉变再次接上机身,分别选取远中近三个焦段,对准一个较为突出的物体(比如烟灰缸的边角)试拍,查看是否跑焦。
尼康官方调焦软件对D90跑焦进行调焦校准尼康官方调焦软件对D90跑焦进行调焦校准以D90进行跑焦校准为例,以下为操作过程,将步骤写出,以供后来者参考,本文侧重描写使用尼康官方软件校准跑焦操作过程【郑重声明:以下均为本人个人观点,受限于水平、时间、视野和金钱,观点绝对肯定100%具有局限和片面性,请读者自行斟酌提取有效成份】校准过程工具准备校准前,需要用到如下东西:1 跑焦的D902 随机附送的USB线缆;3 SD卡一张(用于存储图片分析实际焦点所在,眼力越好越有优势)4 可靠的对焦工具(可在百度下载对焦测试卡)5 电脑一台,装Windows 7 64位旗舰版,当然XP哪些也是可以的;7 尼康官方调焦软件D90.exe,(杀毒软件可能会提示有可疑程序,介意者就不要往下了,哥不介意,顶多重装系统,这些年来重装的系统还会少么?还是调相机要紧!呵呵,果断忽略警告,继续往下)连接电脑首先关闭尼康D90机内的AF微调功能,然后将尼康D90关机,相机一端插入USB线缆,另外一端插入装有Windows 7 64位旗舰版电脑,然后打开D90电源!(此步重要,按照相机说明书,D90不支持热拔插,建议严格按照此步骤操作,不要冒烧相机的险),此时电脑会自动搜索安装软件,驱动安装完毕,可以进行下一步操作;运行跑焦校准程序1、在电脑上找到并打开D90.exe所在目录,双击D90.exe运行程序,如下图所示;软件界面2、弹出如下图所示要求输入密码窗口时,输入“Moud7000”,注意区分大小写;如果初次运行,可能还会弹出要求输入序列号,此时输入“18D1-A1AD-F835-E1A6”即可;3,4,在这里可以刷快门,无论之前快门数是多少,都可以更改为任意数字(快门数)56787,根据相机实拍的实际焦点情况,进行校准,如果想把实际焦点往靠近相机方向移动,请选择“焦点往近处偏移”,如果想把实际焦点往远离相机方形移动,请选择“焦点往远处偏移”在“偏移量”中填入你心目中的幸运偏移值(呵呵,反正需要多次调的,简易粗调时以数值10为步进,中调时以数值5为步进,细调时以数值1为步进)8、然后点击OK按钮,弹出修改完毕消息框,点击确定退出。
本文部分内容来自网络整理,本司不为其真实性负责,如有异议或侵权请及时联系,本司将立即删除!== 本文为word格式,下载后可方便编辑和修改! ==图像测试卡篇一:ISO 12233分辨率测试卡已经淘汰了ISO 12233分辨率测试卡已经淘汰了?目前国际上用于相机图像分辨率的测试,依据的标准是ISO 12233。
很多厂家,无论是国内还是国外的,为了能够拥有一套紧跟国际标准的图像质量检测系统,来保证和提高自己的摄像机成像质量,往往需要紧跟“时代的步伐”。
这可不是强迫症,要知道,目前摄像机种类繁多,运用范围极广,各厂家不可能创造自己的标准并按照自己的套路来适应庞大的市场。
ISO标准目前是摄像机市场上公认的通用标准。
谈到ISO 12233分辨率测试卡,你可能会把这张标准的测试卡亮出来:当你自豪地把它掏出来的时候,你可能没料到,这张看似标准的ISO 12233分辨率测试卡将不再作为分辨率测试的标准卡,它早已不适应当今的分辨率测试,现在我们去ISO网站搜索,甚至已经搜索不到ISO 12233:201X,取而代之的,是ISO 12233:201X。
是的,严格来说它叫做ISO 12233:201X分辨率测试卡,一张保持十多年标准的的测试卡,不得不让我们敬仰它的坚挺。
但是现实是,ISO早已出台新的标准,淘汰了十几年前的“落伍”标准,而更新成了ISO 12233:201X:一副“高富帅”的气息扑面而来有木有。
这就是美国图像质量检测公司imatest联合ISO国际标准,制定的ISO 12233:201XEdge SFR (eSFR)测试卡。
而eSFR又根据不同的需求分为标准版、增强版、扩展版。
如图所示:斜边图形和楔形图分辨率标准版:3:2,没有添加图案增强版:3:2或4:3,添加色块、6块扩展版:同增强版,3:2或16:9,用高下面我们来比对一下ISO 12233:201X相对于201X的优势在哪里:1. 新的eSFR减少了相当多的浪费区域,尤其是增强版和扩展版。