压缩空气式雾化器产品技术要求金新兴
- 格式:docx
- 大小:16.90 KB
- 文档页数:3
1.输出压力: 7L/min@100kPa
2.喷雾量: 0.40 ml/min*
3.粒子径: MMAD 3-5 um*
4.药液杯容量:最大7mL
5.药液量:2-7ml
6.喷雾速率: 0.25mL/ 分钟
7.噪音: 65dB 以下
8.电源:AC 220V、50HZ
9.消耗功率:140VA以下
10.使用环境温度+10 ~ +40℃ /30% ~ 85%RH/
11.湿度/ 气压:700 ~ 1060hPa
12.保管运输环境温度/-20 ~ +60℃ /10% ~ 95%RH/
13.本体重量:约2.2kg(仅本体部分)
14.外形尺寸:宽约175×高约110×厚约215mm
15.防电击分类: II 类设备、B 型应用部分
16.性能特点:耐久工艺设计,保证泵的使用寿命长达5年,高强度的压缩机,输出功率达到7L/min(100kPa时);保证患者能够得到有效的治疗。
17.机身抗菌树脂,适合医院环境
18.高效、简洁的配套雾化耗材,药液杯仅由2部分组成。
药液灌注、雾化治疗、后期清洗更便捷。
有效地提高了整体治疗的效率。
19.外置过滤片,可及时更换,保证干净
①雾化器本体1套
②药液杯组件1套
③送气管 1套
④吸嘴1件
⑤吸入面罩1件
⑥过滤片盖 1个
⑦更换用过滤片5片
⑧使用说明书(附带保修卡)1本
⑨合格证1份。
1.性能指标1.1.外观与结构1.1.1.压缩式雾化器外观应整洁,色泽均匀,无伤痕、划痕、裂纹等缺陷,面板上文字和标志应清晰可见。
1.1.2.压缩式雾化器塑料件应无气泡、起泡、开裂、变形以及灌注物溢出现象。
1.1.3.压缩式雾化器的药液杯、送气管应无泄漏。
1.1.4.压缩式雾化器的按键机构应安装牢固、可靠,紧固部位应无松动。
1.2.性能1.2.1.气体流量气体流量应不少于6.5L/min。
1.2.2.喷雾速率喷雾速率应不小于0.16mL/min。
1.2.3.最大容量药液杯标称容量应符合表2的规定表 1 药液杯最大容量1.2.4.压力范围a)正常状态压力:正常工作条件下,压缩式雾化器所产生的压力范围应在60kPa~155kPa以内。
b)异常状态压力:当压缩式雾化器发生异常情况,压缩式雾化器所产生的最大压力应该在160kPa~350kPa以内,且不发生管体破裂现象。
1.2.5.残液量雾化完成后,药液杯内残液量应不大于1.0 mL。
1.2.6.雾粒直径分布1.2.6.1.压缩式雾化器生产的雾粒等效体积粒径分布曲线应在随机文件中公布。
1.2.6.2.测量条件应在说明书中公布,包括气温、空气湿度、溶液成分及其温度。
1.2.6.3.直径小于5μm的雾粒所占比例应≥60%。
1.2.6.4.中位粒径应为3.6μm±2μm。
1.2.7.整机噪声压缩式雾化器正常工作时的整机噪音应不大于70dB(A计权)。
1.2.8.连续工作时间压缩式雾化器在常温下,连续工作4小时以上,压缩式雾化器应能正常工作。
1.2.9.电源适应能力在额定电压±10%的范围内,压缩式雾化器应能正常工作。
1.2.10.配件通用性附录B清单包含的药液杯均能搭配主机使用。
1.3.环境试验压缩式雾化器应符合GB/T 14710-2009《医用电器环境要求及试验方法》中气候环境试验II组,机械环境试验II组及表3的要求。
运输试验、电源电压适应能力试验应分别符合GB/T 14710-2009《医用电器环境要求及试验方法》中4章、5章的规定。
压缩空气式雾化器使用探究压缩空气式雾化器是一种将液体转化为细小颗粒状浮游物或雾状颗粒的装置。
它广泛应用于医疗行业,用于治疗呼吸道疾病,同时也可用于美容、家居香氛等领域。
本篇文章将围绕压缩空气式雾化器的原理、优点、缺点以及使用注意事项等方面进行探究。
首先,我们来了解一下压缩空气式雾化器的原理。
压缩空气式雾化器通过压缩机产生高压气体,将液体药物通过雾化器喷嘴转化为微小颗粒状浮游物或雾状颗粒,并通过呼吸器引入患者体内。
这种雾状颗粒直径一般为2-10微米,可以更好地达到呼吸道的各个部位,使药物能够更好地吸收和起效。
压缩空气式雾化器有许多优点。
首先,它能够将药物转化为雾状颗粒或浮游物,使得药物更容易被患者吸入。
这对一些无法使用口服药物的患者来说尤为重要,比如年幼的儿童、老年人或无法正常吞咽的患者。
其次,由于雾状颗粒或浮游物的大小合适,药物能够更好地沉积于呼吸道的各个部位,并且吸收速度较快,使药效更为显著。
此外,雾化器还能够调节药液的浓度和剂量,让医生更好地控制治疗过程。
然而,压缩空气式雾化器也存在一些缺点。
首先,使用雾化器需要一定的技术和操作步骤,不能随便使用。
尤其是在自我治疗时,患者需要在医生指导下进行正确使用。
其次,雾化器使用时会产生一些噪音,这可能会影响患者的舒适感。
此外,使用过程中还需要注意清洁和消毒,以防止交叉感染的发生。
在使用压缩空气式雾化器时,还需要注意一些事项。
首先,使用前需要仔细阅读产品说明书,并按照说明书正确操作。
其次,患者在使用前应先用清水冲洗嘴巴,以免残留物影响雾化器的效果。
接下来,需要配备合适的药物,并按照医生的指导进行使用。
使用过程中,患者需要保持平稳呼吸,并且避免过度用力导致气喘。
使用后,需要及时清洗雾化器,并且定期进行消毒,以防止细菌滋生。
综上所述,压缩空气式雾化器作为一种治疗呼吸道疾病的装置,具有许多优点,如可使药物更好地吸收和起效。
然而,使用雾化器需要一定的技术和操作步骤,并且存在一定的缺点和使用注意事项。
医用压缩式雾化器组成:医用压缩式雾化器(以下简称雾化器)主要由主机和一次性使用雾化器组成。
其中主机由压缩泵、过滤组件和控制系统组成;一次性使用雾化器由送气管、雾化装置、吸嘴或吸入面罩组成。
适用范围:将液态药物雾化,并将其输送到呼吸道供患者吸入治疗使用。
1.1 产品规格型号划分说明:(详见表1)1.2 结构组成医用压缩式雾化器(以下简称雾化器)主要由主机和一次性使用雾化器组成。
其中主机由压缩泵、过滤组件和控制系统组成;一次性使用雾化器由送气管、雾化装置、吸嘴或吸入面罩组成。
2.1 工作条件雾化器正常工作条件a)环境温度:5℃~40℃;b)相对湿度:≤80%;c)大气压力:86kPa~106kPa;雾化器贮存及运输条件a)环境温度:-20℃~+55℃;b)相对湿度:≤93%;c)大气压力:70kPa~106kPa;2.2 技术指标2.2.1喷雾速率≥0.2mL/min。
2.2.2残留液量≤0.7mL。
2.2.3整机噪音:雾化器正常工作时的整机噪音应≤65dB(A计权)。
2.2.4压缩泵压缩空气流量≥8L/min。
2.3 压力范围2.3.1雾化器在正常工作条件下,雾化器所产生的压力范围为60kPa~130kPa;2.3.2当雾化器发生管路堵塞等异常情况时,雾化器所产生的压力在150 kPa~400kPa范围内,不发生机内管体破裂的现象。
2.4 连续工作时间雾化器在常温下,采用交流电源供电时,连续工作4小时以上,仪器应能正常工作。
2.5 等效体积粒径分布雾化器产生的雾粒直径1μm~5μm的雾粒所占比例大于60%。
2.6 外观及调节机构2.6.1雾化器外观应整洁,色泽均匀,无伤痕、划痕、裂纹等缺陷,面板上的文字和标志应清晰可见;2.6.2 雾化器塑料件应无气泡、起泡、开裂、变形以及灌注物溢出现象;2.6.3 雾化器的控制和调节机构应安装牢固、可靠,紧固部位应无松动。
2.7 一次性使用雾化器:为外购有医疗器械注册证的产品。
压缩式雾化器是一种用于将液体药物转化为雾状并进行吸入治疗的医疗器械。
以下是一份压缩式雾化器的使用说明书:
压缩式雾化器使用说明书
一、产品简介
压缩式雾化器是通过压缩空气产生的高速气流,将液态药物雾化成细小的气雾,以便患者进行吸入治疗。
二、使用方法
将压缩式雾化器放置在平稳的平面上,并确保电源插头已正确插入电源插座。
打开雾化器的盖子,将药液倒入药杯内,注意不要超过最大刻度线。
将面罩或吸嘴连接到雾化器的出气口。
按下电源开关,开始雾化治疗。
可根据需要调节雾量大小和出雾速度。
治疗结束后,关闭电源开关,拆下面罩或吸嘴,清洗药杯和面罩或吸嘴。
三、注意事项
在使用前,请仔细阅读产品说明书,并按照说明书的要求进行操作。
在使用过程中,如出现异常情况,请立即停止使用,并联系医生或售后服务人员。
请勿将雾化器暴露在阳光下或高温环境中,以免损坏产品。
请勿将药液倒入雾化器的出气口中,以免损坏产品。
在清洗和维护产品时,请务必断开电源插头。
本产品仅供成人和儿童使用,请在医生的指导下使用。
压缩空气式雾化机参数
压缩空气式雾化机是一种常用于工业和农业领域的设备,用于产生雾化的水雾或喷雾,通常用于降温、湿润空气、喷洒农药等应用。
以下是一些可能与压缩空气式雾化机相关的常见参数:
1.工作压力:表示雾化机所能承受的压缩空气的压力范
围,通常以帕斯卡(Pascal)或巴(Bar)为单位。
2.雾化流量:表示单位时间内雾化机产生的雾化水雾或
喷雾的体积,通常以升/小时(L/h)或加仑/小时(GPH)为单
位。
3.喷雾颗粒大小:表示雾化机产生的喷雾颗粒的平均直
径,通常以微米(μm)为单位。
颗粒大小直接影响雾化机的应
用效果,不同的应用场景可能需要不同大小的喷雾颗粒。
4.喷雾角度:表示雾化机喷雾的角度范围,即喷雾的扩
散角度,通常以度数为单位。
5.电源要求:指雾化机的电源类型和电压要求,例如交
流电、直流电,以及相应的电压和频率。
6.材料:雾化机的主要构成材料,通常是耐腐蚀的金属
或塑料。
7.控制方式:指雾化机的控制方式,可能是手动、自动
或远程控制。
8.适用场景:雾化机的适用场景,例如工业生产、农业
灌溉、空气湿化等。
9.防护等级:雾化机的防护等级,表示其对尘埃和水的
防护性能,通常以IP(Ingress Protection)等级表示。
10.重量和尺寸:雾化机的重量和尺寸参数,这些参数影
响着设备的搬运和安装。
这些参数可能会因厂家、型号和具体应用而有所不同。
在选择和使用压缩空气式雾化机时,建议查阅设备的技术规格表或联系制造商,以确保选择的设备符合特定应用的需求。
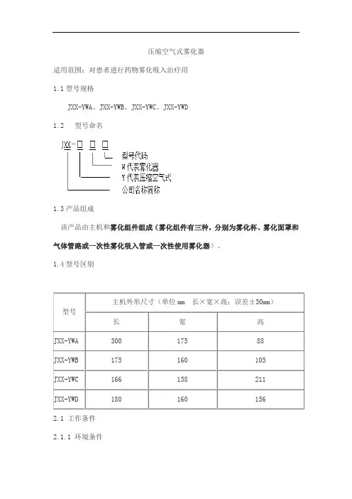
压缩空气式雾化器
适用范围:对患者进行药物雾化吸入治疗用
1.1型号规格
JXX-YWA、JXX-YWB、JXX-YWC、JXX-YWD
1.2 型号命名
1.3产品组成
该产品由主机和雾化组件组成(雾化组件有三种,分别为雾化杯、雾化面罩和气体管路或一次性雾化吸入管或一次性使用雾化器)。
1.4型号区别
2.1 工作条件
2.1.1 环境条件
a)环境温度:5℃~40℃;
b)相对湿度:≤80%;
c)大气压力:860hPa~1060hPa。
2.1.2 电源条件
交流电压220V,频率50Hz。
2.2 性能
2.2.1主要性能
a)雾化率≥0.3mL/min b)空气流量≥8L/min
c) 最大空气压力:≥0.15MPa d) 噪声≤65dB(A)
e)运行时间应能≥30min
2.2.2雾化组件:应具有医疗器械注册证或备案凭证或材质证明。
2.2.3电气安全
应符合GB 9706.1-2007《医用电气设备第1部分:安全通用要求》的规定,电气安全基本特征见附录A。
2.2.4 环境试验要求
应符合GB/T 14710-2009《医用电器环境要求及试验方法》中气候环境Ⅱ组,机械环境Ⅱ组及附录B《环境试验项目及要求》的规定。
2.2.5 外观
2.2.5.1 雾化器表面应色泽均匀,无斑痕,划痕,裂纹等缺陷,外壳上文字和标志应清晰。
2.2.5.2 操作件灵活、可靠,紧固部件应无松动,显示装置应清晰。
2.2.6 电磁兼容:应符合YY0505-2012《医用电气设备第1-2部分安全通用要求并列标准电磁兼容要求和试验》的规定。
压缩空气式雾化器压缩空气式雾化器是一种常见的雾化器类型,它利用压缩空气将液体转化为细小的颗粒,创建一种可吸入的雾状物质。
这种类型的雾化器在医疗行业、工业应用和个人护理领域中得到广泛应用。
本文将介绍压缩空气式雾化器的工作原理、特点及其应用领域,旨在帮助读者更好地了解这一技术。
压缩空气式雾化器是一种基于压缩空气原理的雾化器。
它由液体储液罐、压缩空气供气系统、喷嘴和控制系统等组成。
工作时,液体从储液罐中流入雾化室,同时压缩空气也通过供气系统注入雾化室。
在雾化室内,压缩空气作用下,液体经由喷嘴喷射出来,形成细小的颗粒状物质。
这些微小的颗粒能够漂浮在空气中,形成可吸入的雾状物质。
压缩空气式雾化器具有一些独特的特点。
首先,它能够将液体转化为非常小的颗粒,从而增加了颗粒的可吸入性。
这对于某些需要经过呼吸道直接传递药物的医疗应用非常重要。
其次,压缩空气式雾化器的制造成本较低,易于生产和维护。
这使得它在医疗设备市场上得到广泛应用。
此外,由于压缩空气式雾化器可以根据需要调整雾化物的颗粒大小,因此在不同的应用领域中具有较高的灵活性和适应性。
压缩空气式雾化器在医疗行业中具有广泛的应用。
它常被用于喷雾给药,用于治疗呼吸系统疾病,如哮喘和慢性阻塞性肺疾病。
喷雾给药可以将药物直接送达受影响的呼吸道部位,提高药物吸收效率。
此外,压缩空气式雾化器还在口腔护理和美容行业中得到应用。
例如,它可用于口腔喷雾器,用于口腔护理和口腔疾病预防。
在美容行业,它可以用于皮肤喷雾仪,提供舒缓和保湿效果。
工业应用领域也是压缩空气式雾化器的重要应用领域之一。
例如,它可以用于空气净化系统中,将清洁剂雾化使其均匀分布在空气中,并降低污染物浓度。
此外,压缩空气式雾化器还可用于喷涂工艺中,将液体涂料转化为雾状粒子,实现均匀喷涂效果。
在纺织行业中,它也常用于布料湿润,以提高工艺效率。
总之,压缩空气式雾化器是一种应用广泛的雾化器类型。
它利用压缩空气将液体转化为细小的颗粒,创建可吸入的雾状物质。
2. 性能指标2.1 外观2.1.1 压缩式雾化器外观应整洁,色泽应均匀,无伤痕、划痕、裂纹、黑点、气泡,文字、标记,应清晰可见。
2.1.2 紧固件连接应牢固可靠,不得有松动。
2.1.3 电动机的活塞缸应无机油作润滑。
2.2 尺寸压缩式雾化器出气嘴(锥形圆柱)的最大直径为9.0 mm±1.0 mm。
2.3 连接牢固性2.3.1 压缩式雾化器的出气嘴与机身之间的连接,应能承受水平方向或竖直方向50N的推力/拉力,持续30s,无断裂或脱离。
2.3.2 与压缩式雾化器的出气嘴配套使用的应用部件-输氧管,两者之间的连接应能承受水平方向或竖直方向,10N的推力/拉力,持续30s,无断裂或脱离。
2.4 零压流量压缩式雾化器正常运转5分钟后(不连接应用部件-雾化杯),出气流量应不小于7.0 L/min。
2.5额定容积流量2.5.1 压缩式雾化器正常工作5分钟后,出气流量应不小于4.5 L/min。
2.5.2 压缩式雾化器(EM99-002)连续正常工作48h后,出气流量应不小于 4.5 L/min。
2.6额定工作压力2.6.1 压缩式雾化器正常工作5分钟后,出气压力应不小于90 kPa。
2.6.2 压缩式雾化器(EM99-002)连续正常工作48h后,出气压力应不小于90 kPa。
2.7 雾化率和残液量压缩式雾化器配套相应耗材一起使用时,雾化率应≥0.20 ml/min,残液量应小于1.0 ml。
2.8 雾粒直径分布压缩式雾化器配套相应耗材一起使用时,小于φ5μm的雾粒所占比例应大于55%;雾粒的中位粒径为2.9μm,误差应不超过±25%。
2.9 噪声测试在距离压缩式雾化器1m 的任意点处测得的压缩式雾化器稳态噪声应不超过58 dB(A计权)。
2.10 安全要求2.10.1 如由于某种故障或某种不可预知的因素,电动机不工作,使线圈的温度达到130℃±10℃,压缩式雾化器的温度保护器应熔断,使线圈不能加热,设备外壳的温度不超过50℃。
2.性能指标2.1外观与结构2.1.1医用压缩式雾化器外观应整洁,色泽均匀,无伤痕、划痕、裂纹等缺陷,面板上的文字和标志应清晰可见。
2.1.2医用压缩式雾化器塑料件应无气泡、起泡、开裂、变形以及灌注溢出现象。
2.1.3医用压缩式雾化器的控制和调节机构应安装牢固、可靠,紧固部位应无松动。
2.2气体流量气体流量应:≥3.5L/min。
2.3压力范围2.3.1正常工作条件下,医用压缩式雾化器产生的压力应在 60kPa~130kPa 范围内;2.3.2异常工作条件下,医用压缩式雾化器产生的最大的极限压力应在 150kPa~400kPa 范围内,且不发生管体破裂现象。
2.4雾化速率雾化速率应≥0.215 mL/min。
2.5残液量残液量应≤1.5mL。
2.6整机噪音试验距离为 1m 时,在安静的环境下测试,医用压缩式雾化器带负载运转噪音应不大于 65dB(A)。
2.7连续工作时间在常温下,采用交流电源供电时,可连续工作 4 小时,应能正常工作;2.8雾粒等效体积粒径分布、中位粒径2.8.1中位粒径雾化杯雾粒的中位粒径为:4.50μm,其误差应不超过±25%;2.8.2雾粒等效体积粒径分布雾化杯雾粒等效体积粒径分布:小于等于6μm的雾粒所占比例应不小于50% ;2.9化学性能配套使用的雾化杯、输气导管、面罩(儿童型、成人型)、咬嘴与药液接触部件应满足以下化学性能要求:2.9.1酸碱度经测定,样品浸提液与空白对照液 PH 值之差应不大于 1.5。
2.9.2重金属含量经测定,检验液所呈现的颜色不超过质量浓度 p(Pb2+)=1ug/mL 的标准对照液。
2.9.3还原物质(易氧化物)经测定,样品浸提液与空白对照液所消耗高锰酸钾[c(KMnO₄)=0.002mol/L]的体积之差不大于 1.5ml。
2.9.4不挥发物(蒸发残渣)按GB/T14233.1-2008 中5.5 检测时,50ml 检验液中,不挥发物总量不得超过 2mg。
医用压缩式雾化器组成:产品由主机和气动雾化吸入器组成。
GINA HOME型主机外型尺寸:220 mm×180 mm ×160mm(长×宽×高);GINA-DOCTOR型主机外型尺寸:230 mm×135 mm×230mm (长×宽×高)。
适用范围:适用于临床对呼吸道进行各种药液的雾化吸入。
1 产品型号划分及说明1.1产品型号GINA HOME型——吉纳家用GINA-DOCTOR型——吉N医疗专业1.2产品构成产品由主机和气动雾化吸入器组成。
图1 GINA HOME型医用压缩式雾化器结构组成示意图1.主机2.气源导管3.雾化瓶4.口含管5.面罩6.波纹管图2 GINA-DOCTOR型医用压缩式雾化器结构组成示意图1.主机2.气源导管3.雾化瓶4.口含管5.面罩6.波纹管1.3基本参数a)整机功耗:165VA;b)主机外型尺寸:GINA HOME型:220 mm×180 mm×160mm(长×宽×高);GINA-DOCTOR型:230 mm×135 mm×230mm(长×宽×高);c) 整机净重:约2kg。
2 技术指标2.1 正常工作条件2.1.1环境条件a) 环境温度:+5℃~+40℃;b) 相对湿度:≤80%;c) 大气压力:86kPa~106kPa。
2.1.2电源条件a)电源电压:交流220V;b)电源频率:50Hz。
2.2主机输出气体要求:a) 输出气体应洁净、无油;b) 气体输出最大压力应≥0.08MPa。
2.3外观产品外型应美观,不得有明显划痕、挤压和破损。
2.4雾化器应采用具有有效医疗器械注册证书的产品。
2.5雾化颗粒分布正常工作状态下,经雾化器输出口可见长度大于100mm雾束。
2.6雾化耗水量产品工作时,耗水量不低于1g/10min。
氧气雾化面罩适用范围:本产品是一种利用瓶氧压力或无油压缩空气作为动力,将药液进行喷射雾化的吸入装置,适用于临床对呼吸道进行各种药液的雾化吸入治疗。
1.1产品规格型号1)QW12-BK:表示口器型;2) QW12-BM:表示面罩型;3) QW12-BH:表示面罩和口器混合型;4)QW16-BM:表示面罩型;5)QW16-BH:表示面罩和口器混合型。
1.2划分说明1.3产品组成产品由气源管、雾化瓶、面罩、口含管组成,各型号基本形式如下图:a)QW16-BM(面罩型)氧气雾化面罩见图示11.气源管2.雾化瓶3.瓶盖 4 面罩图1b)QW16-BH(面罩和口器混合型)氧气雾化面罩见图示21.气源管2.雾化瓶3.瓶盖4.口含管 5.面罩图2c)QW12-BK(口器型)氧气雾化面罩见图示31. 气源管2.雾化瓶3.瓶盖4.口含管图3d)QW12-BM(面罩型)氧气雾化面罩见图示41.气源管2.雾化瓶3.瓶盖4.面罩图4e)QW12-BH(面罩和口器混合型)氧气雾化面罩见图示51.气源管2.雾化瓶3.瓶盖4.口含管 5.面罩图51.4 正常工作条件要求a)供气应无油;b)供气压力0.3MPa时,气流量≥4L/min。
2.1 材质面罩、气源管采用符合GB15593-1995标准的医用PVC树脂,雾化瓶、瓶盖和口含管采用符合YY/T 0242-2007标准的医用PP树脂。
2.2 外观2.2.1 塑料导管应柔软、光洁,无明显机械杂质、异物和扭结。
2.2.2 注塑件内外表面洁净、形态圆整、光滑,无明显机械杂质、异物和毛边。
2.3尺寸2.3.1气源管长度不低于1500mm,内径4mm(误差:±0.5mm)。
2.3.2面罩尺寸见表1表1 面罩尺寸单位:mm长度宽度高度备注70 75 40 幼儿用80 80 50 儿童用100 100 60 成人用注:表中所列尺寸误差为±5mm。
2.4 雾化颗粒分布气流量4L/min时,经雾化器输出口可见长度大于100mm雾束。
压缩式雾化器产品技术要求性能指标2. 性能指标2.1 外观与结构2.1.1 雾化器外观应整洁,色泽均匀,无伤痕、划痕、裂纹等缺陷;2.1.2 面板上的文字和标志应清晰可见;2.1.3 雾化器塑料件应无气泡、起泡、开裂、变形以及灌注物溢出现象;2.1.4 雾化器的控制和调节机构应安装牢固、可靠,紧固部位应无松动。
2.2 气体流量压缩泵压缩空气流量应≥5L/min。
2.3 喷雾速率喷雾速率应≥0.15mL/min。
2.4 压力范围2.4.1 正常状态压力正常工作条件下,雾化器所产生的压力应在 60kPa~160kPa 范围内。
2.4.2 异常状态压力当主机发生异常情况时,主机所产生的最大压力应该在150kPa~400kPa范围内,且不发生管体破裂现象。
2.5 残液量残液量应≤0.8mL。
2.6 等效体积粒径分布直径为1μm~5μm 的雾粒所占比例大于60%。
中位粒径为2.5μm,误差应不大于±25%。
2.7 整机噪音试验正常工作时,雾化器噪声应≤65dB(A 计权)。
2.8 连续工作时间雾化器在常温下,采用交流电源供电时,连续工作4 小时以上,仪器应能正常工作。
2.9 安全要求应符合 GB9706.1-2007 的要求。
2.10 环境试验要求按 GB/T 14710-2009 中气候环境试验 II 组,机械环境试验 II 组的要求。
产品的运输试验、电源电压适应能力试验应分别符合GB/T 14710-2009 中第 4 章、第 5 章的要求。
2.11 电磁兼容要求应符合 YY 0505-2012 的要求。
2.12压缩雾化器耗材2.12.1外观外形应端正、平整、光洁,塑化均匀,不应有机械杂质、黑点、异物、气泡、棱角及飞边。
面板上的文字和标志应清晰可见,雾化器塑料件应无气泡、起泡、开裂、变形以及灌注物溢出现象。
2.12.2 物理性能2.12.2.1 气密性所有管路、紧固件连接应牢固,不得有任何松动,其连接处不得漏气。
精心整理附件11医用雾化器注册技术审查指导原则(2016年修订版)本指导原则旨在指导注册申请人对医用雾化器注册申报资料的准备及撰写,同时也为技术审评部门审评注册申报资料提供参考。
本指导原则所称的医用雾化器属于《医疗器械分类目录》中6823-6超声雾化器,以及《关于冷热双控消融针等166个产品医疗器械分类界定的通知》(国食药监械〔2011〕231号)文中二(六十三)规定的压缩式雾化器,管理类别代号为6821。
.本指导原则不适用于网式雾化器和采用外接气源的方式将药物雾化的器具(如由医院中心供气系统或其他的经过压缩的氧气或医用气体作为气源的药物雾化器具),但可以参考本指导原则对这些产品进行技术审查。
二、技术审查要点(一)产品名称要求产品的名称应为通用名称,并符合《医疗器械命名规则》、《医疗器械分类目录》、标准等相关法规、规范性文件的要求。
产品名称可主要依据雾化的原理及方式来命名,如:“医用超声雾化器”或者“医用压缩式雾化器”。
(二)产品的结构和组成产品的结构和组成应首先说明产品的主要部件,如有必要再对主要部件的组成进行说明。
医用超声雾化器一般主要由主机、雾化杯、送雾管、吸嘴或吸入面罩组成,其中的主机可由超声波发生器(超声换能器)、超声薄膜、送风装置、调节和控制系统组成。
医用超声雾化器产品实例如图1所示。
图1 医用超声雾化器产品实例医用压缩式雾化器一般主要由主机、送气管、雾化装置、吸嘴或吸入面罩组成,其中主机主要由压缩泵、过滤组件和控制系统组成。
医用压缩式雾化器产品实例如图2所示。
图2 医用压缩式雾化器产品实例(三)产品的工作原理/作用机理1.医用超声雾化器工作原理超声雾化器由超声波发生器产生的高频电流经过安装在雾化缸里的超声换能器使其将高频电流转换为相同频率的声波,由换能器产生的超声波通过雾化缸中的耦合作用,通过雾化杯底部的超声薄膜,从而使超声波直接作用于雾化杯中的液体。
当超声波从杯底经传导到达药液表面时,液—气分界面即药液表面与空气交界处,在受到垂直于分界面的超声波的作精心整理用后(即能量作用),使药液表面形成张力波,随着表面张力波能量的增强,当表面张力波能量达到一定值时,在药液表面的张力波波峰也同时增大,使其波峰处的液体雾粒飞出(雾粒直径的大小随超声波的频率增大而缩小)。
压缩空气式雾化器
适用范围:对患者进行药物雾化吸入治疗用
1.1型号规格
JXX-YWA、JXX-YWB、JXX-YWC、JXX-YWD
1.2 型号命名
1.3产品组成
该产品由主机和雾化组件组成(雾化组件有三种,分别为雾化杯、雾化面罩和气体管路或一次性雾化吸入管或一次性使用雾化器)。
1.4型号区别
2.1 工作条件
2.1.1 环境条件
a)环境温度:5℃~40℃;
b)相对湿度:≤80%;
c)大气压力:860hPa~1060hPa。
2.1.2 电源条件
交流电压220V,频率50Hz。
2.2 性能
2.2.1主要性能
a)雾化率≥0.3mL/min b)空气流量≥8L/min
c) 最大空气压力:≥0.15MPa d) 噪声≤65dB(A)
e)运行时间应能≥30min
2.2.2雾化组件:应具有医疗器械注册证或备案凭证或材质证明。
2.2.3电气安全
应符合GB 9706.1-2007《医用电气设备第1部分:安全通用要求》的规定,电气安全基本特征见附录A。
2.2.4 环境试验要求
应符合GB/T 14710-2009《医用电器环境要求及试验方法》中气候环境Ⅱ组,机械环境Ⅱ组及附录B《环境试验项目及要求》的规定。
2.2.5 外观
2.2.5.1 雾化器表面应色泽均匀,无斑痕,划痕,裂纹等缺陷,外壳上文字和标志应清晰。
2.2.5.2 操作件灵活、可靠,紧固部件应无松动,显示装置应清晰。
2.2.6 电磁兼容:应符合YY0505-2012《医用电气设备第1-2部分安全通用要求并列标准电磁兼容要求和试验》的规定。