solidworks折弯系数表1
- 格式:xls
- 大小:46.50 KB
- 文档页数:3
[教学]solidwork钣金规格折弯系数表Solidwork钣金规格/折弯系数表钣金规格/折弯系数表钣金规格/折弯系数表存储指定材料的属性。
您可以通过一张表将折弯系数、折弯半径或 K 因子与厚度、折弯半径和材料的任何组合相关联。
注: 您还可以使用单独的规格表和折弯系数表。
请参阅钣金规格表和折弯系数表概述。
您可以通过以下方式访问钣金规格/折弯系数表:在生成基体法兰时,从基体法兰 PropertyManager 中访问。
在生成基体法兰后,右键单击 FeatureManager 设计树中的钣金,然后选择编辑特征。
规格表包含在 SolidWorks 应用程序中,位于以下位置:<安装目录>\lang\<语言>\Sheet Metal Gauge Tables\。
其中包含规格/折弯系数表和规格表。
您可以用它们作为模板来生成自己的表。
以下显示了组合的规格/折弯系数表。
对于每个规格号(厚度),您都可以从半径和角度范围中进行选择。
使用规格/折弯系数表来指定钣金参数可以使用钣金规格表指定整个零件的默认值。
应用与规格/折弯系数表值不同的折弯半径值为添加的特征手工指派折弯半径值钣金规格表钣金规格表存储指定材料的属性。
在生成基体法兰时,可以从PropertyManager 访问钣金规格表。
使用钣金规格表可指定:规格厚度允许的折弯半径K-因子在生成基体法兰之后,在 FeatureManager 设计树中右键单击钣金并选择编辑特征,即可访问钣金规格表。
使用钣金规格/折弯系数表以通过单个表指定厚度和折弯值。
请参阅钣金规格/折弯系数表。
指定折弯半径值可以使用钣金规格表指定整个零件的值。
这称为默认值。
但您也可以应用与钣金规格表中默认值不同的折弯半径值到特定的特征,例如边线法兰。
控制折弯半径值如果选择使用默认半径,便可对所有顺流特征使用钣金规格表中的一个一般折弯半径值。
如果选择使用规格表,则使用的折弯半径值不同于钣金规格表中的默认值。
注:1>以上K因子值以折弯内半径0.2为准.2>当R内 / T 的比值大于等于5时,K=0.53>折褶边时,L=毛尺寸减去板厚的0.4T .常见材料的理论重量计算公式及举例钢板= 7.85*厚度*面积举例: 长1000*宽800*厚度2.0 (7.85*1*0.8*2= 12.56 kg)铝板= 2.71*厚度*面积举例: 长1200*宽750*厚度1.5 (2.71*1.2*0.75*1.5= 3.65 kg)圆管=0.02466*壁厚*(外径-壁厚)*长度举例:¢30*1.5*1000L (0.02466*1.5*(30-1.5)*1 =1.05kg)圆钢=0.00617*直径*直径*长度 (有的算0.00625)举例:¢20*1000L (0.00617*20*20*1 =2.47kg)方钢=0.00785*边宽*边宽*长度举例:□25*1000L (0.00785*25*25*1 =4.91kg)角钢(角铁) =0.00785*(边宽+边宽-边厚)*边厚*长度举例:等边角铁 ∟25*3*1000L (0.00785*(25+25-3)*3*1= 1.11 kgK因子计算表K因子=折弯内表面到中性面距离/板厚中性层弯曲半径R=折弯内圆角+r/t*t。
注r/t=中性层位置系数K因子——中性层系数=内表面到中性面距离/材料厚度注意啊,K因子并不等于折弯内圆角/材料厚度,很多人讲钣金展开有误差都是从这引起的,r/t与K因子有个对应关系的r/T 0.1 0.15 0.2 0.25 0.3 0.4 0.5 K 0.30 0.32 0.33 0.35 0.36 0.37 0.38 r/T 0.6 0.7 0.8 0.9 1 1.1 1.2K 0.39 0.40 0.408 0.414 0.42 0.425 0.43 r/T 1.3 1.4 1.5 1.6 1.7 1.8 1.9 K 0.433 0.436 0.44 0.443 0.446 0.45 0.452r/T 2.0 2.5 3 3.5 3.75 4 4.5 K 0.455 0.46 0.47 0.473 0.475 0.476 0.478适用于无顶板的V形弯曲,适用材料为钢板。
SolidWorks 的钣金系数,为什么要用系数,不用扣除,什么情况下用K因子,很多朋友在展开的时候还在用R1 R2等于几来展开,这样做不是不可以,但是由于各家折弯机刀口不同,还有不同的R值对于展开系数控制不同,也会造成展开数值误差大。
我们很多单位所说的系数都是折弯扣除(BD),下面做了个我自己参照实际折弯总结的系数表,以下表中的R实际上都是自然的R,在SolidWorks里设定为R0.1或者R0,这个表格几乎适用于任何角度。
板厚折弯系数(BA)折弯扣除(BD)其他单位扣除
0.5 0.2 1 1.09
0.8 0.2 1.6 1.5
1 0.3 1.9 1.8
1.2 0.4
2.2 2
1.5 0.7
2.5 2.6
2 0.7 3.5 3.5
2.5 1 4.2 4
3 1 5 5
那么有的人可能会问K因子在什么的情况下用?我是在R很大的情况下情况下用或者是客户指定的R情况下用,比如客户非要用R5或者R10,所以我也做了下面这个表格。
适用方法:R除板厚找出相对应的K值,例如需要R是10板厚是2就是10除2等于5,那么他的K值就是0.43.在SW里R就可以填实际R。
展开很准。
1 2 3 4 5 6 7 8 9 10 11-12以上
K因子 0.35 0.375 0.4 0.415 0.43 0.44 0.45 0.46 0.465 0.47 0.5。
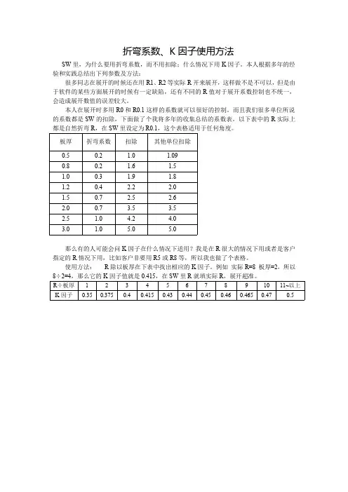
折弯系数、K因子使用方法
SW里,为什么要用折弯系数,而不用扣除;什么情况下用K因子。
本人根据多年的经验和实践总结出下列参数及方法:
很多同志在展开的时候还在用R1、R2等实际R开来展开,这样做不是不可以,但是由于软件的某些方面展开的时候有一定缺陷,还有不同的R值对于展开系数控制也不统一,会造成展开数值的误差较大。
本人在展开时多用R0和R0.1这样的系数就可以很好的控制。
而且我们很多单位所说的系数都是SW的扣除,下面做了个我将多年的收集总结的系数表。
以下表中的R实际上都是自然折弯R,在SW里设定为R0.1,这个表格适用于任何角度。
板厚折弯系数扣除其他单位扣除
0.50.2 1.0 1.09
0.80.2 1.6 1.5
1.00.3 1.9 1.8
1.20.4
2.2 2.0
1.50.7
2.5 2.6
2.00.7
3.5 3.5
2.5 1.0 4.2 4.0
3.0 1.0 5.0 5.0
那么有的人可能会问K因子在什么情况下适用?我是在R很大的情况下用或者是客户指定的R情况下用,比如客户非要用R5或R8等,所以我也做了个表格。
使用方法:R除以板厚在下表中找出相应的K因子。
例如实际R=8板厚=2,所以8÷2=4,那么它的K因子值就是0.415,在SW里R就填实际R,展开超准。
R÷板厚1234567891011~以上K因子0.350.3750.40.4150.430.440.450.460.4650.470.5。
详解SOLIDWORKS折弯系数、折弯扣除及K因子钣金零件的工程师为保证最终折弯成型后零件所期望的尺寸,会利用各种不同的算法来计算展开状态下备料的实际长度。
其中最常用的方法就是简单的“掐指规则”,即基于各自经验的算法。
通常这些规则要考虑到材料的类型与厚度,折弯的半径和角度,机床的类型和步进速度等等。
为了满足工程师不同算法的需求,SOLIDWORKS提供了多种算法,如下图。
本次我们主要介绍折弯系数、折弯扣除和K 因子的原理及用法。
展开算法如下图将零件的展开长度(LT) 描述为零件展平后每段长度的和再加上展平的折弯区域的长度。
展平的折弯区域的长度则被表示为“折弯补偿”值(BA) 。
因此整个零件的长度就表示为方程:装潢公司选得好,房子十年都不老广告LT = D1 + D2 + BA展开剩余71%折弯区域就是理论上在折弯过程中发生变形的区域。
简而言之,为确定展开零件的几何尺寸,让我们按以下步骤思考:•将折弯区域从折弯零件上切割出来•将剩余两段平坦部分(D1,D2)平铺到一个桌子上•计算出折弯区域在其展平后的长度(BA)•将展平后的弯曲区域粘接到两段平坦部分之间,结果就是我们需要的展开后的零件稍有难度的部分就是如何确定展平的弯曲区域的长度,即图中由BA 表示的值。
很显然,BA 的值会随不同的情形如材料类型、材料厚度、折弯半径与角度等而不同。
其它可能影响BA 值的因素还有加工过程、机床类型、机床速度等等。
BA 值到底从何而来?实际上通常有以下几种来源:钣金材料供应商,实验数据,经验以及一些工程手册等。
折弯系数在SOLIDWORKS中使用折弯系数时,输入值即BA值。
长度方程为:LT=D1+D2+折弯系数值折弯扣除使用折弯扣除时,通常是指回退量,也是一种不同的简单算法来描述钣金折弯的过程。
折弯扣除法是指零件的展平长度等于理论上的两段平坦部分(L1/L2)延伸至“尖点”(两平坦部分的虚拟交点)的长度之和减去折弯扣除(折弯扣除值) 。
[教学]solidwork钣金规格折弯系数表Solidwork钣金规格/折弯系数表钣金规格/折弯系数表钣金规格/折弯系数表存储指定材料的属性。
您可以通过一张表将折弯系数、折弯半径或 K 因子与厚度、折弯半径和材料的任何组合相关联。
注: 您还可以使用单独的规格表和折弯系数表。
请参阅钣金规格表和折弯系数表概述。
您可以通过以下方式访问钣金规格/折弯系数表:在生成基体法兰时,从基体法兰 PropertyManager 中访问。
在生成基体法兰后,右键单击 FeatureManager 设计树中的钣金,然后选择编辑特征。
规格表包含在 SolidWorks 应用程序中,位于以下位置:<安装目录>\lang\<语言>\Sheet Metal Gauge Tables\。
其中包含规格/折弯系数表和规格表。
您可以用它们作为模板来生成自己的表。
以下显示了组合的规格/折弯系数表。
对于每个规格号(厚度),您都可以从半径和角度范围中进行选择。
使用规格/折弯系数表来指定钣金参数可以使用钣金规格表指定整个零件的默认值。
应用与规格/折弯系数表值不同的折弯半径值为添加的特征手工指派折弯半径值钣金规格表钣金规格表存储指定材料的属性。
在生成基体法兰时,可以从PropertyManager 访问钣金规格表。
使用钣金规格表可指定:规格厚度允许的折弯半径K-因子在生成基体法兰之后,在 FeatureManager 设计树中右键单击钣金并选择编辑特征,即可访问钣金规格表。
使用钣金规格/折弯系数表以通过单个表指定厚度和折弯值。
请参阅钣金规格/折弯系数表。
指定折弯半径值可以使用钣金规格表指定整个零件的值。
这称为默认值。
但您也可以应用与钣金规格表中默认值不同的折弯半径值到特定的特征,例如边线法兰。
控制折弯半径值如果选择使用默认半径,便可对所有顺流特征使用钣金规格表中的一个一般折弯半径值。
如果选择使用规格表,则使用的折弯半径值不同于钣金规格表中的默认值。
2>当R内 / T 的比值大于等于5时,K=0.53>折褶边时,L=毛尺寸减去板厚的0.4T .常见材料的理论重量计算公式及举例钢板= 7.85*厚度*面积举例: 长1000*宽800*厚度2.0 (7.85*1*0.8*2= 12.56 kg)铝板= 2.71*厚度*面积举例: 长1200*宽750*厚度1.5 (2.71*1.2*0.75*1.5= 3.65 kg)圆管=0.02466*壁厚*(外径-壁厚)*长度举例:¢30*1.5*1000L (0.02466*1.5*(30-1.5)*1 =1.05kg)圆钢=0.00617*直径*直径*长度 (有的算0.00625)举例:¢20*1000L (0.00617*20*20*1 =2.47kg)方钢=0.00785*边宽*边宽*长度举例:□25*1000L (0.00785*25*25*1 =4.91kg)角钢(角铁) =0.00785*(边宽+边宽-边厚)*边厚*长度举例:等边角铁 ∟25*3*1000L (0.00785*(25+25-3)*3*1= 1.11 kgK因子计算表K因子=折弯内表面到中性面距离/板厚中性层弯曲半径R=折弯内圆角+r/t*t。
注r/t=中性层位置系数K因子——中性层系数=内表面到中性面距离/材料厚度注意啊,K因子并不等于折弯内圆角/材料厚度,很多人讲钣金展开有误差都是从这引起的,r/t与K因子有个对应关系的r/T 0.1 0.15 0.2 0.25 0.3 0.4 0.5 K 0.30 0.32 0.33 0.35 0.36 0.37 0.38 r/T 0.6 0.7 0.8 0.9 1 1.1 1.2K 0.39 0.40 0.408 0.414 0.42 0.425 0.43r/T 1.3 1.4 1.5 1.6 1.7 1.8 1.9 K 0.433 0.436 0.44 0.443 0.446 0.45 0.452r/T 2.0 2.5 3 3.5 3.75 4 4.5K 0.455 0.46 0.47 0.473 0.475 0.476 0.478适用于无顶板的V形弯曲,适用材料为钢板。
[教学]solidwork钣金规格折弯系数表[教学]solidwork钣金规格折弯系数表Solidwork钣金规格/折弯系数表钣金规格/折弯系数表钣金规格/折弯系数表存储指定材料的属性。
您可以通过一张表将折弯系数、折弯半径或K 因子与厚度、折弯半径和材料的任何组合相关联。
注: 您还可以使用单独的规格表和折弯系数表。
请参阅钣金规格表和折弯系数表概述。
您可以通过以下方式访问钣金规格/折弯系数表: 在生成基体法兰时,从基体法兰 PropertyManager 中访问。
在生成基体法兰后,右键单击FeatureManager 设计树中的钣金,然后选择编辑特征。
规格表包含在SolidWorks 应用程序中,位于以下位置:<安装目录>\lang\<语言>\Sheet Metal Gauge Tables\。
其中包含规格/折弯系数表和规格表。
您可以用它们作为模板来生成自己的表。
以下显示了组合的规格/折弯系数表。
对于每个规格号(厚度),您都可以从半径和角度范围中进行选择。
使用规格/折弯系数表来指定钣金参数可以使用钣金规格表指定整个零件的默认值。
应用与规格/折弯系数表值不同的折弯半径值为添加的特征手工指派折弯半径值钣金规格表钣金规格表存储指定材料的属性。
在生成基体法兰时,可以从PropertyManager 访问钣金规格表。
使用钣金规格表可指定: 规格厚度允许的折弯半径K-因子在生成基体法兰之后,在FeatureManager 设计树中右键单击钣金并选择编辑特征,即可访问钣金规格表。
使用钣金规格/折弯系数表以通过单个表指定厚度和折弯值。
请参阅钣金规格/折弯系数表。
指定折弯半径值可以使用钣金规格表指定整个零件的值。
这称为默认值。
但您也可以应用与钣金规格表中默认值不同的折弯半径值到特定的特征,例如边线法兰。
控制折弯半径值如果选择使用默认半径,便可对所有顺流特征使用钣金规格表中的一个一般折弯半径值。