承台钢套箱设计计算书
- 格式:pdf
- 大小:412.54 KB
- 文档页数:18
水中承台施工方案——经调查分析,桥位处施工水位拟定是为5.0m。
围堰的顶标高为施工水位+0.5安全高度+0.2m波浪高约▽5.7m.如下图所示:2.5m面板厚 =6mm横向肋为:[ 10 @500竖向肋为:I 14a @500面板四周设∟140×140×10角钢与相邻面板连接,连接螺栓开孔Ф22mm,孔距150mm单排,螺栓M 20*65mm钢套箱拟设三层围令,上层围令设置标高▽4.5m处为内围令;中层围令设置标高▽2.5m处为外围令,下层围令设置标高▽0.7m处为外围令。
两层外围令旨在方便承台的施工。
尽量缩短承台工期,且两道外围令均在河床面上,日后由潜水工切割,将其回收。
一、设计依据1、仪扬河大桥施工图设计;2、实测河床断面图;3、历年的水文资料;4、各种桥涵设计、施工规范和设计计算手册;二、方案可行性研究及其对策1、筑岛围堰:根据施工图设计,主墩承台顶面在河床面以上,墩位处水深5.0m左右。
如采用土围堰(包括草袋土围堰或木桩土围堰),则围堰较高,必须将围堰做得很大。
这样压缩航道不但对航运产生不利影响,且工程量很大,费工费时,土壤又缺乏,无论是从工期还是造价上均不够合理,同时在施工过程中还存在巨大风险,故此方案不能采纳。
2、钢套箱围堰:利用钢管桩脚手平台拼装,下沉钢套箱比较方便,而且钢套箱仅需下沉2.5m左右是完全可能的。
在本桥的地质条件下,下沉2.5m最好采用单壁钢套箱,由于本身自重虽较小,但下沉较浅,这完全是可能的。
且单壁钢围堰待承台浇筑后又能回收利用,经济上及工期上均是合理的。
综上,最后研究决定,采用单壁钢围堰施工承台。
三、套箱围堰平面尺寸及标高的确定1、套箱围堰的标高拟定顶标高:根据历年水文资料及一般以十年一遇的水位作为施工水位,故将施工水位定为▽5.0m,因流速不大,只考虑0.7m安全高度,所以套箱围堰顶标高为5.7m;底标高:承台底标高为0.0m,封底混凝土厚度拟定为1.2m,围堰吸泥下沉后用蛇皮袋装粘土铺平的处理高度约为0.3m,再考虑套箱的底脚切入河床表面0.8m,则底脚标高应为-2.3m。
钢套箱设计计算方案一、 工程概况XX 大桥XX 线X 号、X 墩为水中基础,桩基为X 根Φ2.2m 钻孔灌注桩,横桥向2排,每排3根。
承台顶面设计标高为XXXXm ,底面设计标高为XXXm ,承台平面尺寸为14.40×10.9×4m 。
按项目部施工组织设计X#、X#墩承台围堰采用单壁钢套箱施工,钢套箱尺寸为承台尺寸放大100mm ,作为承台的模板。
钢护筒外径2.4m 。
根据项目实测的地质情况后研究决定,X 号墩钢套箱施工设计水位为XXXm ,封底砼标高为XXXm ,钢套箱顶面标高为:XXXm ,钢套箱共分两节加工,(2m+5.5m ),最下层按不拆除考虑,钢套箱设计示意图如下:二、荷载取值荷载的取值依据为《公路桥涵设计通用规范》荷载组合V 考虑钢吊箱围堰设计组合。
水平荷载:静水压力+流水压力+风力+其它三、Q235钢材许用应力轴向应力:[]Mpa z 140=σ 容许应力提高系数1.3 []Mpa z1823.1140=⨯=σ 弯曲应力:[]Mpa 145=σ 容许应力提高系数1.3 []Mpa 5.1883.1145=⨯=σ 剪应力:[]Mpa 85=τ 容许应力提高系数1.3 []Mpa 5.1103.185=⨯=τ四、具体结构设计(一)、封底砼设计封底砼按1.5m 厚设计,用C30砼。
1、抗浮校核浮力:131.1371917.91t ⨯⨯=封底砼自重:131.13 2.3 1.5452.4t ⨯⨯=钢护筒握裹力:1.5 3.14 2.4610678.24t ⨯⨯⨯⨯=钢套箱自重:52t抗浮安全系数: 452.4678.2452 1.29 1.1917.91K ++==> 满足要求 2、封底砼强度校核取封底混凝土板计算。
封底混凝土板由钢护筒与混凝土的握裹力和封底混凝土板自重抵抗作用于封底砼板的静水压力。
为便于计算偏于安全地将封底混凝土板简化为空间梁格,钢套筒中心连线作为支点。
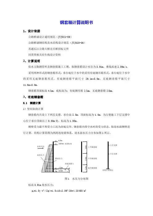
钢套箱计算说明书1、设计依据公路桥涵设计通用规范(JTJ021-89)公路桥涵钢结构及木结构设计规范(JTJ025-86)苏通长江公路大桥北引桥招标文件同类型相关结生构设计资料2、计算说明依水文勘测资料及钢套箱施工工期,取钢套箱设计水位为3.91m,垂线流速2.39m/s。
采用两种形式的钢套箱形式:承台底位于水中的采用有底钢吊箱形式,承台底位于水中的采用无底钢套箱形式。
有底钢套箱平面尺寸29.1m⨯8.0m,无底钢套箱平面尺寸11.6m⨯8.0m。
钢套箱顶面标高4.5m,底标高为:有底钢吊箱-2.5m,无底钢套箱-2.8m。
3、有底钢套箱3.1 侧壁计算1)竖向加劲计算钢套箱内共设上下两层支撑。
承台高2.5m,顶面标高为1.0m,为方便施工下层支撑中心位于承台顶面以上0.50m处,标高为1.50m。
标高-1.5m处水压力:p2=γh+1.5γ v2/(2g)=10⨯(3.91+1.5)+1.5⨯10⨯2.392/20=58.4KN/m23节钢套箱的竖向加劲肋中心间距均为66cm,上节钢套箱竖向加劲肋选用I12型钢,中节、底节选用I18型钢。
取66cm宽侧壁压力及刚度,经计算(计算过程略)得:中节、底节:M max=27.61KNm上节:M max=7.14KNm应力验算:中节、底节:σ上=MY上/I=27.61⨯1000⨯3.85/3380=31.46MPa<1.3⨯145MPaσ下=MY下/I=26.94⨯1000⨯5.95/3380=48.58MPa<188.5MPa上节:σ上=MY上/I=7.14⨯1000⨯1.8/823.8=15.65MPa<188.5MPaσ下=MY下/I=7.14⨯1000⨯5.0/823.8=43.33MPa<188.5MPa最大变形0.22mm,刚度满足要求。
2)横向加劲计算中、底节钢套箱的横向加劲肋中心间距均为60cm,横向加劲肋选用L100⨯63⨯8型钢。
淳安至开化公路淳安段工程S03合同段小金山大桥主墩承台套箱侧模结构设计验算书计算:范厚彬复核:楼普增浙江省交通工程建设集团有限公司二零零六年八月五日小金山大桥主墩承台套箱侧模结构设计验算书1、计算资料小金山大桥主墩承台采用有底钢套箱施工。
施工设计最高水位采用100.00标高。
套箱侧模采用单壁结构,侧模高8.2m,侧模钢板壁厚为5mm,竖肋下部4.7m采用22a#型工字钢和上部3.5m采用18#型工字钢,竖肋间距均为35cm,横向加劲梁为双拼20a槽钢,套箱内在98.5标高处设置一道水平支撑梁。
承台封底混凝土厚1.2m。
套箱侧模结构设计具体见附件:承台套箱模板结构设计图。
为满足施工技术规范要求及确保施工安全,需对套箱侧模结构进行验算(底模另做设计及验算)。
根据施工方案可知,套箱侧模受力最不利工况为进行承台钢筋、砼施工时,因此,验算时仅计算承台进行钢筋、砼施工时的工况。
2、计算数学力学模型2.1 计算单元划分验算采用韩国工程软件MIDAS进行。
采用板壳和三维梁混合单元形式进行计算,其中把侧模钢板划分为板壳单元,横向加劲梁、竖肋、内支撑划分为三维梁单元,板单元与梁单元通过节点取得联系。
钢板与竖肋、竖肋与横向加劲梁采用刚性连接模拟它们之间的实际焊接。
根据以上单元划分原则,把侧模结构单元划分如下:板壳单元2520个,梁单元3235个。
刚性连接共设置有3359个。
具体可见图1:有限元网格划分。
图1 有限元网格划分2.2 计算边界条件套箱底部固定,X、Y、Z三个方向均给予约束。
底部以上的封底混凝土限制住套箱水平位置,计算时给予X、Y两个方向的约束2.3 计算荷载根据套箱所处地理、气候条件,套箱本身结构、功能等,计算时主要考虑以下几类荷载:①套箱自重②静水压力静水压力采用面荷载的形式作用在板壳单元上。
③波浪力波浪力参照海港工程设计手册,套箱形状类似于大直径物体。
作用于整个套箱上单位高度主断面上最大波浪力(工作状态波要素)按公式(1)计算,采用集中力的形式作用在竖肋设计高潮位的节点上。
钢套箱围堰设计计算书钢套箱围堰设计计算资料一、已知条件:1. 水深: m 5.72. 承台尺寸: m 5.57⨯3. 封底砼的设计厚度: []h =m 14. 钻孔桩数量及尺寸:m m 162.16⨯-φ 二、初拟围堰的尺寸: 长⨯宽⨯高=m 868⨯⨯ 三、校核封底砼的厚度: ctf b M k h ⋅⋅⋅=max5.3+D <[]h其中:k —安全系数 65.2=k b —板宽,一般取 1=bCT f —砼抗拉强度(20C ) ct f 21200m t =D —水下砼与井底泥土掺混需增厚度 3.0=d ~m 5.021 ⋅⋅=p k M m qx其中:=1 矩形板计算跨度 =1 m 6(取其较小者) -k 弯矩系数根据21 选用75.08621==,故0673.0=k (简明施工手册—275页)静水压力形成的荷载-p :25.7m t p = (m t p 5.7=—单位宽度)m t p k M -=⨯⨯=⋅⋅=171.1865.70673.0221max故:bf M k h ct ⋅⋅⋅=max5.312001171.1865.25.3⨯⨯⨯=+D 5.0+m m 1875.05.0375.0<=+= 符合强度要求。
围堰简图附后 四、确定壁板21 (见图示)1. 设5.021= 2. 壁板厚度为mm 6=δ 3. 壁板与纵肋、横肋为四周焊则11(0829.0Y M a =-最大,“建筑结构静力计算手册”291页)4. 静水压力为:m t q 5.7=(单位宽度) 5. 壁板材料[]m t 18000=σ(单位宽度) 6. 计算 1和2211max ⋅⋅=q a M []2max 61δσ⋅⋅=M []221161δσ=⋅⋅ q a []q a ⋅⋅⋅=1216δσ =65.70829.0006.0180002⨯⨯⨯m 417.0= 取:mm 4001= 则:mm 8002= 五、计算横向加劲肋的强度1. 横肋采用87575⨯⨯<的角钢,其235.11,93.27cm A cm W == 2. 横肋采用材料的允许应力[]21800cm kg =σ 3. 横肋按五跨连续梁计算(以大纵肋为支点) 2max ⋅⋅=q k M其中:046.0=K cm 120= cm kg m t q 755.7==cm kg M -=⨯⨯=4968012075046.02max 22180093.174293.2749680cm kg cm kg W M <===σ ⋅⋅=q k Q max 其中:606.01=k kg Q 545412075606.0max =⨯⨯= 22max 90026.4745.115454cm kg cm kg A Q <===τ 六、计算小纵肋的强度1.小纵肋采用65075⨯⨯<角钢,其386.16cm W = 270.5cm A = 2.小纵肋材料的许用应力:[]21800cm kg =σ []2900cm kg =τ3.小纵肋按五跨连续梁计算变矩和剪力(以横肋为支点)2max ⋅⋅=q k M , ⋅⋅=q Q αmax其中:046.0=k 606.0=α cm kg q 75= cm 80= cm kg q k M -=⨯⨯=⋅⋅=220808075046.022max kg q Q 36368075606.0max =⨯⨯=⋅⋅= α22max 18006.130986.1622080cm kg cm kg W M <===σ 229009.6377.53636cm kg kg A Q <===τ 七、计算大纵肋强度1.大纵肋采用[a 18槽钢其2369.25,4.141cm A cm W == 2.大纵肋材料的允许应力 []21800cm kg =σ,[]2900cm kg=τ3.大纵肋以内支撑为支点(图中:11C C B A A ----)支点间距为200mm ,按四跨连续梁计算2max ⋅⋅=q k M ⋅⋅=q Q αmax其中:077.0=k 607.0=α cm kg q 75= cm 200= cm kg M -=⨯⨯=23100020075077.02max。
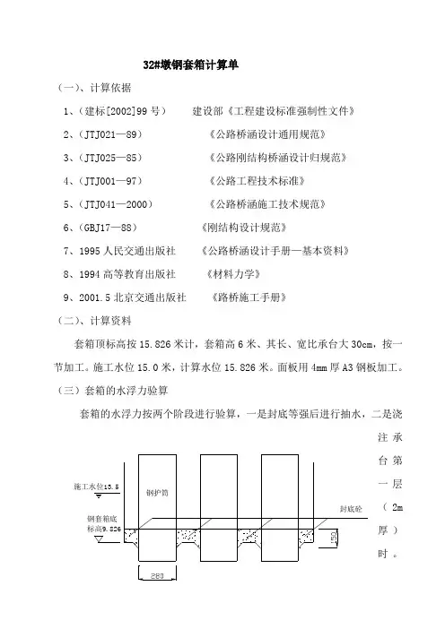
32#墩钢套箱计算单(一)、计算依据1、(建标[2002]99号) 建设部《工程建设标准强制性文件》2、(JTJ021—89) 《公路桥涵设计通用规范》3、(JTJ025—85) 《公路刚结构桥涵设计归规范》4、(JTJ001—97) 《公路工程技术标准》5、(JTJ041—2000) 《公路桥涵施工技术规范》6、(GBJ17—88) 《刚结构设计规范》7、1995人民交通出版社 《公路桥涵设计手册—基本资料》 8、1994高等教育出版社 《材料力学》 9、2001.5北京交通出版社 《路桥施工手册》 (二)、计算资料套箱顶标高按15.826米计,套箱高6米、其长、宽比承台大30cm ,按一节加工。
施工水位15.0米,计算水位15.826米。
面板用4mm 厚A3钢板加工。
(三)套箱的水浮力验算套箱的水浮力按两个阶段进行验算,一是封底等强后进行抽水,二是浇注承台第一层(2m 厚)时。
钢套箱标高9施工水位套箱施工封底示意图如下。
计算数据:钢套箱底面积:757m2;钢护筒总面积:π×2.82×24/4=147.8m2;钢套箱自重:220t;封底1m砼自重:(757-147.8)×1×2.5=1523t;浇注承台第一层(2m)砼自重:(757-147.8)×2×2.5=3046t;钢套箱到位封底后水浮力:(757-147.8)×(13.5-9.826)×1=2238t;封底砼强度达到100%时与钢护筒最大粘结力:P max=1.5×π×2.8×24×0.1×102=3167t。
1、封底等强后进行抽水时考虑封底砼与钢套箱自重与水浮力的差值:N=2238-(1523+220)=495t<P max=3167t即砼粘结力能够平衡水浮力。
2、浇注承台第一层(2m厚)时考虑封底砼、承台砼与钢套箱自重与水浮力的差值:N=3046+1523+220-2238=2551t<P max=3167t即砼粘结力能够平衡结构物自重。
承台模板材料选择1、面板采用δ=6mm钢板。
2、纵横小肋带∠70×5mm,间距均为400mm,等高设置。
3、横向肋带用单[16a,间距800mm。
4、竖向大肋采用双[25a,间距1200mm。
5、模板连接螺栓采用M14的螺栓连接,间距为200mm。
6、采用M25螺栓做模板对拉连接。
横向间距1200mm,纵向间距800mm。
承台模板计算书一、 砼侧压力计算 1、主6号承台按《简明施工计算手册》P415页8-8公式F=0.22r c ·t o ·β1·β2·V 21r c —混凝土重力密度,取24KN/m 3 t o —砼的初凝时间,取16hβ1—外加剂影响修正系数,取 1.2β2—砼坍落度影响修正系数,墩身坍落度为12-16cm ,β2取1.15 V —砼浇筑速度,面积为744㎡,3台搅拌站浇筑速度90 m 3/h取V=0.12m/hF=0.22×24×16×1.2×1.15×12.0=40.4KN/m ²(小于墩身侧压力) 2、引桥承台按《简明施工计算手册》P415页8-8公式F=0.22r c ·t o ·β1·β2·V 21r c —混凝土重力密度,取24KN/m 3 t o —砼的初凝时间,取6hβ1—外加剂影响修正系数,取 1.2β2—砼坍落度影响修正系数,墩身坍落度为12-16cm ,β2取1.15 V —砼浇筑速度,面积为25.74㎡,1台搅拌站浇筑速度30 m 3/h取V=1.2m/hF=0.22×24×6×1.2×1.15×2.1=47.9KN/m ²(小于墩身侧压力) 侧压力按47.9 KN/m ²计算 二、 横向肋带计算拟用[16a ,间距800mm 。
按宽度1200mm 计算,计算模式为简支梁,[16a 截面系数W=108×103mm 3,惯性矩I=866×104mm 4 1、 强度验算q 1=q ×l 1=0.0479×800=38.32N/mmM max =81ql 2=81×38.32×12002=6897600N ·mmmax δ=W M max =3101086897600⨯=64 N/mm 2〈215N/mm 2可满足要求 2、挠度验算跨中挠度W=EI ql 38454=45410866101.2384120032.385⨯⨯⨯⨯⨯⨯=0.57mm l W =120057.0=500121051〈可满足要求。
浙江省乐清湾大桥及接线工程乐清湾1号桥主墩承台钢套箱设计计算书中交一公局乐清湾1号桥项目经理部二〇一四年八月目录一、设计条件最高潮水位:+3.74m最低潮水位:-2.94m平均高潮水位:+2.87m平均低潮水位:-2.28m最大波高: 2.5m最大风速:32m/s施工水位:+4.0~-2.94m 二、基本数据(1)E=2.10×105MPa(2)[σ]=203Mpa(3)[τ]=85Mpa三、结构计算3.1荷载种类(1)钢套箱结构自重(2)封底砼自重(3)承台砼自重(4)承台砼侧压力(5)静水压力(6)浮力(7)水流力(8)风载(9)波浪力3.2计算内容及工况与荷载组合3.2.1封底砼的计算第一层封底3.2.1.1厚度及强度、刚度验算⑴工况一:未浇筑承台砼前(套箱已经抽水且最大潮差)阶段⑵工况二:浇筑承台砼后验算,假定承台分两次浇筑,第一次浇筑1.0m3.2.1.2抗浮计算⑴工况一:最高水位时,钢套箱内抽完水后浇筑承台砼前⑵工况二:最低水位时,第一次承台砼浇筑完成第二层封底3.2.2内支撑计算最高水位时,钢套箱内抽完水后浇筑承台砼前荷载组合进行计算,同时以最低水位时浇筑承台砼阶段进行校核。
3.2.3底板计算不利工况为浇筑封底砼后。
竖向荷载=封底砼自重+水浮力+结构自重3.2.4悬吊系统计算⑴工况一:浇筑完封底砼但未凝固阶段竖向荷载=封底砼自重+套箱自重+水浮力⑵工况二:钢套箱下放阶段。
竖向荷载=套箱自重+底板重3.3相关计算根据设计图纸确定防撞套箱施工,根据水文资料及承台尺寸确定套箱顶面标高定为+5.8m,封底砼分两次浇筑,第一次浇筑80cm,连通孔封闭后第二次浇筑1.2m,封底砼总厚度取2.0m,封底砼顶标高为0.0m,底标高为-2.0m,套箱高度为:7.80m。
套箱平面内尺寸为33m×21.75m。
根据设计资料计算时取最高水位:+4.0m,最低水位-2.94m。
3.3.1封底砼的计算A BC C E E DD F CEE C BA BD D F BA C C BAB经过分析对比,A 、B 、C 、D 、E 、F 区按四面固结计算,其中E 区为受力最不利区, 因此采用A 、B 、C 、D 、E 、F 区中的E 区作为控制计算。
主墩承台钢套箱设计计算书第一章、工程概况一、工程简介大桥为双塔柱中央索面的预应力混凝土斜拉桥,跨径组合57.5+172.5+400+172.5+57.5m ,水中共设置2个主墩,X3/X4#主墩为整体式带圆倒角的矩形承台,尺寸为34.5×24.5×6.0m ,承台顶标高+4.53m ,底标高-1.47m ,河床标高分别为-12.5m 和-7.80m 。
主墩承台采用钢吊箱围堰施工,分两层浇筑,从底往上浇筑层高依次为2.5m 、3.5m 。
(横桥向)B-BA-A图1-1 X3#、X4#承台结构设计图根据水文资料,桥位处二十年一遇设计洪水位+6.530m ,施工高水位暂取+3.0m,施工低水位暂取+0.29m,桥位处平均水深为10m左右,潮差1-2m,二十年一遇水流速2.0m/s,二十年一遇风速21.5m/s。
二、设计简介本方案围堰为单壁钢吊箱,总平面尺寸为26.5m×36.5m;侧板高7.90m,顶标高+4.93m,底标高-2.97m;水平向分块,宽度分别为2.4、2.53、3.2、3.44、3.6、4.0、4.8m七类,共计28块,钢吊箱下沉到设计标高后进行封底,封底砼(C20水下砼)厚度1.5m。
钢吊箱结构主要由侧板系统、内外围囹及内支撑系统、底板系统、底板提吊系统四部分组成。
1)侧板系统侧板系统包括面板、主龙骨、次龙骨、主横肋和次横肋。
采用焊接连接,面板采用8mm钢板;主龙骨采用[25a,间距80cm;次龙骨,设置在相邻两主龙骨中间,采用∠90×56×7;主横肋[25a,间距320cm、200cm、270 cm,共设置3道;次横肋采用120×8mm扁铁,间距40cm;侧板上、中、下各设置对拉拉杆,底端采用型钢与底板固定,各分块侧板间采用螺栓连接,连接槽钢采用12mm钢板加劲。
2)内外围囹及内支撑系统本吊箱设置2层内围囹及内支撑(其中顶层内围囹为承台高水位期施工时设置),内围囹及内支撑系统由2Ⅰ45a型钢的围囹和5根Φ630×8mm钢管焊接而成,中心标高为+1.78m、+4.83m。
文章编号:1671-2579(2004)05-0046-05深水承台钢套箱结构设计与施工计算贺新文,彭力军,刘晓东,陆尚武(湖南路桥建设集团公司,湖南长沙 410004) 摘 要:文中详细介绍了安庆长江大桥主桥2#墩大型深水承台,处于陡峭河床以及汛期高水位的特殊条件下,施工方案的确定、有底双壁钢套箱结构设计及施工计算,并经付诸实施获得了圆满成功,可为今后的类似工程方案选择、钢套箱设计和施工计算提供参考。
关键词:深水承台;钢套箱;结构设计;施工计算1 工程概况安庆长江公路大桥主桥设计跨径布置为50+215+510+215+50m5跨连续的双塔双索面钢箱梁斜拉桥,主桥下构从北到南依次由1#~6#墩组成。
其中2#墩紧临3#北主塔,处在航运繁忙的长江安庆段上行航道范围内,为钻孔灌注群桩加大型深水承台基础,其承台设计为整体式的矩形普通钢筋混凝土结构,外形轮廓尺寸:长×宽×高=26.0m ×12.5m ×4.0m ,并在四角设半径为2.5m 的圆形倒角,承台顶、底标高分别为-2.442m 和- 6.442m (黄海高程,下同),常年深埋于江水之下,以满足最低水位条件下的船舶通航要求。
2 工程难点与施工方案的确定由于墩位所处的北边跨封航时间的延误,该墩于2002年12月底开工,2003年4月18日完成最后一根桩基混凝土浇筑。
按照预期的施工进度计划和历年统计的6月份平均最高江水位12.19m 计算,承台施工水深在18.6m 以上,此为施工难点之一;此外,由于该承台半悬半埋在安庆长江北岸防洪大堤外约170m 左右深水中的河槽陡坡上,承台范围河床表面北高南低,北边最高点标高约为- 5.0m ,南边河床标高约为-16.0m ,高差达11m ,此为施工难点之二。
为了在如此陡峭的河床和深水条件下实现承台施工,确定采用有底双壁钢套箱围水施工方案。
此方案收稿日期:2004-08-19作者简介:贺新文,男,大学本科,工程师. M u =ξc γcR a b i ′x h 0-x2Z i (1-ξe )=0.981.25×14.5×1580×97×1207-972×0.95×(1-0.05)=1821.61kN ・m >M j 2=1683.19kN ・m4 结语桥梁的加固和维修是国内外桥梁界不可回避的问题,加固计算的规范化势在必行。
附件3 主墩钢套箱计算书1工程概况柬埔寨洞里萨大桥主墩为梭形,平面尺寸11.3m×10.3m,承台高3.5m,底标高为15.3m。
承台施工拟采用钢套箱方案,钢套箱外围尺度为11.3m×10.3m×6m。
2工况描述2.1水文条件(1)水位和流速该桥所处河流的水位及流速见2.1所示。
表2.1潮位特征值2.2计算工况根据钢套箱的施工方案,在实际施工过程中遇到的各种荷载组合,总结了以下四种不利荷载工况:1、阶段一、套箱起吊结构组成:底板及底板主次梁、吊架、内部桁架梁。
作用荷载:结构自重。
2、阶段二、套箱安装结束尚未浇封底砼(加固已结束)结构组成:底板及底板主次梁、内部桁架梁、吊架、桩。
作用荷载:结构自重、波流力。
3、阶段三、浇注封底砼,但砼尚未有强度结构组成:底板及底板主次梁、内部桁架梁、吊架、桩。
作用荷载:结构自重、封底砼自重、封底砼侧压力、波流力、静水浮力。
4、阶段四、浇注下层砼,但砼尚未有强度结构组成:封底砼、内部桁架梁、吊架、桩。
作用荷载:结构自重、封底砼自重、下层砼自重、下层砼侧压力、波流力、静水浮力、静水侧压力。
3计算参数钢套箱钢结构,描述其本构行为采用弹性模型进行模拟,弹性本构模型的材料参数为: 弹性模量E =2.0×1011Pa泊松比μ=0.3质量密度ρ=7850kg/m 3混凝土材料作为荷载施加于钢套箱上,混凝土材料的质量密度取为2500kg/m 3。
4计算模型4.1计算方法1、承台套箱、桩基的波流力计算根据水力学动量计算公式,流体与固体边界的相互作用力可以按下式计算。
)(1122i i i i iV V Q F∂-∂=∑ρ式中,i 为1,2,3方向;i 2∂——初始水流速度修正系数,取值为1;i V 2——初始水流速度(m/s ); i 2∂——与结构物碰撞后水流速度修正系数,取值为1;i V 1——与结构物碰撞后水流速度(m/s )。
ρ——水的密度(kg/m 3);AV Q =,面积A 上单位时间通过的水流量(m 3/s )。
2#主墩钢套箱计算书1 设计参数取值1) 承台底标高: 83.5m2) 套箱底板顶面标高: 82.5m3) 壁板顶标高: 87.7m4) 壁板底标高: 82.5m5) 封底混凝土厚: 1.0m6) 设计高水位: 86.22m(10年一遇)7) 设计低水位: 84.57m2 材料容许应力值(1)Q235钢:]=145MPa容许弯应力[σw容许轴向力[σ]=140MPa容许剪应力[τ]=85MPa。
参考《路桥施工计算手册》,临时结构钢材容许应力可提高1.3倍。
本计算中Q235钢材容许弯应力取1.3×145=188.5MPa,容许轴向应力取1.3×140=182MPa,容许剪应力取1.3×85=110MPa。
(2)C25混凝土:弹性模量E=2.8×104MPac=11.5MPa轴心抗压强度fcd轴心抗拉强度f=1.23MPatd(3)钢护筒与混凝土之间握裹力:取经验值150KN/m23荷载取值3.1 静水压力桥位处设计最高水位86.22m,钢套箱壁板底部高程为82.5m。
则壁板底部最大静水压强为:,从水面至套箱底部呈线性分布,如下图所示。
图1 静水压力图3.2 混凝土荷载承台分两次浇注,第一次浇注1.5m,第二次浇注2.7m,则第一次浇注混凝土侧压力为:则第二次浇注混凝土侧压力为:4钢套箱结构工况分析4.1吊杆计算4.1.1整体下放阶段采用Φ32精轧螺纹钢筋吊杆,共计4根。
钢套箱重:60t每根吊杆承受拉力为15t,满足要求。
4.1.2封底混凝土浇注阶段采用Φ32精轧螺纹钢筋吊杆,共计16根。
1m封底混凝土重:87.8×2.4=211t钢套箱重:60t每根拉压杆受力为:(211+60)/(4×4)=17t4.2底板计算底板承受封底混凝土荷载,封底混凝土重24×1=24KPa,均匀作用在底板上。
底板面板采用δ=6mmQ235B钢板,主梁采用2[28b型钢,次梁采用12.6工钢。
水中承台施工方案——经调查分析,桥位处施工水位拟定是为5.0m。
围堰的顶标高为施工水位+0.5安全高度+0.2m波浪高约▽5.7m.如下图所示:2.5m面板厚 =6mm横向肋为:[ 10 @500竖向肋为:I 14a @500面板四周设∟140×140×10角钢与相邻面板连接,连接螺栓开孔Ф22mm,孔距150mm单排,螺栓M 20*65mm钢套箱拟设三层围令,上层围令设置标高▽4.5m处为内围令;中层围令设置标高▽2.5m处为外围令,下层围令设置标高▽0.7m处为外围令。
两层外围令旨在方便承台的施工。
尽量缩短承台工期,且两道外围令均在河床面上,日后由潜水工切割,将其回收。
一、设计依据1、仪扬河大桥施工图设计;2、实测河床断面图;3、历年的水文资料;4、各种桥涵设计、施工规范和设计计算手册;二、方案可行性研究及其对策1、筑岛围堰:根据施工图设计,主墩承台顶面在河床面以上,墩位处水深5.0m左右。
如采用土围堰(包括草袋土围堰或木桩土围堰),则围堰较高,必须将围堰做得很大。
这样压缩航道不但对航运产生不利影响,且工程量很大,费工费时,土壤又缺乏,无论是从工期还是造价上均不够合理,同时在施工过程中还存在巨大风险,故此方案不能采纳。
2、钢套箱围堰:利用钢管桩脚手平台拼装,下沉钢套箱比较方便,而且钢套箱仅需下沉2.5m左右是完全可能的。
在本桥的地质条件下,下沉2.5m最好采用单壁钢套箱,由于本身自重虽较小,但下沉较浅,这完全是可能的。
且单壁钢围堰待承台浇筑后又能回收利用,经济上及工期上均是合理的。
综上,最后研究决定,采用单壁钢围堰施工承台。
三、套箱围堰平面尺寸及标高的确定1、套箱围堰的标高拟定顶标高:根据历年水文资料及一般以十年一遇的水位作为施工水位,故将施工水位定为▽5.0m,因流速不大,只考虑0.7m安全高度,所以套箱围堰顶标高为5.7m;底标高:承台底标高为0.0m,封底混凝土厚度拟定为1.2m,围堰吸泥下沉后用蛇皮袋装粘土铺平的处理高度约为0.3m,再考虑套箱的底脚切入河床表面0.8m,则底脚标高应为-2.3m。
水中承台施工方案——经调查分析,桥位处施工水位拟定是为5.0m。
围堰的顶标高为如下图所示:施工水位+0.5安全高度+0.2m波浪高约▽5.7m.2.5m面板厚 =6mm横向肋为:[10@500竖向肋为:I14a@500面板四周设∟140×140×10角钢与相邻面板连接,连接螺栓开孔Ф22mm,孔距150mm单排,螺栓M20*65mm钢套箱拟设三层围令,上层围令设置标高▽4.5m处为内围令;中层围令设置标高▽2.5m处为外围令,下层围令设置标高▽0.7m处为外围令。
两层外围令旨在方便承台的施工。
尽量缩短承台工期,且两道外围令均在河床面上,日后由潜水工切割,将其回收。
一、设计依据1、仪扬河大桥施工图设计;2、实测河床断面图;3、历年的水文资料;4、各种桥涵设计、施工规范和设计计算手册;二、方案可行性研究及其对策1、筑岛围堰:根据施工图设计,主墩承台顶面在河床面以上,墩位处水深5.0m左右。
如采用土围堰(包括草袋土围堰或木桩土围堰),则围堰较高,必须将围堰做得很大。
这样压缩航道不但对航运产生不利影响,且工程量很大,费工费时,土壤又缺乏,无论是从工期还是造价上均不够合理,同时在施工过程中还存在巨大风险,故此方案不能采纳。
2、钢套箱围堰:利用钢管桩脚手平台拼装,下沉钢套箱比较方便,而且钢套箱仅需下沉2.5m左右是完全可能的。
在本桥的地质条件下,下沉2.5m最好采用单壁钢套箱,由于本身自重虽较小,但下沉较浅,这完全是可能的。
且单壁钢围堰待承台浇筑后又能回收利用,经济上及工期上均是合理的。
综上,最后研究决定,采用单壁钢围堰施工承台。
三、套箱围堰平面尺寸及标高的确定1、套箱围堰的标高拟定顶标高:根据历年水文资料及一般以十年一遇的水位作为施工水位,故将施工水位定为▽5.0m,因流速不大,只考虑0.7m安全高度,所以套箱围堰顶标高为5.7m;底标高:承台底标高为0.0m,封底混凝土厚度拟定为1.2m,围堰吸泥下沉后用蛇皮袋装粘土铺平的处理高度约为0.3m,再考虑套箱的底脚切入河床表面0.8m,则底脚标高应为-2.3m。
套箱围堰总高度为h=5.7-(-2.3)=8.0m2、套箱围堰平面尺寸的拟定套箱围堰下沉至设计标高后封底抽水,变水中施工为陆上施工,同时套箱又兼作浇筑承台的外模。
为了保证承台轴线的精确,故在承台外缘放出5cm,作为钢套箱在下沉时的偏差余量,所以在设计钢套箱围堰时,平面净尺寸为:净(16.5+2×0.05)×(7.7+2×0.05)=16.60×7.8m。
套箱围堰总高8.0m,拟分为上下两层。
底层高3m,上层高5m。
四、承台施工流程图:基桩浇筑完成拆除施工平台面层、贝雷拼装单壁钢套箱测量控制转至另半幅施工平台使用钢套箱加工或改造钢套箱吸泥下沉测量跟踪补水、保持水头平衡钢套箱沉至设计标高潜水工清底整理、清壁浇筑封底混凝土砼等强后井内抽水承台放样破桩头检测、绑钢筋浇筑承台绑钢筋、浇筑墩身拆除钢围堰准备潜水作业设备制定浇筑方案及设施报监理验收承台钢筋加工墩身钢筋加工转至另半幅施工承台使用报监理验收拆除下层、上层钢围令下达纠偏指令检查安全整修检查钢围令支撑情况五、钢套箱设计计算1、面板设计计算1)重量分块计算按现在的25T吊机和8m左右的吊距,宜将板块重量控制在5.0T以内。
钢围堰平面尺寸如下图所示:钢套箱总高度8.0m,上层套箱高度5.0m.块件估重:按保守估计,每平方最多不超过180Kg,G=4.15×5.0×0.18T/m2=3.74T<5.0T。
2)面板的强度和刚度验算钢套箱面板在拼装过程中及吸泥下沉过程,只需控制好内外水头,使之相等,面板的受力很小,在上述工况下可以不作验算,只是在封底抽水后,内外形成压力差,在此工况下,对面板需进行强度和刚度的验算。
(1)套箱面板强度验算:套箱的纵横向加劲肋间距均为50cm,面板厚度δ=8mm,最大水深h=5.0m,面板上水侧压力只有在封底抽水后形成,其最大水头差h =5.0-0.7=4.3m。
视面板为四周固结:P=r×h=1.0*4.3=43Kpa将面板压力简化为阶梯荷载时:P=r×(h-0.5/2)=40.5Kpa面板L1=L2=50cmL1/L2=1<2应按双向板计算利用《建筑结构静力计算手册》表4-4当μ=0时,(μ为泊桑比)M x =M y =0.0176×ql 2=0.0176×4.05×0.52=0.0178t ·mM X 0=M y 0=0.0513×ql 2=0.0513×4.05×0.52=0.0519t ·mM x μ=M y μ=M x +M y μ=1.3M x ×1780=2314㎏·㎝W=61×b ×h 2=61×50×0.62=3cm 2σmax =M1/W =2314÷3=771㎏/cm 2σmax =M2/W =5190÷3=1730㎏/cm 2<1.3[σ]=1885㎏/cm 2注:临时结构取1.3的容许应力增大系数(2)下层套箱面板强度验算下层套箱3.0m 高,在封底抽水后,除了顶部0.7m 高,受到水侧压力外,下面的2.3m 则埋入地下或是在封底混凝土的高度范围内不受力。
如图所示:最大水头差:h=5.0-0.2=4.8m ,将面板上压力简化为阶梯荷载时:P =r ×(h -245.0)=4.58t/㎡面板L1=50cm ;L1=45cm ;L1/L2=0.9查表可得:M x =0.0221qL 22=0.0205t ·mM y =0.0165qL 22=0.0153t ·mM X 0=-0.0588qL 22=-0.0545t ·mM x μ=M x +μM y =0.0205+1.3×0.0153=0.0404t ·mσmax =M/W =4040/3=1347㎏/cm 2<1.3[σ]=1885㎏/cm 2σmax =M 0/W =5450/3=1816㎏/cm 2<1.3[σ]=1885㎏/cm 2(3)面板的刚度验算查表4-4:f =0.0127cB ql 4式中:c B =)1(1223M Eh -⨯=)3.01(126.0101.2236-⨯⨯⨯=0.0415×106f =0.0127×641100415.0501005.4⨯⨯⨯-=0.77cm <[f]=600L =60050=0.83cm 综上计算,面板采用δ=6mm 是安全的,经济的。
3、竖向龙骨的强度和刚度验算1)受力分析钢围堰在制造、安装、下沉的过程中,竖向龙骨除了受围堰本身自重荷载外,基本不受力,只是在封底后,抽水的工况下,外面的水头差形成的压力,通过面板和横向肋传给竖向龙骨。
竖向龙骨作为简支梁一头由封底混凝土撑着,另一头由围堰内的钢围令支撑着。
为简化计算作如下假定:(1)、面板的水压,只传给横向肋;(2)、横向肋作为集中荷载作用在竖向龙骨上;(3)、面板不参与竖向龙骨的共同作用。
2)内力计算(1)横向肋的支点反力:@0.5mPi=R横=1/2ql=0.25q 式中q与该横向肋处的水头压力×0.5(2)竖向龙骨内力计算P1=2×0.25×0.5×0.15=0.0625TP2=2×0.25×0.5×0.75=0.1875TP3=2×0.25×0.5×1.25=0.3125TP4=2×0.25×0.5×1.75=0.4375TP5=2×0.25×0.5×2.25=0.5625TP6=2×0.25×0.5×2.75=0.6875TP7=2×0.25×0.5×3.25=0.8125TP8=2×0.25×0.5×3.75=0.9375T∑81=0.5×8=4TP9=2×0.25×0.5×4.25=1.0625TR'=(0.1875×0.3+0.3125×0.8+0.4375×1.3+0.5625×1.8+0.6875×2.3+0.8125×2.8+0.9375×3.3-0.0625×0.2)=2.322TR上=∑P1~8-R=4.0-2.322=1.678TR=R'+P9=3.3845TM6=R'×1.5-0.9375×1.0-0.8125×0.5=2.139t·mM7=R'×1.0-0.8125×0.5=1.825t·m由此可得:M max=M6=2.139t·mQ max=R=3.385t3)竖向龙骨强度验算拟采用[14a为竖向龙骨W=80.5㎝3σ=2.139×105∕80.5=2657㎏/cm2>1.3[σ]=1885㎏/cm2,不安全,需选更强大的截面作为龙骨拟选用I14为竖向龙骨,W=101.7㎝3;I=712㎝4;A=21.5㎝2,σ=2.139×105∕101.7=2103㎏/cm2>1.3[σ]=1885㎏/cm2现假定部分面板参与龙骨共同受力,考虑到剪力滞的影响,只假定15㎝宽的面板与竖向龙骨共同作用。
截面重心求算:x =5.219)6.0214(5.213.0156.0++⨯+⨯⨯=5.44㎝e1=5.44-0.3=5.14㎝;e2=7.6-5.44=2.16㎝;组合截面惯性距I =9×5.142+712+21.5×2.162=1050㎝4Y =14.6-5.44=9.16㎝σ=I M ·Y =105010139.25⨯×9.16=1866㎏/cm 2<1.3[σ]=1885㎏/cm 2τ=b I S Q ⋅⋅=55.07124.5810385.36⨯⨯⨯=504.8㎏/cm 2<1.3[τ]=1.3×850=1105㎏/cm 2通过上述验算,钢套箱面板采用δ=6mm ;横肋:[10@50㎝;竖向肋I14@50㎝;四边联结∟140×140×102、钢围令设计计算1)钢围令的布设(1)平面布设(顶层)如下右图所示(2)立面布设如N0.7页中图所示(3)钢围令受力分析从钢围令立面布设图中,可以看出底层钢围令在封底混凝土顶面标高0.0m 以上70cm 。