梁的应力应变测试
- 格式:doc
- 大小:739.83 KB
- 文档页数:4
等强度梁应变测定实验报告引言在现代工程中,强度是一个非常重要的指标。
为了确保结构的安全性能,通常需要对材料的强度进行测试。
等强度梁应变测定实验是一种常见的测试方法,本文将详细介绍此实验的过程和结果。
实验原理等强度梁应变测定实验是一种基于弹性理论的测试方法。
根据弹性理论,材料的弹性模量可以通过测量材料的应变和应力来计算。
等强度梁应变测定实验是一种间接测量弹性模量的方法,它通过测量等强度梁的挠度来计算弹性模量。
实验步骤1.制备等强度梁我们使用了两种不同的材料:钢和铝。
我们首先将这两种材料切成相同的长度,然后将它们固定在同一支架上,使它们两端平齐。
这样就制备了一个等强度梁。
2.测量等强度梁的挠度我们将等强度梁放置在两个支架之间,并在中间的位置上放置一个测量器。
测量器可以测量等强度梁在受力下的挠度。
我们采用了钢尺来确定挠度的大小。
3.记录应变和应力我们测量了等强度梁的挠度,并使用公式计算了每个材料的应变。
我们还通过施加不同的重量来测量等强度梁的应力,并将结果记录在实验记录表中。
4.计算弹性模量我们使用公式将应变和应力转化为弹性模量。
对于钢和铝,我们得到了不同的弹性模量。
这些结果可以用来比较这两种材料的强度。
实验结果我们得到了以下结果:钢的弹性模量:2.1×1011 N/m2铝的弹性模量:7.0×1010 N/m2这些结果表明,钢比铝更强。
这是因为钢的弹性模量比铝大。
这意味着,在相同的应力下,钢比铝更难弯曲或变形。
结论等强度梁应变测定实验是一种非常有用的测试方法,可以用来比较不同材料的强度。
我们的实验结果表明,钢比铝更强。
这是因为钢的弹性模量比铝大。
这个实验可以帮助工程师和设计师选择合适的材料,以确保结构的安全性能。
梁的弯曲正应力电测实验梁的弯曲正应力电测实验1、纯弯曲梁有关尺寸:弯曲梁截面宽度 b=20mm, 高度 h=40mm, 载荷作用点到梁支点距离a=150mm 。
E=210GPa。
2、本实验采用公共接线法,即梁上应变片已按公共线接法引出9根导线,其中一根特殊颜色导线为公共线,见下图1。
图一3、如图二,将应变片公共引线接至应变仪第一排的任一通道上,其它按相应序号接至第二排各通道上,补偿片接法选半桥。
4、调零。
打开纯弯曲梁实验装置电源开关,转动加载手柄1,当测力仪2显示 -0.5KN即F0=0.500KN。
电桥粗调平衡:打开应变仪电源开关,仪器将自动逐点将电桥预调平衡;电桥细调平衡:按下静态应变测试仪操作面板数字“1”,再按“确定”,然后按“平衡”,如显示屏显示为“0”,则说明调零成功,如果不为“0”,找老师处理。
依次类推,逐点(2,3,4。
8,11,12,。
18)将电桥预调平衡。
5、逐级加载。
继续转动手柄1,当测力仪2显示1.5KN,即F1=1.500KN(150Kg),按下静态应变测试仪操作面板数字“1”,再按“确定”,显示屏上将显示该点应变。
依次类推,逐点测出各点应变。
分别加F2=2.500KN, F3=3.500KN, F4=4.500KN,逐点测出各点应变。
图二6、卸荷至0.500KN,重复实验步骤4-5,测第二次数据。
7、本实验重复2次。
8、实验结束,关闭电源,拆除接线,整理实验现场。
平面纯弯曲梁横截面上的正应力纯弯曲是指梁段的各个横截面上只有弯矩而无剪力,如图中CD段梁。
实验现象分析:横向线变形后仍保持为直线,只是它们相对旋转了一个角度,但仍与纵向线成正交。
各纵向线变形后仍保持平行,但由直变弯;梁凹侧的纵向线缩短,凸侧纵向线伸长;对应纵向线缩短区域的横截面变宽,纵向线伸长区域的横截面变窄。
根据上述现象,由材料的均匀连续性假设设想梁内部的变形也与表面变形相应,因而可作如下假设:平面假设——由现象推测,梁弯曲变形后,其横截面仍保持为平面,且仍与弯曲后的纵线正交,这就是梁弯曲变形后的平面假设。
应力应变测试方法综述引言:应力应变测试是材料力学性能测试中的重要内容之一,用于研究材料在外力作用下的变形行为。
本文将综述常见的应力应变测试方法,包括拉伸试验、压缩试验、剪切试验和扭转试验。
一、拉伸试验拉伸试验是最常用的应力应变测试方法,用于测量材料在拉伸条件下的力学性能。
试样被拉伸时,应力与应变之间的关系可以通过应力-应变曲线来描述。
常见的应力应变曲线包括弹性阶段、屈服阶段、塑性阶段和断裂阶段。
二、压缩试验压缩试验是将试样置于压力下进行测试的方法。
与拉伸试验类似,压缩试验可以得到材料的应力-应变曲线。
对于韧性材料,其应力-应变曲线呈现出相似的趋势,但压缩应力往往比拉伸应力大。
三、剪切试验剪切试验是用于测量材料在剪切载荷下的变形行为的方法。
试样在剪切力的作用下,发生切变变形。
剪切试验可以得到剪切应力与剪切应变之间的关系,常用的剪切应力-应变曲线包括线性阶段、屈服阶段、塑性阶段和断裂阶段。
四、扭转试验扭转试验是测量材料在扭转载荷下发生的变形行为的方法。
试样在扭转力的作用下发生扭转变形。
扭转试验可以得到剪切应力与剪切应变之间的关系,常见的应力应变曲线包括弹性阶段、屈服阶段、塑性阶段和断裂阶段。
五、其他应力应变测试方法除了上述常见的应力应变测试方法外,还有一些特殊的测试方法,如冲击试验、疲劳试验等。
冲击试验用于评估材料在高速冲击载荷下的性能,疲劳试验用于研究材料在循环载荷下的疲劳寿命。
六、应力应变测试的应用领域应力应变测试方法广泛应用于材料科学、机械工程、土木工程等领域。
它可以帮助工程师和科学家了解材料的力学性能,评估材料的可靠性和安全性。
在材料研发、产品设计和结构分析中,应力应变测试是不可或缺的工具。
结论:应力应变测试是研究材料力学性能的重要手段,常见的测试方法包括拉伸试验、压缩试验、剪切试验和扭转试验。
通过这些测试方法,可以获得材料的应力-应变曲线,从而评估材料的力学性能和变形行为。
应力应变测试在材料科学和工程领域具有广泛的应用,对于材料的研发和工程设计具有重要意义。
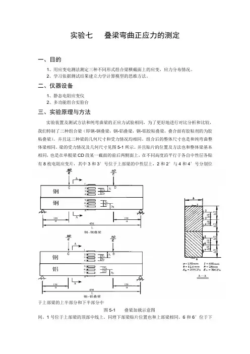
实验七叠梁弯曲正应力的测定一、目的1、用应变电测法测定三种不同形式组合梁横截面上的应变,应力分布情况。
2、学习依据测试结果建立力学计算模型的思维方法。
二、仪器设备1、静态电阻应变仪2、多功能组合实验台三、实验原理与方法实验装置及测试方法和纯弯曲梁的正应力试验相同,为了更好地进行对比分析和比较,我们特制了三种组合梁(即钢-钢叠梁,钢-铝叠梁,钢-铝胶粘叠梁,叠合面有胶粘剂的为胶粘叠梁)。
并且这三种梁的几何尺寸和受力情况均相同。
组合后的整体尺寸也是和纯弯曲整体梁相同。
梁的受力情况及几何尺寸见图5-1所示。
并且贴片的位置及方法也和整体梁基本相同,也是在单根梁CD段某一截面的前后两侧面上,在不同高度沿平行于各自中性层各贴有8枚电阻应变片,其中3和3′号位于上部梁的中性层上,2和2′与4和4′号分别位于上部梁的上半部分和下半部分中图5-1 叠梁加载示意图间。
1号位于上部梁的顶部中线上。
同理下部梁贴片位置也和上部梁相同。
6和6′位于下部梁的中性层上,5和5′与7和7′分别位于下部梁的上半部和下半部中间,8号位于下部梁的底部中线上(具体贴片位置详见图5-1),并把前后各对称点的应变片进行串接。
温度补偿片贴在一块与试件相同的材料上,实验时放在被测试件的附近,根据被测试件的材料选择相应的温度补偿块进行补偿。
四、实验步骤1、打开测力仪电源,如果此时数字显示不为“0”。
用按“ZERO”键调整为“0”。
2、打开应变仪电源,预热30分钟,并对应变片进行灵敏系数K值设定和应变片桥路电阻值选择(参见电阻应变仪的使用)。
3、接线:首先看清叠梁的组合情况,是钢-钢叠梁还是钢-铝叠梁,如果是钢-钢叠梁,选1块钢块温度补偿片进行补偿即可;如果是钢-铝叠梁,得选2块温度补偿块,钢梁用钢块补偿片进行温度补偿,铝梁用铝块补偿片进行温度补偿,一般分两排进行接线。
钢梁上的工作片接一排,铝梁上的工作片接另一排,并分别接上相应的温度补偿片进行补偿。
测量混凝土应力应变性能的方法混凝土是建筑工程中最常见的建筑材料之一,其性能对结构的安全和耐久性至关重要。
为了确保混凝土在不同应力条件下能够承受载荷并保持其完整性,工程师和科研人员需要深入了解混凝土的应力应变性能。
本文将深入探讨测量混凝土应力应变性能的方法,包括传统试验和现代非破坏性技术,以及这些方法的应用和局限性。
传统试验方法1. 拉伸试验拉伸试验是测量混凝土应力应变性能的经典方法之一。
在这种试验中,混凝土样本在受拉力作用下被拉伸,从而测量其应力应变关系。
这种方法可以用来确定混凝土的弹性模量、极限强度和断裂应变等参数。
拉伸试验通常采用标准试验样品,如圆柱体或梁。
2. 压缩试验压缩试验是另一种常见的传统试验方法,用于测量混凝土的应力应变性能。
在这种试验中,混凝土样本在受压力作用下被压缩,从而测量其应力应变关系。
压缩试验可以用来确定混凝土的抗压强度和变形性能。
标准试验样品通常是圆柱体。
3. 弯曲试验弯曲试验用于测量混凝土的抗弯性能。
在这种试验中,混凝土梁在两个支点之间受到弯曲载荷,从而测量其应力应变关系。
弯曲试验可以用来确定混凝土的弯曲强度、弯曲模量和裂缝形成特性。
现代非破坏性技术传统试验方法虽然可靠,但通常需要破坏性地测试混凝土样品,这在某些情况下可能不可行。
因此,现代非破坏性技术应运而生,提供了更便捷和经济的方法来测量混凝土的应力应变性能。
1. 超声波测试超声波测试是一种广泛应用的非破坏性技术,用于评估混凝土的质量和性能。
通过测量超声波在混凝土中的传播速度,可以推断混凝土的弹性模量和抗压强度等参数。
这种方法不需要破坏样品,适用于现场检测。
2. 钻孔取芯钻孔取芯是一种用于获取混凝土样品的非破坏性技术。
通过取芯样品并进行实验室测试,可以确定混凝土的强度和变形性能。
这种方法适用于已建成的结构,可以在不破坏结构完整性的情况下进行测试。
3. 应变计和传感器现代应变计和传感器技术可以在混凝土结构上安装应变计和传感器,实时监测结构的应力应变性能。
等强度梁应变测定实验报告为了研究材料的强度和性能,工程领域经常进行各种实验。
本次实验旨在通过测定等强度梁的应变来评估材料的性能。
在实验中,我们选择了不同材料制成的梁进行测试,并记录了各种条件下的应变数据,以便进一步分析和比较。
实验设备和方法实验中使用的设备包括应变计、加载机和数据记录仪等。
首先,我们选择了几种常见的工程材料,如钢材、混凝土和木材,制成等强度梁。
然后,我们在加载机上逐渐施加力,记录梁在不同载荷下的应变值。
通过数据记录仪,我们可以准确地获取实验数据,并进行后续的分析。
实验结果与分析通过实验数据的比较,我们发现不同材料的等强度梁在受力时表现出不同的应变特性。
例如,钢材梁在承受载荷时表现出较小的应变,而混凝土梁则呈现出较大的应变。
这与材料的性质和结构有关,也反映了它们在受力时的不同表现。
在分析实验结果时,我们还发现了一些有趣的现象。
例如,当加载机施加较大的力时,部分梁出现了应变集中的现象,这可能是由于材料内部存在缺陷或应力不均匀造成的。
此外,我们还观察到在梁的断裂前,应变值会急剧增加,这表明了梁在承受极限载荷时的应变特性。
实验结论与展望通过本次实验,我们成功地测定了不同材料等强度梁的应变,并对其性能进行了评估。
实验结果为工程领域提供了重要的参考数据,有助于设计更安全、更可靠的结构。
未来,我们将继续深入研究材料的力学性能,探索更多的实验方法,为工程实践提供更多有益的信息。
本次实验通过测定等强度梁的应变,成功评估了不同材料的性能,并得出了一些有价值的结论。
我们相信,这些研究成果将为工程领域的发展和进步提供重要的支持和指导。
感谢您的阅读与关注。
钢筋或混凝土应力应变测试在建筑工程领域,钢筋和混凝土是最为常见且关键的材料。
为了确保建筑物的结构安全和稳定性,对钢筋和混凝土的应力应变进行准确测试至关重要。
钢筋作为一种重要的抗拉材料,其应力应变特性直接影响着结构的承载能力。
混凝土则在抗压方面发挥着主要作用。
了解它们在各种工况下的应力应变情况,有助于工程师进行合理的结构设计和评估结构的安全性。
那么,如何进行钢筋或混凝土的应力应变测试呢?常见的测试方法有多种。
电阻应变片法是一种常用的手段。
对于钢筋,将电阻应变片粘贴在钢筋表面,当钢筋受到外力产生变形时,应变片的电阻值会发生相应变化。
通过测量电阻值的变化,再根据应变片的标定系数,就可以计算出钢筋的应变。
对于混凝土,由于其表面相对粗糙,粘贴应变片前需要进行打磨和清洁处理,以确保应变片能够牢固粘贴并且测量结果准确。
光纤光栅传感器法也是一种先进的测试技术。
光纤光栅传感器具有精度高、抗干扰能力强等优点。
将光纤光栅传感器埋入混凝土或粘贴在钢筋表面,当被测对象发生应变时,会导致光纤光栅的波长发生变化,通过检测波长的变化就能得到应力应变信息。
在进行测试时,需要注意一些关键问题。
首先是测试点的选择。
对于钢筋,通常选择在受力较大、可能出现应力集中的部位布置测试点。
对于混凝土,除了在受力较大的区域,还需要考虑混凝土的浇筑质量、养护条件等因素对测试结果的影响。
测试环境也会对结果产生影响。
例如温度变化可能导致应变片或传感器的测量误差。
因此,在测试过程中需要进行温度补偿,或者选择对温度不敏感的传感器。
另外,测试设备的精度和校准也非常重要。
定期对测试设备进行校准和维护,以确保测量数据的准确性和可靠性。
钢筋应力应变测试的结果可以用于评估钢筋的承载能力是否满足设计要求。
如果测试结果显示钢筋的应力超过了其屈服强度,就需要对结构进行重新评估和加固处理。
混凝土应力应变测试的结果对于了解混凝土的工作性能、评估混凝土结构的耐久性具有重要意义。
74实验四 纯弯曲梁正应力实验一、实验目的1、测定矩形截面梁在纯弯曲时的正应力分布规律,并验证弯曲正应力公式的正确性;2、学习多点静态应变测量方法。
二、仪器设备1、纯弯曲梁实验装置;2、YD-88型数字式电阻应变仪;3、游标卡尺。
三、试件制备与实验装置1、试件制备本实验采用金属材料矩形截面梁为实验对象。
为了测量梁横截面上正应力的大小和它沿梁高度的分布规律,在梁的纯弯段某一截面处,中性轴和以其为对称轴的上下1/4点、梁顶、梁底等5个测点沿高度方向均匀粘贴了五片轴向的应变计(如图4-4-1),梁弯曲后,其纵向应变可通过应变仪测定。
图4-4-12、实验装置如图4-4-2和图4-4-3所示,将矩形截面梁安装在纯弯曲梁实验装置上,逆时针转动实验装置前端的加载手轮,梁即产生弯曲变形。
从梁的内力图可以发现:梁的CD 段承受的剪力为0,弯矩为一常数,处于“纯弯曲”状态,且弯矩值M=21P •a ,弯曲正应力公式 σ=z yI ⋅M可变换为σ=y az⋅P ⋅I 2图4-4-2图4-4-37576四、实验原理实验时,通过转动手轮给梁施加载荷,各测点的应变值可由数字式电阻应变仪测量。
根据单向胡克定律即可求得σi 实=E ·εi 实(i=1,2,3,6,7)为了验证弯曲正应力公式σ=z y I ⋅M 或σ=y az⋅P ⋅I 2的正确性,首先要验证两个线性关系,即σ∝y 和σ∝P 是否成立:1、检查每级载荷下实测的应力分布曲线,如果正应力沿梁截面高度的分布是呈直线的,则说明σ∝y 成立;2、由于实验采用增量法加载,且载荷按等量逐级增加。
因此,每增加一级载荷,测量各测点相应的应变一次,并计算其应变增量,如果各测点的应变增量也大致相等,则说明σ∝P 成立。
最后,将实测值与理论值相比较,进一步可验证公式的正确性。
五、实验步骤1、试件准备用游标卡尺测量梁的截面尺寸(一般由实验室老师预先完成),记录其数值大小;将梁正确地放置在实验架上,保证其受力仅发生平面弯曲,注意将传感器下部的加力压杆对准加力点的缺口,然后打开实验架上测力仪背面的电源开关;2、应变仪的准备 a.测量电桥连接:图4-4-4如图4-4-4,为了简化测量电桥的连接,将梁上5个测点的应变计引出导线各取出其中一根并联成一根总的引出导线,并以不同于其他引出导线的颜色区别,所以,测量导线由原来的10根缩减为6根,连接测量电桥时,将颜色相同的具有编号1、2、3、6、7的五根线分别连接在仪器后面板上五个不同通道的A号接线孔内,并将具有特殊颜色的总引出导线连接在仪器后面板上的“公共补偿片BC”位置的B号接线孔内。
桥梁应力检测导言桥梁是连接两个地点的重要交通工具,承受着大量的车辆和行人的负荷。
随着时间的推移和负荷的增加,桥梁所受的应力也会逐渐累积,可能导致桥梁的安全性下降。
因此,对桥梁的应力进行检测是至关重要的,以确保其安全性和稳定性。
本文将介绍桥梁应力检测的原理、方法和应用。
1. 桥梁应力检测原理桥梁应力检测是通过测量桥梁的变形和位移来间接得出桥梁的应力。
应力是指物体内部的力,它可以由外部负荷和温度变化引起。
桥梁应力检测可以通过应力传感器、变形传感器和位移传感器等设备进行。
1.1 应力传感器应力传感器是一种用来测量物体内部应力的装置。
常见的应力传感器包括应变片、膜片传感器和挠度计等。
应力传感器可以精确地测量桥梁各个部位的应力情况,帮助工程师了解桥梁结构的受力状态。
1.2 变形传感器变形传感器是一种用来测量物体变形情况的装置。
桥梁在受到负荷时会发生变形,通过安装变形传感器可以测量桥梁的变形情况。
变形传感器的测量结果可以用来计算桥梁的应力。
1.3 位移传感器位移传感器是一种用来测量物体位移情况的装置。
随着桥梁受力情况的变化,桥梁可能会产生位移。
通过安装位移传感器可以准确地测量桥梁的位移情况,从而推导出桥梁的应力状态。
2. 桥梁应力检测方法在进行桥梁应力检测时,需要选择合适的检测方法,以获得准确可靠的结果。
常见的桥梁应力检测方法包括静态检测和动态检测两种。
2.1 静态检测静态检测指的是在桥梁正常使用条件下进行的应力检测。
静态检测方法包括荷载测试、应变测试和振动测试等。
荷载测试是通过在桥梁上加上一定重量的负荷,测量桥梁的变形情况来计算应力。
应变测试是通过安装应变传感器测量桥梁不同部位的应变情况来间接得出应力。
振动测试是通过观察和分析桥梁的振动特性来判断其应力状态。
2.2 动态检测动态检测指的是在桥梁受到外部动力作用时进行的应力检测。
动态检测方法主要包括颤振测试和冲击测试等。
颤振测试是通过施加周期性外部力来观察和分析桥梁的颤振响应,以判断其应力状态。
梁的纯弯曲正应力实验电测法是应力应变测量最常用的方法,其方法简便,技术成熟,已经成为工程中不可缺少的测量手段。
纯弯曲时正应力在横截面上线性分布,是弯曲中最简单的应力情况。
用电测法测定纯弯曲梁上的正应力,不仅可以验证材料力学理论,也可以熟悉电测法测量的原理、操作方法和注意的问题,为复杂的实验应力分析打下基础。
一、预习要求1、YJ—5电阻应变仪测量前如何进行预调平衡?2、采用半桥接法进行弯曲正应力测量时,如何进行温度补偿?说明原理。
二、实验目的1、初步掌握电测应力分析方法,学习电测接线方法、仪器调试使用方法。
2、测定梁在纯弯曲下的弯曲正应力及分布规律,验证理论公式。
三、实验设备1、纯弯曲正应力试验台。
2、电阻应变仪及预调平衡箱。
3、矩形截面钢梁。
四、实验原理及方法纯弯曲梁如图1a所示。
在载荷P作用下,梁的CD段为纯弯曲变形。
沿梁横截面的高度方向每隔4h高度粘贴平行于轴线的测量应变片,共五片,其中第三片在中性层上。
另外在梁外安置温度补偿块,其上贴一公共温度补偿应变片。
每一测量应变片与公共温度补偿片按图1b接法接为半桥测量系统。
梁受到P力作用后,产生弯曲变形。
通过电阻应变仪测出载荷作用下五个点处的应变,由于是单向拉压变形,由虎克定律εσE=即可算出各点的应力值。
另一方面,由弯曲正应力理论公式zIMy=σ,可算出各点的应力理论值。
于是可将实测值和理论值进行比较,验证理论公式的正确性。
实验时,载荷由砝码经过20倍杠杆放大施加。
加载分四级,每增加一个砝码,产生P图1 纯弯曲实验装置示意图力的增量ΔP。
每加一级后测出五个点的应变,最后取力和应变的增量平均值计算理论值和实验值。
该实验也可用万能试验机加载进行测量。
五、实验步骤1、检查调整纯弯曲梁、电阻应变仪,使各部件和旋钮在正确位置,并打开应变仪进行预热。
2、接桥练习。
参照表1组桥,每种方式下按应变仪的使用方法进行预调平衡,平衡后加一个砝码读取应变。
读数方法为,当加载后应变仪的指针发生偏转,根据应变的大小选择并调节微调、中调、粗调读数盘使电表指针回零,这时各读数盘所指读数的代数和即是所测点的应变值。
应力应变测量实验报告简介应力应变测量是工程力学中非常重要的实验项目之一。
通过测量材料受力后的应变情况,可以分析材料的性能和强度。
本实验旨在通过一系列步骤,探索应力应变测量的基本原理和方法。
实验步骤1. 准备工作首先,准备实验所需的材料和设备。
这包括测试样品、应变计和测量设备等。
确保所有设备都处于正常工作状态,并进行必要的校准和调整。
2. 安装应变计将应变计粘贴在待测试材料的表面。
在此过程中,确保应变计与材料表面充分接触,并且没有空隙存在。
确保粘贴的位置符合测量要求,并且应变计的方向正确。
3. 连接测量设备将测量设备与应变计连接起来。
这可能包括数据采集系统和电阻应变计的连接。
确保连接稳固可靠,并检查信号传输是否正常。
4. 施加载荷通过施加适当的载荷来引导材料产生应变。
这可以通过外力施加或设备操作实现。
确保施加的载荷稳定,并记录下施加的载荷数值。
5. 记录测量数据随着载荷的施加,测量设备会记录下应变计的反应。
将这些数据记录下来,并确保其准确无误。
可能需要进行多次测量以获得可靠的数据。
6. 计算应力和应变根据测量数据,计算出样品的应力和应变值。
应力可以通过施加的载荷除以样品的截面积得到。
应变可以通过应变计测量值除以应变计的灵敏度得到。
7. 分析结果通过分析应力应变数据,我们可以得到材料的力学性质和行为。
这可能包括材料的弹性模量、屈服强度、断裂强度等。
根据实验目的,进行相应的数据处理和图表绘制。
8. 讨论和结论基于实验结果,进行讨论和分析。
讨论实验中的误差来源和改进措施。
最后,得出结论,并根据实验结果提出进一步研究的建议。
结束语应力应变测量实验是工程力学领域中的重要实验之一。
通过本实验,我们可以深入了解材料的性能和强度,并为工程实践提供基础数据。
在实施实验时,确保严格按照步骤进行,并注意实验中的安全问题。
通过合理的数据处理和分析,可以得到准确可靠的实验结果。
如何检测桥梁的应力1. 引言在桥梁的设计和维护过程中,了解桥梁的应力情况非常重要。
检测桥梁的应力可以帮助工程师和维护人员及时发现并解决潜在的问题,从而确保桥梁的结构安全性和可靠性。
本文将介绍几种常见的桥梁应力检测方法。
2. 应力传感器应力传感器是一种常用的桥梁应力检测方法。
它可以通过测量桥梁结构产生的应变量来推测桥梁的应力情况。
应力传感器通常使用电阻应变片或光纤传感器等技术来实现测量。
这些传感器通常安装在桥梁的关键部位,如主梁、悬臂梁和支座等位置,以确保能够准确地测量桥梁的应力。
3. 声学方法声学方法是另一种检测桥梁应力的有效手段。
它利用声波传播的特性来测量桥梁内部的应力情况。
声学方法通常使用超声波或应力波来检测桥梁的应力。
这些方法不需要直接接触桥梁结构,因此可以减少对桥梁的影响并提高检测的准确性。
声学方法还可以实时监测桥梁的应力变化,帮助及时发现潜在的问题。
4. 震动测试震动测试是一种通过施加外部力来检测桥梁的应力的方法。
这种方法通常使用振动台或冲击锤等设备,在桥梁上施加震动力,并通过测量桥梁的振动响应来推断桥梁的应力情况。
震动测试通常需要专业的仪器设备和技术人员来进行操作和分析,但可以提供较准确的桥梁应力信息。
5. 图像识别图像识别技术可以通过处理桥梁的图像或视频来检测桥梁的应力。
这种方法通过分析桥梁表面的纹理和形变信息来推测桥梁的应力情况。
图像识别技术通常需要使用计算机视觉和机器学习算法来实现桥梁应力的准确测量。
尽管该方法对设备和算法的要求较高,但可以提供非接触式的桥梁应力检测方案。
6. 结论桥梁的应力检测是确保桥梁结构安全和可靠的重要步骤。
本文介绍了几种常见的桥梁应力检测方法,包括应力传感器、声学方法、震动测试和图像识别。
每种方法都有其适用的场景和优缺点,工程师和维护人员应根据具体情况选择合适的方法来进行桥梁应力检测。
通过及时发现和解决桥梁应力问题,可以保障桥梁的结构安全性和可持续性运营。
材料力学简支梁的应力测试与分析告王宇哲学号:2012080090022学生姓名:杨康2012080090023司超杰2012080090024陈焕2012080090025指导教师:牟萍日期:2014年11月27日星期四一、实验室名称:主楼G-113二、实验项目名称:简支梁的应力测试与分析三、实验原理:1、弯曲试验装置弯曲试验装置有起定位固定作用的弯曲实验底座、用于实现简支梁及静不定梁的弯曲支架、固定较支架、用于实现悬臂梁的悬臂支架、用于实现静不定梁的挡板、拉杆等部件。
弯曲实验底座由其下①50mm的定位销于试验机工作台连接,试验机的加载压头作用点与弯曲底座对中。
搭建时将弯曲支座连接螺栓方头放入底座的T 型槽,调整支座在底座上的位置,将简支梁支座准确安装在弯曲底座导轨上,再拧紧其连接螺栓。
2、试件本实验梁为矩形截面梁。
由弯曲正应力的强度条件M”疵5[切徨,梁能承受的必唤与弯曲截面系数巧成正比,合理的截面形状应是横截面积A较小,弯曲截面系数"z较大。
对高为h,宽为b的矩形截面梁,抵抗垂直平面内的弯曲变形时,如截面竖放比截面横放的%大(徨二塔),所以实验梁竖放比横放更为合理。
为满足实验梁在实验过程中发生弹性变形,梁受纯弯曲时的正应力公式本加载装置最大弯矩发生在CD段内,如图3-1所示,其值梁内最大正应力满足碳钢(45#)比例极限p 200Mp a,加载载荷控制在60KN1、支座的简化任何一个在对称面内承受载荷作用的梁,可能产生3中刚体位移:沿梁轴线方向、垂直于轴线方向的移动以及在对称面内的转动。
为了约束可能产生的运动,必须有支座,约束的数目至少应该是以上3种刚体运动,使支座处的约束反力和载荷组成一个平衡的平面力系。
梁支座的结构各不相同,简化了的形式如下:1)活动铰支座梁在支座处沿垂直于支承面方向不能移动,可在平行于支承面的方向移动和转动。
此时仅有一个垂直于支承面方向的支座反力F Ay。
2)固定铰支座梁在支座处只能转动,二不能沿任何方向移动。
中国石油大学
梁应力应变测量实验报告
专业:机自1401
年级:2014
班级:机自1班
学生学号:1404010103
学生姓名:程浩
梁应力应变测量
一、实验目的
1、了解电阻应变片的结构及种类;
2、掌握电阻应变片的粘贴技巧;
3、掌握利用电阻应变片测量应力应变的原理;
4、掌握动态测试分析系统的使用及半桥、全桥的接法;
二、实验内容
进行悬臂梁的应变测量
三、实验原理
1、电阻应变片的测量技术
将应变片固定在被测构件上,当构件变形时,电阻应变片的电阻值发生相应的变化。
通过电阻应变测量装置(简称应变仪)可将电阻应变片中的电阻值的变化测定出来,换算成应变或输出与应变呈正比的模拟电信号(电压或电流),用记录仪记录下来,也可用计算机按预定的要求进行数据处理,得到所需要的应力或应变值。
2、电阻应变式传感器
电阻应变式传感器可测量应变、力、位移、加速度、扭矩等参数。
具有体积小、动态响应快、测量精度高、使用简便等优点。
电阻应变式传感器可分为金属电阻应变片和半导体应变片两类。
常用的金属电阻应变片有丝式和箔式两种。
它由敏感元件、引出线、基底、覆盖层组成,用粘贴剂粘贴在一起,如图所示。
图1 电阻应变片结构图2 电桥
3、应变片的测量电路
在使用应变片测量应变时,必须有适当的方法检测其阻值的微小变化。
为此,一般是把应变片接入某种电路,让它的电阻变化对电路进行某种控制,使电路输出一个能模拟这个电阻变化的电信
号,之后,只要对这个电信号进行相应的处理(滤波、放大、调制解调等)就行了。
常规电阻应变测量使用的应变仪,它的输入回路叫做应变电桥 ① 应变电桥:以应变片作为其构成部分的电桥。
② 应变电桥的作用:能把应变片阻值的微小变化转换成输出电压的变化。
U
)
)((U 43214
2310⋅++-=
R R R R R R R R
常用电桥连接方法有三种:
(1)单臂半桥接法: R1作为应变片 (2)半桥接法:R1、R2作为应变片
(3)全桥接法: R1、R2、R3、R4均为应变片
电桥的和差特性:电桥的输出电压与电阻(或应变)变化的符号有关。
即相邻臂电阻或应变变化,同号相减,异号相加;而相对臂则相反,同号相加,异号相减。
利用桥路的和差特性可以提高电桥灵敏度、补偿温度影响,从复杂应力状态中测取某一应力、消除非测量应力。
本实验采用单臂半桥接法,得到金属梁的拉应变与供桥电压和输出电压之间的关系为:
KU
4U 0
M =
ε 得到作用在梁上的弯矩为:EW M M ε=
四、实验主要仪器及耗材
DH5923动态电阻应变仪(DH5923动态信号测试分析系统)、电阻应变片、应变适调器、矩形梁、电烙铁、万用变、小螺丝刀、连接导线、502胶、丙酮、棉花、镊子、焊锡、酒精等。
五、实验步骤
1、粘贴应变片
(1) 去污:用砂轮(本实验采用砂纸代替)除去构件表面的油污、漆、锈斑等,并用细纱布交叉打磨出细纹以增加粘贴力,用浸有酒精和丙酮的纱布片或脱脂棉球擦洗。
(2) 贴片:在应变片的表面和处理过的粘贴表面上,各涂一层均匀的粘贴胶(502胶),用镊子将应变片放上去,并调好位置,然后盖上塑料薄膜,用手指揉合滚压,排出下面的气泡。
(3) 在合适位置粘贴接线板,将导线与应变片引线连接。
2、检查:用万用表测量应变片在粘贴过程中是否损坏及线路连接是否正确。
3、接桥:将导线接在应变桥盒上。
注意不要把端子扯断。
4、开机:打开测试系统开关,打开采集软件,调整零点;
6、参数设置:设置应变片的灵敏度、梁材料的弹性模量、泊松比、满度值和滤波方式。
7、调平衡:利用测试软件调节电桥平衡;
8、加载测试,保存数据,对进行处理,完成实验报告。
六、数据的处理。
200
由图可知
=786.828um;E=200Gpa;梁的截面b=20mm,h=1.5mm 抗弯截面模量W=Iz/Ymax=bh 3/12/h/2=7.5×10-9m 3 弯矩EW M M ε=
=786.828×10-6×200×109×7.5×10-9=1.18N.m
七、举例说明应变效应的作用。
应变效应应用范围十分广泛,可测量应变、应力、力矩、位移、加速度、扭矩等物理参量。
电阻式应变片应用模式有两种,一是将应变片粘贴于弹性刚体上组成平衡电桥,然后接到转换电路,构成专用应变传感器;二是将应变片粘贴于被测物体上,然后接到专用应变仪直接读取应变量。